试用力矩分配法计算图示结构
- 格式:doc
- 大小:80.00 KB
- 文档页数:1
《结构力学I》期末复习题1.试画出图示静定梁的弯矩图和剪力图。
Pa aaa a2.试画出图示刚架的弯矩图、剪力图和轴力图。
各杆长均为l。
DA C4kN/mB10kNDC48m34kN/m3.试求图示桁架各指定杆的轴力。
已知F= 30kN。
三、静定结构的位移计算1.用图乘法计算图示荷载作用下外伸梁C点的竖向位移Δcy。
3×4=12m3F2313m3m4bacFF2×2=4m2×3=6m2F 3Fbac4m4×3=12m2.试画出 图示结构的弯距图。
并求C 点的水平位移和D 点转角。
已知三杆长均为l ,EI 为常数。
3.试绘制图示静定结构的弯矩图,并求A 点的垂直位移和B 点转角。
已知三杆长均为3m 。
各杆EI 均为10000kNm 2。
4.试绘制图示静定结构的弯矩图,并求A 点的垂直位移。
各杆EI 均为5000kNm 2。
5kN四.力法1.试用力法计算图示结构,绘制弯矩图。
已知二杆长均为l,EI为常数。
q2.试用力法计算图示结构,绘制弯矩图。
已知两杆长均为l,EI为常数。
3.试用力法计算图示结构,绘制弯矩图。
已知三杆长均为l,EI为常数。
4.用力法计算并作图示结构M图。
已知二杆长均为l,E I= 常数。
五、位移法1.建立图示结构的方程,求出方程的系数和自由项。
已知三杆长均为l,EI为常数。
2.试用位移法计算图示结构,绘制弯矩图。
已知两杆长均为l,EI为常数。
q3.试用位移法计算图示结构,绘制弯矩图。
已知三杆长均为6米 ,EI 为常数。
4. 位移法作图示刚架的M 图(EI﹦常数)。
5.试 用 最 简 捷 的 方 法 求 图 示 结 构 的 弯 矩 图 , 各 杆 的 长 度 l 均 相同 。
PEIEIEIEI EI 1=ACBD12kN/m6.用位移法作图示结构M 图,EI 常数。
l /2l /2六.力矩分配法1.试用力矩分配法计算图示连续梁,绘制弯矩图。
EI 为常数。
作业三参考答案三、用位移法计算图示连续梁,并绘出弯矩图。
各杆EI 相同且为常数。
(10分)解:(1)选取基本结构如下图所示,Δ1为基本未知量。
(2)写出位移法方程如下:k 11Δ1+ F 1P = 0(3)计算系数k 11及自由项F 1P 令EIi =12,则 i AB =3i , i BC =2i 作1M 图和M P 图如下:k 11 = 12i+2i =14i1P 40F =3kN ∙m(4)求解位移法基本未知量将系数及自由项代入位移法方程,得:基本结构1M 图M P 图(kN ∙m )40 401P 11140F 203k 14i 21i∆=-=-=-(5)作M 图四、用位移法计算图示刚架,并绘制弯矩图。
(10分)解: (1)选取基本结构如下图所示,Δ1、Δ2为基本未知量。
(2)写出位移法方程如下:k 11Δ1+ k 12Δ2+ F 1P = 0D 基本结构(3)计算系数及自由项 令EIi =4,则 i AB = i BC =2i , i BE = i CF = i , i CD =4 i 作1M 图、2M 图和M P 图如下:k 11 = 8i+4i+8i =20ik 21 =4i k 21 = k 12 =4ik 22 = 8i+4i=12iF 1P =40 kN ∙m F 2P =-30 kN ∙m (4)求解位移法基本未知量将系数及自由项代入位移法方程,得:D2M 图DPD1M 图{4iΔ1 +12iΔ2-30= 0解得:175 28i∆=-295 28i∆=(5)作M图五、用位移法计算图示刚架,并绘出弯矩图。
(10分)解:(1)对称结构受对称荷载作用,可简化为如下结构:D M图(kN∙m)(2)写出位移法方程如下:k 11Δ1+ F 1P = 0(3)计算系数k 11及自由项F 1P 令EIi =L,则 i AD = i DE =i 作1M 图和M P 图如下:k 11 = 4i+4i =8i21P qLF =12E1M 图基本结构EA2qL 122qL 12P(4)求解位移法基本未知量将系数及自由项代入位移法方程,得:221P 111qL F qL 12k 8i 96i∆=-=-=- (5)作M 图由对称性,得原结构的M 图如下:六、用位移法计算图示刚架(利用对称性),并绘出弯矩图。
习题
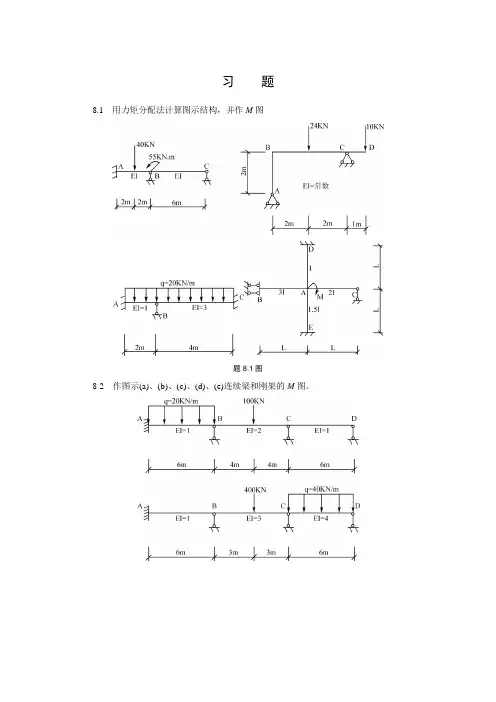
8.1 用力矩分配法计算图示结构,并作M图
题8.1图
8-2 作图示(a)、(b)、(c)、(d)、(e)连续梁和刚架的M图。
题8.2图
8-3 图示连续梁EI=常数,试用力矩分配法计算其杆端弯矩,并绘M图。
8-4 作图示连续梁在三角形荷载作用下的M图。
设EI=常数。
8-5 作图示刚架的M图。
题8.3图
题8.4图题8.5图
8-6 当支座A转动 角时,作M图。
设各杆EI=常数。
8-7 用无剪力分配法计算图示刚架,并绘M。
题8.6图题8.7图8-8 图示各结构哪些可以用无剪力分配法计算?对于图8.8(f),若可用无剪力分配法计算,劲度系数
S应等于多少?
AB
题8.8图
8-9 试计算图示空腹梁并绘M图,EI=常数。
(提示:除利用对水平轴的对称性外,还可利用对竖直轴的对称性以进一步简化计算)
题8.9图
8-10 采用位移法并引入无剪力分配法概念,简化计算图示刚架。
题8.10图。
习题及参考答案【习题2】【习题3】【习题4】【习题5】【习题6】【习题8】【习题9】【习题10】【习题11】【习题12】【习题13】【习题14】【参考答案】习题22-1~2-14试对图示体系进行几何组成分析,如果是具有多余联系的几何不变体系,则应指出多余联系的数目。
题2-1图题2-2图题2-3图题2-4图题2-5图题2-6图题2-7图题2-8图题2-9图题2-10图题2-11图题2-12图 题2-13图 题2-14图习题33-1 试作图示多跨静定梁的M 及Q 图。
(b)(a)20kN40kN20kN/m40kN题3-1图3-2 试不计算反力而绘出梁的M 图。
(b)5kN/m40kN(a)题3-2图习题44-1 作图示刚架的M 、Q 、N 图。
(c)(b)(a)20kN /m2kN /m题4-1图4-2 作图示刚架的M 图。
P(e)(d)(a)(b)(c)20k N /m4kN题4-2图4-3 作图示三铰刚架的M 图。
(b)(a)题4-3图4-4 作图示刚架的M 图。
(a)题4-4图4-5 已知结构的M 图,试绘出荷载。
(b)(a)题4-5图4-6 检查下列刚架的M 图,并予以改正。
(e)(g)(h)P(d)(c)(a)(b)(f)题4-6图习题55-1 图示抛物线三铰拱轴线方程x x l lfy )(42-=,试求D 截面的内力。
题5-1图5-2 带拉杆拱,拱轴线方程x x l lfy )(42-=,求截面K 的弯矩。
C题5-2图 题5-3图5-3 试求图示带拉杆的半圆三铰拱截面K 的内力。
习题66-1 判定图示桁架中的零杆。
(c)(b)题6-1图6-2 用结点法计算图示桁架中各杆内力。
(b)题6-2 图6-3 用截面法计算图示桁架中指定各杆的内力。
(b)题6-3图6-4 试求图示组合结构中各链杆的轴力并作受弯杆件的M 、Q 图。
(a)题6-4图6-5 用适宜方法求桁架中指定杆内力。
(c)(b)(a)题6-6图习题88-1 试作图示悬臂梁的反力V B 、M B 及内力Q C 、M C 的影响线。
第四章一、选择题1、如图所示刚架,给出四个不同形状的弯矩图,其中形状正确的是()题图2、如图所示正方形封闭荷载及框架,四个角上的弯矩相等且均为外侧受拉,其值等于 ( )PlA、8PlB、12PlC、16PlD、243、图为AB杆段的弯矩图,则杆上作用的外力P的大小应为()A、8KNB、10 KNC、12 KND、15 KN选择题3 填空题1二、填空题1、图所示所示刚架,截面D的弯矩值等于,侧受拉。
2、图示刚架,其中CD 杆D 截面的弯矩为 kn m,CD 杆的轴力为 kn (设弯矩以内侧受拉为正,轴力以拉力为正)。
3、如图所示刚架中的弯矩=DC M ,轴力=ED N ,支座A 的竖向反力=A V 。
三、计算题1、如图所示刚架的M 图,试做Q 图与N 图2、试作出图如图所示刚架的M 、Q 图。
3、作图刚架的 M 、Q 图。
6Kn第五章一、选择题:1、如图所示三铰拱,已知其水平推力H=23P ,该拱的失跨比lf 等于 ( )A 、81B 、61C 、41 D 、312、如图所示对称三铰拱,设拱轴线为抛物线。
铰C 右侧截面C '的轴力(受压为正)为( )。
3、经判断,如图所示结构的水平反力为 ( )A 、2,2P H P H B A -==B 、0,==B A H p HC 、P H H B A -==,0D 、2,2P H P H B A =-=二、填空题 :1、当拱的轴线与压力线完全重合时,各截面 和 都为零,而只有 。
这样的拱轴线称为 。
第六章一、选择题1、所示组合结构,其中二力杆AB 的轴力为 ( )A 、-P 2 B 、0C 、P 2D 、P 222、如图所示静定刚架及荷载,截面B 的弯矩B M 等于 ( )A 、Pa (外侧受拉)B 、2Pa (内侧受拉)C 、2Pa (外侧受拉)D 、3Pa (内侧受拉)二、填空题1、如图所示桁架1、2杆的内力分别为1N = ,2N = 。
三、计算题1、试计算图所示桁架杆件1、2的内力。
结构力学专升本作业题参考答案一、选择题1、图示结构中,A 支座的反力矩A M 为( )。
A. 0B. 1kN.m (右侧受拉)C. 2kN.m (右侧受拉)D. 1kN.m (左侧受拉)AC 1kN.m4m4m4mB答案:C2、图示组合结构中,杆1的轴力1N F 为( )。
A. 0B. 2ql-C. ql -D. q 2- Aqll ll llBCD E1答案:B3、图示结构的超静定次数为( )。
A. 1B. 5C. 6D. 7答案:D4、图示对称结构的半边结构应为( )。
F PF PF PF PF PF P(A)(B)(C)(D)答案:A5、图示结构中,BA M (设左侧受拉为正)为( )。
A. a F P 2B. a F PC. a F P 3D. a F P 3-F Pm =2Aaaa /2BCDF a P答案:C6、图示桁架中,B 支座的反力HB F 等于( )。
A. 0B. P F 3-C. P F 5.3D. P F 5AF PBCF HBaaaa a3F P F答案:D7、图示结构的超静定次数为( )。
A. 1B. 3C. 4D. 58、图示对称结构的半边结构应为( )。
F PF PF PF PF PF P(A)(B)(C)(D)答案:C 二、填空题1、图示桁架中,有 根零杆。
F P答案:102、图示为虚设的力状态,用于求C 、D 两结点间的 。
P CDP答案:相对水平位移3、超静定刚架结构在荷载作用下采用力法求解时,当各杆EI 值增加到原来的n 倍时,则力法方程中的系数和自由项变为原来的 倍;各杆的内力变为原来的 倍。
答案:n1;1 4、写出下列条件下,等截面直杆传递系数的数值:远端固定=C ,远端铰支=C ,远端滑动=C 。
答案:2/1;0;1-5、图示桁架中,有 根零杆。
F P6、图示为虚设的力状态,用于求A 、C 两截面间的 。
A BCM =1M =1答案:相对角位移7、在温度变化时,力法方程为01212111=∆++t X X δδ,等号左边各项之和表示 。
结构力学 ——渐进法与近似法分析与计算题1. 用力矩分配法计算图示连续梁,作弯矩图和剪力图,并求支座B 的反力。
答案:计算过程、弯矩图、剪力图及支座B 的反力分别如图(a )、(b )和(c )所示。
解析:根据单结点结构力矩分配法的步骤计算即可。
难易程度:易知识点:单结点结构的力矩分配2. 用力矩分配法计算图示连续梁,作弯矩图和剪力图,并求支座B 的反力。
A60kN 40kN·m EIEI B C4m4m6m(b)M 图(单位: )kN·m 图(单位: )(c)kNQ F (a)计算过程答案:图(a )为求解结点B 约束力矩的受力分析图。
计算过程、弯矩图、剪力图及支座B 的反力分别如图(b )、(c )和(d )所示。
解析:根据单结点结构力矩分配法的步骤计算即可。
难易程度:中知识点:单结点结构的力矩分配3. 用力矩分配法计算图示连续梁,作弯矩图和剪力图,并求支座B 的反力。
答案:CD 段为静定悬臂梁,将其截开并暴露出截面C 的弯矩,用力矩分配法计算如图(a )所示结构。
弯矩图和剪力图如图(b )、(c )所示。
BCEIN/m2EI m3m3m40kN(b)计算过程F BM (a)图(单位: )(c)M kN·m图(单位: )Q F (d)kN10kN20kN12kN/m ABCDEI 2EI 2m 4m4m解析:根据单结点结构力矩分配法的步骤计算即可。
本题中悬臂段CD 若不切除,则可按B 、C 两个刚结点的结构进行计算。
难易程度:中知识点:单结点结构的力矩分配4. 用力矩分配法计算图示连续梁,作弯矩图和剪力图,并求支座B 的反力。
答案:AB 段为静定悬臂梁,将其截开并暴露出截面B 的弯矩,用力矩分配法计算过程如图(a )所示。
弯矩图和剪力图图(b )、(c )所示。
kNQ F (c)图(单位: )m M 图(单位: )(b)RB F =63.02kN ( )计算过程(a)mkN·10kN/m 60kN EI 2IB CD2m6m2m解析:根据单结点结构力矩分配法的步骤计算即可。
一、选择题:(共 10 题,每题 2 分,共 20 分)1.图示体系为()A.无多余约束的几何不变体系B.有多余约束的几何不变体系C.瞬变体系D. 常变体系第 1 题第 2 题2.图示外伸梁,跨中截面C的弯矩为()A.7 kN mB.10kN m C.14 kN m D.17kN m3.在竖向荷载作用下,三铰拱()A.有水平推力B.无水平推力C.受力与同跨度、同荷载作用下的简支梁完全相同D.截面弯矩比同跨度、同荷载作用下的简支梁的弯矩要大4. 在线弹性体系的四个互等定理中,最基本的是()A. 位移互等定理B.反力互等定理C. 位移反力互等定理D.虚功互等定理5. 比较图 (a) 与图 (b) 所示结构的内力与变形,叙述正确的为()A. 内力相同,变形不相同B.内力相同,变形相同附件 2C. 内力不相同,变形不相同D.内力不相同,变形相同q qEI EI2EI2EIl l l l(a)(b)第 5 题6. 静定结构在支座移动时,会产生()A. 内力B.应力C.刚体位移D.变形。
7. 图示对称刚架,在反对称荷载作用下,求解时取半刚架为()A. 图( a)C. 图( c)B.D.图( b)图( d)题 7 图8. 位移法典型方程中系数k ij =k ji 图( a)反映了(图( b))图( c)图( d)A. 位移互等定理B.反力互等定理C. 变形协调D.位移反力互等定理9. 图示结构,各柱EI= 常数,用位移法计算时,基本未知量数目是()A . 2B . 4 C. 6 D . 8第 9 题10.FP=1 在图示梁A.DE、AB 段第10题AE 上移动, K 截面弯矩影响线上竖标等于零的部分为(B.CD、DE 段C.AB 、BC 段D.BC、CD段)二、填空题:(共10 题,每题 2 分,共20 分)1.两刚片用一个铰和 _________________相联,组成无多余约束的几何不变体系。
2.所示三铰拱的水平推力 FH 等于 _______________。
三、基本计算题(本大题共4小题,每小题7分,共28分)19.计算图示桁架指定杆件a、b中的内力。
20.求图示桁架结点D的水平位移。
各杆EA相同。
21.用力矩分配法计算图示结构,并作弯矩图。
22.当行列荷载在图示位置时,利用影响线计算截面K的弯矩值。
四、分析计算题(本大题共3小题,每小题12分,共36分)23.作图示刚架的弯矩图、剪力图及轴力图。
24.计算图示结构,并作弯矩图。
EI=常数。
25.用位移法作图示结构的M图,并求支座A的水平反力。
EI=常数。
三、计算题(每小题6分,共30分)21.用位移法计算图示结构,作弯矩图。
22.用机动法画出图示静定多跨梁的弯矩M A、剪力Q A及反力R B的影响线。
23.求图示结构①单元局部坐标下的杆端力。
已知结点位移{△}=1×10-4[0.485,-1.485,0,0.515]T m,各杆EA=2×105kN,P=10kN,l=2m 。
24.不计轴向变形,求图示刚架结构刚(劲)度矩阵中K 11和K 22两个主元素。
EI=常数。
25.图示体系各柱质量不计,EI=常数,横梁EI 1=∞,简谐荷载频率θ=3ml EI 18,不计阻尼。
求最大动力弯矩值。
四、分析计算题(每小题10分,共30分)26.用力法计算图示结构,作出弯矩图。
EI=常数27.吊车荷载在简支梁AB、BC上移动,P1=P2=240kN,P3=P4=160kN,求支座反力R B的最大值。
28.图示体系各杆EI=常数。
求自振频率。
三、计算分析题(共62分)16.分析图示体系的几何组成,说明理由并作出结论。
(6分)17.作图示刚架的弯矩、剪力图。
(8分)18.求图示桁架中指定杆1、2的轴力。
(6分)19. 利用影响线,求图示梁在移动荷载作用下支座A的反力R A的最大值。
(6分)20.求图示刚架结点A的竖向位移,各杆EI=常数。
(8分)21.用力法计算图示结构,并作M图,各杆EI=常数。
结构力学练习题及答案(总42页)--本页仅作为文档封面,使用时请直接删除即可----内页可以根据需求调整合适字体及大小--一. 是非题(将判断结果填入括弧:以O 表示正确,X 表示错误)(本大题分4小题,共11分) 1 . (本小题 3分)图示结构中DE 杆的轴力F NDE =F P /3。
( ).2 . (本小题 4分)用力法解超静定结构时,只能采用多余约束力作为基本未知量。
( )3 . (本小题 2分)力矩分配中的传递系数等于传递弯矩与分配弯矩之比,它与外因无关。
( )4 . (本小题 2分)用位移法解超静定结构时,基本结构超静定次数一定比原结构高。
( )二. 选择题(将选中答案的字母填入括弧内)(本大题分5小题,共21分) 1 (本小题6分)图示结构EI=常数,截面A 右侧的弯矩为:( )A .2/M ;B .M ;C .0; D. )2/(EI M 。
2. (本小题4分)图示桁架下弦承载,下面画出的杆件内力影响线,此杆件是:( ) A.ch; ; ; .23. (本小题 4分)图a 结构的最后弯矩图为:A. 图b;B. 图c;C. 图d;D.都不对。
( )( a) (b) (c) (d)4. (本小题 4分)用图乘法求位移的必要条件之一是: A.单位荷载下的弯矩图为一直线; B.结构可分为等截面直杆段; C.所有杆件EI 为常数且相同; D.结构必须是静定的。
( ) 5. (本小题3分)图示梁A 点的竖向位移为(向下为正):( )A.F P l 3/(24EI); B. F P l 3/(!6EI); C. 5F P l 3/(96EI); D. 5F P l 3/(48EI).三(本大题 5分)对图示体系进行几何组成分析。
=1F P482四(本大题 9分)图示结构B 支座下沉4 mm ,各杆EI=×105 kN·m 2,用力法计算并作M 图。
五(本大题 11分) 用力矩分配法计算图示结构,并作M 图。
一, 判断题1-1, 当一个体系的计算自由度为零时,必为几何不变体系。
( ) 1-2, 具有多余约束的体系为超静定结构。
( ) 1-3, 图(a )、(b )、(c )所示三种类型简支梁的最大弯矩是相同的。
( )1-4, 当三铰拱的轴线为合理拱轴时,在任意荷载作用下的截面弯矩处处为零。
( ) 1-5, 功的互等定理适用于线弹性体系。
( ) 1-6, 图示两图的图乘结果为-9abl /48EI 。
( )1-7, 当结构为小变形、材料为线弹性时,在任一力法基本结构上的力都能满足平衡 条件。
( )1-8, 力法方程中的系数和自由项都可为正、负或零。
( )1-9, 用力法计算荷载作用下的超静定结构时只需知道各杆的相对刚度。
( ) 1-10, 位移法的基本未知量与超静定次数无关。
( )1-11, 位移法方程是平衡方程,所以用位移法计算超静定结构时,不需要考虑变形 条件。
( )1-12, 在多结点的力矩分配过程中,可以同时放松所有互不相邻的结点。
( ) 1-13, 在图示连续梁中,分配弯矩3MM BC -=μ( )。
1-14, 在图示刚架中,若荷载只作用在DE 上,则在任意的荷载情况下均有 MAC =MCA /2。
( )第13题图 第14题图二, 填空题2-1, 在几何可变体系上增加二元体后形成的体系为几何 体系。
2-2, 已知AB 杆件的弯矩图如图所示,则杆上的荷载P = 。
2-3, 当图示三铰拱的水平推力H =ql/2时其矢跨比f / l = 。
第2题图 第3题图2-4, 图示多跨静定梁中,M A = 。
2-5, 图示结构中,1杆承受拉力,数值为 。
2-6, 图示桁架EA 为常数,杆件AB 的转角为 。
第4题图 第5题图 第6题图2-7, 图示结构的超静定次数为:(a ) ,(b ) 。
2-8, 用力法计算图示力法基本结构时,主系数δ11= 。
2-9, 位移方程中与荷载无关。
2-10, 对图(a)所示超静定结构按图(b)所示基本结构建立力法方程时,自由项Δ1c=,Δ2c=。
一.是非题(将判断结果填入括弧:以O 表示正确,X 表示错误)(本大题分4小题,共11分)1 . (本小题 3分)图示结构中DE 杆的轴力F NDE =F P /3。
(x ).2 . (本小题 4分)用力法解超静定结构时,只能采用多余约束力作为基本未知量。
(x )3 . (本小题 2分)力矩分配中的传递系数等于传递弯矩与分配弯矩之比,它与外因无关。
(o )4 . (本小题 2分)用位移法解超静定结构时,基本结构超静定次数一定比原结构高。
(o )二.选择题(将选中答案的字母填入括弧内)(本大题分5小题,共21分) 1 (本小题6分)图示结构EI=常数,截面A 右侧的弯矩为:( A )A .2/M ;B .M ;C .0; D. )2/(EI M 。
2. (本小题4分)图示桁架下弦承载,下面画出的杆件内力影响线,此杆件是:(B ) A.ch ; B.ci; C.dj; D .cj.23. (本小题 4分)图a 结构的最后弯矩图为:A. 图b;B. 图c;C. 图d;D.都不对。
(A )( a) (b) (c) (d)4. (本小题 4分)用图乘法求位移的必要条件之一是:( B ) A.单位荷载下的弯矩图为一直线; B.结构可分为等截面直杆段; C.所有杆件EI 为常数且相同; D.结构必须是静定的。
5. (本小题3分)图示梁A 点的竖向位移为(向下为正):( C ) A.F P l 3/(24EI ); B . F P l 3/(!6EI ); C . 5F P l 3/(96EI ); D. 5F P l 3/(48EI ).三(本大题 5分)对图示体系进行几何组成分析。
图示体系为具有一个多余约束的几何不变体系F P=1四(本大题 9分)图示结构B 支座下沉4 mm ,各杆EI=2.0×105 kN ·m 2,用力法计算并作M 图。
六(本大题14分)已知图示结构,422.110 kN m ,10 kN/m EI q =⨯⋅=求B 点的水平位移。
结构力学习题第2章平面体系的几何组成分析2-1~2-6 试确定图示体系的计算自由度。
题2-1图题2-2图题2-3图题2-4图题2-5图题2-6图2-7~2-15 试对图示体系进行几何组成分析。
若是具有多余约束的几何不变体系,则需指明多余约束的数目。
题2-7图题2-8图题2-9图题2-10图题2-11图题2-12图题2-13图题2-14图题2-15图题2-16图题2-17图题2-18图题2-19图题2-20图题2-21图2-1 1W=2-1 9W-=2-3 3W-=2-4 2W=-2-5 1=W-2-6 4=W-2-7、2-8、2-12、2-16、2-17无多余约束的几何不变体系2-9、2-10、2-15具有一个多余约束的几何不变体系2-11具有六个多余约束的几何不变体系2-13、2-14几何可变体系为2-18、2-19 瞬变体系2-20、2-21具有三个多余约束的几何不变体系第3章静定梁和静定平面刚架的内力分析3-1 试作图示静定梁的内力图。
(a)(b)(c) (d)习题3-1图3-2 试作图示多跨静定梁的内力图。
(a)(b)(c)习题3-2图3-3~3-9 试作图示静定刚架的内力图。
习题3-3图习题3-4图习题3-5图习题3-6图习题3-7图习题3-8图习题3-9图3-10 试判断图示静定结构的弯矩图是否正确。
(a)(b)(c)(d)部分习题答案3-1 (a )m kN M B ⋅=80(上侧受拉),kN F RQB 60=,kN F L QB 60-=(b )m kN M A ⋅=20(上侧受拉),m kN M B ⋅=40(上侧受拉),kN F RQA 5.32=,kN F L QA 20-=,kN F LQB 5.47-=,kN F R QB 20=(c) 4Fl M C =(下侧受拉),θcos 2F F L QC =3-2 (a) 0=E M ,m kN M F ⋅-=40(上侧受拉),m kN M B ⋅-=120(上侧受拉)(b )m kN M RH ⋅-=15(上侧受拉),m kN M E ⋅=25.11(下侧受拉)(c )m kN M G ⋅=29(下侧受拉),m kN M D ⋅-=5.8(上侧受拉),m kN M H ⋅=15(下侧受拉) 3-3 m kN M CB ⋅=10(左侧受拉),m kN M DF ⋅=8(上侧受拉),m kN M DE ⋅=20(右侧受拉) 3-4 m kN M BA ⋅=120(左侧受拉)3-5 m kN M F ⋅=40(左侧受拉),m kN M DC ⋅=160(上侧受拉),m kN M EB ⋅=80(右侧受拉)3-6 m kN M BA ⋅=60(右侧受拉),m kN M BD ⋅=45(上侧受拉),kN F QBD 46.28=3-7 m kN M C ⋅=70下(左侧受拉),m kN M DE ⋅=150(上侧受拉),m kN M EB ⋅=70(右侧受拉) 3-8 m kN M CB ⋅=36.0(上侧受拉),m kN M BA ⋅=36.0(右侧受拉) 3-9 m kN M AB ⋅=10(左侧受拉),m kN M BC ⋅=10(上侧受拉) 3-10 (a )错误 (b )错误 (c )错误 (d )正确第4章 静定平面桁架和组合结构的内力分析4-1 试判别习题4-1图所示桁架中的零杆。
一.是非题(将判断结果填入括弧:以O 表示正确,X 表示错误)(本大题分4小题,共11分)1 . (本小题 3分)图示结构中DE 杆的轴力F NDE =F P /3。
( ).2 . (本小题 4分)用力法解超静定结构时,只能采用多余约束力作为基本未知量。
( )3 . (本小题 2分)力矩分配中的传递系数等于传递弯矩与分配弯矩之比,它与外因无关。
( )4 . (本小题 2分)用位移法解超静定结构时,基本结构超静定次数一定比原结构高。
( )二.选择题(将选中答案的字母填入括弧内)(本大题分5小题,共21分) 1 (本小题6分)图示结构EI=常数,截面A 右侧的弯矩为:( )A .2/M ;B .M ;C .0; D. )2/(EI M 。
2.图示桁架下弦承载,下面画出的杆件内力影响线,此杆件是:( ) A.ch ; B.ci; C.dj; D .cj .=123. (本小题 4分)图a 结构的最后弯矩图为:A. 图b;B. 图c;C. 图d;D.都不对。
( )( a) (b) (c) (d)4. (本小题 4分)用图乘法求位移的必要条件之一是: A.单位荷载下的弯矩图为一直线; B.结构可分为等截面直杆段; C.所有杆件EI 为常数且相同; D.结构必须是静定的。
( ) 5. (本小题3分)图示梁A 点的竖向位移为(向下为正):( )A.F P l 3/(24EI ); B . F P l 3/(!6EI ); C . 5F P l 3/(96EI ); D. 5F P l 3/(48EI ).三(本大题 5分)对图示体系进行几何组成分析。
四(本大题 9分)图示结构B 支座下沉4 mm ,各杆EI=2.0×105 kN ·m 2,用力法计算并F P作M 图。
五(本大题 11分) 用力矩分配法计算图示结构,并作M 图。
EI =常数。
六(本大题14分)已知图示结构,422.110 kN m ,10 kN/m EI q =⨯⋅=求B 点的水平位移。
1.图示排架在反对称荷载作用下,杆的轴力为:( )P / 2;B P ;C 0 ;D -P 。
2.图示结构影响线如图所示,则影响线上纵标表示1作用在( ) 点时,A 截面的弯矩 点时,B 截面的弯矩 点时,A 截面的弯矩 点时,B 截面的弯矩3.图示多跨静定梁的基本部分是( )A 部分B 部分C 部分D 部分ABCDE4.悬臂s 梁两种状态的弯矩图如图所示,图乘结果是( )AEIl F P 33BEIl F P 323CEI l F P 322DEIl F P 34F PlEIF P l l5.图5所示对称结构的等代结构为( )q q 图5q A q B q qC D1.图示体系为( )A. 几何不变无多余约束B. 几何不变有多余约束C. 几何常变D. 几何瞬变2. 图a 结构的最后弯矩图为:( )A.图b;B. 图c;C. 图d;D.都不对。
( a) (b) (c) (d)3连续梁和M 图如图所示,则支座B 的竖向反力是( )A. 1.21(↑)B. 5.07(↑)C. 11.07(↓)D.17.07(↑)l34 434 34 482M4.图示梁A点的竖向位移为(向下为正):( ) A.3(24); B. 3(16); C. 53(96); D. 53(48).5.图示结构:()A. 段有内力;B. 段无内力;C. 段无内力;D. 全梁无内力。
qq q图5q A q B q qC D4.图示简支梁B 截面的弯矩为( )。
A.48(下侧受拉) B.48(上侧受拉) C.72(下侧受拉) D.72(上侧受拉) 5.图示体系的几何组成为( )。
A.几何不变,无多余联系; B.几何不变,有多余联系;C.瞬变;D.常变。
1.图中链杆1和2的交点O 可视为虚铰。
( )12O2.图示桁架α杆内力是零。
( )3.图示对称桁架中杆1 至8 的轴力等于零。
( )4.图示结构在荷载作用下的弯矩图形状是正确的。
( )1.图示结构,影响线(下侧受拉为正)D处纵标是l。