平流式气浮池设计计算书
- 格式:doc
- 大小:15.63 KB
- 文档页数:2
平流式气浮池的计算书已知:Q=150m3/d 待处理废水量SS=700mg/L 悬浮固体浓度700A a/S=0.02气固比P= 4.2atm溶气压力0.2-0.4MPaC a=18.5mg/L 空气在水中饱和溶解度T1=3min 溶气罐内停留时间T2=15min 气浮池内接触时间T s=25min 分离室内停留时间10~20minv s=0.09m/min 浮选池上升流速0.09~0.18m/min(1)确定溶气水量Q RQ R=A a/S*S a*Q/C a(f*P-1)=75m3/d20%~40%溶气效率f=0.6取回流水量Q R=75m3/d(2)气浮池设计①接触区容积VcVc=(Q+Q R)*T2/(24*60)= 2.34m3(150+75)*15/(24*60)②分离区容积VsVs=(Q+Q R)*T s/(24*60)= 4.68m3(150+75)*30/(24*60)③气浮池有效水深HH=v s*T s=0.09*25 2.25m④分离区面积A s和长度L2A s=Vs/H= 2.08m2取池宽1.5mB=则分离区长度L2=As/B= 1.3667m⑤接触区面积A c和长度L1A c=Vc/H= 1.0578m2L1=A c/B=0.705m⑥浮选池进水管:DN200⑦浮选池出水管:DN150⑧集水管小孔面积S取小孔流速v1=0.5m/sS=(Q+Q R)/24/3600v1=0.0052m2(150+/24/3600/0.5取小孔直径D1=0.015m则孔数4*S/3.14*D12=29.44个n=孔数取整数,孔口向下,与水平成45°角,分二排交错排列⑨浮渣槽宽度L3:取L3=0.8m浮渣槽深度h′取1m,槽底坡度i=0.5,坡向排泥管,排泥管采用Dg=200.(3)溶气罐设计①溶气罐容积V1V1=Q R*T1/(24*60)=0.156m3溶气罐直径D=0.45m,溶气部分高度1m(进水管中心线)。
1、设计进水水质参数设计流量(Q)5000m3/d设计水温(T)25℃COD(C0)500mg/L SS(S0)400mg/L NH3-N(N0)25mg/L TN(TN0)40mg/L 2、设计去除率%COD20%SS(S0)40% NH3-N0%TN(TN0)5% 3、设计出水水质参数COD(C e)400mg/L SS(S e)240mg/L NH3-N(N e)25mg/L TN(TN e)38mg/L 4、沉淀池相关参数及一对于城市污水,初沉池表面负荷(q)1.2m3/(m2.h)二次沉淀池,活性污沉淀时间(t)1.5h生物膜法后,表面负水平流速(v)5mm/s4.1、静压排泥管的直径4.2、初次沉淀池的静压4.3、平流沉淀池的长宽4.4、平流沉淀池的长深4.5、池底纵坡:采用机4.6、最大水平流速:初4.7、进出口处应设置挡挡板淹没深度:进口处挡板位置:距进水口5、沉淀池设计计算5.1、池子的表面积(A)173.6111111m25.2、沉淀部分有效水深1.8m5.3、沉淀部分有效容积312.5m35.4、沉淀池的池长(L 27m5.5、沉淀池的总宽度6.430041152m复核长宽比:四舍五入得6m复核长深比:5.6、设池子个(格)数2个(格)则每个(格)的宽3m5.7、污泥部分所需的总两次清除污泥间隔时间0.5d污泥密度(γ)1t/m3污泥含水率(ρ0)98%V=Q*(S0-S e)*10^(-20m35.8、池体总高度(H)2.72m沉淀池超高(h1)0.3m缓冲层高度(h3)0.5m一般取值0.3-0.5污泥区高度(h4)0.12m5.9、污泥斗容积(V1)设污泥斗高度(h4")0.75m7.875四舍五入得8BOD(B0)300mg/L TP(TP0)15mg/LBOD(B0)15% TP(TP0)7.5%BOD(B e)255mg/L TP(TP e)13.875mg/L计算堰长L19.9553001320m4.515m3。
气浮池计算书1.气浮池处理水量q=5m3/h反应时间t=6分钟,接触室上升流速v0=10毫米/s气浮分离速度vs=2.0mm/s,分离室停留时间取10分钟溶气水量占处理污水量的比值r=30%,溶气压力采用3kg/cm2填料罐过流密度l=5000m3/d.m2设计计算:(1)常用工具碰触室直径dov0=10mm/s,碰触室表面积:a0=q(1+r)/v0=5(1+0.3)/(3600×10×10-3)=0.1806m2碰触室直径:d=(4×a/π)1/2=(4×0.1806/3.14)1/2=0.48m,挑0.5m(2)常用工具池直径d,选取拆分速度vs=2.0mm/s,则拆分室表面积:as=q(1+r)/vs=5(1+0.3)/(3600×2×10-3)=0.903m2气浮池直径d=[4×(a0+as)/π]1/2=[4×(0.1806+0.903)/3.14]1/2=1.175m,取1.2m(3)分离室水深hs,选取分离室停留时间ts=10分钟,则hs=vsts=2.0×10-3×10×60=1.2m碰触室出口断面处的流速v1=7mm/s,则出口处水深h2h2=q(1+r)/(tsdov1)=5×(1+0.3)/(3600×3.14×0.5×7×10-3)=0.164m,取1.7m(4)接触室高度h0=h3-h2=1.2-0.17=1.03m(5)气浮池容积w=(a0+as)hs=(0.1806+0.903)×1.2=1.3m3(6)时间校核,碰触室气、水碰触时间t0=h0/v0=1.03/(10×10-3)=103秒(>60秒)气浮池总停留时间:t=60×w/[q×(1+r)]=60×1.3/[5×(1+0.3)]=12.0分钟分离室停留时间:t-t0=12.0-103/60=10.28分钟与初选时间相符(7)计算反应池体积vv=v1+v2其中v1的高度h1为:h1=(d-d0)/2×tg30°=(1.2-0.5)/2×0.577=0.2021mv1=[(d/2)2+(d0/2)2+(d/2)×(d0/2)]×(πh1/3)=[(1.2/2)2+(0.5/2)2+(1.2/2)×(0.5/2)]×(3.14×0.2021/3)=0.121m3设取圆台v2的底d0=0.5m,则v2的高h2为:h2=(d-d0)/2×tg30°=0.202mv2=0.121m3∴v=v1+v2=0.121×2=0.242m3根据基本设计数据反应时间为t=6分钟计算,反应池体积为:w1=qt/60=5×6/60=0.5m3现v略大于w1,其实际反应时间为:t1=60×v/q=60×0.242/5=2.904分钟(8)反应-常用工具池高度浮渣层高度h1=5厘米,干舷h0=15厘米,则反应-气浮池高度h为:h=h0+h1+h2+h0+h1+h2=0.15+0.05+0.17+1.03+0.202+0.202=1.804m(9)集水系统常用工具池集水使用12根均布的支管,每根支管流量为:q=q(1+r)/12=5×(1+0.3)/12=0.5417m3/h=0.000151m3/s查表得支管直径dy=25mm,管中流速为0.95m/s,支表中水的损失为:h阻=(ξ入+λl/d+ξ力阻+ξ出来)vx2/(2g)=(0.5+0.02×1.80/0.025+0.3+1.0)×0.952/2g=0.15米出水总管直径dg取dn80,管中流速为<0.54m/s,总管上端装水位调节器反应池进水管靠近池底(切面方向),其直径d’=80毫米,管中流速<1.0m/s气浮池排渣管直径dn100mm2.溶气释放器根据溶气压3kg/m2,溶气水量1.5m3/h,及碰触室直径d0=0.5m的情况,可以采用tj-h型释放器一台,释放器征用在距碰触室底5厘米处的中心。
气浮池工艺计算案例1.气浮池适用条件(1)低浊度原水(一般常年浊度在100NTU以下);(2)含藻类及有机杂质较多的原水;(3)低温度水,包括因冬季水温较低而用沉淀、澄清处理效果不好的原水;(4)水源受到污染,色度高,溶解氧低的原水。
2.设计参数(1)设计规模:近期建设1座,建设规模为3.0万m3/d,远期再建一座气浮池规模3.0万m3/d。
近远期共用1个气浮池设备间,近期完成土建建设,远期增加配套气浮池设备。
(2)单格设计流量:近期Q=30000×1.1=1375m3/h=0.3819m3/s。
3.气浮池尺寸计算3.1.混凝区单格气浮池上浮区面积:B×L=2.8×(2.8+3.4)m=17.36m2;混凝区停留时间:/==17.36×4.05÷1375×60=3.07minT V Q3.2.絮凝区单格气浮池上浮区面积:B×L=12.4×2×1.765m=43.772m2;絮凝区停留时间:==43.772×3.95÷1375×60=7.54min(水力絮凝10~20min)。
T V Q/3.3.接触区接触区进区流速:/v Q A==(1375+200)/3600÷(0.78×12.4)=0.045m/s(0.1m/s)单格接触区面积:B×L=12.4×0.81m=10.04m2;接触区上升流速:/v Q A==0.3819÷10.04=38.04mm/s(可10~20mm/s,不低于10mm/s,一般采用20mm/s);接触区停留时间:/T V Q==10.04×3.90÷1375×60=1.7min(手册≥60s)接触区水深:3.90H vT m==(有效水深2.0~3.0m)3.4.气浮分离区单格上浮区面积:B×L=12.4×6.0m=74.4m2;气浮区上升流速(分离面积负荷):/v Q A==(1375+200)÷74.4=21.17m/h(5.4~7.2m3/m2.h);停留时间:/T V Q==74.4×3.90÷1375×60=12.66min;放空时间:放空面积=0.2×0.2=0.04m2;max0.620.043/Q m s==⨯μ放空时间为:2274.4 3.90==0.74h max0.2163600VtQ⨯⨯=⨯3.5.气浮池总尺寸(规范:一般气浮池单格宽不超过10.0m,单格长不超过15m,无严格要求)气浮池平面占地尺寸为22.0×13.2m。
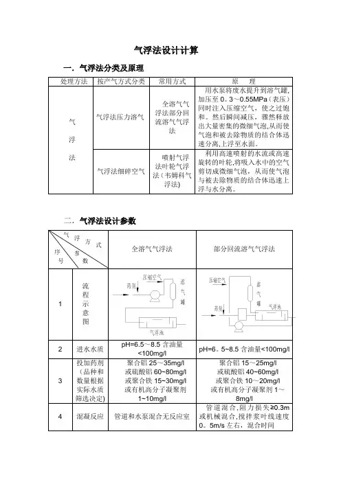
气浮法设计计算一.气浮法分类及原理处理方法按产气方式分类常用方式原 理气 浮 法气浮法压力溶气 全溶气气浮法部分回流溶气气浮法用水泵将废水提升到溶气罐,加压至0。
3~0.55MPa (表压)同时注入压缩空气,使之过饱和。
然后瞬间减压,骤然释放出大量密集的微细气泡,从而使气泡和被去除物质的结合体迅速分离,上浮至水面。
气浮法细碎空气 喷射气浮法叶轮气浮法(韦姆科气浮法)利用高速喷射的水流或高速旋转的叶轮,将吸入水中的空气剪切成微细气泡,从而使气泡与被去除物质的结合体迅速上浮与水分离。
二.气浮法设计参数全溶气气浮法 部分回流溶气气浮法1流 程 示 意 图2 进水水质 pH=6.5~8.5含油量<100mg/lpH=6。
5~8.5含油量<100mg/l 3投加药剂(品种和数量根据实际水质筛选决定) 聚合铝25~35mg/l 或硫酸铝60~80mg/l 或聚合铁15~30mg/l 或有机高分子凝聚剂1~10mg/l 聚合铝15~25mg/l 或硫酸铝40~60mg/l 或聚合铁10~20mg/l 或有机高分子凝聚剂1~8mg/l4混凝反应管道和水泵混合无反应室管道混合,阻力损失≥0.3m 或机械混合,搅拌浆叶线速度0。
5m/s 左右,混合时间气 浮 方式参 数 序 号三.气浮法设计计算四.不同温度下的K T值和736K T值例:2×75m3 / h气浮池气浮池设置在絮凝池侧旁,沉淀池上方。
气浮类型较多,有全部压力溶气气浮、分散空气气浮、电解凝聚气浮、内循环射流气浮等,这里选择适用于城镇给水处理的部分回流压力溶气气浮。
气浮适用于含藻类及有机杂质、水温较低、常年浊度低于100NTU的原水;它依靠微气泡粘附絮粒,实现絮粒强制性上浮,达到固、液分离,由于气泡的重度远小于水,浮力很大,促使絮粒迅速上浮,提高固、液分离速度。
气浮依靠无数微气泡去粘附絮粒,对絮粒的重度、大小要求不高,能减少絮凝时间,节约混凝剂量;带气絮粒与水的分离速度快,单位面积产水量高,池容及占地减少,造价降低;气泡捕足絮粒的机率很高,跑矾花现象很少,有利于后级滤池延长冲洗周期,节约水耗;排渣方便,浮渣含水率低,耗水量小;池深浅,构造简单,可随时开、停,而不影响出水水质,管理方便。
气浮池的设计计算气浮池是污水处理中常用的预处理设备,利用溶气水将污水中的悬浮物分离出来,初步净化水质,具有脱色、除油、除悬浮物的功能。
可以采用混凝土结构配套行车式刮渣机,也可以采用钢制主体结构,在工厂内制作成一体化溶气气浮机。
(1)气浮机设计为了防止进入气浮池的水流干扰悬浮颗粒的分离,在气浮池的前面均设置隔板,在隔板前面的部分称为接触室(接触区,变称捕捉区),隔板后面的部分称为分离室(分离区)。
反应后的絮凝水进入接触室,与来自溶气释放器的释气水相混合。
此时水中的絮粒与微气泡相碰撞、粘附形成带气絮粒而上浮,并在分离区中进行固、液分离,浮至水面的浮渣由刮渣机刮至排渣槽排出;清水则由穿孔集水管汇集到集水槽后出流,部分清水经由溶气水泵加压后进入溶气罐,在罐内与空压机的压缩空气相互接触溶解。
平流式气浮池的设计停留时20~30min,表面负荷率5~10m³(m²·h)。
气浮池底应以0.01~0.02的坡度坡向排污口(或由两端坡向中央),排污管进口处应设计泥坑。
浮渣槽应以0.03~0.05的坡度坡向排渣口。
穿孔集水管常用200mm的铸铁管,管中心线距池底250~300mm,相邻两管中心距为1.2~1.5m,沿池长方向排列。
每根集水管应单独设出水阀,以便调节出水量和在刮渣时提高池内水位。
(2)接触区的设计接触区设计得好坏对气浮净水效果影响甚大,因为气浮过程主要依赖于微气泡对絮凝的接触和捕捉;接触室为气泡与絮凝体提供良好的接触条件,其宽度还应易于安装和检修。
进入接触室的流速小于100mm/s,隔板下端的水流上升速度一般取10~20mm/s,而隔板上端的上升流速一般取5~10mm/s;接触室的停留时间2min,表面负荷率取36~72m³/(m²·h);隔板下端直段一般取300~500mm;隔板上部与气浮池水面之间应留有300mm的高度,以防止干扰分离区的浮渣层。
气浮池1、设计说明由于废水的固体悬浮物含量很高,且含有大量的蛋白,所以设一气浮池,分离提取蛋白质,提高经济效益,同时减轻后续处理构筑物的压力。
该气浮池采用部分回流的平流式气浮池,并采用压力溶气法。
2、参数选取设计水量:Q总=4800m3/d=200m3/h=0.056m3/s选用两个池子,所以每个单池的流量Q=0.056/2=0.028m3/s反应时间取15min,接触室上升流速取20mm/s,气浮分离速度取2.5mm/s,溶气罐过流密度取150m3/(h•m2), 溶气罐压力取2.5kgf/cm2,气浮池分离室停留时间为15min。
水质情况:预计处理效果项目CODCr BOD5 SS进水水质(mg/L)9008 3694 1340去除率(%)40 40 80出水水质(mg/L)5405 2216 2683、设计计算(1) 反应池:采用穿孔旋流反应池反应池容积W = 50m3 采用两个池,则单池为25m3反应池面积考虑与调节池的连接,取有效水深H = 2.5m,则反应池面积S = W / H = 25/3=8.33m2孔室分4格: 1.5m×1.5m×4个=9m2每格面积S1=S/4=8.33/4=2.08m2采用边长为1.5m的正方形平面T=1.5minv2=0.2m/s,中间孔口流速 取用v1=1.0m/s,v==注:表中孔口流速f=⎨孔口面积水头损失h=1.06vn-空口流速,m/sQ-流量,m3/stn-反应历时,minT-反应时间,取15ming-重力加速度,取9.81N/m2孔口旋流反应池计算如下:孔口旋流反应池计算孔口反应历时t(min) 孔口流速(m/s)孔口面积(m2) 水头损失(m)进口处0 1.00 0.056 0.054一、二格间T/4=3.75 0.67 0.084 0.024二、三格间2T/4=7.5 0.48 0.117 0.012三、四格间3T/4=11.25 0.35 0.160 0.007出口处T=15 0.2 0.28 0.0020.099(2)气浮池①气浮所需的释气量:= =400 L/h②所需空压机额定气量:=0.0093m3/min故选用Z—0.025/6空压机两台,一用一备,设备参数:排气量0.025m3/min,最大压力6kgf/cm2,电动机功率0.375kw。
第一章设计任务书设计题目加压溶气气浮设备的设计(平流式)设计资料某工厂污水工程拟用气浮设备代替二沉池,经气浮实验取得以下参数:溶气水采用金花后处理水进行部分回流,回流比,气浮池内接触时间为5min,溶气罐内停留时间为3min,分离时间为15min,溶气罐压力为,气固比,温度30℃。
设计水量780m3/d。
第二章设计说明与计算书设计原理及方案选择2.1.1设计原理气浮过程中,细微气泡首先与水中的悬浮粒子相粘附,形成整体密度小于水的“气泡——颗粒”复合体,使悬浮粒子随气泡一起浮升到水面。
由此可见,实现气浮分力必须具备以下三个基本条件:一是必须在水中产生足够数量的细微气泡;二是必须使待分离的污染物形成不溶性的固态或液态悬浮体;三是必须使气泡能够与悬浮粒子相粘附。
气浮法的净水效果,只有在获得直径微小、密度大、均匀性好的大量细微气泡的情况下,才能得到良好的气浮效果。
1)气泡直径气泡直径愈小,其分散度愈高,对水中悬浮粒子的粘附能力和粘附量也就愈大。
2)气泡密度气泡密度是指单位体积释气水中所含微气泡的个数,它决定气泡与悬浮粒子碰撞的机率。
由于气泡密度与气泡直径的3次方成反比,因此,在用气压受到限制的条件下,增大气泡密度的主要途径是缩小气泡直径。
3)气泡的均匀性气泡均匀性的含义,一是指最大气泡与最小气泡的直径差;二是指小直径气泡占气泡总量的比例。
大气泡数量的增多会造成两种不利影响:一是使气泡密度和表面积大幅度减小,气泡与悬浮粒子的粘附性能和粘附量相应降低;二是大气泡上浮时会造成剧烈的水力扰动,不仅加剧了气泡之间的兼并,而且由此产生的惯性撞击力会将已粘附的气泡撞开。
4)气泡稳定时间气泡稳定时间,是将容器水注入1000ml量筒,从满刻度起到乳白色气泡消失为止的历时。
优良的释放器释放的气泡稳定时间应在4min以上。
溶气利用率,是指能同悬浮粒子发生粘附的气泡量占溶解空气量的百分比。
常规压力溶气气浮的容器利用率通常不超过20%,其原因在于释放的空气大部分以大直径的无效气泡逸散。
平流式气浮池设计计算书一、设计说明气浮法也称浮选法,其原理是设法使水中产生大量的微气泡,以形成水、气、及被去除物质的三相混合体,在界面张力、气泡上升浮力和静水压力差等多种力的共同作用下,促进微细气泡粘附在被去除的微小油滴上后,因粘合体密度小于水而上浮到水面,从而使水中油粒被分离去除。
气浮法通常作为对含油污水隔油后的补充处理。
即为生化处理之前的预处理,经过气浮处理,可将含油量降到30mg/L以下,再经过生化处理,出水含有可达到10mg/L以下。
设计选用目前最常用的平流式气浮池,废水经配水井进入气浮接触区,通过导流板实现降速,稳定水流。
然后废水与来自溶气开释器释出的溶气水相混合,此时水中的絮粒和微气泡相互碰撞粘附,形成带气絮粒而上浮,并在分离区进行固液分离,浮至水面的泥渣由刮渣机刮至排渣槽排出。
净水则由穿孔集水管汇集至集水槽后出流。
部分净水经过回流水泵加压后进溶气罐,在罐内与来自空压机的压缩空气相互接触溶解,饱和溶气水从罐底通过管道输向开释器。
本设计采用加压溶气气浮法在国内外应用最为广泛。
与其他方法相比,它具有以下优点:在加压条件下,空气的溶解度大,供气浮用的气泡数目多,能够确保气浮效果;溶进的气体经骤然减压开释,产生的气泡不仅微细、粒度均匀、密集度大、而且上浮稳定,对液体扰动微小,因此特别适用于对疏松絮凝体、细小颗粒的固液分离;工艺过程及设备比较简单,便于治理、维护;特别是部分回流式,处理效果明显、稳定,并能较大地节约能耗。
二、设计任务完成一个城市污水处理中常用的典型构筑物的工艺设计,较完整地绘制该构筑物的工艺施工图纸。
构筑物——平流式气浮池(共壁合建)设计流量——Qs=100m³/h三、设计计算1.污水水质情况C o = 700㎎/L 悬浮固体浓度f= 90%空气饱和率Aa/S= 0.022 气固比Ca= 18.5ml/L 空气在水中饱和溶解度P= 4.2atm 溶气压力T1=2min 气浮池内接触时间Ts=20min 分离室内停留时间Vs=1.5 mm/s 分离室上升流速2.回流比的确定由Aa/S =Ca(f*P-1)R/ C o 得,回流比R= 30%3.气浮池计算因为设计两个气浮池并联,所以单池流量Q =100/2=50m³/h (1)接触室容积:Vc=(Q+Qp)*T2/60=(50+15)*2/60=2.17m³(2)分离室容积:Vs=(Q+Qp)*Ts/60=65*20/60=21.7m³(3)气浮池水深:H=1.5*t/1000=1.5*20*60/1000=2m(4)分离室面积和长度As=Vs/H=21.7/2=10.85m2取池宽B=2m则分离室长度L= As /B=10.85/2=5.43m为便于施工长度取5.5m,则实际分离室面积为11㎡。
环保设备设计与应用课程设计目录第一章设计任务书 (3)1.1设计题目 (3)1.2设计资料 (3)1.3设计内容 (3)1.4设计成果 (3)第二章设计说明与计算书 (4)2.1设计原理及方案选择 (4)2.1.1设计原理 (4)2.1.2方案选择 (5)2.2设计工艺计算 (6)2.2.1供气量与空压机选型 (6)2.2.2溶气罐 (7)2.2.3气浮池 (7)2.2.4附属设备 (9)第三章参考文献 (11)第一章设计任务书1.1 设计题目加压溶气气浮设备的设计(平流式)1.2 设计资料某工厂污水工程拟采用气浮设备代替二沉池,经气浮实验取得以下参数:溶气水采用净化后处理水进行部分回流,回流比0.2,气浮池内接触时间为5min,溶气罐内停留时间为3min,分离时间为15min,溶气罐压力为0.4Mpa,气固比0.02,温度30℃。
设计水量780m3/d。
1.3 设计内容(1)确定设计方案;(2)气浮设备的设计计算;(3)系统设备选型,包括水泵、溶气释放器、溶气压力罐、空压机及刮渣机等;(4)计算书编写,计算机绘图。
1.4设计成果及要求(1)设备工艺设计计算说明书;要求参数选择合理,条理清楚,计算准确,并附设计计算示意图;提交电子版和A4打印稿一份。
(2)气浮系统图和气浮设备结构详图(包括平面图、剖面图);要求表达准确规范;提交电子版和A3打印稿一份。
第二章设计说明与计算书2.1 设计原理及方案选择2.1.1设计原理气浮过程中,细微气泡首先与水中的悬浮粒子相粘附,形成整体密度小于水的“气泡——颗粒”复合体,使悬浮粒子随气泡一起浮升到水面。
由此可见,实现气浮分力必须具备以下三个基本条件:一是必须在水中产生足够数量的细微气泡;二是必须使待分离的污染物形成不溶性的固态或液态悬浮体;三是必须使气泡能够与悬浮粒子相粘附。
气浮法的净水效果,只有在获得直径微小、密度大、均匀性好的大量细微气泡的情况下,才能得到良好的气浮效果。
目录第一章设计任务书 (2)1.1 设计题目 (2)1.2 设计资料 (2)1.3 设计内容 (2)1.4设计成果 (2)第二章设计说明与计算书 (3)2.1 设计原理及方案选择 (3)2.1.1设计原理 (3)2.1.2方案选择 (5)2.2设计工艺计算 (6)2.2.1供气量与空压机选型 (6)2.2.2溶气罐 (7)2.2.3气浮池 (8)2.2.4附属设备 (10)第三章参考文献 (11)第四章设计心得体会 (11)第五章附图 (12)气浮池的设计计算第一章设计任务书1.1 设计题目加压溶气气浮设备的设计(平流式)1.2 设计资料某工厂污水工程拟用气浮设备代替二沉池,经气浮实验取得以下参数:溶气水采用净化后处理水进行部分回流,回流比0.2,气浮池内接触时间为5min,溶气罐内停留时间为3min,分离时间为15min,溶气罐压力为0.4Mpa,气固比0.02,温度30℃。
设计水量850m3/d。
1.3 设计内容(1)确定设计方案;(2)气浮设备的设计计算;(3)系统设备选型,包括水泵、溶气释放器、溶气压力罐、空压机及刮渣机等;(4)计算书编写,计算机绘图。
1.4设计成果(1)设备工艺设计计算说明书;要求参数选择合理,条理清楚,计算准确,并附设计计算示意图;提交电子版和A4打印稿一份。
(2)气浮系统图和气浮设备结构详图(包括平面图、剖面图);要求表达准确规范;提交电子版和A3打印稿一份。
第二章设计说明与计算书2.1 设计原理及方案选择2.1.1设计原理加压气浮法是在加压情况下,将空气溶解在废水中达饱和状态,然后突然减至常压,这时溶解在水中的空气就成了过饱和状态,以极微小的气泡释放出来,乳化油和悬浮颗粒就粘附于气泡周围而随其上浮,在水面上形成泡沫层,然后由刮泡器清除,使废水得到净化。
根据废水中所含悬浮物的种类、性质、处理水净化程度和加压方式的不同,基本流程有以下三种。
1、全部废水溶气气浮法全部废水溶气气浮法是将全部废水用水泵加压,在泵前或泵后注入空气。
1.气浮池1.1.功能描述加压气浮法是在加压情况下,将空气溶解在废水中达饱和状态,然后突然减至常压,这时溶解在水中的空气就成了过饱和状态,以极微小的气泡释放出来,乳化油和悬浮颗粒就粘附于气泡周围而随其上浮,在水面上形成泡沫层,然后由刮泡器清除,使废水得到净化。
1.2.设计要点气浮池有效水深2.0-2.5m,长宽比1.5:1~1:1,设计水力停留时间10~20min,分离区水流下降速度1~3mm/s,水力表面负荷5~10m3/m2h。
为防止进水干扰分离区的工作,在气浮池入口设有隔板,隔板前为接触区,设计参数为隔板下端直立部分,水流上升流速取20mm/s;隔板上端一般与水平呈60°角,此区水流上升流速取5~10mm/s;接触区水力停留时间≥2min。
隔板下部竖直部分高300~500mm,隔板上端与气浮池水面距离取300mm,以防止扰动浮渣层。
集水管布置在分离区底部,可为枝状或环状布置,力求集水均匀。
池顶刮渣机行车速度不大于5m/min。
1.3.平流气浮池设计(1)溶气水量计算Q R=1000ASQS’/[C a(fP−1)]Q R-回流加压溶气水量,m3/dA/S-气固比,宜通过试验确定,如无试验资料,可按0.005~0.06的范围选用,废水悬浮固体浓度高时取低值,低时取高值。
气浮处理水量,m3/dS’-废水中悬浮物固体浓度,kg/m3C a-0.1MPa大气压下空气的质量饱和溶解度(查表),g/m3f-加压溶气系统的溶气效率,一般取0.6~0.8P-溶气绝对压力,0.1MPa0.1MPa大气压下空气在水中的饱和溶解度(2)接触区计算接触区容积计算:V j=(Q+Q R)t1 24×60V j-接触区容积,m3Q-处理废水量,m3/dQ R-回流溶气水量,m3/dT1-接触区接触时间,min,≥2min 接触区面积计算:A j=V j HA j-接触区面积,m2有效水深,m接触区长度计算:L j=A j/b L j-接触区长度,mb-气浮池宽度,m(3)气浮池分离区计算气浮池分离区容积计算:V f=(Q+Q R)t2 24×60V f-分离区容积,m3t2-分离区停留时间,min气浮池有效水深计算:H=V s t2 H-气浮池有效水深,mV s-分离区水流下降的平均流速,m/st2-分离区停留时间,s 分离区面积计算:A f=V f HA f-分离区面积,m2分离区长度计算:L f=A f bL f-分离区长度,m b-气浮池宽度,m (4)溶气罐计算V R=Q R t 24×60t-溶气罐停留时间,3min1.4.一体化气浮设备(参考)。
气浮法设计计算一.气浮法分类及原理处理方法按产气方式分类常用方式原 理气 浮 法气浮法压力溶气 全溶气气浮法部分回流溶气气浮法用水泵将废水提升到溶气罐,加压至~(表压)同时注入压缩空气,使之过饱和。
然后瞬间减压,骤然释放出大量密集的微细气泡,从而使气泡和被去除物质的结合体迅速分离,上浮至水面。
气浮法细碎空气喷射气浮法叶轮气浮法(韦姆科气浮法)利用高速喷射的水流或高速旋转的叶轮,将吸入水中的空气剪切成微细气泡,从而使气泡与被去除物质的结合体迅速上浮与水分离。
二.气浮法设计参数全溶气气浮法 部分回流溶气气浮法1流 程 示 意 图2 进水水质 pH=~含油量<100mg/l pH=~含油量<100mg/l3投加药剂(品种和数量根据实际水质筛选决定)聚合铝25~35mg/l或硫酸铝60~80mg/l或聚合铁15~30mg/l或有机高分子凝聚剂1~10mg/l聚合铝15~25mg/l或硫酸铝40~60mg/l或聚合铁10~20mg/l或有机高分子凝聚剂1~8mg/l4 混凝反应 管道和水泵混合无反应室管道混合,阻力损失≥或机械混合,搅拌浆叶线速度s 左右,混合时间气 浮 方式参 数 序 号三.气浮法设计计算四.不同温度下的K T值和736K T值例:2×75m3 / h气浮池气浮池设置在絮凝池侧旁,沉淀池上方。
气浮类型较多,有全部压力溶气气浮、分散空气气浮、电解凝聚气浮、内循环射流气浮等,这里选择适用于城镇给水处理的部分回流压力溶气气浮。
气浮适用于含藻类及有机杂质、水温较低、常年浊度低于100NTU的原水;它依靠微气泡粘附絮粒,实现絮粒强制性上浮,达到固、液分离,由于气泡的重度远小于水,浮力很大,促使絮粒迅速上浮,提高固、液分离速度。
气浮依靠无数微气泡去粘附絮粒,对絮粒的重度、大小要求不高,能减少絮凝时间,节约混凝剂量;带气絮粒与水的分离速度快,单位面积产水量高,池容及占地减少,造价降低;气泡捕足絮粒的机率很高,跑矾花现象很少,有利于后级滤池延长冲洗周期,节约水耗;排渣方便,浮渣含水率低,耗水量小;池深浅,构造简单,可随时开、停,而不影响出水水质,管理方便。
平流式气浮池的计算书已知:Q= 1800 m3/d 待处理废水量SS= 700 mg/L 悬浮固体浓度Aa/S= 0.02 气固比P= 4.2 atm 溶气压力Ca= 18.5 mg/L 空气在水中饱和溶解度T1= 3 min 溶气罐内停留时间T2= 5 min 气浮池内接触时间Ts= 30 min 分离室内停留时间vs= 0.09 m/min 浮选池上升流速(1)确定溶气水量QRQ R = Aa/S*Sa*Q/Ca(f*P-1)= 896.1593172 m3/d 溶气效率f=0.6取回流水量QR= 900 m3/d(2)气浮池设计①接触区容积VcVc= (Q+QR )*T2/(24*60)= 9.375 m3②分离区容积VsVs= (Q+QR )*Ts/(24*60)= 56.25 m3③气浮池有效水深HH= vs *Ts= 2.7 m④分离区面积As 和长度L2As= Vs/H= 20.83333333 m2取池宽B=4 m则分离区长度L2= As/B= 5.208333333 m⑤接触区面积Ac 和长度L1Ac= Vc/H= 3.472222222 m2L 1= Ac/B= 0.868055556 m⑥浮选池进水管:Dg=200,v=0.9947m/s⑦浮选池出水管:Dg=150⑧集水管小孔面积S取小孔流速v1= 1 m/sS= (Q+QR )/24/3600v1= 0.03125 m2取小孔直径D1= 0.015 m则孔数4*S/3.14*D12= 176.9285209 个n=孔数取整数,孔口向下,与水平成45°角,分二排交错排列⑨浮渣槽宽度L3:取L3= 0.8 m浮渣槽深度h′取1m,槽底坡度i=0.5,坡向排泥管,排泥管采用Dg=200.(3)溶气罐设计①溶气罐容积V1V 1= QR*T1/(24*60)= 1.875 m3溶气罐直径D=1.1m,溶气部分高度2m(进水管中心线)。
【干货】气浮池计算书溶气气浮(DAF)是气浮的一种,它利用水在不同压力下溶解度不同的特性,对全部或部分待处理(或处理后)的水进行加压并加气,增加水的空气溶解量,通入加过混凝剂的水中,在常压情况下释放,空气析出形成小气泡,粘附在杂质絮粒上,造成絮粒整体密度小于水而上升,从而使固液分离。
溶气气浮(DAF)是气浮的一种,它利用水在不同压力下溶解度不同的特性,对全部或部分待处理(或处理后)的水进行加压并加气,增加水的空气溶解量,通入加过混凝剂的水中,在常压情况下释放,空气析出形成小气泡,粘附在杂质絮粒上,造成絮粒整体密度小于水而上升,从而使固液分离。
溶气气浮(DAF)适用于处理低浊度、高色度、高有机物含量、低含油量、低表面活性物质含量或具有富藻的水。
相对于其它的气浮方式(详见附录1),它具有水力负荷高,池体紧凑等优点。
但是它的工艺复杂,电能消耗较大,空压机的噪音大等缺点也限制着它的应用。
1 分类(type)根据不同的划分原则,DAF可以有不同的分类。
1.1 根据气泡从水中析出时所处压力的不同,可分为真空式气浮法与压力溶气气浮法两种。
前者利用抽真空的方法在常压或加压下溶解空气,然后在负压下释放微气泡,供气浮使用;后者是在加压情况下,使空气强制溶于水中,然后突然减压,使溶解的气体从水中释放出来,以微气泡形式粘附上絮粒,一起上浮。
1.1.1 真空式气浮池,虽然能耗低,气泡形成和气泡与絮粒的粘附较稳定;但气泡释放量受限制;而且,一切设备部件,都要密封在气浮池内;气浮池的构造复杂;只适用于处理污染物浓度不高的废水(不高于300mg/l),因此实际应用不多。
1.1.2 压力溶气气浮法是目前国内外最常采用的方法,可选择的基本流程有全流程溶气气浮法、部分溶气气浮法和部分回流溶气气浮法三种。
气浮池计算书.zip。
平流式气浮池设计计算书
一、设计说明
气浮法也称浮选法,其原理是设法使水中产生大量的微气泡,以形成水、气、及被去除物质的三相混合体,在界面张力、气泡上升浮力和静水压力差等多种力的共同作用下,促进微细气泡粘附在被去除的微小油滴上后,因粘合体密度小于水而上浮到水面,从而使水中油粒被分离去除。
气浮法通常作为对含油污水隔油后的补充处理。
即为生化处理之前的预处理,经过气浮处理,可将含油量降到30mg/L以下,再经过生化处理,出水含有可达到10mg/L以下。
设计选用目前最常用的平流式气浮池,废水经配水井进入气浮接触区,通过导流板实现降速,稳定水流。
然后废水与来自溶气开释器释出的溶气水相混合,此时水中的絮粒和微气泡相互碰撞粘附,形成带气絮粒而上浮,并在分离区进行固液分离,浮至水面的泥渣由刮渣机刮至排渣槽排出。
净水则由穿孔集水管汇集至集水槽后出流。
部分净水经过回流水泵加压后进溶气罐,在罐内与来自空压机的压缩空气相互接触溶解,饱和溶气水从罐底通过管道输向开释器。
本设计采用加压溶气气浮法在国内外应用最为广泛。
与其他方法相比,它具有以下优点:在加压条件下,空气的溶解度大,供气浮用的气泡数目多,能够确保气浮效果;溶进的气体经骤然减压开释,产生的气泡不仅微细、粒度均匀、密集度大、而且上浮稳定,对液体扰动微小,因此特别适用于对疏松絮凝体、细小颗粒的固液分离;工艺过程及设备比较简单,便于治理、维护;特别是部分回流式,处理效果明显、稳定,并能较大地节约能耗。
二、设计任务
完成一个城市污水处理中常用的典型构筑物的工艺设计,较完整地绘制该构筑物的工艺施工图纸。
构筑物——平流式气浮池(共壁合建)
设计流量——Qs=100m3/h
三、设计计算
1.污水水质情况
C = 700㎎/L 悬浮固体浓度o f= 90%空气饱和率Aa/S= 气固比
Ca= L 空气在水中饱和溶解度
P= 溶气压力
T=2min 气浮池内接触时间1Ts=20min 分离室内停留时间Vs= mm/s 分离室上升流速
2.回流比的确定
由Aa/S =Ca(f*P-1)R/ C得,回流比R= 30%o
3.气浮池计算
因为设计两个气浮池并联,所以单池流量Q =100/2=50 /h3m)接触室容积:(1
Vc=(Q+Qp)*T2/60=(50+15) *2/60=3 2()分离室容积:*Ts/60=65Vs=(Q+Qp) *20/60=3
3)气浮池水深:(H=*t/1000=*20*60/1000=2m
4)分离室面积和长度(As=Vs/H=2=
取池宽B=2m
则分离室长度L= As /B=2=
11㎡。
为便于施工长度取,则实际分离室面积为5)接触室面积和长度(。
接触室水深与分离室水深相同,即2m Ac=Vc/H=2=㎡Lc=Ac/B=2=为便于施工长度取,则实际分离室面积为㎡。
H=Lc=接触室出水断面高24. 气浮池集水管计算集水管采用穿孔管,沿池长方向均匀布两根,每根管的集水量q=65m3/h, 选用管直径D=200mm。
取小孔流速为s,集水管小孔面积S=q/60v1=65/(3600*)= ㎡取小孔直径D1= 则孔数N=4*S/(* D12)=12个
气浮池长为,穿孔管有效长度L取5m,则孔距l=L/n=5/12=416mm 浮渣槽深度h′取,槽底坡度i=,坡向排泥管,排泥管采用Dg=100mm
5.溶气释放器的确定
选取TV型溶气释放器,型号为TV-II(溶气水支管直径31mm),规格为φ20㎝,流量为2m3/h,作用直径为60㎝,因此,每个接触室安装5个TV型溶气释放器。
6. 泵的选择
选取32LT-150x1深井泵,流量15m3/h,扬程8m,转速2900r/min,出口直径40mm。
7.刮渣机选择(参见设计手册3 城镇给水)
TQ-2型桥式刮渣机,由于,气浮池净宽为2m,所以轨道中心距为,。