多用时间控制器
- 格式:doc
- 大小:163.00 KB
- 文档页数:10
目录摘要 (1)ABSTRACT (2)第1章前言 (3)第2章设计电路原理和器件简介 (4)第2.1节总体设计电路框图 (4)第2.2节 AT89S52单片机介绍 (4)第2.3节各功能模块器件应用说明 (8)2.3.1 液晶显示简介 (8)2.3.2 温度传感器说明 (9)2.3.3 数字时钟简介 (10)2.3.4 键盘调节模块 (11)第3章系统硬件电路设计 (13)第3.1节硬件设计原理图 (13)第3.2节单片机外围电路原理 (13)3.2.1 复位、时钟、电源电路原理 (13)3.2.2 DS1302实时时钟芯片说明 (14)3.2.3 128*64 LCD接口和显示原理 (17)3.2.4 高精度数字温度传感器DS18B20实现方式 (19)3.2.5 键盘对于时间调节功能实现说明 (21)第4章系统软件设计 (22)第4.1节软件设计流程图 (22)第4.2节各模块程序框图 (23)第4.3节软件主程序和各模块子程序 (25)第5章时钟控制系统调试 (27)第5.1节单片机应用系统调试工具说明 (27)第5.2节程序调试 (28)结论 (29)参考文献 (30)致谢 (31)附录 (32)【摘要】本论文介绍了多功能时钟控制器的系统设计。
系统具有时间设置及显示、定时闹铃、温度检测并显示等功能。
系统以 AT89S52单片机为核心,主要进行基于AT89S52低功耗MCU的字符型数字钟及其系统的研究。
系统带有GXM12864液晶显示器,配合按键提供友好的用户界面,操作简单,同时具有实时温度检测功能。
该数字钟能够长期、连续、可靠、稳定的工作;同时还具有体积小、功耗低等特点,便于携带,使用方便。
系统设计包括单片机及其外围硬件部分和计算机软件编程部分。
硬件部分主要为软件的实现提供一个运行的基础,计算机软件编程主要实现键盘调节、液晶显示、温度检测等各模块的功能,采用C语言编程。
关键字单片机液晶显示温度检测数字钟键盘输入【ABSTRACT】This thesis describes the design of a multifunctional digital clock and control system. It as displaying and setting time for clock and alarm, this system has another special feature, as temperature measurement and display. The core part of the system is based on a king of an advanced MCU, AT89S52, this system mainly carries on low power consume MCU the character list type the research of the digital clock and its system according to the AT89S52. The system takes GXM 128*64 Liquid Crystal Display, matching with a key to provide amity of customer interface, the operation is simple, having the temperature examination function in the meantime. Consecution, credibility, stable work, still have a physical volume in the meantime small, the power consume a low etc. characteristics, easy to take, the usage convenience. The system design includes a MCU with its periphery hardware circuit unit and a computer soft programming unit. The hardware circuit unit only provides the run basement for the software, the computer software programming unit mainly contains keyboard adjust, Liquid Crystal Display, temperature examination functions, adoption the C language.Keyword Single-Chip Microcomputer, LCD, Temperature Examination, Digital Clock, Keyboard Input第1章前言近年来随着计算机在社会领域的渗透, 单片机的应用正在不断地走向深入,同时带动传统控制检测日新月益。
GM MultiVolt Series Time ControlsM UL TI V OL TApplicationThe G M MultiVolt Series Time Controls are universal,electromechanical time switches which can be field configured for various power supply voltages. The voltage options include 120VAC, 208/240VAC and 277VAC – all within the same unit! Selection of the desired supply voltage is easily achieved by positioning “Jumpers” on the printed circuit board assembly (consult “Jumper Configuration” below). The mechanism is mounted in a NEMA indoor or outdoor enclosure and is intended for the control of lighting, heating,air conditioning, pumps, motors, or general electrical circuits in residential, commercial, industrial and agricultural facilities.All G M models are available as “Mechanism Only” (–M) for installation in other enclosures or control panels.SpecificationsInput Voltage:120VAC, 208/240VAC, or 277VAC in all units based upon “Jumper” configuration.Switch Rating:SPDT and DPDT Models Normally Open Contacts30A General Purpose/Res @277V 1 HP; 96ALR, 20AFL @ 120V 2 HP; 72ALR, 12AFL @ 240V 15A, 1800W Tungsten @ 125V 5A, 1250W Tungsten @ 250V 20A Ballast @ 120-277V 1A Pilot Duty @ 120-240V 20A Resistive @ 28VDC Normally Closed Contacts15A General Purpose/Res @250V 6A General Purpose/Res @277V 1/4 HP @ 125V , 1/2 HP @ 250V 3A, 750W Tungsten @ 125-250V 3A Ballast @ 120-277V 1A Pilot Duty @ 120-240V 15A Resistive @ 28VDCNote:If loads are connected to both NC and NO contacts,both contacts are derated to 67% of the above values.ENVIRONMENTAL RATINGSAmbient Temperature: –40°F to 130°F Humidity: 0-95% RH, Non-condensingWIRING CONNECTIONSScrew clamp terminals for up to 2 AWG #10 wires per position.InstallationInstallation should be performed by a licensed electrician only. Before installing this product read all instructions care-fully.Jumper ConfigurationWARNING:Failure to properly configure the “Jumpers”will result in damage to the unit and void the warranty!Before installing and wiring the GM MultiVolt Control, proper jumper configuration must be selected. This is accom-plished as follows:120VAC:All four (4) “Jumpers” (J1, J2, J3 & J4) must be installed208/240VAC:The two (2) “Middle Jumpers” (J1 & J3) must be installed and the two (2) “Outer Jumpers” (J2 & J4) must be removed.277VAC:All four (4) “Jumpers” must be removed.To install or remove a “Jumper”, gently Pull-Off-Of or Push-On-To the respective pair of metal prongs which are located on the printed circuit board to the lower left of the clock module. Care must be taken to avoid bending or breaking the metal prongs and/or fastening the jumper to the incor-rect pair. Once this step is complete the remainder of the installation can begin.A GE Industrial Systems CompanyThis enclosure does not provide grounding between con-duits. When using non-metallic conduit or cable, connect the ground wires of all cables together with a wire nut. When metallic conduit is used, use grounding type bushings and a jumper wire between each conduit.Programming InstructionsElectromechanical ModelsSETTING THE TIME:Rotate the program dial gradually clockwise until the day of the week (7 day) and time of day on the outer dial is nearly aligned with the triangle marker at 2 o’clock position. Then set time to the minute by rotating minute hand clockwise.CAUTION: Do not rotate dial or minute hand counter-clock-wise.PROGRAMMING:The 24 hour model has trippers of 15minute increments, and a AM/PM indication on the outer dial.The 7 day model has trippers of 2 hour increments, and the outer dial shows the 7 days of the week and AM/PM for each day. Push the captive trippers outward for the time period(s)that the load is to be on (Normally open contacts closed).Manual Override : With the manual switch in the middle posi-tion, the time switch is in automatic mode and will switch at the programmed times. In the upper position “I”, the load is permanently ON. In the lower position, “O”, the load is per-manently OFF .BATTERY POWERED RESERVE (Quartz Models):In case of power failure, the built-in nickel-cadmium battery maintains the time of day for 7 days. During power outage relays are de-energized.P r i n t e d i n U S A 122U S 04.01Typical Wiring Diagrams—SPDTTypical Wiring Diagrams—DPDTNote:For outdoor locations, Raintight or wet location conduit hubs that comply with requirements of UL 514B (standard for fittings for conduit and outlet boxes) are to be used.1. Remove 2 screws retaining the interior cover panel and remove panel by prying out with a thin blade at the top.2. Select knockouts to be used. Remove the inner (1/2”)knockout by inserting a screwdriver in the slot and care-fully punch knockout loose. Remove slug. If the 3/4”knockout is required, remove the outer ring with pliersafter removing the 1/2” knockout. Smooth edges with knife if necessary.3. Place enclosure in desired mounting location and mark the three mounting holes.4. Drill holes for #10 screws, start screws in holes.5. Place enclosure over screws and tighten screws.6. Connect conduit hubs to conduit before connecting the hubs to the enclosure. After inserting hubs into enclosure,carefully tighten hub lock nut. Do not over-tighten.7. Install in accordance with all applicable National and Local code requirements.8. Replace interior cover panel and 2 screws.Note:To mount mechanism into an Intermatic enclosure (all except T7000 & T5000), remove 4 hex screws retaining the GM PCB assembly and remove from enclosure. Install in Intermatic enclosure in the same manner as the Intermatic mechanism was installed.GROUNDING :This enclosure is of plastic construction and does not require a ground connection and does not require bonding in pool applications.Timer and Load, Same Voltage120V Two Speed FanTimer and Load, Different Voltage120V Timer, 120V Load and 24V Load 120V Timer, 208/240/277V Load Double BreakField Wiring Timer Internal WiringGRASSLIN CONTROLS CORPORATION A GE Industrial Systems Company31 Industrial Ave. • Mahwah, New Jersey 07430Tel.: 201-825-9696 • Fax: 。
三合一控制器原理引言:随着科技的不断发展,控制器在现代生活中扮演着至关重要的角色。
而三合一控制器作为一种多功能集成控制器,具备了多种控制功能,广泛应用于各个领域。
本文将从三合一控制器的原理入手,详细介绍其工作原理和应用。
一、三合一控制器的定义和特点三合一控制器是一种集成了三种控制功能的控制器,包括逻辑控制、运动控制和参数控制。
它能够实现多种不同功能的控制,大大提高了设备的灵活性和效率。
其特点包括体积小、功能强大、安装方便等。
二、三合一控制器的工作原理1. 逻辑控制逻辑控制是三合一控制器的基础功能,通过逻辑电路实现设备的开关控制、计数控制和定时控制等。
逻辑控制的核心是PLC(可编程控制器)技术,通过编程实现不同的控制逻辑,使设备按照预定的程序运行。
2. 运动控制三合一控制器还具备运动控制功能,通过控制电机的运动实现设备的位置控制、速度控制和力控制等。
运动控制的关键是采集和处理传感器反馈的位置、速度和力量等信息,并通过闭环控制算法实现精确的运动控制。
3. 参数控制三合一控制器还可以进行参数控制,通过调整控制器的参数来实现设备的性能优化和参数调整。
参数控制涉及到对控制器内部的参数进行设置和调整,以适应不同的工作环境和操作需求。
三、三合一控制器的应用领域1. 工业自动化三合一控制器在工业自动化领域中得到了广泛应用。
它可以用于控制生产线上的设备,实现生产过程的自动化和智能化。
例如,在流水线上,三合一控制器可以通过逻辑控制实现设备的自动开关,通过运动控制实现设备的定位和运动,通过参数控制实现设备的参数调整。
2. 交通运输三合一控制器也常用于交通运输领域。
例如,在地铁系统中,三合一控制器可以实现车辆的自动控制和运行调度,确保地铁的安全和高效运营。
通过逻辑控制、运动控制和参数控制,三合一控制器能够实现地铁列车的自动驾驶、车门的开关控制和行车速度的调整等功能。
3. 智能家居随着智能家居的发展,三合一控制器也开始应用于家庭环境中。
多功能时间控制器1.1 多功能智能钟的功能与设计要求⽬前⼤多数时间控制器往往只能单机⼯作,不能满⾜集体控制的要求;⽽在很多应⽤场合,要求时间控制器除了要具有⽐较灵活的时间控制作⽤外,还能通过上位机连成⼀个⽹络体系,以便对分布在各处的时间控制器进⾏集中控制(群控)。
本章设计的时间控制器的功能与特点如下:●既能单机⼯作,⼜能通过上位机进⾏多机集中控制;●每个单机可以按设定的时间表进⾏相应的控制动作;●每个单机上的定时时间表,可通过⼀台PC 机分别设定,设定的信息存放在串⾏的EE - PROM 中,可以保存10 年以上;● 6 位LED 显⽰屏,⽤作时钟显⽰;●采⽤RS ⼀485 通信接⼝,可以满⾜远距离控制的需要;●双休⽇可以⾃动停⽌报警。
该时间控制器⼗分适应于需要控制的对象(如电铃)较为分散⽽且个数较多的场合,有效克服了⼿⼯控制或单独控制导致的对象间的时间误差,避免了⼯作上的混乱。
只需1台普通PC机,通过通信电缆与各控制器联成RS-485拓扑⽹络。
由此PC机作为上位机,借助通信软件将设定时间⼀⼀传送到各个控制器,就可以实现群控。
当然,上位PC机必须外接RS-232/RS-485转接器。
建议采⽤市售成品,将它直接插在串⼝上即可。
1.2 系统总体设计⽅案1.2.1 总体⽅案的确定按照功能要求,确定系统⽅案如图7 ⼀ 1 所⽰。
从图中可以看出,系统由微处理器模块、串⾏通信模块、时钟模块、数据存储模块及显⽰等⼈机界⾯模块组成。
在⽅案设计中,遵循简洁⾄上的原则;因此,所有的外围模块采⽤串⾏⽅式与微处理器模块接⼝。
这⾥,微处理器采⽤ATMEIJ 公司的89C2051 ,所有串⾏接⼝时序均通过软件模拟实现。
1.2.1.1 硬件设计我的电⼦钟设计包括以下⼏部分:时钟模块,键盘输⼊模块,⼋位LED显⽰模块,电⽹频率测量模块、电⽹电压、电流、功率因数测量模块,环境温度测量模块,遥控关闹钟模块等。
为了⽅便使⽤,把数据采集单独使⽤⼀个单⽚机系统,⽽把时钟闹钟系统由DS12C887与单⽚机设计完成。
沈阳航空航天大学课程设计任务书课程名称数字逻辑课程设计课程设计题目多用时间控制器的设计课程设计的内容及要求:一、设计说明与技术指标设计一个多用时间控制器,技术指标如下:1.走时精度,每日误差小于等于1秒。
2.启动控制时间误差不超过1分钟。
3.控制时间可以任意设置(如响铃时间6秒,音乐声30秒,电饭锅30分等等)。
二、设计要求1.在选择器件时,应考虑成本。
2.根据技术指标,通过分析计算确定电路和元器件参数。
3.画出电路原理图(元器件标准化,电路图规范化)。
三、实验要求1.根据技术指标制定实验方案;验证所设计的电路,用软件仿真。
2.进行实验数据处理和分析。
四、推荐参考资料1.童诗白,华成英主编.模拟电子技术基础.[M]北京:高等教育出版社,2006年2.闫石主编,数字电子技术基础(第五版).[M]北京:高等教育出版社,2006年五、按照要求撰写课程设计报告成绩评定表:指导教师签字:2016 年 6 月17 日一、概述数字集成电路是将元器件和连线集成于同一半导体芯片上而制成的数字逻辑电路或系统。
根据数字集成电路中包含的门电路或元、器件数量,可将数字集成电路分为小规模集成(SSI)电路、中规模集成MSI电路、大规模集成(LSI)电路、超大规模集成VLSI电路和特大规模集成(ULSI)电路。
数字集成电路是将元器件和连线集成于同一半导体芯片上而制成的数字逻辑电路或系统。
应用的仿真工具Multisim是美国国家仪器(NI)有限公司推出的以Windows为基础的仿真工具,适用于板级的模拟/数字电路板的设计工作。
工程师们可以使用Multisim交互式地搭建电路原理图,并对电路进行仿真,通过Multisim和虚拟仪器技术,PCB设计工程师和电子学教育工作者可以完成从理论到原理图捕获与仿真再到原型设计和测试这样一个完整的综合设计流程。
三位数字显示计时定时器是用来计时定时报警的,发射一个脉冲信号,经过74LS160D计数器来实现分秒的计时。
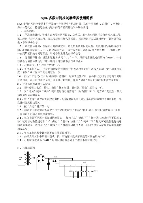
SJDA多段时间控制器简易使用说明SJDA多段时间继电器是本厂开发的一种新型单片机计时器,具有计时准确、范围广、全密封、寿命长等优点,特别适合在电镀车间等有重腐蚀性气体场合使用1 、主要功能:1.1 、单次分段计时:计时方式为段时间可设定;启动后,第一段时间运行完自动转入第二段,第二段运行完转入第三段,第三段运行完转入第四段,第四段运行完后计时停止,计时器会发出5秒钟讯响信号。
1.2 、单次循环计时:在循环计时的设置中,增设第五段时间的设置,此段时间为循环的总时间。
计时器可设为二、三、四段循环方式。
运行方式为:启动后,按12341234……循环计数,一直到第五段的时间运行完,计时器停止并发出讯响信号。
1.3 、无限循环计时:设置和运行方式同“1.2”一样,只要把第五段时间设为“9999”,计时器就会无限循环的运行(即不断电计时器就不会自动停止)。
1.4、计时范围:0.1秒至“9998”分。
1.5、手动工作方式:当计时器的计时范围和计时方式设置好后,需按“启动”键一次才可完成“单次”或“循环”的记时过程一次。
1.6、自动工作方式:当计时器的计时范围和计时方式设置好后,在待机状态时有信号电平时即自动启动,在计时过程中无信号电平时计时暂停,如按“启动”键计时器转为手动方式工作。
2 、计时范围和计时方式设置2.1、当计时器上电后,按住“换段”键5钞钟,计时器“段数”显示为“6”。
2.2、按“增加”键或“减少”键设置好自己所需的“计时范围”和“计时方式“的数值(其具体数值见后面附表)。
2.3、按“换段”键设置好每段的数值。
(总段数最多为4段,第5段为循环时间的累加值,单次计时无此段功能)。
2.4、按“启动”键开始计时。
2.5、如果使用中途需重新设置工作方式则要按住“启动”键5秒钟,使计时器恢复到上电时(即初始)的状态即可重新操作。
2.6、数值设置可以逐一累加或快速累加,每按“△”键或“▽”键一次(按键时间不超过2 秒)就可以对数值进行加“1”或减“1”操作;按住“△”键或“▽”键则可对数值进行快速的增加或减少;若按住“△”键或“▽”键的时间超过8秒,则可直接对百位数进行快速的增加或减少。
DDC控制器概述特点● 真正的BACnet设备● 支持BACnet/IP协议● 标准的以太网通讯● 可连接一条现场设备总线● 具有网关功能● 多功能I/O口● 实时时钟● 信息不丢失● 支持独立运行主要功能● 完全符合BACnet/IP协议。
● 都能够独立工作,不依赖工作站和其他DDC。
● 具有“即插即用”的功能,网络节点可动态添加或删除。
● 支持使用图形化编程工具进行动态的实时编程。
程序被放置在控制器中运行,可上传到编程工具的编辑器。
当改变程序后,使用编程工具的编辑器可立即将修改后的程序下传到控制器中。
● 内置实时高精度的时钟和日历,配有后备电池,可以保证断电一段时间内时钟和数据不丢失。
● 测量精度12位分辨率,输出精度8位分辨率。
● 固定配置有8个可以软件设置成输入或输出的功能强大的I/O口,其他I/O也都是通用的输入或输出。
● 具备多种通讯接口,具备10M/100M自适应的以太网接口,RS232/RS485接口。
● 可以添加多个时间表、日期表,用于安排和计划自身或其他设备中的输出操作。
● 有全面的报警管理。
● 包括PID在内的各种常用控制算法。
● 支持虚点功能。
● 有历史数据记录,和能源管理专用的算法模块。
● 所有数据、设置和程序都保存在非易失性存储器内,保证掉电不失。
● 全面支持工作站的各种控制监视功能。
技术参数输入/输出设备地址◆控制器具有缺省的BACnet地址,地址通过软件可以修改。
◆网络内的BACnet地址必须唯一。
通讯参数:。
多功能定时开关设计首先,多功能定时开关的设计方案。
该设备由微控制器、时钟模块、输入输出接口和电源等组成。
微控制器是整个系统的核心,负责处理各种控制逻辑和数据操作。
时钟模块用于提供准确的时间基准,可以通过外部晶体振荡器来实现。
输入输出接口可以与外部设备进行连接,通过触发输入信号来控制电器设备的开关状态。
电源模块则提供稳定的电压和电流,以供整个系统正常运行。
其次,多功能定时开关具有多种实用功能。
首先,它可以按照预定的时间点自动开启或关闭电器设备,无需手动操作,提高了使用的便利性。
其次,可以设置多组定时策略,比如每天的定时开关时间可以不同,可以实现根据具体需求进行自动控制。
另外,还可以添加手动控制功能,通过按键或手机APP等控制方式来实时开启或关闭电器设备。
此外,还可以设置定时延迟功能,即设定一个延迟时间,在此时间内电器设备保持打开状态,之后自动关闭,适用于需要延迟关闭的场景。
多功能定时开关的应用范围广泛。
首先,可以用于家庭电器设备的控制,比如空调、洗衣机和电热水器等,可以根据不同的时间段进行开关,提高能源利用效率。
其次,可以用于户外照明设备的控制,如路灯、花园灯等,可以根据天亮天黑的时间进行自动开关,增加照明的安全性和舒适度。
另外,还可以应用于工业设备的定时控制,如自动化生产线、温湿度控制系统等,可以根据工艺流程和环境要求进行精准的定时操作。
总结起来,多功能定时开关是一种非常实用的电子设备,它通过预先设置时间和执行相应的操作,可以方便地控制电器设备的开关状态。
具有多种功能和应用范围,可以根据具体需求进行灵活的设置和控制。
在提高便利性的同时,还可以有效提高能源利用效率和安全性,是一种可以推广应用的智能化设备。
扬州宝尔电脑时间控制器使用说明一、产品概述扬州宝尔电脑时间控制器是一款用于控制电脑开关机时间的设备。
通过设置定时开关机功能,用户可以灵活管理电脑的使用时间,提高电脑的使用效率,并实现节能的目的。
本文将详细介绍该产品的使用方法和注意事项。
二、产品特点1. 简单易用:产品采用直观的界面设计,操作简单方便,用户无需具备专业知识即可快速上手。
2. 精确计时:产品内置高精度计时芯片,可实现精确的定时控制,保证开关机时间的准确性。
3. 多种定时模式:产品支持多种定时模式,包括每日定时、工作日定时和周末定时,满足不同用户的需求。
4. 多平台兼容:产品兼容多种操作系统,包括Windows、Mac和Linux,可适用于不同类型的电脑设备。
5. 节能环保:通过合理设置开关机时间,可以避免电脑长时间待机,实现节能环保的效果。
三、使用方法1. 连接设备:将时间控制器插入电脑的USB接口,并确保设备已被电脑识别。
2. 安装驱动程序:根据操作系统的要求,安装对应的驱动程序,并完成驱动程序的配置。
3. 设置定时开关机:打开时间控制器的设置界面,根据实际需要设置定时开关机时间和模式。
可以设置多个定时任务,以满足不同时间段的需求。
4. 保存设置:设置完成后,点击保存按钮,将设置保存到时间控制器中,确保设置生效。
5. 启用定时任务:根据需求,选择启用或禁用定时任务。
启用后,时间控制器将按照设置的时间进行开关机操作。
6. 监控定时任务:在时间控制器的监控界面,可以实时查看定时任务的执行情况,包括开机时间、关机时间和剩余时间等信息。
四、注意事项1. 请勿随意更改时间控制器的设置,以免影响正常使用。
2. 设置定时任务时,请确保电脑已连接时间控制器,并处于开机状态。
3. 如需调整定时任务,请先禁用该任务,然后再进行修改。
4. 若时间控制器无法正常工作,请检查驱动程序是否正确安装,并确保设备与电脑的连接良好。
5. 请勿将时间控制器暴露在高温、潮湿或有腐蚀性气体的环境中。
神奇的时间控制器作文600字《神奇的时间控制器》作文一
小朋友们,你们有没有想过,如果能控制时间,那该多棒呀!有一天,我就得到了一个神奇的时间控制器。
那天,我正走在回家的路上,突然看到路边有一个闪闪发光的盒子。
我好奇地打开它,里面竟然是一个小小的时间控制器!它上面有一些按钮和数字,看起来好神秘。
还有一次,我和爸爸妈妈吵架了,心里很难过。
我就用时间控制器回到吵架前,然后控制住自己的脾气,好好和他们说话,结果那天我们一家人都特别开心。
《神奇的时间控制器》作文二
嘿,小伙伴们!我要给你们讲一个超神奇的事儿,我得到了一个神奇的时间控制器。
有一天,我在公园的长椅下面发现了它。
这东西小小的,拿在手里还有点沉甸甸的。
我带着它去了学校。
那天刚好有数学考试,我好多题都不会做。
我就偷偷拿出时间控制器,把时间调回到了老师讲这部分知识的时候,我认认真真地又听了一遍,考试的时候我就都会做啦,考了个好成绩。
周末的时候,我想去游乐场玩,可是人太多了。
我就用时间控制器把时间调到游乐场刚开门的时候,一个人都没有,我想玩啥就玩啥,太爽啦!
这个时间控制器真是太神奇啦,给我带来了好多快乐。
《神奇的时间控制器》作文三
小朋友们,我告诉你们哦,我有一个特别特别神奇的宝贝,叫时间控制器。
有一回,我不小心把妈妈最喜欢的花瓶打碎了,妈妈特别生气。
我赶紧拿出时间控制器,让时间回到我打碎花瓶之前,这次我小心地把花瓶放好了,妈妈就没有生气。
时间控制器可真是帮了我大忙,让我避免了好多麻烦。
你们说神奇不神奇?。
时间控制器科幻作文“哎呀呀,要是能控制时间就好了。
”我常常这样嘟囔着,像个贪心的小怪兽,总想着能把时间这个调皮的家伙抓在手里,想让它快就快,想让它慢就慢。
你还别说,有一天我还真就得到了这么个神奇的东西——时间控制器。
这个时间控制器长得就像个精致的怀表,表盘周围刻满了奇奇怪怪的符号,那些符号闪闪发光,仿佛在悄悄地诉说着关于时间的秘密。
表链凉凉的,握在手里还挺有质感。
我拿到它的第一天,就迫不及待地想要试验一下。
我先把指针轻轻拨向了“慢”的方向,只那么轻轻一转,哇塞!整个世界就像被施了魔法一样。
我看到窗外飞翔的鸟儿,它们扑扇翅膀的动作变得超级慢,就像电影里的慢动作回放。
我走出家门,看到路上的行人都像被定住了一样,每一个细微的动作都能看得清清楚楚,一个叔叔正在打哈欠,那嘴巴张开的速度慢得像蜗牛爬,我都能数清楚他有几颗牙齿了。
我在这慢下来的世界里跑来跑去,感觉自己就像个超级英雄,拥有了别人没有的超能力。
可是呢,这慢下来的世界也有麻烦事儿。
我肚子饿了想去买个面包,结果平时一分钟就能搞定的事儿,现在变得无比漫长。
我站在面包店门口,看着店员慢悠悠地伸手拿面包,那速度啊,急得我直跺脚。
而且因为时间变慢,我感觉自己的思维也跟着变慢了,本来能很快算出的数学题,现在看着那些数字都像是在跳着奇怪的舞蹈,怎么也算不明白。
于是,我又把时间控制器的指针拨向了“快”的方向。
这下可不得了了,周围的一切都像开了加速器一样。
我看到太阳像个调皮的孩子,飞快地在天空中跑来跑去,白天黑夜不停地交替。
街道上的花草树木,就像被施了生长咒,一下子就从幼苗长成了参天大树,然后又迅速地枯萎凋零。
我原本还想看看我种的小豆芽是怎么长大的,结果我刚眨了下眼,它就已经开花结果然后烂在土里了。
这可把我吓了一跳,我意识到这“快”起来的时间也不是那么好玩的。
有一天,我不小心把时间控制器弄丢了。
我急得像热锅上的蚂蚁,到处找啊找。
我突然意识到,虽然这个时间控制器能给我带来很多奇妙的体验,但它也让我变得有些依赖它,忘记了正常时间里的美好。
茂名学院课程设计说明书课程名称:数字电子技术课程设计题目:多用时间控制器学生姓名:专业:班级:学号:指导教师:日期: 2007 年 7 月 8 日茂名学院课程设计任务书一、设计题目多用时间控制器二、主要内容及要求本课题应含数字钟,设计一个可在一天24小时内任意分钟时刻设置存储记忆,并在时钟走到设置时间时输出控制信号,对多路(例如四路)用电器进行开关控制。
按照上述要求设计自动打铃器,在上下课时间打铃,铃响时间延续6秒。
技术指标及要求:1.走时精度,每日误差≤1秒。
2.启动控制时间误差不超过1分钟。
3.控制时间可以任意设置(如铃响时间6秒,音乐声30秒,电饭锅30分)根据设计要求合理选择方案,并完成不少于4000字的设计说明书。
三、进度安排1.6月20日,老师给出选题内容,课程设计的相关要求,指导时间及任务完成期限。
2.6月23日~6月25日,去图书馆和网上查找相关资料,并且构造整个设计思路。
3.6月26日~6月30日,选择适当的芯片组合电路,并仿真。
4.7月1日~7月6日根据电路的原理写出设计方案。
5.7月7日~7月8日设计方案的检查,修正,改进,按要求打印方案。
四、总评成绩指导教师学生签名茂名学院课程设计说明书目录一.设计任务分析 (1)二.总体设计方案 (1)2.1时、分、秒电路的设计 (1)2.2译码显示电路的设计 (2)2. 3校时电路的设计 (2)2. 4 EPROM存储电路设计 (4)2 .5定时执行电路的设计 (5)三、实验设备 (6)四、总结 (7)茂名学院课程设计说明书一、设计任务分析:本课题的基本思路是在设计出一个时钟的基础上,利用储存器设定时间,在设定的时间进行打铃。
这个装置在日常生活中用得非常广泛。
本课题的重点在存储器、定时单元和执行单元。
技术指标及要求:1.走时精度,每日误差≤1秒。
2.启动控制时间误差不超过1分钟。
3.控制时间可以任意设置(如铃响时间6秒,音乐声30秒,电饭锅30分)二、总体设计方案:整个思路的框图如下图所示。
将标准秒信号送入“秒”计数器,累计60秒发出一个“分”脉冲信号,送到“分”计数器中;分计数器累计60分发出一个“时”脉冲信号,该信号将被送到“时”计数器。
“时”计数器采用24进制计数器,实现对一天24小时的显示。
EPROM存储电路是根据计时系统输出状态,产生一脉冲信号,然后去触发EPROM存储器实现定时打铃。
定时执行器中的定时单元是数字的定时电路。
只要适当地改变“与非”门的接法和计数器的位数,就可以改变定时长短,执行单元通过集电极开路“与非”门的输出端,直接接负载继电器控制电子打铃器。
1.时、分、秒电路的设计(1)秒信号发生器的设计本实验要求每日误差≤1秒。
,可选用1HZ的标准脉冲。
本设计采用555集成定时器组成多谐振荡器产生1Hz的标准脉冲。
555定时器与两个电阻和一个电容产生负脉冲序列,得到秒脉冲的信号的电路。
令R 1=43kΩ,R2=50kΩ,C=10uF。
(2)时、分、秒计数器的设计本实验采用74LS192分别构成60进制和24进制计数器分别作为分秒和时。
1)60进制计数器。
先将2片芯片连接成100进制计数器,在此基础上,用反馈清零法将高位的QB和QC分别接至俩芯片的Ro,R l端,在第60个脉冲后,计数器输出为01100000,高位的QB和QC同时为1,再通过一个与门使计数器立即返回到00000000状态。
2)24进制的计数器。
先将2片芯片连接成100进制计数器,在此基础上,用反馈清零法将高位的QB和低位的QC分别接至俩芯片的Ro,R l端,在第24个脉冲后,计数器输出为00100100,高位的QB和低位的QC同时为1,再通过一个与门使计数器立即返回到00000000状态。
NE555秒发生器 60进制计数器2.译码显示电路的设计译码电路功能是将“时”、“分”、“秒”计数器的输出译码进行翻译,变成相应的数字。
用于驱动LED七段数码管的译码器,常用74LS47来实现。
3.校时电路的设计校时电路如图所示,校“秒”时,采用暂停校时方式。
将开关1接地,G1的一个输入端接地,另一段输入的埋脉冲信号不能通过G1,此时G1被封锁,秒信号进入不到计数器中,暂停了秒计时器。
当秒显示的数值也标准时间秒相同时,校时时钟仿真电路图1马上接高电位,G1的一个输入端高电位,另一端输入的秒脉冲信号。
校“分”和“时”时,采用加速校时方式。
校“分”时,使用G2,G3,G4。
要进行分校时,将开关2接高电平,由于G2的一个输入端输出高电位,G3输出高电位,G2,G4被导通,秒信号脉冲直接通过G2,G4送到“分”计数器中,“分”计数器以秒的速度计数,当“分”计数器显示的数值与标准时间相同时,2马上接低电平。
G2的一个输入端接地,秒信号不能同通过G2,而G2输出端为高电位,是G4的一个输入端为高电位,恢复了G4的导通。
G4接受来自秒计数器的进位信号,使分计数器正常工作。
同理可得时计数器的校时电路。
4.EPROM 存储电路设计EPROM 有各种类型的产品,右下图是紫外线擦除、电可编程的EPROM2716器件逻辑框图和引脚图。
EPROM2716是211×8位可改写存储器,有11位地址线A0~A10,产生字线为2048条,D7~D0是8位数据输出/输入线,编程或读操作时,数据由此输入或输出。
CS 为片选控制信号,是低电平有效。
OE/PGM 为读出/写入控制端低电平时输出有效,高电平进行编程,写入数据。
EPROM 存储器采用2716EPROM 。
本设计中使用了他的两种功能,其一,当EPROM2716暂时不工作时,可令PD/PGM =1,此时电路处于维持状态;其二,在编程时它又是编程的控制输入。
编程时CS =1,V pp =25V ,编程输入数据采用8位并行输入的方式即D 0-D 7为输入端,地址及数据电平为TTL 电平。
当输入数据和写入数据输入未定以后,在PD/PGM 端加入一个50ms 的正脉冲,输入的数据就写入地址码的指定存储单元。
CS 为选控制输入,在PD/PGM =0的条件下,CS =0时刻片被选中,给出地址码后,同地址码所指定单元存储数据被读出,送到数据输出端。
对其编程之前,应先定义各输出端的控制对象,本设计只需控制一个对象D 0――自动打铃。
因为2716EPROM 有11根地址线,而数字钟“时”,“分”的BCD 码输出有13根,所以不能用用每分钟作为EPROM 的地址值。
因此,要将分计数器的BCD 码译成每5分钟变化一次的脉冲,送给EPROM 的A 0。
可由卡诺图化简得A 0的连线:0D C A C B D C A C B A =Q +Q Q +Q Q =Q *Q Q *Q Q ,由计时系统可得到的EPROM 的地址与计时系统输出BCD 码对应关系:D C B A 98Q Q Q Q A A D C B A 7654Q Q Q Q A A A A D C B A 321Q Q Q Q A A A D C B AQ Q Q Q A5.定时执行电路的设计(1)定时单元1)按照设计需求,需设计一个定时为6秒的定时电路。
由于在本设计中EPROM 的地址值每5分钟变化一次,测其对应的输出也将持续5分钟的时间。
设计如图所示。
当5分钟信号上升沿来时,D 触发器的Q 端为“1”,定时开始,计数器Cr 为“1”开始计数。
当计数到6个脉冲(0110)时,“与非”们的输出为“0”,是D 触发器复位,定时结束,D 触发器输出脉宽为6s 。
2)本单元也可以采用NE555构成单稳态电路来定时。
用这个方法可以灵活地改变定时时间,只要改变NE555外面的电阻值和电容值,但是在实际实验中,确定的某个阻值的电阻是很难找到的,所以实验中采用第一个方法。
(2)执行单元。
执行单元的任务是将脉冲放大,去驱动控制设备。
一般用一二个复合三极管代继电器J ,然后有继电器接点接通控制对象,如图所示。
三、实验设备四、总结这个实验的难度比较大。
这个实验有前面部分我们可以已经利用学过的知识去做,而且芯片的种类可以选择很多,我选择了74LS192构造时钟,因为这个芯片我以前用过,虽然有双10进制的芯片,但是我不怎么了解它的功能,所以还是选择了74LS192。
而后面部分只能靠我们自己去找资料去自学,例如执行单元和EPROM存储器。
EPROM2716这个芯片的资料很难找,具体操作的方法不是很懂,我只能在参考文献上所介绍的直接引用,而且在仿真软件上也找不到,所以整个电路无法仿真,只能局部地仿真,再根据理论得出实验要求的结果。
参考文献:[1]《电子技术基础(数字部分)》,康华光主编,高等教育出版社,2006年。
[2] 伍爱莲主编.电路与电子技术实验教程。
湖北:华中科技大学出版社,2006.[3] 高吉祥主编.电子技术基础实验与课程设。
北京:电子工业出版社,2002.[4] 彭介华主编.电子技术课程设计指导。
北京:高等教育出版社,1997.[5] 王久华主编.电工技术与电子技术基础。
北京:清华大学出版社,2005.。