霓虹灯时间控制器使用说明
- 格式:doc
- 大小:21.50 KB
- 文档页数:1
时间控制器使用说明一、时间控制器结构及用途取消/恢复按钮:取消/恢复现有/删除数据校时按钮:调整时间的小时数字校分按钮:调整时间的分钟数字校星期:按钮:调整当前星期自动/手动:默认在自动位置,需要开启时,按此按钮即可达到开、关目的。
注意,最后要将指示三角(横杠)调整到自动位置定时按钮:设置控制器定时动作,按压第一次为第一组开,按压第二次为第一组关,按压第三次为第二组开……以此类推时钟,在任何设置状态下,返回时控开关的默认正常工作状态指示灯:红色表示供电正常,绿色表示开启状态二、时间设定1. 设置单组动作首先,按下定时一次,注意屏幕显示:左下角显示第1组的开(1开/ON),中间显示大数字时间,此时间为开灯时间,将其通过按压校时/校分调整到需要开灯的时间。
注意上面一排的一、二、三……,如果一周内全天都是同一时间使用,则必须显示一二三四五六七字样,代表周一至周日在此设定时间开启然后,按下定时一次,注意屏幕显示:左下角显示第1组的关(1关/OFF),中间显示大数字时间,此时间为关灯时间,将其通过按压校时/校分调整到需要关灯的时间。
注意上面一排的一、二、三……,如果一周内全天都是同一时间使用,则必须显示一二三四五六七字样,代表周一至周日在此设定时间开启最后,继续按定时按钮,将第二组及以后各组有数字的,一律按取消/恢复按钮将其变成--:--。
按下时钟键,使屏幕恢复到当前时间工作状态,注意,时空开关必须在此状态下才可以正常工作。
2. 设置多组动作如非必要,不建议使用此种控制方式设置方法,与单组设置相同,注意组号和星期即可。
控制器可根据星期的不同,设置不同的工作日,也可根据时间不同,在一天内多次动作。
需要注意的是最后要检查各组,不能有冲突时间,即所有组别中,不可以有同一时间或包含的时间。
三、更改时定时间调整时控的当前时间和星期按住时钟按钮不放,依次按压校时、校分、校星期调整到需要显示即可。
四、注意事项1. 每次调整、查看时控后,必须按一次时钟键,使显示屏恢复到当前时间工作状态;2. 每次调整后,屏幕下方的指示应放在自动位置;3. 如当前时间为开灯时间,则将时控手动设置为开,并将指示位置调整为自动;调整过程中,不可以改变低压线路;KG316T,宇泰通讯。
用户手册说明书版本1.0 软件版本1.01024S灯控台目录1.1功能描述 (1)1.2规格参数 (1)2安装 (2)2.1设备与附件 (2)2.2注意事项 (2)2.3连接灯具 (2)3操作使用 (3)3.1面板图 (3)3.2控台布局 (3)3.3常用词汇介绍 (4)4配接 (4)4.1配接常规灯 (4)4.2配接电脑灯 (5)4.3查看配接信息 (5)4.4重新配接灯具地址码 (6)4.5删除配接 (6)4.6灯具参数 (6)4.7查找RDM设备 (7)5控制灯具 (7)5.1选择灯具来控制 (7)5.2修改选择的灯具的属性值 (7)5.3编组 (8)5.4步进式选择一个灯具 (8)5.5对齐功能 (8)5.6翻转功能 (9)5.7扇形模式 (9)5.8灯具菜单 (9)6素材 (10)6.1素材的用户定义 (10)6.2素材翻页 (10)6.4素材的关联 (10)6.5储存一个素材 (11)6.6素材模式 (11)6.7调用素材 (11)6.8删除素材 (12)7图形生成器 (12)7.1使用图形 (12)7.2修改内置图形的参数 (13)7.3编辑运行中的内置图形 (14)7.4移除灯具上的图形 (14)7.5删除某个图形 (14)7.6有参照点和无参照点的内置图形 (15)7.7重演参数 (15)8单步场景 (15)8.1创建 (15)8.2在单步场景中使用内置图形 (16)8.3HTP和LTP通道 (16)8.4重演一个单步场景 (16)8.5编辑一个单步场景 (17)8.6导入功能 (17)8.7取消编程按键 (17)8.8复制一个单步场景 (18)8.9删除一个单步场景 (18)8.10时间 (18)8.11交叠功能 (19)8.12优先级 (20)9多步场景 (20)9.1创建一个多步场景 (20)9.2运行一个多步场景 (20)9.3连接一个多步场景到控制台 (21)9.5手动控制多步场景的运行 (21)9.6增加步 (21)9.7展开多步场景进行编辑 (22)9.8删除多步场景 (22)9.9多步场景的全局时间 (22)9.10为步设置独立的时间 (23)9.11交叠功能 (23)9.12优先级 (24)9.13高级控制选项 (24)10场景集合 (24)10.1储存景集 (25)10.2编辑场景集合的步 (25)10.3运行一个场景集合 (25)10.4删除一个场景集合 (25)10.5复制一个场景集合 (25)10.6设置全局时间 (25)10.7为步设置独立的时间 (26)11节目记录 (26)11.1记录节目 (26)11.2表演节目 (27)11.3删除表演 (27)11.4保存与加载节目 (27)12设置 (28)12.1优盘管理 (28)12.2擦除 (28)12.3管理语言切换 (28)12.4灯库管理 (28)12.5节目记录 (29)12.6用户设置 (29)12.7系统信息 (30)12.9Artnet (30)13升级 (30)14灯库编辑器 (31)1.1功能描述1024S系列电脑灯光控制台可同时控制100台电脑灯。
舞台灯光控制器使用说明书1. 引言舞台灯光是现代演艺表演不可或缺的一部分,而舞台灯光控制器则是掌控灯光效果的关键设备。
本文将详细介绍舞台灯光控制器的使用方法和注意事项,以帮助用户正确、高效地操作设备。
2. 设备准备在使用舞台灯光控制器之前,请确保你已经完成了以下准备工作:- 将舞台灯光控制器连接到电源,并确认电源已经正常供电。
- 通过DMX信号线将舞台灯光控制器与舞台灯光设备进行连接。
- 检查信号线连接是否牢固,确保正常传输信号。
3. 舞台灯光设置为了正确地控制舞台灯光,你需要先进行以下设置:- 打开舞台灯光控制器的电源开关,并确认设备已启动。
- 进入控制器的操作界面,可以通过触摸屏、按钮或旋钮进行操作。
4. 场景和预设舞台灯光控制器通常支持场景和预设功能,通过它们可以实现快速切换不同的灯光效果。
以下是简要的操作步骤:- 选择“场景”或“预设”功能选项。
- 浏览已存储的场景或预设,可以通过页面上的按钮或手势操作进行选择。
- 选择所需的场景或预设后,点击“应用”或“切换”按钮确认选择。
5. 手动控制如果你希望手动控制舞台灯光的参数,舞台灯光控制器也提供了相应的功能:- 进入手动控制模式。
- 可能需要调整的参数包括亮度、颜色、灯光角度等,根据实际需求进行调整。
- 舞台灯光控制器通常提供了各种手动调节控制按钮或旋钮,通过它们可以直接调整参数。
6. DMX控制DMX控制是舞台灯光控制器的重要功能之一,通过DMX控制,你可以实现精确的灯光效果调整:- 进入DMX控制模式。
- 在操作界面中,通过输入灯光的DMX地址进行控制。
- 灯光的DMX地址通常由通道和起始地址组成,根据具体设备的要求进行设置。
7. 联机控制舞台灯光控制器通常支持联机控制,通过与计算机或其他外部设备的连接,可以实现更高级的灯光控制:- 确认舞台灯光控制器和外部设备的联机方式,可以是通过网络、USB接口或其他接口进行连接。
- 根据具体连接方式,在设备和外部设备之间建立通信连接。
LED 灯-遥控器操作功能说明LCD 显示屏 一、遥控按键功能定义::二、功能操作:1) 待机状态:遥控装入2节AAA DC3.6V 电池,本遥控进入待机状态,LCD 显示“锁图标闪烁”2) 系统设置状态:在待机状态下,按”开/关”键可进入系统设置状态,LCD 显示“Set ”字母,再次按此键系统将进入待机状态;以此循环切换待机状态与系统设置状态。
3) 自动运行初始日历时钟设置:当遥控在系统设置状态下,按”时钟设置”键进入系统初始运行日历时钟设置功能,LCD 显示“时钟图标1闪烁”,此时再按”定时参数”键,遥控将进入小时设置,此时按遥控”+/-“键调整小时时间,再次按”定时参数”键,遥控将进入分钟设置,此时按遥控”+/-“键调整分钟点时间,再继续按”定时参数”模式键,遥控将进入星期设置,前面小时、分钟、星期都设置好后,此刻如果按”清除”键时,系统将清除当前设置的小时、分钟、星期等数据,所有数据都设置好后,再一次按”时钟设置”键时系统发送初始运行日历时钟数据,系统并退出系统运行初始日历时钟设置进入系统设置状态。
4)系统定时感应亮灯设置:当遥控在系统设置状态下,按”定时设置”键进入系统第1组定时感应开,LCD显示(“1”、“AM”、“时钟图标2闪烁”),此时再按”定时参数”键,遥控将进入小时设置,此时按遥控”+/-“键调整小时时间,再次按”定时参数”键,遥控将进入分钟设置,此时按遥控”+/-“键调整分钟点时间,再继续按”定时参数”键,遥控将进入星期设置,前面小时、分钟、星期都设置好后,此刻如果按”清除”键时,系统将清除当前设置的小时、分钟、星期等数据,所有数据都设置好后,如果按”确认”键,系统将发送定时数据并自动进入第1组定时感应亮灯关设定,LCD显示(“1”、“PM”、“时钟图标2闪烁”),再次按前术操作方式设置,本系统最多可设7组允许定时感应亮灯时间。
当7组允许定时感应亮灯时间设置完成后,此时按”定时设置”键或按”确认”键,系统将退出允许定时感应亮灯设置功能,并自动进入系统设置状态。
LED控制器的说明书一、产品介绍LED控制器是一种用于控制和调节LED灯光亮度、颜色和效果的设备。
本产品采用先进的技术和高质量材料制造,具有稳定性强、易安装、兼容性好等优点,适用于各种室内和室外LED照明应用。
二、产品特点1. 技术指标1.1 输入电压:AC 100-240V1.2 输出电压:DC 12V/24V1.3 最大功率:100W1.4 工作温度:-20℃~60℃1.5 尺寸:100mm×50mm×30mm2. 功能特点2.1 亮度调节:支持多级亮度调节,可根据需要调节光线亮度,提供更好的照明效果。
2.2 色温调节:可调节灯光的色温,实现冷暖色光的切换,满足不同环境下的照明需求。
2.3 颜色控制:支持RGB色彩混合,可通过控制器调节灯光的红、绿、蓝三原色,创造出丰富多彩的灯光效果。
2.4 音乐控制:内置音乐控制模式,可根据音乐节奏和声音变化实现灯光的同步变化,增添氛围和趣味性。
2.5 定时功能:支持定时开关灯,可根据需要设置开启和关闭时间,方便节能和管理。
三、安装和操作1. 安装1.1 将LED控制器连接到LED灯带或LED灯泡的电源线上,确保正负极连接正确。
1.2 将LED控制器插头插入对应的电源插座,确保供电正常。
1.3 安装完成后,检查各部件连接是否牢固,避免不必要的故障和安全隐患。
2. 操作2.1 亮度调节:通过旋转控制器上的亮度调节钮,顺时针旋转增加亮度,逆时针旋转减小亮度。
2.2 色温调节:通过旋转控制器上的色温调节钮,选择所需的色温,范围从冷色光到暖色光。
2.3 颜色控制:通过旋转控制器上的颜色控制钮,选择所需的颜色或RGB混合的效果。
2.4 音乐控制:将控制器连接到音源设备上,打开音乐后,控制器会根据音乐的声音变化来实现灯光的同步效果。
2.5 定时功能:按照说明书设置定时开启和关闭时间,控制器将自动按照设定时间进行开关操作。
四、注意事项1. 请严格按照产品说明书正确安装和使用LED控制器,避免不必要的问题和安全风险。
舞台灯光知识:灯光控制器操作指南及现场应用技巧舞台灯光是舞台表演中不可或缺的一部分,它不仅能为演出提供光线,更能通过不同的灯光效果来营造氛围、增强视觉效果、引导观众注意力等。
而灯光控制器作为控制灯光的主要设备,其操作和应用技巧对于提高演出质量至关重要。
本文将详细介绍灯光控制器的操作指南及现场应用技巧,帮助舞台灯光工作者更好地应对各种演出场景和需求。
一、灯光控制器概述灯光控制器是用来控制舞台灯光亮度、色彩、灯具位置等功能的设备,它通常由控制台和相关的软件、硬件组成。
控制台上通常有多个旋钮、按钮和触摸屏等操作界面,通过这些界面可以实现对灯光的精确控制。
灯光控制器一般还配有预设功能,可以保存和调用不同的灯光效果,方便在演出中进行切换和应用。
二、灯光控制器操作指南1.开机与设置首先,打开控制台的电源,等待系统启动完成。
一般来说,控制台会自动进行初始化,加载之前的设置和预设。
在启动完成后,需要检查控制台的各项设置是否正常,比如灯光信号、通讯连接等,确保控制台正常工作。
2.灯光调试在实际使用灯光之前,需要对灯光进行调试,确保每个灯具都正常工作。
可以通过控制台上的旋钮或按钮来对每个灯具的亮度、色彩等参数进行调整,直到满足演出需求。
3.制作预设在演出中,通常会有多个不同的灯光场景,这就需要事先制作好相应的预设。
可以通过控制台上的预设功能来保存和调用不同的灯光效果,以便在演出中快速切换和应用。
在制作预设时,需要注意参数的精确设置,以确保在调用时能够准确还原预设的效果。
4.实时调整在演出中,由于演出内容、演员表现等情况可能会有所不同,因此需要根据实际情况对灯光进行实时调整。
在调整过程中,需要熟练掌握控制台上各个旋钮、按钮的功能和作用,以便快速、准确地对灯光进行调整。
5.关机与保存在演出结束后,需要将控制台上的设置和预设保存好,以备下次使用。
在关闭控制台之前,需要先关闭灯光,确保每个灯具都处于关闭状态,然后将控制台关闭,并将控制台上的设置和预设保存好。
舞台灯光特效控制器操作说明书一、总体介绍舞台灯光特效控制器是一款用于控制舞台灯光特效的设备,具备多种特效模式和功能。
本说明书将详细介绍如何操作该控制器。
二、控制器外观及功能1. 外观舞台灯光特效控制器外观采用黑色塑料材质,配备液晶显示屏和按钮控制面板。
控制器尺寸为XXX,便携且易于携带。
2. 功能本控制器支持以下功能:- 特效模式选择:通过控制面板的按钮选择不同的特效模式。
特效模式包括演唱会、舞台剧、电影等多种选项,用户可以根据舞台表演的需求选择合适的模式。
- 颜色控制:通过控制面板的按钮选择所需的颜色,包括红、绿、蓝等多个颜色选项。
用户可以通过组合不同颜色创造独特的灯光效果。
- 亮度调节:用户可以通过控制面板上的亮度调节按钮来调整灯光的亮度,以适应不同场景的需求。
- 编辑功能:用户可以编辑特效的频率、变换方式等参数,以满足个性化的需求。
- 存储与调用:本控制器支持存储和调用不同场景的灯光设置,用户可以方便地切换不同的设置。
三、操作步骤1. 连接设备首先,将舞台灯光特效控制器与舞台灯光设备进行连接。
确保连接稳固可靠,并按照设备说明书进行正确的连接。
2. 打开控制器按下控制器的电源开关,等待灯光控制器启动。
启动后,液晶显示屏将显示出菜单界面。
3. 选择特效模式通过控制面板上的特效模式选择按钮,选择适合舞台表演的特效模式。
根据不同的场景需求,选择合适的模式。
4. 调整颜色和亮度根据需要,通过控制面板上的颜色控制按钮选择所需的颜色,再通过亮度调节按钮调整灯光的亮度。
用户可以根据实际舞台效果进行合理的调整。
5. 编辑特效参数如果需要对特效的频率、变换方式等参数进行编辑,可以使用控制面板上的编辑功能按钮。
按下编辑功能按钮后,根据提示进行相应的参数设置。
6. 存储与调用设置本控制器支持存储多个不同场景的灯光设置,以便于用户快速调用。
在完成灯光设置后,按下控制面板上的存储按钮,将当前设置存储到指定的存储位置。
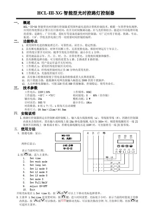
HCL-III-XG智能型光时控路灯控制器一.概述HCL-Ⅲ-XG智能型光时控路灯控制器采用国外最先进的计算机控制技术,根据一年四季变化规律,应用经纬度算法计算日出日落时间,有开关时间微调功能,并与光控相结合,能适应不同地理环境的需要;是路灯、广告灯箱、霓虹灯等设备的最佳时间控制器;可广泛应用于街道、铁路、车站、航道、工矿、学校及供电部门等一切需要时间控制的场所。
二.功能特点1. 采用国外先进的微处理芯片,可靠性高、误差小、稳定性强。
2. 具有断电数据保存,时钟不间断工作,无需更换电池,维持时钟运行十年以上。
3.经纬度计算开关时间,随季节变化合理控制,最小步长1分钟。
4. 采用液晶显示年、月、日、时、分,并带有背光,方便夜间观察和操作。
5. 具有路数选择功能,可方便的设置为1路、2路或者3路控制。
6. 工作模式0:用户设定任意开关灯时间;7. 工作模式1:采用经纬度控制开关时间;8. 工作模式2:经纬度控制时间正负30分钟内采用光控。
9. 工作模式3:光强度控制开关灯。
10. 具有独立检修按钮便于用电设备的检修或重大庆典的需要。
11. 抗干扰能力强,能抵御从电网直接输入幅值达2000伏的干扰脉冲。
12. 大功率继电器输出,可接220伏或380伏接触器,控制稳定,使用寿命长。
三.技术参数工作电压:220V±30% 工作频率:50HZ工作温度:-45℃ - +70℃相对湿度:0 – 95%(非冷凝)输出电流:20A 整机功耗:2 W计时误差:30S/年最小步长:1Min时段数量:0组1个/月,1组每天自动调整外形尺寸:89.5mm×121mm×64.5mm四. 安装说明1.将路灯控制器固定在控制柜或控制板上,输入端火线接相线(A),零线接零线(N)。
因路灯控制器内部未含保险丝,需在输入端相线上接25A继电器线圈,电压为380v时,则需将线圈的另一端J2接到不同相线上(B相或C相);若继电器线圈电压是220V时,可直接将另一端J2接零线。
1 控制系统概述1.1 系统介绍随着社会的发展,企业们为了宣传自己的产品和形象,大部分都采用霓虹灯广告屏来实现这一目的,霓虹灯的闪烁既可以用人工控制,也可以用电气控制。
采用前一种控制方式会浪费很多的人力,财力,而电气控制中会使用很多继电器,这样就会有机械磨损,而霓虹灯的闪烁时间间隔是相当的短,这样使用电气控制是不太可能的。
可编程控制器简称(PLC )的出现就解决了这个问题,它具有它独特的优点来控制霓虹灯的闪烁。
控制好霓虹灯的亮灭非常重要,可以选择可编程序控制器(PLC )作为主控制器,并编写相应的软件程序来衔接其它外部硬件电路,最终达到自动控制霓虹灯广告屏的目的。
一个霓虹灯广告屏做好后,在不改变硬件电路的基础上,运用编程软件设计编写好各种软件程序,通过计算机传送到可编程序控制器上,通过其自动控制霓虹灯广告屏,可以自动显示出各种已设计好的显示图案,来达到广告宣传的目的。
本系统用于控制霓虹灯和边框流水灯的顺序闪烁。
它能实现在无人控制的情况下进行灯的自行闪烁,达到宣传的目的。
如图所示,八个灯管能按顺序的进行亮灭,并且边框的流水灯能间隔闪烁。
图1-1 霓虹灯闪烁装配图1234567812348765161514131012232120191817ⅡⅤⅠⅢⅥⅣ91124221.2 系统的控制要求(1)广告屏中间8根灯管亮灭的顺序为:第1根亮→2亮→3亮→……第8根亮,时间间隔为1S,全亮后显示10S,再反过来从8→7→……1按1S间隔顺序熄灭,全灭后停亮2S,再从第8根开始亮,顺序点亮7→6→……1,时间间隔1S,全亮显示5S,再从1→2→……→8按1S的间隔顺序熄灭,全灭后停亮2S,然后重复运行,周而复始。
(2)广告屏四周安装24只流水灯,4只一组,共分成6组。
系统启动后,按照Ⅰ→Ⅵ的顺序间隔1S依次点亮并循环。
18S后,按照Ⅵ→Ⅰ的顺序,依次点亮并循环。
再按照Ⅰ→Ⅵ的顺序往复,直至人为停止工作。
(3)系统要求连续控制,有启动停止按钮。
彩灯控制器的使用方法
1 彩灯控制器介绍
彩灯控制器是一种电子控制产品,它可以调节普通的灯泡来发出多种颜色、模式、亮度等效果。
这种控制器可以形成一个多彩灯光系统,为家庭带来浪漫氛围,也可以拥有幻彩般的节日灯光。
2 准备材料
要使用彩灯控制器,你需要准备好一些材料,比如:灯泡、彩灯控制器、相关的安装线等。
然后,你还需要准备一台电脑,用于安装驱动程序。
3 安装灯泡和控制器
首先,你需要将安装线连接到彩灯控制器,并将灯泡和控制器紧密地连接在一起,以便能够接通电源。
接线完毕后,你需要确认灯泡和控制器是否正常工作。
4 连接电脑
接下来,你需要使用USB线将彩灯控制器连接到电脑上,然后在电脑上下载相应的驱动程序进行安装,以便于连接彩灯控制器、调整效果,以及管理灯泡。
5 操作灯泡
经过上述步骤,你就可以开始操作灯泡了,你可以根据自己的喜好,调出不同的颜色、模式、亮度等灯光效果。
6 总结
彩灯控制器是一种非常方便的家庭灯光工具,它可以令家中灯光变得更漂亮。
只要按照以上步骤使用彩灯控制器,就能让室内空间变得足够浪漫,让家庭生活更加精彩。
1、按“取消/恢复”键四次取消键盘锁定功能,左下角显
示的字母消隐。
2、按“时钟”键一次,然后分别按“校星期”键、“校时”
键和“校分”键调整时间为当前时间,设置后再按“时
钟”键确认,液晶显示屏将显示当前时间。
3、按一下“定时”键,液晶显示屏左下方出现“1 ON”字
样(表上第一次开启时间),再按“校星期”键、“校时”
键和“校分”键,输入所需开启时间。
4、再按一下“定时”键,液晶显示屏左下方出现“1 OFF”
字样(表上第一次关闭时间),再按“校星期”键、“校
时”键和“校分”键,输入所需关闭的时间。
5、继续按动“定时”键,显示屏左下方将依次显示(2 ON、
2 OFF……8 ON、8OFF),参考以上步骤设置其余各组
的开关时间。
如果每天只开、关一次,则必须按“取消
/恢复”键,将其余各组的时间消除,使液晶显示“--:--”图样。
6、按“校星期”键,可设定工作模式,如表2所示。
7、定时设置完毕,应按“时钟”键,使液晶显示屏显示当
前时间,如果不按“时钟”键,时空开关将在30秒后自动转换到时钟模式。
8、按接线图正确接线,接通电源,面板上红灯亮;开关接
通后,绿灯亮,输出端有220V电压输出。
9、按动“自动/手动”键,可直接开、关电路。
要让开关
自动动作时,应先按动此键将显示屏下方的箭头调到“关”位置,然后再将显示屏下方的箭头调到“自动”
位置,这样时空开关才能按设定的时间工作,实现自动控制。
dmx512灯光控制器说明书摘要:I.引言A.灯光控制器简介B.DMX512灯光控制器的作用II.控制器概述A.控制器外观B.控制器按键和接口C.控制器功能III.控制器使用A.接线和安装B.编程设置1.进入编程状态2.选择程序号3.设置灯具功能4.存储场景C.运行程序1.选择要运行的程序2.调节速度和时间3.上下切换程序IV.控制器编程A.编程模式B.编程步骤1.选择程序号2.设置灯具功能3.存储场景C.编程注意事项V.控制器维护A.控制器保养B.控制器故障排除VI.结论A.总结控制器特点B.展望控制器应用前景正文:DMX512灯光控制器是一款功能强大的设备,用于控制灯光效果。
通过编程设置,可以实现各种灯光场景的变换,为舞台、娱乐场所、展览等场合带来精彩的视觉效果。
本说明书将详细介绍DMX512灯光控制器的使用方法、编程技巧和维护知识。
控制器概述DMX512灯光控制器外观简洁大方,按键和接口布局合理,方便操作。
控制器具有丰富的功能,可以满足各种灯光控制需求。
控制器使用接线和安装:首先,将控制器与电源、灯光设备连接。
然后,按照安装说明将控制器固定在合适的位置。
编程设置:进入编程状态后,选择程序号,设置灯具功能(如颜色、亮度等),并存储场景。
可以通过编程软件进行更详细的设置。
运行程序:选择要运行的程序,调节速度和时间,以及上下切换程序。
控制器编程编程模式:控制器支持多种编程模式,可以根据实际需求选择合适的模式。
编程步骤:首先,进入编程模式。
然后,按照编程说明设置程序号、灯具功能和存储场景。
编程注意事项:编程过程中,注意保持控制器与灯光设备的连接稳定,避免因断开连接导致的数据丢失。
控制器维护控制器保养:定期清洁控制器,避免灰尘和湿气影响设备性能。
控制器故障排除:若控制器出现故障,可以参考故障排除指南进行修复。
如果问题仍无法解决,请联系售后服务。
总之,DMX512灯光控制器是一款性能卓越的设备,通过本说明书,您可以轻松掌握其使用方法、编程技巧和维护知识。
课程设计题目三种图案霓虹灯控制器学院自动化专业自动化班级1104姓名傅晓通指导教师林伟杨莉2013 年7 月 5 日课程设计任务书学生姓名:傅晓通专业班级:1104指导教师:林伟杨莉工作单位:自动化1104题目: 三种图案霓虹灯控制器设计初始条件:1.运用所学的模拟电路和数字电路等知识;2.用到的元件:实验板、电源、连接导线、74系列芯片、555芯片等。
要求完成的主要任务:1.现有4只彩灯,红-绿-蓝-黄,试设计控制器,要求彩灯能实现如下追逐图案,彩灯控制器的三种图案及其状态转换如下所示:2.摇摆状态0101←→1010,重复6次。
3.暗点循环0111→1011→1101→1110→0111→这样重复循环3次。
4.逐个点亮,逐个熄灭,0000→1000→1100→1110→1111→0111→0011→0001→0000→这样重复循环2次。
5.霓虹灯控制工作状态按照上述2至4步自动重复循环。
时间间隔为1秒。
6.严格按照课程设计说明书要求撰写课程设计说明书。
时间安排:第1天下达课程设计任务书,根据任务书查找资料;第2~4天进行方案论证,软件模拟仿真并确定设计方案;第5天提交电路图,经审查后领取元器件;第6~8天组装电路并调试,检查错误并提出问题;第9~11天结果分析整理,撰写课程设计报告,验收调试结果;第12~14天补充完成课程设计报告和答辩。
指导教师签名: 2011年 6月26日系主任(或责任教师)签名: 2011年 6月26日目录引言 (1)1. 设计意义及要求 (2)1.1 设计意义 (2)1.2 设计要求 (2)2. 方案设计 (3)2.1 系统方案 (3)2.11 方案思路 (3)2.2 具体方案 (4)2.21 个人方案:单片机编码法和移位法 (4)2.22 小组方案:门电路法 (5)2.3 方案比较 (9)3. 部分电路及程序设计 (10)3.1部分电路说明 (10)3.2 部分程序设计 (11)3.2.1 摇摆图案单元 (11)3.2.2 暗点循环单元 (11)3.2.3 逐个点亮逐个熄灭单元 (12)3.2.4 时间间隔单元 (13)4 .调试与检测 (14)5. 仿真操作步骤及使用说明 (15)结束语 (16)参考文献 (17)附录 (18)本科生课程设计成绩评定表……………………………错误!未定义书签。
控制器时间设置的说明书说明书:控制器时间设置1. 介绍本说明书旨在向用户提供关于控制器时间设置的详细指导。
控制器时间设置是一项重要的功能,它能够确保设备的运作时间准确无误,提高用户的使用体验。
下文将逐步介绍控制器时间设置的步骤,以便用户能够轻松操作。
2. 步骤一:进入时间设置界面在设备启动后,按下菜单键,屏幕将显示主菜单界面。
使用方向键选择“设置”选项并按下确认键,进入设置界面。
然后,选择“时间设置”选项并按下确认键,进入时间设置界面。
3. 步骤二:选择日期和时间在时间设置界面,显示了当前日期和时间的信息。
使用方向键选择“日期”或“时间”选项,并按下确认键进入相应设置界面。
3.1 日期设置在日期设置界面,使用方向键选定年份、月份和日期,并按下确认键进行选择。
确认选择后,按下返回键退出日期设置界面。
3.2 时间设置在时间设置界面,使用方向键选定时、分和秒,并按下确认键进行选择。
确认选择后,按下返回键退出时间设置界面。
4. 步骤三:时区设置在时间设置界面,选择“时区”选项并按下确认键,进入时区设置界面。
使用方向键选定所在地区的时区,并按下确认键进行选择。
确认选择后,按下返回键退出时区设置界面。
5. 步骤四:夏令时设置对于支持夏令时的控制器,在时间设置界面,选择“夏令时”选项并按下确认键,进入夏令时设置界面。
使用方向键选择“开启”或“关闭”夏令时选项,并按下确认键进行选择。
确认选择后,按下返回键退出夏令时设置界面。
6. 步骤五:保存设置在时间设置界面,选择“保存”选项并按下确认键,系统将保存用户所做的时间设置,并返回主菜单界面。
控制器将根据用户设置的时间来执行相应的操作。
7. 注意事项- 在设置日期和时间时,请确保选择正确的年份、月份、日期、时、分和秒。
- 如果设备断电或长时间不使用,系统的时间可能会与实际时间有所偏差,需要重新进行时间设置。
- 在夏季启用夏令时时,请确保在正确的时间段内进行设置。
- 如有需要,用户可以随时根据实际需求重新进行时间设置。
霓虹灯雨控定时开关说明书
*若35秒内未按任何键,系统自动回到时钟界面;
*调校时钟:按住[时钟]键,同时按[时]、[分]键可调校时钟
定时设置步骤如下:
*检查:连续按[定时]键检查每一组所设定的时间、星期是否正确。
*修改:按[定时]键至需修改的定时组,按[取消/恢复]键消除当前设置,然后可按定时设置有关步骤重新设定该组开关时间(星期、时、分)。
*手动控制:按[手动/自动]键可直接开、关电源,在“开”状态时,一直开;在“关”状态时,一直关;在“自动”状态时,自动执行已设定的时间程序。
*在非“时钟显示”状态下,按[时钟]键或30秒未按任何键,保存当前设置可恢复到时钟显示状态。
*如需日控循环,请务必将定时时间(开和关)均设置在星期全显状态。
如图:
六、注意事项:
*若显示屏上显示变弱时,请更换电池;若设定内容消失,需重新设定。
*请勿自行修理、分解或改造本产品。
*请勿使本产品沾染油或进水。
*本产品只需一节电池供电(电池前置,另一电池空位是为方便更换电池预留的空位,这样系统不会断电,程序不会丢失)。
路灯控制器操作方法
路灯控制器的操作方法可以根据具体的型号和功能有所不同,下面是一般常见的路灯控制器的操作方法:
1. 开关控制:路灯控制器通常具有开关控制功能,可以手动控制路灯的开关。
在控制器上有一个开关按钮,按下开关按钮即可打开或关闭路灯。
2. 定时控制:路灯控制器通常具有定时控制功能,可以根据设定的时间自动控制路灯的开关。
在控制器上有一个定时设置按钮,按下后可以进入时间设置界面,可以设置每天几点开启路灯和几点关闭路灯。
3. 光敏控制:路灯控制器通常具有光敏控制功能,可以根据光线的强度自动控制路灯的开关。
在控制器上有一个光敏设置按钮,按下后可以进入光敏设置界面,根据实际需求设置光敏控制的敏感度,当环境亮度低于或高于一定阈值时,路灯会自动打开或关闭。
4. 遥控控制:部分路灯控制器具有无线遥控功能,带有遥控器可以在一定距离内控制路灯的开关、调光等功能。
5. 多段亮度调节:部分路灯控制器具有多段亮度调节功能,可以根据需要调节路灯的亮度。
在控制器上有一个亮度调节按钮,按下后可调节路灯的亮度。
需要注意的是,不同型号和品牌的路灯控制器可能操作方法有所不同,具体操作请参考产品说明书或咨询相关技术支持。
1.使用前把产品左面的电池开关置于"开"位置!显示器上显示(星期一、5点正),按住“时钟键”不放的同时再按“星期键、时键、分键”,调整北京时间。
2.设定开关时间:步骤按键设定项目1 按(手动) 使显示器的短横线在自动位置2 按(设定) 进入定时开设定(显示1ON)3 按(星期) 设定每天相同,每天不同,星期一至星期五相同,或星期六至星期日相同4 按(时)(分) 设定开的时间5 按(设定) 进入定时关设定(显示1OFF)6 按(时)(分) 设定关的时间7 重复2-6 设定第2-12次开关的时间8 按(时钟) 结束时间设定*如不需12个开关定时按(时钟)键,返回实际时间*如设定错误或取消设定请按(取消)键,再按一次恢复原来的设定*无设定时显示(--:--)3.检查:按(设定)键检查所设定的时间是否正确。
4.修改:请在该设定处按(取消)键,然后重量新设定该定时开关的时间及星期5.结束检查:按(时钟)结束检查及设定,显示时钟6.手动控制:按(手动)键,即可实现随意的开关参考使用1.例如控制器每天下午6点自动打开电源,到夜里2点关闭电源,按以下操作2.调好时间后按一下“设定键”显示器上显示如图4,按住“时键”显示器显示如图5。
再按一下“设定键”显示器显示如图6,按住“时键”显示器显示如图7。
以上调整完再按一下“时钟键”显示器恢复显示北京时间。
再按“手动键”可以直接开或关闭电路,然后每天控制器按自动运行。
1.为防强电流下融点发热,接线时务必拧紧接线柱的螺钉2.控制器进线220VAC/50-60HZ电源,切勿接到380VAC3.控制器红灯亮有电进入,红、绿灯同时亮开关有电输出4.设定的时间,不能交叉设定,应按时间的顺序设定。
时间控制器使用说明
一、时间控制器结构及用途
取消/恢复按钮:取消/恢复现有/删除数据
校时按钮:调整时间的小时数字
校分按钮:调整时间的分钟数字
校星期:按钮:调整当前星期
自动/手动:默认在自动位置,需要开启时,按此按钮即可达到开、关目的。
注意,最后要将指示三角(横杠)调整到自动位置
定时按钮:设置控制器定时动作,按压第一次为第一组开,按压第二次为第一组关,按压第三次为第二组开……以此类推
时钟,在任何设置状态下,返回时控开关的默认正常工作状态
指示灯:红色表示供电正常,绿色表示开启状态
二、时间设定
1. 设置单组动作
首先,按下定时一次,注意屏幕显示:左下角显示第1组的开(1开/ON),中间显示大数字时间,此时间为开灯时间,将其通过按压校时/校分调整到需要开灯的时间。
注意上面一排的一、二、三……,如果一周内全天都是同一时间使用,则必须显示一二三四五六七字样,代表周一至周日在此设定时间开启
然后,按下定时一次,注意屏幕显示:左下角显示第1组的关(1关/OFF),中间显示大数字时间,此时间为关灯时间,将其通过按压校时/校分调整到需要关灯的时间。
注意上面一排的一、二、三……,如果一周内全天都是同一时间使用,则必须显示一二三四五六七字样,代表周一至周日在此设定时间开启
最后,继续按定时按钮,将第二组及以后各组有数字的,一律按取消/恢复按钮将其变成--:--。
按下时钟键,使屏幕恢复到当前时间工作状态,注意,时空开关必须在此状态下才可以正常工作。
2. 设置多组动作
如非必要,不建议使用此种控制方式
设置方法,与单组设置相同,注意组号和星期即可。
控制器可根据星期的不同,设置不同的工作日,也可根据时间不同,在一天内多次动作。
需要注意的是最后要检查各组,不能有冲突时间,即所有组别中,不可以有同一时间或包含的时间。
三、更改时定时间
调整时控的当前时间和星期
按住时钟按钮不放,依次按压校时、校分、校星期调整到需要显示即可。
四、注意事项
1. 每次调整、查看时控后,必须按一次时钟键,使显示屏恢复到当前时间工作状态;
2. 每次调整后,屏幕下方的指示应放在自动位置;
3. 如当前时间为开灯时间,则将时控手动设置为开,并将指示位置调整为自动;
调整过程中,不可以改变低压线路;
KG316T,宇泰通讯。