梁板模板技术交底
- 格式:doc
- 大小:173.50 KB
- 文档页数:8
梁模板(套扣式,梁板立柱不共用)技术交底11、阴、阳角模必须严格按照模板设计图进行加固处理。
12、为防止梁模板安装出现梁身不平直、梁底不平下挠、梁侧模胀模等质量问题,支模时应将侧模包底模,梁模与柱模连接处,下料尺寸应略为缩短等。
安全保证措施1、模板安装高度在2m及以上时,应符合现行国家标准《建筑施工高处作业安全技术规范》JGJ 80的有关规定。
2、模板及其支撑系统在安装过程中必须设置防倾覆的可靠临时设施。
3、登高作业时,各种配件应放在工具箱或工具袋中严禁散放在模板或脚手板上,各种工具应系挂在操作人员身上或放在工具袋中,不得掉落。
4、安装模板时,上下应有人接应,随装随运,严禁抛掷。
且不得将模板支搭在门窗框上,也不得将脚手板支搭在模板上,并严禁将模板与上料井架及有车辆运行的脚手架或操作平台支成一体。
5、当模板安装高度超过3.0m时,必须搭设脚手架,除操作人员外,脚手架下不得站其他人。
高处作业时,操作人员应佩戴安全帽、系安全带、穿防滑鞋。
安全帽和安全带应定期检查,不合格者严禁使用。
6、作业人员严禁攀登模板、斜撑杆、拉条或绳索等,不得在高处的墙顶、独立梁或在其模板上行走。
7、吊运大块或整体模板时,当垂直吊运时,应采取不少于两个吊点,水平吊运应采取不少于四个吊点。
吊运必须使用卡环连接,并应稳起稳落,待模板就位连接牢固后,方可摘除卡环。
8、模板及其配件进场应有出厂合格证或当年的检验报告,安装前应对所有部件进行认真检查,不符合要求者不得使用。
9、在高处安装和拆除模板时,周围应设安全网或搭脚手架,并应加设防护栏杆。
在临街面及交通要道地区,尚应设警示牌,派专人看管。
10、施工现场的用电,应符合国家现行标准《施工现场临时用电安全技术规范》JGJ 46的有关规定。
11、搭设应由专业持证人员安装,安全责任人应向作业人员进行安全技术交底,并做好记录及签证。
12、模板拆除时,混凝土强度必须达到规定的要求,严禁混凝土未达到设计强度的规定要求时拆除模板。
一、工程名称:二、工程地点:三、施工单位:四、监理单位:五、交底时间:六、交底内容:一、工程概况1. 工程名称:____________________2. 工程地点:____________________3. 施工单位:____________________4. 监理单位:____________________二、梁板支模施工技术要求1. 梁板支模材料应符合国家相关标准,不得使用不合格材料。
2. 支模前,必须对施工人员进行技术交底,确保施工人员掌握支模施工工艺和安全操作规程。
3. 支模过程中,应严格按照施工图纸和设计要求进行施工。
4. 支模材料应堆放整齐,不得占用消防通道。
三、梁板支模施工安全注意事项1. 作业人员进入施工现场必须佩戴安全帽、安全带,并遵守现场安全规定。
2. 施工现场严禁吸烟、喝酒,确保施工安全。
3. 施工过程中,应保持施工现场整洁,及时清理杂物,防止滑倒、摔伤事故发生。
4. 作业人员应严格按照操作规程进行施工,不得擅自更改施工工艺。
5. 施工过程中,应确保梁板支模的稳定性,防止坍塌事故发生。
6. 施工过程中,应加强对施工设备的检查和维护,确保设备正常运行。
7. 施工现场应设置警示标志,提醒作业人员注意安全。
四、梁板支模施工操作规程1. 施工前,对施工人员进行技术交底,确保作业人员掌握施工工艺和安全操作规程。
2. 梁板支模材料应符合国家相关标准,不得使用不合格材料。
3. 支模前,对支模基础进行检查,确保基础坚实、平整。
4. 支模过程中,严格按照施工图纸和设计要求进行施工。
5. 支模材料应堆放整齐,不得占用消防通道。
6. 支模过程中,应确保梁板支模的稳定性,防止坍塌事故发生。
7. 施工完成后,对梁板支模进行检查,确保其符合设计要求。
五、应急处置预案1. 施工过程中,如发现梁板支模不稳定、有坍塌风险,应立即停止施工,采取措施加固。
2. 发生安全事故时,立即启动应急预案,迅速组织救援。
一、工程名称:[请填写工程名称]二、施工单位:[请填写施工单位名称]三、监理单位:[请填写监理单位名称]四、施工期限:[请填写施工期限]五、接受交底班组或员工签名:[请填写签名]一、安全交底目的为确保梁板安设施工过程中的安全,预防事故发生,提高施工人员的安全意识,特进行安全技术交底。
二、安全注意事项1. 人员安全:(1)所有施工人员必须佩戴安全帽,系好帽带,严禁穿硬底鞋及高跟鞋作业。
(2)高处作业人员必须系好安全带,扣好带扣,确保人身安全。
(3)严禁酒后作业,确保作业人员精神状态良好。
2. 施工现场安全:(1)施工现场应设置明显的警示标志,提醒施工人员注意安全。
(2)施工区域应设置安全通道,确保人员通行安全。
(3)施工现场应保持整洁,避免杂物堆积,防止滑倒事故发生。
3. 梁板安设安全:(1)梁板安设前,应检查施工设备、工具及材料是否完好,确保安全可靠。
(2)梁板吊装前,应对吊车、吊索具进行检查,确保其符合安全要求。
(3)梁板吊装过程中,严禁任何人员随梁板起吊,操作人员应配挂安全带。
(4)梁板安设时,应确保梁板与支架、拱架的连接牢固,防止梁板倾覆。
(5)梁板安设过程中,应严格按照施工设计要求进行,确保梁板位置准确。
4. 支架、拱架安全:(1)支架、拱架的立柱应设水平撑和双向斜撑,斜撑的水平夹角以45度为宜。
(2)立柱高度在5m以内时,水平撑不得少于两道;立柱高度超过5m时,水平撑间距不得大于2m,并在两水平撑之间加剪刀撑。
(3)支架、拱架地基处应有排水措施,严禁被水浸泡。
(4)河水中支搭支架应设防冲、撞设施,并应经常检查防冲撞设施和支架状况。
5. 临时支撑安全:(1)安设模板、支架、拱架过程中,应及时架设临时支撑,保持其稳固。
(2)下班前必须将已安装的模板、支架、拱架固定牢固。
三、应急措施1. 发现安全隐患时,应立即停止作业,并及时上报。
2. 发生事故时,应立即启动应急预案,采取有效措施进行救援。
一、工程概况1. 工程名称:[项目名称]2. 工程地点:[项目地点]3. 工程规模:[工程规模描述]4. 施工单位:[施工单位名称]二、安全交底目的为确保预制场梁板施工过程中施工人员的人身安全及工程质量和进度,特制定本安全技术交底。
三、施工安全注意事项1. 施工现场安全(1)施工现场必须设有明显的安全警示标志,并定期检查维护。
(2)施工现场应设置安全通道,保持通道畅通。
(3)施工现场严禁吸烟、使用明火,防止火灾事故发生。
(4)施工现场严禁酒后作业,确保作业人员精神饱满。
2. 机械设备安全(1)机械设备操作人员必须持证上岗,严格遵守操作规程。
(2)机械设备定期检查、保养,确保设备安全可靠。
(3)机械设备操作前应检查设备状态,确认无异常后方可启动。
3. 梁板预制安全(1)梁板预制过程中,操作人员必须佩戴安全帽、安全带等个人防护用品。
(2)操作人员不得擅自调整设备参数,严格按照工艺要求进行操作。
(3)梁板预制过程中,注意观察设备运行状态,发现异常立即停机检查。
(4)梁板运输过程中,确保运输车辆安全可靠,严禁超载、超速。
4. 人员安全(1)施工人员必须经过专业培训,具备一定的施工技能。
(2)施工人员应严格遵守劳动纪律,不得擅自离岗、脱岗。
(3)施工人员应保持施工现场卫生,防止交叉感染。
四、安全防护措施1. 设备安全防护(1)机械设备操作区域设置隔离设施,防止误操作。
(2)机械设备操作人员必须穿戴防护服、防护手套等防护用品。
2. 梁板预制安全防护(1)梁板预制过程中,操作人员应佩戴安全帽、安全带、防护眼镜等防护用品。
(2)预制场地设置防护栏,防止人员误入危险区域。
(3)预制场地设置排水沟,防止积水。
3. 人员安全防护(1)施工人员应定期进行健康检查,确保身体状况符合工作要求。
(2)施工人员应参加安全教育培训,提高安全意识。
五、应急处理措施1. 事故报告(1)发生事故后,立即停止作业,保护现场。
(2)立即向施工单位报告事故情况,并按照相关规定进行处理。
一、交底目的为确保梁板预制施工过程中的安全,降低安全事故发生的风险,提高施工人员的安全意识和操作技能,特制定本安全技术交底。
二、适用范围本交底适用于梁板预制场所有施工人员及管理人员。
三、交底内容1. 安全生产方针和法律法规(1)认真学习国家有关安全生产的法律法规,提高安全生产意识。
(2)严格执行国家和行业安全生产标准,确保梁板预制施工安全。
2. 施工现场安全措施(1)施工现场应设置明显的安全警示标志,警示施工人员注意安全。
(2)施工现场应设置安全通道,确保施工人员安全通行。
(3)施工现场应设置安全防护设施,如安全网、安全绳、安全带等。
3. 施工设备安全操作(1)严格按照设备操作规程进行操作,确保设备安全运行。
(2)定期对设备进行检查、维护,发现问题及时上报。
(3)设备操作人员应经过专业培训,取得操作资格。
4. 预制梁板施工安全要点(1)梁板预制前,应对模板、钢筋、波纹管等材料进行检查,确保质量合格。
(2)梁板浇筑过程中,应严格控制混凝土配合比,确保混凝土强度满足设计要求。
(3)浇筑过程中,应确保混凝土密实,避免出现蜂窝、麻面等缺陷。
(4)梁板预制完成后,应及时进行养护,确保混凝土强度达到设计要求。
5. 安全教育培训(1)对施工人员进行安全教育培训,提高安全意识。
(2)定期组织安全知识考试,检验培训效果。
(3)加强施工现场安全巡查,及时发现和消除安全隐患。
6. 应急预案(1)制定梁板预制施工安全事故应急预案,确保在发生事故时能够迅速应对。
(2)定期组织应急演练,提高应急处置能力。
四、交底责任1. 项目部安全负责人负责组织本交底的实施。
2. 施工单位安全管理人员负责对本单位施工人员进行安全技术交底。
3. 施工人员应认真学习本交底内容,严格遵守安全操作规程。
五、交底记录1. 本交底由项目部安全负责人组织实施。
2. 施工单位安全管理人员负责记录交底内容,并报项目部安全负责人审核。
3. 交底记录应保存至少一年,以便查阅。
一、交底对象参与本次梁板安装施工的全体人员。
二、交底时间[具体日期] [具体时间]三、交底内容1. 梁板安装工程概况(1)工程名称:[工程名称](2)工程地点:[工程地点](3)工程规模:[工程规模]2. 梁板安装技术要求(1)梁板尺寸及标高要求:[具体尺寸及标高要求](2)梁板材质要求:[具体材质要求](3)梁板安装顺序及注意事项:[具体安装顺序及注意事项]3. 安全注意事项(1)个人防护用品:施工人员必须佩戴安全帽、安全带、防尘口罩、手套等个人防护用品。
(2)安全通道:施工过程中,确保现场安全通道畅通,不得堆放杂物。
(3)高处作业:高处作业人员必须系好安全带,并配备防坠器。
施工平台、脚手架等设施必须符合安全要求。
(4)机械设备:操作机械设备前,必须检查设备状态,确保设备正常运行。
设备操作人员必须具备相应的操作资格证书。
(5)电气安全:施工现场必须严格遵守电气安全规程,禁止私拉乱接电线,禁止在潮湿环境中操作电气设备。
4. 质量控制要求(1)梁板安装前,必须检查梁板质量,确保无裂纹、变形等缺陷。
(2)梁板安装过程中,严格控制梁板间距,确保安装牢固。
(3)梁板安装后,检查梁板平整度、垂直度,确保符合设计要求。
5. 应急措施(1)施工现场发生安全事故时,立即停止施工,组织人员撤离危险区域。
(2)及时报警,拨打急救电话,并采取相应的救援措施。
(3)事故调查:事故发生后,及时进行调查,分析事故原因,制定整改措施。
四、交底要求1. 施工人员应认真听取交底内容,并做好记录。
2. 施工过程中,严格遵守安全技术交底要求,确保施工安全。
3. 施工负责人应对施工人员进行安全技术交底,确保施工人员掌握安全知识。
4. 施工单位应定期对施工人员进行安全技术培训,提高施工人员的安全意识。
五、交底负责人[交底负责人姓名][单位名称][联系电话][日期]备注:本安全技术交底内容仅供参考,具体施工过程中,应根据实际情况进行调整。
一、交底项目:梁板加工安全技术二、交底目的:确保梁板加工过程中的安全,预防安全事故的发生。
三、交底对象:所有参与梁板加工的施工人员、管理人员及监督人员。
四、交底时间:开工前、加工过程中及加工结束后。
五、交底内容:1. 施工现场安全规定(1)施工现场应设置明显的安全警示标志,确保施工区域安全。
(2)施工现场应配备必要的安全防护设施,如安全网、防护栏杆、警示灯等。
(3)施工现场应保持整洁,不得堆放杂物,确保通道畅通。
2. 梁板加工设备安全操作(1)操作人员必须经过专业培训,取得相应操作资格。
(2)操作前应检查设备是否完好,确认设备无故障后方可启动。
(3)操作过程中,严禁操作人员擅自离开工作岗位。
(4)操作人员应严格遵守操作规程,不得违规操作。
3. 梁板加工材料安全使用(1)材料堆放应整齐有序,不得堆放过高,以免发生坍塌事故。
(2)材料应分类存放,标识清楚,便于查找。
(3)材料搬运过程中,应使用合适的工具,确保安全。
4. 梁板加工现场安全防护(1)施工区域应设置安全防护设施,如安全网、防护栏杆等。
(2)施工过程中,操作人员应佩戴安全帽、安全带等个人防护用品。
(3)施工现场应配备急救箱,以便在发生意外时及时进行救治。
5. 梁板加工现场防火安全(1)施工现场应配备消防器材,如灭火器、消防栓等。
(2)施工过程中,严禁使用明火,如需使用,必须办理用火审批手续。
(3)施工现场应保持通风良好,避免火灾事故的发生。
六、交底要求:1. 施工单位应将本交底内容传达给所有参与梁板加工的施工人员。
2. 施工人员应认真学习本交底内容,确保掌握各项安全操作规程。
3. 施工现场管理人员应加强对施工人员的安全监督,确保各项安全措施得到落实。
4. 施工单位应定期对施工现场进行安全检查,发现问题及时整改。
5. 施工单位应定期对施工人员进行安全教育培训,提高安全意识。
七、交底人:XXX八、接受人:XXX九、交底日期:XXXX年XX月XX日注:本模板仅供参考,具体内容应根据实际工程情况进行调整。
一、交底目的为确保梁板起重吊装作业的安全顺利进行,避免事故发生,特对参与本次作业的所有人员进行安全技术交底。
二、交底对象参与梁板起重吊装作业的所有人员,包括操作人员、指挥人员、安全监督人员等。
三、交底内容1. 作业前的准备工作- 作业前,项目部必须对作业人员进行安全技术交底,确保所有人员了解作业内容、安全注意事项和操作规程。
- 特种作业人员必须持证上岗,非特种作业人员应经过安全培训,具备必要的安全知识和技能。
2. 作业现场安全要求- 确保作业现场环境安全,道路畅通,架空电线、建筑物等设施无安全隐患。
- 作业区域设置明显的警示标志,并采取隔离措施,防止无关人员进入作业区域。
- 提供足够的工作场地,清除或避开起重臂起落及回转半径内的障碍物。
3. 起重机械安全操作- 操作人员应严格按照起重机操作规程进行操作,不得超载、斜拉、斜吊。
- 定期对起重机进行检查、维护,确保其处于良好的工作状态。
- 吊装过程中,操作人员应密切注意起重机的稳定性,防止倾覆。
4. 吊索具及钢丝绳安全要求- 使用合格的吊索具和钢丝绳,定期进行检查,发现破损、磨损等情况应及时更换。
- 吊索的水平夹角大于45度,吊挂绳间夹角小于120度。
- 使用卡环时,严禁卡环侧向受力,起吊前必须检查封闭销是否拧紧。
5. 操作人员安全要求- 操作人员应穿戴符合安全要求的个人防护用品,如安全帽、防护手套、防护鞋等。
- 作业过程中,操作人员应集中精力,不得吸烟、吃东西、闲聊、玩笑、打闹。
- 操作人员应随时注意起重机的旋转、行走和重物状况,发现异常情况立即报告。
6. 指挥人员安全要求- 指挥人员必须持证上岗,具备丰富的起重吊装经验。
- 指挥时应站在能够照顾到全面工作的地点,所发信号应事先统一,并做到准确、宏亮和清楚。
- 指挥人员应与操作人员密切配合,执行规定的指挥信号,不得违章指挥。
7. 安全监督- 作业过程中,安全监督人员应全程监督,及时发现并纠正安全隐患。
技术交底、施工方案、作业指导、验收程序及安全文明施工一、模配配制、加工原则1、项目工程模板配置地下室、标准层全部采用散拼木模板。
2、模板作业班组依据图纸设计尺寸做出模板配置方案,项目部审核。
3、配置剪力墙柱模板,开孔必须开成450*450标准孔。
梁模配置采用梁帮包梁底。
4、框架柱模板开孔采用从边250mm开始间距450mm。
5、墙柱模板采用15mm厚多层板,梁板模板采用15mm厚双层镜面板。
墙柱、梁模板配置高度为结构板下。
6、1#、2#、3#墙柱模板配置一个单元,顶板模板配置四层模板。
写字楼墙柱模板配置一层,顶板模板配置四层模板。
车库模板满配。
中间用对拉丝杆拉通一道。
二、基础模板配置、支设交底1、外圈基础梁高1米,次龙骨采用50*70方木间距25cm、主龙骨采用48*3两根钢管间距50cm、基础梁内侧焊接30cm长穿墙螺杆加固。
2、内侧基础梁高55cm,下口加固采用通常螺杆焊接卡子定位筋水平间距800-1000mm,上口加固采用满堂钢管平架与主龙骨连接加固,水平间距1500mm.三、框柱模板支设交底1、工艺流程:制配模板一弹柱位置线一抹找平层一安装柱模板一调正模板并固定一安柱箍一安拉杆及支撑一办预检。
(1)满堂架支撑立杆间距1000mm,扫地杆距楼面300mm垮垮连通,非标准层水平杆距地面2000mm一道,4000mm—道。
柱模采用15厚多层板加工制作,每根柱子配置成四块模板(大块大于小块3cm),封口做成企口,采用50*70竖向通长方木做次龙骨间距300mm,钢管做主龙骨间距500mm,柱中采用通常螺杆间距500加固。
(2)按标高抹好水泥砂浆找平层,保证柱轴线边线与标高的准确,在柱四边离地5〜8cm处的主筋上焊接定位筋,从四面顶住模板以防止位移。
(3)安装柱模板:通排柱,先装两端柱,经校正、固定,拉通线校正中间各柱。
模板按柱子大小一面一片,企口缝。
(4)安装柱模的斜撑。
柱箍与满堂架连接上中下三道,柱顶四面搭斜撑固定,防止柱子移位。
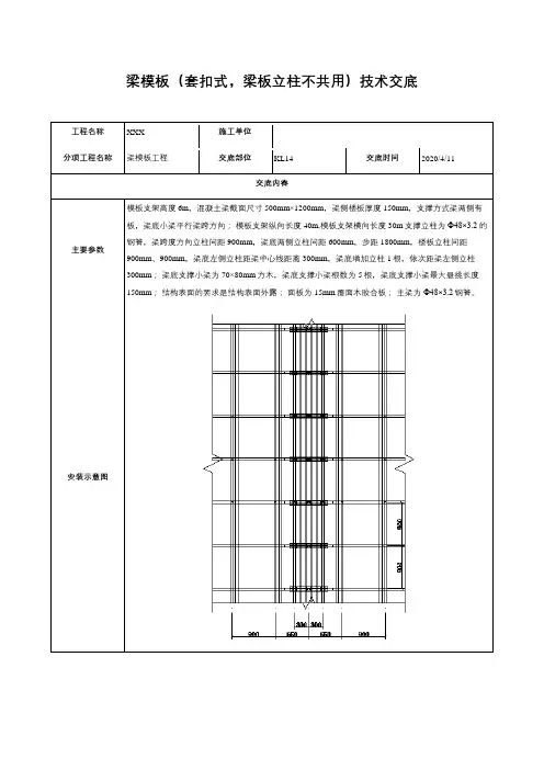
梁模板(套扣式,梁板立柱不共用)技术交底11、阴、阳角模必须严格按照模板设计图进行加固处理。
12、为防止梁模板安装出现梁身不平直、梁底不平下挠、梁侧模胀模等质量问题,支模时应将侧模包底模,梁模与柱模连接处,下料尺寸应略为缩短等。
安全保证措施1、模板安装高度在2m及以上时,应符合现行国家标准《建筑施工高处作业安全技术规范》JGJ 80的有关规定。
2、模板及其支撑系统在安装过程中必须设置防倾覆的可靠临时设施。
3、登高作业时,各种配件应放在工具箱或工具袋中严禁散放在模板或脚手板上,各种工具应系挂在操作人员身上或放在工具袋中,不得掉落。
4、安装模板时,上下应有人接应,随装随运,严禁抛掷。
且不得将模板支搭在门窗框上,也不得将脚手板支搭在模板上,并严禁将模板与上料井架及有车辆运行的脚手架或操作平台支成一体。
5、当模板安装高度超过3.0m时,必须搭设脚手架,除操作人员外,脚手架下不得站其他人。
高处作业时,操作人员应佩戴安全帽、系安全带、穿防滑鞋。
安全帽和安全带应定期检查,不合格者严禁使用。
6、作业人员严禁攀登模板、斜撑杆、拉条或绳索等,不得在高处的墙顶、独立梁或在其模板上行走。
7、吊运大块或整体模板时,当垂直吊运时,应采取不少于两个吊点,水平吊运应采取不少于四个吊点。
吊运必须使用卡环连接,并应稳起稳落,待模板就位连接牢固后,方可摘除卡环。
8、模板及其配件进场应有出厂合格证或当年的检验报告,安装前应对所有部件进行认真检查,不符合要求者不得使用。
9、在高处安装和拆除模板时,周围应设安全网或搭脚手架,并应加设防护栏杆。
在临街面及交通要道地区,尚应设警示牌,派专人看管。
10、施工现场的用电,应符合国家现行标准《施工现场临时用电安全技术规范》JGJ 46的有关规定。
11、搭设应由专业持证人员安装,安全责任人应向作业人员进行安全技术交底,并做好记录及签证。
12、模板拆除时,混凝土强度必须达到规定的要求,严禁混凝土未达到设计强度的规定要求时拆除模板。
一、工程概况1. 工程名称:[填写工程名称]2. 施工单位:[填写施工单位]3. 监理单位:[填写监理单位]4. 施工地点:[填写施工地点]5. 施工时间:[填写施工时间]二、预制梁板吊装安全技术交底内容1. 人员要求(1)参与预制梁板吊装作业的人员必须具备相应的操作技能和安全生产意识。
(2)作业前,必须进行安全技术培训,确保每位作业人员了解吊装作业的安全操作规程。
(3)作业人员应穿戴符合要求的个人防护用品,如安全帽、安全带、防滑鞋等。
2. 机械设备要求(1)吊装设备必须符合国家相关标准和规定,并由专业人员进行定期检查、维护和保养。
(2)吊装设备操作人员应持有相应的操作资格证书。
(3)吊装过程中,严禁超载、超限作业。
3. 施工现场要求(1)施工现场应设置明显的警示标志,如“危险区域”、“禁止通行”等。
(2)施工现场应保持整洁、有序,确保吊装作业安全进行。
(3)吊装作业区域应设立安全警戒线,非作业人员不得进入。
4. 吊装作业要求(1)吊装前,应详细检查预制梁板的质量,确保符合设计要求。
(2)吊装过程中,吊车应保持稳定,严禁在吊装过程中进行急转弯、急刹车等操作。
(3)吊装过程中,应保持吊装设备与预制梁板之间的安全距离,避免碰撞。
(4)吊装过程中,操作人员应密切配合,确保吊装作业安全、平稳。
(5)吊装完成后,应对预制梁板进行稳固固定,防止因振动等原因导致位移。
5. 应急预案(1)发生吊装事故时,立即停止吊装作业,启动应急预案。
(2)迅速组织救援,确保受伤人员得到及时救治。
(3)对事故原因进行调查分析,制定整改措施,防止类似事故再次发生。
三、安全注意事项1. 作业人员应严格遵守操作规程,严禁违规操作。
2. 吊装过程中,操作人员应密切关注吊装设备、预制梁板及周围环境,确保安全。
3. 遇有恶劣天气、设备故障等异常情况,应立即停止吊装作业,待问题解决后方可继续。
4. 加强现场安全管理,确保吊装作业安全、有序进行。
预制结构柱、梁、板模板安装技术交底
一、简介
本文档旨在交底预制结构柱、梁、板模板的安装技术要点和注意事项。
二、安装准备
1. 在施工前,确保模板的材料和质量符合相关标准要求。
2. 工地现场应进行平整处理,确保安装基础牢固可靠。
三、模板安装步骤
1. 根据设计图纸和标高要求,选取合适的模板进行安装。
2. 首先安装柱(或墙)板模板,在地面上进行调整和拼装。
3. 安装梁板模板时,确保与柱(或墙)板模板连接严密,防止渗漏。
4. 安装板模板时,要注意板与板之间的接缝,确保连接紧密。
5. 安装好模板后,进行适当的支撑和固定,保持稳定性。
四、质量控制
1. 在安装过程中,及时测量和调整模板的尺寸和位置,保证准确性。
2. 检查模板的固定情况,确保其稳定可靠。
3. 严禁在模板上进行冲击、堆放重物等可能损坏模板的行为。
五、安全措施
1. 在进行模板安装时,必须佩戴好安全帽和安全鞋,并遵守现场安全规定。
2. 模板的搬运和拆卸要注意操作正确,避免意外伤害。
3. 高空作业时,必须使用安全绳索和安全带,确保人员安全。
六、清理和保养
1. 完成模板安装后,及时清理施工现场,确保安全整洁。
2. 模板在使用后应妥善保管,避免损坏和丢失。
3. 定期检查模板的状态,并进行维护保养,延长使用寿命。
以上是预制结构柱、梁、板模板安装的技术交底内容。
请施工人员按照要求进行操作,确保安全和质量。
如有疑问,请随时与相关负责人联系。
一、交底目的为确保梁板堆放过程中的安全,防止意外事故发生,特制定本安全技术交底。
二、交底对象所有参与梁板堆放的工作人员。
三、交底内容1. 梁板堆放场地要求(1)场地应平整、坚实,无积水,满足梁板堆放要求。
(2)场地四周应设置安全防护设施,如护栏、警示标志等。
(3)场地内应设置排水设施,确保梁板堆放过程中排水畅通。
2. 梁板堆放方式(1)根据梁板类型、重量和受力情况,选择合适的堆放方式。
如平放、立放等。
(2)堆放时,梁板应保持平稳,避免倾斜或滑落。
(3)梁板堆放层数应根据梁板类型、强度和地面承载能力确定,一般不超过二层。
3. 梁板堆放间距(1)梁板之间应保持一定的间距,方便施工和运输。
(2)梁板与周边障碍物之间应保持安全距离,防止碰撞。
4. 梁板堆放注意事项(1)堆放前,应对梁板进行检查,确保无裂缝、变形等质量问题。
(2)堆放过程中,严禁人员在梁板上方作业,防止意外事故发生。
(3)堆放过程中,应定期检查梁板堆放情况,发现异常及时处理。
(4)梁板堆放区域应设置警示标志,提醒人员注意安全。
5. 梁板搬运安全措施(1)搬运梁板时,应使用专用工具,如手推车、吊车等。
(2)搬运过程中,应确保梁板平稳,避免倾斜或滑落。
(3)搬运人员应穿戴防护用品,如安全帽、手套等。
四、交底要求1. 所有参与梁板堆放的工作人员必须认真学习本安全技术交底,并严格遵守各项规定。
2. 施工单位应定期组织梁板堆放安全检查,发现问题及时整改。
3. 施工单位应加强对梁板堆放作业的监督管理,确保安全措施落实到位。
4. 发生梁板堆放安全事故时,应立即上报,并按照相关规定进行处理。
五、附则本安全技术交底自发布之日起实施,如遇特殊情况,可由施工单位根据实际情况进行调整。
注:本模板仅供参考,具体内容可根据实际情况进行修改。
一、交底目的为确保梁板分离搭设施工过程中的安全,防止安全事故发生,现将梁板分离搭设安全技术交底如下,请所有参与施工人员认真学习并严格执行。
二、交底内容1. 施工人员要求(1)施工人员必须经过专业培训,具备相应的操作技能和安全意识。
(2)施工人员应熟悉本工种的安全操作规程,掌握安全防护知识。
(3)施工人员必须穿戴好个人防护用品,如安全帽、工作服、安全鞋等。
2. 施工现场布置(1)施工现场应设立明显的警示标志,划分安全区域。
(2)施工材料、设备应按顺序堆放,不得随意摆放。
(3)施工现场应保持整洁,通道畅通,确保施工人员通行安全。
3. 梁板分离搭设施工安全措施(1)搭设前,对搭设区域进行清理,确保地面平整、坚实。
(2)搭设过程中,严格按照施工图纸和搭设方案进行,确保梁板分离搭设的准确性。
(3)搭设过程中,注意检查搭设材料的完好性,发现损坏应及时更换。
(4)搭设过程中,注意检查搭设结构的稳定性,发现异常及时加固。
(5)搭设过程中,施工人员应相互配合,确保施工安全。
4. 人员安全防护措施(1)高空作业人员必须佩戴安全带,并系牢。
(2)施工人员应严格遵守操作规程,不得违规操作。
(3)施工现场应配备必要的安全防护设施,如安全网、防护栏杆等。
(4)施工人员应定期进行安全教育培训,提高安全意识。
5. 应急措施(1)施工现场应配备必要的应急救援设备,如急救箱、消防器材等。
(2)施工现场应制定应急预案,明确应急处理流程。
(3)发生安全事故时,应立即启动应急预案,采取有效措施进行处置。
三、交底要求1. 施工人员应认真学习本安全技术交底内容,确保掌握各项安全操作规程。
2. 施工过程中,施工人员应严格遵守安全技术交底要求,确保施工安全。
3. 施工单位应定期对施工现场进行检查,确保各项安全措施落实到位。
4. 施工单位应加强对施工人员的培训,提高安全意识和操作技能。
四、交底时间[填写交底时间]五、交底人[填写交底人姓名及职务]六、接受人[填写接受人姓名及职务][注:本模板仅供参考,具体内容可根据实际情况进行调整。
模板工程安全技术交底一、背景介绍模板工程是建造施工过程中常用的一种暂时支撑结构,用于支撑混凝土浇筑过程中的楼板和梁板。
模板工程的施工过程中存在一定的安全风险,如模板的崩塌、坍塌、材料的滑落等。
为了保障施工人员的人身安全,提高施工效率,必须进行安全技术交底,确保施工人员了解并掌握模板工程的安全操作规范。
二、安全操作规范1. 模板搭设1.1 确保模板支撑结构坚固稳定,模板材料质量符合要求。
1.2 搭设前进行地基处理,确保地基承载力满足要求。
1.3 搭设过程中,模板支撑点要均匀分布,支撑点与地面的接触面积要大,支撑点要垂直于地面。
1.4 模板支撑点要与楼板结构连接坚固,支撑点与楼板之间的间隙要小于5mm。
1.5 模板支撑点的数量和布置要满足设计要求,不得随意增减。
2. 模板拆除2.1 拆除前需进行安全检查,确保拆除区域内无人作业。
2.2 拆除过程中,要采取逐层拆除的方式,先拆除上层模板,再拆除下层模板。
2.3 拆除过程中,要注意控制模板的下落速度,避免对下方人员造成伤害。
2.4 拆除过程中,要有足够的人员进行协助,确保拆除操作安全。
3. 模板材料管理3.1 模板材料要存放在干燥通风的仓库中,避免受潮。
3.2 模板材料要定期检查,发现有裂纹、变形等状况时要及时更换。
3.3 模板材料要分类存放,便于管理和使用。
3.4 模板材料在使用前要进行检查,确保无质量问题。
4. 安全防护措施4.1 施工人员要佩戴符合标准的安全帽、安全鞋等个人防护用品。
4.2 施工现场要设置明显的安全警示标志,提示施工区域。
4.3 施工现场要保持整洁,避免杂物堆放,防止绊倒等意外发生。
4.4 施工现场要设置暂时围挡,防止外部人员进入施工区域。
三、案例分析某工地在进行模板工程施工过程中,由于模板支撑点布置不合理,导致模板崩塌事故。
事故发生后,造成多名工人受伤,严重影响了工程进度。
经过调查分析,发现事故的原因主要是施工人员对模板工程安全操作规范不熟悉,没有进行安全技术交底。
一、工程概况1. 工程名称:[填写工程名称]2. 施工单位:[填写施工单位名称]3. 监理单位:[填写监理单位名称]4. 施工地点:[填写施工地点]二、安全交底目的为确保梁板吊装及堆放过程中的安全,防止事故发生,特进行本次安全技术交底。
三、安全交底内容1. 吊装前准备(1)检查吊装设备、吊具、索具等是否完好,符合吊装要求。
(2)对吊装人员进行安全教育培训,确保其掌握吊装操作规程。
(3)确认吊装作业区域安全通道畅通,并设置警示标志。
2. 吊装操作(1)吊装前,确保梁板表面无杂物、油污等,避免影响吊装质量。
(2)吊装过程中,严格按照吊装方案进行操作,确保吊装安全。
(3)吊装过程中,严禁人员站在吊装物下方,确保安全距离。
(4)吊装过程中,如发现异常情况,应立即停止吊装,查明原因并采取措施。
3. 堆放要求(1)梁板堆放场地应平整、坚实,不积水。
(2)梁板堆放时,应按照规格、型号、长度等进行分类堆放。
(3)梁板堆放高度应符合以下要求:- 梁板堆放高度不得超过3层;- 垫木长度不得超过梁板宽度的30cm;- 垫木间距应均匀,且与梁板底部接触紧密。
(4)梁板堆放时,应设置防护栏,夜间应加设警示灯。
(5)梁板堆放场地应设专人负责,确保堆放安全。
4. 应急措施(1)如发生吊装事故,立即停止吊装作业,迅速组织人员进行救援。
(2)根据事故情况,采取相应的应急措施,如切断电源、隔离危险区域等。
(3)及时上报事故情况,并配合相关部门进行调查处理。
四、安全注意事项1. 操作人员必须持证上岗,严格遵守操作规程。
2. 操作人员应佩戴安全帽、安全带等防护用品。
3. 严禁酒后操作、疲劳作业。
4. 严禁在吊装物下方逗留或行走。
5. 定期检查吊装设备、吊具、索具等,确保其完好。
五、安全交底记录1. 本安全交底由施工单位负责编制,监理单位审核。
2. 本安全交底经施工单位、监理单位签字确认后,由施工单位组织实施。
3. 本安全交底自实施之日起,有效期为[填写有效期]。
CHINA CONSTRUCTION EIGHTH ENGINEERING DIVISION技术交底记录工程名称:中银大厦工程分项工程名称:模板工程梁板模板工程施工技术交底中银大厦工程梁板模采用竹胶板支设,在柱角板施工中要严格按模板施工方案及本技术交底执行。
一、竹胶板模板支设1.梁板模支设前需要先按照交底加工梁底模、柱头模板;2.平台模板的支设,应先搭设脚手架,并抄平梁底钢管的标高,保证梁底的水平及标高符合施工设计要求;3.在进行梁底的安放,根据墙柱上所放的墨线拉通线,确定梁底的位置后,用扣件将梁底固定;4.梁底安放完成后,有柱的地方先安装柱头模,然后再支梁侧模;5.柱头模板安放一定要与先浇好的柱子连接紧密,防止接缝部位穿裙子、漏浆;6.梁侧模一定要根据现场的尺寸进行切割支设,在最后固定时,要与板底模相结合,以保证梁上口截面的尺寸及梁截面的方正。
竹胶板为可周转使用材料,在使用过程中应爱惜,避免浪费,在平台支设过程中还应注意以下几个问题:1.严禁用锤子、扳手等直接敲打板边;2.严禁在竹胶板边沿板方向钉钉子,这样会直接导致板的开边,大大减少板的周转次数;3.竹胶板切割要仔细,且一定要拉线,避免将板边锯斜、锯毛边,切割后的竹胶板要刷封边油漆;4.现场的木方、竹胶板严禁随意锯,需要短方时应找旧方子使用;二、关键节点的做法1.梁侧模、底模的支法如图:CHINA CONSTRUCTION EIGHTH ENGINEERING DIVISION技 术 交 底 记 录工程名称:中银大厦工程 分项工程名称: 模板工程2. 梁、板与墙相交处模板支设方法:楼板与墙体接缝处必须用木方粘海绵条,然后顶紧,避免漏浆污染墙体。
当遇到梁头竹胶板时,将木方截短后顶在墙面上,不得顶在竹胶板上,尤其是异型柱处,应仔细处理,坚决避免漏浆、涨模现象的发生。
如下图:3. 主次梁接头的拼接方法必须严格按照施工方案执行。
次梁底模的木方、侧模要比底模竹胶板短一个板厚,留出梁底堵头板位置。
如下图:10x10cm 木方5x10cm 木方侧模竹胶板底模梁侧模木方梁侧模及木方 比底模短一个板厚 梁底模CHINA CONSTRUCTION EIGHTH ENGINEERING DIVISION技 术 交 底 记 录工程名称:中银大厦工程 分项工程名称: 模板工程4. 梁侧加固一定要使用木楔子将木方与钢管间的空隙撑紧,防止梁侧涨模,梁底出现漏浆现象。
5. 柱头模板支设方法:柱头模板应分成四片加工,每片模板必须在后场加工好后现场使用,加固时柱子的每面至少加设4个可调螺丝进行加固,柱上贴好海绵拆除顺序:拆除局部支撑→拆除梁侧模→拆除板模1. 拆除模板,应搭脚手架、操作平台,操作平台的钢跳板必须要绑牢,并设防护栏杆,上、下要使用梯子。
2. 二人抬运模板时要互相配合,协同工作。
传递模板,工具应用运输工具或绳子系牢后升降,不得乱抛。
模板装拆时,上下应有人接应,严禁野蛮施工。
支模过程中,如需中途停歇,应将支撑、搭头、柱头板等钉牢。
拆模间歇时,应将CHINA CONSTRUCTION EIGHTH ENGINEERING DIVISION技术交底记录工程名称:中银大厦工程分项工程名称:模板工程已活动的模板、牵杠、支撑等运走或妥善堆放,防止因踏空、扶空而坠落。
3.拆除模板一般用长撬棒,人不许站在正在拆除的模板上,在拆除楼板模板时,要注意整块模板掉下,尤其是用定型模板做平台模板时,更要注意,拆模人员要站在门窗洞口外拉支撑,防止模板突然全部掉落伤人。
4.拆模必须一次性拆清,不得留下无撑模板,拆下的模板要及时清理。
5.拆除的模板作平台底模时,不得一次将顶撑全部拆除,应分批拆下顶撑,然后按顺序拆下搁栅、底模,以免发生模板在自重荷载下一次性大面四、梁板模支撑1.模板及其支撑系统的设计和安装应符合下列规定:1)应保证结构和构件各部位形状、尺寸的正确性,误差应在国家规定的允许范围内。
2)应具有足够的稳定性、强度和刚度,在混凝土浇灌过程中,不变形、不位移。
3)模板及其支撑系统应考虑便于装拆,损耗少,周转快。
4)模板的接缝应严密,不漏浆。
2.模板及支架的设计和配制,应根据工程结构形式、施工设备和材料供应等条件而定,以定型模板为主。
大模板施工尚应符合有关专业标准。
3.为防止模板及其支架在风荷载作用下倾倒,应从构造上采取措施。
风荷载按《工业与民用建筑结构荷载规划》(TJ9-74)的规定采用,模板及其支架的抗倾倒系数不应小于1.15.CHINA CONSTRUCTION EIGHTH ENGINEERING DIVISION技术交底记录工程名称:中银大厦工程分项工程名称:模板工程4.模板与混凝土的接触面应涂隔离剂。
有装饰工程和妨碍装饰工程施工的隔离剂不宜采用。
5.模板及支架应及时维修妥善保管,钢模板及钢支架应防止锈蚀。
6.柱模板安装应遵照以下规定:1)先弹出柱的中心线及四周边线。
2)根据测量标高抹水泥砂浆找平层调整柱底标高,并作为定位的基准,支侧模时应与其靠紧。
3)通排柱(或多根柱)模板安装时,应先将柱脚互相搭牢固定,再将两端柱模板找正吊直,固定后,拉通线校正中间各柱模板。
柱模除各柱单独固定外还应加设剪刀撑彼此拉牢,以免浇灌混凝土时偏斜移位。
4)柱脚应预留清扫口,柱子较高时应预留浇灌口,高度不得高于柱脚2m。
5)柱模应根据柱断面尺寸和混凝土的浇灌速度加设柱箍及对拉螺栓。
1.6m方柱用槽钢固定三道。
第一道离地面0.5m,第二道与第一道间距1.5m,上面一道与第二道间距2.0m。
7.梁模板采用脚手钢管和扣件组成的井架支模。
支柱在高度方向应设置纵、横水平拉杆和斜拉杆,水平拉杆一般离地面500mm处一道,以上每2m一道,由于本工程梁较高,梁底一排立杆外测距梁边10cm加一排立杆。
8.梁跨度大于4m时,模板应起拱,起拱宜为全跨的2/1000。
梁高大于700mm时,应采用对拉螺栓在梁侧中部设置通长横栏并用螺栓紧固。
9.用组合钢模板支有梁楼板的步骤应在支好梁模板的基础上,在梁侧模板上支阴CHINA CONSTRUCTION EIGHTH ENGINEERING DIVISION技术交底记录工程名称:中银大厦工程分项工程名称:模板工程角模板,然后竖立钢管支柱,在支柱上托架钢管横管,找好标高后铺楼板模板,侧模板、楼板模板均用U形卡连接成整体。
钢管支柱在高度方向应设置双向水平拉杆,并应布置对角拉杆和斜拉杆,用直角等扣件(即脚手架扣件)连接,形成整体,增加刚度和稳定性。
上下层的模板支柱宜设置在同一竖向中心线上。
10.无梁楼板的支模铺板搁栅立柱等方法均同有梁楼板。
柱模上口应与楼板镶平接牢。
11.楼梯应根据大样图找好平台标高,其施工步骤应为先安装基础梁,然后支平台板模板,再安装楼梯斜梁和底板模板。
支撑底板的搁栅间距为500mm左右,支承搁栅的横木托带间距为1.0~1.2m,托带两端用斜支撑支住,下用单楔紧,斜撑间用牵杠互相拉牢。
搁栅外面钉上外帮板,其高度与踏步口齐。
钢筋绑扎好后,吊安反扶梯基,悬吊高度等于楼梯底板混凝土厚度,然后在三角木上钉好踏步侧板。
梯步高度要均匀一致,踏步侧板下口钉一根小支撑,以保证踏步侧板的稳固。
栏杆预留孔应按设计位置正确埋好。
12.采用定型组合钢模板支墙板时,钢模板下端应垫平,并紧靠定位基准线,用钢管作立楞及背楞,用U形卡上下左右连接成整体。
内外模板用对拉螺栓及“3”型扣件紧固。
钢管均用Φ48×3.5mm规格,以便用脚手架组合扣件。
13.模板拆除应符合以下规定:1)拆除顺序一般应后支的先拆,先支的后拆。
先拆除非承重部分,后拆除承重部分。
2)承重模板及其支架拆除,如无设计要求时,应符合下表规定。
整体式结构拆模时所需混凝土强度CHINA CONSTRUCTION EIGHTH ENGINEERING DIVISION技术交底记录工程名称:中银大厦工程分项工程名称:模板工程不承重的侧模板应在保证混凝土表面及棱角不因拆模面受损时方可拆模。
14.多层楼板模板支柱的拆除,应按下列规定进行:1)当上层楼板正在浇灌混凝土时,下层楼板的模板和支柱不得拆除。
再下层楼板的模板的模板和支柱应视待浇混凝土楼层荷载和本楼层混凝土强度而定,如荷载很大,拆除应通过计算确定。
一般荷载时,混凝土达到设计强度即可拆除。
达到设计强度70%时,保留部分跨度4m以上大梁底模及支柱,其支柱间距一般不得大于3m。
2)在拆除模板过程中,如发现混凝土有影响结构、安全、质量问题时,应暂停拆除,经过处理后,方可继续拆除。
五、质量标准模板安装和预埋件、预留孔洞的允许偏差和检验方法CHINA CONSTRUCTION EIGHTH ENGINEERING DIVISION技术交底记录工程名称:中银大厦工程分项工程名称:模板工程1.模板及支承结构应具有足够的强度、刚度和稳定性。
2.模板安装、预埋件和预留孔洞的允许偏差和检验方法应符合上表规定。