鼠笼型三相异步电动机传统启动与软启动的优缺点
- 格式:docx
- 大小:40.00 KB
- 文档页数:3
鼠笼式三相异步电动机的启动方法
鼠笼式三相异步电动机是一种常见的工业电机,其启动方法有多种。
下面我将介绍两种常用的启动方法。
1. 直接启动法:这种方法是最简单也是最常见的启动方式。
在直接启动法中,将电动机的三个绕组分别与三相电源相连,当电源开启时,电动机会直接接受电源供电并开始运转。
这种方法适用于小功率电动机和负载较轻的场合。
但是,在大功率电动机启动时,由于启动电流较大,可能会对电网产生较大的影响,因此需要采取额外的措施来减少启动电流冲击。
2. 自耦变压器启动法:自耦变压器启动法是一种通过降低启动电流来实现电动机启动的方法。
在这种方法中,使用一个自耦变压器将电动机的起动电压降低,从而限制了启动时的电流。
具体实施时,先将电动机的起动电压通过自耦变压器调整到较低的值,然后再将其连接到电源上。
一般情况下,启动过程中自耦变压器会逐渐升高电压,直到达到额定电压,从而实现电动机的平稳启动。
除了上述两种常见的启动方法,还有其他一些启动方式,如星角启动法、自动转子电阻启动法等。
在选择具体的启动方法时,需要根据电动机的功率、负载情况以及对电网影响的要求进行综合考虑,并遵循相关的电气安全标准和规范。
鼠笼式三相异步电动机启动方法鼠笼式三相异步电动机是工业生产中常用的一种电动机,其结构简单、可靠性高、维护成本低等优点,使得其在各个领域得到广泛应用。
在使用鼠笼式三相异步电动机时,启动是一个非常重要的环节,因为启动的好坏直接影响到电动机的使用效果和寿命。
本文将介绍鼠笼式三相异步电动机的启动方法。
鼠笼式三相异步电动机的启动方法主要有直接启动法、星角启动法、自耦启动法和变压器启动法等。
下面将分别介绍这几种启动方法的原理和适用范围。
1. 直接启动法直接启动法是最简单、最常用的一种启动方法。
其原理是将电动机直接接入电源,通过电源的电压和电流来启动电动机。
直接启动法的优点是操作简单、成本低,适用于小功率电动机。
但是,直接启动法的缺点也很明显,启动电流大,容易造成电网电压波动,对电动机和电网都有一定的损害。
2. 星角启动法星角启动法是一种比较常用的启动方法,其原理是在电动机的三个相线上分别接三个电阻,将电动机的起动电流降低到较小的值,然后再将电阻拆除,使电动机正常运转。
星角启动法的优点是启动电流小,对电网和电动机的损害较小,适用于中小功率电动机。
但是,星角启动法的缺点是启动时间长,启动过程中电动机的转矩较小,不适用于需要快速启动的场合。
3. 自耦启动法自耦启动法是一种启动电动机的方法,其原理是在电动机的三个相线上分别接三个自耦变压器,通过自耦变压器的降压作用,将电动机的起动电流降低到较小的值,然后再将自耦变压器拆除,使电动机正常运转。
自耦启动法的优点是启动电流小,启动时间短,适用于中小功率电动机。
但是,自耦启动法的缺点是自耦变压器的成本较高,且启动过程中电动机的转矩较小。
4. 变压器启动法变压器启动法是一种启动电动机的方法,其原理是在电动机的三个相线上分别接三个变压器,通过变压器的降压作用,将电动机的起动电流降低到较小的值,然后再将变压器拆除,使电动机正常运转。
变压器启动法的优点是启动电流小,启动时间短,适用于大功率电动机。
鼠笼式电动机有哪几种启动方法?各优缺点?1、直接启动,即全压启动,启动电流较大,但是启动方法简单。
在发电厂中一般都采用该方法启动。
2、降压启动:将电源通过专用设备,使其电压降低后再加在电动机上,以减小电动机的启动电流。
当电动机达到额定转速时,将电动机换接到额定电压下运行。
由于启动力矩与电压的平方成正比,尽管该方法可以减小启动电流,但是启动转矩也会减小。
故多是空载或者轻载启动。
1)在定子绕组中串电阻或者电抗器。
2)采用星三角启动。
启动时,定子绕组采用星形接法,各相电压等于线电压的1/√3。
启动电流为I Y=U/√3Z当接成三角接法,相电压就是线电压,每相电流为U/Z,而线电流为I△=√3U/Z故I Y/ I△=1/3,即启动电流可以减到原来直接启动时的1/3。
此方法适合于小容量电动机的轻载启动。
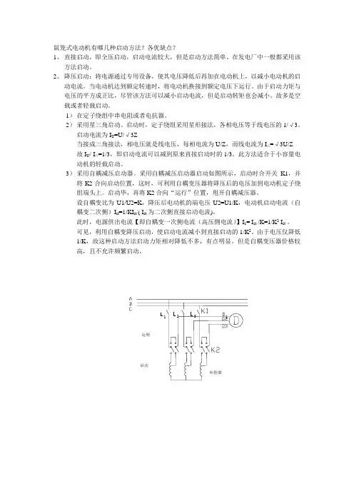
3)采用自耦减压启动器。
采用自耦减压启动器启动如图所示,启动时合开关K1,并将K2合向启动位置,这时,可利用自耦变压器将降压后的电压加到电动机定子绕组端头上。
启动毕,再将K2合向“运行”位置,甩开自耦减压器。
设自耦变比为U1/U2=K,降压后电动机的端电压U2=U1/K,电动机启动电流(自耦变二次侧)I st=1/KI st`( I st`为二次侧直接启动电流)。
此时,电源供出电流【即自耦变一次侧电流(高压侧电流)】I1= I st /K=1/K2 I st`。
可见,利用自耦变降压启动,使启动电流减小到直接启动的1/K2。
由于电压仅降低1/K,故这种启动方法启动力矩相对降低不多,有点明显。
但是自耦变压器价格较高,且不允许频繁启动,1231运转启动补偿器。
电机各种启动方式的优缺点拒绝闲聊丶维修电工讲解 2018-11-06一般电机启动的方式1. 全压直接启动在电网容量和负载两方面都允许全压直接启动的情况下,可以考虑采用全压直接启动。
优点是操纵控制方便,维护简单,而且比较经济。
主要用于小功率电机的启动,从节约电能的角度考虑,大于11kw 的电机不宜用此方法。
2. 自耦减压启动利用自耦变压器的多抽头减压,既能适应不同负载启动的需要,又能得到更大的启动启动转矩,是一种经常被用来启动较大容量电机的减压启动方式。
它的最大优点是启动转矩较大,当其绕组抽头在80%处时,启动转矩可达直接启动时的64%。
并且可以通过抽头调节启动转矩。
至今仍被广泛应用。
3. Y-Δ启动对于正常运行的定子绕组为三角形接法的鼠笼式异步电机来说,如果在启动时将定子绕组接成星形,待启动完毕后再接成三角形,就可以降低启动电流,减轻它对电网的冲击。
这样的启动方式称为星三角减压启动,或简称为星三角启动(Y-Δ启动)。
采用星三角启动时,启动电流只是原来按三角形接法直接启动时的1/3。
如果直接启动时的启动电流以6~7Ie 计,则在星三角启动时,启动电流才2~2.3 倍。
这就是说采用星三角启动时,启动转矩也降为原来按三角形接法直接启动时的1/3。
适用于无载或者轻载启动的场合。
并且同任何别的减压启动器相比较,其结构最简单,价格也最便宜。
除此之外,星三角启动方式还有一个优点,即当负载较轻时,可以让电机在星形接法下运行。
此时,额定转矩与负载可以匹配,这样能使电机的效率有所提高,并因之节约了电力消耗。
4. 软启动器这是利用了可控硅的移相调压原理来实现电机的调压启动,主要用于电机的启动控制,启动效果好但成本较高。
因使用了可控硅元件,可控硅工作时谐波干扰较大,对电网有一定的影响。
另外电网的波动也会影响可控硅元件的导通,特别是同一电网中有多台可控硅设备时。
因此可控硅元件的故障率较高,因为涉及到电力电子技术,因此对维护技术人员的要求也较高。
三相笼型异步电动机各种降压启动方法的优缺点
1、Y-△启动:Y-△启动适用与定子绕组为△连接的电动机,采用这种方式启动时,可使每相定子绕组降低到电源电压的58%,启动电流为直接启动时的33%,启动转矩为直接启动时的33%。
启动电流小,启动转矩小。
3、三相电阻降压启动:电阻减压启动一般用于轻载启动的笼型电动机,且由于其缺点明显而很少采用。
定子回路接入对称电阻,这种启动方式的启动电流较大而启动转矩较小。
如启动电压降至额定电压的65%,其启动电流为全压启动电流的65%,而启动转矩仅为全压启动转矩的42%,且启动过程中消耗的电能较大。
3、自耦变压器降压启动:这种方式通常用于要求启动转矩较大而启动电流较小的场合,采用自耦变压器降压启动,电动机的启动电流及启动转矩与其端电压的平方成比例降低,相同的启动电流的情况下能获得较大的启动转矩。
如启动电压降至额定电压的65%,其启动电流为全压启动电流的42%,而启动转矩仅为全压启动转矩的42%。
4、软启动器降压启动:其特点是启动平稳,对电网冲击少;不必考虑对被启动电动机的加强设计;启动装置功率适度,一般只为被启动电动机功率的5~25%;允许启动的次数较高;但目前设备造价昂贵;主要用于大型机组及重要场所。
三相鼠笼式异步电动机启动方式分析三相鼠笼式异步电动机,以其结构简单、运行可靠、维修方便、惯性小、价格低廉而且坚固耐用、机械特性较硬等优点,在工、农业生产中得到广泛应用,普及率是其他种类电动机无法比拟的,是现阶段机械加工的重要动力源。
但由于这类电机启动电流大,对电网的影响和生产机械的冲击力都很大,因而合理的启动方式,对三相鼠笼式异步电动机尤为重要,下面就三种启动方法逐一分析。
一、直接启动直接启动,就是将处于静止状态的电动机直接加上额定电压,使电动机在额定电压作用下直接完成启动过程。
直接启动转矩大、时间短、控制方式简单,设备投资少,因此在中小型电动机的控制上得到广泛的应用。
但直接启动方法也受到客观条件限制,主要表现在三个方面:1.启动电流大启动电流一般是额定电流的4~7倍,部分电机启动电流实测甚至高达8~12倍额定电流。
过大的启动电流将造成电网电压明显下降,影响同一电网其他电气设备的正常运行,严重时将使部分设备因电压过低而退出运行,甚至使电力线路欠压保护动作,造成设备的有害跳闸。
同时过大的启动电流会使电机绕组发热,从而加速绝缘老化,影响电机使用寿命。
2.启动转矩大过大的启动转矩往往造成电机转子笼条、端环断裂和定子端部绕组绝缘磨损,导致击穿烧机;另外启动过程中的压力突变往往造成泵系统管道、阀门的损伤,传动转轴扭曲,联轴节、传动齿轮损伤,影响传动精度,甚至影响正常工作。
3.要求供电变压器容量较大为满足电机启动要求,必须扩大输、配线路容量,增加设备投资。
因此是否能直接启动应满足以下条件:一是生产机械是否允许拖动电机直接启动,这是先决条件;二是电动机的容量应不大于供电变压器容量的10%~15%;三是启动过程中的电压降ΔU应不大于额定电压的15%。
二、降压启动降压启动就是在电动机启动时人为地降低电机端电压进行启动。
传统的方法有星形/三角形启动、定子绕组串电阻(电抗器)启动、自耦变压器降压启动及延边三角形降压启动。
三相异步电动机传统起动方式与软起动的研究摘要:软起动是降压起动方式的一种。
它通过电动机软起动器接于电源与被控电机之间,控制其内部晶闸管的导通角,使电动机输入电压从零以预设函数关系逐渐上升,直至起动结束,赋予电机全电压。
石油钻探中,软起动已经逐渐取代了传统的星形-三角形起动的方式。
关键词:软起动直接起动降压起动三相异步电动机在石油工业尤其是石油钻探中应用非常广泛,大到用于配制钻井液的混合泵电机,用于剔除有害固相的除砂泵、除泥泵电机,离心机,空气压缩机等,小至保持钻井液流动性的搅拌器电机、补充钻井液的补给泵电机等。
根据具体功能,电机功率、电网容量的不同,它们的起动方式也不尽相同,基本可分为两大类:直接起动和降压起动,而石油钻探中经常使用的降压起动方式基本分为星形-三角形(Y-△)换接起动和软起动。
1 三相异步电动机的起动方式笼型电动机的起动方法有直接起动与降压起动两种。
1.1 直接起动直接起动又称全压起动就是利用闸刀开关或接触器将电动机直接接到额定电压的电源上。
该方法设计简单,电机响应快,耗时短,容易维修。
但是由于起动电流较大,线路电压下降明显,常造成电机无法正常起动,甚至会对电网发生冲击,影响其他用电设备。
对于二三十千瓦以下的电机,通常可采用直接起动。
1.2 降压起动降压起动指在起动阶段降低电机定子绕组的外部电压,起动结束后,再将定子绕组端电压恢复正常值。
这种方法起动电流小,不过电机起动转矩也较小,在石油钻探中笼型电动机的负载端通常为液压泵,负载较轻,所以非常适宜采用降压起动。
1.2.1 星形-三角形(Y-△)换接起动在早期的钻井队中,通常使用星形-三角形降压起动电动机,这种接法,在起动时定子绕组采用星形连接,正常运转时采用三角形连接。
起动时定子绕组连接成星形,相电压为正常工作电压的,起动电流为直接起动时的。
当电动机正常运转时,绕组切换为三角形接法。
在控制方面可采用手动或者自动的方式完成电路的切换。
浅谈三相鼠笼式电动机的常用起动方式标签:鼠笼式低压电动机;起动方式;直接起动;降压起动;软起动;变频器三相鼠笼式电动机是电气工作人员最熟悉的电动设备之一,其以结构简单、运行可靠、维修方便、价格低廉且坚固耐用等优点,在生产、生活中得到广泛地应用,但由于这类电动机起动电流大,对电网的影响和生产机械的冲击力都很大,因而根据生产、生活需求正确选择电动机的起动方式,对提高效率、节约能源、延长设备使用寿命等有着重要的意义。
下面就常用的几种起动方式进行简要分析。
三相鼠笼式电动机常用的起动方式有直接起动和降压起动,其中降压起动常用的有自耦减压起动,Y-△起动,软起动器起动,变频器起动等。
一、直接起动将鼠笼式电动机的定子绕组直接接入额定电压起动,因此也叫全压起动。
电动机直接起动时起动时间段,起动电流很大,一般为额定电流的4-7倍,,起动转矩大约为额定转矩的1.4-2.2倍。
优点:它具有起动方式简单,所需设备少,成本低、易维护等优点,规范也规定优先选用此种起动方式。
只要电动机绕组及其拖动的设备能够承受全压起动的冲击力矩,起动引起的压降不超过允许值,就可选用直接起动方式,尤其是消防泵等应急设备。
但鼠笼式电动机全压起动也有很多缺点,大的起动电流和起动转矩对电动机绕组及其拖动的设备造成电气和机械冲击,影响设备寿命;过大的起动电流会引起配电系统电压下降,影响共网的其他用电设备的正常工作。
可以直接起动:容量在7.5 kW以下的鼠笼式电动机;当电机起动瞬间造成的电压降不大于正常电压的10%(不经常起动时不大于15%)时;有专用变压器供电,电动机容量小于变压器容量的20%时允许直接起动。
二、降压起动降压起动是指利用起动设备或线路,降低加在电动机定子绕组上的电压来起动电动机。
1、自耦变压器降压起动利用三相自耦变压器改变供电电压的起动方法,起动时自耦变压器原边接供电电源,降低的副边电压接电动机定子绕组,待电动机起动后,在转速基本稳定时切除自耦变压器,定子绕组加上额定电压正常运行。
鼠笼型三相异步电动机的几种传统起动方式和软启动器起动方式及其优缺点,同时介绍了软启动器在鲁布革电厂的渗漏水排水泵运用的情况。
====================================================================== 鼠笼型异步电动机是现代工农业生产中被广泛采用的一种动力机械。
作为拖动生产机械的电动机,对其起动眭能的主要要求是:①具有足够大的起动转矩;②具有较小的起动电流;③起动设备结构简单,操作方便;④起动过程中能量损耗越小越好。
1 电机起动的传统方式鼠笼型电动机直接全压起动时的大电流在电机定子线圈和转子鼠笼条上产生很大的冲击力,会破坏绕组绝缘和造成鼠笼条断裂,引起电机故障;大电流还会产生大量的热,损伤绕组绝缘,减少电机寿命。
可采用增大配电容量或限制电机起动电流的方法来解决上述问题。
如果仅仅为起动电机而增大配电容量,这样并不经济。
因此,通常配备限制电机起动电流的起动设备。
常用的方法有:1)定子串接电抗器或电阻起动。
定子串电抗器起动,降低了起动电流,但也降低了起动电压,使得起动转矩降低得更多。
因此,定子串电抗器降压起动只适用于电动机的轻载起动。
2)丫一△降压起动。
丫一△降压起动也是适用于电动机的轻载起动,而且限于正常运行为△接法的电动机。
鲁布革电厂低压空气压缩机电机就是采用此种方式。
3)自耦变压器降压起动。
采用自耦变压器降压起动时,与直接起动相比较,起动电压降低得很多(为额定电压的1/4—1/7),而起动转矩降低得更多;且自耦变压器不允许频繁起动,因而限制了它的广泛使用。
4)延边三角形降压起动。
延边三角形起动的电动机制成后,抽头不能随意变动,从而限制了延边三角形起动方法的应用。
这些起动方式都属于有级减压起动,存在明显缺点,即起动过程中出现二次冲击电流。
2 软启动器起动2.1 软启动器工作原理软起动器是一种集软起动、软停车、轻载节能和多功能保护于一体的电机控制装置。
电机各种启动方式的优缺点、性能大PK减压启动、软启动、变频启动优缺点对比减压启动,常见的是星-三角启动,缺点是启动力矩小,仅适用于无载或轻载启动。
优点是,价格便宜。
软启动,可以设置启动时间和启动初始力矩对设备实现软启动与软停止,并能限制启动电流,价格适中。
变频启动,能根据设定时间平滑启动,并让设备运行在设定频率,价格较高。
软启动、变频器、减压启动性能原理对比软启动、变频器、减压启动综合分析1. 价格问题自然是变频器最贵,Y-Δ、自耦减压启动相对便宜。
对于投入较小的项目,经济性就会成为首选;2. 可控问题Y-Δ、自耦减压启动简单,但仅仅只是启动。
但在自动化程度高的场合,估计就会使用得较少,甚至软起也少。
而通过变频器调控电机,包括转速、电压等就远不是减压启动、软启动所能比拟的。
所以变频器在大型或自动化程度高的生产线就是首选了。
3. 组网通讯变频器本身可以通过自身集成的或扩展的通讯口实现网络监控。
软起还能做一些监控,但要实现电机的实时监控,也是减压启动、软启动所不能比拟的。
4. 维护方面由于Y-Δ、自耦减压启动本身就比较简单,自然维护起来也最简单。
我其实很反对使用软起,如果不选择变频器,肯定会直接选择Y-Δ或自耦减压启动。
5. 变频器能完成实现电机的软起软停,所以在相对负载较大的场合,Y-Δ、自耦减压启动或软启动都比不上变频器。
补充知识对比1. 软启动器和变频器变频器和软启动设备都属于降压启动范畴. 变频器是通过改变频率达到降压启动的目的。
软启动是通过改变晶闸管的导通角来达到由电压0到全电压的启动过程变频器是全程控制,而且可以由仪表信号来控制任何时段的电机转速,软启动器只能在电机启动和停止是起到降压的目的。
2. 电机启动方式大类比电机启动常用方法:全压直接启动、自耦减压启动、Y-Δ启动、软启动、变频启动等。
在电网和负载两方面都允许的情况下,电机以直接启动为宜,因为操纵控制方便,而且比较经济。
自耦减压启动经常被用来启动较大容量鼠笼式异步电机,虽然自耦减压启动是一种老式的启动设备,但利用自耦变压器的多抽头减压,既能适应多种负载启动的需要,又能得到更大的启动转矩,加之还因装设有热继电器和低电压脱扣器而具有完善的过载和失压保护而被广泛应用。
三相异步电动机的优缺点以及启动
方式
优点: 1.三相异步电动机比单相电动机具有更高的效率和更大的功率,可以达到更高的功率密度。
2.三相电动机的启动转矩低,运行平稳,可以减少启动时的冲击。
3.三相异步电动机具有良好的抗磁性能,可以减少因外界磁场而引起的失速和失灵。
缺点: 1.三相异步电动机成本较高。
2.三相异步电动机效率较低,耗能较大。
启动方式: 1.直接启动:该方式将电动机的起始端与供电系统相连,直接将电流注入电动机,从而使电动机直接启动。
2.柔性启动:该方式可以使电动机缓慢启动,减少启动时的冲击,保护电动机的寿命。
3.变频启动:该方式将电动机的起始端与变频器相连,变频器可以控制起动电流的大小,从而使电动机缓慢启动。
电机的各种启动方式性能及优缺点对比电动机在启动的时候有很多种的方式,包括直接启动,自耦减压启动,Y-Δ降压启动,软启动器启动,变频器启动等等方式。
那么他们之间有什么不同呢?1一般电动机启动的方式1、全压直接启动在电网容量和负载两方面都允许全压直接启动的情况下,可以考虑采用全压直接启动。
优点是操纵控制方便,维护简单,而且比较经济。
主要用于小功率电动机的启动,从节约电能的角度考虑,大于11kw 的电动机不宜用此方法。
2、自耦减压启动利用自耦变压器的多抽头减压,既能适应不同负载启动的需要,又能得到更大的启动转矩,是一种经常被用来启动较大容量电动机的减压启动方式。
它的最大优点是启动转矩较大,当其绕组抽头在80%处时,启动转矩可达直接启动时的64%。
并且可以通过抽头调节启动转矩。
至今仍被广泛应用。
3、Y-Δ 启动对于正常运行的定子绕组为三角形接法的鼠笼式异步电动机来说,如果在启动时将定子绕组接成星形,待启动完毕后再接成三角形,就可以降低启动电流,减轻它对电网的冲击。
这样的启动方式称为星三角减压启动,或简称为星三角启动(Y-Δ 启动)。
采用星三角启动时,启动电流只是原来按三角形接法直接启动时的1/3。
如果直接启动时的启动电流以6~7Ie 计,则在星三角启动时,启动电流才2~2.3 倍。
这就是说采用星三角启动时,启动转矩也降为原来按三角形接法直接启动时的1/3。
适用于无载或者轻载启动的场合。
并且同任何别的减压启动器相比较,其结构最简单,价格也最便宜。
除此之外,星三角启动方式还有一个优点,即当负载较轻时,可以让电动机在星形接法下运行。
此时,额定转矩与负载可以匹配,这样能使电动机的效率有所提高,并因之节约了电力消耗。
4、软启动器这是利用了可控硅的移相调压原理来实现电动机的调压启动,主要用于电动机的启动控制,启动效果好但成本较高。
因使用了可控硅元件,可控硅工作时谐波干扰较大,对电网有一定的影响。
另外电网的波动也会影响可控硅元件的导通,特别是同一电网中有多台可控硅设备时。
三相鼠笼式交流异步电动机启动及保护措施三相鼠笼式交流异步电动机启动及保护措施三相鼠笼式交流异步电动机因其结构简单,性能稳定及无需维护等特点,在各个行业中得到了广泛的应用,但由于其在起动过程中会产生过大的起动电流,会对电网和其他用电设备造成冲击,受电网容量限制和保护其他用电设备正常工作的需要,要在电机起动过程中采取必要的措施。
总的来说,在不需要调速的场合,考虑经济的因素,异步电动机的起动可以有两种方法:直接起动和降压起动。
1 直接起动直接起动也就是全压起动,起动方法简单,但交流异步电动机的起动电流特别大,可达到额定电流的4~7倍,对于国产电动机的实际测量,某些笼形异步电动机甚至可达到8~12倍。
过大的起动电流会造成电动机发热,影响电动机寿命;电动机绕组(特别是端部)在电动力作用下,会发生变形造成短路而烧坏电动机;过大电流会使线路压降增大,造成电网电压下降而影响到同一电网的其他用电设备的工作。
所以,一般情况下规定,异步电动机的功率低于7.5KW时允许直接起动,如果功率大于7.5KW,在条件不允许的情况下,就需要采用其他方法进行起动。
2 降压起动(1)电阻降压起动简介:电阻降压起动就是通常所说的定子串电阻起动。
在定子电路串联电阻,起动时电流会在电阻上产生压降,降低了电动机定子绕组上的电压,起动电流也从而得到减小。
起动时,Q1闭合,Q2断开,起动完成后,闭合Q2。
优点:起动平稳,运行可靠,结构简单,如果采用电阻降压起动,在起动阶段功率因数较高。
缺点:由于起动转矩和定子电压的平方成正比,所以起动时电压降低将造成起动转矩减小,适用于轻载和不频繁起动的场合;起动时电能损耗大,起动成本高。
(2)自耦降压起动简介:自耦降压起动利用自耦变压器降低加到电动机定子绕组的电压,以减小起动电流。
自耦降压起动的起动电流参照式(1-5),起动电压参照式(1-6),起动转矩参照式(1-7)。
I1=(w2/w1)2 (1-5)Ux=(w2/w1) U1 (1-6)T=(w2/w1)2 Tst (1-7)为满足不同负载要求,自耦变压器的二次绕组一般有三个抽头分别为电源电压的40%、60%、80%(55%、64%、73%)。
电机各种启动方式的优缺点、性能大PK电气作业人员最熟悉的电动设备应该就是电机了,电机在启动的时候有很多种方式,包括直接启动、自耦减压启动、Y-Δ 降压启动、软启动器启动、变频器启动等等方式。
那么他们之间有什么不同呢?一般电机启动的方式1. 全压直接启动在电网容量和负载两方面都允许全压直接启动的情况下,可以考虑采用全压直接启动。
优点是操纵控制方便,维护简单,而且比较经济。
主要用于小功率电机的启动,从节约电能的角度考虑,大于11kw 的电机不宜用此方法。
2. 自耦减压启动利用自耦变压器的多抽头减压,既能适应不同负载启动的需要,又能得到更大的启动启动转矩,是一种经常被用来启动较大容量电机的减压启动方式。
它的最大优点是启动转矩较大,当其绕组抽头在80%处时,启动转矩可达直接启动时的64%。
并且可以通过抽头调节启动转矩。
至今仍被广泛应用。
3. Y-Δ 启动对于正常运行的定子绕组为三角形接法的鼠笼式异步电机来说,如果在启动时将定子绕组接成星形,待启动完毕后再接成三角形,就可以降低启动电流,减轻它对电网的冲击。
这样的启动方式称为星三角减压启动,或简称为星三角启动(Y-Δ 启动)。
采用星三角启动时,启动电流只是原来按三角形接法直接启动时的1/3。
如果直接启动时的启动电流以6~7Ie 计,则在星三角启动时,启动电流才2~2.3 倍。
这就是说采用星三角启动时,启动转矩也降为原来按三角形接法直接启动时的1/3。
适用于无载或者轻载启动的场合。
并且同任何别的减压启动器相比较,其结构最简单,价格也最便宜。
除此之外,星三角启动方式还有一个优点,即当负载较轻时,可以让电机在星形接法下运行。
此时,额定转矩与负载可以匹配,这样能使电机的效率有所提高,并因之节约了电力消耗。
4. 软启动器这是利用了可控硅的移相调压原理来实现电机的调压启动,主要用于电机的启动控制,启动效果好但成本较高。
因使用了可控硅元件,可控硅工作时谐波干扰较大,对电网有一定的影响。
鼠笼型三相异步电动机传统启动与软启动的优缺点
一、前言
随着国民经济的飞速发展,科学技术的日新月异,钻井设备的更新与发展,对电气配
套设备的技术要求也越来越高。
软启动控制系统得到了广泛的应用。
如:水站配电柜、高
低压移动变电站、无人值守泵站、无人值守供热站、各种遥控调度系统、生产作业自动化
等等。
这正是国家实现科学技术现代化的重要标志,也是每一个技术人员肩负的重要责任。
软启动技术的应用,给我们提出了很多要求。
如电网的波动性,执行机构的智能配套等,
都要求越来越严格。
作为重要驱动执行机构的电动机来说,它的控制方式受到广大技术人
员的高度重视。
既要为智能控制打下良好基础,又要降低电动机起动时对电网的冲击。
所以,不得不在电动机的起动设备上做工作。
鼠笼型异步电动机电子硬启动器的问世给技术人员化解了这个问题。
它既能够发生改
变电动机的再生制动特性维护拖曳系统,更能够确保电动机可信再生制动,又能够减少再
生制动冲击,而且备有计算机通讯USB同时实现智能控制。
二、电动机再生制动方式的挑
选
传统启动装置与软启动装置的优缺点:
电动机传统启动方式有自耦预热、y/△预热、延边△预热及串成电抗器预热(磁控式),其共同特点就是掌控线路直观,启动转矩不容调并存有二次冲击电流,对功率存有
冲击转矩。
例如电网电压上升可能会导致万萨县。
上述方式在停机时均为瞬间动作,例如
并无机械缓冲器装置可以对有关设备导致损毁。
硬启动装置存有下特点:
1)降低电机启动电流和配电容量,避免增容投资。
2)降低启动机械应力,延长电机及
相关设备的寿命。
3)启动参数可视负载调整,以达到最佳启动效果。
4)多种启动模式及保
护功能,易于改善工艺、保护设备。
5)备有外控端子,可方便实现异地控制或自动控制。
6)全数字开放式操作显示键盘,操作灵活简便。
7)高度集成的intel微处理器控制系统,
性能可靠。
8)小电流无触点交流控制器无级调压,调压范围阔、负载能力弱。
9)产品可以用做频
密或不频密启动。
有关研究资料报道,绝大部分故障都是在启动过程中出现的,软启动的出现,避免了
以上传统启动的缺点。
做为应用领域最广为的鼠笼型异步电动机,它使用升压再生制动的条件:一就是电动
机再生制动时,机械无法忍受全压再生制动的冲击转矩;二就是电动机再生制动时,其端
电压无法满足用户规范建议;三就是电动机再生制动时,影响其他负荷的正常运转。
对于降压起动目前有两种方式,一种是降压起动,一种是软起动。
他经过了三个发展
阶段,一是“y-δ”起动器和自藕降压起动器,二是磁控式软启动器,三是目前最先进最
流行的电子软启动器。
电子软启动器一般都是采用16位单片机进行智能化控制,他既能保证电动机在负载要求的起动特性下平滑起动,又能降低对电网的冲击,同时,还能实现直接计算机通讯控制,为自动化智能控制打下良好的基础。
它们的耗资比较就是:“y-δ”起动器须六根出线而且故障率太高,修理
费也高已不常采用,自藕方式每个千瓦80元左右,磁控的每千瓦150元左右,自藕和磁控的体积较大且故障率较高,维修费较高,电子软启动器每个千瓦在100元到200元之间,一般情况下,一台开关柜能放多台电子软启动器,节省工程造价,且故障率较低,维修费也低。
所以,电子软启动器应是我们首选的目标。
三、电子软启动器的选择
通过以上所述,毋庸置疑地在工程设计和工程改建中,必须想要提升工艺提升自动化水平,降低成本提升企业效益,对电动机的再生制动就必须首先使用一流的再生制动设备??电子硬启动器。
软启动的工作原理
在三相电源与电机间串入三相联晶闸管,利用晶闸管移相控制原理,启动时电机端电压随晶闸管的导通角从零逐渐上升,电机转速逐渐增大,直至达到满足启动转矩的要求而结束启动过程,此时旁路接触器接通(避免电机在运行中对电网形成谐波污染,延长晶闸管寿命),电机进入稳态运行状态,停车时先切断旁路接触器,然后由软启动器内晶闸管导通角由大逐渐减小,使三相供电电压逐渐减小,电机转速由大逐渐减小到零,停车过程完成。
软启动的电控方式3.1电压斜坡软启动
启动电机时,软启动器的电压快速升至u1,然后在设定时间t内逐渐上升,电机随着电压上升不断加速,达到额定电压和额定转速时,启动过程完成如图2。
3.2限流启动
启动电机时,软启动器的输出电压迅速增加,直到输出电流达到限定值,保持输出电流不大于该值,电压逐步升高,使电动机加速,当达到额定电压、额定转速时,输出电流迅速下降至额定电流,启动过程完成,如图1。
该方式用于某些需快速启动的负载电机。
3.3斜坡限流启动
启动电机时,输入电压在预设时间内稳定下降,同时输入电流以一定的速率减少,当启动电流减至限定值im时,维持电流恒定,直到启动顺利完成。
该方式适用于于泵类及风机类功率电机。
3.4硬停放
在该方式下停止电机时,电机的输出电压由额定电压在设定的软停时间内逐步降低至零,停车过程完成。
该方式常用于水泵负载,它成功地解决了传统停车过程中的“水锤”现象(即瞬间停机引起流体原来状态的剧烈变化,造成流体对管道的冲击)。
在应用领域电子硬启动器时应考量哪些问题呢?作为硬启动器首先必须看看它的再生制动性能和停放性能,目前的软启动器存有以下五种再生制动方式:限流再生制动顾名思义就是管制电动机的再生制动电流,它主要就是用在轻载再生制动的功率减少再生制动压降,在再生制动时难以晓得再生制动压降,无法充分利用压降空间,损失再生制动力矩,对电动机有利。
斜坡电压起动顾名思义是电压由小到大斜坡线性上升,它是将传统的降压起动从有级变成了无级,主要用在重载起动,它的缺点是初始转矩小,转矩特性抛物线型上升对拖动系统不利,且起动时间长有损于电机。
转矩掌控起至动用在空载再生制动,它就是将电动机的起动转矩由小到大线性下降,它的优点就是再生制动光滑,柔性不好,对拖曳系统存有更好的维护,它的目的就是维护拖曳系统,缩短拖曳系统的使用寿命。
同时减少电机再生制动时对电网的冲击,就是最优的空载再生制动方式,它的缺点就是再生制动时间较长。
转矩加突冲掌控再生制动与转矩掌控再生制动相若也就是用在空载再生制动,相同的就是在再生制动的瞬间用突跳转矩消除电机静转矩,然后转矩光滑下降,延长再生制动时间。
但是,突冲可以给电网传送细长脉冲,阻碍其它负荷,应用领域时必须特别注意。
电压掌控再生制动就是用在轻载再生制动的场合,在确保再生制动压降下充分发挥电动机的最小起动转矩,尽可能的延长了再生制动时间,就是最优的轻载软起动方式。
综上所述不难看出,最适用于最一流的再生制动方式应当就是电压掌控再生制动和转矩掌控再生制动及转矩加突冲掌控再生制动。
目前的软启动器多就是减半电流再生制动和斜波电压再生制动,它就是最完整最低级最简单的方式(例如“abb”硬起至以及国内的大多厂家),还有的是限流再生制动和转矩加突冲掌控再生制动。
唯有“雷诺尔”的软启动器同时实现了电压掌控和氢铵转矩掌控及转矩加突冲掌控再生制动。
“ab”、“施耐德”、“西门子”的就是限流再生制动和转矩加突冲掌控再生制动。
停车方式有三种:一是自由停车,二是软停车,三是制动停车。
电子软起动带来最大的停车好处就是软停车和制动停车。
软停车消除了由于自由停车带来的拖动系统反惯性冲击。
制动停车在一定的场合代替了反接制动停车。
可靠性的挑选:可靠性分后三个方面,一就是产品的短路自维护,二就是无故障停机维护,三就是产品故障率。
前两项可以通过产品说明书辨识,国内产品除“雷诺尔”的自带短路维护外其它的通常都不自带短路维护,需外大力推进。