区域地层简表
- 格式:doc
- 大小:75.50 KB
- 文档页数:1
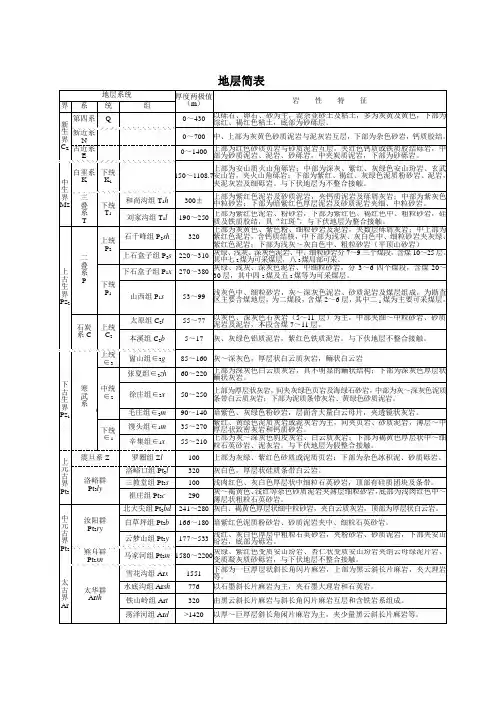
表3-1 区域地层简表各地层由新至老分述如下:1、第四系(Q)(1)全新统(Q4)全新统地层主要分布于河流两侧及山前地带,是组成河流一级阶地的主要物质。
1)冲积层(Q4al)主要分布于汾河及其支流沿岸,组成河流一级阶地和河漫滩,沉积物具明显的二元结构,上部为粉土,下部为砂、碎石类土,厚2~30m。
(2)上更新统(Q3):上更新统地层在测区内极为发育,广泛覆盖在山坡谷地,是组成黄土地形的主要物质,主要有冲积和坡洪积两种成因类型,其特征分述如下:1)坡洪积层(Q3pl)分布于汾河两岸的山前斜平原。
岩性为浅黄色黄土状粉质粘土及粉土,富含钙质,具大孔隙,垂直节理发育。
局部夹有薄层砂砾石及砾石透镜体,厚度一般为3~20m。
2)冲积层(Q3al)主要分布于汾河两岸,形成河流的二级阶地。
岩性上部为灰黄色新黄土,具大孔隙、垂直节理,含钙质结核;中部为浅棕黄色粉质黏土、粉土与粉、细砂互层,夹碎石类土透镜体;底部为砂层及卵砾石层,该层最厚达85m。
3)风积层(Q3eol)4-1主要分布于吕梁山以西地区,组成黄土塬、梁、峁的顶面,岩性为新黄土,具大孔隙,垂直节理明显,厚度一般5~20m。
pl)洪积层:7-2(3)中更新统(Q2广泛分布于吕梁山东麓、西麓海拔1500m以下的山岭之上,组成黄土塬、梁、峁。
岩性为红黄及浅红棕色黄土状粉质黏土,夹有多层古土壤层,底部有冲积相砂,砂砾石层及粉土互层,一般为40~95m。
pl)洪积层:(4)下更新统(Q1广泛分布于吕梁山东麓、西麓海拔1500m以下的山岭之上,与组成黄土塬、梁、峁的中更新统老黄土呈角度不整合接触。
岩性为一套棕黄色黄土状粉质黏土,夹明显古土壤和钙质结核层,致密、坚硬,由石质黄土之称。
具放射状孔和植物遗留根孔,无节理。
古土壤为深棕红色黏土,一般发育4~8层,往往形成两组致密的古土壤条带,每组由2~5条组成,每条厚0.2~0.5m,间距0.5~1.0m,以3~5°的角度倾向原始沟谷。
al --------------- 冲积pl --------------- 洪积dl --------------- 坡积el --------------- 残积方岩方岩组J z注:*为1:20万区调资料。
30~~~~~~~~~~~~~~~~~~~~~~~~表1—5 浙东沿海磨石山群与浙西建德群同位素年龄统计与对比表33大山火山穹隆1 2 3图2—22 浙东沿海主要火山构造类型、组合图1—镶嵌关系;2—叠置关系;3—套叠关系;4—岩相:FOF—空落相;PLF—火山碎屑流相;BLF—沸溢相;EFF—喷溢相;STF—沉积相;ESF—喷发沉积相115-2-6注:括号内为样品数。
98表2—8 石岩头破火山岩石化学含量及参数特征一览表表2—9 石岩头破火山火山岩微量元素含量一览表104表2—12 浙东沿海不同旋回火山岩主要岩类化学成分及特征参数表注:*地层厚度百分比加权平均。
118表2—13 浙东沿海火山岩微量元素(定量)含量及特征参数一览表注:*区域地质志资料。
125表3—4 侵入岩单元主要副矿物组合统计表岩枝树冷注:△少量—微量;+ 1-5粒;++ 5-10粒;+++ 20粒以上。
数值表示含量单位:g/10kg、粒/10kg(均经重量、粒数换算)。
140-6 陈树143-6陈岩三枝树148表3—11 侵入岩单元锆石综合特征表150头151152153头K Y粒洞长岗岩细晶碱花斑154表3—19 浙东沿海中生代火成岩钕同位素组成及模式年龄195。