质量管理学复习试题及答案
- 格式:doc
- 大小:150.00 KB
- 文档页数:15
质量管理学试题及答案一、单项选择题(每题1分,共10分)1. 质量管理的首要目的是:A. 提高产品质量B. 降低生产成本C. 满足客户需求D. 提升企业形象2. 以下哪项不是全面质量管理的特点?A. 全员参与B. 全过程控制C. 只关注结果D. 持续改进3. 六西格玛管理法中的“西格玛”是指:A. 过程能力B. 质量标准C. 质量成本D. 质量等级4. PDCA循环中的“P”代表:A. 计划B. 执行C. 检查D. 行动5. 质量控制图主要用于:A. 过程分析B. 过程控制C. 过程改进D. 过程设计6. 以下哪个是质量改进的常用工具?A. SWOT分析B. 5W2H分析C. 鱼骨图D. 甘特图7. 质量管理中的质量成本包括:A. 预防成本和鉴定成本B. 预防成本和内部故障成本C. 预防成本、鉴定成本和内部故障成本D. 预防成本、鉴定成本、内部故障成本和外部故障成本8. 质量管理体系ISO 9001标准的核心是:A. 过程方法B. 风险管理C. 持续改进D. 顾客满意9. 以下哪项不是质量管理的基本原则?A. 以顾客为中心B. 领导作用C. 过程方法D. 质量第一10. 质量功能展开(QFD)主要用于:A. 产品设计B. 过程控制C. 质量改进D. 质量保证答案:1-5 CADBA 6-10 CCADD二、多项选择题(每题2分,共10分)1. 以下哪些是质量管理的基本原则?A. 以顾客为中心B. 领导作用C. 员工参与D. 过程方法E. 持续改进2. 质量管理的七种基本工具包括:A. 因果图B. 流程图C. 直方图D. 散点图E. 控制图3. 以下哪些是六西格玛管理法的主要组成部分?A. DMAICB. DMADVC. DFSSD. DFSSE. PDCA4. 质量控制的三个阶段包括:A. 预防B. 鉴定C. 纠正D. 反馈E. 改进5. 以下哪些是质量改进的策略?A. 持续改进B. 突破性改进C. 根本原因分析D. 质量成本分析E. 质量功能展开答案:1. ABCDE 2. ABCE 3. ABC 4. ABE 5. ABCD三、简答题(每题5分,共20分)1. 简述质量管理的重要性。
质量管理考试题库及答案一、单项选择题1. 质量管理的核心是()。
A. 质量控制B. 质量保证C. 质量改进D. 质量策划答案:C2. 以下哪项不是质量管理体系的基本原则?()。
A. 以顾客为关注焦点B. 领导作用C. 过程方法D. 持续改进答案:D3. ISO 9001标准中,以下哪项不是质量管理体系的构成要素?()。
A. 组织环境B. 领导作用和承诺C. 顾客满意度D. 质量目标答案:C4. 以下哪项是质量管理中常用的统计工具?()。
A. 鱼骨图B. 甘特图C. 流程图D. 思维导图答案:A5. 质量管理中的“PDCA”循环指的是()。
A. 计划-执行-检查-行动B. 预测-决策-控制-调整C. 准备-部署-检查-调整D. 计划-设计-检查-评估答案:A二、多项选择题6. 以下哪些是质量管理的常用方法?()。
A. 六西格玛B. 5S管理C. 精益生产D. 质量功能展开答案:ABCD7. 质量管理体系的建立和实施需要考虑哪些因素?()。
A. 组织环境B. 相关方需求和期望C. 组织的战略方向D. 持续改进答案:ABC8. 以下哪些是质量控制的关键环节?()。
A. 质量检验B. 质量预防C. 质量改进D. 质量记录答案:ABCD9. 以下哪些是质量保证的组成部分?()。
A. 质量控制B. 质量策划C. 质量改进D. 质量审核答案:ABD10. 以下哪些是质量改进的目标?()。
A. 提高顾客满意度B. 降低成本C. 提高效率D. 减少浪费答案:ABCD三、判断题11. 质量管理只关注产品的最终质量,不涉及产品的设计和生产过程。
()答案:错误12. 质量管理体系的目的是确保组织能够持续提供符合顾客和适用法律法规要求的产品和服务。
()答案:正确13. 持续改进是质量管理的一个基本原则,它要求组织不断寻求改进机会,以提高质量管理体系的有效性和效率。
()答案:正确14. 质量管理体系的建立和实施是一个一次性的活动,一旦建立就不需要再进行维护和更新。
质量管理复习题第一篇至第三篇一、填空题1.质量是指一组固有特性__满足_要求________的程度。
2.ISO 9000标准把质晕特性定义为:___产品______、__过程______或体系与要求有关的固有特性。
3.产品质量特性包括:性能、寿命__、可靠性、___安全性______和经济性。
4. 服务质量特性一般包括:___功能性_____、时间性、__安全性______、经济性____舒适性____、和文明性等六个方面。
5. 产品的寿命是指产品在规定的使用条件下完成__规定功能______的工作__总时间______。
6.产品的可靠性是指产品在规定的_时间内_______,在规定的___条件下_____,完成规定功能的___能力_____。
7.产品的经济性是指产品从_设计_______、制造到整个产品使用寿命周期的___成本_____和费用方面的特征。
8.过程是一组将___输入_____转化为_输出_______的相互关联或相互作用的__活动______。
9.质量职能是指为了使产品具有满足_顾客______需要的质量而进行的__全部活动______的总和。
10.质量环是指对产品质量的产生________、形成和__实现______过程进行的抽象描述和理论概括。
11,魅力特性是指如果充分的话会使人产生_满足_______,但不充分也不会使人产生_不满_______的那些特性。
1.质量管理是指在质量方面_指挥和控制_______组织的协调一致的___活动_____。
2.一般可以将现代质量管理分为__质量检验______阶段、统计质量控制阶段和_全面质量管理__阶段。
3.ISO 8402:1994将全面质量管理定义为“一个组织以_质量_______为中心,以_全员参与_______为基础,目的在于通过让_顾客满意_______和本组织所有成员及社会受益而达到长期成功的管理途径”。
4. 我国企业在实践中将全面质量管理概括为“三全一多样”,即_全过程_______、__全员______和全组织的质量管理,全面质量管理所使用的方法是多种多样的。
质量管理学试题(答案)一、单项选择题(本大题共25小题,每小题1分,共25分)1 — 5 B A A A B 6 —10 C A B D C11—15 C B C D A 16—20 B A A B C21—25 C A D B A二、多项选择题(本大题共5小题,每小题2分,共10分)26.ABCDE 27. ABCE 28. ACD 29. ABCDE 30. ABDE三、名词解释题(本大题共5小题,每小题6分,共30分)31.质量管理活动要求企业全员参与,尤其是企业的各级管理人员对质量负有重大的责任。
32.(1)了解顾客对于企业在满足顾客需要方面做的如何的感知(2)比较公司相对于竞争者的绩效(3)找出在产品和服务设计和提供方面有待改进的领域(4)更具趋势以确定变革是否确实导致了改进33.(1)确定顾客的需要和期望;(2)建立组织的质量方针和目标;(3)确定过程和职责;(4)确定过程有效佳的测量方法并用来测定现行过程的有效性;(5)寻找改进机会,确定改进方向;(6)实施改进;(7)监控改进效果,评价结果;(8)评审改进措施和确定后续措施。
质量管理体系模式充分体现了系统管理的理念和思路。
根据IS09000 标准的内容,在把顾客或相关方的需要转化为产品和服务的过程中,有两个叠加在一起的过程:一个是管理职责、资源管理、产品实现、测量。
34. 供应商关系管理是指在采购活动中为实现供给方合作共赢所进行的计划、控制和改进等活动过程。
35.(1)定义顾客的效能要求。
(2)确定重要的经济因素并评估它们与可靠性要求之间的关系。
(3)定义产品使用的环境和条件。
(4)选择满足可靠性要求及成本准则的元件、设计和供应商。
(5)确定机器和设备的可靠性要求,及其在制造过程中对产品可靠性的影响,(6)分析现场可靠性数据作为一种质量改进的方法。
四、简答题(本大题共5小题,每小题5分,共25分)36. 从企业管理的角度考虑,人力资源管理所包括的主要内容可以归结为以下几个方面:(1)组织设计和职位分析(2)人力资源规划(3)员工的招聘与配置(4)员工的教育与培训(5)绩效考核与激励(6)薪酬与福利管理(7)职业管理(8)劳动关系管理37. (1)质量改进不同于质量控制(2)质量改进这是以项月的方式实施的(3)质量改进是普遍适用的(4)质量改进是永无止境的(5)质量改进是有成本的(6)质量改进的成果主要来自于关键的少数项目38.(1)提供参与的机会;(2)从小规模开始;(3)促进文化的变革;(4)获得高层管理者的支持。
学习情境一质量管理认知1・质量的含义是什么?其有什么特征?答:人们通常所说的质量,往往是指物品的好坏,即产品质量。
产品质量也就是指产品本身的使用价值,即产品适合一定用途,满足人们的一定需要所具备的自然属性或特性。
广义的质量概念是指产品质量、工程(工序)质量和工作质量的总和,又称全面质量。
它是比产品质量更深刻、更全面的含义。
2.质量管理体系的要求和原则是什么?答:(一)质量管理体系的要求质量管理体系是企业为实施质量管理所需的组织结构、程序、过程和资源。
企业质量管理体系的建立必须与企业的具体目标、产品、过程及生产实践相结合,因而各企业的质量管理体系不会完全一致。
但在建立质量管理体系方面,不同企业都会满足建立企业质量管理体系的基本要求。
(1)质量管理体系是企业成功发展的保证。
(2)质量管理体系要满足顾客和企业双方的需要与期望。
(3)质量管理体系应在考虑顾客和企业双方利益、成本和风险的基础上实现质量最优化。
(二)质量管理体系的原则质量管理体系建立的成功与否会直接地影响企业产品质量的好坏,也会关系企业的各项目标能否实现。
虽然不同企业的质量管理体系各不相同,但是不同的质量管理体系之间存在着共同的原则,具体表现在以下几个方面。
1)领导作用2)以顾客为关注焦点3)过程方法4)全员参与5)管理的系统方法6.基于事实的决策方法7)持续改进8)与供方互利的关系3.IS09000族系列标准的结构是怎样的?答:ISO 9000族标准的结构类别内容核心标准ISO 9000: 2005质量管理体系基础和术语ISO 9001: 2008质量管理体系——要求ISO 9004: 2009质量管理体系业绩改进指南ISO 19011: 2002质量和(或)环境管理体系审核指南其他标准ISO 10012: 2003测量管理体系ISO 10019:2005质量管理体系咨询师选择和使用指南技术报告或技术规范或技术协议ISO/TS 10005质量计划指南ISO/TS 10006项目质量管理指南ISO/TS 10007技术状态管理指南ISO/TR 10014质量经济性管理指南ISO/TR 10013质量管理体系文件ISO/TR 10017ISO 9001: 2000 中统计技术指南ISO/TR 10018顾客投诉技术协议(1) 2002医疗机构应用ISO 9000指南技术协议(2)教育机构应用ISO 9000指南小册子ISO/TC176根据实施ISO 9000族标准的实际需要,将陆续编写一此盲传小册子形式的出版物作为指导性文件,包括《质量管理原则》《选择和使用指南》《小型组织实施指南》等,《小型组织实施指南》已于2002年正式发布4.什么是全面质量管理?答:全面质量管理是以质量为中心,以全员参与为基础,旨在通过使顾客和所有相关方受益而达到长期成功的一种管理途径。
2023最新全面质量管理知识考试试题及参考答案—、单选题1.在质量管理中,致力于制定质量目标并规定必要的运行过程和相关资源以实现质量目标的活动是(A)。
A 质量策划B 质量控制C 质量保证D 质量改进2. 企业设立质量检验部门以履行专职检验职责,但这种做法实质上是一种(B),因此企业应该加强全面质量管理。
A 事前预防B 事后把关C 全面控制D 统计控制3. 企业应该对上至高层领导下至普通员工的所有人员开展质量教育培训,质量教育培训的首要内容是(C)。
A 质量知识培训B 专业技能培训C 质量意识教育D 统计技术培训4. 以下正确表达准时化(JIT)含义的是(A)。
A 只在必要的时间生产必要数量的必要产品B 按照客户需求的时间准时供货C 按照下达的生产计划准时安排生产D 上下工序必须准时开工,不能断流5. 质量管理体系文件的多少、详略程度可以由组织结合自身的特点决定,以(A)为标准。
A 过程受控和满足需求B 检验合格C 顾客需求和期望D 认证机构的的要求6. 开展质量管理活动必须遵循PDCA 循环,我们称之为戴明环,请问PDCA 是指(A)。
A 计划-实施-检查-处置B 组织-实施-检查-处置C 计划-实施-控制-协调D 计划-组织-指挥-协调7. 若把质量管理看作一个连续的过程,那么质量策划、质量控制和质量改进就构成了这一过程最主要的三个阶段,国际知名质量专家(A)将其称为质量管理三部曲。
A 朱兰B 戴明C 石川馨D 休哈特8. 张瑞敏在海尔创业初期就提出了“日事日毕、日清日高”,这成为海尔未来成功的基石。
上述两句话体现了质量管理的(B)思想。
A 预防为主B PDCAC 全员参与D 过程方法9. 企业开展质量培训工作,一般包括四个阶段的活动,以下对四个阶段活动的描述,其正确的开展顺序是(D)。
○1设计和策划培训○2评价培训效果○3提供培训○4确定培训需求A ○1—○2—○3—○4B ○1—○4—○3—○2C ○4—○1—○2—○3D ○4—○1—○3—○210. 根据我国的标准化法,国家标准、行业标准分为强制性标准和推荐性标准。
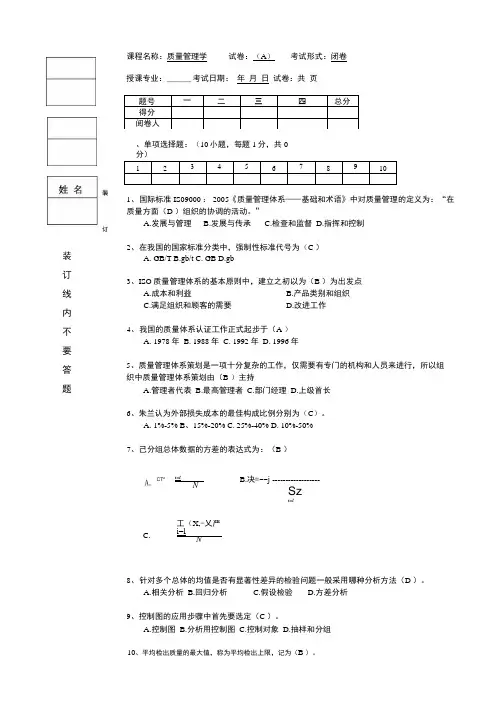
课程名称:质量管理学 试卷:(A ) 考试形式:闭卷 题号 一 二 三 四 总分 得分 阅卷人 授课专业:______ 考试日期: 年 月 日 试卷:共 页 1 2 3 4 5 6 7 8 9 10 、单项选择题:(10小题,每题1分,共0分) 装订线内不要答题1、 国际标准IS09000 : 2005《质量管理体系——基础和术语》中对质量管理的定义为:“在质量方面(D )组织的协调的活动。
” A.发展与管理 B.发展与传承 C.检查和监督 D.指挥和控制 2、 在我国的国家标准分类中,强制性标准代号为(C ) A. GB/T B.gb/t C. GB D.gb 3、 I SO 质量管理体系的基本原则中,建立之初以为(B )为出发点 A.成本和利益 B.产品类别和组织 C.满足组织和顾客的需要 D.改进工作 4、 我国的质量体系认证工作正式起步于(A ) A. 1978 年 B. 1988 年 C. 1992 年 D. 1996 年 5、质量管理体系策划是一项十分复杂的工作,仅需要有专门的机构和人员来进行,所以组 织中质量管理体系策划由(B )主持 A.管理者代表 B.最高管理者 C.部门经理 D.上级首长 6、朱兰认为外部损失成本的最佳构成比例分别为(C )。
A. 1%-5% B 、15%-20% C. 25%-40% D. 10%-50% 7、己分组总体数据的方差的表达式为:(B ) CT 2 i=l N B.决=~~j ------------------ Sz i=l C. 工(X,-乂严 i=l N 8、 针对多个总体的均值是否有显著性差异的检验问题一般采用哪种分析方法(D )。
A.相关分析 B.回归分析 C.假设检验 D.方差分析 9、 控制图的应用步骤中首先要选定(C )。
A.控制图B.分析用控制图C.控制对象D.抽样和分组10、平均检出质量的最大值,称为平均检出上限,记为(B )。
质量管理学复习题及答案1、反映实体满足明确或隐含需要的能力的特性总和称为(质量)2、产品质量特性分为(真正)质量特性和(代用)质量特性。
3、真正质量特性是(顾客)的期望和要求,而代用质量特性是(企业)为实现真正质量特性所作出的规定。
4、产企业的硬件质量环一般包括市场调研、设计、规范的编制和产品研制、采购、工艺策划和开发、生产制造、(检验试验和检查)、包装和贮存、销售和分发、安装和运行、(技术服务与维护)、用户处置11个环节。
5、美国政府在第二次大战后制定的战时国防标准,是以(休哈特)的质量控制图为基础,运用数理统计中的(正态分布)“6σ”的方法预防废品。
6、质量管理学既涉及(经济学)、(管理学)等社会科学,又涉及(数学)、(数理统计学)等自然科学,并且与社会发展密切相关,因此属于“边缘科学”。
7、“在质量大堤的保护下生活”,是美国著名质量管理学家(朱兰)博士用来比喻提高产品质量的意义而提出来的。
8、当前世界经济的发展正经历着由(数量)型增长向(质量)型增长的转变,市场竞争已由(价格)竞争为主转向(质量)竞争为主,质量代表了一个国家的科学技术水平、管理水平和文化水平。
9、(产品质量)是企业在市场竞争中获取胜利的关键因素。
10、质量管理的发展大致经过了三个阶段:(质量检验阶段、统计质量控制阶段、全面质量管理阶段)11、全面质量管理就是以(质量)为中心,全体职工以及有关部门积极参与,把(专业技术)、(经营管理)、(数理统计)和(思想教育)结合起来,建立起产品的研究、设计、生产、服务等全过程的质量体系,从而有效地利用(人力)、(物力)、(财力)、(信息)等资源,以最经济的手段生产出顾客满意的产品,使组织、全体成员及社会均能受益,从而使组织获得长期成功和发展。
12、全面质量管理的基本要求可以概括为“三全一多样”。
即(全员)的质量管理;(全过程)的质量管理、(全企业)的质量管理、(多方法)的质量管理。
13、全员的质量管理就意味着全面质量管理要“〔始于教育〕、〔终于教育〕”14、全过程的质量管理就意味着全面质量管理要“始于识别(顾客的需要),终于满足(顾客的需要)”。
(完整)全面质量管理知识考试题库及答案-、单项选择题1.在质量管理中,致力于制定质量目标并规定必要的运行过程和相关资源以实现质量目标的活动是(A)。
A质量筹划B质量控制C质量保证D质量改进2.企业设立质量检验部门以履行专职检验职责,但这种做法实质上是一种(B),因此企业应该加强全面质量管理。
A事前预防B事后把关C全面控制D统计控制3.企业应该对上至高层领导下至普通员工的所有人员开展质量教育培训,质量教育培训的首要内容是(C)。
A质量知识培训B专业技能培训C质量意识教育D统计技术培训4.以下正确表达准时化(JIT)含义的是(A)。
A只在必要的时间生产必要数量的必要产品B按照客户需求的时间准时供货C按照下达的生产计划准时安排生产D上下工序必须准时开工,不能断流.质量管理体系文件的多少、详略程度可以由组织结合自身的特点决定,以(A)为标准。
A过程受控和满足需求B检验合格C顾客需求和期望D认证机构的的要求B散布图C正态分布图D排列51.散布图是整理和观察收集到的数据的常用图形工具。
以下可应用散布图的是(A)。
观察两个变量之间是否存在相关关系B观察数据是否随时间变化C观察数据的分散程度D观数据的集中趋势52.在选择质量改进项时,需要综合考虑质量业绩水平和重要度两方面因素,以确定改进的优先顺序,以下(C)工具可帮助我们解决此问题。
绩效指数绩效矩阵重要度-绩效分析矩阵数据分析法53.以下(D)不属于头脑风暴时所遵循的原那么。
自由畅想防止批评多多益善限时完成54.头脑风暴法又名畅谈法、集思法等,它由(B )首先提出。
休哈特A. F.奥斯本大野耐一盛田昭夫55.当某个过程的输出有多种缺陷形式,且影响它们的因素很难分开来单独考察,那么以(B)工具可以帮助识别需重点关注的原因。
散布因果矩阵绩效矩阵鱼刺56.下述关于控制图原理的陈述,不正确的选项是(B)。
A.控制图是用来区分正常波动和异常波动的一种工具B.正常波动是指质量特性在顾客允许范围内的波动C.异常波动是指由过程非固有的影响因素引起的波动D. “偶然原因”引起的波动是不可防止的57.关于过程能力指数Cp,以下陈述不正确的选项是(B) oCp与过程波动成反比,波动越大Cp越小A.Cp由过程的5M1E决定,与容差无关c. Cp与过程输出的平均值无关D. Cp是指过程呈稳定状态时的质量水平58.均值-标准差控制图由均值控制图和极差控制图组成。
质量管理学试题及答案一、单项选择题(每题2分,共20分)1. 质量管理的核心是什么?A. 质量控制B. 质量保证C. 质量改进D. 质量成本答案:B2. ISO 9000系列标准中,ISO 9001标准主要关注的是什么?A. 质量管理体系要求B. 质量管理体系指南C. 质量管理体系术语D. 质量管理体系审核答案:A3. 以下哪个不是质量管理的基本原则?A. 以顾客为中心B. 领导作用C. 过程方法D. 风险管理答案:D4. PDCA循环中,P代表什么?A. 计划C. 检查D. 行动答案:A5. 六西格玛管理中,西格玛水平是指什么?A. 缺陷率B. 变异系数C. 标准差D. 过程能力答案:D6. 以下哪个工具不是用于质量控制的?A. 控制图B. 因果图C. 帕累托图D. 甘特图答案:D7. FMEA(失效模式与影响分析)的主要目的是什么?A. 识别潜在的失效模式B. 计算产品的成本C. 预测产品的寿命D. 设计产品的外形答案:A8. 以下哪个不是质量改进的方法?B. 5W2HC. 8DD. SWOT分析答案:D9. 质量成本中,预防成本和鉴定成本属于以下哪个类别?A. 内部失败成本B. 外部失败成本C. 非符合性成本D. 符合性成本答案:D10. 以下哪个不是质量管理的发展历程?A. 质量检验阶段B. 统计质量控制阶段C. 全面质量管理阶段D. 质量保证阶段答案:D二、多项选择题(每题3分,共15分)11. 以下哪些是全面质量管理的特点?A. 以顾客为中心B. 强调预防C. 持续改进D. 只关注生产过程答案:A、B、C12. 以下哪些是质量管理体系的基本原则?A. 以顾客为中心B. 领导作用C. 过程方法D. 持续改进答案:A、B、C、D13. 以下哪些是质量控制的工具?A. 控制图B. 因果图C. 帕累托图D. 甘特图答案:A、B、C14. 以下哪些是质量改进的方法?A. 5SB. 5W2HC. 8DD. SWOT分析答案:A、B、C15. 以下哪些属于质量成本?A. 预防成本B. 鉴定成本C. 内部失败成本D. 外部失败成本答案:A、B、C、D三、判断题(每题1分,共10分)16. 质量管理只关注产品的最终质量。
质量管理学考试题及答案三套篇一、质量管理学期末小测(一)一、单项选择题(每小题2分,共20分)1.销售后的质量管理主要指的是_____。
A.售后的附加利益B.售后信息反馈C.售后服务D.售后消费引导2.在PDCA管理工作方法中,关键是_____。
A.P阶段B.D阶段C.C阶段D.A阶段3.把收集到的大量有关某一特定主题的意见、观点、想法和问题,按它们之间的相互接近关系加以归类,汇总的一种图示技术是_____。
A.树图B.因果图C.亲和图D.矩阵图4.企业赢得“货币选票”的最基本条件就是______。
A.赢利B.品牌C.特色D.质量5.1903年,英国制定了世界上第一个认证标志,即用BS字母组成的_____。
6.质量管理学的研究对象是_____。
A.管理 B.控制 C.质量 D.评审7. 在质量大提的保护下生活”是著名质量管理学家朱兰博士提出的。
朱兰是___。
A.英国人B.美国人C.日本人D.中国人8.我国第一个与国际惯例接轨的系列标准是_____。
A.GB/T 19000—ISO9000B.ISO9000C.GB/T—19000.1—ISO9000-1D.GB/T19002—ISO90029.质量责任制是企业建立经济责任制的____。
A.根本环节B.关键环节C.首要环节D.最终环节1O.产品质量产生、形成和实现过程中全部活动的总和,其含义为_____。
A.质量体系B.质量职能C.质量控制D.质量保证A.风筝标志B.蝴蝶标志C.小鸟标志D.钻石标志二.名词解释题(每小题5分,共20分)。
1.标准化2.质量体系3.质量控制点4.因果图三.简答题(每题10分,共30分)。
1.简述成本质量的构成。
2.简述成本全面质量管理的基本要求。
3.简述质量监督的重要意义。
四.论述题(每题15分,共30分)。
1.如何在企业中开展全面质量管理和实施系列标准。
参考答案(一)一.单项选择题。
1.在经济、技术、科学及管理等社会实践中,对重复性事物和概念,通过制定、发布和实施标准,达到统一,以获得最佳秩序和社会效益。
质量管理学试题及答案一、选择题1. 质量管理的基本原则不包括以下哪一项?A. 客户满意度B. 持续改进C. 过程控制D. 利润最大化答案:D2. ISO 9001标准是关于什么方面的?A. 环境管理B. 质量管理C. 职业健康安全D. 信息技术答案:B3. PDCA循环是由哪位管理学家提出的?A. W. Edwards DemingB. Joseph M. JuranC. Walter A. ShewhartD. Philip B. Crosby答案:C4. 以下哪个不是六西格玛的主要工具之一?A. 控制图B. 因果图C. 散点图D. SWOT分析答案:D5. 质量成本中,预防成本和评估成本属于以下哪个类别?A. 内部失败成本B. 外部失败成本C. 鉴定成本D. 内部和外部失败成本之和答案:C二、填空题1. ________ 是指在产品或服务设计和开发过程中,通过采用各种方法和措施,消除或减少不良质量的产生。
答案:质量设计2. ________ 是一种用于持续改进过程的方法,它强调问题的早期发现和解决。
答案:全面质量管理(TQM)3. 统计过程控制的英文缩写是 ________。
答案:SPC4. ________ 是一种通过识别和消除生产过程中的浪费来提高效率和质量的方法。
答案:精益生产5. ________ 是指在产品或服务的整个生命周期中,从最初的设计阶段到最终的废弃处理,始终保持对质量的管理和控制。
答案:全面质量控制三、简答题1. 请简述质量管理体系的基本要求。
答:质量管理体系的基本要求包括对组织结构和职责的明确界定,过程的持续改进,资源的合理配置,以及对顾客需求的充分理解和满足。
此外,还需要建立有效的沟通机制,确保信息的准确传递,并对质量记录进行适当的管理和分析,以便持续监控和改进质量。
2. 描述五步改进法的主要内容。
答:五步改进法是一种系统性的质量管理工具,主要包括以下五个步骤:(1) 定义问题和目标;(2) 识别可能的解决方案;(3) 选择最佳解决方案并制定实施计划;(4) 实施解决方案并对结果进行监控;(5) 标准化成功的做法并进行持续改进。
质量管理学参考复习题及答案第一篇:质量管理学参考复习题及答案1、质量管理学:关于质量的一般规律、理论和方法的知识体系。
通俗地说,就是研究产品质量产生、形成、实现过程客观规律的学科,既涉及经济学、管理学等社会科学,又涉及数学、数理统计等自然科学,并且与社会发展密切相关,因此属于“边缘学科”。
质量管理:是企业经营发展战略的一部分.最高管理者根据企业经营发展战略目标领导制定企业的质量方针.质量管理是指在质量方面指挥和控制组织的协调的活动2、真正质量特性:直接反映顾客对产品期望和要求的质量3、代用质量特性:企业为了满足顾客的期望和要求,相应的制定产品标准、确定产品参数来间接地反映真正质量特性4、全面质量管理: 全面质量管理:一个组织以质量为中心,以全员参与为基础,目的在于通过让顾客满意和本组织所有成员及社会受益而达到长期成功的管理途径.1、过程:一组将输入转化为输出的相互关联或相互作用的活动3、质量:一组固有特性满足要求的程度4、质量环:从识别需要到评价这些需要是否得到满足的各个阶段中,影响实体质量的互相作用活动的概念模式5、质量信息:反映企业产品质量和产供销各个环节的基本数据、原始记录以及产品使用过程中反映处理的各种情报资料1、面向质量的设计(design for quality,DFQ)是一种强调以满足顾客需求,保证产品质量为核心的先进产品设计概念,其基本思想是以顾客为关注焦点,在产品设计过程中准确把握顾客及市场需求,将满足顾客需求,保证产品质量这一目标融入产品设计全过程,全面考虑产品生产周期各个阶段影响质量的因素及控制问题,确保所设计出的产品质量通过后续制造能予以保证或实现。
2、◎并行工程是集成、并行设计产品及相关过程(包括制造和支持)的系统方法,这种方法可以使产品开发人员从一开始就能考虑到产品从概念设计到消亡的整个生命周期里的所有因素,包括质量、成本、作业调度以及客户需求。
1、受控状态:μ和σ符合质量标准要求且随着时间的推移,制造过程的质量特征值或其统计量均在上下控制界限之内,且分布符合正态分布2、失控状态:μ和σ其中之一或者两者不符合质量规格要求,或者随时间变化3、◎工序能力:指工序出狱受控状态下的实际加工能力,亦即人员,设备,原材料,加工方法,检测手段,环境等质量因素出狱稳定状态下所表现出来的保证工序质量的能力4、工序能力指数:就是表示工序能力对产品设计质量要求的保证程度5、工序质量控制:是定期而连续地从零件中抽取一定量的样本进行检验,把样本作为工序加工状态的反馈信息,以便分析和控制制造过程,从而达到保证加工质量的目的。
一、填空1. 所有取值能一一列出的随机变量称为( 离散型随机变量 )。
2. 在质量管理中, 正态分布确定的参数σ越小,表明质量的( 一致性 ) 越好。
3. 已知总体为N(μ、σ2),则样本平均数的数字特征值与总体的数字特征值的关系是:E(样本平均数)=( μ ) ,D(样本平均数)=( σ2/n )。
4. 控制图采用3σ为控制界限,是因为在该点(错发警报 )的错误和( 漏发警报 )的错误造成的总损失最小。
5. X 控制图是用来反映和控制产品质量数据( 集中趋势 )的变化的。
6. X 控制图的上控制界限为( X ~+m 3 A 2R )。
7. 表示(相邻观察数据 )相差的绝对值被称为移差。
8. 抽样后在控制图上打点,出现连续 7点上升,被称为:( 单调链 )。
9. 推动PDCA 循环的关键是( 执行 )阶段。
10. 因果图中的( 特性 )指生产过程或工作过程中出现的结果。
11. 当分布中心,与公差中心偏离了ε,修正后的过程能力指数=pkC ( 2(1)6p T K C εσ--= )。
12.预防周期性维护方式的特点是:定期全面进行(预检预修)工作。
1.选控的概念是将系统因素进一步划分为:(非控系统因素)和(欲控系统因素)。
2.质量体系就是为了达到(质量目标)所建立的综合体。
二. 单项选择题3.传统质量管理的主要特征是( A )。
A 按照规定的技术要求,对产品进行严格的质量检验B 按照过去的经验进行质量检验C 按照领导的意图进行质量检验4.2000年版ISO9000族标准将由四项基本标准及若干份支持性技术报告构成。
四项基本标准中——ISO9001是:(C )。
A质量体系审核指南 B 质量管理体系—指南C 质量管理体系—要求D 质量管理体系—概念和术语5.造成产品质量异常波动的原因是( B )。
A偶然性原因、B系统性原因、C不可避免的原因6.相关系数的取值范围是( D )。
A 0≤γ<1B 0≤γ≤1C − 1≤γ≤0D − 1≤γ≤17.每吨铸件成本(元)和每一工人劳动生产率(吨)之间回归方程为y=270-0.5x。
这意味着劳动生产率每提高1吨,单位成本( C )。
A 降低269.5元B 提高269.5元C 降低0.5元D 提高0.5元8.配合回归直线的前提条件是( D )A必须是对两个变量配合回归直线B两个变量必须有明确的因果关系C 两个变量必须具备线性函数关系D两个变量必须具备显著的线性关系9.操作者精心加工,一批产品的质量( B )。
A是可以做到完全一致的B也是做不到完全一致的C有时是可以做到完全一致的10.直方图的主要用途之一是( B )。
A计算平均值、B掌握产品质量分布状态、C确保工序处于受控状态11.现有一组数据4, 7, 6, 2, 5, 8, 3,其标准偏差为( A )。
A 2B 1.54C 3.0812.对某工序进行产品质量抽样检验,其样本平均数的数学期望为:20;标准偏差为:1。
已知样本量为:4,则本工序产品的平均数和标准偏差为( A )。
A 20 、2B 5、1C 20 、0.513.现有一组数据:1, 7, 4, 3, 8, 6, 14, 5其中位数为( B )。
A 3B 5.5C 614.用于表示相邻两个观察数据相差的绝对值的是( B )。
A极差B移差C标准偏差15.比较准确地描述数据离散程度的特征值是( C )。
A极差、B移差、C标准偏差16.属于计量值控制图的有( C )A.不合格品数控制图B.不合格品率控制图C.中位数一极差控制图D.缺陷数控制图17.一张因果图解决的主要质量问题可以是( A )A.一个B.2个C.多个D.没有限制18.某局邮件处理时长服从正态分布,平均值为30分钟,标准偏差为10分钟,上级规定的赶发时限为60分钟。
则其过程能力指数为( A )。
A 1.33B 0.67C 119.某营业室电报内部处理时长服从正态分布,平均值为30分钟,标准偏差为10分钟,上级规定超过60分钟为逾限,则该室电报内部处理时长逾限的概率为( B )。
A 0.135%、B 0.27% 、 C2.275%20.工序能力指数C P=1. 04时,说明工序能力( B )。
A 不足、B尚可、C充分三、多项选择题21.全面质量管理的基本观点有(BCD )。
A重视统计计量工作的观点,B全员性的质量管理的观点,C用数据说话的观点,D全面质量管理的群众观点。
22.全面质量管理的特点是它管理的全面性:包括( BD )。
A对生产制造过程进行管理B全过程的质量管理C按既定质量标准进行控制D综合性的质量管理23.引起产品质量波动的偶然因素的特点是(AD )。
A经常存在、B影响较大、C各件相同、D 难以排除。
24.影响工程质量的五方面因素有( BD )。
5M1EA检验 B 设备C教育D材料25.产品质量赖以形成的工作质量,包括员工所做的( ABC ) 工作的好坏。
A 技术B 组织C 服务D 维修26.常见的离散型随机变量有(AB )。
A二项分布B泊松分布 C 正态分布 D 高斯分布27.常用的计量值控制图有(AC )。
A样本平均数控制图、B单位缺陷数控制图、C极差控制图、D不合格品数控制图。
28.PDCA循环的八个步骤中有( A C D )。
A找出影响质量的主要因素;B制定质量标准;C调查效果;D提出尚未解决的问题。
29.x单值控制图适用于( A C D )。
A数据不易获取时B大批量快速生产的工序、C工序中只能获得一个测定值、D数据不需分组。
四、判断题30.适宜的质量体系应能满足现实质量目标的需要,同时也是经济而有效的。
(√)31.全面质量管理与消费者没有关系。
(×)32.产品包括有形产品(装配型产品或流程型材料)和无形产品(情报或概念)。
(√)33.“质量”可使用形容词如差、好或优秀来修饰。
(√)34.产品质量的好坏,最终要通过用户的使用来评价。
(√)35.当np≥5时,二项分布变成了正态分布。
(×)36.当样本量n→∞时,二项分布以泊松分布为极限形式。
(√)37.不论总体分布状态如何,当N足够大时,它的样本平均数总是趋于正态分布。
(√)38.偶然因素是指对产品质量偶然起作用的因素。
(×)39.相关系数接近―1,说明两变量之间相关关系很弱。
(×)40.极差的分布是对称的。
(×)41.移差是表示相邻两个观察数据相差的绝对值。
(√)42.控制图的控制界限只能采用μ±3σ。
(×)43.P控制图与Pn控制图的区别在于: P控制图的样本量是固定的。
(×)44.控制图在生产过程中应用时,只要抽样打点不出界,就表明生产处于控制状态。
(×)45.抽样后在控制图上打点,若点恰好落在控制界限上,则作界外处理。
(√)46.因果图的作用是由粗到细地追究产生质量问题的最原始因素。
(√)47.分层法是用来加工整理数据的一种重要方法。
(√)48.推动PDCA循环的关键在于做好计划。
(×)49. 质量体系认证证书和标记可以在产品上使用。
( × )五、计算题50. 某种合金钢的抗拉强度y(kg/mm)与钢中含碳量x(%)有关,测得数据如下表。
求y 关于x 的线性回归方程。
(保留2位小数)。
解:(1)计算相关系数为14141410.963i i i i x y x y r -==∑∑∑样本容量为n=14,查相关系数表,当显著性水平为1%时,0.010.661r =,0.01r r >,线性回归效果显著,认为抗拉强度y 与含碳量x 存在高度显著的正相关关系。
(2)求抗拉强度y 与含碳量x 的线性回归方程14141411114142211114103.481()14i i i i i i i i i i i x y x y b x x =====-==-∑∑∑∑∑ 33.121a y bx =-= 回归方程为ˆ33.121103.48yx =+51. 某企业上半年产品产量(千件)与单位成本(元)资料如下:建立直线回归方程(单位成本为因变量),(保留3位小数)指出产量每增加1000件时,单位成本下降多少?解:611121()() 1.818()i ii ii x x y y b x x ==--==--∑∑ 77.363a y bx =-=回归方程为ˆ77.363 1.818=-产量每增加1000件单位成本降低y x1.818元。
52.某市移动局统计到其GSM高级信令转接点某月质量情况如下:路由故障:根据数据作出排列图。
并进行ABC分析。
解: (1) 计算表ABC 分析:A 类:检测出语法错误、网路拥塞,占到总质量问题的80%左右,是要解决的重点;B 类:对这种类型的地址未翻译,占总质量问题的10%以上,是次要的问题;C 类:网路故障和对这种特定的地址未翻译,是一般的问题。
53. 某支局抽查收寄包裹的规格,每天抽取100个样本,经10天得到以下数据,试画出Pn 图的轮廓线。
(保留2位小数)解: p = ∑∑n Pn= 40/1000 = 0.04p n = 4≥3 (近似于正态分布)CL= p n =0.02×200 = 4 UCL= p n +3)1(p n p - =9.98 LCL= p n -3)1(p n p - = -1.88 (取LCL=0 )54某工序加工一产品,其计量数据如下: 试画出X -R 控制图的轮廓线。
(保留2位小数) 解:R = 100/10 = 10CL=X = n1X =380/10 =38UCL= X +A 2R = 38 +0.729×10= 45.29 LCL= X -A 2R = 38 -0.729×10 =30.71 CL R = R = 10UCL R = D 4R = 2.282×10 = 22.82 LCL R = D 3R = 0×10 = 0轮廓线: UCL = 45.29CL = 38 LCL= 30.71UCL R = 22.82CL R = 10LCL R = 055某局邮件处理时长服从正态分布,平均值为40分钟,标准偏差为15分钟,上级规定的赶发时限为60分钟。
其过程能力指数是多少?经过优化作业组织管理,平均值变为35分钟,标准偏差减少了5分钟,则其过程能力指数是多少?是否充足? 解 :已知 中心值μ=40,标准偏差σ=15,60400.443315u p T C μσ--==≈⨯ 60350.833310u p T C μσ''--===⨯ ∵1.00>'p C C>0.67 ∴其过程能力不足。