高分子防水卷材GB18173.1检测细则
- 格式:doc
- 大小:66.50 KB
- 文档页数:5
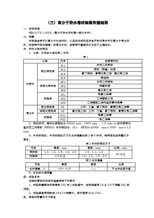
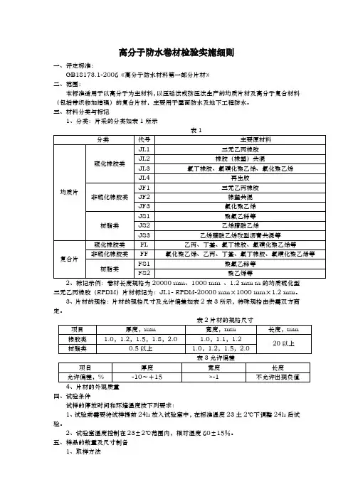
(三)高分子防水卷材检验实施细则一、评定标准:GB18173.1-2006《高分子防水材料第一部分片材》二、范围:本标准适用于以高分子为主材料,以压延法或挤压法生产的均质片材及高分子复合材料(包括带织物加增强)的复合片材,主要用于屋面防水及地下工程防水。
三、材料分类与标记1、分类:片采的分类如表1所示三元乙丙橡胶(EPDM)片材标记为:JL1- EPDM-20000 mm×1000 mm×1.2 mm。
3、片材的规格:片材的规格尺寸及允许偏差如表2表3所示,特殊规格由供需双方商定。
四、试验条件试样的停放时间和环境温度按下列要求:1、试验前需要将试样提前24h放入试验室中,在标准温度23土2℃下调整24h后试验。
2、试验室温度控制在23±2℃范围内,相对湿度60±15%。
五、样品的数量及尺寸制备1、取样方法(1)一同类型的5000m2片材为一批,随机抽取3卷进行尺寸和外观检验;上述检验合格的样品中再随机抽取1卷,在距外层端部500mm处裁取1000mm×1000mm2块进行物理性能检验。
(2)物理性能试验样品的切取:将抽取的一卷卷材放置于工作台面上展开,一块作物理力学性能检测用,另一块备用。
(3)物理性能试验样品的切取数量和尺寸,将调整好的试样进行切取,见表41、台秤:测量范围0~100 kg,最小分度值为0.2kg。
2、钢尺(1):测量范围0~1000 mm,最小分度值为1mm。
3、钢尺(2):测量范围0~200 mm,最小分度值为1mm。
4、钢尺(3):测量范围0~300 mm,最小分度值为1mm。
5、钢卷尺(1):测量范围0~15000 mm,最小分度值为1mm。
6、钢卷尺(2):测量范围0~1500 mm,最小分度值为1mm。
7、厚度计:测量范围最小分度值为0.01mm、使用10 mm直径接触面,单位面积为0.2Mpa。
8、拉力机:测量范围0~2000N,最小分度值不大于5N,伸长范围夹具间(180mm)伸长1倍,夹具宽度不小于50 mm。
防水送检规范高分子防水材料—片材:三元乙丙橡胶、氯化聚乙烯-橡胶共混防水卷材、氯丁橡胶、聚乙烯丙纶复合卷材、聚氯乙烯防水卷材等等)一、三元乙丙橡胶防水卷材(一)、执行标准:GB18173.1—2000(二)、代表批量:(三)、送检数量:1m2(四)、检测项目:1、拉伸强度(纵、横)100*2=200元2、扯断伸长率(纵、横)90*2=180元3、撕裂强度(纵、横)70*2=140元4、低温弯折200元5、抗渗透性150元6、制样80元合计:950元(五)、检测时间:5天—7天二、氯化聚乙烯—橡胶共混防水卷材(一)、执行标准:JC/T684—1997(二)、代表批量:(三)、送检数量:1m2(四)、检测项目:1、拉伸强度(纵、横)100*2=200元2、扯断伸长率(纵、横)90*2=180元3、直角型撕裂强度(纵、横)70*2=140元4、抗渗透性150元5、热处理尺寸变化率:120元6、制样80元合计:870元(五)、检测时间:5天—7天三、聚乙烯丙纶复合卷材(一)、执行标准:GB18173.1—2000(二)、代表批量:(三)、送检数量:1m2(四)、规格型号:(五)、检测项目:1、拉伸强度(纵、横)100*2=200元2、扯断伸长率(纵、横)90*2=180元3、撕裂强度(纵、横)70*2=140元4、低温弯折200元5、抗渗透性150元6、制样80元合计:950元(六)、检测时间:5天—7天四、沥青复合胎柔性防水卷材(一)、执行标准:JC/T690—1998(二)、代表批量:(三)、送检数量:1m2(四)、检测项目:1、拉力(纵、横)100*2=200元2、断裂伸长率90*2=180元3、低温弯折200元4、抗渗透性150元5、耐热度140元6、制样80元合计:860元(五)、检测时间:5天—7天五、弹性体改性沥青防水卷材(SBS)(一)、执行标准:GB18242—2000(二)、代表批量:(三)、送检数量:1m2(四)、规格型号:(五)、检测项目:1、拉力(纵、横)100*2=200元2、最大拉力时延伸率(纵、横)90*2=180元3、撕裂强度(纵、横)70*2=140元4、低温柔性200元5、耐热度140元6、抗渗透性150元7、制样80元合计:1090元(六)、检测时间:5天—7天六、塑性体改性沥青防水卷材(APP)(一)、执行标准:GB18243—2000(二)、代表批量:(三)、送检数量:1m2(四)、规格型号:(五)、检测项目:1、拉力(纵、横)100*2=200元2、最大拉力时延伸率(纵、横)90*2=180元3、撕裂强度(纵、横)70*2=140元4、低温柔性200元5、耐热度140元6、抗渗透性150元7、制样80元合计:1090元(六)、检测时间:5天—7天七、聚氯乙烯防水卷材(一)、执行标准:GB12952—2003(二)、代表批量:(三)、送检数量:1m2(四)、规格型号:(提供)(五)、类型:(提供)(六)、检测项目:1、拉伸强度(纵、横)100*2=200元2、断裂伸长率(纵、横)90*2=180元3、低温弯折性200元4、热处理尺寸变化率(纵、横)120*2=240元5、抗渗透性150元6、抗穿孔性1007、制样80元合计:1150元(七)、检测时间:5天—7天八、止水带(一)、执行标准:GB18173。
高分子防水材料遇水膨胀橡胶检验实施细则一、评定依据:GB/T18173.3-2002 《高分子防水材料第三部分遇水膨胀橡胶》二、引用标准:GB/T531-1999 《橡胶袖珍硬度计压入硬度试验方法》GB/T528-1998 《硫化橡胶、热塑性橡胶拉伸力应变性能的测定》GB/T2941-1991 《橡胶试样环境调节和试验的标准温度.湿度及时间》GB/T9865.1-1996 《硫化橡胶、热塑性橡胶样品和试样的制备热塑性橡胶》三、范围及用途:适用于以水溶性聚氨酯预聚体、丙烯酸钠高分子吸水性树脂等吸水性材料与天然橡胶、氯丁橡胶等合成橡胶制成的遇水膨胀性防水橡胶。
主要用于各种隧道、顶管人防等地下工程,基础工程的接缝、防水密封和船舶机车等工业设备的防水密封。
四、材料分类1、类型(1)产品按工艺可分为制品型(PZ)和腻子型(PN);(2)按其在静态蒸馏水中的体积膨胀倍率(%)可分为制品型:≥150%~<250%,≥250%~<400%,≥400%~<600%等几类;腻子型≥150%,≥220%,≥300%等几类。
2、产品按顺序标记:类型、体积膨胀倍率(%)、规格;标记示例:(1)宽度为30 mm、厚度为20 mm的制品型膨胀橡胶,体积膨胀倍率≥400%,标记为:PZ-400型30mm×20mm;(2)长轴30 mm、短轴20 mm的椭圆形膨胀橡胶,体积膨胀倍率≥250%,标记为:PZ-250型R15mm×R10mm;(3)复合型膨胀橡胶宽度为200 mm,厚度为6 mm 施工缝(S)用止水带,复合两条体积膨胀倍率≥400%的制品型膨胀橡胶,标记为:S 200 mm×6 mm /PZ-400×2型。
五、试验室环境条件试样的停放时间和温度按下列要求:(1)试验前需要将试样提前24h放入试验室中,在标准温度23土2℃下调整24h 后试验。
(2)试验室温度控制在23±2℃范围内。
高分子防水卷材试验作业指导书1检测依据《高分子防水材料第1部分片材》(GB18173.1-2012)《硫化橡胶或热塑性橡胶拉伸应力应变性能的测定》(GB/T528-2009)《聚氯乙烯(PVC)防水卷材》(GB12952-2011)《建筑防水卷材试验方法》(GB/T328-2007)《硫化橡胶或热塑性橡胶撕裂强度的测定(裤形、直角形和新月形试样)》(GB/T 529-2008)2组批规则片材:以同品种、同规格的5000m2片材(如日产量超过8000m2则以8000m2)为一批。
聚氯乙烯防水卷材:以同类型的10000m2卷材为一批,不满10000m2也可作为一批。
3试验项目及试验方法3.1试验项目(1) 拉伸性能(2) 不透水性(3) 低温弯折性(4) 撕裂强度(地下工程)3.2试验方法将规格尺寸检测合格的卷材展平后在(23±2)℃,相对湿度(60±15)%标准试验条件下静置24h。
按表1裁取试样,试片距卷材边缘不得小于100mm。
裁切复合片时应顺着织物的纹路,尽量不破坏纤维并使工作部分保证最多的纤维根数。
表1注:L类、P类、GL类按GB/T328.9-2007中方法A进行试验,夹具间距90mm,伸长率用70mm 的标线间距离计算,P类伸长率取最大拉力时伸长率,L类、GL类伸长率取断裂伸长率。
(1) 拉伸试验校准试验机,调整拉伸速度和夹具间距离,将试件夹持在夹具中心,不得歪扭。
启动试验机,至试件拉断为止,记录最大拉力及断裂时伸长值。
均质片材、点粘片材的断裂拉伸强度按下式计算:TS b=F b/Wt式中:TS b——均质片断裂拉伸强度(MPa);F b——试样断裂时记录最大拉力(N);W——哑铃试片狭小平行部分宽度(mm);t——试验长度部分的厚度(mm)。
复合片的断裂拉伸强度精确到0.1N/㎝,拉伸强度按下式计算:TS b=F b/W式中:TS b——复合片断裂拉伸强度(N/㎝);F b——复合片布断开时记录的力(N);W——哑铃试片狭小平行部分宽度或矩形试片的宽度(㎝);扯断(断裂)伸长率按下式计算:E b=100%(L b-L0)/ L0式中:E b——扯断伸长率,%;L b——试样断裂时标线间距离,mm;L0——试样初始标距,mm。
3.1从测量完尺寸的制品上裁取试验所需的足够长度试样,展开平在23±2℃标准环境下放置24h后裁取试片;3.2测量每片试样的宽度和厚度记录,当试样厚度小于0.8 mm时,不考核胶断伸长率,厚度小于0.8 mm的性能允许达到规定性能的80%以上,准备进行拉伸试验;3.3首先将拉力机电源打开,待拉力机稳定后调零;3.4将裁好的按纵横向6片试样分别放入夹具内,拧紧上下夹具,根据不同材料调整夹具间距,(试验机夹持器移动速度橡胶类为500土50mm/min,树脂类为250土50mm/min)。
3.5开动拉力机,复合片拉伸试验首先以25 mm/min的拉伸速度拉伸试样至加强层断裂后,在以250土50mm/min速度继续拉伸至试样完全断裂。
3.6记录试验结果及延伸率后进行计算,取中值作为强度值或延伸率。
3.7擦拭机器,关闭电源或继续试验。
4、撕裂强度4.1片材的撕裂强度试验按无割口直角型试验执行,裁取纵横向各三块作撕裂强度试验;4.2将裁好的样品在在23±2℃或27±2℃范围内进行,将调整后试样准备进行撕裂强度试验;4.3测量试样撕裂区域的厚度不得少于三点,取中位数,厚度不得偏离所取中位数的2%;4.4将拉力机电源打开,待拉力机稳定后调零;4.5当采用直角型试样试验时,将试验延轴对准拉伸方向分别夹入上下夹持器一定深度,以保证在平行的位置上充分夹紧4.6将纵横向六片试样分别放入夹具内,拧紧上下夹具,进行撕裂强度试验;4.7将试样置于拉力机的夹持器上,开动拉力机直至试样撕裂,试验结束记录撕裂强度值,取中值。
4.8擦拭机器,关闭电源或继续试验。
4.9擦拭机器,关闭电源或继续试验;5、不透水性5.1观察调整环境温度并记录;5.2水箱充水:打开水箱盖,将洁净水注满水箱。
5.3放松夹脚:启动油浆,在油压的作用下,夹脚活塞带动夹脚上升。
5.4水缸充水:打开水缸排气孔,先将水水缸内的空气排净,然后水缸活塞将水从水箱吸入水缸,完成水缸充水过程,关闭水缸排气孔。
防水卷材检测作业指导书一、编制依据《屋面工程质量验收规范》(GB50207—2002)《弹性体改性沥青防水卷材》(GB18242—2000)《塑性体改性沥青防水卷材》(GB18243—2000)《改性沥青聚乙烯胎防水卷材》(JC/T633-1996)《高分子防水材料第一部分片材》(GB18173。
1-2000)二、试验条件1、送至试验室的试样在试验前应原封放于干燥处并保持在15∽30℃范围内一定时间,试验室温度应每日记录。
2、物理性能试验所用的水应为蒸馏水或洁净的淡水(饮用水),所用溶剂应为化学纯或分析纯。
三、试验仪器1、拉力试验机:能同时测定拉力与延伸率,测力范围0∽2000N,最小分度值不大于5N,伸长范围能使夹具间距伸长一倍,夹具夹持宽度不小于50mm。
2、不透水仪:具有三个透水盘的不透水仪,透水盘底座内径92mm,透水盘金属压盖上有7个均匀分布的直径25mm透水孔。
压力表测量范围为0∽0。
6Mpa,精度2。
5级。
3、电热恒温箱:带有热风循环装置。
4、温度计:0∽150℃,最小刻度0。
5℃。
5、柔度弯曲器:φ25mm、φ20mm、φ10mm金属圆棒或R为12。
5mm、10mm、5mm的金属柔度弯板。
6、温度计:0∽50℃,精确度0。
5℃7、低温制冷仪:范围0∽30℃,控制精度±2℃。
8、半导体温度计:量程30∽40℃,精度为0.5℃。
9、柔度棒或弯板:半径(r)15mm、25mm。
10、冷冻液:不与卷材反应的液体,如:车辆防冻液,多元醇,多元醚.(使用的仪器设备应在检定有效期内且使用正常)四、作业步骤1、接受委托检查标识卡上的信息是否正确.2、对送检材料进行外观质量的检查⑴沥青防水材料的外观质量要求:不允许有孔洞、硌伤、露胎、涂盖不均,距卷心1000mm以外的折纹、皱折,长度不大于100mm,距卷心1000mm以外的裂纹,长度不大于10mm,边缘裂口小于20mm,缺边长度小于50mm,深度小于20mm,每卷卷材的接头不超过1处,较短的一段不应小于2500mm,接头处应加长150mm。
中华人民共和国国家标准GB 18173.1—2006代替GB 18173.1—2000高分子防水材料第1部分:片材Polymer water-proof materials--Part 1:Water-proof sheet2006-08-24发布 2007-05-01实施中华人民共和国国家质量监督检验检疫总局发布中国国家标准化管理委员会前言本部分的第5章(不包括人工气候老化和粘合性能)和第8章为强制性的,其余为推荐性的。
GB 18173《高分子防水材料》分为三个部分:——第1部分:片材;——第2部分:止水带;——第3部分:遇水膨胀橡胶。
本部分为GB 18173的第1部分。
本部分代替GB 18173.1—2000((高分子防水材料第1部分片材》。
本部分修改采用儿s A 6008—2002((合成高分子系列屋面防水片材》,同时结合国内片材生产的发展及使用需要对原标准进行修订。
本部分与GB 18173.1—2000的主要差异如下:——增加了术语和定义(本版的3);——增加了点粘合结构防水片材种类及技术指标(2000年版的3.1和4.3.1;本版的4.1、5.3.1);——增加了FS2型复合片材表层与芯层复合强度指标(2000年版的4.3.1;本版的5.3.1);——调整了均质片物理性能指标(2000年版的4.3.1;本版的5.3.1);——取消了对部分复合片材不测量延伸率的规定(2000年版的4.3.3;本版的5.3.2、5.3.3);——调整了片材拉伸试样数量及FS2型片材拉伸试样的形状(2000年版的5.3.1;本版的6.3.1);——增加了复合片芯层厚度测量方法(本版的附录A);——调整了粘合性能试验方法及指标(2000年版的5.3.12和4.3.1;本版的6.3.1、5.3.1)。
本部分的附录A、附录B、附录C、附录D为规范性附录。
本部分由中国石油和化学工业协会提出。
本部分由全国橡胶与橡胶制品标准化技术委员会橡胶杂品分技术委员会(SAC/TC 35/SC 7) 归口。
高分子防水卷材第1部分:片材依据标准:GB 18173.1-2006 高分子防水卷材第1部分:片材相关标准:GB/T 528-2009 硫化橡胶或热塑性橡胶拉伸应力应变性能的测定GB/T529-2008硫化橡胶或热塑性橡胶撕裂强度的测定(裤形、直角形和新月形试样)一、分类与标记1.1片材的分类如表1 所示。
表1 片材的分类1.2产品标记1.2.1产品应按下列顺序标记类型代号、材质、规格(长度×宽度×厚度)。
1.2.2标记示例长度为20000mm,宽度为1000mm,厚度为1.2mm的均质硫化型三元乙丙橡胶(EPDM)片材标记为:JL1-EPDM-20 000mm×1000mm×1.2mm1.3规格:橡胶类:厚度为1.0mm,1.2mm,1.5mm,1.8mm,2.0mm。
树脂类:厚度为0.5mm以上。
二、样品制备:见表7表7 试样的形状与数量注:GB/T528-2009中I型哑铃片尺寸如下:标距:25mm;中间最窄部分宽度6mm。
计算时精确至0.05mm !!!用测厚计在试验长度的中部和两端测量厚度。
取3个测量值的中位数用于计算横截面面积。
在任何一个哑铃状试样中,狭窄部分的三个厚度测量值都不应大于厚度中位数的2%。
三、检验项目:不透水性、常温拉伸性能、撕裂强度、低温弯折、(可能会做粘结剥离强度(标准试验条件)).四、代表数量:以同品种、同规格的5000㎡片材(如日产量超过8000㎡,则以8000㎡)为一批。
五、片材的断裂拉伸强度、扯断伸长率试验按GB/T528-2009的规定进行,测试5个试样,取中值。
其中,均质片断裂拉伸强度按下式(1)计算,精确至0.1MPa,扯断伸长率按式(2)计算,精确至1%。
TS b=F b/W t---------------(1)式中:TS b--------均质片断裂拉伸强度,MPa;F b--------试样断裂时记录的力,N;W--------哑铃试片狭小平行部分宽度,mm;t--------试验长度部分的厚度,mm。
高分子防水卷材检验实施细则一、评定标准:GB18173.1-2006《高分子防水材料第一部分片材》二、范围:本标准适用于以高分子为主材料,以压延法或挤压法生产的均质片材及高分子复合材料(包括带织物加增强)的复合片材,主要用于屋面防水及地下工程防水。
三、材料分类与标记1、分类:片采的分类如表1所示表1分类代号主要原材料均质片硫化橡胶类JL1 三元乙丙橡胶JL2 橡胶(橡塑)共混JL3 氯丁橡胶、氯磺化聚乙烯、氯化聚乙烯JL4 再生胶非硫化橡胶类JF1 三元乙丙橡胶JF2 橡塑共混JF3 氯化聚乙烯树脂类JS1 聚氯乙稀等JS2 乙烯腊酸乙烯JS3 乙烯腊酸乙烯改型沥青共混等复合片硫化橡胶类FL 乙丙、丁基、氯丁橡胶、氯磺化聚乙烯等非硫化橡胶类FF 氯化聚乙烯、乙丙、丁基、氯丁橡胶、氯磺化聚乙烯等树脂类FS1 聚氯乙稀等FS2 聚乙烯等2、标记示例:卷材长度规格为20000 mm、1000 mm 、1.2 mm m的均质硫化型三元乙丙橡胶(EPDM)片材标记为:JL1- EPDM-20000 mm×1000 mm×1.2 mm。
3、片材的规格:片材的规格尺寸及允许偏差如表2表3所示,特殊规格由供需双方商定。
表2片材的规格尺寸项目厚度,mm 宽度,mm 长度,mm 橡胶类 1.0,1.2,1.5,1.8,2.0 1.0,1.1,1.220以上树脂类0.5以上 1.0,1.2,1.5,2.0表3允许偏差项目厚度宽度长度允许偏差,% -10~+15 >-1 不允许出现负值4、片材的外观质量四、试验条件试样的停放时间和环境温度按下列要求:1、试验前需要将试样提前24h放入试验室中,在标准温度23土2℃下调整24h后试验。
2、试验室温度控制在23±2℃范围内,相对湿度60±15%。
五、样品的数量及尺寸制备1、取样方法(1)一同类型的5000m2片材为一批,随机抽取3卷进行尺寸和外观检验;上述检验合格的样品中再随机抽取1卷,在距外层端部500mm处裁取1000mm×1000mm2块进行物理性能检验。
防水材料实验防水材料实验(gb18173.1-2021)一、实验意义和目的防水材料就是在土木工程中为了避免水借由建筑物结构层而采用的一种建筑材料,就是确保房屋建筑能严防雨水、地下水与其它水分扩散的关键组成部分,就是建筑工程上不可缺少的主要材料。
制备高分子防尘卷材就是以合成橡胶、合成树脂或它们两者的共混并有基料,加入适量的化学助剂和填充料等,经型腔、热处理或抽走等工序加工而做成的可以卷曲的片状防水材料。
制备高分子防尘卷材具备弯曲强度和抗撕裂强度低,脱落伸长率小,耐热性和低温柔性不好,耐腐蚀、耐老化等一系列性能。
防水材料国家标准和防水材料施工规范对制备高分子防尘卷材的性能指标明确提出了严苛的建议和规定,只有满足要求的防水材料,就可以在工程中采用。
本实验的目的是通过防水材料实验,掌握高分子防水片材取样制备和拉伸强度、撕裂强度、不透水性、低温弯折试验方法和技术标准,学会通过实验分析防水片材的性能。
二、实验仪器和设备拉力试验机、电动油毡不透水仪、低温试验箱和弯曲仪。
三、实验步骤防水片材常规实验可分为五部分的内容,即试样制备、拉伸实验、撕裂实验、不透水性试验和低温弯折试验。
(1)试样制备沿片材横向裁取长度为1m的试样,展平后在标准状态下静置24h后,分别按四海两个方向已经开始裁取试片,裁取时应顺着织物的纹路,尽量不毁坏纤维并使工作部分确保最小的纤维根数。
试样的形状与个数分别为:圆形试件(φ140mm)3个;长方形试件横向、纵向各5个(200mm×25mm);直角形试件横向、纵向各5个;长方形试件(120mm×50mm)横向、纵向各2个。
(2)弯曲试验拉伸试验应在标准环境下进行,首先预测其破坏时拉力,选择量程,使破坏时最大拉力在量程范围的20~80%之间。
将长方形试件(200mm×25mm)置于夹持器的中心,将上下夹持器对准夹持线夹紧试件,夹持距离为120mm。
开动机器,以100±10mm/min的速度拉伸试件至试件完全断裂。
建筑防水卷材产品质量监督抽查实施细则
1 抽样方法
在企业的成品库或市场代销产品中随机抽取有产品质量检验合格证明或者以其他形式表明合格的产品。
随机数一般可使用随机数表、随机数骰子或扑克牌等方法产生。
2 检验依据
经检验,检验项目全部合格,判定为被抽查产品合格;检验项目中任一项或一项以上不合格,判定为被抽查产品不合格。
若被检产品明示的质量要求高于本细则中检验项目依据的标准要求时,应按被检产品明示的质量要求判定。
若被检产品明示的质量要求低于本细则中检验项目依据的强制性标准要求时,应按照强制性标准要求判定。
若被检产品明示的质量要求低于或包含本细则中检验项目依据的推荐性标准要求时,应以被检产品明示的质量要求判定。
若被检产品明示的质量要求缺少本细则中检验项目依据的强制性标准要求时,应按照强制性标准要求判定。
若被检产品明示的质量要求缺少本细则中检验项目依据的推荐性标准要求时,该项目不参与判定。
4 附则
本细则编制单位:XX市产品质量监督检验所。
本细则由XX市市场监督管理局管理。
浅析国标GB18173.1-2000《高分子防水材料第一部分片材》李俊;陈欣然;谷小梅;梁华
【期刊名称】《上海计量测试》
【年(卷),期】2003(030)006
【摘要】@@ 近几年,我国的建筑防水材料业取得了重大进展,尤其是高分子防水
片材(卷材)以其优良的拉伸性能、不透水性、耐穿刺、耐老化、易施工等特点,被越来越多的人所认识,数量上、品种上、档次上都得到了广泛的推广和应用,是以往品
种单一的三毡四油时代所不可比拟的.
【总页数】2页(P22-23)
【作者】李俊;陈欣然;谷小梅;梁华
【作者单位】山东省建筑科学研究院;山东省建筑科学研究院;山东省建筑科学研究院;山东省建筑科学研究院
【正文语种】中文
【中图分类】TB9
【相关文献】
1.国标《高分子防水材料:片材》实施 [J],
2.国际《高分子防水材料:片材》实施 [J], 王文
3.浅析高分子防水材料片材拉伸操作要点 [J], 江潆
4.水泥基渗透结晶型防水材料国标修订第一次工作会议在三亚召开 [J],
5.《高分子防水材料第1部分:片材》国标修订发布 [J],
因版权原因,仅展示原文概要,查看原文内容请购买。
(三)高分子防水卷材检验实施细则一、评定标准:GB18173.1-2006《高分子防水材料第一部分片材》二、范围:本标准适用于以高分子为主材料,以压延法或挤压法生产的均质片材及高分子复合材料(包括带织物加增强)的复合片材,主要用于屋面防水及地下工程防水。
三、材料分类与标记1、分类:片采的分类如表1所示2、标记示例:卷材长度规格为20000 mm、1000 mm 、1.2 mm m的均质硫化型三元乙丙橡胶(EPDM)片材标记为:JL1- EPDM-20000 mm×1000 mm×1.2 mm。
3、片材的规格:片材的规格尺寸及允许偏差如表2表3所示,特殊规格由供需双方商定。
表3允许偏差四、试验条件试样的停放时间和环境温度按下列要求:1、试验前需要将试样提前24h放入试验室中,在标准温度23土2℃下调整24h后试验。
2、试验室温度控制在23±2℃范围内,相对湿度60±15%。
五、样品的数量及尺寸制备1、取样方法(1)一同类型的5000m2片材为一批,随机抽取3卷进行尺寸和外观检验;上述检验合格的样品中再随机抽取1卷,在距外层端部500mm处裁取1000mm×1000mm2块进行物理性能检验。
(2)物理性能试验样品的切取:将抽取的一卷卷材放置于工作台面上展开,一块作物理力学性能检测用,另一块备用。
(3)物理性能试验样品的切取数量和尺寸,将调整好的试样进行切取,见表4六、试验器具1、台秤:测量范围0~100 kg,最小分度值为0.2kg。
2、钢尺(1):测量范围0~1000 mm,最小分度值为1mm。
3、钢尺(2):测量范围0~200 mm,最小分度值为1mm。
4、钢尺(3):测量范围0~300 mm,最小分度值为1mm。
5、钢卷尺(1):测量范围0~15000 mm,最小分度值为1mm。
6、钢卷尺(2):测量范围0~1500 mm,最小分度值为1mm。
高分子防水卷材第1部分高分子防水卷材第1部分:片材依据标准:GB 18173.1-2006 高分子防水卷材第1部分:片材相关标准:GB/T 528-2009 硫化橡胶或热塑性橡胶拉伸应力应变性能的测定GB/T529-2008硫化橡胶或热塑性橡胶撕裂强度的测定(裤形、直角形和新月形试样)一、分类与标记1.1片材的分类如表1 所示。
表1 片材的分类1.2产品标记1.2.1产品应按下列顺序标记类型代号、材质、规格(长度×宽度×厚度)。
1.2.2标记示例长度为20000mm,宽度为1000mm,厚度为1.2mm的均质硫化型三元乙丙橡胶(EPDM)片材标记为:JL1-EPDM-20 000mm×1000mm×1.2mm1.3规格:橡胶类:厚度为1.0mm,1.2mm,1.5mm,1.8mm,2.0mm。
树脂类:厚度为0.5mm以上。
二、样品制备:见表7表7 试样的形状与数量注:GB/T528-2009中I型哑铃片尺寸如下:标距:25mm;中间最窄部分宽度6mm。
计算时精确至0.05mm 用测厚计在试验长度的中部和两端测量厚度。
取3个测量值的中位数用于计算横截面面积。
在任何一个哑铃状试样中,狭窄部分的三个厚度测量值都不应大于厚度中位数的2%。
三、检验项目:不透水性、常温拉伸性能、撕裂强度、低温弯折、(可能会做粘结剥离强度(标准试验条件)).四、代表数量:以同品种、同规格的5000㎡片材(如日产量超过8000㎡,则以8000㎡)为一批。
五、片材的断裂拉伸强度、扯断伸长率试验按GB/T528-2009的规定进行,测试5个试样,取中值。
其中,均质片断裂拉伸强度按下式(1)计算,精确至0.1MPa,扯断伸长率按式(2)计算,精确至1%。
TS b=F b/W t---------------(1)式中:TS b--------均质片断裂拉伸强度,MPa;F b--------试样断裂时记录的力,N;W--------哑铃试片狭小平行部分宽度,mm;t--------试验长度部分的厚度,mm。
改性沥青防水卷材(弹性体、塑性体、聚乙烯胎)外观尺寸、不透水性、耐热度、拉力、最大拉力时延伸率、低温柔度、可溶物、热老化、渗油性、接缝剥离强度、卷材下表面沥青涂盖层厚度、自粘沥青再剥离强度1.适用范围、检测项目及技术标准适用范围:本实施细则适用于改性沥青防水卷材(弹性体SBS,塑性体APP,聚乙烯胎)性能检测。
检测项目(参数名称)引用标准GB 18242-2008 《弹性体改性沥青防水卷材》GB 18243-2008 《塑性体改性沥青防水卷材》GB 18967-2009 《改性沥青聚乙烯胎防水卷材》GB/T 《建筑防水卷材试验方法沥青防水卷材外观》GB/T 《建筑防水卷材试验方法沥青防水卷材厚度、单位面积质量》GB/T 《建筑防水卷材试验方法沥青防水卷材长度、宽度、平直度和平整度》GB/T 《建筑防水卷材试验方法沥青防水卷材拉伸性能》GB 《建筑防水卷材试验方法沥青和高分子卷材不透水性》GB/T 《建筑防水卷材试验方法沥青防水卷材耐热性》GB/T 《建筑防水卷材试验方法沥青防水卷材低温柔性》GB/T 《建筑防水卷材试验方法沥青防水卷材撕裂性能(钉杆法)》GB/T 《建筑防水卷材试验方法沥青防水卷材接缝剥离性能》GB/T 《建筑防水卷材试验方法沥青防水卷材可溶物含量(浸涂材料总量)》GB/T 18244-2000 《建筑防水材料老化试验方法》2.相关文件依照上海市建设工程质量检测行业协会统一规定的记录、报告格式。
一、外观尺寸1.适用范围本实施细则适用于性沥青防水卷材的外观尺寸检验。
2.技术标准GB18242-2008 《弹性体改性沥青防水卷材》GB18243-2008 《塑性体改性沥青防水卷材》GB 18967-2009 《改性沥青聚乙烯胎防水卷材》GB/T 《建筑防水卷材试验方法沥青防水卷材外观》GB/T 《建筑防水卷材试验方法沥青防水卷材厚度、单位面积质量》GB/T 《建筑防水卷材试验方法沥青防水卷材长度、宽度、平直度和平整度》3.仪器设备台秤:最小分度0.2kg;卷尺:最小分度1mm;钢板尺:最小分度值为1mm厚度计:单位压力,分度值0.01mm,10mm直径4.试验方法面积抽取成卷卷材放在平面上,小心的展开卷材,保证与平面完全接触。
高分子防水卷材第1部分:片材聚乙烯丙(涤)纶复合防水卷材执行标准:GB18173.1-2006定义★聚乙烯丙纶复合防水卷材是以原生聚乙烯合成高分子材料加入抗老化剂、稳定剂、竹粘剂等。
聚乙烯丙(涤)纶放贺岁卷材是以合成高分子纤维为表面增强助粘层,以改性热塑性高分子树脂为防水层,经一次性热压复合而成。
产品特点★表面的高分子纤维增强助粘层,使卷材可采用聚合物水泥胶粘材料与基层满面粘贴。
聚合物水泥防水胶粘料可填充水泥基面的孔洞和凸凹不平,既防止了粘结层的横行窜水,又起到了辅助防水的作用,更有效地保证了工程质量。
★采用聚合物水泥防水胶粘材料与基层粘结,可在施工后的产品表面上直接进行装修施工,如:粘瓷砖、马赛克或抹灰等,不必做拉毛处理,粘结牢固,不空鼓,适应变性能力强。
拉深强度大、延伸性能好,使用温度范围广、使用变形能力强。
★耐穿刺、抗老化、耐腐蚀性好,可用于种植屋面的防水抗植物根穿刺。
无毒、无味、安全性好、性价比高。
★施工时无需有机溶剂和明火,安全环保。
★与聚合物防水涂料及渗透结晶性防水涂料复合使用,可形成刚柔并济的复合防水层。
应用范围★建筑屋面、地下室、厕浴间、地面、墙面等工程的防水、防潮、隔气。
公路、铁路、地铁、桥涵、洞体、隧道等工程的防水、防渗。
★环保垃圾填埋场、污水处理场、冶金化工防污染、管道、矿井等工程的防水。
规格卷材厚度:0.6㎜、0.7㎜、0.8㎜、0.9㎜、1.0㎜、1.2㎜、1.5㎜幅宽:≥1.15m和1.2m面积:50㎡、100㎡在每卷至少20m长度内不允许有接头。
允许偏差表1★片材表面应平整,不应有影响使用性能的杂质、机械损伤、折痕、气泡及异常粘着等缺陷。
凹痕,深度不得超过片材厚度的5%.施工工艺★铺贴防水卷材的基层面必须打扫干净,并洒水保证基层湿润。
★用水含泥重10%~15%的聚乙烯醇胶液制备水泥素浆粘结剂,搅拌必须均匀,无沉淀、无凝结,无离析现象即可使用。
铺贴防水卷材的基层面必须打扫干净,并洒水保证基层湿润。
(三)高分子防水卷材检验实施细则
一、评定标准:
GB18173.1-2006《高分子防水材料第一部分片材》
二、范围:
本标准适用于以高分子为主材料,以压延法或挤压法生产的均质片材及高分子复合材料(包括带织物加增强)的复合片材,主要用于屋面防水及地下工程防水。
三、材料分类与标记
1、分类:片采的分类如表1所示
三元乙丙橡胶(EPDM)片材标记为:JL1- EPDM-20000 mm×1000 mm×1.2 mm。
3、片材的规格:片材的规格尺寸及允许偏差如表2表3所示,特殊规格由供需双方商定。
四、试验条件
试样的停放时间和环境温度按下列要求:
1、试验前需要将试样提前24h放入试验室中,在标准温度23土2℃下调整24h后试验。
2、试验室温度控制在23±2℃范围内,相对湿度60±15%。
五、样品的数量及尺寸制备
1、取样方法
(1)一同类型的5000m2片材为一批,随机抽取3卷进行尺寸和外观检验;上述检验合格的样品中再随机抽取1卷,在距外层端部500mm处裁取1000mm×1000mm2块进行物理性能检验。
(2)物理性能试验样品的切取:将抽取的一卷卷材放置于工作台面上展开,一块作物理力学性能检测用,另一块备用。
(3)物理性能试验样品的切取数量和尺寸,将调整好的试样进行切取,见表4
1、台秤:测量范围0~100 kg,最小分度值为0.2kg。
2、钢尺(1):测量范围0~1000 mm,最小分度值为1mm。
3、钢尺(2):测量范围0~200 mm,最小分度值为1mm。
4、钢尺(3):测量范围0~300 mm,最小分度值为1mm。
5、钢卷尺(1):测量范围0~15000 mm,最小分度值为1mm。
6、钢卷尺(2):测量范围0~1500 mm,最小分度值为1mm。
7、厚度计:测量范围最小分度值为0.01mm、使用10 mm直径接触面,单
位面积为0.2Mpa。
8、拉力机:测量范围0~2000N,最小分度值不大于5N,伸长范围夹具间(180mm)
伸长1倍,夹具宽度不小于50 mm。
9、不透水仪:测量范围0~0.6 Mpa,精度测试2.5级。
10、恒温箱:0~300℃,精度土1℃。
11、低温箱:制冷范围0~-30℃,控温精度±2℃。
12、半导体温度计:量程30~-40℃,精度为0.5℃。
13、柔度棒或柔度板:一边呈半圆柱形:半径(r)15 mm、25 mm两种。
14、温度计:测量范围0~150℃,最小刻度0.5℃。
六、检验步骤
1、片材的外观质量
1.1片材表面应平整、边缘整齐、不能有裂纹、机械损伤、折痕、穿孔及异常粘着等缺陷。
1.2橡胶类片材在每卷20m长度中允许有一处接头,长度应不小于3m,并应加长15cm备作搭接;树脂类片材在每卷至少20m长度内不允许有接头。
2、片材尺寸的测定
2.1长度、宽度的方法:将试样打开成水平状展开,用钢卷尺测量长度、宽度,在纵向两端及中央附近测三点,取平均值;长度的测定取每卷展平后的全长的最短部位。
2.2厚度、用分度值为0.01mm、单位面积为0.2Mpa,直径不小于6 mm的厚度计测量,自端部裁去300mm,再从其裁断处的20mm内侧,自宽度方向距两边各10%宽度范围内取两点,再将间距四等分,取其等分点共五点进行厚度测量,测得结果用三点的平均值表示。
3、拉伸强度及延伸率
3.1从测量完尺寸的制品上裁取试验所需的足够长度试样,展开平在23±2℃标准环境
下放置24h后裁取试片;
3.2测量每片试样的宽度和厚度记录,当试样厚度小于0.8 mm时,不考核胶断伸长率,厚度小于0.8 mm的性能允许达到规定性能的80%以上,准备进行拉伸试验;
3.3首先将拉力机电源打开,待拉力机稳定后调零;
3.4将裁好的按纵横向6片试样分别放入夹具内,拧紧上下夹具,根据不同材料调整夹具间距,(试验机夹持器移动速度橡胶类为500土50mm/min,树脂类为250土50mm/min)。
3.5开动拉力机,复合片拉伸试验首先以25 mm/min的拉伸速度拉伸试样至加强层断裂后,在以250土50mm/min速度继续拉伸至试样完全断裂。
3.6记录试验结果及延伸率后进行计算,取中值作为强度值或延伸率。
3.7擦拭机器,关闭电源或继续试验。
4、撕裂强度
4.1片材的撕裂强度试验按无割口直角型试验执行,裁取纵横向各三块作撕裂强度试验;
4.2将裁好的样品在在23±2℃或27±2℃范围内进行,将调整后试样准备进行撕裂强度试验;
4.3测量试样撕裂区域的厚度不得少于三点,取中位数,厚度不得偏离所取中位数的2%;
4.4将拉力机电源打开,待拉力机稳定后调零;
4.5当采用直角型试样试验时,将试验延轴对准拉伸方向分别夹入上下夹持器一定深度,以保证在平行的位置上充分夹紧
4.6将纵横向六片试样分别放入夹具内,拧紧上下夹具,进行撕裂强度试验;
4.7将试样置于拉力机的夹持器上,开动拉力机直至试样撕裂,试验结束记录撕裂强度值,取中值。
4.8擦拭机器,关闭电源或继续试验。
4.9擦拭机器,关闭电源或继续试验;
5、不透水性
5.1观察调整环境温度并记录;
5.2水箱充水:打开水箱盖,将洁净水注满水箱。
5.3放松夹脚:启动油浆,在油压的作用下,夹脚活塞带动夹脚上升。
5.4水缸充水:打开水缸排气孔,先将水水缸内的空气排净,然后水缸活塞将水从水箱吸入水缸,完成水缸充水过程,关闭水缸排气孔。
5.5试座充水:当水缸充满水后,打开试座进水阀,由水同时向三个试座充水,三个试座充满水并以接近溢出状态时,关闭试座进水阀。
5.6水缸二次充水:由于水缸容积有限,当完成试座充水后,水缸内储存水已接近断绝,需通过水箱向水缸再次充水,其操作方法与第一次充水过程相同,待设备运行一切正常后,记录设备运行状态。
5.7将裁取的3个不透水性试样依次放在不透水仪试座上,卷材上表面作为迎水面,在底面层上沿密封圈一圈涂上热沥青,带冷却1h后,试件盖上金属盖后通过夹脚将试件压紧在试座上,如产生压力影响结果,可向水箱泻水达到减压目的。
5.8接通工作电源、设定水压力为0.3 Mpa、(按GB/T328)进行,安好进气阀、打开开关进行升压至设定压力。
5.9保持2h后,观察试验有无渗漏,并记录开始渗水时间,在标准规定的测试时间内出现1个或2个试件渗水时,必须立即关闭控制相应试座的进水阀,以保证其余试件继续
测试。
5.10当测试达到规定时间即可关闭电源,泻压后打开放水阀,将水放掉。
5.11关闭电源,记录试验结果,清擦设备,打扫卫生。
6、低温柔性
6.1将裁好的试样与弯折仪同时放入规定温度的恒温箱内保持1h,使50 mm宽的试样边缘重合、齐平,并用定位夹或10 mm宽的胶布固定,以保证在试验中不发生错位;
6.2将弯折仪的两平板间距调到片材厚度的三倍;
6.3将弯折仪上平板打开,将厚度相同的两块试样平放在底板上,重合的一边朝向转轴,距转轴20 mm;
6.4在规定温度下保持1h之后迅速压下上下平板,达到间距位置,保持1s后将试样取出;
6.5待恢复到室温后观察弯折处是否断裂,或用放大镜观察试验弯折处受拉面有无裂纹;
6.6用8倍放大镜观察试样表面,两个试样均无裂纹为合格。
八、检验结果评定
规格尺寸、外观质量及物理性能各项指标全部符合技术要求时,则为合格品。
若物理性能有一项指标不符合技术要求,应另取双倍试样进行该项复试,复试结果如仍不合格,则改批产品为不合格。