聚乙烯高分子防水卷材
- 格式:doc
- 大小:39.50 KB
- 文档页数:3
HDPE高分子防水卷材的优缺点介绍?HDPE高分子防水卷材生产线是什么?我公司主导的HDPE高分子防水卷材生产线,生产效率高,消耗少,操作简便,可用于生产HDPE高分子防水卷材等。
HDPE高分子防水卷材设备节能环保,生产量大,适合各类型企业的需求。
华源机械HDPE高分子防水卷材是专门针对建筑防水预铺部位而研发的防水材料。
HDPE高分子防水卷材由高密度聚乙烯片材、高分子自粘胶膜和特殊性能要求的颗粒防粘层构成,是为实现与砼结构融合而研发的非沥青基高分子预铺防水卷材。
高分子自粘胶膜和混凝土中未初凝的水泥浆在压力作用下,HDPE高分子防水卷材通过蠕变,相向渗过防粘层,形成有效的互穿粘结和很大的分子间力。
HDPE高分子防水卷材等混凝土固化后,高分子自粘胶膜防水卷材和结构主体之间的空隙得到一定限度的密封,消除了窜水通道。
HDPE高分子防水卷材优点:HDPE高分子防水卷材施工方便、工期短、成形后无须养护、不受气温影响、环境污染小,层厚容易按设计要求掌握,用材计算准确、施工现场管理方便,不易偷工减料,层厚均匀,空铺时能有效地克服基层应力华源机械HDPE高分子防水卷材缺点:HDPE高分子防水卷材需根据防水基层的形状而进行量体截衣,对于外形复杂的基层需多块拼接,HDPE高分子防水卷材相互搭接处的粘结难度较大;完全的密封将成为主要难题,漏水隐患较大;HDPE高分子防水卷材在施工后的保护和漏水后的维修亦是难题,任何部位的贯穿性破损,脱胶、漏胶,整个与其相连贯层面的防水功能都将全部衰失,HDPE高分子防水卷材不能找到破损和缺陷部位,则局部修补就不可能,那么只有重做防水。
华源机械HDPE高分子防水卷材操作工艺:●HDPE高分子防水卷材工艺流程:清理基层→涂刷基层处理剂→附加层处理→卷材粘贴面涂胶→基层表面涂胶→卷材的粘接、排气、压实→HDPE高分子防水卷材接头粘接、压实→卷材末端收头及封边处理→40厚细石混凝土→水泥基渗透结晶。
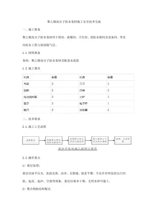
聚乙烯高分子防水卷材施工安全技术交底一、施工准备聚乙烯高分子防水卷材用于厨房、就餐间、卫生间、消防水箱间及设备间、等室内防水工程与屋面隔气层。
1.1.材料准备卷材:聚乙烯高分子防水卷材及配套水泥胶1.2.施工器具二、技术要求2.1.施工工艺流程2.2.操作要点1)基层处理:基层应抹平压光,表面光滑、洁净、无裂缝、接茬平整,不允许有明显的尖凸凹陷、起皮、起沙、空鼓等现象,基层应基本干燥,无明水即可施工。
2)聚合物粘结料配比水泥:水:胶粉100kg:100kg:1kg(重量比),根据基底的干、湿度调整粘结料的浓度。
3)对于复杂部位加强处理;立面和平面交接处的阴阳角,先做一层宽500㎜的同材料附加层,而后才能大面积施工。
4)卷材铺贴1.施工时用料桶将配料倒在基层上,用橡胶刮板刮刷均匀,厚度为5mm左右为宜。
2.再将卷材沿着事先弹好的基础线望前铺贴,一边刷底料一边拆卷,进度要协调,铺展后的卷材应及时赶走底部的空气。
3.搭接宽度长边不少于100mm,短边不少于150mm,在底板、立墙转角处1m之内不应有搭接。
4.卷材铺设完毕后用专用胶封边处理,严禁出现翘边,开口等现象。
5.卷材铺设应往墙上上翻300mm5)质量问题及处理办法:1.空鼓、脱层、翘边:使卷材防水层产生空鼓、脱层的原因主要是粘结料搅拌方式、搅拌时间及配合比没有掌握好,或基层没有处理好,未洒水湿润,或明水太多,浆料赶辅不均匀等。
防止出现空鼓、脱层的措施是在施工时选用功率大、转速不太高的电动搅拌机来拌和材料。
搅拌容器用圆桶便于强力搅拌均匀,搅拌时间一般为3~5分钟。
对水平缝施工完后要用粘结剂进行压边,各压50mm宽。
2.划伤、破损:卷材防水层施工后、基料固化前,未注意保护,被其他工序施工碰坏、划伤。
对于此部位破损、划伤者,应将破损部清理干净,再按照施工要求、顺序,分层补做防水附加层。
2.3.施工注意事项1、水泥胶涂刷后应随即铺贴卷材,防止时间过长胶中的水分散失,影响粘结质量。
合成高分子防水卷材一般分为橡胶类和树脂类卷材,橡胶类包括三元乙丙、氯化聚乙烯橡胶共混、氯化聚乙烯橡胶、三元丁防水卷材,树脂类包括聚氯乙烯(PVC)、聚乙烯丙纶、HDPE防渗膜、EVA土工膜等,不同材料有不同的长度和厚度,厚度一般在1.2、1.5、2.0mm,长度在10米、15米、20米不等。
聚乙烯丙纶高分子复合防水卷材产品的构造特点1、三层式结构,表面增强2、芯层--主防水层采用了支比度较高(大分子侧链多)的线性低密度聚乙烯(LLDPE),其延伸性、不透水性、柔软性、抗穿刺性、耐低温性能较好。
3、表面为丙纶(涤纶)无纺布,通过与芯层的复合,解决了聚乙烯线胀系数大的不足。
增加了产品表面的粗糙度,提高了产品的摩擦系数,并使复合卷材的粘接问题得以解决,实现了水泥粘接。
产品使用特点高分子防水卷材属于合高分子防水卷材系列,它除了完全具有合成高分子卷材的全部优点外,其自身最突出的特点,在于其表面的网状结构,使其具有了自己独特的使用性能--水泥粘接。
因高分子复合卷材可用水泥直接粘接,因此在施工过程中不受基层含水率的影响,只要无明水即可施工。
这是其他防水卷材所不具备的。
由于高分子复合卷材标面粗糙、摩擦系数大,在水利工程应用时,可直接埋设在砂土中,具有足够的稳定性。
由于高分子复合卷材可与水泥材料在凝固过程中直接粘接,因此可直接设计在水泥材料的结构中。
复合卷材粘接机理粘贴时卷材时,粘接胶渗透到高分子复合卷材表面网架状结构的纤维层中,待粘接胶固化后将纤维包覆住,形成了强大的机械铆固力将复合卷材与基层(构筑体)牢牢地粘接在一起。
高分子复合卷材采用水泥胶与基层粘贴。
为改善水泥胶的和易性、保水性,提高水泥固化后的抗渗性,在制做水泥胶时,要求在水泥中添加专用配套胶。
提高水泥保水性能,使水泥胶的水份在使用时不至于很快被基层吸干,便于施工操作,同时又保证了水泥固化时所需的水份。
专用胶粘剂是我公司针对高分子复合防水卷材的特性专门研制的,该产品与水泥混配成的水泥胶具有较高的粘接强度,专门用于我公司高分子复合防水卷材的粘贴。
高分子防水卷材主要分为以下几类:
1. 一般聚合物高分子卷材:包括聚氯乙烯(PVC)卷材、丙烯酸酯(SBS)卷材和聚乙烯(PE)卷材等。
- PVC卷材:具有较好的耐候性和抗老化性能,适用于屋面、地下室和基础等建筑物的防水施工。
- SBS卷材:由特殊橡胶改性的沥青制成,具有良好的柔韧性和耐候性,适用于屋面、地下室、隧道和桥梁等建筑物的防水施工。
-PE卷材:由聚乙烯制成,具有优良的耐化学品性能和防渗漏性能,适用于储存池、污水处理厂和化工企业等场所的防水施工。
2. 高分子复合卷材:由两种或多种高分子材料进行复合制备而成,具有各自材料的特点和优势。
- PVC/SBS复合卷材:由PVC和SBS两种材料进行复合制备,具有PVC的耐候性和SBS的柔韧性,适用于屋面和地下室等建筑物的防水施工。
- PVC/PE复合卷材:由PVC和PE两种材料进行复合制备,具有PVC的耐候性和PE的耐化学品性能,适用于储存池和化工企业等场所的防水施工。
3. 高分子改性沥青卷材:常见的有APP(聚丙烯酯)和SBS(丙烯酸酯)改性沥青卷材,具有良好的抗渗漏性能和耐候性。
- APP改性沥青卷材:由聚丙烯酯改性的沥青制成,具有较好的耐候性和抗老化性能,适用于屋面、地下室、隧道和桥梁等建筑物的防水施工。
- SBS改性沥青卷材:由丙烯酸酯改性的沥青制成,具有良好的柔韧性和耐候性,适用于屋面、地下室、隧道和桥梁等建筑物的防水施工。
这些高分子防水卷材在不同的建筑物和工程中具有各自的应用特点和优势,选择适合的卷材进行施工可以提高防水效果和施工质量。
高分子防水卷材高分子防水卷材是一种用于建筑防水的材料。
它具有优异的防水性能和耐久性,被广泛应用于建筑屋面、地下室、隧道等防水工程领域。
本文将介绍高分子防水卷材的制作原理、材料特性以及在防水工程中的应用。
高分子防水卷材的制作原理基于高分子化学技术。
通过将聚合物材料加工成薄膜,然后添加特殊的防水添加剂和填料,制成具有防水功能的卷材。
常用的防水材料有聚合氯乙烯(PVC)、改性沥青、高聚物、橡胶等。
高分子防水卷材具有多种特性。
首先,它具有优异的防水性能。
由于防水卷材本身是连续、无接缝的,能够有效地阻止水分渗透,避免建筑物出现渗漏问题。
其次,高分子防水卷材具有良好的耐候性和化学稳定性,能够抵御阳光、雨水、腐蚀性化学物质等外界环境的侵蚀。
此外,高分子防水卷材还具有较高的抗张强度和耐久性,能够承受较大的重压和变形,长期保持防水效果。
高分子防水卷材在建筑防水工程中应用广泛。
首先,它常被用于建筑屋面的防水处理。
屋面是建筑物最容易受到雨水侵蚀的部位,因此使用高分子防水卷材能够有效地防止雨水渗入建筑物内部,保护房屋结构的完整性。
其次,高分子防水卷材也常用于地下室和地下管道的防水处理。
地下室和地下管道通常面临着地下水位的压力,而高分子防水卷材能够有效地隔离地下水,避免建筑物受潮和漏水的问题。
此外,高分子防水卷材还可以用于隧道、水利工程、桥梁等各种防水工程中,确保工程的安全性和持久性。
在使用高分子防水卷材时,需要注意以下几点。
首先,正确选择适合的卷材材料。
不同的建筑结构和要求,需要选择不同类型的高分子防水卷材,以确保防水效果和持久性。
其次,施工时需严格按照规范进行操作,包括表面处理、卷材铺设、焊接等步骤。
只有正确施工,才能保证高分子防水卷材的防水效果。
此外,定期检查和维护也是必要的,及时修补破损或老化的部分,以延长防水卷材的使用寿命。
总的来说,高分子防水卷材是一种在建筑防水中广泛应用的材料。
它通过高分子化学技术制成,具有优异的防水性能和耐久性。
hdpe高分子粘胶膜反应粘防水卷材的特点HDPE高分子粘胶膜反应粘防水卷材是一种新型的高分子材料,在防水建材行业中得到了广泛应用。
它具有许多独特的特点,下面我将从材料的属性、应用特点和优势等方面进行详细的介绍,以便更好地理解和认识这种材料。
HDPE高分子粘胶膜反应粘防水卷材是由高密度聚乙烯(HDPE)和粘胶剂组成的。
HDPE是一种高分子材料,具有良好的强度和耐磨性,能够抵抗外界因素的侵蚀,确保防水层的持久性。
粘胶剂则起到黏附和保护作用,能够使防水层与基层完美结合,形成牢固的防水体系。
HDPE高分子粘胶膜反应粘防水卷材具有良好的防水性能。
它采用独特的反应粘合技术,能够实现卷材与基层的无缝连接,从而有效防止水分渗透。
与传统的防水材料相比,HDPE高分子粘胶膜反应粘防水卷材能够提供更好的密封性能,确保建筑物的地下部分不受水分侵蚀。
HDPE高分子粘胶膜反应粘防水卷材具有良好的耐化学性能。
它能够抵抗酸、碱、盐和各种化学物质的侵蚀,不会因为外界环境的改变而失去防水效果。
这使得它可以广泛应用于化工厂、电力设备和污水处理等场合,为建筑物提供可靠的防水保护。
HDPE高分子粘胶膜反应粘防水卷材具有良好的耐温性能。
它能够在较宽的温度范围内保持稳定的物理性能,不会因为高温或低温而变形或破裂。
这使得它适用于各种气候环境下的建筑防水工程,确保建筑物长期受到有效的保护。
HDPE高分子粘胶膜反应粘防水卷材还具有良好的抗老化性能。
它能够抵抗紫外线的照射,不会因为长时间的使用而老化和脆化。
这使得它的使用寿命更长,能够为建筑物提供更长久的防水保护。
综上所述,HDPE高分子粘胶膜反应粘防水卷材具有许多独特的特点,包括良好的防水性能、耐化学性能、耐温性能和抗老化性能等。
它的广泛应用为建筑物提供了可靠的防水保护,为建筑行业的发展做出了重要贡献。
高分子防水卷材有哪些高分子防水卷材有哪些?高分子防水卷材是一种常见的建筑材料,被广泛用于屋顶、地下室、地板等建筑结构中,以起到防水、防潮、防腐、保温等功能。
在建筑工程中,选用合适的高分子防水卷材对于保护建筑物的结构寿命、节约能源、提高室内舒适度等方面都有着重要的作用。
本文将介绍一些常见的高分子防水卷材的种类及其特点。
一、聚氯乙烯(PVC)防水卷材聚氯乙烯(PVC)防水卷材是其中使用最广泛的一种高分子防水材料。
它使用聚氯乙烯树脂为主要原料,并加入增塑剂、稳定剂、填充料等辅助材料进行加工制作。
PVC防水卷材具有优异的防水性能,其耐候性、耐老化性、机械强度、耐酸碱性都较好。
此外,PVC防水卷材还具有良好的延伸性和封闭性,使其能够适应各种复杂的建筑结构。
二、聚合物改性沥青(APP)防水卷材聚合物改性沥青(APP)防水卷材是一种以沥青为基料,通过添加聚合物改性剂和其他辅助材料制成的高分子防水材料。
APP防水卷材具有良好的耐候性、耐老化性和耐腐蚀性。
在高温环境下,APP防水卷材有较好的耐热性,能够保持较高的柔韧性。
此外,APP防水卷材还具有抗渗漏性强、施工方便等优点。
三、乙烯丙烯橡胶(EPDM)防水卷材乙烯丙烯橡胶(EPDM)防水卷材是一种基于橡胶材料的高分子防水材料。
EPDM防水卷材具有优异的耐候性、耐老化性和耐酸碱性,可长期抵御紫外线、酸碱等不良环境的腐蚀。
其柔软性好,适应性强,能够适应温度变化和建筑结构的变形。
四、镀铝沥青防水卷材镀铝沥青防水卷材是一种通过在沥青表面镀上铝箔的高分子防水材料。
这种材料具有良好的防水性能和抗紫外线能力,能够反射太阳光,降低建筑物的温度,节约能源。
镀铝沥青防水卷材还具有良好的抗冻性和抗冲击性能,适用于寒冷地区或环境恶劣的地下工程。
五、丙烯酸防水卷材丙烯酸防水卷材是以丙烯酸橡胶为主要原料制成的高分子防水材料。
丙烯酸防水卷材具有良好的抗渗漏性能,能够有效地防止水分渗透到建筑结构中。
产品简介:聚乙烯丙纶、涤纶高分子防水卷材(以下简称高分子防水卷材),是在充分研究了现有防水防渗类卷材产品的基础上,根据现代工程对防水防渗材料的新要求,采用新技术,引进先进设备制造的一种构造全新、多用途、具有良好综合技术性能的防水防渗材料。
是继沥青油毡、橡胶卷材、改性沥青卷材、高分子片材之后的新一代防水卷材。
一、产品特点(一)产品构造特点高分子防水卷材为表面增强式结构,由线性低密度聚乙烯树脂加入抗老化剂,稳定剂、助粘剂等与高强度新型丙纶长丝无纺布,采用热融直压工艺制成的新型防水卷材。
具有优良的防水性能、耐化学性、耐候性和机械强度。
(二)产品性能特点高分子防水卷材具有抗渗能力强、抗拉强度高、低温柔性好、线胀系数小、易粘接、摩擦系数大、稳定性好、无毒、变形适应能力强、适应温度范围宽、使用寿命长等良好的综合技术性能。
(三)产品使用特点高分子防水卷材突出的特点表面粗糙均匀、易粘接,适合与多种材料的基层粘合。
可与水泥材料在凝固过程中直接粘合,可在基层潮湿情况下粘贴高分子防水卷材。
高分子防水卷材厚度薄,转弯处易卷边粘贴、不折裂、防水效果好,这是其它防水防渗材料所不具备的。
高分子防水卷材在水泥构造中使用具有可靠的稳定性。
二、产品适用范围高分子防水卷材使用范围广。
不仅适用于I-lV级各类工业、民用建筑物的屋面及地下防水、防渗防潮,还适用于冶金、化工、环保、采矿业等防水工程。
三、产品种类、规格及技术性能高分子防水卷材分为双面加筋型和单面加筋型,双面加筋型用于屋面防水(≥3 0 0克/m2)、地下防水、防渗(≥400克/m2)、防潮(≥300克/m2)及其它防渗漏工程:单面加筋型(G200克/m2、G250克/m2)用于隔汽工程。
四、设计施工要点(一)屋面防水高分子防水卷材用于屋面防水工程有多种构造方式,用于屋面防水工程要特别注意卷材与找平层的粘接强度及粘接面积,这是保证防水效果、使用寿命的关键,高分子防水卷材粘接不得有目视空鼓现象,粘接面积应大干85%。
高分子防水卷材原材料高分子防水卷材是一种具有优良防水性能的建筑材料,广泛应用于建筑物的屋面、墙体、地下室等防水工程。
高分子防水卷材主要由高分子合成材料制成,如聚乙烯、聚丙烯、聚氯乙烯等。
这些原材料具有良好的耐候性、耐腐蚀性和耐水性,使得高分子防水卷材在长时间的使用中能够保持稳定的防水性能。
本文将介绍高分子防水卷材的主要原材料及其性能。
一、聚乙烯(PE)聚乙烯(PE)是一种常见的高分子合成材料,具有良好的柔韧性、耐候性和耐腐蚀性。
聚乙烯防水卷材是一种常见的高分子防水材料,具有优良的防水性能和较长的使用寿命。
聚乙烯防水卷材具有良好的粘结性能,可以与混凝土、金属等材料牢固地粘结在一起,形成完整的防水层。
此外,聚乙烯防水卷材还具有较好的低温性能,适用于低温环境的防水工程。
二、聚丙烯(PP)聚丙烯(PP)是另一种常见的高分子合成材料,具有优良的耐候性、耐腐蚀性和耐水性。
聚丙烯防水卷材是一种具有优良防水性能的建筑材料,适用于各种建筑物的屋面、墙体和地下室等防水工程。
聚丙烯防水卷材具有良好的粘结性能,可以与混凝土、金属等材料牢固地粘结在一起,形成完整的防水层。
此外,聚丙烯防水卷材还具有较好的低温性能,适用于低温环境的防水工程。
三、聚氯乙烯(PVC)聚氯乙烯(PVC)是一种具有优良耐候性、耐腐蚀性和耐水性的高分子合成材料。
聚氯乙烯防水卷材是一种具有优良防水性能的建筑材料,适用于各种建筑物的屋面、墙体和地下室等防水工程。
聚氯乙烯防水卷材具有良好的粘结性能,可以与混凝土、金属等材料牢固地粘结在一起,形成完整的防水层。
此外,聚氯乙烯防水卷材还具有较好的低温性能,适用于低温环境的防水工程。
四、其他原材料除了以上提到的聚乙烯、聚丙烯和聚氯乙烯外,高分子防水卷材还可能含有其他原材料,如增塑剂、稳定剂、填充料等。
这些原材料可以提高高分子防水卷材的性能,如提高柔韧性和抗冲击性、改善热稳定性等。
此外,这些原材料还可以降低成本,提高高分子防水卷材的经济性。
聚乙烯丙纶高分子复合防水卷材(推荐材料)聚乙烯丙纶高分子复合防水卷材,是采用聚乙烯,高强丙纶无纺布,紫外线隔光剂,抗老化等高分子原料。
卷材中间层是防水层和抗老化层,上下两面是增强粘结层,牢固,可靠,无空鼓双层防水,是一种新型防水材料。
主要特点:①属绿色环保产品,无毒,无味,无污染;②具有很好的抗老化,抗氧化,耐腐蚀特点,柔韧性好,易弯曲不折断,抗拉,抗穿孔性能;③柔韧性好,易操作;④施工速度快,效率高,省工又省力;⑤若卷材配套使用的聚合物水泥粘结料,其原料不但粘结性能好,而本身是一边防水层,可封闭基层无缝孔,起到阻水作用,又能起找平作用;⑥抗穿刺性能强,能起到阻根刺的作用;⑦使用寿命长达50年余。
适用范围:适用于各种层面,地下室,隧道等建筑物防水工程;工业,民用的贮水池,地铁水坝等工程防水,尤其适用于耐久性,耐腐蚀,要求高和易变形的重点工程。
主要技术指标:①断裂拉伸强度(N/cm)≥60;②拉伸长率﹪≥400;③不透水性0.3Mpa,保持时间30min;④低温弯折℃≤-20;⑤热空气老化(80℃x168h),断裂拉伸强度保持≥80;施工工艺:①施工材料:主材:聚乙烯丙纶高分子复合防水卷材辅材:水泥,粘结胶②施工工具:电动搅拌机,搅料桶,刮板;③施工流程:验收基层(找平层)→清扫基层→制备粘结胶→处理复杂部位→铺贴复合卷材→检验复合卷材施工质量→验收④操作要点:a.丙纶防水卷材上面为防老化层,下面为防水层。
产品出厂时防老化层卷在内,施工时注意防水层在下,粘结前应先将卷材预留3-8米找正;b.将水泥粘剂分散倒在地面,用刮板刮均匀,辅粘时排除内部空气;c.卷材与找平层加粘结率≥85﹪;d.搭接不低于5cm.。
聚乙烯丙纶防水卷材材料简介
一、产品介绍
聚乙烯丙纶复合防水卷材是根据我国现代防水工程对防水、防渗材料的新要求研
制的,产品选用丙纶无纺布、聚乙烯为主要原料经抗老化剂,采用高科技、新技术、新工艺复合而成的一种多层为一体的高分子聚乙烯丙纶复合防水卷材料。
它的问世彻底改变了历史建筑行业中因水泥基层湿,含水率高而不能施工的难题,产生可直接与水泥结构面粘结,该产品防水性能优良、无毒、无味、抗拉强度大、抗渗能力强、耐冻、耐腐蚀、易粘贴、柔性好、重量清、施工操作简便、不动火、不用油、施工无噪
音是一种理想的新世纪绿色环保产品
二、产品特点
卷材是由多层不同材料复合而成、使产品综合性得到显著提高,特别是该产品单独设有防老化层,从而大大提高了产品的使用寿命。
表面的丙纶无纺布呈现无规则交叉结构形成立体网孔表面,故与基层的结合面积大,可直接用水泥胶粘贴在建筑结构基层上,防水、防渗,施工时水泥浆进入卷材表面的网孔中,卷材随水泥胶浆固化为一体,故粘接永久牢固,不易剥离。
防水层表面可直接进行装饰、装修(如粘瓷砖、地板砖、马赛克、抹水泥
浆等)。
三、产品主要物理指标。
高分子自粘防水卷材PAS自粘卷材产品概况:该卷材是以树脂类高分子(HDPE、EVA、EVB、PVC)为主体防水材料,通过表面附着自粘胶料的高分子自粘防水卷材。
产品结构及作用:母材特点:1、高密度聚乙烯(HDPE):是一种由乙烯共聚生成的热塑性聚烯烃。
它集强度、伸长、撕裂、抗穿刺、抗渗透、抗高低温、防水蒸汽、耐腐蚀和环保性均优越为一体的树脂类高分子材料,是目前高分子材料中最好的一种。
2、乙烯-醋酸乙烯共聚物(EVA):是由乙烯(E)和乙酸乙烯(VA)共聚而制得。
具有良好的柔软性,橡胶般的弹性,在-50℃下仍能够具有较好的可挠性,化学稳定性良好,抗老化和耐臭氧强度好,无毒、不吸水。
3、乙烯乙酸乙烯改性沥青共混(ECB):制作采用二段挤出,三辊压延生产工艺。
材料具有优良的耐候性、耐久性、坚韧性、电绝缘性、延伸率高、抗穿透力强等特点。
4、聚氯乙烯(PVC):力学性能,电性能优良,耐酸碱力极强,化学稳定性好等特点。
自粘层:通过预铺湿粘施工工艺与现浇混凝土产生化学反应,两者之间离子互换,形成Si-O键。
有效的封补混凝土因收缩形成的微小裂缝和结构外的窜水。
产品种类:按表面材料的不同分为三类:PAS-H型以HDPE或EVA为主体材料,涂刮自粘胶的防水卷材;PAS-E型以ECB为主体材料,涂刮自粘胶的防水卷材;PAS-P型以PVC为主体材料,涂刮自粘胶的防水卷材。
按施工工法不同分为两类:预铺法或空铺法;湿铺法或后铺法。
按自粘层材料性质不同分为两类:反应型自粘防水卷材;自粘型自粘防水卷材。
自粘卷材适用范围:广泛用于工业、民用建筑地下室防水,也可用于地铁、隧道、水利等各种防水工程。
产品特点:树脂类高分子优异的物理性能与高分子自粘层稳定的粘接性使PAS高分子自粘防水卷材具备以下特色:1、防水机理的提升:与基面密贴、粘结力强、随附性好,有效防止串水层的出现,从单一片材式隔水变成了360°整体式密封隔水。
2、施工工法的提升:潮湿基面可直接施工,对施工基面要求低,安装方便、快捷,不受天气影响,节约工期。
我们知道聚乙烯防水卷材是一种高分子防水卷材,是以聚乙烯合成高分子材料加入稳定剂和抗老化剂等各种助剂与丙纶涤纶长丝无纺布,经过一系列生产过程生产出来的防水卷材,那聚乙烯丙纶防水卷材和聚乙烯涤纶防水卷材又有什么区别呢?下面我们可以一起来探讨学习一下。
相同点:1、聚乙烯丙轮防水卷材和聚乙烯涤纶防水卷材指标是相同的。
2、聚乙烯丙纶防水卷材和聚乙烯涤纶防水卷材在施工时的使用方法相同。
3、聚乙烯丙纶防水卷材和聚乙烯涤纶防水卷材主体材料是聚乙烯膜。
不同点:1、从表面材料来看,聚乙烯涤纶防水卷材表层材料是涤纶无纺布,外露绒丝较长,而聚乙烯丙纶防水卷材表层材料是丙纶无纺布,外露绒丝较短。
2、聚乙烯丙纶防水卷材是按照克数来分类的,而聚乙烯涤纶防水卷材是按照厚度来分类的。
综上所述:聚乙烯丙纶防水卷材和聚乙烯涤纶防水卷材虽然同属于聚乙烯高分子防水卷材,但是也不不同点,如果您还想要了解其他信息,欢迎您前来咨询鹏盛防水,鹏盛防水欢迎广大新老客户前来咨询订购。
如果您想要咨询聚乙烯丙纶防水卷材,聚乙烯涤纶防水卷材,聚乙烯高分子防水卷材,丙纶自粘防水卷材,涤纶自粘防水卷材就来鹏盛防水,厂家直销,品质保证,价格优惠,买聚乙烯高分子防水卷材就来鹏盛防水,鹏盛防水欢迎广大新老客户前来咨询订购。
HDPE高分子自粘胶膜防水卷材1. 简介HDPE高分子自粘胶膜防水卷材是一种用于地下工程、屋面工程和隧道工程等防水施工的材料。
该卷材采用高密度聚乙烯(HDPE)材料制成,具有自粘性胶层,可以方便地与基层粘结,形成可靠的防水层。
本文将详细介绍HDPE高分子自粘胶膜防水卷材的特点、应用、施工方法以及优势。
2. 特点2.1 高分子材料HDPE高分子自粘胶膜防水卷材的材料是经过特殊处理的高密度聚乙烯,具有优异的抗渗透性和耐久性。
它能够有效地阻止水分的渗透,确保工程的可靠性和长期使用寿命。
2.2 自粘性胶层该卷材的一面覆盖有自粘性胶层,方便施工人员直接将卷材粘贴到基层上。
自粘性胶层具有良好的粘结性,能够与基层紧密结合,形成坚固的防水层。
2.3 耐候性HDPE高分子自粘胶膜防水卷材具有优异的耐候性,能够在各种恶劣的气候条件下保持稳定的性能。
它不会受到阳光、雨水、冰雪等因素的影响,能够长时间保持防水效果。
2.4 耐化学性该卷材具有良好的耐化学性,可以抵抗酸碱等化学物质的侵蚀。
这使得它在化工装置、储罐等场合的防水施工中具有独特的优势。
3. 应用领域HDPE高分子自粘胶膜防水卷材广泛应用于以下领域:•地下工程:如地下室、地下车库等的防水施工;•屋面工程:用于建筑物的屋面防水层;•隧道工程:用于隧道的内壁防水层。
4. 施工方法HDPE高分子自粘胶膜防水卷材的施工方法如下:4.1 表面处理在施工前,确保基层表面平整、干净。
若有凸起的部分或杂物,应进行清理和修整,以保证卷材能够完全贴合基层。
4.2 卷材铺设将HDPE高分子自粘胶膜卷材平铺在基层上,并用压力工具将卷材固定在基层上。
确保卷材的每一部分都能紧密地贴合基层,避免出现空隙。
4.3 卷材之间的接缝处理当需要铺设多张卷材时,卷材之间的接缝需要特别处理。
首先,将接缝处的胶层剥离,使自粘性胶层裸露出来。
然后,将下一张卷材覆盖在接缝处,将两张卷材的自粘性胶层粘合在一起。
4.4 角部和细部的处理对于角部和细部的处理,需要根据具体情况进行施工。
聚乙烯丙纶高分子防水卷材
目录[隐藏]
技术专利号
产品的构造特点
产品使用特点
复合卷材粘接机理
产品技术指标
产品执行标准
性能优势
其它产品比较
聚乙烯丙纶高分子复合防水卷材
[编辑本段]
技术专利号
国家专利产品(专利号:89 1 08466. 5)
[编辑本段]
产品的构造特点
1、三层式结构,表面增强
2、芯层--主防水层采用了支比度较高(大分子侧链多)的线性低密度聚乙烯(LLDPE),其延伸性、不透水性、柔软性、抗穿刺性、耐低温性能较好。
3、表面为丙纶(涤纶)无纺布,通过与芯层的复合,解决了聚乙烯线胀系数大的不足。
增加了产品表面的粗糙度,提高了产品的摩擦系数,并使复合卷材的粘接问题得以解决,实现了水泥粘接。
[编辑本段]
产品使用特点
高分子复合防水卷材属于合高分子防水卷材系列,它除了完全具有合成高分子卷材的全部优点外,其自身最突出的特点,在于其表面的网状结构,使其具有了自己独特的使用性能--水泥粘接。
因高分子复合卷材可用水泥直接粘接,因此在施工过程中不受基层含水率的影响,只要无明水即可施工。
这是其他防水卷材所不具备的。
由于高分子复合卷材标面粗糙、摩擦系数大,在水利工程应用时,可直接埋设在砂土中,具有足够的稳定性。
由于高分子复合卷材可与水泥材料在凝固过程中直接粘接,因此可直接设计在水泥材料的结构中。
[编辑本段]
复合卷材粘接机理
粘贴时卷材时,粘接胶渗透到高分子复合卷材表面网架状结构的纤维层中,待粘接胶固化后将纤维包覆住,形成了强大的机械铆固力将复合卷材与基层(构筑体)牢牢地粘接在一起。
高分子复合卷材采用水泥胶与基层粘贴。
为改善水泥胶的和易性、保水性,提高水泥固化后的抗渗性,在制做水泥胶时,要求在水泥中添加专用配套胶。
提高水泥保水性能,使水泥胶的水份在使用时不至于很快被基层吸干,便于施工操作,同时又保证了水泥固化时所需的水份。
专用胶粘剂是我公司针对高分子复合防水卷材的特性专门研制的,该产品与水泥混配成的水泥胶具有较高的粘接强度,专门用于我公司高分子复合防水卷材的粘贴。
[编辑本段]
产品技术指标
1、拉伸强度:在规定的试验条件下,沿试样纵轴方向施加拉伸载荷,至试样断裂破坏时的最大载荷。
用每厘米牛顿(N/cm)表示,≥60。
2、断裂伸长率:在规定的试验条件下,沿试样纵轴方向施加拉伸载荷,至试样断裂破坏时所拉试样的长度与原试样的长度之比。
≥400%。
3、抗渗透性:在规定的试验条件下,试样在有约束的动力水压下,在规定时间和压力下的不透水特性。
0.3Mpa 30min不透水(0.3兆帕,30分钟)。
4、低温弯折:在一定的温度下,把试样放在弯折仪上,做180度的对折,无裂纹。
5、热空气老化:使试样在规定的温度下在热空气作用下经过一定的时间后(80℃,168h),再测定其物理、机械等性能的变化。
( 拉伸强度:≥80%、伸长率:≥70%)。
6、耐化学性:在化学介质中,将试样放置一定时间后再测定其物理、机械等性能的变化。
( 拉伸强度:≥80%、伸长率:≥80%)。
[编辑本段]
产品执行标准
GB18173.1-2006
[编辑本段]
性能优势
1 SBC120聚乙烯丙纶复合防水卷材满粘施工,不起鼓,杜绝横向窜水
SBC120聚乙烯丙纶复合防水卷材双面实现满粘施工在保护层的作用下,能有效避免老化,不起鼓,不横向窜水.
2 SBC120聚乙烯丙纶复合防水卷材与基层形成整体防水结构
3 SBC120聚乙烯丙纶复合防水卷材雨天可施工,保证工程进度
使用聚合物水泥粘贴,可在雨天(含水率50%以上)施工。
SBC120聚乙烯丙纶复合防水卷材不受基层含水率低于9%的限制,保证施工进度。
4 水泥粘接,独一无二
SBC120聚乙烯丙纶复合防水卷材最突出的特点是表面粗糙均匀、易粘接,适合与多种材料的基层粘合,可与水泥材料在凝固过程中直接粘合,粘接剥离强度15N/cm,这是其它防水材料所不具备的性能。
SBC120聚乙烯丙纶复合防水卷材可以稳定的在垂直位置粘接附设,可以稳定的在倒水平面粘接附设,并且可以在外表面进行装修施工(如水泥沙浆抹面、粘贴瓷砖或马赛克等)。
5 全防护系统防水,实现最长防水寿命
与建筑物的基层实现了很好的结合,使SBC120聚乙烯丙纶复合防水卷材与基层一体化。
6 配套节点型材,杜绝节点渗漏
独有的配套节点型材,节点部位重点防护,杜绝节点渗漏。
[编辑本段]
其它产品比较
1、优势:水泥粘接、冷施工,均质性好,接缝方便可采用水泥搭接、聚氨酯胶接缝、热熔焊接、盖条接缝。
耐老化(有保护施工)、易施工,对基层含水率要求低,适应工程变形能力强,施工质量保证率高。
2、劣势:因产品较薄耐穿刺能力差,弹性小复杂基层适应性差(相对于涂膜),耐热性稍差(相对于刚性防水)。
3、与其他防水材料配合使用情况:严禁使用含有有机溶剂的胶粘剂。
如:玛碲脂、冷胶料、焦油型聚氨酯、氯丁胶水、丁基橡胶水、聚氯乙烯油膏等。
不能与沥青卷材、改沥青卷材直接配合使用,与其他类防水材料配合使用时,必须做好界面处理,并且能够保证使用水泥胶和低粘度聚氨酯进行粘接。
两层卷材及卷材接缝的粘接不能使用水乳型和水溶型胶粘剂(水分无法挥发)。