抽油机调平衡计算模型(2)
- 格式:doc
- 大小:868.36 KB
- 文档页数:21
抽油机调整平衡一、准备工作1、劳保齐全2、安全警示牌、安全带一副、试电笔(500V)一只、钳形电流表一个、绝缘手套一双、笔、纸、计算器、专用固定扳手一把、固定扳手、活动扳手(375mm)一把、专用机轮一把、钢板尺、钢丝刷一把、画笔、螺丝刀一把、撬杠、棉纱若干、黄油若干、大锤3.75kg一把二、操作前检查1、检查操作平台是否固定良好2、检查井口流程三. 调整平衡操作步骤1 、检查井口流程、管线伴热、井下加热是否正常、刹车装置是否灵活好用2 、检查试电笔、钳形电流表是否完好,测量抽油机启动柜是否带电,戴绝缘手套侧身开门,测量抽油机上下行电流峰值,准确度数记录3 、计算平衡率,判断调整方向、距离,平衡率=下电流/上电流*100%, (85%-115%)4 、带绝缘手套侧身按停止按钮,将曲柄停到水平位置刹紧刹车,侧身断电,挂警示牌,扣刹车锁5 、清理牙槽,画线预调位置6 、卸掉锁块,卸松平衡块螺丝螺帽,先低后高,注意不要卸掉,松锁紧块螺帽7 、侧面站立用专用机轮将平衡块调整到预定位置8 、放入锁块,调整平衡块,紧固平衡块螺母,先高后低,紧固锁块螺母及被帽9 、清理平衡块,紧固螺母,画安全线、涂抹黄油10 、松刹车锁块,检查抽油机周围有无障碍物,及管线加热、井下加热是否正常,缓慢松开刹车,带绝缘手套侧身合闸,按绿色启动按钮进行起机,利用抽油机惯性二次启动,检查紧固螺母11 、用钳形电流表测量上下行电流峰值,计算平衡率12 、收拾工具、清理现场注意事项1、在操作平台操作时必须系安全带2、停机平衡块角度上下不大于水平角度5度3、卸平衡块锁块时应站在水平高面位置侧身4、使用机轮摇动平衡块时应侧身站立,双手回拉5、工具、量具、用具正确使用,以免造成人员伤害,工器具损坏6、检查紧固率。
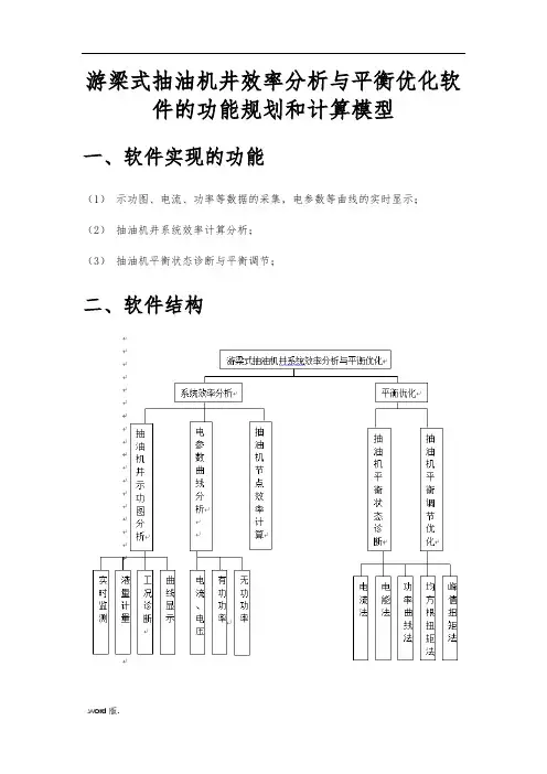
游梁式抽油机井效率分析与平衡优化软件的功能规划和计算模型一、软件实现的功能(1)示功图、电流、功率等数据的采集,电参数等曲线的实时显示;(2)抽油机井系统效率计算分析;(3)抽油机平衡状态诊断与平衡调节;二、软件结构1、抽油机井示功图分析从示功图取点求得产液量、上下冲程时间、平均载荷,最大、最小载荷,冲程,冲次、功图面积、工况分析。
(分析示功图,得到计算系统效率及调平衡所需要的重要数据)由示功图推算上下冲程时间的方法:抽油机一个冲程周期的计算公式:60T n =;n 为冲次上冲程和下冲程的具体时间,根据示功图上位移点进行推导,判断准则是: 上冲程判断准则:如果(If )某一点的位移为最小,那么(Then )该点为上冲程起点。
(若位移为最小的点有多点,以首次出现的最小点为准);如果(If )某一点位移为最大,那么(Then )该点为上冲程结束点。
(若位移为最大的点有多个,以首次出现的位移最大点为准)。
计算从首次出现最小点到首次出现位移最大点的点数和,此值与示功图总点数的比值,再与一个冲程周期相乘,即为上冲程时间。
设总数是N ,推算得到的上冲程点数为n 上,下冲程点数为n 下,上冲程时间为:n t T N =⨯上上, t T t =-下上平均载荷的计算是利用仪器采集的各点的载荷的平均值, 其他的参数利用已有软件即可得到。
2、电参数曲线分析电流、电压、有功功率、功率因数曲线显示,上冲程最大电流、下冲程最大电流,上冲程最大功率、下冲程最大功率,最大功率对应曲柄转角的数值显示;三、系统效率及功率的计算分析1、有效功率计算将井内液体输送到地面所需要的功率为机械采油井的有效功率① 已知数据:实际产液量Q ,m 3/d (调用示功图分析里的数据);含水率w f ,%(已知数据);油的密度0ρ,t/ m 3(已知数据); 水的密度w ρ,t/m 3(已知数据)。
井液密度ρ,t/m 3(若不能测得,利用()o w w w f f ρρρ-+=1计算);重力加速度g (=9.81),m/s 2; 动液面深度H ,m (采用软件中的数据);油压p t ;套压p c ,Mpa (传感器测量得到的数据);抽油机系统的有效功率86400Q g P ρ⨯⨯=⨯有效(()1000t c p p H g ρ-⨯+⨯)2、抽油机井系统的输入功率拖动抽油机的电机输入功率为抽油机输入功率。
优化抽油机平衡率调整方法摘要:抽油机平衡率调整是抽油机节能的一项最有效快捷方法。
目前通用办法是移动曲柄平衡块位置来调整平衡,存在弊端:没有细化和挖掘节能潜力。
为此我们对抽油机功率曲线、地面示功图、利用平衡块重量、上行功率、下行功率、冲次四个参数,计算抽油机的平衡块调整尺度。
提高了工作效率,把抽油机节能达到了最大化。
前言研究并提供一种抽油机平衡率调整方法,包括:对抽油机进行实测以获取抽油机的功率曲线图和地面功图;通过抽油机的功率曲线图和地面功图,利用平衡块重量、上行功率、下行功率、冲次四个参数,计算抽油机的平衡块调整尺度。
上述技术方案提出了一种抽油机平衡率调整方法,能够更为根据平衡块重量、上行功率、下行功率、冲次四个参数计算抽油机的平衡块调整尺度,从而提高抽油机的工作效率,降低能耗。
石油在目前阶段还是不可替代的重要物质,因此石油开采技术和管理技术一直是研究重点。
国内的油田生产普遍具有地域分散、环境恶劣、设备运转时间长的特点,因此需要投入大量的人力物力进行设备维护,并试图对设备进行改进以提高设备的工作效率,达到最佳采油/能耗比。
其中游梁式抽油机是原油生产的主要设备,采用游梁式抽油机的油井数量是总采油井数量的82%,耗电量占采油井总耗电量的89%以上,由此可以看出提高游梁式抽油机的工作效率是当前油田设备升级的重要环节。
通过大量研究可以发现,现有的游梁式抽油机的平衡对游梁式抽油机的举升能耗的影响较大,因此游梁式抽油机的工作是否处于平衡状态对节能降耗具有非常重要的意义;其中平衡就是指电动机在上下行程中都做正功,且在上下行程中做功相等。
目前的研究中,对游梁式抽油机的平衡调节主要有电流法、扭矩曲线法、功率。
1、电流法使用电流法判断抽油机平衡的标准是利用抽油机井运动时下冲程电动机最大电流与上冲程最大电流的比,以百分数表示:Ψ=I下max/I上max×100%,式中,Ψ为抽油机平衡度(%),I下max为下冲程最大电流(A),I上max为上冲程最大电流(A)。
游梁式抽油机调平衡三种方法的计算与比较摘要:目前江汉采油厂98%以上的油井,采用的是机械采油,而其中90%以上的机采井,使用的是游梁式抽油机(以下简称抽油机)。
确保抽油机在平衡状态下工作,不仅仅可以节约大量能耗,而且可以延长抽油机设备的寿命,优化井下工况,间接提高油井产量。
因此调整抽油机平衡是各采油站日常设备管理中的重点工作。
抽油机调平衡大致可分为电流法、电能法、示功图法、功率法、扭矩法。
本文提供了常用的电流法、扭矩法和功率法三种方法的计算和比较。
关键词:游梁式抽油机;平衡;电流法;扭矩法;功率法1、抽油机平衡基本原理、定义及判断抽油机下冲程过程中悬点载荷以及电动机所做的功储存起来,下冲程储存的能量释放出来帮助电动机带动悬点运动做功。
这就是抽油机平衡的基本原理。
根据《QSY1233-2009游梁式抽油机平衡及操作规范》中对抽油机的平衡状态的描述:指抽油机减速器扭矩最小的状态,也就是减速器扭矩均方值最小的状态,或者上、下冲程中减速器扭矩峰值最小的状态。
通俗地说抽油机平衡必然满足上、下冲程电机做功相等。
而抽油机在日常生产中由于自身的工况特点,其驴头悬点承受交变载荷,上冲程,抽油机驴头承受抽油泵活塞截面以上液体、抽油杆柱自身的重量、以及惯性、摩擦、振动等负荷。
下冲程时,抽油机驴头仅承受抽油杆柱在井液中的重量及少量的摩擦、惯性等负荷。
其上、下冲程负荷差别非常大,抽油机无法正常运行,为了保证抽油机正常运行,通常采用游梁平衡、曲柄平衡、复合平衡、气动平衡的方法。
而对大型抽油机常用曲柄平衡(本文所讲到平衡调整所针对的就是曲柄平衡游梁抽油机)。
对于是否平衡,判断主要依据有观察法、上下冲程时间法、电流法、扭矩法、功率法等,观察法、上、下冲程时间法虽可粗略地判断抽油机是否平衡,但无法给出调整平衡的具体数值。
电流法、扭矩法、功率法不仅能计算出当前抽油机的平衡率,而且还可以算出达到平衡条件所需要移动平衡块的距离,在现场得到广泛运用。
游梁式抽油机井效率分析与平衡优化软件的功能规划和计算模型一、软件实现的功能(1)示功图、电流、功率等数据的采集,电参数等曲线的实时显示;(2)抽油机井系统效率计算分析;(3)抽油机平衡状态诊断与平衡调节;二、软件结构1、抽油机井示功图分析从示功图取点求得产液量、上下冲程时间、平均载荷,最大、最小载荷,冲程,冲次、功图面积、工况分析。
(分析示功图,得到计算系统效率及调平衡所需要的重要数据)由示功图推算上下冲程时间的方法: 抽油机一个冲程周期的计算公式:60T n =;n 为冲次上冲程和下冲程的具体时间,根据示功图上位移点进行推导,判断准则是: 上冲程判断准则:如果(If )某一点的位移为最小,那么(Then )该点为上冲程起点。
(若位移为最小的点有多点,以首次出现的最小点为准);如果(If )某一点位移为最大,那么(Then )该点为上冲程结束点。
(若位移为最大的点有多个,以首次出现的位移最大点为准)。
计算从首次出现最小点到首次出现位移最大点的点数和,此值与示功图总点数的比值,再与一个冲程周期相乘,即为上冲程时间。
设总数是N ,推算得到的上冲程点数为n 上,下冲程点数为n 下,上冲程时间为:n t T N =⨯上上, t T t =-下上平均载荷的计算是利用仪器采集的各点的载荷的平均值, 其他的参数利用已有软件即可得到。
2、电参数曲线分析电流、电压、有功功率、功率因数曲线显示,上冲程最大电流、下冲程最大电流,上冲程最大功率、下冲程最大功率,最大功率对应曲柄转角的数值显示;三、系统效率及功率的计算分析1、有效功率计算将井液体输送到地面所需要的功率为机械采油井的有效功率 ① 已知数据:实际产液量Q ,m 3/d (调用示功图分析里的数据); 含水率wf ,%(已知数据);油的密度0ρ,t/ m 3(已知数据);水的密度w ρ,t/m 3(已知数据)。
井液密度ρ,t/m 3(若不能测得,利用()ow w w f f ρρρ-+=1计算);重力加速度g (=9.81),m/s 2;动液面深度H ,m (采用软件中的数据); 油压p t ;套压pc,Mpa (传感器测量得到的数据);抽油机系统的有效功率86400Q g P ρ⨯⨯=⨯有效(()1000t c p p H g ρ-⨯+⨯)2、抽油机井系统的输入功率拖动抽油机的电机输入功率为抽油机输入功率。
第三章有杆泵采油第三节游梁式抽油机的平衡一、抽油机平衡原理(一)抽油机不平衡的原因:抽油机在工作过程中悬点承受的是不对称的脉动载荷,上冲程载荷很大,下冲程载荷较小,这样就会造成上冲程电动机做功很大,下冲程电机做负功,即悬点拉着电机旋转。
因此也就会造成抽油机不平衡。
(二)抽油机不平衡的危害:抽油机运转不平衡,影响电机的工作效率,使电机的功率因数降低,加大电机的功率损耗,减小电机的寿命;抽油机运转不平衡会使抽油机发生振动,严重时会造成翻抽油机的恶性事故,影响抽油机的寿命。
因此抽油机必须利用平衡装置调节达到运转平衡。
(三)平衡原理1.平衡原则及平衡条件抽油机达到平衡的原则是:(1)电动机在上下冲程中做功相等;(2)上、下冲程中电机的电流峰值相等;(3)上、下冲程中的曲柄轴峰值扭矩相等。
抽油平衡原理,如图3-31所示:在抽油机游梁后端加一重物,在下冲程中电机和下冲程的悬点载荷一起对重A:物做功,把重物升高储存位能w,md d w A A A +=则得到电机在下冲程中做的功为:d w md A A A -=式中 w A —— 下冲程中悬点载荷和电机对平衡系统做的功,即平衡系统储存的能量;d A —— 悬点在下冲程中做的功; md A —— 电机在下冲程中做的功。
在上冲程中平衡系统放出能量,帮助电机对悬点做功: mu w u A A A += 则得电机在上冲程中做的功为:W u mu A A A -= 式中 u A —— 悬点在上冲程中做的功;mu A —— 电机在上冲程中做的功。
根据第一条平衡原则: md mu A A = 即w u d w A A A A -=-可得到平衡系统在下冲程中应储存的能量为:2du w A A A +=(3-50) 上式说明抽油机的平衡条件为:平衡系统下冲程中储存的能量要等于悬点在上、下冲程中做功之和的一半。
2.平衡系统要达到平衡需要的平衡功当只考虑静载荷做功时,悬点在上冲程中做的功为:s W W A L r u )('+'=;下冲程做的功为:s W A r d '=。
游梁式抽油机井效率分析与平衡优化软件的功能规划和计算模型一、软件实现的功能(1)示功图、电流、功率等数据的采集,电参数等曲线的实时显示;(2)抽油机井系统效率计算分析;(3)抽油机平衡状态诊断与平衡调节;二、软件结构1、抽油机井示功图分析从示功图取点求得产液量、上下冲程时间、平均载荷,最大、最小载荷,冲程,冲次、功图面积、工况分析。
(分析示功图,得到计算系统效率及调平衡所需要的重要数据)由示功图推算上下冲程时间的方法: 抽油机一个冲程周期的计算公式:60T n;n 为冲次上冲程和下冲程的具体时间,根据示功图上位移点进行推导,判断准则是: 上冲程判断准则:如果(If )某一点的位移为最小,那么(Then )该点为上冲程起点。
(若位移为最小的点有多点,以首次出现的最小点为准);如果(If )某一点位移为最大,那么(Then )该点为上冲程结束点。
(若位移为最大的点有多个,以首次出现的位移最大点为准)。
计算从首次出现最小点到首次出现位移最大点的点数和,此值与示功图总点数的比值,再与一个冲程周期相乘,即为上冲程时间。
设总数是N ,推算得到的上冲程点数为n 上,下冲程点数为n 下,上冲程时间为:n t T N =⨯上上, t T t =-下上平均载荷的计算是利用仪器采集的各点的载荷的平均值, 其他的参数利用已有软件即可得到。
2、电参数曲线分析电流、电压、有功功率、功率因数曲线显示,上冲程最大电流、下冲程最大电流,上冲程最大功率、下冲程最大功率,最大功率对应曲柄转角的数值显示;三、系统效率及功率的计算分析1、有效功率计算将井内液体输送到地面所需要的功率为机械采油井的有效功率 ① 已知数据:实际产液量Q ,m 3/d (调用示功图分析里的数据); 含水率wf ,%(已知数据);油的密度0ρ,t/ m 3(已知数据);水的密度w ρ,t/m 3(已知数据)。
井液密度ρ,t/m 3(若不能测得,利用()ow w w f f ρρρ-+=1计算);重力加速度g (=9.81),m/s 2;动液面深度H ,m (采用软件中的数据);油压p t ;套压pc,Mpa (传感器测量得到的数据);抽油机系统的有效功率86400Q gP ρ⨯⨯=⨯有效(()1000t c p p H g ρ-⨯+⨯)2、抽油机井系统的输入功率拖动抽油机的电机输入功率为抽油机输入功率。
游梁式抽油机井效率分析与平衡优化软件的功能规划和计算模型一、软件实现的功能(1)示功图、电流、功率等数据的采集,电参数等曲线的实时显示;(2)抽油机井系统效率计算分析;(3)抽油机平衡状态诊断与平衡调节;二、软件结构1、抽油机井示功图分析从示功图取点求得产液量、上下冲程时间、平均载荷,最大、最小载荷,冲程,冲次、功图面积、工况分析。
(分析示功图,得到计算系统效率及调平衡所需要的重要数据)由示功图推算上下冲程时间的方法: 抽油机一个冲程周期的计算公式:60T n =;n 为冲次上冲程和下冲程的具体时间,根据示功图上位移点进行推导,判断准则是: 上冲程判断准则:如果(If )某一点的位移为最小,那么(Then )该点为上冲程起点。
(若位移为最小的点有多点,以首次出现的最小点为准);如果(If )某一点位移为最大,那么(Then )该点为上冲程结束点。
(若位移为最大的点有多个,以首次出现的位移最大点为准)。
计算从首次出现最小点到首次出现位移最大点的点数和,此值与示功图总点数的比值,再与一个冲程周期相乘,即为上冲程时间。
设总数是N ,推算得到的上冲程点数为n 上,下冲程点数为n 下,上冲程时间为:n t TN =⨯上上, t T t =-下上 平均载荷的计算是利用仪器采集的各点的载荷的平均值, 其他的参数利用已有软件即可得到。
2、电参数曲线分析电流、电压、有功功率、功率因数曲线显示,上冲程最大电流、下冲程最大电流,上冲程最大功率、下冲程最大功率,最大功率对应曲柄转角的数值显示;三、系统效率及功率的计算分析1、有效功率计算将井内液体输送到地面所需要的功率为机械采油井的有效功率 ① 已知数据:实际产液量Q ,m 3/d (调用示功图分析里的数据); 含水率w f ,%(已知数据);油的密度0ρ,t/ m 3(已知数据);水的密度w ρ,t/m 3(已知数据)。
井液密度ρ,t/m 3(若不能测得,利用()ow w w f f ρρρ-+=1计算);重力加速度g (=9.81),m/s 2;动液面深度H ,m (采用软件中的数据); 油压p t ;套压pc,Mpa (传感器测量得到的数据);抽油机系统的有效功率86400Q g P ρ⨯⨯=⨯有效(()1000t c p p H g ρ-⨯+⨯)2、抽油机井系统的输入功率拖动抽油机的电机输入功率为抽油机输入功率。
抽油机井平衡合格率
1、抽油机井平衡度
抽油机井稳定运行过程中,下冲程时的最大电流与上冲程时最大电流比值。
(80—100%合理,小于80%欠平衡,大于100%超平衡)。
平衡度=(I下行峰值/I上行峰值)×100%
采液用电单耗:油井采出每吨液的用电量,单位Kw。
h/t
采液用电单耗=W/Q
式中:W—油井日耗电量,Kw;Q—油井日产液量,t3/d
2、抽油机井平衡度合格率:
抽油机井平衡度达标的井数占总开井数的比值。
抽油机井平衡度合格率=(S合格/S总)×100%
式中:S合格-抽油机井平衡度达标的井数;
S总—抽油机开井总数。
三、抽油机井泵效
抽油机井的实际产液量与泵的理论排量的比值叫做泵效。
η=(Q实/Q理)×100%;
式中:η-泵效(%)Q实—指核实日产液量(m3/d);
Q理—泵理论排液量(m3/d);
其中:Q理=1。
1304×10—3×S×N×D2
式中:S—冲程(m)N—冲数(n/m)D—泵径(mm);
四、采液用电单耗
油井采出每吨液的用电量,单位Kw。
h/t
采液用电单耗=W/Q
式中:W—油井日耗电量,Kw;Q—油井日产液量,t3/d。
新型抽油机载荷、扭矩计算公式及平衡调整方法一、抽油机载荷、扭矩计算公式1、双驴头抽油机:悬点最大载荷:P max =(P’液+ P’杆)×(1+Sn2/2390) kN悬点最小载荷:P min =P’杆(1-Sn2/1470)kN减速器曲柄轴最大扭矩:M max =0.22S(P max-P min)kN.m2、高原皮带式抽油机:悬点最大载荷:P max= P’液+ P’杆kN悬点最小载荷:P min = P’杆kN减速器输出轴最大扭矩:M max= 0.5R(P max-P min)=0.5R P’液kN.m平衡箱总配重:P配= 0.5(P max+P min) kN式中:P’液—抽油泵柱塞全断面上的液柱重力(沉没度太大时要考虑动液面深度),kN;☆P’液=ρf gLA Qρf—井液密度,t/m3;g—重力加速度(=9.81m/s2);A Q—柱塞全断面积,m2;L——下泵深度,m;P’杆—抽油杆在井液中的重力,kN;☆P’杆=9.81×10-3L P杆(1-ρf/ρr)P杆—每米抽油杆在空气中的重量,kgρr—抽油杆密度(对钢杆ρr=7.85t/m3)ArrayS—冲程长度,m;n—冲程次数, min-1R—悬绳器驱动摩擦轮节圆半径,m;二、双驴头抽油机平衡调整双驴头抽油机安装前应根据油井井况和抽油机工况,初步估算平衡块的组合和平衡块的位置,以避免出现严重的不平衡现象。
投产后,应根据曲柄轴实际净扭矩情况,调整平衡,以保证抽油机在最佳状态下工作,现介绍两种平衡调整的计算方法。
1、安装前初步估算平衡(1)估算所需的平衡力矩M平(据已有数据选用三式之一)M平=0.47×(P'杆-B+P'液/2)×S千牛吨·米M平=0.235×S×(Pmax+Pmin)千牛吨·米M平=0.51×(|M上max|+|M下min|)千牛吨·米式中:P'杆——抽油杆在油液中的重量(千牛吨)P'液——动液面以上,泵柱塞全断面上液柱的重量(千牛吨)S——所用冲程长度(米)M上max,M下min分别为上、下冲程悬点负荷在曲柄轴上产生的载荷扭矩代数和的最大、最小值(千牛顿·米)P′杆=q′LP′液=r·F·e·g Pmax·M上max=[Pmax -B]·TF100·M下min=[Pmin -B]·TF280·式中:q′—每米抽油杆在油液中的重量(千牛顿)L—泵挂深度(米)r—油液密度(千克/米3)e—动液面至井口的深度(米)F—泵柱塞断面积(米2)g—重力加速度值:取g=9.8米/秒2B—抽油机结构不平衡力(千牛顿),查抽油机铭牌或说明书的平衡力矩图解。
游梁式抽油机井效率分析与平衡优化软件的功能规划和计算模型一、软件实现的功能(1)示功图、电流、功率等数据的采集,电参数等曲线的实时显示;(2)抽油机井系统效率计算分析;(3)抽油机平衡状态诊断与平衡调节;二、软件结构1、抽油机井示功图分析从示功图取点求得产液量、上下冲程时间、平均载荷,最大、最小载荷,冲程,冲次、功图面积、工况分析。
(分析示功图,得到计算系统效率及调平衡所需要的重要数据)由示功图推算上下冲程时间的方法: 抽油机一个冲程周期的计算公式:60T n =;n 为冲次上冲程和下冲程的具体时间,根据示功图上位移点进行推导,判断准则是: 上冲程判断准则:如果(If )某一点的位移为最小,那么(Then )该点为上冲程起点。
(若位移为最小的点有多点,以首次出现的最小点为准);如果(If )某一点位移为最大,那么(Then )该点为上冲程结束点。
(若位移为最大的点有多个,以首次出现的位移最大点为准)。
计算从首次出现最小点到首次出现位移最大点的点数和,此值与示功图总点数的比值,再与一个冲程周期相乘,即为上冲程时间。
设总数是N ,推算得到的上冲程点数为n 上,下冲程点数为n 下,上冲程时间为:n t T N =⨯上上, t T t =-下上平均载荷的计算是利用仪器采集的各点的载荷的平均值, 其他的参数利用已有软件即可得到。
2、电参数曲线分析电流、电压、有功功率、功率因数曲线显示,上冲程最大电流、下冲程最大电流,上冲程最大功率、下冲程最大功率,最大功率对应曲柄转角的数值显示;三、系统效率及功率的计算分析1、有效功率计算将井内液体输送到地面所需要的功率为机械采油井的有效功率 ① 已知数据:实际产液量Q ,m 3/d (调用示功图分析里的数据); 含水率wf ,%(已知数据);油的密度0ρ,t/ m 3(已知数据);水的密度w ρ,t/m 3(已知数据)。
井液密度ρ,t/m 3(若不能测得,利用()ow w w f f ρρρ-+=1计算);重力加速度g (=9.81),m/s 2;动液面深度H ,m (采用软件中的数据); 油压p t ;套压pc,Mpa (传感器测量得到的数据);抽油机系统的有效功率86400Q g P ρ⨯⨯=⨯有效(()1000t c p p H g ρ-⨯+⨯)2、抽油机井系统的输入功率拖动抽油机的电机输入功率为抽油机输入功率。
cos /1000P ϕ=电机式中,P 电机—电源输入功率,Kw;U —定子线电压(可用采集电压),V ; I —定子线电流(可用采集电流),A ; ϕ—定子功率因数角,rad ; 3、光杆功率利用示功图面积进行折算。
(调用示功图分析里的数据)P =光杆地面示功图面积/T;60T n =n 为冲次4、泵功率由泵功图面积折算。
(调用示功图分析里的数据)P =泵泵功图面积/T;60T n =n 为冲次5、地面损失功率 ①数据 电机空载功率P 电机空载,kw ;光杆一个周期的平均载荷F ,KN ;冲程s ,/m 次;地面传动系数k ,(1或-1);n —冲次,min -1。
②模型2P P Fsnk =+地面损电机空载式中,P 电机空载为电机铭牌空载功率,kw ;F 为光杆一个周期的平均载荷,KN (调用示功图分析里的数据);s 为冲程,/m 次;n ,冲次; k 为地面传动系数(为1或-1),U 为电机输入电压,V 。
6、抽油机地面效率 ①数据电机输入电流I ,A ;电机输入电压U ,V ;功率因数cos ϕ;(调用电参数曲线图里的数据) 光杆功率P 光杆,kw ;利用示功图面积进行折算。
(调用示功图分析里的数据)冲程s ,m ;冲次n ,min -1。
② 模型P P η=入地面光杆(P )7、抽油机系统井下效率抽油机系统有效功率与光杆功率之比,/P P η=井下有效光杆。
8、抽油机井的系统效率 ①数据利用(1)和(2)式中的数据 ②模型P P η=有效入9、区块采油井的平均系统效率 ①数据机械采油井系统单井输入功率iP 入,kw ;机械采油井单井系统效率i η;区块机械采油井测试井数,n 。
②模型11niii a n ii PPηη==⋅=∑∑入入抽油机效率分析参考界面:有效功率、输入功率、光杆功率、泵功率、井下效率、地面损失功率、地面效率、系统效率、区块平均系统效率。
四、抽油机平衡分析优化1. 运转前平衡块的调节(1)曲柄平衡抽油机运转前平衡块的确定:(/2)42g l b bqW W G S G r r n G ++⨯-⨯⨯=⨯⨯P 杆—抽油杆在井液中的重量,kg ;W L —作用在抽油泵柱塞全截面的液柱量,kg ;(没有详细的计算方法) S- 抽油机冲程,m 。
G –抽油机的结构不平衡重,kg ;(抽油机参数里面有) r b –曲柄重心半径;G b –单个曲柄重; G Q -单块曲柄平衡块的重量,kg N –需安装平衡块数量,r- 平衡块重心至曲柄回转中心之距离 m抽油机平衡度:抽油机下行最大电流与上行最大电流之比, (2)新安装游梁平衡抽油机的游梁平衡块重量的计算对于游梁平衡的抽油机,其游梁平衡块的重量Gy 按下式计算:(/2)4g l b by yW W G S G r G H ++⨯-⨯⨯=式中: Wg — 抽油机井杆柱的重量,kg; Wl — 活塞上承受液柱的重量,kg; G — 抽油机的结构不平衡重,kg; S — 光杆冲程,m; Gb — 单块曲柄的重量,kg;r b — 曲柄重心到减速器输出轴的距离,m;Hy —游梁平衡块上下移动的高程差,m ,可按下式计算:sin()sin()22y y S S H L A A αα⎡⎤=⨯----⎢⎥⎣⎦式中: Ly — 抽油机平衡臂长度,m; A — 抽油机前臂长度,m; S — 光杆冲程,m;α— 游梁平衡角(下偏角),rad;(3).新安装复合平衡抽油机的平衡量的计算对于复合平衡的抽油机,其平衡方程如式所示:24(/2)q y y b b g l r n G G H G r W W G S⨯⨯⨯+⨯+⨯⨯=++⨯可以按上式确定最大的曲柄平衡位置或最大的游梁平衡块重量。
实际的曲柄平衡块位置和游梁平衡块重量,在上述最大值之间选取。
2.运转后平衡块调节采用不同的方法,计算平衡率,实现平衡状态诊断,调节平衡。
(1)平衡调节方法电流法、电能法、功率曲线法、均方根扭矩法、峰值扭矩法。
(2)平衡状态诊断 平衡率的计算平衡率在80%~110%,抽油机平衡状态好。
(3)平衡调节根据动态数据,计算需要调节的量,调整平衡块位置(正数据代表往外调,使平衡块远离曲柄轴;负数据代表往里调,使平衡块接近曲柄轴)。
(1)电流法利用模拟式钳形电流表测量电机上、下冲程中的电流峰值,下冲程峰值电流比上上冲程峰值电流,其比值即为平衡率。
①平衡率的计算100%=⨯下冲程峰值电流抽油机平衡率上冲程峰值电流电流平衡率在80%~110%,抽油机平衡状况好。
(上、下冲程的峰值电流调用电参数曲线里的数据)若上冲程最大电流大于下冲程最大电流,抽油机平衡不够,需要加平衡重或加大平衡半径,反之表示平衡重过大,要减小平衡重或平衡半径。
最大扭矩值T=3S+2.36S(F max —F min ) (经验公式) ③曲柄平衡重在目前位置应该移动的距离:cbT I I L W I I -=⨯+大下上下上( ) 上 下上下式中,I 上—驴头悬点上冲程最大电流,A ; I 下—驴头悬点下冲程最大电流,A ;U —上、下冲程最大电流对应的电机输入电压,V ;cbW —曲柄平衡块的总重量,t ;△R —曲柄平衡块在目前位置应该移动的距离,cm ;T 大—最大扭矩;N •m ;S —实测驴头冲程长度,m ;max F —悬点最大载荷,KN ,(maxF ,minF 示功图中得到)minF —悬点最小载荷,KN ,(2)电能法抽油机是否平衡通过电机上、下冲程中的输出电能是否相等即下冲程中功率曲线所包围的面积与上冲程中功率曲线所包围的面积比值加以判断。
①平衡率的计算cos cos t t t dt dtϕϕ=⎰⎰下上上下上抽油机平衡率×100%上、下冲程的时间调用示功图分析的数据。
平衡状态诊断:当平衡率小于80%,大于110%,抽油机处于不平衡状态。
不平衡时平衡半径的计算方法:max1max 2cb cbP P PR W W ωω-∆∆==式中:ω—曲柄角速度,rad/s ,cbW —平衡块总重量,N ;R ∆—平衡块移动量,m ;max1P —上冲程最大功率,kW ; max 2P —下冲程最大功率,kW ;(3)功率曲线法利用抽油机上、下冲程中电机输出的最大有功功率是否相等,来判断平衡状况。
①平衡度的计算100%⨯下冲程电机最大功率抽油机平衡度=上冲程电机最大功率平衡状态诊断:当平衡率小于80%,大于110%,抽油机处于不平衡状态。
③ 不平衡调节方法 方法一:不平衡时,可用下面的公式进行平衡半径调整。
平衡半径调整量:max1max 2max1max 29740()(sin sin )s cb P P R W n ηθθ-∆=-式中,R ∆—平衡块的位移量,m ;当R ∆为正的时候,平衡块远离曲柄轴中心;当R ∆为负的时候,平衡块移向曲柄轴中心;s η—皮带减速器的传动效率;(实验数据测试,皮带减速箱的平均效率为75.2%)max1P —上冲程最大功率,kW ; max 2P —下冲程最大功率,kW ;cbW —曲柄平衡块重,N ;n —光杆冲次,min -1;max1θ—上冲程最大功率时的曲柄转角,°;max 2θ—下冲程最大功率时的曲柄转角,°。
(上、下冲程电机最大有功功率及对应的曲柄转角调用电参数曲线里的数据) 如果需要调整平衡块时,按照下式计算平衡块的调整量:′′∆R'-加上(或去掉)一部分平衡块的平衡半径调整量,m R-原来的平衡半径,mW b ’-加上(或去掉)后的平衡块的总重,N 。
方法二:平均功率的计算:/212N ei P P N =∑上/212NeiN P PN+=∑下 (N:数据的组数)平衡半径调整的计算:8q SR n G N ∆=⨯⨯⨯SN — 光杆冲次,1/min;qG — 单块曲柄平衡块的重量,kN;n—准备移动的曲柄平衡块的数目,0.8~0.9。
(4)均方根扭矩法利用抽油机整个冲程中减速箱曲柄轴扭矩均方根值最小的原则来判断平衡状态。
① 平衡率的计算由于电机的负载扭矩不易测量,电机功率易于测量。
常规电机的转差不大,转速变化很小,可认为电机转速及曲线轴角速度是一个常数,曲柄转矩与电机输入功率成正比。
cos /100%cos /t t t dt t dt t ϕϕ=⨯⎰⎰上上下下上上下冲程电机平均功率抽油机平衡度=上冲程电机平均功率(上、下冲程的时间调用示功图分析的数据)。