干作业成孔灌注桩检验批质量验收记录
- 格式:xls
- 大小:25.00 KB
- 文档页数:1
010405 0 1 工程名称常州凯宏铝业有限公司综合楼分项工程名称地基与基础验收部位A/2轴1#桩施工单位xx项目经理xx分包单位/ 分包项目经理/施工执行标准名称及编号建筑地基基础工程施工工艺标准GB50007-2002施工质量验收规范的规定施工单位检查评定记录监理(建设)单位验收记录主控项目1 桩位第5.1.4条√2 孔深(mm) +300 √3 桩体质量检验设计要求√4 混凝土强度设计要求√5 承载力设计要求√一般项目1 垂直度第5.1.4条√2 桩径第5.1.4条√3 泥浆比重(粘土或砂性土中) 1.15~1.20 /4 泥浆面标高(高于地下水位)(m)0.5~1.0 / 5沉渣厚度:端承桩(mm)磨擦桩(mm)≤50≤150/ 6混凝土坍落度:水下灌注(mm)干施工(mm)160~22070~100√7 钢筋笼安装深度(mm)±100 √8 混凝土充盈系数>1 √9 桩顶标高(mm)+30,-50 √施工单位检查评定结果专业工长(施工员)施工班组长主控项目和一般项目均符合设计和施工规范的要求,经检查评定合格。
项目专业质量检查员:年月日监理(建设)单位验收结论专业监理工程师:(Ⅱ)010405 0 2 单位(子单位)工程名称郴州经济技术开发区湘南高新园一期标准厂房8#厂房分部(子分部)工程名称地基与基础验收部位A/3轴2#桩施工单位江西昌厦建设工程集团郴州分公司项目经理唐海根分包单位/ 分包项目经理/施工执行标准名称及编号建筑地基基础工程施工工艺标准GB50007-2002施工质量验收规范的规定施工单位检查评定记录监理(建设)单位验收记录主控项目1 桩位第5.1.4条√2 孔深(mm) +300 √3 桩体质量检验设计要求√4 混凝土强度设计要求√5 承载力设计要求√一般项目1 垂直度第5.1.4条√2 桩径第5.1.4条√3 泥浆比重(粘土或砂性土中) 1.15~1.20 /4 泥浆面标高(高于地下水位)(m)0.5~1.0 / 5沉渣厚度:端承桩(mm)磨擦桩(mm)≤50≤150/ 6混凝土坍落度:水下灌注(mm)干施工(mm)160~22070~100√7 钢筋笼安装深度(mm)±100 √8 混凝土充盈系数>1 √9 桩顶标高(mm)+30,-50 √施工单位检查评定结果专业工长(施工员)施工班组长主控项目和一般项目均符合设计和施工规范的要求,经检查评定合格。
冲孔灌注桩成孔施工验收记录
工程名称:工程编号: 施工单位:桩号:施工机台: 钻机类型:
护筒顶标高:设计桩顶标高:设计桩径:1000mm 序号检查内容质量标准施工员检查结果质检员检查结果
1 孔径符合设计要求
2 桩长符合设计要求
3 进口 ?1.15
清孔后泥
浆比重
4 出口 ?1.30
冲孔灌注桩施工记录
桩开孔终孔孔径护筒泥浆比重孔深(m)备注号时间时间 (mm) 埋深(m) (进口)
块石回填层
土层
强风化基岩
中风化基
微风化基岩
合计:
施工员:检查时间: 年月日时
验收意见
经对号桩的成孔情况及隐蔽工程和清孔质量检查,符合设计规范要求,同意终孔,可进行提钻及混凝土的灌注工作。
质检员:复验时间: 年月日时建设单位: 勘察单位: 监理:。
华润电力贵州煤电一体化大方电厂(2×660MW)新建工程
回旋钻灌注桩成孔工程检验批质量验收记录
工程编号:020102 电土验表:5.4.23 单位(子单位)
工程名称
厂区挡墙及护坡分部(子分部)工程桩板式挡土墙
分项工程名称混凝土灌注桩成孔工程验收部位ZH214、ZH212
施工单位中建五局第三建设
有限公司
项目经理谢佑华项目技术负责人易权坤
施工执行标准名称及编号1、企业标准: 2、施工技术规范:《电力建设施工质量验收及评价规程第1部分:土建工程DL/T 5210.1-2012》
分包单位贵州众隆集团有
限公司
分包项目经理邹林施工班组长易均彬
类别序
号
检查项目质量标准
单
位
施工单位检查评定记录
监理单位验
收记录
主控项目1 孔底标高偏差必须符合设计要求mm 2
孔底沉渣或虚土
厚度
≤50 mm 3
护壁
泥浆
排出比重 1.2-1.5
含砂率<4 %
胶体率≥90 %4 桩基轴线位移≤10 mm
一般项目1 桩径允许偏差±50 mm
2 垂直偏差≤1%桩长mm 3
桩位允
许偏差
垂直轴
线方向
≤100(相邻桩不能偏
往同一方向)
mm
沿轴线
方向
≤150(相邻桩不能偏
往同一方向)
mm
施工单位检查评定结果主控项目:一般项目:
项目专业质量检查员:年月日
监理单位验
收结论
专业监理工程师:年月日。
SG—T010 混凝土灌注桩检验批质量验收记录(一)四川省建设厅制SG-T010填写说明一、本表适用于混凝土灌注桩检验批质量验收记录,但不含桩平面位置和垂直度检验。
二、本表由施工单位专业质量检查员填写,并备齐相关检测报告,施工记录,监理工程师审查后组织施工总包单位(桩基施工分包单位参加)技术负责验收记录。
三、检验批划分:一般应划分为一个检验批,也可按沉降缝、变形缝划分成若干个检验批。
四、主控项目:1..承载力,查看桩承载力检测报告,应符合设计要求。
应按《建筑工程桩基检测技术规范》JGJ106规定并对地基基础设计为甲级或地质复杂,成桩质量可靠性低时,应采用静荷载试验的方法进行检验,检验桩基不少于总数的1%,且不少于3根,当总数少于50根时,不少于2根。
2.桩体质量检查:查看桩基检测报告,应按《建筑工程桩基检测技术规范》JGJ106对桩体质量进行检验。
对设计等级为甲级或地质情况复杂,成桩质量可靠性低时,抽查数量不应少于'总数的30%,且不少于20根,在地下水位以上且终孔后经过核验时,检验数量不少于总数的10%,且不少于10根。
每个柱子承台下不少于1根。
3.混凝土强度,查看混凝土试验报告强度应符合设计要求,若铅芯取样送检(有怀疑时),对大直径嵌岩桩应至桩尖下50cm。
4.孔深:施工单位应全数检查并做好记录,与设计值允许偏差0~300 mm,只深不浅。
检测方法,应在清渣后用重锤测或测铝杆,套管长度,对嵌岩桩还应确保设计要求的嵌岩深度。
五、一般项目:施工单位应按以下项目全数检查每根桩并做好施工记录。
1.泥浆比重:在粘土或砂性土中,清孔后用比重计距孔底50cm处取样测试,其值应在1.15~1.20之间。
2.泥浆面标高,指高于地下水位的尺寸,目测0.5~1.0m之内为合格。
3.沉渣厚度:在成孔并第一次清底后放入钢筋笼,再次清底后用沉渣仪或重锤测量:端承桩沉渣厚度≤50mm,摩擦桩沉渣厚度≤150mm。
4.混凝土坍落度:对水下灌注时坍落度应在160~220mm之间,干施工时坍落度应在70~100mm之间。
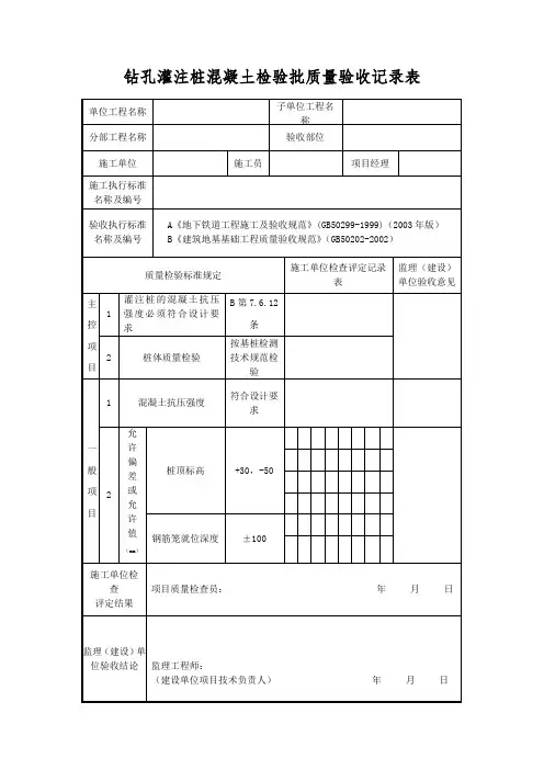
钻孔灌注桩混凝土检验批质量验收记录表
填表说明
主控项目
1、灌注桩的混凝土抗压强度必须符合设计要求。
检查数量:全数检查。
检查方法:试验报告。
2、桩体质量:《建筑基桩检测技术规范》(JGJ106-2003)第3.3.4.2条。
检查数量:设计等级为甲级或者地质条件复杂,成桩质量可靠性较低的灌注桩,抽查数量为总数的30﹪,且不少于20根;其他桩不少于总数的20﹪,且不少于10根。
检查方法:无损伤检测,对质量有疑问或设计有要求时进行钻芯检测。
一般项目(GB50299-1999第3.6.17条,GB50202-2002第5.6.4-2条)
1、混凝土抗压强度符合设计要求。
检查数量:同一配合比每班不得少于1组,泥浆护壁成孔的灌注桩每5根灌注桩不少于1组。
检查方法:检查试验报告
2、允许偏差见下表。