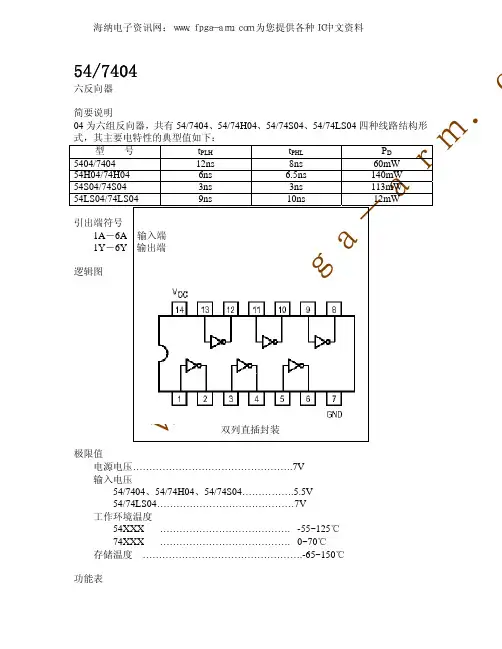
74ls04真值表管脚功能电路图
- 格式:doc
- 大小:85.50 KB
- 文档页数:1
74系列芯片引脚图资料大全作者:佚名来源:本站原创点击数:57276 更新时间:2007年07月26日【字体:大中小】为了方便大家我收集了下列74系列芯片的引脚图资料,如还有需要请上电子论坛/b bs/反相器驱动器LS04 LS05 LS06 LS07 LS125 LS240 LS244 LS245与门与非门LS00 LS08 LS10 LS11 LS20 LS21 LS27 LS30 LS38或门或非门与或非门LS02 LS32 LS51 LS64 LS65异或门比较器LS86译码器LS138 LS139寄存器LS74 LS175 LS373反相器:Vcc 6A 6Y 5A 5Y 4A 4Y 六非门 74LS04┌┴—┴—┴—┴—┴—┴—┴┐六非门(OC门) 74LS05_ │14 13 12 11 10 9 8│六非门(OC高压输出) 74LS06 Y = A )││ 1 2 3 4 5 6 7│└┬—┬—┬—┬—┬—┬—┬┘1A 1Y 2A 2Y 3A 3Y GND驱动器:Vcc 6A 6Y 5A 5Y 4A 4Y┌┴—┴—┴—┴—┴—┴—┴┐│14 13 12 11 10 9 8│Y = A )│六驱动器(OC高压输出) 74LS07 │ 1 2 3 4 5 6 7│└┬—┬—┬—┬—┬—┬—┬┘1A 1Y 2A 2Y 3A 3Y GNDVcc -4C 4A 4Y -3C 3A 3Y┌┴—┴—┴—┴—┴—┴—┴┐_ │14 13 12 11 10 9 8│Y =A+C )│四总线三态门74LS125 │ 1 2 3 4 5 6 7│└┬—┬—┬—┬—┬—┬—┬┘-1C 1A 1Y -2C 2A 2Y GNDVcc -G B1 B2 B3 B4 B8 B6 B7 B8┌┴—┴—┴—┴—┴—┴—┴—┴—┴—┴┐ 8位总线驱动器74LS245│20 19 18 17 16 15 14 13 12 11│)│ DIR=1 A=>B│ 1 2 3 4 5 6 7 8 9 10│ DIR=0 B=>A└┬—┬—┬—┬—┬—┬—┬—┬—┬—┬┘DIR A1 A2 A3 A4 A5 A6 A7 A8 GND页首非门,驱动器与门,与非门或门,或非门异或门,比较器译码器寄存器正逻辑与门,与非门:Vcc 4B 4A 4Y 3B 3A 3Y┌┴—┴—┴—┴—┴—┴—┴┐│14 13 12 11 10 9 8│Y = AB )│ 2输入四正与门74LS08│1 2 3 4 5 6 7│└┬—┬—┬—┬—┬—┬—┬┘1A 1B 1Y 2A 2B 2Y GNDVcc 4B 4A 4Y 3B 3A 3Y┌┴—┴—┴—┴—┴—┴—┴┐__ │14 13 12 11 10 9 8│Y = AB )│ 2输入四正与非门74LS00│ 1 2 3 4 5 6 7│└┬—┬—┬—┬—┬—┬—┬┘1A 1B 1Y 2A 2B 2Y GNDVcc 1C 1Y 3C 3B 3A 3Y┌┴—┴—┴—┴—┴—┴—┴┐___ │14 13 12 11 10 9 8│Y = ABC )│ 3输入三正与非门74LS10│ 1 2 3 4 5 6 7│└┬—┬—┬—┬—┬—┬—┬┘1A 1B 2A 2B 2C 2Y GNDVcc H G Y┌┴—┴—┴—┴—┴—┴—┴┐│14 13 12 11 10 9 8│)│ 8输入与非门74LS30│ 1 2 3 4 5 6 7│ ________└┬—┬—┬—┬—┬—┬—┬┘ Y = ABCDEFGHA B C D E F GND页首非门,驱动器与门,与非门或门,或非门异或门,比较器译码器寄存器正逻辑或门,或非门:Vcc 4B 4A 4Y 3B 3A 3Y┌┴—┴—┴—┴—┴—┴—┴┐ 2输入四或门74LS32│14 13 12 11 10 9 8│)│ Y = A+B│ 1 2 3 4 5 6 7│└┬—┬—┬—┬—┬—┬—┬┘1A 1B 1Y 2A 2B 2Y GNDVcc 4Y 4B 4A 3Y 3B 3A┌┴—┴—┴—┴—┴—┴—┴┐ 2输入四或非门74LS02│14 13 12 11 10 9 8│___)│Y = A+B│ 1 2 3 4 5 6 7│└┬—┬—┬—┬—┬—┬—┬┘1Y 1A 1B 2Y 2A 2B GNDVcc 2Y 2B 2A 2D 2E 1F┌┴—┴—┴—┴—┴—┴—┴┐双与或非门74S51│14 13 12 11 10 9 8│_____)│ 2Y = AB+DE│ 1 2 3 4 5 6 7│_______└┬—┬—┬—┬—┬—┬—┬┘ 1Y = ABC+DEF1Y 1A 1B 1C 1D 1E GNDVcc D C B K J Y┌┴—┴—┴—┴—┴—┴—┴┐ 4-2-3-2与或非门74S64 74S65(OC门)│14 13 12 11 10 9 8│ ______________)│ Y = ABCD+EF+GHI+JK│ 1 2 3 4 5 6 7│└┬—┬—┬—┬—┬—┬—┬┘A E F G H I GND页首非门,驱动器与门,与非门或门,或非门异或门,比较器译码器寄存器2输入四异或门74LS86Vcc 4B 4A 4Y 3Y 3B 3A┌┴—┴—┴—┴—┴—┴—┴┐│14 13 12 11 10 9 8│)│ _ _│ 1 2 3 4 5 6 7│ Y=AB+AB└┬—┬—┬—┬—┬—┬—┬┘1A 1B 1Y 2Y 2A 2B GND8*2输入比较器74LS688_Vcc Y B8 A8 B7 A7 B6 A6 B5 A5┌┴—┴—┴—┴—┴—┴—┴—┴—┴—┴┐ 8*2输入比较器74LS688│20 19 18 17 16 15 14 13 12 11│)││ 1 2 3 4 5 6 7 8 9 10│└┬—┬—┬—┬—┬—┬—┬—┬—┬—┬┘CE A1 B1 A2 B2 A3 B3 A4 B4 GND_Y=A1⊙B1+A2⊙B2+A3⊙B3+A4⊙B4+A5⊙B5+A6⊙B6+A7⊙B7+A8⊙B8页首非门,驱动器与门,与非门或门,或非门异或门,比较器译码器寄存器3-8译码器74LS138Vcc -Y0 -Y1 -Y2 -Y3 -Y4 -Y5 -Y6 __ _ _ _ __ _ _ __ _ _ __ _┌┴—┴—┴—┴—┴—┴—┴—┴┐ Y0=A B C Y1=A B B Y2=A B C Y3=A B C │16 15 14 13 12 11 10 9 │)│ __ _ _ __ _ __ _ __│ 1 2 3 4 5 6 7 8│ Y4=A B C Y5=A B C Y6=A B C Y7=A B C └┬—┬—┬—┬—┬—┬—┬—┬┘A B C -CS0 -CS1 CS2 -Y7 GND双2-4译码器74LS139Vcc -2G 2A 2B -Y0 -Y1 -Y2 -Y3 __ __ __ __ __ __ __ __┌┴—┴—┴—┴—┴—┴—┴—┴┐ Y0=2A 2B Y1=2A 2B Y2=2A 2B Y3=2A 2B │16 15 14 13 12 11 10 9 │)│ __ __ __ __ __ __ __ __│ 1 2 3 4 5 6 7 8│ Y0=1A 1B Y1=1A 1B Y2=1A 1B Y3=1A 1B └┬—┬—┬—┬—┬—┬—┬—┬┘-1G 1A 1B -Y0 -Y1 -Y2 -Y3 GND8*2输入比较器74LS688_Vcc Y B8 A8 B7 A7 B6 A6 B5 A5┌┴—┴—┴—┴—┴—┴—┴—┴—┴—┴┐ 8*2输入比较器74LS688│20 19 18 17 16 15 14 13 12 11│)││ 1 2 3 4 5 6 7 8 9 10│└┬—┬—┬—┬—┬—┬—┬—┬—┬—┬┘CE A1 B1 A2 B2 A3 B3 A4 B4 GND_Y=A1⊙B1+A2⊙B2+A3⊙B3+A4⊙B4+A5⊙B5+A6⊙B6+A7⊙B7+A8⊙B8寄存器:Vcc 2CR 2D 2Ck 2St 2Q -2Q┌┴—┴—┴—┴—┴—┴—┴┐双D触发器74LS74│14 13 12 11 10 9 8 │)││ 1 2 3 4 5 6 7│└┬—┬—┬—┬—┬—┬—┬┘1Cr 1D 1Ck 1St 1Q -1Q GNDVcc 8Q 8D 7D 7Q 6Q 6D 5D 5Q ALE┌┴—┴—┴—┴—┴—┴—┴—┴—┴—┴┐ 8位锁存器74LS373 │20 19 18 17 16 15 14 13 12 11│)││ 1 2 3 4 5 6 7 8 9 10│└┬—┬—┬—┬—┬—┬—┬—┬—┬—┬┘-OE 1Q 1D 2D 2Q 3Q 3D 4D 4Q GND等.下面介绍一下常用的74芯片,以便大家在电路中遇到了查询----------------------------------------------------型号内容----------------------------------------------------74ls00 2输入四与非门74ls01 2输入四与非门(oc)74ls02 2输入四或非门74ls03 2输入四与非门(oc)74ls04 六倒相器74ls05 六倒相器(oc)74ls06 六高压输出反相缓冲器/驱动器(oc,30v) 74ls07 六高压输出缓冲器/驱动器(oc,30v)74ls08 2输入四与门74ls09 2输入四与门(oc)74ls10 3输入三与非门74ls11 3输入三与门74ls12 3输入三与非门(oc)74ls13 4输入双与非门(斯密特触发)74ls14 六倒相器(斯密特触发)74ls15 3输入三与门(oc)74ls16 六高压输出反相缓冲器/驱动器(oc,15v) 74ls17 六高压输出缓冲器/驱动器(oc,15v)74ls18 4输入双与非门(斯密特触发)74ls19 六倒相器(斯密特触发)74ls20 4输入双与非门74ls21 4输入双与门74ls22 4输入双与非门(oc)74ls23 双可扩展的输入或非门74ls24 2输入四与非门(斯密特触发)74ls25 4输入双或非门(有选通)74ls26 2输入四高电平接口与非缓冲器(oc,15v) 74ls27 3输入三或非门74ls28 2输入四或非缓冲器74ls30 8输入与非门74ls31 延迟电路74ls32 2输入四或门74ls33 2输入四或非缓冲器(集电极开路输出) 74ls34 六缓冲器74ls35 六缓冲器(oc)74ls36 2输入四或非门(有选通)74ls37 2输入四与非缓冲器74ls38 2输入四或非缓冲器(集电极开路输出) 74ls39 2输入四或非缓冲器(集电极开路输出) 74ls40 4输入双与非缓冲器74ls41 bcd-十进制计数器74ls42 4线-10线译码器(bcd输入)74ls43 4线-10线译码器(余3码输入)74ls44 4线-10线译码器(余3葛莱码输入)74ls45 bcd-十进制译码器/驱动器74ls46 bcd-七段译码器/驱动器74ls47 bcd-七段译码器/驱动器74ls48 bcd-七段译码器/驱动器74ls49 bcd-七段译码器/驱动器(oc)74ls50 双二路2-2输入与或非门(一门可扩展) 74ls51 双二路2-2输入与或非门74ls51 二路3-3输入,二路2-2输入与或非门74ls52 四路2-3-2-2输入与或门(可扩展)74ls53 四路2-2-2-2输入与或非门(可扩展) 74ls53 四路2-2-3-2输入与或非门(可扩展) 74ls54 四路2-2-2-2输入与或非门74ls54 四路2-3-3-2输入与或非门74ls54 四路2-2-3-2输入与或非门74ls55 二路4-4输入与或非门(可扩展)74ls60 双四输入与扩展74ls61 三3输入与扩展74ls62 四路2-3-3-2输入与或扩展器74ls63 六电流读出接口门74ls64 四路4-2-3-2输入与或非门74ls65 四路4-2-3-2输入与或非门(oc)74ls70 与门输入上升沿jk触发器74ls71 与输入r-s主从触发器74ls72 与门输入主从jk触发器74ls73 双j-k触发器(带清除端)74ls74 正沿触发双d型触发器(带预置端和清除端)74ls75 4位双稳锁存器74ls76 双j-k触发器(带预置端和清除端)74ls77 4位双稳态锁存器74ls78 双j-k触发器(带预置端,公共清除端和公共时钟端) 74ls80 门控全加器74ls81 16位随机存取存储器74ls82 2位二进制全加器(快速进位)74ls83 4位二进制全加器(快速进位)74ls84 16位随机存取存储器74ls85 4位数字比较器74ls86 2输入四异或门74ls87 四位二进制原码/反码/oi单元74ls89 64位读/写存储器74ls90 十进制计数器74ls91 八位移位寄存器74ls92 12分频计数器(2分频和6分频)74ls93 4位二进制计数器74ls94 4位移位寄存器(异步)74ls95 4位移位寄存器(并行io)74ls96 5位移位寄存器74ls97 六位同步二进制比率乘法器74ls100 八位双稳锁存器74ls103 负沿触发双j-k主从触发器(带清除端)74ls106 负沿触发双j-k主从触发器(带预置,清除,时钟) 74ls107 双j-k主从触发器(带清除端)74ls108 双j-k主从触发器(带预置,清除,时钟)74ls109 双j-k触发器(带置位,清除,正触发)74ls110 与门输入j-k主从触发器(带锁定)74ls111 双j-k主从触发器(带数据锁定)74ls112 负沿触发双j-k触发器(带预置端和清除端)74ls113 负沿触发双j-k触发器(带预置端)74ls114 双j-k触发器(带预置端,共清除端和时钟端) 74ls116 双四位锁存器74ls120 双脉冲同步器/驱动器74ls121 单稳态触发器(施密特触发)74ls122 可再触发单稳态多谐振荡器(带清除端)74ls123 可再触发双单稳多谐振荡器74ls125 四总线缓冲门(三态输出)74ls126 四总线缓冲门(三态输出)74ls128 2输入四或非线驱动器74ls131 3-8译码器74ls132 2输入四与非门(斯密特触发)74ls133 13输入端与非门74ls134 12输入端与门(三态输出)74ls135 四异或/异或非门74ls136 2输入四异或门(oc)74ls137 八选1锁存译码器/多路转换器74ls138 3-8线译码器/多路转换器74ls139 双2-4线译码器/多路转换器74ls140 双4输入与非线驱动器74ls141 bcd-十进制译码器/驱动器74ls142 计数器/锁存器/译码器/驱动器74ls145 4-10译码器/驱动器74ls147 10线-4线优先编码器74ls148 8线-3线八进制优先编码器74ls150 16选1数据选择器(反补输出)74ls151 8选1数据选择器(互补输出)74ls152 8选1数据选择器多路开关74ls153 双4选1数据选择器/多路选择器74ls154 4线-16线译码器74ls155 双2-4译码器/分配器(图腾柱输出)74ls156 双2-4译码器/分配器(集电极开路输出) 74ls157 四2选1数据选择器/多路选择器74ls158 四2选1数据选择器(反相输出)74ls160 可预置bcd计数器(异步清除)74ls161 可预置四位二进制计数器(并清除异步) 74ls162 可预置bcd计数器(异步清除)74ls163 可预置四位二进制计数器(并清除异步) 74ls164 8位并行输出串行移位寄存器74ls165 并行输入8位移位寄存器(补码输出)74ls166 8位移位寄存器74ls167 同步十进制比率乘法器74ls168 4位加/减同步计数器(十进制)74ls169 同步二进制可逆计数器74ls170 4*4寄存器堆74ls171 四d触发器(带清除端)74ls172 16位寄存器堆74ls173 4位d型寄存器(带清除端)74ls174 六d触发器74ls175 四d触发器74ls176 十进制可预置计数器74ls177 2-8-16进制可预置计数器74ls178 四位通用移位寄存器74ls179 四位通用移位寄存器74ls180 九位奇偶产生/校验器74ls181 算术逻辑单元/功能发生器74ls182 先行进位发生器74ls183 双保留进位全加器74ls184 bcd-二进制转换器74ls185 二进制-bcd转换器74ls190 同步可逆计数器(bcd,二进制) 74ls191 同步可逆计数器(bcd,二进制) 74ls192 同步可逆计数器(bcd,二进制) 74ls193 同步可逆计数器(bcd,二进制) 74ls194 四位双向通用移位寄存器74ls195 四位通用移位寄存器74ls196 可预置计数器/锁存器74ls197 可预置计数器/锁存器(二进制) 74ls198 八位双向移位寄存器74ls199 八位移位寄存器74ls210 2-5-10进制计数器74ls213 2-n-10可变进制计数器74ls221 双单稳触发器74ls230 八3态总线驱动器74ls231 八3态总线反向驱动器74ls240 八缓冲器/线驱动器/线接收器(反码三态输出) 74ls241 八缓冲器/线驱动器/线接收器(原码三态输出) 74ls242 八缓冲器/线驱动器/线接收器74ls243 4同相三态总线收发器74ls244 八缓冲器/线驱动器/线接收器74ls245 八双向总线收发器74ls246 4线-七段译码/驱动器(30v)74ls247 4线-七段译码/驱动器(15v)74ls248 4线-七段译码/驱动器74ls249 4线-七段译码/驱动器74ls251 8选1数据选择器(三态输出)74ls253 双四选1数据选择器(三态输出)74ls256 双四位可寻址锁存器74ls257 四2选1数据选择器(三态输出)74ls258 四2选1数据选择器(反码三态输出)74ls259 8为可寻址锁存器74ls260 双5输入或非门74ls261 4*2并行二进制乘法器74ls265 四互补输出元件74ls266 2输入四异或非门(oc)74ls270 2048位rom (512位四字节,oc)74ls271 2048位rom (256位八字节,oc)74ls273 八d触发器74ls274 4*4并行二进制乘法器74ls275 七位片式华莱士树乘法器74ls276 四jk触发器74ls278 四位可级联优先寄存器74ls279 四s-r锁存器74ls280 9位奇数/偶数奇偶发生器/较验器74ls28174ls283 4位二进制全加器74ls290 十进制计数器74ls291 32位可编程模74ls293 4位二进制计数器74ls294 16位可编程模74ls295 四位双向通用移位寄存器74ls298 四-2输入多路转换器(带选通)74ls299 八位通用移位寄存器(三态输出)74ls348 8-3线优先编码器(三态输出)74ls352 双四选1数据选择器/多路转换器74ls353 双4-1线数据选择器(三态输出)74ls354 8输入端多路转换器/数据选择器/寄存器,三态补码输出74ls355 8输入端多路转换器/数据选择器/寄存器,三态补码输出74ls356 8输入端多路转换器/数据选择器/寄存器,三态补码输出74ls357 8输入端多路转换器/数据选择器/寄存器,三态补码输出74ls365 6总线驱动器74ls366 六反向三态缓冲器/线驱动器74ls367 六同向三态缓冲器/线驱动器74ls368 六反向三态缓冲器/线驱动器74ls373 八d锁存器74ls374 八d触发器(三态同相)74ls375 4位双稳态锁存器74ls377 带使能的八d触发器74ls378 六d触发器74ls379 四d触发器74ls381 算术逻辑单元/函数发生器74ls382 算术逻辑单元/函数发生器74ls384 8位*1位补码乘法器74ls385 四串行加法器/乘法器74ls386 2输入四异或门74ls390 双十进制计数器74ls391 双四位二进制计数器74ls395 4位通用移位寄存器74ls396 八位存储寄存器74ls398 四2输入端多路开关(双路输出) 74ls399 四-2输入多路转换器(带选通)74ls422 单稳态触发器74ls423 双单稳态触发器74ls440 四3方向总线收发器,集电极开路74ls441 四3方向总线收发器,集电极开路74ls442 四3方向总线收发器,三态输出74ls443 四3方向总线收发器,三态输出74ls444 四3方向总线收发器,三态输出74ls445 bcd-十进制译码器/驱动器,三态输出74ls446 有方向控制的双总线收发器74ls448 四3方向总线收发器,三态输出74ls449 有方向控制的双总线收发器74ls465 八三态线缓冲器74ls466 八三态线反向缓冲器74ls467 八三态线缓冲器74ls468 八三态线反向缓冲器74ls490 双十进制计数器74ls540 八位三态总线缓冲器(反向)74ls541 八位三态总线缓冲器74ls589 有输入锁存的并入串出移位寄存器74ls590 带输出寄存器的8位二进制计数器74ls591 带输出寄存器的8位二进制计数器74ls592 带输出寄存器的8位二进制计数器74ls593 带输出寄存器的8位二进制计数器74ls594 带输出锁存的8位串入并出移位寄存器74ls595 8位输出锁存移位寄存器74ls596 带输出锁存的8位串入并出移位寄存器74ls597 8位输出锁存移位寄存器74ls598 带输入锁存的并入串出移位寄存器74ls599 带输出锁存的8位串入并出移位寄存器74ls604 双8位锁存器74ls605 双8位锁存器74ls606 双8位锁存器74ls607 双8位锁存器74ls620 8位三态总线发送接收器(反相)74ls621 8位总线收发器74ls622 8位总线收发器74ls623 8位总线收发器74ls640 反相总线收发器(三态输出)74ls641 同相8总线收发器,集电极开路74ls642 同相8总线收发器,集电极开路74ls643 8位三态总线发送接收器74ls644 真值反相8总线收发器,集电极开路74ls645 三态同相8总线收发器74ls646 八位总线收发器,寄存器74ls647 八位总线收发器,寄存器74ls648 八位总线收发器,寄存器74ls649 八位总线收发器,寄存器74ls651 三态反相8总线收发器74ls652 三态反相8总线收发器74ls653 反相8总线收发器,集电极开路74ls654 同相8总线收发器,集电极开路74ls668 4位同步加/减十进制计数器74ls669 带先行进位的4位同步二进制可逆计数器74ls670 4*4寄存器堆(三态)74ls671 带输出寄存的四位并入并出移位寄存器74ls672 带输出寄存的四位并入并出移位寄存器74ls673 16位并行输出存储器,16位串入串出移位寄存器74ls674 16位并行输入串行输出移位寄存器74ls681 4位并行二进制累加器74ls682 8位数值比较器(图腾柱输出)74ls683 8位数值比较器(集电极开路)74ls684 8位数值比较器(图腾柱输出)74ls685 8位数值比较器(集电极开路)74ls686 8位数值比较器(图腾柱输出)74ls687 8位数值比较器(集电极开路)74ls688 8位数字比较器(oc输出)74ls689 8位数字比较器74ls690 同步十进制计数器/寄存器(带数选,三态输出,直接清除)74ls691 计数器/寄存器(带多转换,三态输出)74ls692 同步十进制计数器(带预置输入,同步清除)74ls693 计数器/寄存器(带多转换,三态输出)74ls696 同步加/减十进制计数器/寄存器(带数选,三态输出,直接清除) 74ls697 计数器/寄存器(带多转换,三态输出)74ls698 计数器/寄存器(带多转换,三态输出)74ls699 计数器/寄存器(带多转换,三态输出)74ls716 可编程模n十进制计数器74ls718 可编程模n十进制计数器【发表评论】【告诉好友】【收藏此文】【关闭窗口】上一篇:74LS74引脚图(双D触发器)下一篇:DAC0832引脚图及接口电路。
如文档对你有用,请下载支持!
74LS11——3输入端3与门管脚图及逻辑功能表
74LS20——4输入端双与非门管脚图及逻辑功能表
74LS21——4输入端双与门管脚图及逻辑功能表
74LS27——3输入端三或非门管脚图及逻辑功能表
74LS42——BCD/十进制译码器管脚图及逻辑功能表74LS138——3-8线译码器管脚图及逻辑功能表
74LS139——双2-4线译码器管脚图及逻辑功能表
74LS148——8-3线优先编码器管脚图及逻辑功能表
74LS151——八选一数据选择器管脚图及逻辑功能表
74LS153——双4选1数据选择器管脚图及逻辑功能表
74LS47——4线7段显示译码器,低电平有效,驱动共阳数码管
74LS55——双4输入与或非门
74LS54——4-2-3与或非门
74LS08——2输入4与门。
74LS74内部结构引脚图管脚逻辑图(双D触发器)、原理图和真值表以及波形图分析下面介绍一下74ls74,74ls74内部结构,74ls74引脚图,74ls74管脚图,74ls74逻辑图。
在TTL电路中,比较典型的d触发器电路有74ls74。
74ls74是一个边沿触发器数字电路器件,每个器件中包含两个相同的、相互独立的边沿触发d触发器电路。
(图点击,或下载后可放大)(图点击,或下载后可放大)----------------------原理图和真值表以及波形图分析边沿D 触发器:负跳沿触发的主从触发器工作时,必须在正跳沿前加入输入信号。
如果在CP 高电平期间输入端出现干扰信号,那么就有可能使触发器的状态出错。
而边沿触发器允许在CP 触发沿来到前一瞬间加入输入信号。
这样,输入端受干扰的时间大大缩短,受干扰的可能性就降低了。
边沿D触发器也称为维持-阻塞边沿D触发器。
电路结构: 该触发器由6个与非门组成,其中G1和G2构成基本RS触发器。
工作原理:SD 和RD 接至基本RS 触发器的输入端,它们分别是预置和清零端,低电平有效。
当SD=0且RD=1时,不论输入端D为何种状态,都会使Q=1,Q=0,即触发器置1;当SD=1且RD=0时,触发器的状态为0,SD和RD通常又称为直接置1和置0端。
我们设它们均已加入了高电平,不影响电路的工作。
工作过程如下:1.CP=0时,与非门G3和G4封锁,其输出Q3=Q4=1,触发器的状态不变。
同时,由于Q3至Q5和Q4至Q6的反馈信号将这两个门打开,因此可接收输入信号D,Q5=D,Q6=Q5=D。
2.当CP由0变1时触发器翻转。
这时G3和G4打开,它们的输入Q3和Q4的状态由G5和G 6的输出状态决定。
Q3=Q5=D,Q4=Q6=D。
由基本RS触发器的逻辑功能可知,Q=D。
3.触发器翻转后,在CP=1时输入信号被封锁。
这是因为G3和G4打开后,它们的输出Q3和Q4的状态是互补的,即必定有一个是0,若Q3为0,则经G3输出至G5输入的反馈线将G 5封锁,即封锁了D通往基本RS 触发器的路径;该反馈线起到了使触发器维持在0状态和阻止触发器变为1状态的作用,故该反馈线称为置0维持线,置1阻塞线。
74LS74内部结构引脚图管脚逻辑图(双D触发器)、原理图和真值表以及波形图分析下面介绍一下74ls74,74ls74内部结构,74ls74引脚图,74ls74管脚图,74ls74逻辑图。
在TTL电路中,比较典型的d触发器电路有74ls74。
74ls74是一个边沿触发器数字电路器件,每个器件中包含两个相同的、相互独立的边沿触发d触发器电路。
(图点击,或下载后可放大)(图点击,或下载后可放大)----------------------原理图和真值表以及波形图分析边沿D 触发器:负跳沿触发的主从触发器工作时,必须在正跳沿前加入输入信号。
如果在CP 高电平期间输入端出现干扰信号,那么就有可能使触发器的状态出错。
而边沿触发器允许在CP 触发沿来到前一瞬间加入输入信号。
这样,输入端受干扰的时间大大缩短,受干扰的可能性就降低了。
边沿D触发器也称为维持-阻塞边沿D触发器。
电路结构: 该触发器由6个与非门组成,其中G1和G2构成基本RS触发器。
工作原理:SD 和RD 接至基本RS 触发器的输入端,它们分别是预置和清零端,低电平有效。
当SD=0且RD=1时,不论输入端D为何种状态,都会使Q=1,Q=0,即触发器置1;当SD=1且RD=0时,触发器的状态为0,SD和RD通常又称为直接置1和置0端。
我们设它们均已加入了高电平,不影响电路的工作。
工作过程如下:1.CP=0时,与非门G3和G4封锁,其输出Q3=Q4=1,触发器的状态不变。
同时,由于Q3至Q5和Q4至Q6的反馈信号将这两个门打开,因此可接收输入信号D,Q5=D,Q6=Q5=D。
2.当CP由0变1时触发器翻转。
这时G3和G4打开,它们的输入Q3和Q4的状态由G5和G 6的输出状态决定。
Q3=Q5=D,Q4=Q6=D。
由基本RS触发器的逻辑功能可知,Q=D。
3.触发器翻转后,在CP=1时输入信号被封锁。
这是因为G3和G4打开后,它们的输出Q3和Q4的状态是互补的,即必定有一个是0,若Q3为0,则经G3输出至G5输入的反馈线将G 5封锁,即封锁了D通往基本RS 触发器的路径;该反馈线起到了使触发器维持在0状态和阻止触发器变为1状态的作用,故该反馈线称为置0维持线,置1阻塞线。
74LS11——3输入端3与门管脚图及逻辑功能表
74LS20——4输入端双与非门管脚图及逻辑功能表
74LS21——4输入端双与门管脚图及逻辑功能表
74LS27——3输入端三或非门管脚图及逻辑功能表
74LS42——BCD/十进制译码器管脚图及逻辑功能表
74LS138——3-8线译码器管脚图及逻辑功能表
74LS139——双2-4线译码器管脚图及逻辑功能表
74LS148——8-3线优先编码器管脚图及逻辑功能表
74LS151——八选一数据选择器管脚图及逻辑功能表
74LS153——双4选1数据选择器管脚图及逻辑功能表
74LS47——4线7段显示译码器,低电平有效,驱动共阳数码管
74LS55——双4输入与或非门
74LS54——4-2-3与或非门
74LS08——2
输入4与门。
74LS74内部结构引脚图管脚逻辑图(双D触发器)、原理图和真值表以及波形图分析下面介绍一下74ls74,74ls74内部结构,74ls74引脚图,74ls74管脚图,74ls74逻辑图。
在TTL电路中,比较典型的d触发器电路有74ls74。
74ls74是一个边沿触发器数字电路器件,每个器件中包含两个相同的、相互独立的边沿触发d触发器电路。
(图点击,或下载后可放大)(图点击,或下载后可放大)----------------------原理图和真值表以及波形图分析边沿D 触发器:负跳沿触发的主从触发器工作时,必须在正跳沿前加入输入信号。
如果在CP 高电平期间输入端出现干扰信号,那么就有可能使触发器的状态出错。
而边沿触发器允许在CP 触发沿来到前一瞬间加入输入信号。
这样,输入端受干扰的时间大大缩短,受干扰的可能性就降低了。
边沿D触发器也称为维持-阻塞边沿D触发器。
电路结构: 该触发器由6个与非门组成,其中G1和G2构成基本RS触发器。
工作原理:SD 和RD 接至基本RS 触发器的输入端,它们分别是预置和清零端,低电平有效。
当SD =0且RD=1时,不论输入端D为何种状态,都会使Q=1,Q=0,即触发器置1;当SD=1且RD=0时,触发器的状态为0,SD和RD通常又称为直接置1和置0端。
我们设它们均已加入了高电平,不影响电路的工作。
工作过程如下:1.CP=0时,与非门G3和G4封锁,其输出Q3=Q4=1,触发器的状态不变。
同时,由于Q3至Q5和Q4至Q6的反馈信号将这两个门打开,因此可接收输入信号D,Q5=D,Q6 =Q5=D。
2.当CP由0变1时触发器翻转。
这时G3和G4打开,它们的输入Q3和Q4的状态由G5和G6的输出状态决定。
Q3=Q5=D,Q4=Q6=D。
由基本RS触发器的逻辑功能可知,Q =D。
3.触发器翻转后,在CP=1时输入信号被封锁。
这是因为G3和G4打开后,它们的输出Q 3和Q4的状态是互补的,即必定有一个是0,若Q3为0,则经G3输出至G5输入的反馈线将G5封锁,即封锁了D通往基本RS 触发器的路径;该反馈线起到了使触发器维持在0状态和阻止触发器变为1状态的作用,故该反馈线称为置0维持线,置1阻塞线。
74LS74内部结构引脚图管脚逻辑图(双D触发器)、原理图和真值表以及波形图分析下面介绍一下74ls74,74ls74内部结构,74ls74引脚图,74ls74管脚图,74ls74逻辑图。
在TTL电路中,比较典型的d触发器电路有74ls74。
74ls74是一个边沿触发器数字电路器件,每个器件中包含两个相同的、相互独立的边沿触发d触发器电路。
(图点击,或下载后可放大)(图点击,或下载后可放大)----------------------原理图和真值表以及波形图分析边沿D 触发器:负跳沿触发的主从触发器工作时,必须在正跳沿前加入输入信号。
如果在CP 高电平期间输入端出现干扰信号,那么就有可能使触发器的状态出错。
而边沿触发器允许在CP 触发沿来到前一瞬间加入输入信号。
这样,输入端受干扰的时间大大缩短,受干扰的可能性就降低了。
边沿D触发器也称为维持-阻塞边沿D触发器。
电路结构: 该触发器由6个与非门组成,其中G1和G2构成基本RS触发器。
工作原理:SD 和RD 接至基本RS 触发器的输入端,它们分别是预置和清零端,低电平有效。
当SD=0且RD=1时,不论输入端D为何种状态,都会使Q=1,Q=0,即触发器置1;当SD=1且RD=0时,触发器的状态为0,SD和RD通常又称为直接置1和置0端。
我们设它们均已加入了高电平,不影响电路的工作。
工作过程如下:1.CP=0时,与非门G3和G4封锁,其输出Q3=Q4=1,触发器的状态不变。
同时,由于Q3至Q5和Q4至Q6的反馈信号将这两个门打开,因此可接收输入信号D,Q5=D,Q6=Q5=D。
2.当CP由0变1时触发器翻转。
这时G3和G4打开,它们的输入Q3和Q4的状态由G5和G 6的输出状态决定。
Q3=Q5=D,Q4=Q6=D。
由基本RS触发器的逻辑功能可知,Q=D。
3.触发器翻转后,在CP=1时输入信号被封锁。
这是因为G3和G4打开后,它们的输出Q3和Q4的状态是互补的,即必定有一个是0,若Q3为0,则经G3输出至G5输入的反馈线将G 5封锁,即封锁了D通往基本RS 触发器的路径;该反馈线起到了使触发器维持在0状态和阻止触发器变为1状态的作用,故该反馈线称为置0维持线,置1阻塞线。
74LS20——4输入端双与非门管脚图及逻辑功能表TRUTHTABLEA c D YL X X X1HX L X X HX X L X H X1X X i L HH H H H I L1 74LS21——4输入端双与门管脚图及逻辑功能表A C D YL X X X LX L X X LX X L X LX P X1(X I L LH H i I H H fH 74LS27――3输入端三或非门管脚图及逻辑功能表z14s LCEEC CCrnnnmnnnDb5432lo91111111L L HHLHL LHHHHLHHHLHHHLHHHLHHHLHHHHHH -HHHHHHHHHKHHHHHHH H HHHHHMHHHHHHHHHHHHHHHHHHHHHHHHHHHHHHHHHHHHHHHHHHHHHHHHHHHHHLHLHLHHHLLHHLIHHHMHHHHHMontfA翟TRUTHTABLEA 吕cY L L L HIEn 1X X L1 X 1H X i LX ■■]1』.E::FEII]BMjjgMMjjjjijMaJ!x[HLX:Don'tCare74LS42——BCD/十进制译码器管脚图及逻辑功能表NO.1BCDINPUT'OCCWALOUTPUTD c eA0 12 34&e7 sa Q * tL LtHH HHH H H HH 1.1 LL Hi HLHH H HHHH HHHHHHHBCD?DE C74LS138——3-8线译码器管脚图及逻辑功能表JNPUTSOUTPUTS£NA8L£SELECTG2B G2A G1cI「A YD Y2*5V4Y5Yfi r1Y7 |X X L X X X"H-H H H H H H H H X H X X X X H H H H H H HH X X X X H H H H H~H~L1Lj H L L L H H H H"H H1H L L H L L H H L H H H H H HL L H L H L H H L H H|H H H |L L H L|H H H H H L H H H L L j H H L L h H H H・H H H L'L|H""H'L H(H H H H y'L H H'L I i L[H•I H1L r H H H H H n H L|H| L L H|H H H H H H H|H H L74LS139——双2-4线译码器管脚图及逻辑功能表4 5INPUTS'e7£ouirursOUTPUTS-INPUTSTRUTHTABLEINPUTS OUTPUTSSELECTEDOUTPUT ENABLE SELECTY0Y2V3G B AH xH X H H rr H NONEL L L L H H HL L H H L H H YlL H L H H L H Y2L H H H H p L Y374LS148——8-3线优先编码器管脚图及逻辑功能表INPUTS OUTPUTSE1 0 1 2 345 6 7A2M M GS EO H X X X1 X X j X X X H H H r H r HL H H H H H H H H H H H L L X X X X x X L u L L'L H L X'X X X X L H L L j H L H L X X X1X X L H H L H L["L' H L X X I X jX L H H H L H H L H L X X X L H H H H H L L|L H L X X L H H H H H L H L HEO74LS151八If12lid4S1]4117I D4INPUTS OUTPUTSSELECT STROBE¥wC B A SX X X H LI H| L L L L%L L H L5biL H L L 0202L H H L5H L L L D4H L H LH H L'L D6H H H L6 674LS153——双4选1数据选择器管脚图及逻辑功能表DATA J<INPUTS1D t■L-'cL712635AOA1A243LTRBIBl/ab«d»fgRBO131211tO915144TRUTHTABLESELECTINPUTS DATAINPUTS STROBEOUTPUTYB AC Q G C25GX X X X X X H L' L L P L X X X L L L I H X X X L H L H X L X X L L L H X H X X L H H-L X X L X L LH L X X H X L HH H X X X L L LH H X X X H L H X:Don'tCare74LS47——4线7段显示译码器,低电平有效,驱动共阳数码管Dscimalor Function15百Inputs OulpiJtsH門HHHHHHHHHHHHXHL74LS54-与或非门XXL匚ccc匚LLLLLLHHLLLHHHHXLX—4—2—3nnnnnnrt1o9B-1-IPHHXLAD SlfRHO吕b C d9f gL14L L L L L L KH H L L HH H HL H L L H L L H LH H L L L L H H LJ H H L L HH L LH H L H L L L LH H H L L L L LH H L L L HH H HH L L L L L L LH Hf L L L HH L LH H H H L L H LH H H H L L H H LL H H L H HH L LH H L H H L\4L LL H H H H L L L LH H H H H HH H HX L H H H Hf■i H HL L H H H HH H HX H L L L L—L L74LS55——双4输入与或非门:——一——I石)H■c亡fV J 1H G2输入4与门74LS08cDInputsOutputABY11HHLL L HHHs I Ci^if 1iBHi舜JS_■_■I ■!_■爭0-E_■—k L |i 4b |G|7邙Bl¥14?B?Y7CNO。
为了方便大家我收集了下列74系列芯片的引脚图资料,如还有需要请上电子论坛/bbs/反相器 驱动器 LS04 LS05 LS06 LS07 LS125 LS240 LS244 LS245与门 与非门 LS00 LS08 LS10 LS11 LS20 LS21 LS27 LS30 LS38或门 或非门 与或非门 LS02 LS32 LS51 LS64 LS65异或门 比较器 LS86译码器 LS138 LS139寄存器 LS74 LS175 LS373反相器:Vcc 6A 6Y 5A 5Y 4A 4Y 六非门 74LS04┌┴—┴—┴—┴—┴—┴—┴┐ 六非门(OC 门) 74LS05_ │14 13 12 11 10 9 8│ 六非门(OC 高压输出) 74LS06Y = A ) │ │ 1 2 3 4 5 6 7│ └┬—┬—┬—┬—┬—┬—┬┘ 1A 1Y 2A 2Y 3A 3Y GND 驱动器:>> 推荐文章 74系列芯片引脚图资料大全>> 阅读排行lm358 pdf 应用电路资料及引74系列芯片引脚图资料大全9014,9013,8050三极管引脚图max232引脚图及RS232引脚定七段数码管引脚图三极管8550参数管脚图pdf 资显示器VGA 接口定义LM324引脚图资料与电路应用OP07,ua741引脚图与资料74ls48引脚图管脚功能表>> 相关文章Vcc 6A 6Y 5A 5Y 4A 4Y┌┴—┴—┴—┴—┴—┴—┴┐│14 13 12 11 10 9 8│Y = A )│六驱动器(OC高压输出) 74LS07 │ 1 2 3 4 5 6 7│└┬—┬—┬—┬—┬—┬—┬┘1A 1Y 2A 2Y 3A 3Y GNDVcc -4C 4A 4Y -3C 3A 3Y┌┴—┴—┴—┴—┴—┴—┴┐_ │14 13 12 11 10 9 8│Y =A+C )│四总线三态门74LS125│ 1 2 3 4 5 6 7│└┬—┬—┬—┬—┬—┬—┬┘-1C 1A 1Y -2C 2A 2Y GNDVcc -G B1 B2 B3 B4 B8 B6 B7 B8┌┴—┴—┴—┴—┴—┴—┴—┴—┴—┴┐ 8位总线驱动器74LS245│20 19 18 17 16 15 14 13 12 11│)│ DIR=1 A=>B│ 1 2 3 4 5 6 7 8 9 10│ DIR=0 B=>A└┬—┬—┬—┬—┬—┬—┬—┬—┬—┬┘DIR A1 A2 A3 A4 A5 A6 A7 A8 GND页首非门,驱动器与门,与非门或门,或非门异或门,比较器译码器寄存器正逻辑与门,与非门: 74LS74引脚图(双D触发器) 74LS373引脚图内部结构原理图电路74ls164引脚图8259引脚图8255引脚图及引脚功能8253引脚图及引脚定义max232引脚图及RS232引脚定义七段数码管引脚图单片机引脚图及引脚功能介绍Vcc 4B 4A 4Y 3B 3A 3Y┌┴—┴—┴—┴—┴—┴—┴┐│14 13 12 11 10 9 8│Y = AB )│ 2输入四正与门74LS08 │ 1 2 3 4 5 6 7│└┬—┬—┬—┬—┬—┬—┬┘1A 1B 1Y 2A 2B 2Y GNDVcc 4B 4A 4Y 3B 3A 3Y┌┴—┴—┴—┴—┴—┴—┴┐__ │14 13 12 11 10 9 8│Y = AB )│ 2输入四正与非门74LS00 │ 1 2 3 4 5 6 7│└┬—┬—┬—┬—┬—┬—┬┘1A 1B 1Y 2A 2B 2Y GNDVcc 1C 1Y 3C 3B 3A 3Y┌┴—┴—┴—┴—┴—┴—┴┐___ │14 13 12 11 10 9 8│Y = ABC )│ 3输入三正与非门74LS10 │ 1 2 3 4 5 6 7│└┬—┬—┬—┬—┬—┬—┬┘1A 1B 2A 2B 2C 2Y GNDVcc H G Y┌┴—┴—┴—┴—┴—┴—┴┐│14 13 12 11 10 9 8│)│ 8输入与非门74LS30│ 1 2 3 4 5 6 7│ ________└┬—┬—┬—┬—┬—┬—┬┘ Y = ABCDEFGHA B C D E F GND页首非门,驱动器与门,与非门或门,或非门异或门,比较器译码器寄存器正逻辑或门,或非门:Vcc 4B 4A 4Y 3B 3A 3Y┌┴—┴—┴—┴—┴—┴—┴┐ 2输入四或门74LS32│14 13 12 11 10 9 8│)│ Y = A+B│ 1 2 3 4 5 6 7│└┬—┬—┬—┬—┬—┬—┬┘1A 1B 1Y 2A 2B 2Y GNDVcc 4Y 4B 4A 3Y 3B 3A┌┴—┴—┴—┴—┴—┴—┴┐ 2输入四或非门74LS02│14 13 12 11 10 9 8│___)│Y = A+B│ 1 2 3 4 5 6 7│└┬—┬—┬—┬—┬—┬—┬┘1Y 1A 1B 2Y 2A 2B GNDVcc 2Y 2B 2A 2D 2E 1F┌┴—┴—┴—┴—┴—┴—┴┐双与或非门74S51│14 13 12 11 10 9 8│_____)│ 2Y = AB+DE│ 1 2 3 4 5 6 7│_______└┬—┬—┬—┬—┬—┬—┬┘ 1Y = ABC+DEF1Y 1A 1B 1C 1D 1E GNDVcc D C B K J Y┌┴—┴—┴—┴—┴—┴—┴┐ 4-2-3-2与或非门74S64 74S65(OC门)│14 13 12 11 10 9 8│ ______________)│ Y = ABCD+EF+GHI+JK│ 1 2 3 4 5 6 7│└┬—┬—┬—┬—┬—┬—┬┘A E F G H I GND页首非门,驱动器与门,与非门或门,或非门异或门,比较器译码器寄存器2输入四异或门74LS86Vcc 4B 4A 4Y 3Y 3B 3A┌┴—┴—┴—┴—┴—┴—┴┐│14 13 12 11 10 9 8│)│ _ _│ 1 2 3 4 5 6 7│ Y=AB+AB└┬—┬—┬—┬—┬—┬—┬┘1A 1B 1Y 2Y 2A 2B GND8*2输入比较器74LS688_Vcc Y B8 A8 B7 A7 B6 A6 B5 A5┌┴—┴—┴—┴—┴—┴—┴—┴—┴—┴┐ 8*2输入比较器74LS688│20 19 18 17 16 15 14 13 12 11│)││ 1 2 3 4 5 6 7 8 9 10│└┬—┬—┬—┬—┬—┬—┬—┬—┬—┬┘CE A1 B1 A2 B2 A3 B3 A4 B4 GND_Y=A1⊙B1+A2⊙B2+A3⊙B3+A4⊙B4+A5⊙B5+A6⊙B6+A7⊙B7+A8⊙B8页首非门,驱动器与门,与非门或门,或非门异或门,比较器译码器寄存器3-8译码器74LS138Vcc -Y0 -Y1 -Y2 -Y3 -Y4 -Y5 -Y6 __ _ _ _ __ _ _ __ _ _ __ _┌┴—┴—┴—┴—┴—┴—┴—┴┐ Y0=A B C Y1=A B B Y2=A B C Y3=A B C │16 15 14 13 12 11 10 9 │)│ __ _ _ __ _ __ _ __│ 1 2 3 4 5 6 7 8│ Y4=A B C Y5=A B C Y6=A B C Y7=A B C └┬—┬—┬—┬—┬—┬—┬—┬┘A B C -CS0 -CS1 CS2 -Y7 GND双2-4译码器74LS139Vcc -2G 2A 2B -Y0 -Y1 -Y2 -Y3 __ __ __ __ __ __ __ __┌┴—┴—┴—┴—┴—┴—┴—┴┐ Y0=2A 2B Y1=2A 2B Y2=2A 2B Y3=2A 2B │16 15 14 13 12 11 10 9 │)│ __ __ __ __ __ __ __ __│ 1 2 3 4 5 6 7 8│ Y0=1A 1B Y1=1A 1B Y2=1A 1B Y3=1A 1B└┬—┬—┬—┬—┬—┬—┬—┬┘-1G 1A 1B -Y0 -Y1 -Y2 -Y3 GND8*2输入比较器74LS688_Vcc Y B8 A8 B7 A7 B6 A6 B5 A5┌┴—┴—┴—┴—┴—┴—┴—┴—┴—┴┐ 8*2输入比较器74LS688│20 19 18 17 16 15 14 13 12 11│)││ 1 2 3 4 5 6 7 8 9 10│└┬—┬—┬—┬—┬—┬—┬—┬—┬—┬┘CE A1 B1 A2 B2 A3 B3 A4 B4 GND_Y=A1⊙B1+A2⊙B2+A3⊙B3+A4⊙B4+A5⊙B5+A6⊙B6+A7⊙B7+A8⊙B8寄存器:Vcc 2CR 2D 2Ck 2St 2Q -2Q┌┴—┴—┴—┴—┴—┴—┴┐双D触发器74LS74│14 13 12 11 10 9 8 │)││ 1 2 3 4 5 6 7│└┬—┬—┬—┬—┬—┬—┬┘1Cr 1D 1Ck 1St 1Q -1Q GNDVcc 8Q 8D 7D 7Q 6Q 6D 5D 5Q ALE┌┴—┴—┴—┴—┴—┴—┴—┴—┴—┴┐ 8位锁存器74LS373│20 19 18 17 16 15 14 13 12 11│)││ 1 2 3 4 5 6 7 8 9 10│└┬—┬—┬—┬—┬—┬—┬—┬—┬—┬┘-OE 1Q 1D 2D 2Q 3Q 3D 4D 4Q GND 等.下面介绍一下常用的74芯片,以便大家在电路中遇到了查询----------------------------------------------------型号内容----------------------------------------------------74ls00 2输入四与非门74ls01 2输入四与非门(oc)74ls02 2输入四或非门74ls03 2输入四与非门(oc)74ls04 六倒相器74ls05 六倒相器(oc)74ls06 六高压输出反相缓冲器/驱动器(oc,30v) 74ls07 六高压输出缓冲器/驱动器(oc,30v)74ls08 2输入四与门74ls09 2输入四与门(oc)74ls10 3输入三与非门74ls11 3输入三与门74ls12 3输入三与非门(oc)74ls13 4输入双与非门(斯密特触发)74ls14 六倒相器(斯密特触发)74ls15 3输入三与门(oc)74ls16 六高压输出反相缓冲器/驱动器(oc,15v) 74ls17 六高压输出缓冲器/驱动器(oc,15v)74ls18 4输入双与非门(斯密特触发)74ls19 六倒相器(斯密特触发)74ls20 4输入双与非门74ls21 4输入双与门74ls22 4输入双与非门(oc)74ls23 双可扩展的输入或非门74ls24 2输入四与非门(斯密特触发)74ls25 4输入双或非门(有选通)74ls26 2输入四高电平接口与非缓冲器(oc,15v) 74ls27 3输入三或非门74ls28 2输入四或非缓冲器74ls30 8输入与非门74ls31 延迟电路74ls32 2输入四或门74ls33 2输入四或非缓冲器(集电极开路输出) 74ls34 六缓冲器74ls35 六缓冲器(oc)74ls36 2输入四或非门(有选通)74ls37 2输入四与非缓冲器74ls38 2输入四或非缓冲器(集电极开路输出) 74ls39 2输入四或非缓冲器(集电极开路输出) 74ls40 4输入双与非缓冲器74ls41 bcd-十进制计数器74ls42 4线-10线译码器(bcd输入)74ls43 4线-10线译码器(余3码输入)74ls44 4线-10线译码器(余3葛莱码输入)74ls45 bcd-十进制译码器/驱动器74ls46 bcd-七段译码器/驱动器74ls47 bcd-七段译码器/驱动器74ls48 bcd-七段译码器/驱动器74ls49 bcd-七段译码器/驱动器(oc)74ls50 双二路2-2输入与或非门(一门可扩展) 74ls51 双二路2-2输入与或非门74ls51 二路3-3输入,二路2-2输入与或非门74ls52 四路2-3-2-2输入与或门(可扩展)74ls53 四路2-2-2-2输入与或非门(可扩展) 74ls53 四路2-2-3-2输入与或非门(可扩展) 74ls54 四路2-2-2-2输入与或非门74ls54 四路2-3-3-2输入与或非门74ls54 四路2-2-3-2输入与或非门74ls55 二路4-4输入与或非门(可扩展)74ls60 双四输入与扩展74ls61 三3输入与扩展74ls62 四路2-3-3-2输入与或扩展器74ls63 六电流读出接口门74ls64 四路4-2-3-2输入与或非门74ls65 四路4-2-3-2输入与或非门(oc)74ls70 与门输入上升沿jk触发器74ls71 与输入r-s主从触发器74ls72 与门输入主从jk触发器74ls73 双j-k触发器(带清除端)74ls74 正沿触发双d型触发器(带预置端和清除端)74ls75 4位双稳锁存器74ls76 双j-k触发器(带预置端和清除端)74ls77 4位双稳态锁存器74ls78 双j-k触发器(带预置端,公共清除端和公共时钟端) 74ls80 门控全加器74ls81 16位随机存取存储器74ls82 2位二进制全加器(快速进位)74ls83 4位二进制全加器(快速进位)74ls84 16位随机存取存储器74ls85 4位数字比较器74ls86 2输入四异或门74ls87 四位二进制原码/反码/oi单元74ls89 64位读/写存储器74ls90 十进制计数器74ls91 八位移位寄存器74ls92 12分频计数器(2分频和6分频)74ls93 4位二进制计数器74ls94 4位移位寄存器(异步)74ls95 4位移位寄存器(并行io)74ls96 5位移位寄存器74ls97 六位同步二进制比率乘法器74ls100 八位双稳锁存器74ls103 负沿触发双j-k主从触发器(带清除端)74ls106 负沿触发双j-k主从触发器(带预置,清除,时钟) 74ls107 双j-k主从触发器(带清除端)74ls108 双j-k主从触发器(带预置,清除,时钟)74ls109 双j-k触发器(带置位,清除,正触发)74ls110 与门输入j-k主从触发器(带锁定)74ls111 双j-k主从触发器(带数据锁定)74ls112 负沿触发双j-k触发器(带预置端和清除端)74ls113 负沿触发双j-k触发器(带预置端)74ls114 双j-k触发器(带预置端,共清除端和时钟端) 74ls116 双四位锁存器74ls120 双脉冲同步器/驱动器74ls121 单稳态触发器(施密特触发)74ls122 可再触发单稳态多谐振荡器(带清除端)74ls123 可再触发双单稳多谐振荡器74ls125 四总线缓冲门(三态输出)74ls126 四总线缓冲门(三态输出)74ls128 2输入四或非线驱动器74ls131 3-8译码器74ls132 2输入四与非门(斯密特触发)74ls133 13输入端与非门74ls134 12输入端与门(三态输出)74ls135 四异或/异或非门74ls136 2输入四异或门(oc)74ls137 八选1锁存译码器/多路转换器74ls138 3-8线译码器/多路转换器74ls139 双2-4线译码器/多路转换器74ls140 双4输入与非线驱动器74ls141 bcd-十进制译码器/驱动器74ls142 计数器/锁存器/译码器/驱动器74ls145 4-10译码器/驱动器74ls147 10线-4线优先编码器74ls148 8线-3线八进制优先编码器74ls150 16选1数据选择器(反补输出)74ls151 8选1数据选择器(互补输出)74ls152 8选1数据选择器多路开关74ls153 双4选1数据选择器/多路选择器74ls154 4线-16线译码器74ls155 双2-4译码器/分配器(图腾柱输出)74ls156 双2-4译码器/分配器(集电极开路输出) 74ls157 四2选1数据选择器/多路选择器74ls158 四2选1数据选择器(反相输出)74ls160 可预置bcd计数器(异步清除)74ls161 可预置四位二进制计数器(并清除异步) 74ls162 可预置bcd计数器(异步清除)74ls163 可预置四位二进制计数器(并清除异步) 74ls164 8位并行输出串行移位寄存器74ls165 并行输入8位移位寄存器(补码输出)74ls166 8位移位寄存器74ls167 同步十进制比率乘法器74ls168 4位加/减同步计数器(十进制)74ls169 同步二进制可逆计数器74ls170 4*4寄存器堆74ls171 四d触发器(带清除端)74ls172 16位寄存器堆74ls173 4位d型寄存器(带清除端)74ls174 六d触发器74ls175 四d触发器74ls176 十进制可预置计数器74ls177 2-8-16进制可预置计数器74ls178 四位通用移位寄存器74ls179 四位通用移位寄存器74ls180 九位奇偶产生/校验器74ls181 算术逻辑单元/功能发生器74ls182 先行进位发生器74ls183 双保留进位全加器74ls184 bcd-二进制转换器74ls185 二进制-bcd转换器74ls190 同步可逆计数器(bcd,二进制) 74ls191 同步可逆计数器(bcd,二进制) 74ls192 同步可逆计数器(bcd,二进制) 74ls193 同步可逆计数器(bcd,二进制) 74ls194 四位双向通用移位寄存器74ls195 四位通用移位寄存器74ls196 可预置计数器/锁存器74ls197 可预置计数器/锁存器(二进制) 74ls198 八位双向移位寄存器74ls199 八位移位寄存器74ls210 2-5-10进制计数器74ls213 2-n-10可变进制计数器74ls221 双单稳触发器74ls230 八3态总线驱动器74ls231 八3态总线反向驱动器74ls240 八缓冲器/线驱动器/线接收器(反码三态输出) 74ls241 八缓冲器/线驱动器/线接收器(原码三态输出) 74ls242 八缓冲器/线驱动器/线接收器74ls243 4同相三态总线收发器74ls244 八缓冲器/线驱动器/线接收器74ls245 八双向总线收发器74ls246 4线-七段译码/驱动器(30v)74ls247 4线-七段译码/驱动器(15v)74ls248 4线-七段译码/驱动器74ls249 4线-七段译码/驱动器74ls251 8选1数据选择器(三态输出)74ls253 双四选1数据选择器(三态输出)74ls256 双四位可寻址锁存器74ls257 四2选1数据选择器(三态输出)74ls258 四2选1数据选择器(反码三态输出)74ls259 8为可寻址锁存器74ls260 双5输入或非门74ls261 4*2并行二进制乘法器74ls265 四互补输出元件74ls266 2输入四异或非门(oc)74ls270 2048位rom (512位四字节,oc)74ls271 2048位rom (256位八字节,oc)74ls273 八d触发器74ls274 4*4并行二进制乘法器74ls275 七位片式华莱士树乘法器74ls276 四jk触发器74ls278 四位可级联优先寄存器74ls279 四s-r锁存器74ls280 9位奇数/偶数奇偶发生器/较验器74ls28174ls283 4位二进制全加器74ls290 十进制计数器74ls291 32位可编程模74ls293 4位二进制计数器74ls294 16位可编程模74ls295 四位双向通用移位寄存器74ls298 四-2输入多路转换器(带选通)74ls299 八位通用移位寄存器(三态输出)74ls348 8-3线优先编码器(三态输出)74ls352 双四选1数据选择器/多路转换器74ls353 双4-1线数据选择器(三态输出)74ls354 8输入端多路转换器/数据选择器/寄存器,三态补码输出74ls355 8输入端多路转换器/数据选择器/寄存器,三态补码输出74ls356 8输入端多路转换器/数据选择器/寄存器,三态补码输出74ls357 8输入端多路转换器/数据选择器/寄存器,三态补码输出74ls365 6总线驱动器74ls366 六反向三态缓冲器/线驱动器74ls367 六同向三态缓冲器/线驱动器74ls368 六反向三态缓冲器/线驱动器74ls373 八d锁存器74ls374 八d触发器(三态同相)74ls375 4位双稳态锁存器74ls377 带使能的八d触发器74ls378 六d触发器74ls379 四d触发器74ls381 算术逻辑单元/函数发生器74ls382 算术逻辑单元/函数发生器74ls384 8位*1位补码乘法器74ls385 四串行加法器/乘法器74ls386 2输入四异或门74ls390 双十进制计数器74ls391 双四位二进制计数器74ls395 4位通用移位寄存器74ls396 八位存储寄存器74ls398 四2输入端多路开关(双路输出) 74ls399 四-2输入多路转换器(带选通)74ls422 单稳态触发器74ls423 双单稳态触发器74ls440 四3方向总线收发器,集电极开路74ls441 四3方向总线收发器,集电极开路74ls442 四3方向总线收发器,三态输出74ls443 四3方向总线收发器,三态输出74ls444 四3方向总线收发器,三态输出74ls445 bcd-十进制译码器/驱动器,三态输出74ls446 有方向控制的双总线收发器74ls448 四3方向总线收发器,三态输出74ls449 有方向控制的双总线收发器74ls465 八三态线缓冲器74ls466 八三态线反向缓冲器74ls467 八三态线缓冲器74ls468 八三态线反向缓冲器74ls490 双十进制计数器74ls540 八位三态总线缓冲器(反向)74ls541 八位三态总线缓冲器74ls589 有输入锁存的并入串出移位寄存器74ls590 带输出寄存器的8位二进制计数器74ls591 带输出寄存器的8位二进制计数器74ls592 带输出寄存器的8位二进制计数器74ls593 带输出寄存器的8位二进制计数器74ls594 带输出锁存的8位串入并出移位寄存器74ls595 8位输出锁存移位寄存器74ls596 带输出锁存的8位串入并出移位寄存器74ls597 8位输出锁存移位寄存器74ls598 带输入锁存的并入串出移位寄存器74ls599 带输出锁存的8位串入并出移位寄存器74ls604 双8位锁存器74ls605 双8位锁存器74ls606 双8位锁存器74ls607 双8位锁存器74ls620 8位三态总线发送接收器(反相)74ls621 8位总线收发器74ls622 8位总线收发器74ls623 8位总线收发器74ls640 反相总线收发器(三态输出)74ls641 同相8总线收发器,集电极开路74ls642 同相8总线收发器,集电极开路74ls643 8位三态总线发送接收器74ls644 真值反相8总线收发器,集电极开路74ls645 三态同相8总线收发器74ls646 八位总线收发器,寄存器74ls647 八位总线收发器,寄存器74ls648 八位总线收发器,寄存器74ls649 八位总线收发器,寄存器74ls651 三态反相8总线收发器74ls652 三态反相8总线收发器74ls653 反相8总线收发器,集电极开路74ls654 同相8总线收发器,集电极开路74ls668 4位同步加/减十进制计数器74ls669 带先行进位的4位同步二进制可逆计数器74ls670 4*4寄存器堆(三态)74ls671 带输出寄存的四位并入并出移位寄存器74ls672 带输出寄存的四位并入并出移位寄存器74ls673 16位并行输出存储器,16位串入串出移位寄存器74ls674 16位并行输入串行输出移位寄存器74ls681 4位并行二进制累加器74ls682 8位数值比较器(图腾柱输出)74ls683 8位数值比较器(集电极开路)74ls684 8位数值比较器(图腾柱输出)74ls685 8位数值比较器(集电极开路)74ls686 8位数值比较器(图腾柱输出)74ls687 8位数值比较器(集电极开路)74ls688 8位数字比较器(oc输出)74ls689 8位数字比较器74ls690 同步十进制计数器/寄存器(带数选,三态输出,直接清除)74ls691 计数器/寄存器(带多转换,三态输出)74ls692 同步十进制计数器(带预置输入,同步清除)74ls693 计数器/寄存器(带多转换,三态输出)74ls696 同步加/减十进制计数器/寄存器(带数选,三态输出,直接清除) 74ls697 计数器/寄存器(带多转换,三态输出)74ls698 计数器/寄存器(带多转换,三态输出)74ls699 计数器/寄存器(带多转换,三态输出)74ls716 可编程模n十进制计数器74ls718 可编程模n十进制计数器【发表评论】【告诉好友】【收藏此文】【关闭窗口】上一篇:74LS74引脚图(双D触发器)下一篇:DAC0832引脚图及接口电路网友评论(第一页显示最新10条评论)以下是对[74系列芯片引脚图资料大全]的评论,总共:27 条评论游客:匿名(发表时间:2011-6-4 17:16:20)27真的很好,谢谢/盖楼(回复) 支持[0] 反对[0]游客:匿名(发表时间:2010-12-27 19:48:31)26少了电压和如何使用盖楼(回复) 支持[0] 反对[0] 游客:匿名(发表时间:2010-12-21 21:15:20)25这么多,有好处盖楼(回复) 支持[0] 反对[0]游客:匿名(发表时间:2010-12-16 6:34:05)24很好啊盖楼(回复) 支持[0] 反对[0]游客:匿名(发表时间:2010-10-25 15:41:11)23谢谢共享盖楼(回复) 支持[0] 反对[0]游客:匿名 (发表时间: 2010-9-13 19:16:59)22呵呵,真是辛苦了。
一:分类74ls00 2输入四与非门74ls01 2输入四与非门 (oc)74ls02 2输入四或非门74ls03 2输入四与非门 (oc)74ls04 六倒相器74ls05 六倒相器(oc)74ls06 六高压输出反相缓冲器/驱动器(oc,30v) 74ls07 六高压输出缓冲器/驱动器(oc,30v)74ls08 2输入四与门74ls09 2输入四与门(oc)74ls10 3输入三与非门74ls11 3输入三与门74ls12 3输入三与非门 (oc)74ls13 4输入双与非门 (斯密特触发)74ls14 六倒相器(斯密特触发)74ls15 3输入三与门 (oc)74ls16 六高压输出反相缓冲器/驱动器(oc,15v) 74ls17 六高压输出缓冲器/驱动器(oc,15v)74ls18 4输入双与非门 (斯密特触发)74ls19 六倒相器(斯密特触发)74ls20 4输入双与非门74ls21 4输入双与门74ls22 4输入双与非门(oc)74ls23 双可扩展的输入或非门74ls24 2输入四与非门(斯密特触发)74ls25 4输入双或非门(有选通)74ls26 2输入四高电平接口与非缓冲器(oc,15v) 74ls27 3输入三或非门74ls28 2输入四或非缓冲器74ls30 8输入与非门74ls31 延迟电路74ls32 2输入四或门74ls33 2输入四或非缓冲器(集电极开路输出) 74ls34 六缓冲器74ls35 六缓冲器(oc)74ls36 2输入四或非门(有选通)74ls37 2输入四与非缓冲器74ls38 2输入四或非缓冲器(集电极开路输出74ls39 2输入四或非缓冲器(集电极开路输出)74ls40 4输入双与非缓冲器74ls41 bcd-十进制计数器74ls42 4线-10线译码器(bcd输入)74ls43 4线-10线译码器(余3码输入)74ls44 4线-10线译码器(余3葛莱码输入)74ls45 bcd-十进制译码器/驱动器74ls46 bcd-七段译码器/驱动器74ls47 bcd-七段译码器/驱动器74ls48 bcd-七段译码器/驱动器74ls49 bcd-七段译码器/驱动器(oc)74ls50 双二路2-2输入与或非门(一门可扩展)74ls51 双二路2-2输入与或非门74ls51 二路3-3输入,二路2-2输入与或非门74ls52 四路2-3-2-2输入与或门(可扩展)74ls53 四路2-2-2-2输入与或非门(可扩展)74ls53 四路2-2-3-2输入与或非门(可扩展)74ls54 四路2-2-2-2输入与或非门74ls54 四路2-3-3-2输入与或非门74ls54 四路2-2-3-2输入与或非门74ls55 二路4-4输入与或非门(可扩展)74ls60 双四输入与扩展74ls61 三3输入与扩展74ls62 四路2-3-3-2输入与或扩展器74ls63 六电流读出接口门74ls64 四路4-2-3-2输入与或非门74ls65 四路4-2-3-2输入与或非门(oc)74ls70 与门输入上升沿jk触发器74ls71 与输入r-s主从触发器74ls72 与门输入主从jk触发器74ls73 双j-k触发器(带清除端)74ls74 正沿触发双d型触发器(带预置端和清除端) 74ls75 4位双稳锁存器74ls76 双j-k触发器(带预置端和清除端)74ls77 4位双稳态锁存器74ls78 双j-k触发器(带预置端,公共清除端和公共时钟端)74ls80 门控全加器74ls81 16位随机存取存储器74ls82 2位二进制全加器(快速进位)74ls83 4位二进制全加器(快速进位)74ls84 16位随机存取存储器74ls85 4位数字比较器74ls86 2输入四异或门74ls87 四位二进制原码/反码/oi单元74ls89 64位读/写存储器74ls90 十进制计数器74ls91 八位移位寄存器74ls92 12分频计数器(2分频和6分频)74ls93 4位二进制计数器74ls94 4位移位寄存器(异步)74ls95 4位移位寄存器(并行io)74ls96 5位移位寄存器74ls97 六位同步二进制比率乘法器74ls100 八位双稳锁存器74ls103 负沿触发双j-k主从触发器(带清除端) 74ls106 负沿触发双j-k主从触发器(带预置,清除,时钟)74ls107 双j-k主从触发器(带清除端)74ls108 双j-k主从触发器(带预置,清除,时钟) 74ls109 双j-k触发器(带置位,清除,正触发)74ls110 与门输入j-k主从触发器(带锁定)74ls111 双j-k主从触发器(带数据锁定)74ls112 负沿触发双j-k触发器(带预置端和清除端)74ls113 负沿触发双j-k触发器(带预置端)74ls114 双j-k触发器(带预置端,共清除端和时钟端)74ls116 双四位锁存器74ls120 双脉冲同步器/驱动器74ls121 单稳态触发器(施密特触发)74ls122 可再触发单稳态多谐振荡器(带清除端) 74ls123 可再触发双单稳多谐振荡器74ls125 四总线缓冲门(三态输出)74ls126 四总线缓冲门(三态输出)74ls128 2输入四或非线驱动器74ls131 3-8译码器74ls132 2输入四与非门(斯密特触发)74ls133 13输入端与非门74ls134 12输入端与门(三态输出)74ls135 四异或/异或非门74ls136 2输入四异或门(oc)74ls137 八选1锁存译码器/多路转换器74ls138 3-8线译码器/多路转换器74ls139 双2-4线译码器/多路转换器74ls140 双4输入与非线驱动器74ls141 bcd-十进制译码器/驱动器74ls142 计数器/锁存器/译码器/驱动器74ls145 4-10译码器/驱动器74ls147 10线-4线优先编码器74ls148 8线-3线八进制优先编码器74ls150 16选1数据选择器(反补输出)74ls151 8选1数据选择器(互补输出)74ls152 8选1数据选择器多路开关74ls153 双4选1数据选择器/多路选择器74ls154 4线-16线译码器74ls155 双2-4译码器/分配器(图腾柱输出)74ls156 双2-4译码器/分配器(集电极开路输出) 74ls157 四2选1数据选择器/多路选择器74ls158 四2选1数据选择器(反相输出)74ls160 可预置bcd计数器(异步清除)74ls161 可预置四位二进制计数器(并清除异步) 74ls162 可预置bcd计数器(异步清除)74ls163 可预置四位二进制计数器(并清除异步) 74ls164 8位并行输出串行移位寄存器74ls165 并行输入8位移位寄存器(补码输出)74ls166 8位移位寄存器74ls167 同步十进制比率乘法器74ls168 4位加/减同步计数器(十进制)74ls169 同步二进制可逆计数器74ls170 4*4寄存器堆74ls171 四d触发器(带清除端)74ls172 16位寄存器堆74ls173 4位d型寄存器(带清除端)74ls174 六d触发器74ls175 四d触发器74ls176 十进制可预置计数器74ls177 2-8-16进制可预置计数器74ls178 四位通用移位寄存器74ls179 四位通用移位寄存器74ls180 九位奇偶产生/校验器74ls181 算术逻辑单元/功能发生器74ls182 先行进位发生器74ls183 双保留进位全加器74ls184 bcd-二进制转换器74ls185 二进制-bcd转换器74ls190 同步可逆计数器(bcd,二进制)74ls191 同步可逆计数器(bcd,二进制)74ls192 同步可逆计数器(bcd,二进制)74ls193 同步可逆计数器(bcd,二进制)74ls194 四位双向通用移位寄存器74ls195 四位通用移位寄存器74ls196 可预置计数器/锁存器74ls197 可预置计数器/锁存器(二进制)74ls198 八位双向移位寄存器74ls199 八位移位寄存器74ls210 2-5-10进制计数器74ls213 2-n-10可变进制计数器74ls221 双单稳触发器74ls230 八3态总线驱动器74ls231 八3态总线反向驱动器74ls240 八缓冲器/线驱动器/线接收器(反码三态输出)74ls241 八缓冲器/线驱动器/线接收器(原码三态输出)74ls242 八缓冲器/线驱动器/线接收器74ls243 4同相三态总线收发器74ls244 八缓冲器/线驱动器/线接收器74ls245 八双向总线收发器74ls246 4线-七段译码/驱动器(30v)74ls247 4线-七段译码/驱动器(15v)74ls248 4线-七段译码/驱动器74ls249 4线-七段译码/驱动器74ls251 8选1数据选择器(三态输出)74ls253 双四选1数据选择器(三态输出)74ls256 双四位可寻址锁存器74ls257 四2选1数据选择器(三态输出)74ls258 四2选1数据选择器(反码三态输出) 74ls259 8为可寻址锁存器74ls260 双5输入或非门74ls261 4*2并行二进制乘法器74ls265 四互补输出元件74ls266 2输入四异或非门(oc)74ls270 2048位rom (512位四字节,oc)74ls271 2048位rom (256位八字节,oc)74ls273 八d触发器74ls274 4*4并行二进制乘法器74ls275 七位片式华莱士树乘法器74ls276 四jk触发器74ls278 四位可级联优先寄存器74ls279 四s-r锁存器74ls280 9位奇数/偶数奇偶发生器/较验器74ls28174ls283 4位二进制全加器74ls290 十进制计数器74ls291 32位可编程模74ls293 4位二进制计数器74ls294 16位可编程模74ls295 四位双向通用移位寄存器74ls298 四-2输入多路转换器(带选通)74ls299 八位通用移位寄存器(三态输出)74ls348 8-3线优先编码器(三态输出)74ls352 双四选1数据选择器/多路转换器74ls353 双4-1线数据选择器(三态输出)74ls354 8输入端多路转换器/数据选择器/寄存器,三态补码输出74ls355 8输入端多路转换器/数据选择器/寄存器,三态补码输出74ls356 8输入端多路转换器/数据选择器/寄存器,三态补码输出74ls357 8输入端多路转换器/数据选择器/寄存器,三态补码输出74ls365 6总线驱动器74ls366 六反向三态缓冲器/线驱动器74ls367 六同向三态缓冲器/线驱动器74ls368 六反向三态缓冲器/线驱动器74ls373 八d锁存器74ls374 八d触发器(三态同相)74ls375 4位双稳态锁存器74ls377 带使能的八d触发器74ls378 六d触发器74ls379 四d触发器74ls381 算术逻辑单元/函数发生器74ls382 算术逻辑单元/函数发生器74ls384 8位*1位补码乘法器74ls385 四串行加法器/乘法器74ls386 2输入四异或门74ls390 双十进制计数器74ls391 双四位二进制计数器74ls395 4位通用移位寄存器74ls396 八位存储寄存器74ls398 四2输入端多路开关(双路输出)74ls399 四-2输入多路转换器(带选通)74ls422 单稳态触发器74ls423 双单稳态触发器74ls440 四3方向总线收发器,集电极开路74ls441 四3方向总线收发器,集电极开路74ls442 四3方向总线收发器,三态输出74ls443 四3方向总线收发器,三态输出74ls444 四3方向总线收发器,三态输出74ls445 bcd-十进制译码器/驱动器,三态输出74ls446 有方向控制的双总线收发器74ls448 四3方向总线收发器,三态输出74ls449 有方向控制的双总线收发器74ls465 八三态线缓冲器74ls466 八三态线反向缓冲器74ls467 八三态线缓冲器74ls468 八三态线反向缓冲器74ls490 双十进制计数器74ls540 八位三态总线缓冲器(反向)74ls541 八位三态总线缓冲器74ls589 有输入锁存的并入串出移位寄存器74ls590 带输出寄存器的8位二进制计数器74ls591 带输出寄存器的8位二进制计数器74ls592 带输出寄存器的8位二进制计数器74ls593 带输出寄存器的8位二进制计数器74ls594 带输出锁存的8位串入并出移位寄存器74ls595 8位输出锁存移位寄存器74ls596 带输出锁存的8位串入并出移位寄存器74ls597 8位输出锁存移位寄存器74ls598 带输入锁存的并入串出移位寄存器74ls599 带输出锁存的8位串入并出移位寄存器74ls604 双8位锁存器74ls605 双8位锁存器74ls606 双8位锁存器74ls607 双8位锁存器74ls620 8位三态总线发送接收器(反相)74ls621 8位总线收发器74ls622 8位总线收发器74ls623 8位总线收发器74ls640 反相总线收发器(三态输出)74ls641 同相8总线收发器,集电极开路74ls642 同相8总线收发器,集电极开路74ls643 8位三态总线发送接收器74ls644 真值反相8总线收发器,集电极开路74ls645 三态同相8总线收发器74ls646 八位总线收发器,寄存器74ls647 八位总线收发器,寄存器74ls648 八位总线收发器,寄存器74ls649 八位总线收发器,寄存器74ls651 三态反相8总线收发器74ls652 三态反相8总线收发器74ls653 反相8总线收发器,集电极开路74ls654 同相8总线收发器,集电极开路74ls668 4位同步加/减十进制计数器74ls669 带先行进位的4位同步二进制可逆计数器74ls670 4*4寄存器堆(三态)74ls671 带输出寄存的四位并入并出移位寄存器74ls672 带输出寄存的四位并入并出移位寄存器74ls673 16位并行输出存储器,16位串入串出移位寄存器74ls674 16位并行输入串行输出移位寄存器74ls681 4位并行二进制累加器74ls682 8位数值比较器(图腾柱输出)74ls683 8位数值比较器(集电极开路)74ls684 8位数值比较器(图腾柱输出)74ls685 8位数值比较器(集电极开路)74ls686 8位数值比较器(图腾柱输出)74ls687 8位数值比较器(集电极开路)74ls688 8位数字比较器(oc输出)74ls689 8位数字比较器74ls690 同步十进制计数器/寄存器(带数选,三态输出,直接清除)74ls691 计数器/寄存器(带多转换,三态输出)74ls692 同步十进制计数器(带预置输入,同步清除)74ls693 计数器/寄存器(带多转换,三态输出)74ls696 同步加/减十进制计数器/寄存器(带数选,三态输出,直接清除)74ls697 计数器/寄存器(带多转换,三态输出)74ls698 计数器/寄存器(带多转换,三态输出)74ls699 计数器/寄存器(带多转换,三态输出)74ls716 可编程模n十进制计数器74ls718 可编程模n十进制计数器LM12瓦运算放大器LM124 LM224 LM324 LM2902 低电压双路运算放大器LM324 低电压双路运算放大器LM129 LM329 精密电压基准芯片LM135 LM235 LM335 精密温度传感器芯片LM1458 LM1558 双运算放大器LM158 LM258 LM358 LM2904 低压双运算放大器LM18293 四通道推拉驱动器LM1868 调幅/调频收音机芯片LM1951 1安培固态开关LM2574 0.5A降阶式电压调节器LM1575 LM2575 1A 降阶式电压调节器LM2576 3A 3A 降阶式电压调节器LM1577 LM2577 降阶式电压调节器LM2587 5A 返馈开关式电压调节器LM1893 LM2893 载体电流收发器LM193 LM293 LM393 LM2903 双路低压低漂移比较器LM2907 LM2917 频率电压转换器LM101A LM201A LM301A 运算放大器芯片LM3045 LM3046 LM3086 晶体管阵列LM111 LM211 LM311 电压比较器LM117 LM317 三端可调式稳压器LM118 LM218 LM318 运算放大器LM133 LM333安培可调负电压调节器LM137 LM337 可调式三端负压稳压器LM34 精密华氏温度传感器LM342 三端正压稳压器LM148 LM248 LM348 / LM149 LM349 双LM741运算放大器LM35 精密摄氏温度传感器LM158 LM258 LM358 LM2904 低压双运算放大器LM150 LM350 3安培可调式电压调节器LM380 2.5瓦音频放大器LM386 低压音频功率放大器LM3886 高性能68瓦音频功率放大器/带静音LM555 LM555C 时基发生器电路LM556 LM556C 双时基发生器电路LM565 相位跟随器LM567 音频译码器LM621 无刷电机换向器LM628 LM629精密位移控制器LM675功率运算放大器LM723 电压调节器LM741 运算放大器LM7805 LM78xx 系列稳压器LM7812 LM78xx 系列稳压器LM7815 LM78xx 系列稳压器LM78L00 三端正压调节器LM78L05 三端正压调节器LM78L09三端正压调节器LM78L12 三端正压调节器LM78L15 三端正压调节器LM78L62 三端正压调节器LM78L82 三端正压调节器LM340 LM78Mxx 三端正压稳压器LM7905 三端负压调节器LM7912 三端负压调节器LM7915 三端负压调节器LM79Mxx三端负压调节器LF147 LF347 宽带J型场效应输入运算放大器LF351 宽带J型场效应输入运算放大器LF353 宽带J型场效应输入运算放大器LF444 双低压J型场效应输入运算放大器(1) 74LS00双输入四与非门,管脚图如附图1-27所示。
74LS74 内部结构引脚图管脚逻辑图(双 D 触发器)、原理图和真值表以及波形图分析下面介绍一下74ls74 ,74ls74 内部结构,74ls74 引脚图,74ls74 管脚图,74ls74 逻辑图。
在TTL 电路中,比较典型的 d 触发器电路有74ls74 。
74ls74 是一个边沿触发器数字电路器件,每个器件中包含两个相同的、相互独立的边沿触发 d 触发器电路。
(图点击,或下载后可放大)(图点击,或下载后可放大)原理图和真值表以及波形图分析边沿 D 触发器:负跳沿触发的主从触发器工作时,必须在正跳沿前加入输入信号。
如果在CP 高电平期间输入端出现干扰信号,那么就有可能使触发器的状态出错。
而边沿触发器允许在CP 触发沿来到前一瞬间加入输入信号。
这样,输入端受干扰的时间大大缩短,受干扰的可能性就降低了。
边沿 D 触发器也称为维持- 阻塞边沿 D 触发器。
电路结构: 该触发器由 6 个与非门组成,其中G1 和G2 构成基本RS 触发器。
工作原理:SD 和RD 接至基本RS 触发器的输入端,它们分别是预置和清零端,低电平有效。
当SD =0 且RD=1 时,不论输入端 D 为何种状态,都会使Q=1 ,Q=0 ,即触发器置 1 ;当SD=1 且RD=0 时,触发器的状态为0,SD 和RD 通常又称为直接置 1 和置0 端。
我们设它们均已加入了高电平,不影响电路的工作。
工作过程如下:1. CP=0 时,与非门G3 和G4 封锁,其输出Q3=Q4=1 ,触发器的状态不变。
同时,由于Q3 至Q5 和Q4 至Q6 的反馈信号将这两个门打开,因此可接收输入信号 D ,Q5=D ,Q6=Q5=D 。
2. 当CP由0变1时触发器翻转。
这时G3 和G4 打开,它们的输入Q3 和Q4 的状态由G5 和G6 的输出状态决定。
Q3=Q5=D ,Q4=Q6=D 。
由基本RS 触发器的逻辑功能可知,Q =D 。
3. 触发器翻转后,在CP=1 时输入信号被封锁。
74HC04真值表及参数74HC04真值表:图3 7404真值表最大额定值电源电压-0.5 to +7.0VDC输入电压-1.5 to Vcc+1.5V直流输出电压-0.5 to Vcc+0.5V钳位二极管电流±20mA直流输出电流,每个引脚(输出)±25mA功耗600mW建议操作条件:Operating Conditions操作条件最小最大单位Supply Voltage电源电压(VCC) 2 6 V DC输入或输出电压(输入电压,输出电压)0 VCC VOperating Temp. Range (TA) 工作温度MM74HC-40 +85 ℃MM54HC -55 +125 ℃Input Rise or Fall Times输入上升或下降时间 (tr,tf)VCC=2.0V 1000 ns VCC=4.5V500ns VCC=6.0V 400 ns直流电气特性Sym bol 符号Parameter参数Conditions 条件VCCTA=25℃74HCTA=-40 to85℃54HC TA=-55 to 125℃单位典型Guaranteed Limits 保证极限VIH 输入高电平电压2.0V1.51.5 1.5V4.5V3.153.15 3.156.0V4.24.2 4.2VIL 输入低电平电压2.0V.50.5 0.5 V4 .5V1.351.35 1.356 .0V1.81.8 1.8VOH 输出高电平电压VIN=VIL 丨IOUT丨≤20 μA2.0V2.01.91.9 1.9V4.5V4.54.44.4 4.46.0V6.05.95.9 5.9VIN=VIL 丨IOUT丨≤4.0 mA 丨IOUT丨≤5.2 mA4.5V4.23.983.84 3.7V6.0V5.75.485.34 5.2VOL 输出低电平电压VIN=VIH 丨IOUT丨≤20 μA2.0V00.10.1 0.1V4.5V00.10.1 0.16.0V.10.10.1VIN=VIH 丨IOUT丨≤4.0 mA 丨IOUT丨≤5.2 mA4.5V.2.260.33 0.4V6.0V.2.260.330.4IIN 最大输入电流VIN=VCC or GND6.0V±0.1±1.0 ±1.0μAICC 电源电流VIN=VCC or GNDIOUT=0 μA6.0V2.020 40μA交流电气特性:Symbol 符号Parameter 参数条件典型Guaranteed Limit 保证极限单位tPHL,tPLH 最高传播延迟时间8 15 ns AC Electrical Characteristics VCCe2.0V to 6.0V, CLe50 pF, tretfe6 ns(unless otherwise specified)交流电气特性:Symbo l 符号Parameter参数Conditions条件VCCTA=25℃TA eb40 to85℃TA eb55 to125℃单位型保证界限tPHL, tPLH 最大传输延迟时间2.0V 595120 145ns4.5V11924296.0V1620 24tTLH, tTHLMaximumOutput Rise and2.0V 07595 110nsFall Time最大输出上升和下降时间4.5V1519 226.0V131619CPDPowerDissipationCapacitance(Note 5)功耗电容(pergate) 0pFCIN 最大输入电容110 10pF。
74ls系列主要芯⽚引脚及参数.doc<74LS00引脚图>74l s00 是常⽤的2输⼊四与⾮门集成电路,他的作⽤很简单顾名思义就是实现⼀个与⾮门。
Vcc 4B 4A 4Y 3B 3A 3Y┌┴—┴—┴—┴—┴—┴—┴┐__ │14 13 12 11 10 9 8│Y = AB )│ 2输⼊四正与⾮门 74LS00│ 1 2 3 4 5 6 7│└┬—┬—┬—┬—┬—┬—┬┘1A 1B 1Y 2A 2B 2Y GND74LS00真值表:A=1 B=1 Y=0A=0 B=1 Y=1A=1 B=0 Y=1A=0 B=0 Y=174HC138基本功能74LS138 为3 线-8 线译码器,共有54/74S138和54/74LS138 两种线路结构型式,其74LS138⼯作原理如下:当⼀个选通端(G1)为⾼电平,另两个选通端(/(G2A)和/(G2B))为低电平时,可将地址端(A、B、C)的⼆进制编码在⼀个对应的输出端以低电平译出。
74LS138的作⽤:利⽤G1、/(G2A)和/(G2B)可级联扩展成24 线译码器;若外接⼀个反相器还可级联扩展成32 线译码器。
若将选通端中的⼀个作为数据输⼊端时,74LS138还可作数据分配器⽤与⾮门组成的3线-8线译码器74LS138图74ls138译码器内部电路3线-8线译码器74LS138的功能表备注:这⾥的输⼊端的三个A0~1有的原理图中也⽤A B C表⽰(如74H138.pdf中所⽰,试⽤于普中科技的HC-6800 V2.2单⽚机开发板)。
<74ls138功能表>74LS138逻辑图⽆论从逻辑图还是功能表我们都可以看到74LS138的⼋个输出管脚,任何时刻要么全为⾼电平1—芯⽚处于不⼯作状态,要么只有⼀个为低电平0,其余7个输出管脚全为⾼电平1。
如果出现两个输出管脚在同⼀个时间为0的情况,说明该芯⽚已经损坏。
当附加控制门的输出为⾼电平(S=1)时,可由逻辑图写出74ls138逻辑图由上式可以看出,在同⼀个时间⼜是这三个变量的全部最⼩项的译码输出,所以也把这种译码器叫做最⼩项译码器。
一:分类74ls00 2输入四与非门74ls01 2输入四与非门 (oc)74ls02 2输入四或非门74ls03 2输入四与非门 (oc)74ls04 六倒相器74ls05 六倒相器(oc)74ls06 六高压输出反相缓冲器/驱动器(oc,30v) 74ls07 六高压输出缓冲器/驱动器(oc,30v)74ls08 2输入四与门74ls09 2输入四与门(oc)74ls10 3输入三与非门74ls11 3输入三与门74ls12 3输入三与非门 (oc)74ls13 4输入双与非门 (斯密特触发)74ls14 六倒相器(斯密特触发)74ls15 3输入三与门 (oc)74ls16 六高压输出反相缓冲器/驱动器(oc,15v) 74ls17 六高压输出缓冲器/驱动器(oc,15v)74ls18 4输入双与非门 (斯密特触发)74ls19 六倒相器(斯密特触发)74ls20 4输入双与非门74ls21 4输入双与门74ls22 4输入双与非门(oc)74ls23 双可扩展的输入或非门74ls24 2输入四与非门(斯密特触发)74ls25 4输入双或非门(有选通)74ls26 2输入四高电平接口与非缓冲器(oc,15v) 74ls27 3输入三或非门74ls28 2输入四或非缓冲器74ls30 8输入与非门74ls31 延迟电路74ls32 2输入四或门74ls33 2输入四或非缓冲器(集电极开路输出) 74ls34 六缓冲器74ls35 六缓冲器(oc)74ls36 2输入四或非门(有选通)74ls37 2输入四与非缓冲器74ls38 2输入四或非缓冲器(集电极开路输出74ls39 2输入四或非缓冲器(集电极开路输出)74ls40 4输入双与非缓冲器74ls41 bcd-十进制计数器74ls42 4线-10线译码器(bcd输入)74ls43 4线-10线译码器(余3码输入)74ls44 4线-10线译码器(余3葛莱码输入)74ls45 bcd-十进制译码器/驱动器74ls46 bcd-七段译码器/驱动器74ls47 bcd-七段译码器/驱动器74ls48 bcd-七段译码器/驱动器74ls49 bcd-七段译码器/驱动器(oc)74ls50 双二路2-2输入与或非门(一门可扩展)74ls51 双二路2-2输入与或非门74ls51 二路3-3输入,二路2-2输入与或非门74ls52 四路2-3-2-2输入与或门(可扩展)74ls53 四路2-2-2-2输入与或非门(可扩展)74ls53 四路2-2-3-2输入与或非门(可扩展)74ls54 四路2-2-2-2输入与或非门74ls54 四路2-3-3-2输入与或非门74ls54 四路2-2-3-2输入与或非门74ls55 二路4-4输入与或非门(可扩展)74ls60 双四输入与扩展74ls61 三3输入与扩展74ls62 四路2-3-3-2输入与或扩展器74ls63 六电流读出接口门74ls64 四路4-2-3-2输入与或非门74ls65 四路4-2-3-2输入与或非门(oc)74ls70 与门输入上升沿jk触发器74ls71 与输入r-s主从触发器74ls72 与门输入主从jk触发器74ls73 双j-k触发器(带清除端)74ls74 正沿触发双d型触发器(带预置端和清除端) 74ls75 4位双稳锁存器74ls76 双j-k触发器(带预置端和清除端)74ls77 4位双稳态锁存器74ls78 双j-k触发器(带预置端,公共清除端和公共时钟端)74ls80 门控全加器74ls81 16位随机存取存储器74ls82 2位二进制全加器(快速进位)74ls83 4位二进制全加器(快速进位)74ls84 16位随机存取存储器74ls85 4位数字比较器74ls86 2输入四异或门74ls87 四位二进制原码/反码/oi单元74ls89 64位读/写存储器74ls90 十进制计数器74ls91 八位移位寄存器74ls92 12分频计数器(2分频和6分频)74ls93 4位二进制计数器74ls94 4位移位寄存器(异步)74ls95 4位移位寄存器(并行io)74ls96 5位移位寄存器74ls97 六位同步二进制比率乘法器74ls100 八位双稳锁存器74ls103 负沿触发双j-k主从触发器(带清除端) 74ls106 负沿触发双j-k主从触发器(带预置,清除,时钟)74ls107 双j-k主从触发器(带清除端)74ls108 双j-k主从触发器(带预置,清除,时钟) 74ls109 双j-k触发器(带置位,清除,正触发)74ls110 与门输入j-k主从触发器(带锁定)74ls111 双j-k主从触发器(带数据锁定)74ls112 负沿触发双j-k触发器(带预置端和清除端)74ls113 负沿触发双j-k触发器(带预置端)74ls114 双j-k触发器(带预置端,共清除端和时钟端)74ls116 双四位锁存器74ls120 双脉冲同步器/驱动器74ls121 单稳态触发器(施密特触发)74ls122 可再触发单稳态多谐振荡器(带清除端) 74ls123 可再触发双单稳多谐振荡器74ls125 四总线缓冲门(三态输出)74ls126 四总线缓冲门(三态输出)74ls128 2输入四或非线驱动器74ls131 3-8译码器74ls132 2输入四与非门(斯密特触发)74ls133 13输入端与非门74ls134 12输入端与门(三态输出)74ls135 四异或/异或非门74ls136 2输入四异或门(oc)74ls137 八选1锁存译码器/多路转换器74ls138 3-8线译码器/多路转换器74ls139 双2-4线译码器/多路转换器74ls140 双4输入与非线驱动器74ls141 bcd-十进制译码器/驱动器74ls142 计数器/锁存器/译码器/驱动器74ls145 4-10译码器/驱动器74ls147 10线-4线优先编码器74ls148 8线-3线八进制优先编码器74ls150 16选1数据选择器(反补输出)74ls151 8选1数据选择器(互补输出)74ls152 8选1数据选择器多路开关74ls153 双4选1数据选择器/多路选择器74ls154 4线-16线译码器74ls155 双2-4译码器/分配器(图腾柱输出)74ls156 双2-4译码器/分配器(集电极开路输出) 74ls157 四2选1数据选择器/多路选择器74ls158 四2选1数据选择器(反相输出)74ls160 可预置bcd计数器(异步清除)74ls161 可预置四位二进制计数器(并清除异步) 74ls162 可预置bcd计数器(异步清除)74ls163 可预置四位二进制计数器(并清除异步) 74ls164 8位并行输出串行移位寄存器74ls165 并行输入8位移位寄存器(补码输出)74ls166 8位移位寄存器74ls167 同步十进制比率乘法器74ls168 4位加/减同步计数器(十进制)74ls169 同步二进制可逆计数器74ls170 4*4寄存器堆74ls171 四d触发器(带清除端)74ls172 16位寄存器堆74ls173 4位d型寄存器(带清除端)74ls174 六d触发器74ls175 四d触发器74ls176 十进制可预置计数器74ls177 2-8-16进制可预置计数器74ls178 四位通用移位寄存器74ls179 四位通用移位寄存器74ls180 九位奇偶产生/校验器74ls181 算术逻辑单元/功能发生器74ls182 先行进位发生器74ls183 双保留进位全加器74ls184 bcd-二进制转换器74ls185 二进制-bcd转换器74ls190 同步可逆计数器(bcd,二进制)74ls191 同步可逆计数器(bcd,二进制)74ls192 同步可逆计数器(bcd,二进制)74ls193 同步可逆计数器(bcd,二进制)74ls194 四位双向通用移位寄存器74ls195 四位通用移位寄存器74ls196 可预置计数器/锁存器74ls197 可预置计数器/锁存器(二进制)74ls198 八位双向移位寄存器74ls199 八位移位寄存器74ls210 2-5-10进制计数器74ls213 2-n-10可变进制计数器74ls221 双单稳触发器74ls230 八3态总线驱动器74ls231 八3态总线反向驱动器74ls240 八缓冲器/线驱动器/线接收器(反码三态输出)74ls241 八缓冲器/线驱动器/线接收器(原码三态输出)74ls242 八缓冲器/线驱动器/线接收器74ls243 4同相三态总线收发器74ls244 八缓冲器/线驱动器/线接收器74ls245 八双向总线收发器74ls246 4线-七段译码/驱动器(30v)74ls247 4线-七段译码/驱动器(15v)74ls248 4线-七段译码/驱动器74ls249 4线-七段译码/驱动器74ls251 8选1数据选择器(三态输出)74ls253 双四选1数据选择器(三态输出)74ls256 双四位可寻址锁存器74ls257 四2选1数据选择器(三态输出)74ls258 四2选1数据选择器(反码三态输出) 74ls259 8为可寻址锁存器74ls260 双5输入或非门74ls261 4*2并行二进制乘法器74ls265 四互补输出元件74ls266 2输入四异或非门(oc)74ls270 2048位rom (512位四字节,oc)74ls271 2048位rom (256位八字节,oc)74ls273 八d触发器74ls274 4*4并行二进制乘法器74ls275 七位片式华莱士树乘法器74ls276 四jk触发器74ls278 四位可级联优先寄存器74ls279 四s-r锁存器74ls280 9位奇数/偶数奇偶发生器/较验器74ls28174ls283 4位二进制全加器74ls290 十进制计数器74ls291 32位可编程模74ls293 4位二进制计数器74ls294 16位可编程模74ls295 四位双向通用移位寄存器74ls298 四-2输入多路转换器(带选通)74ls299 八位通用移位寄存器(三态输出)74ls348 8-3线优先编码器(三态输出)74ls352 双四选1数据选择器/多路转换器74ls353 双4-1线数据选择器(三态输出)74ls354 8输入端多路转换器/数据选择器/寄存器,三态补码输出74ls355 8输入端多路转换器/数据选择器/寄存器,三态补码输出74ls356 8输入端多路转换器/数据选择器/寄存器,三态补码输出74ls357 8输入端多路转换器/数据选择器/寄存器,三态补码输出74ls365 6总线驱动器74ls366 六反向三态缓冲器/线驱动器74ls367 六同向三态缓冲器/线驱动器74ls368 六反向三态缓冲器/线驱动器74ls373 八d锁存器74ls374 八d触发器(三态同相)74ls375 4位双稳态锁存器74ls377 带使能的八d触发器74ls378 六d触发器74ls379 四d触发器74ls381 算术逻辑单元/函数发生器74ls382 算术逻辑单元/函数发生器74ls384 8位*1位补码乘法器74ls385 四串行加法器/乘法器74ls386 2输入四异或门74ls390 双十进制计数器74ls391 双四位二进制计数器74ls395 4位通用移位寄存器74ls396 八位存储寄存器74ls398 四2输入端多路开关(双路输出)74ls399 四-2输入多路转换器(带选通)74ls422 单稳态触发器74ls423 双单稳态触发器74ls440 四3方向总线收发器,集电极开路74ls441 四3方向总线收发器,集电极开路74ls442 四3方向总线收发器,三态输出74ls443 四3方向总线收发器,三态输出74ls444 四3方向总线收发器,三态输出74ls445 bcd-十进制译码器/驱动器,三态输出74ls446 有方向控制的双总线收发器74ls448 四3方向总线收发器,三态输出74ls449 有方向控制的双总线收发器74ls465 八三态线缓冲器74ls466 八三态线反向缓冲器74ls467 八三态线缓冲器74ls468 八三态线反向缓冲器74ls490 双十进制计数器74ls540 八位三态总线缓冲器(反向)74ls541 八位三态总线缓冲器74ls589 有输入锁存的并入串出移位寄存器74ls590 带输出寄存器的8位二进制计数器74ls591 带输出寄存器的8位二进制计数器74ls592 带输出寄存器的8位二进制计数器74ls593 带输出寄存器的8位二进制计数器74ls594 带输出锁存的8位串入并出移位寄存器74ls595 8位输出锁存移位寄存器74ls596 带输出锁存的8位串入并出移位寄存器74ls597 8位输出锁存移位寄存器74ls598 带输入锁存的并入串出移位寄存器74ls599 带输出锁存的8位串入并出移位寄存器74ls604 双8位锁存器74ls605 双8位锁存器74ls606 双8位锁存器74ls607 双8位锁存器74ls620 8位三态总线发送接收器(反相)74ls621 8位总线收发器74ls622 8位总线收发器74ls623 8位总线收发器74ls640 反相总线收发器(三态输出)74ls641 同相8总线收发器,集电极开路74ls642 同相8总线收发器,集电极开路74ls643 8位三态总线发送接收器74ls644 真值反相8总线收发器,集电极开路74ls645 三态同相8总线收发器74ls646 八位总线收发器,寄存器74ls647 八位总线收发器,寄存器74ls648 八位总线收发器,寄存器74ls649 八位总线收发器,寄存器74ls651 三态反相8总线收发器74ls652 三态反相8总线收发器74ls653 反相8总线收发器,集电极开路74ls654 同相8总线收发器,集电极开路74ls668 4位同步加/减十进制计数器74ls669 带先行进位的4位同步二进制可逆计数器74ls670 4*4寄存器堆(三态)74ls671 带输出寄存的四位并入并出移位寄存器74ls672 带输出寄存的四位并入并出移位寄存器74ls673 16位并行输出存储器,16位串入串出移位寄存器74ls674 16位并行输入串行输出移位寄存器74ls681 4位并行二进制累加器74ls682 8位数值比较器(图腾柱输出)74ls683 8位数值比较器(集电极开路)74ls684 8位数值比较器(图腾柱输出)74ls685 8位数值比较器(集电极开路)74ls686 8位数值比较器(图腾柱输出)74ls687 8位数值比较器(集电极开路)74ls688 8位数字比较器(oc输出)74ls689 8位数字比较器74ls690 同步十进制计数器/寄存器(带数选,三态输出,直接清除)74ls691 计数器/寄存器(带多转换,三态输出)74ls692 同步十进制计数器(带预置输入,同步清除)74ls693 计数器/寄存器(带多转换,三态输出)74ls696 同步加/减十进制计数器/寄存器(带数选,三态输出,直接清除)74ls697 计数器/寄存器(带多转换,三态输出)74ls698 计数器/寄存器(带多转换,三态输出)74ls699 计数器/寄存器(带多转换,三态输出)74ls716 可编程模n十进制计数器74ls718 可编程模n十进制计数器LM12瓦运算放大器LM124 LM224 LM324 LM2902 低电压双路运算放大器LM324 低电压双路运算放大器LM129 LM329 精密电压基准芯片LM135 LM235 LM335 精密温度传感器芯片LM1458 LM1558 双运算放大器LM158 LM258 LM358 LM2904 低压双运算放大器LM18293 四通道推拉驱动器LM1868 调幅/调频收音机芯片LM1951 1安培固态开关LM2574 0.5A降阶式电压调节器LM1575 LM2575 1A 降阶式电压调节器LM2576 3A 3A 降阶式电压调节器LM1577 LM2577 降阶式电压调节器LM2587 5A 返馈开关式电压调节器LM1893 LM2893 载体电流收发器LM193 LM293 LM393 LM2903 双路低压低漂移比较器LM2907 LM2917 频率电压转换器LM101A LM201A LM301A 运算放大器芯片LM3045 LM3046 LM3086 晶体管阵列LM111 LM211 LM311 电压比较器LM117 LM317 三端可调式稳压器LM118 LM218 LM318 运算放大器LM133 LM333安培可调负电压调节器LM137 LM337 可调式三端负压稳压器LM34 精密华氏温度传感器LM342 三端正压稳压器LM148 LM248 LM348 / LM149 LM349 双LM741运算放大器LM35 精密摄氏温度传感器LM158 LM258 LM358 LM2904 低压双运算放大器LM150 LM350 3安培可调式电压调节器LM380 2.5瓦音频放大器LM386 低压音频功率放大器LM3886 高性能68瓦音频功率放大器/带静音LM555 LM555C 时基发生器电路LM556 LM556C 双时基发生器电路LM565 相位跟随器LM567 音频译码器LM621 无刷电机换向器LM628 LM629精密位移控制器LM675功率运算放大器LM723 电压调节器LM741 运算放大器LM7805 LM78xx 系列稳压器LM7812 LM78xx 系列稳压器LM7815 LM78xx 系列稳压器LM78L00 三端正压调节器LM78L05 三端正压调节器LM78L09三端正压调节器LM78L12 三端正压调节器LM78L15 三端正压调节器LM78L62 三端正压调节器LM78L82 三端正压调节器LM340 LM78Mxx 三端正压稳压器LM7905 三端负压调节器LM7912 三端负压调节器LM7915 三端负压调节器LM79Mxx三端负压调节器LF147 LF347 宽带J型场效应输入运算放大器LF351 宽带J型场效应输入运算放大器LF353 宽带J型场效应输入运算放大器LF444 双低压J型场效应输入运算放大器(1) 74LS00双输入四与非门,管脚图如附图1-27所示。