74系列芯片管脚图及逻辑功能表
- 格式:doc
- 大小:625.50 KB
- 文档页数:8
74LS90引脚图及引脚功能74LS90计数器是一种中规模二一五进制计数器,管脚引线如图3。
6-1,功能表如表3。
6-1所示。
表3.6-1 7490功能表A . 将输出Q A 与输入B 相接,构成8421BCD 码计数器; B . 将输出Q D 与输入A 相接,构成5421BCD 码计数器;C . 表中H 为高电平、L 为低电平、×为不定状态。
74LS90逻辑电路图如图3。
6—1所示,它由四个主从JK 触发器和一些附加门电路组成,整个电路可分两部分,其中F A 触发器构成一位二进制计数器;F D 、F C 、F B 构成异步五进制计数器,在74LS90计数器电路中,设有专用置“0"端R 1、R 2和置位(置“9”)端S 1、S 2.74LS90具有如下的五种基本工作方式:(1)五分频:即由FD 、FC、和FB组成的异步五进制计数器工作方式.(2)十分频(8421码):将QA 与CK2联接,可构成8421码十分频电路.(3)六分频:在十分频(8421码)的基础上,将QB 端接R1,QC端接R2。
其计数顺序为000~101,当第六个脉冲作用后,出现状态QC QBQA=110,利用QBQC=11反馈到R1和R2的方式使电路置“0”。
(4)九分频:QA →R1、QD→R2,构成原理同六分频。
(5)十分频(5421码):将五进制计数器的输出端QD接二进制计数器的脉冲输入端CK1,即可构成5421码十分频工作方式.此外,据功能表可知,构成上述五种工作方式时,S1、S2端最少应有一端接地;构成五分频和十分频时,R1、R2端亦必须有一端接地。
74LS74内部结构引脚图管脚逻辑图(双D触发器)、原理图和真值表以及波形图分析下面介绍一下74ls74,74ls74内部结构,74ls74引脚图,74ls74管脚图,74ls74逻辑图。
在TTL电路中,比较典型的d触发器电路有74ls74。
74ls74是一个边沿触发器数字电路器件,每个器件中包含两个相同的、相互独立的边沿触发d触发器电路。
(图点击,或下载后可放大)(图点击,或下载后可放大)----------------------原理图和真值表以及波形图分析边沿D 触发器:负跳沿触发的主从触发器工作时,必须在正跳沿前加入输入信号。
如果在CP 高电平期间输入端出现干扰信号,那么就有可能使触发器的状态出错。
而边沿触发器允许在CP 触发沿来到前一瞬间加入输入信号。
这样,输入端受干扰的时间大大缩短,受干扰的可能性就降低了。
边沿D触发器也称为维持-阻塞边沿D触发器。
电路结构: 该触发器由6个与非门组成,其中G1和G2构成基本RS触发器。
工作原理:SD 和RD 接至基本RS 触发器的输入端,它们分别是预置和清零端,低电平有效。
当SD =0且RD=1时,不论输入端D为何种状态,都会使Q=1,Q=0,即触发器置1;当SD=1且RD=0时,触发器的状态为0,SD和RD通常又称为直接置1和置0端。
我们设它们均已加入了高电平,不影响电路的工作。
工作过程如下:1.CP=0时,与非门G3和G4封锁,其输出Q3=Q4=1,触发器的状态不变。
同时,由于Q3至Q5和Q4至Q6的反馈信号将这两个门打开,因此可接收输入信号D,Q5=D,Q6 =Q5=D。
2.当CP由0变1时触发器翻转。
这时G3和G4打开,它们的输入Q3和Q4的状态由G5和G6的输出状态决定。
Q3=Q5=D,Q4=Q6=D。
由基本RS触发器的逻辑功能可知,Q =D。
3.触发器翻转后,在CP=1时输入信号被封锁。
这是因为G3和G4打开后,它们的输出Q 3和Q4的状态是互补的,即必定有一个是0,若Q3为0,则经G3输出至G5输入的反馈线将G5封锁,即封锁了D通往基本RS 触发器的路径;该反馈线起到了使触发器维持在0状态和阻止触发器变为1状态的作用,故该反馈线称为置0维持线,置1阻塞线。
74ls147引脚图管脚图和功能真值表优先编码器是当多个输入端同时有信号时,电路只对其中优先级别最高的输入信号进行编码。
常用的集成优先编码器IC有10线-4线、8线-3线两种。
10线-4线优先编码器常见的型号为54/74147、54/74LS147,8线-3线优先编码器常见的型号为54/74148、54/74LS148。
下面我们以TTL中规模集成电路74LS147为例介绍8421→BCD码优先编码器的功能。
10线-4线8421 BCD码优先编码器74LS147的真值表见表3.5。
74LS147的引脚图如图3.5所示,其中第9脚NC为空。
74LS147优先编码器有9个输入端和4个输出端。
某个输入端为0,代表输入某一个十进制数。
当9个输入端全为1时,代表输入的是十进制数0。
4个输出端反映输入十进制数的BCD 码编码输出。
74LS147优先编码器的输入端和输出端都是低电平有效,即当某一个输入端低电平0时,4个输出端就以低电平0的输出其对应的8421 BCD编码。
当9个输入全为1时,4个输入出也全为1,代表输入十进制数0的8421 BCD编码输出。
表3.5 74LS147的真值表数字电路CD4511的原理(引脚及功能)CD4511是一个用于驱动共阴极 LED (数码管)显示器的 BCD 码—七段码译码器,特点:具有BCD转换、消隐和锁存控制、七段译码及驱动功能的CMOS电路能提供较大的拉电流。
可直接驱动LED显示器。
CD4511 是一片 CMOS BCD—锁存/7 段译码/驱动器,引脚排列如图 2 所示。
其中a b c d 为 BCD 码输入,a为最低位。
LT为灯测试端,加高电平时,显示器正常显示,加低电平时,显示器一直显示数码“8”,各笔段都被点亮,以检查显示器是否有故障。
BI为消隐功能端,低电平时使所有笔段均消隐,正常显示时, B1端应加高电平。
另外 CD4511有拒绝伪码的特点,当输入数据越过十进制数9(1001)时,显示字形也自行消隐。
74LS74内部结构引脚图管脚逻辑图(双D触发器)、原理图和真值表以及波形图分析下面介绍一下74ls74,74ls74内部结构,74ls74引脚图,74ls74管脚图,74ls74逻辑图。
在TTL电路中,比较典型的d触发器电路有74ls74。
74ls74是一个边沿触发器数字电路器件,每个器件中包含两个相同的、相互独立的边沿触发d触发器电路。
(图点击,或下载后可放大)(图点击,或下载后可放大)----------------------原理图和真值表以及波形图分析边沿D 触发器:负跳沿触发的主从触发器工作时,必须在正跳沿前加入输入信号。
如果在CP 高电平期间输入端出现干扰信号,那么就有可能使触发器的状态出错。
而边沿触发器允许在CP 触发沿来到前一瞬间加入输入信号。
这样,输入端受干扰的时间大大缩短,受干扰的可能性就降低了。
边沿D触发器也称为维持-阻塞边沿D触发器。
电路结构: 该触发器由6个与非门组成,其中G1和G2构成基本RS触发器。
工作原理:SD 和RD 接至基本RS 触发器的输入端,它们分别是预置和清零端,低电平有效。
当SD=0且RD=1时,不论输入端D为何种状态,都会使Q=1,Q=0,即触发器置1;当SD=1且RD=0时,触发器的状态为0,SD和RD通常又称为直接置1和置0端。
我们设它们均已加入了高电平,不影响电路的工作。
工作过程如下:1.CP=0时,与非门G3和G4封锁,其输出Q3=Q4=1,触发器的状态不变。
同时,由于Q3至Q5和Q4至Q6的反馈信号将这两个门打开,因此可接收输入信号D,Q5=D,Q6=Q5=D。
2.当CP由0变1时触发器翻转。
这时G3和G4打开,它们的输入Q3和Q4的状态由G5和G 6的输出状态决定。
Q3=Q5=D,Q4=Q6=D。
由基本RS触发器的逻辑功能可知,Q=D。
3.触发器翻转后,在CP=1时输入信号被封锁。
这是因为G3和G4打开后,它们的输出Q3和Q4的状态是互补的,即必定有一个是0,若Q3为0,则经G3输出至G5输入的反馈线将G 5封锁,即封锁了D通往基本RS 触发器的路径;该反馈线起到了使触发器维持在0状态和阻止触发器变为1状态的作用,故该反馈线称为置0维持线,置1阻塞线。
常见数字逻辑器件中文注解及管脚图——74系列——74LS00 TTL 2输入端四与非门74LS01 TTL 集电极开路2输入端四与非门74LS02 TTL 2输入端四或非门74LS03 TTL 集电极开路2输入端四与非门74LS04 TTL 六反相器74LS05 TTL 集电极开路六反相器74LS06 TTL 集电极开路六反相高压驱动器74LS07 TTL 集电极开路六正相高压驱动器74LS08 TTL 2输入端四与门74LS09 TTL 集电极开路2输入端四与门74LS10 TTL 3输入端3与非门74LS107 TTL 带清除主从双J-K触发器74LS109 TTL 带预置清除正触发双J-K触发器74LS11 TTL 3输入端3与门74LS112 TTL 带预置清除负触发双J-K触发器74LS12 TTL 开路输出3输入端三与非门74LS121 TTL 单稳态多谐振荡器74LS122 TTL 可再触发单稳态多谐振荡器74LS123 TTL 双可再触发单稳态多谐振荡器74LS125 TTL 三态输出高有效四总线缓冲门74LS126 TTL 三态输出低有效四总线缓冲门74LS13 TTL 4输入端双与非施密特触发器74LS132 TTL 2输入端四与非施密特触发器74LS133 TTL 13输入端与非门74LS136 TTL 四异或门74LS138 TTL 3-8线译码器/复工器74LS139 TTL 双2-4线译码器/复工器74LS14 TTL 六反相施密特触发器74LS145 TTL BCD—十进制译码/驱动器74LS15 TTL 开路输出3输入端三与门74LS150 TTL 16选1数据选择/多路开关74LS151 TTL 8选1数据选择器74LS153 TTL 双4选1数据选择器74LS154 TTL 4线—16线译码器74LS155 TTL 图腾柱输出译码器/分配器74LS156 TTL 开路输出译码器/分配器74LS157 TTL 同相输出四2选1数据选择器74LS158 TTL 反相输出四2选1数据选择器74LS16 TTL 开路输出六反相缓冲/驱动器74LS160 TTL 可预置BCD异步清除计数器74LS161 TTL 可予制四位二进制异步清除计数器74LS162 TTL 可预置BCD同步清除计数器74LS163 TTL 可予制四位二进制同步清除计数器74LS164 TTL 八位串行入/并行输出移位寄存器74LS165 TTL 八位并行入/串行输出移位寄存器74LS166 TTL 八位并入/串出移位寄存器74LS169 TTL 二进制四位加/减同步计数器74LS17 TTL 开路输出六同相缓冲/驱动器74LS170 TTL 开路输出4×4寄存器堆74LS173 TTL 三态输出四位D型寄存器74LS174 TTL 带公共时钟和复位六D触发器74LS175 TTL 带公共时钟和复位四D触发器74LS180 TTL 9位奇数/偶数发生器/校验器74LS181 TTL 算术逻辑单元/函数发生器74LS185 TTL 二进制—BCD代码转换器74LS190 TTL BCD同步加/减计数器74LS191 TTL 二进制同步可逆计数器74LS192 TTL 可预置BCD双时钟可逆计数器74LS193 TTL 可预置四位二进制双时钟可逆计数器74LS194 TTL 四位双向通用移位寄存器74LS195 TTL 四位并行通道移位寄存器74LS196 TTL 十进制/二-十进制可预置计数锁存器74LS197 TTL 二进制可预置锁存器/计数器74LS20 TTL 4输入端双与非门74LS21 TTL 4输入端双与门74LS22 TTL 开路输出4输入端双与非门74LS221 TTL 双/单稳态多谐振荡器74LS240 TTL 八反相三态缓冲器/线驱动器74LS241 TTL 八同相三态缓冲器/线驱动器74LS243 TTL 四同相三态总线收发器74LS244 TTL 八同相三态缓冲器/线驱动器74LS245 TTL 八同相三态总线收发器74LS247 TTL BCD—7段15V输出译码/驱动器74LS248 TTL BCD—7段译码/升压输出驱动器74LS249 TTL BCD—7段译码/开路输出驱动器74LS251 TTL 三态输出8选1数据选择器/复工器74LS253 TTL 三态输出双4选1数据选择器/复工器74LS256 TTL 双四位可寻址锁存器74LS257 TTL 三态原码四2选1数据选择器/复工器74LS258 TTL 三态反码四2选1数据选择器/复工器74LS259 TTL 八位可寻址锁存器/3-8线译码器74LS26 TTL 2输入端高压接口四与非门74LS260 TTL 5输入端双或非门74LS266 TTL 2输入端四异或非门74LS27 TTL 3输入端三或非门74LS273 TTL 带公共时钟复位八D触发器74LS279 TTL 四图腾柱输出S-R锁存器74LS28 TTL 2输入端四或非门缓冲器74LS283 TTL 4位二进制全加器74LS290 TTL 二/五分频十进制计数器74LS293 TTL 二/八分频四位二进制计数器74LS295 TTL 四位双向通用移位寄存器74LS298 TTL 四2输入多路带存贮开关74LS299 TTL 三态输出八位通用移位寄存器74LS30 TTL 8输入端与非门74LS32 TTL 2输入端四或门74LS322 TTL 带符号扩展端八位移位寄存器74LS323 TTL 三态输出八位双向移位/存贮寄存器74LS33 TTL 开路输出2输入端四或非缓冲器74LS347 TTL BCD—7段译码器/驱动器74LS352 TTL 双4选1数据选择器/复工器74LS353 TTL 三态输出双4选1数据选择器/复工器74LS365 TTL 门使能输入三态输出六同相线驱动器74LS366 TTL 门使能输入三态输出六反相线驱动器74LS367 TTL 4/2线使能输入三态六同相线驱动器74LS368 TTL 4/2线使能输入三态六反相线驱动器74LS37 TTL 开路输出2输入端四与非缓冲器74LS373 TTL 三态同相八D锁存器74LS374 TTL 三态反相八D锁存器74LS375 TTL 4位双稳态锁存器74LS377 TTL 单边输出公共使能八D锁存器74LS378 TTL 单边输出公共使能六D锁存器74LS379 TTL 双边输出公共使能四D锁存器74LS38 TTL 开路输出2输入端四与非缓冲器74LS380 TTL 多功能八进制寄存器74LS39 TTL 开路输出2输入端四与非缓冲器74LS390 TTL 双十进制计数器74LS393 TTL 双四位二进制计数器74LS40 TTL 4输入端双与非缓冲器74LS42 TTL BCD—十进制代码转换器74LS352 TTL 双4选1数据选择器/复工器74LS353 TTL 三态输出双4选1数据选择器/复工器74LS365 TTL 门使能输入三态输出六同相线驱动器74LS366 TTL 门使能输入三态输出六反相线驱动器74LS367 TTL 4/2线使能输入三态六同相线驱动器74LS368 TTL 4/2线使能输入三态六反相线驱动器74LS37 TTL 开路输出2输入端四与非缓冲器74LS373 TTL 三态同相八D锁存器74LS374 TTL 三态反相八D锁存器74LS375 TTL 4位双稳态锁存器74LS377 TTL 单边输出公共使能八D锁存器74LS378 TTL 单边输出公共使能六D锁存器74LS379 TTL 双边输出公共使能四D锁存器74LS38 TTL 开路输出2输入端四与非缓冲器74LS380 TTL 多功能八进制寄存器74LS39 TTL 开路输出2输入端四与非缓冲器74LS390 TTL 双十进制计数器74LS393 TTL 双四位二进制计数器74LS40 TTL 4输入端双与非缓冲器74LS447 TTL BCD—7段译码器/驱动器74LS45 TTL BCD—十进制代码转换/驱动器74LS450 TTL 16:1多路转接复用器多工器74LS451 TTL 双8:1多路转接复用器多工器74LS453 TTL 四4:1多路转接复用器多工器74LS46 TTL BCD—7段低有效译码/驱动器74LS460 TTL 十位比较器74LS461 TTL 八进制计数器74LS465 TTL 三态同相2与使能端八总线缓冲器74LS466 TTL 三态反相2与使能八总线缓冲器74LS467 TTL 三态同相2使能端八总线缓冲器74LS468 TTL 三态反相2使能端八总线缓冲器74LS469 TTL 八位双向计数器74LS47 TTL BCD—7段高有效译码/驱动器74LS48 TTL BCD—7段译码器/内部上拉输出驱动74LS490 TTL 双十进制计数器74LS491 TTL 十位计数器74LS498 TTL 八进制移位寄存器74LS50 TTL 2-3/2-2输入端双与或非门74LS502 TTL 八位逐次逼近寄存器74LS503 TTL 八位逐次逼近寄存器74LS51 TTL 2-3/2-2输入端双与或非门74LS533 TTL 三态反相八D锁存器74LS534 TTL 三态反相八D锁存器74LS54 TTL 四路输入与或非门74LS540 TTL 八位三态反相输出总线缓冲器74LS55 TTL 4输入端二路输入与或非门74LS563 TTL 八位三态反相输出触发器74LS564 TTL 八位三态反相输出D触发器74LS573 TTL 八位三态输出触发器74LS574 TTL 八位三态输出D触发器74LS645 TTL 三态输出八同相总线传送接收器74LS670 TTL 三态输出4×4寄存器堆74LS73 TTL 带清除负触发双J-K触发器74LS74 TTL 带置位复位正触发双D触发器74LS76 TTL 带预置清除双J-K触发器74LS83 TTL 四位二进制快速进位全加器74LS85 TTL 四位数字比较器74LS86 TTL 2输入端四异或门74LS90 TTL 可二/五分频十进制计数器74LS93 TTL 可二/八分频二进制计数器74LS95 TTL 四位并行输入(输出移位寄存器)74LS97 TTL 6位同步二进制乘法器。
74LS11——3输入端3与门管脚图及逻辑功能表
74LS20——4输入端双与非门管脚图及逻辑功能表
74LS21——4输入端双与门管脚图及逻辑功能表
74LS27——3输入端三或非门管脚图及逻辑功能表
74LS42——BCD/十进制译码器管脚图及逻辑功能表
74LS138——3-8线译码器管脚图及逻辑功能表
74LS139——双2-4线译码器管脚图及逻辑功能表
74LS148——8-3线优先编码器管脚图及逻辑功能表
74LS151——八选一数据选择器管脚图及逻辑功能表
74LS153——双4选1数据选择器管脚图及逻辑功能表
74LS47——4线7段显示译码器,低电平有效,驱动共阳数码管
74LS55——双4输入与或非门
74LS54——4-2-3与或非门
74LS08——2
输入4与门。
74系列芯片引脚图资料大全反相器驱动器LS04 LS05 LS06 LS07 LS125 LS240 LS244 LS245 与门与非门LS00 LS08 LS10 LS11 LS20 LS21 LS27 LS30 LS38 或门或非门与或非门LS02 LS32 LS51 LS64 LS65异或门比较器LS86译码器LS138 LS139寄存器LS74 LS175 LS373反相器:Vcc 6A 6Y 5A 5Y 4A 4Y 六非门74LS04┌┴—┴—┴—┴—┴—┴—┴┐六非门(OC门) 74LS05_ │14 13 12 11 10 9 8│六非门(OC高压输出) 74LS06Y = A )││ 1 2 3 4 5 6 7│└┬—┬—┬—┬—┬—┬—┬┘1A 1Y 2A 2Y 3A 3Y GND驱动器:Vcc 6A 6Y 5A 5Y 4A 4Y┌┴—┴—┴—┴—┴—┴—┴┐│14 13 12 11 10 9 8│Y = A )│六驱动器(OC高压输出) 74LS07│ 1 2 3 4 5 6 7│└┬—┬—┬—┬—┬—┬—┬┘1A 1Y 2A 2Y 3A 3Y GNDVcc -4C 4A 4Y -3C 3A 3Y┌┴—┴—┴—┴—┴—┴—┴┐_ │14 13 12 11 10 9 8│Y =A+C )│四总线三态门74LS125│ 1 2 3 4 5 6 7│└┬—┬—┬—┬—┬—┬—┬┘-1C 1A 1Y -2C 2A 2Y GNDVcc -G B1 B2 B3 B4 B8 B6 B7 B8┌┴—┴—┴—┴—┴—┴—┴—┴—┴—┴┐ 8位总线驱动器74LS245│20 19 18 17 16 15 14 13 12 11│)│ DIR=1 A=>B│ 1 2 3 4 5 6 7 8 9 10│ DIR=0 B=>A└┬—┬—┬—┬—┬—┬—┬—┬—┬—┬┘DIR A1 A2 A3 A4 A5 A6 A7 A8 GND页首非门,是于1993年推出的PC局部总线标准。
74及其他系列芯片引脚图资料大全一:分类74ls00 2输入四与非门74ls01 2输入四与非门(oc)74ls02 2输入四或非门74ls03 2输入四与非门(oc)74ls04 六倒相器74ls05 六倒相器(oc)74ls06 六高压输出反相缓冲器/驱动器(oc,30v)74ls07 六高压输出缓冲器/驱动器(oc,30v) 74ls08 2输入四与门74ls09 2输入四与门(oc)74ls10 3输入三与非门74ls11 3输入三与门74ls12 3输入三与非门(oc)74ls13 4输入双与非门(斯密特触发)74ls14 六倒相器(斯密特触发)74ls15 3输入三与门(oc)74ls16 六高压输出反相缓冲器/驱动器(oc,15v)74ls17 六高压输出缓冲器/驱动器(oc,15v) 74ls18 4输入双与非门(斯密特触发)74ls19 六倒相器(斯密特触发)74ls20 4输入双与非门74ls21 4输入双与门74ls22 4输入双与非门(oc)74ls23 双可扩展的输入或非门74ls24 2输入四与非门(斯密特触发)74ls25 4输入双或非门(有选通)74ls26 2输入四高电平接口与非缓冲器(oc,15v)74ls27 3输入三或非门74ls28 2输入四或非缓冲器74ls30 8输入与非门74ls31 延迟电路74ls32 2输入四或门74ls33 2输入四或非缓冲器(集电极开路输出) 74ls34 六缓冲器74ls35 六缓冲器(oc)74ls36 2输入四或非门(有选通)74ls37 2输入四与非缓冲器74ls38 2输入四或非缓冲器(集电极开路输出74ls39 2输入四或非缓冲器(集电极开路输出) 74ls40 4输入双与非缓冲器74ls41 bcd-十进制计数器74ls42 4线-10线译码器(bcd输入)74ls43 4线-10线译码器(余3码输入)74ls44 4线-10线译码器(余3葛莱码输入) 74ls45 bcd-十进制译码器/驱动器74ls46 bcd-七段译码器/驱动器74ls47 bcd-七段译码器/驱动器74ls48 bcd-七段译码器/驱动器74ls49 bcd-七段译码器/驱动器(oc)74ls50 双二路2-2输入与或非门(一门可扩展) 74ls51 双二路2-2输入与或非门74ls51 二路3-3输入,二路2-2输入与或非门74ls52 四路2-3-2-2输入与或门(可扩展)74ls53 四路2-2-2-2输入与或非门(可扩展) 74ls53 四路2-2-3-2输入与或非门(可扩展) 74ls54 四路2-2-2-2输入与或非门74ls54 四路2-3-3-2输入与或非门74ls54 四路2-2-3-2输入与或非门74ls55 二路4-4输入与或非门(可扩展)74ls60 双四输入与扩展74ls61 三3输入与扩展74ls62 四路2-3-3-2输入与或扩展器74ls63 六电流读出接口门74ls64 四路4-2-3-2输入与或非门74ls65 四路4-2-3-2输入与或非门(oc)74ls70 与门输入上升沿jk触发器74ls71 与输入r-s主从触发器74ls72 与门输入主从jk触发器74ls73 双j-k触发器(带清除端)74ls74 正沿触发双d型触发器(带预置端和清除端)74ls75 4位双稳锁存器74ls76 双j-k触发器(带预置端和清除端)74ls77 4位双稳态锁存器74ls78 双j-k触发器(带预置端,公共清除端和公共时钟端)74ls80 门控全加器74ls81 16位随机存取存储器74ls82 2位二进制全加器(快速进位)74ls83 4位二进制全加器(快速进位)74ls84 16位随机存取存储器74ls85 4位数字比较器74ls86 2输入四异或门74ls87 四位二进制原码/反码/oi单元74ls89 64位读/写存储器74ls90 十进制计数器74ls91 八位移位寄存器74ls92 12分频计数器(2分频和6分频)74ls93 4位二进制计数器74ls94 4位移位寄存器(异步)74ls95 4位移位寄存器(并行io)74ls96 5位移位寄存器74ls97 六位同步二进制比率乘法器74ls100 八位双稳锁存器74ls103 负沿触发双j-k主从触发器(带清除端) 74ls106 负沿触发双j-k主从触发器(带预置,清除,时钟)74ls107 双j-k主从触发器(带清除端)74ls108 双j-k主从触发器(带预置,清除,时钟) 74ls109 双j-k触发器(带置位,清除,正触发) 74ls110 与门输入j-k主从触发器(带锁定)74ls111 双j-k主从触发器(带数据锁定)74ls112 负沿触发双j-k触发器(带预置端和清除端)74ls113 负沿触发双j-k触发器(带预置端)74ls114 双j-k触发器(带预置端,共清除端和时钟端)74ls116 双四位锁存器74ls120 双脉冲同步器/驱动器74ls121 单稳态触发器(施密特触发) 74ls122 可再触发单稳态多谐振荡器(带清除端) 74ls123 可再触发双单稳多谐振荡器74ls125 四总线缓冲门(三态输出)74ls126 四总线缓冲门(三态输出)74ls128 2输入四或非线驱动器74ls131 3-8译码器74ls132 2输入四与非门(斯密特触发)74ls133 13输入端与非门74ls134 12输入端与门(三态输出)74ls135 四异或/异或非门74ls136 2输入四异或门(oc)74ls137 八选1锁存译码器/多路转换器74ls138 3-8线译码器/多路转换器74ls139 双2-4线译码器/多路转换器74ls140 双4输入与非线驱动器74ls141 bcd-十进制译码器/驱动器74ls142 计数器/锁存器/译码器/驱动器74ls145 4-10译码器/驱动器74ls147 10线-4线优先编码器74ls148 8线-3线八进制优先编码器74ls150 16选1数据选择器(反补输出)74ls151 8选1数据选择器(互补输出)74ls152 8选1数据选择器多路开关74ls153 双4选1数据选择器/多路选择器74ls154 4线-16线译码器74ls155 双2-4译码器/分配器(图腾柱输出) 74ls156 双2-4译码器/分配器(集电极开路输出)74ls157 四2选1数据选择器/多路选择器74ls158 四2选1数据选择器(反相输出)7 4ls290 十进制计数器74ls291 32位可编程模74ls293 4位二进制计数器74ls294 16位可编程模74ls295 四位双向通用移位寄存器74ls298 四-2输入多路转换器(带选通)74ls299 八位通用移位寄存器(三态输出)74ls348 8-3线优先编码器(三态输出)74ls352 双四选1数据选择器/多路转换器74ls353 双4-1线数据选择器(三态输出)74ls354 8输入端多路转换器/数据选择器/寄存器,三态补码输出74ls355 8输入端多路转换器/数据选择器/寄存器,三态补码输出74ls356 8输入端多路转换器/数据选择器/寄存器,三态补码输出74ls357 8输入端多路转换器/数据选择器/寄存器,三态补码输出74ls365 6总线驱动器74ls366 六反向三态缓冲器/线驱动器74ls367 六同向三态缓冲器/线驱动器74ls368 六反向三态缓冲器/线驱动器74ls373 八d锁存器74ls374 八d触发器(三态同相)74ls375 4位双稳态锁存器74ls377 带使能的八d触发器74ls378 六d触发器74ls379 四d触发器74ls381 算术逻辑单元/函数发生器74ls382 算术逻辑单元/函数发生器74ls384 8位*1位补码乘法器74ls385 四串行加法器/乘法器74ls386 2输入四异或门74ls390 双十进制计数器74ls391 双四位二进制计数器74ls395 4位通用移位寄存器74ls396 八位存储寄存器74ls398 四2输入端多路开关(双路输出)74ls399 四-2输入多路转换器(带选通)74ls422 单稳态触发器74ls423 双单稳态触发器74ls440 四3方向总线收发器,集电极开路74ls441 四3方向总线收发器,集电极开路74ls442 四3方向总线收发器,三态输出74ls443 四3方向总线收发器,三态输出74ls444 四3方向总线收发器,三态输出74ls445 bcd-十进制译码器/驱动器,三态输出74ls446 有方向控制的双总线收发器74ls448 四3方向总线收发器,三态输出74ls449 有方向控制的双总线收发器74ls465 八三态线缓冲器74ls466 八三态线反向缓冲器74ls467 八三态线缓冲器74ls468 八三态线反向缓冲器74ls490 双十进制计数器74ls540 八位三态总线缓冲器(反向)74ls541 八位三态总线缓冲器74ls589 有输入锁存的并入串出移位寄存器74ls590 带输出寄存器的8位二进制计数器74ls591 带输出寄存器的8位二进制计数器74ls592 带输出寄存器的8位二进制计数器74ls593 带输出寄存器的8位二进制计数器74ls594 带输出锁存的8位串入并出移位寄存器74ls595 8位输出锁存移位寄存器74ls596 带输出锁存的8位串入并出移位寄存器74ls597 8位输出锁存移位寄存器74ls598 带输入锁存的并入串出移位寄存器74ls599 带输出锁存的8位串入并出移位寄存器74ls604 双8位锁存器74ls605 双8位锁存器74ls606 双8位锁存器74ls607 双8位锁存器74ls620 8位三态总线发送接收器(反相)74ls621 8位总线收发器74ls622 8位总线收发器74ls623 8位总线收发器74ls640 反相总线收发器(三态输出)74ls641 同相8总线收发器,集电极开路74ls642 同相8总线收发器,集电极开路74ls643 8位三态总线发送接收器74ls644 真值反相8总线收发器,集电极开路74ls645 三态同相8总线收发器74ls646 八位总线收发器,寄存器74ls647 八位总线收发器,寄存器74ls648 八位总线收发器,寄存器74ls649 八位总线收发器,寄存器74ls651 三态反相8总线收发器74ls652 三态反相8总线收发器74ls653 反相8总线收发器,集电极开路74ls654 同相8总线收发器,集电极开路74ls668 4位同步加/减十进制计数器74ls669 带先行进位的4位同步二进制可逆计数器74ls670 4*4寄存器堆(三态)74ls671 带输出寄存的四位并入并出移位寄存器74ls672 带输出寄存的四位并入并出移位寄存器74ls673 16位并行输出存储器,16位串入串出移位寄存器74ls674 16位并行输入串行输出移位寄存器74ls681 4位并行二进制累加器74ls682 8位数值比较器(图腾柱输出)74ls683 8位数值比较器(集电极开路)74ls684 8位数值比较器(图腾柱输出)74ls685 8位数值比较器(集电极开路) 74ls686 8位数值比较器(图腾柱输出)74ls687 8位数值比较器(集电极开路)74ls688 8位数字比较器(oc输出)74ls689 8位数字比较器74ls690 同步十进制计数器/寄存器(带数选,三态输出,直接清除)74ls691 计数器/寄存器(带多转换,三态输出) 74ls692 同步十进制计数器(带预置输入,同步清除)74ls693 计数器/寄存器(带多转换,三态输出) 74ls696 同步加/减十进制计数器/寄存器(带数选,三态输出,直接清除)74ls697 计数器/寄存器(带多转换,三态输出) 74ls698 计数器/寄存器(带多转换,三态输出) 74ls699 计数器/寄存器(带多转换,三态输出) 74ls716 可编程模n十进制计数器74ls718 可编程模n十进制计数器LM12瓦运算放大器LM124 LM224 LM324 LM2902 低电压双路运算放大器LM324 低电压双路运算放大器LM129 LM329 精密电压基准芯片LM135 LM235 LM335 精密温度传感器芯片LM1458 LM1558 双运算放大器LM158 LM258 LM358 LM2904 低压双运算放大器LM18293 四通道推拉驱动器LM1868 调幅/调频收音机芯片LM1951 1安培固态开关LM2574 0.5A降阶式电压调节器LM1575 LM2575 1A 降阶式电压调节器LM2576 3A 3A 降阶式电压调节器LM1577 LM2577 降阶式电压调节器LM2587 5A 返馈开关式电压调节器LM1893 LM2893 载体电流收发器LM193 LM293 LM393 LM2903 双路低压低漂移比较器LM2907 LM2917 频率电压转换器LM101A LM201A LM301A 运算放大器芯片LM3045 LM3046 LM3086 晶体管阵列LM111 LM211 LM311 电压比较器LM117 LM317 三端可调式稳压器LM118 LM218 LM318 运算放大器LM133 LM333安培可调负电压调节器LM137 LM337 可调式三端负压稳压器LM34 精密华氏温度传感器LM342 三端正压稳压器LM148 LM248 LM348 / LM149 LM349 双LM741运算放大器LM35 精密摄氏温度传感器LM158 LM258 LM358 LM2904 低压双运算放大器LM150 LM350 3安培可调式电压调节器LM380 2.5瓦音频放大器LM386 低压音频功率放大器LM3886 高性能68瓦音频功率放大器/带静音LM555 LM555C 时基发生器电路LM556 LM556C 双时基发生器电路LM565 相位跟随器LM567 音频译码器LM621 无刷电机换向器LM628 LM629精密位移控制器LM675功率运算放大器LM723 电压调节器LM741 运算放大器LM7805 LM78xx 系列稳压器LM7812 LM78xx 系列稳压器LM7815 LM78xx 系列稳压器LM78L00 三端正压调节器LM78L05 三端正压调节器LM78L09三端正压调节器LM78L12 三端正压调节器LM78L15 三端正压调节器LM78L62 三端正压调节器LM78L82 三端正压调节器LM340 LM78Mxx 三端正压稳压器LM7905 三端负压调节器LM7912 三端负压调节器LM7915 三端负压调节器LM79Mxx三端负压调节器LF147 LF347 宽带J型场效应输入运算放大器LF351 宽带J型场效应输入运算放大器LF353 宽带J型场效应输入运算放大器LF444 双低压J型场效应输入运算放大器(1) 74LS00双输入四与非门,管脚图如附图1-27所示。
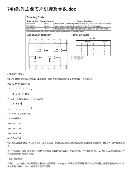
74ls系列主要芯⽚引脚及参数.doc<74LS00引脚图>74l s00 是常⽤的2输⼊四与⾮门集成电路,他的作⽤很简单顾名思义就是实现⼀个与⾮门。
Vcc 4B 4A 4Y 3B 3A 3Y┌┴—┴—┴—┴—┴—┴—┴┐__ │14 13 12 11 10 9 8│Y = AB )│ 2输⼊四正与⾮门 74LS00│ 1 2 3 4 5 6 7│└┬—┬—┬—┬—┬—┬—┬┘1A 1B 1Y 2A 2B 2Y GND74LS00真值表:A=1 B=1 Y=0A=0 B=1 Y=1A=1 B=0 Y=1A=0 B=0 Y=174HC138基本功能74LS138 为3 线-8 线译码器,共有54/74S138和54/74LS138 两种线路结构型式,其74LS138⼯作原理如下:当⼀个选通端(G1)为⾼电平,另两个选通端(/(G2A)和/(G2B))为低电平时,可将地址端(A、B、C)的⼆进制编码在⼀个对应的输出端以低电平译出。
74LS138的作⽤:利⽤G1、/(G2A)和/(G2B)可级联扩展成24 线译码器;若外接⼀个反相器还可级联扩展成32 线译码器。
若将选通端中的⼀个作为数据输⼊端时,74LS138还可作数据分配器⽤与⾮门组成的3线-8线译码器74LS138图74ls138译码器内部电路3线-8线译码器74LS138的功能表备注:这⾥的输⼊端的三个A0~1有的原理图中也⽤A B C表⽰(如74H138.pdf中所⽰,试⽤于普中科技的HC-6800 V2.2单⽚机开发板)。
<74ls138功能表>74LS138逻辑图⽆论从逻辑图还是功能表我们都可以看到74LS138的⼋个输出管脚,任何时刻要么全为⾼电平1—芯⽚处于不⼯作状态,要么只有⼀个为低电平0,其余7个输出管脚全为⾼电平1。
如果出现两个输出管脚在同⼀个时间为0的情况,说明该芯⽚已经损坏。
当附加控制门的输出为⾼电平(S=1)时,可由逻辑图写出74ls138逻辑图由上式可以看出,在同⼀个时间⼜是这三个变量的全部最⼩项的译码输出,所以也把这种译码器叫做最⼩项译码器。
74LS11——3输入端3与门管脚图及逻辑功能表
74LS20——4输入端双与非门管脚图及逻辑功能表
74LS21——4输入端双与门管脚图及逻辑功能表
74LS27——3输入端三或非门管脚图及逻辑功能表
74LS42——BCD/十进制译码器管脚图及逻辑功能表
74LS138——3-8线译码器管脚图及逻辑功能表
74LS139——双2-4线译码器管脚图及逻辑功能表
74LS148——8-3线优先编码器管脚图及逻辑功能表
74LS151——八选一数据选择器管脚图及逻辑功能表
74LS153——双4选1数据选择器管脚图及逻辑功能表
74LS47——4线7段显示译码器,低电平有效,驱动共阳数码管
74LS55——双4输入与或非门74LS54——4-2-3与或非门
74LS08——2输入4与门
如有侵权请联系告知删除,感谢你们的配合!。
74ls147引脚图管脚图和功能真值表优先编码器是当多个输入端同时有信号时,电路只对其中优先级别最高的输入信号进行编码。
常用的集成优先编码器IC有10线-4线、8线-3线两种。
10线-4线优先编码器常见的型号为54/74147、54/74LS147,8线-3线优先编码器常见的型号为54/74148、54/74LS148。
下面我们以TTL中规模集成电路74LS147为例介绍8421→BCD码优先编码器的功能。
10线-4线8421 BCD码优先编码器74LS147的真值表见表3.5。
74LS147的引脚图如图3.5所示,其中第9脚NC为空。
74LS147优先编码器有9个输入端和4个输出端。
某个输入端为0,代表输入某一个十进制数。
当9个输入端全为1时,代表输入的是十进制数0。
4个输出端反映输入十进制数的BCD码编码输出。
74LS147优先编码器的输入端和输出端都是低电平有效,即当某一个输入端低电平0时,4个输出端就以低电平0的输出其对应的8421 BCD编码。
当9个输入全为1时,4个输入出也全为1,代表输入十进制数0的8421 BCD编码输出。
表3.5 74LS147的真值表数字电路CD4511的原理(引脚及功能)CD4511是一个用于驱动共阴极 LED (数码管)显示器的 BCD 码—七段码译码器,特点:具有BCD转换、消隐和锁存控制、七段译码及驱动功能的CMOS电路能提供较大的拉电流。
可直接驱动LED显示器。
CD4511 是一片 CMOS BCD—锁存/7 段译码/驱动器,引脚排列如图 2 所示。
其中a b c d 为 BCD 码输入,a为最低位。
LT为灯测试端,加高电平时,显示器正常显示,加低电平时,显示器一直显示数码“8”,各笔段都被点亮,以检查显示器是否有故障。
BI为消隐功能端,低电平时使所有笔段均消隐,正常显示时, B1端应加高电平。
另外 CD4511有拒绝伪码的特点,当输入数据越过十进制数9(1001)时,显示字形也自行消隐。
74LS90引脚图及引脚功能74LS90计数器是一种中规模二一五进制计数器,管脚引线如图3。
6—1,功能表如表3。
6-1所示。
表3.6-1 7490功能表A . 将输出Q A 与输入B 相接,构成8421BCD 码计数器; B . 将输出Q D 与输入A 相接,构成5421BCD 码计数器;C . 表中H 为高电平、L 为低电平、×为不定状态。
74LS90逻辑电路图如图3。
6-1所示,它由四个主从JK 触发器和一些附加门电路组成,整个电路可分两部分,其中F A 触发器构成一位二进制计数器;F D 、F C 、F B 构成异步五进制计数器,在74LS90计数器电路中,设有专用置“0”端R 1、R 2和置位(置“9")端S 1、S 2。
74LS90具有如下的五种基本工作方式:(1)五分频:即由FD 、FC、和FB组成的异步五进制计数器工作方式。
(2)十分频(8421码):将QA 与CK2联接,可构成8421码十分频电路.(3)六分频:在十分频(8421码)的基础上,将QB 端接R1,QC端接R2.其计数顺序为000~101,当第六个脉冲作用后,出现状态QC QBQA=110,利用QBQC=11反馈到R1和R2的方式使电路置“0"。
(4)九分频:QA →R1、QD→R2,构成原理同六分频。
(5)十分频(5421码):将五进制计数器的输出端QD接二进制计数器的脉冲输入端CK1,即可构成5421码十分频工作方式。
此外,据功能表可知,构成上述五种工作方式时,S1、S2端最少应有一端接地;构成五分频和十分频时,R1、R2端亦必须有一端接地.。
74LS90引脚图及引脚功能74LS90计数器是一种中规模二一五进制计数器,管脚引线如图3。
6-1,功能表如表3.6—1所示。
表3。
6—1 7490功能表A . 将输出Q A 与输入B 相接,构成8421BCD 码计数器; B . 将输出Q D 与输入A 相接,构成5421BCD 码计数器;C . 表中H 为高电平、L 为低电平、×为不定状态。
74LS90逻辑电路图如图3.6-1所示,它由四个主从JK 触发器和一些附加门电路组成,整个电路可分两部分,其中F A 触发器构成一位二进制计数器;F D 、F C 、F B 构成异步五进制计数器,在74LS90计数器电路中,设有专用置“0”端R 1、R 2和置位(置“9”)端S 1、S 2。
74LS90具有如下的五种基本工作方式:(1)五分频:即由FD 、FC、和FB组成的异步五进制计数器工作方式。
(2)十分频(8421码):将QA 与CK2联接,可构成8421码十分频电路。
(3)六分频:在十分频(8421码)的基础上,将QB 端接R1,QC端接R2.其计数顺序为000~101,当第六个脉冲作用后,出现状态QC QBQA=110,利用QBQC=11反馈到R1和R2的方式使电路置“0”。
(4)九分频:QA →R1、QD→R2,构成原理同六分频。
(5)十分频(5421码):将五进制计数器的输出端QD接二进制计数器的脉冲输入端CK1,即可构成5421码十分频工作方式。
此外,据功能表可知,构成上述五种工作方式时,S1、S2端最少应有一端接地;构成五分频和十分频时,R1、R2端亦必须有一端接地。