实验二 组合逻辑电路(半加器、全加器)
- 格式:docx
- 大小:79.11 KB
- 文档页数:4
一、实验目的
1. 掌握组合逻辑电路的功能测试。
2. 验证半加器和全加器的逻辑功能。
3. 学会二进制数的运算规律。
二、实验原理及其实验元件
实验原理:参照指导书对应内容结合自己理解写
实验箱、芯片(74LS00、74LS10、74LS54、74LS86)、导线。
三、实验内容及其步骤
数字电子技术基础
组合逻辑电路(半加器、全加器及逻辑运算)
[班级] [姓名] [学号]
[日期]
2.测试用异或门(74LS86)和与非门组成的半加器的逻辑功能。
用一片(74LS86)和(74LS00)组成半加器。
3.测试用异或门、与或门和非门组成的全加
器的逻辑功能。
S
CO
设计性实验
设计一个“三个一至电路”。
电路有三个输入端,一个输出端。
当三个输入端变量A、B、C状态一致时,输出F为“1”;当三个变量状态不一致时,输出F为“0”。
(要求:用与非门组成电路。
)
步骤:
1)列真值表:
2)写出逻辑表达式:
()()
ABC
C
B
A
F⋅
=
3)画逻辑电路图:
A
B
C
F
4)验证:
所得实验结论与理论值相等,说明实验成功。
5)按下图连接实验电路。
A
B。
数电实验报告半加全加器实验目的:掌握半加器和全加器的原理和应用,了解半加器和全加器的构造和工作原理。
实验器材:逻辑电路实验箱、7400四与非门、7402四与非门、7408四与门、7432四或门、7447数码显示器、开关、电源、跳线等。
实验原理:半加器和全加器是数字电路中常用的基本逻辑电路,用于对二进制进行加法运算,主要用于数字电路中的算术逻辑单元(ALU)。
1.半加器实验原理:半加器是一种能够对两个二进制位进行加法运算的电路。
半加器有两个输入端和两个输出端,输入端分别为A和B,输出端分别为S和C。
其中,A和B分别为要加的两个二进制数位,S为运算结果的个位,并且用S=A⊕B表示;C为运算结果的十位(进位),C=A·B表示。
半加器的真值表和逻辑符号表达式如下:```A,B,S,C0,0,0,00,1,1,01,0,1,01,1,0,1```2.全加器实验原理:全加器是一种能够对两个二进制位和一个进位信号进行加法运算的电路。
全加器有三个输入端和两个输出端,输入端分别为A、B和Cin,输出端分别为S和Cout。
其中,A和B分别为要加的两个二进制数位,Cin 为上一位的进位信号,S为运算结果的个位,并且用S=A ⊕ B ⊕ Cin表示;Cout为运算结果的十位(进位),Cout=(A·B) + (A·Cin) + (B·Cin)表示。
全加器的真值表和逻辑符号表达式如下:```A ,B , Cin , S , Cout0,0,0,0,00,0,1,1,00,1,0,1,00,1,1,0,11,0,0,1,01,0,1,0,11,1,0,0,11,1,1,1,1```实验步骤:1.首先,按照实验原理连接逻辑门实验箱中的电路。
将7400四与非门的1、2号引脚分别连接到开关1、2上,将开关3连接到7400的3号引脚,将开关4连接到7400的5号引脚,将7400的6号引脚连接到LED1上,表示半加器的进位输出。
班级姓名学号实验二组合电路设计一、实验目的(1)验证组合逻辑电路的功能(2)掌握组合逻辑电路的分析方法(3)掌握用SSI小规模集成器件设计组合逻辑电路的方法(4)了解组合逻辑电路集中竞争冒险的分析和消除方法二、实验设备数字电路实验箱,数字万用表,74LS00, 74LS86三、实验原理1 •组合逻辑概念通常逻辑电路可分为组合逻辑电路和时序逻辑电路两大类。
组合逻辑电路又称组合电路,组合电路的输出只决定于当时的外部输入情况,与电路的过去状态无关。
因此,组合电路的特点是无“记忆性”。
在组成上组合电路的特点是由各种门电路连接而成,而且连接中没有反馈线存在。
所以各种功能的门电路就是简单的组合逻辑电路。
组合电路的输入信号和输出信号往往不只一个,其功能描述方法通常有函数表达式、真值表,卡诺图和逻辑图等几种。
实验中用到的74LS00和74LS86的引脚图如图所示。
00 四2输入与非门4B 4A 4Y 3B 3A 3Y1A 1B 1Y 2A 2B 2Y GND2•组合电路的分析方法。
组合逻辑电路分析的任务是:对给定的电路求其逻辑功能,即求出该电路的输出与输入之间的关系,通常是用逻辑式或真值表来描述,有时也加上必须的文字说明。
分析一般分为(1)由逻辑图写出输出端的逻辑表达式,简历输入和输出之间的关系。
(2)列出真值表。
(3)根据对真值表的分析,确定电路功能。
3•组合逻辑电路的设计方法。
组合逻辑电路设计的任务是:由给定的功能要求,设计出相应的逻辑电路。
一般设计的逻辑电路的过程如图(1)通过对给定问题的分心,获得真值表。
在分析中要特别注意实际问题如何抽象为几个输入变量和几个输出变量直接的逻辑关系问题,其输出变量之间是否存在约束关系,从而过得真值表或简化真值表。
(2)通过卡诺图化简或逻辑代数化简得出最简与或表达式,必要时进行逻辑式的变更,最后画出逻辑图。
(3)根据最简逻辑表达式得到逻辑电路图。
四•实验内容。
1•分析,测试半加器的逻辑功能。
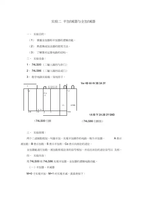
实验二 半加/减器与全加/减器一、 实验目的:(1) 掌握全加器和半加器的逻辑功能。
(2) 熟悉集成加法器的使用方法。
(3) 了解算术运算电路的结构。
二、 实验设备:1、 74LS00 (二输入端四与非门)2、 74LS86 (二输入端四异或门)3、 数字电路实验箱、导线若干。
Ver 4B 4A 4¥ 3B 3A 3Y1A IB !Y 2A 2B 2Y GND(74LS86引脚图)三、 实验原理:两个二进制数相加,叫做半加,实现半加操作的电路,称为半加器。
A 表示被加数,B 表示加数,S 表示半加和,Co 表示向高位的进位。
全加器能进行加数、被加数和低位来的信号相加,并给出该位的进位信号以 及和。
四、 实验内容:用74LS00和74LS86实现半加器、全加器的逻辑电路功能。
(一)半加器、半减器M=0寸实现半加,M=1时实现半减,真值表如下:(74LS00引脚)功能M A B S C半加00000 00110 01010 01101半减10000 10111 11010 11100—s+/-——coM (半加器图形符号)2、⑴S真值表:00011110 00110 11001A⑵C真值表:00011110 00000 10101 C 二B(A二M)(二)全加器、全减器SCOC^BC i-1 ・(M ㊉ A )(B ㊉ C )、实验结果半加器: S 二 AB AB = A 二 BC =B (A 二 M )全加器: S = A 二 B - C i-1G 二GM C 2MCI B+/一其中G = (A 二B)G J AB , C2 二(AL B)Cj J ■ AB为了方便,以下Cij用C表示C I= (AB AB)C M(AB AB)CM ABM ABM二A B C M A BC M ABCM ABCM ABM ABM=ABC M A BC M ABCM ABCM (ABC M AB C M ABCM ABCM=BC ABCM ABCM ABCM ABCM=(M 二A)(B 二C)(BC)贝U C i = BC i-1・(M 二A)(B 二C)六、心得体会本次实验做的是半加/减器和全加/减器两个电路,比上次实验复杂很多,因此充满了挑战性。
实验二 组合逻辑电路一、实验目的1.掌握组和逻辑电路的功能测试。
2.验证半加器和全加器的逻辑功能。
3.学会二进制数的运算规律。
二、实验仪器及器件1.仪器:数字电路学习机2.器件:74LS00 二输入端四与非门 3片 74LS86 二输入端四异或门 1片 74LS54 四组输入与或非门 1片 三、实验内容1.组合逻辑电路功能测试(1).用2片74LS00按图2.1连线,为便于接线和检查,在图中要注明芯片编号及各引脚对应的编号。
(2).图中A 、B 、C 接电平开关,Y1、Y2接发光管电平显示(3).按表2.1要求,改变A 、B 、C 的状态,填表并写出Y1、Y2的逻辑表达式。
(4).将运算结果与实验比较。
Y1=A+B ,C B B A Y +=22.测试用异或门(74LS86)和与非门组成的半加器的逻辑功能。
根据半加器的逻辑表达式可知,半加器Y 是A 、B 的异或,而进位Z 是A 、B 相与,故半加器可用一个集成异或门和二个与非门组成,如图2.2。
(1).用异或门和与非门接成以上电路。
输入A 、B 接电平开关,输出Y 、Z 接电平显示。
(2).按表2.2要求改变A 、B 状态,填表。
3.测试全加器的逻辑功能。
(1).写出图2.3电路的逻辑表达式。
(2).根据逻辑表达式列真值表。
(3).根据真值表画逻辑函数SiCi 的卡诺图。
(4).连接电路,测量并填写表2.3各点状态。
输入 输出 A B C Y1Y2 0 0 0 0 0 0 0 1 0 1 0 1 1 1 1 1 1 1 1 0 1 1 0 1 0 1 0 0 1 0 1 0 1 1 1 011 1输入输出 A B Y Z 0 0 0 0 0 1 1 0 1 0 1 0 1 10 1 A i B i C i-1 Y Z X 1 X 2 X 3 S i C i 0 00 01 1 1 0 0 01 0 1 0 1 0 1 1 0 1 0 0 1 0 1 0 1 1 0 1 1 0 0 0 1 1 1 0 1 0 0 1 0 1 1 1 0 1 0 0 1 1 1 1 0 1 1 0 1 1 0 1 11 0 1 1 0 1 11111111S i C i 4.测试用异或门、与或门和非门组成的全加器的功能。
组合逻辑电路是数字电路中的一种重要类型,主要用于实现逻辑运算和计算功能。
其中,半加器和全加器是组合逻辑电路的两种基本结构,通过它们可以实现数字加法运算。
本文将详细介绍组合逻辑电路的相关知识,包括半加器、全加器以及逻辑运算的原理和应用。
一、半加器半加器是一种简单的数字电路,用于对两个输入进行加法运算,并输出其和及进位。
其结构由两个输入端(A、B)、两个输出端(S、C)组成,其中S表示和,C表示进位。
半加器的真值表如下:A B S C0 0 0 00 1 1 01 0 1 01 1 0 1从真值表可以看出,半加器只能实现单位加法运算,并不能处理进位的问题。
当需要进行多位数的加法运算时,就需要使用全加器来实现。
二、全加器全加器是用于多位数加法运算的重要逻辑电路,它能够处理两个输入以及上一位的进位,并输出本位的和以及进位。
全加器由三个输入端(A、B、Cin)和两个输出端(S、Cout)组成,其中Cin表示上一位的进位,S表示和,Cout表示进位。
全加器的真值表如下:A B Cin S Cout0 0 0 0 00 0 1 1 00 1 0 1 00 1 1 0 11 0 0 1 01 0 1 0 11 1 0 0 11 1 1 1 1通过全加器的应用,可以实现多位数的加法运算,并能够处理进位的问题,是数字电路中的重要组成部分。
三、逻辑运算除了实现加法运算外,组合逻辑电路还可用于实现逻辑运算,包括与、或、非、异或等运算。
这些逻辑运算能够帮助数字电路实现复杂的逻辑功能,例如比较、判断、选择等。
逻辑运算的应用十分广泛,不仅在计算机系统中大量使用,而且在通信、控制、测量等领域也有着重要的作用。
四、组合逻辑电路的应用组合逻辑电路在数字电路中有着广泛的应用,其不仅可以实现加法运算和逻辑运算,还可以用于构建各种数字系统,包括计数器、时序逻辑电路、状态机、多媒体处理器等。
组合逻辑电路还在通信、控制、仪器仪表等领域得到了广泛的应用,为现代科技的发展提供了重要支持。
实验二 组合逻辑电路一、实验目的1.掌握组和逻辑电路的功能测试。
2.验证半加器和全加器的逻辑功能。
3.学会二进制数的运算规律。
二、实验仪器及器件1.仪器:数字电路学习机2.器件:74LS00 二输入端四与非门 3片 74LS86 二输入端四异或门 1片 74LS54 四组输入与或非门 1片三、实验内容1.组合逻辑电路功能测试(1).用2片74LS00按图2.1连线,为便于接线和检查,在图中要注明芯片编号及各引脚对应的编号。
(2).图中A 、B 、C 接电平开关,Y1、Y2接发光管电平显示(3).按表2.1要求,改变A 、B 、C 的状态,填表并写出Y1、Y2的逻辑表达式。
(4).将运算结果与实验比较。
Y1=A+B2.测试用异或门(74LS86)和与非门组成的半加器的逻辑功能。
根据半加器的逻辑表达式可知,半加器Y 是A 、B 的异或,而进位Z 是A 、B 相与,故半加器可用一个集成异或门和二个与非门组成,如图2.2。
(1).用异或门和与非门接成以上电路。
输入A 、B 接电平开关,输出Y 、Z 接电平显示。
(2).按表2.2要求改变A 、B 状态,填表。
3.测试全加器的逻辑功能。
(1).写出图2.3电路的逻辑表达式。
(2).根据逻辑表达式列真值表。
(3).根据真值表画逻辑函数SiCi 的卡诺图。
111S i C i4.测试用异或门、与或门和非门组成的全加器的功能。
全加器可以用两个半加器和两个与门一个或门组成,在实验中,常用一块双异或门、一个与或非门和一个与非门实现。
(1).写出用异或门、与或非门和非门实现全加器的逻辑表达式,画出逻辑电路图。
(2).连接电路图,注意“与或非”门中不用的“与门”输入端要接地。
(3).按表2.4记录Si 和Ci 的状态。
1-⊕⊕=i i C B A S ,AB C B A C i i +⊕=-1)(A i S iB i+ C i C i-1四、 1.整理实验数据、图表并对实验结果进行分析讨论。
班级姓名学号实验二组合电路设计一、实验目的(1)验证组合逻辑电路的功能掌握组合逻辑电路的分析方法掌握用SSI小规模集成器件设计组合逻辑电路的方法了解组合逻辑电路集中竞争冒险的分析和消除方法实验设备数字电路实验箱,数字万用表,74LS00,74LS86三、实验原理1.组合逻辑概念通常逻辑电路可分为组合逻辑电路和时序逻辑电路两大类。
组合逻辑电路又称组合电路,组合电路的输出只决定于当时的外部输入情况,与电路的过去状态无关。
因此,组合电路的特点是无“记忆性”。
在组成上组合电路的特点是由各种门电路连接而成,而且连接中没有反馈线存在。
所以各种功能的门电路就是简单的组合逻辑电路。
组合电路的输入信号和输出信号往往不只一个,其功能描述方法通常有函数表达式、真值表,卡诺图和逻辑图等几种。
实验中用到的74LS00和74LS86的引脚图如图所示。
00 四2输入与非门Vcc4B4A4Y3B3A3Y Array 1A1B1Y2A2B2Y GND2.组合电路的分析方法。
组合逻辑电路分析的任务是:对给定的电路求其逻辑功能,即求出该电路的输出与输入之间的关系,通常是用逻辑式或真值表来描述,有时也加上必须的文字说明。
分析一般分为一下几个步骤:由逻辑图写出输出端的逻辑表达式,简历输入和输出之间的关系。
列出真值表。
根据对真值表的分析,确定电路功能。
3.组合逻辑电路的设计方法。
组合逻辑电路设计的任务是:由给定的功能要求,设计出相应的逻辑电路。
一般设计的逻辑电路的过程如图:通过对给定问题的分心,获得真值表。
在分析中要特别注意实际问题如何抽象为几个输入变量和几个输出变量直接的逻辑关系问题,其输出变量之间是否存在约束关系,从而过得真值表或简化真值表。
通过卡诺图化简或逻辑代数化简得出最简与或表达式,必要时进行逻辑式的变更,最后画出逻辑图。
根据最简逻辑表达式得到逻辑电路图。
四.实验内容。
1.分析,测试半加器的逻辑功能。
(1)用74LS00组成半加器电路如图所示。
组合逻辑电路设计之全加器半加器全加器和半加器是组合逻辑电路中常用的两种基本电路。
全加器和半加器可以用于实现二进制数的加法运算。
在本文中,将详细介绍全加器和半加器的设计原理和电路结构。
一、半加器半加器是一个用于实现两个一位二进制数相加求和的电路。
半加器的输入包括两个二进制数A和B,输出包括二进制求和信号S和进位信号C。
```A----,--?--SB----,,--CGND```半加器的输出S等于输入A和B的异或(XOR)结果,输出C等于输入A和B的与(AND)结果。
半加器的真值表如下所示:A,B,S,C---,---,---,---0,0,0,00,1,1,01,0,1,01,1,0,1二、全加器全加器是一个用于实现三个一位二进制数相加求和的电路。
全加器的输入包括两个二进制数A和B,以及一个进位信号Cin(来自上一位的进位或者是初始进位信号),输出包括二进制求和信号S和进位信号Cout (输出给下一位的进位信号)。
```A----,--?---SB ----,,--CoutCin --,--?-------CGND```全加器的输出S等于输入A、B和Cin的异或(XOR)结果,输出Cout等于输入A、B和Cin的任意两个的与(AND)结果和输入A、B和Cin的三个的或(OR)结果的与(AND)结果。
全加器的真值表如下所示:A ,B , Cin , S , Cout---,---,-----,---,------0,0,0,0,00,0,1,1,00,1,0,1,00,1,1,0,11,0,0,1,01,0,1,0,11,1,0,0,11,1,1,1,1三、全加器的电路设计可以通过组合半加器的方式来设计一个全加器。
在全加器中,首先使用两个半加器实现输入A和B的求和结果(S1)和对应的进位(C1);然后再使用一个半加器将输入A和B之间的进位信号(Cin)与求和结果(S1)相加,得到最终的求和结果(S)和进位信号(Cout)。
实验⼆组合逻辑电路(半加器、全加器)
实验⼆组合逻辑电路(半加器、全加器)
⼀、实验⽬的:
1.加深理解组合逻辑电路的特点和⼀般分析⽅法;
2.熟悉组合逻辑电路的设计⽅法;
3.验证半加器、全加器的功能。
⼆、实验仪器、设备、元器件:
1.数字逻辑电路实验仪 1台
2.四2输⼊与⾮门74LS00芯⽚ 1⽚
3.四2输⼊异或门74LS86芯⽚ 1⽚
4.六反向器74LS04芯⽚ 1⽚
5.⽰波器或万⽤表
三、预习要求:
1.复习组合逻辑电路的分析和设计⽅法;
2.复习半加器、全加器的⼯作原理;
3.根据设计任务要求,设计组合逻辑电路,画出逻辑图。
四、实验内容和步骤:
1.测试半加器的逻辑功能
根据图2.1所⽰连接好电路。
输⼊A、B端分别接两个逻辑电平开关,输出端S、C接颜⾊不同的发光⼆极管。
观察当输⼊端A、B电平变化时,输出端S、C电平指⽰器的状态。
验证逻辑状态并填表。
图2.1由与⾮门组成的半加器电路表 2.1 逻辑真值表
写出逻辑表达式:Ci= C = 2.测试全加器的逻辑功能
1
- -
1
C1
2
3
A
74LS00 4
5
6
B
74LS00 1
2
3
A
74LS86 4
5
6
B
74LS86 8
9
10
C
74LS00 B
A
Ci-1
Si
Ci。
《数字电子技术》组合逻辑电路(半加器全加器及逻辑运算)一、实验目的1、掌握组合逻辑电路的功能测试。
2、验证半加器和全加器的逻辑功能。
3、学会二进制数的运算规律。
二、实验原理数字电路分为组合逻辑电路和时序逻辑电路两类。
任意时刻电路的输出信号仅取决于该时刻的输入信号,而与信号输入前电路所处的状态无关,这种电路叫做组合逻辑电路。
分析一个组合电路,一般从输出开始,逐级写出逻辑表达式,然后利用公式或卡诺图等方法进行化简,得到仅含有输入信号的最简输出逻辑函数表达式,由此得到该电路的逻辑功能。
两个一位二进制数相加,叫做半加,实现半加操作的电路称为半加器。
两个一位二进制数相加的真值表见表5-1,表中Si 表示半加和,Ci 表示向高位的进位,Ai 、Bi 表示两个加数。
表5-1 半加器真值表从二进制数加法的角度看,表中只考虑了两个加数本身,没有考虑低位来的进位,这也就是半加一词的由来。
由表5-1可直接写出半加器的逻辑表达式:Si=AiBi AiBi +、Ci=AiBi 由逻辑表达式可知,半加器的半加和Si 是Ai 、Bi 的异或,而进位Ci 是Ai 、Bi 相与,故半加器可用一个集成异或门和一个与门组成。
两个同位的加数和来自低位的进位三者相加,这种加法运算就是全加,实现全加运算的电路叫做全加器。
如果用Ai 、Bi 分别表示A 、B 两个多位二进制数的第i 位,1i C -表示低位(第i-1位)来的进位,则根据全加运算的规则可列出真值表如表5-2。
表5-2 全加器的真值表利用卡诺图可求出Si 、Ci 的简化函数表达式:i i i i-1i i i i i i S =A B C C =(A B )C +A B ⊕⊕⊕可见,全加器可用两个异或门和一个与或门组成。
如果将数据表达式进行一些变换,半加器还可以用异或门、与非门等元器件组成多种形式的电路(见图5-2,图5-3)。
三、实验仪器及材料器件:74LS00 二输入端四与非门 3片74LA86 二输入端四异或门 1片74LS54 四组输入与或非门 1片四、预习要求1、预习组合逻辑电路的分析方法。
《数字电子技术B》实验报告
班级:姓名学号:
实验二组合逻辑电路(半加器、全加器)
一、实验目的
1.掌握组合逻辑电路的功能测试。
2.验证半加器和全加器的逻辑功能。
3.学会二进制数的运算规律。
二、实验仪器及材料
74LS00 二输入端四与非门 3片
74LS86 二输入端四异或门 1 片
74LS54 四组输入与或非门 1片
三、实验内容(如果有可能,附上仿真图)
1.组合逻辑电路功能测试。
(1).用2片74LS00组成图2.1所示逻辑电路。
为便于接线和检查,在图中要注明芯片编号及各引脚对应的编号。
(2).图中A、B、C接电平开关,Y1,Y2接发光管电平显示。
(3).接表2.1要求,改变A、B、C的状态填表并写出Y1,Y2逻辑表达式。
(4).将运算结果与实验比较。
表2.1
Y1=A+B Y2=(A’*B)+(B’*C)
2.测试用异或门(74LS86)和与非门组成的半加器的逻辑功能。
根据半加器的逻辑表达式可知,半加器Y是A、B的异或,而进位Z是A、B相与,故半加器可有一个集成异或门和二个与非门组成如图2.2。
图2.2
(1).在实验仪上用异或门和与门接成以上电路。
A、B接电平开关K,Y,Z接电平显示。
(2).按表2.2要求改变A、B状态,填表。
表2.2
3.
(1).写出图2.3电路的逻辑表达式。
(2).根据逻辑表达式列真值表。
表2.3
(5)按原理图选择与非门并接线进行测试,将测试结果记入表2.4,并与上表进行比较看逻辑功能是否一致。
4. 测试用异或、与或和非门组成的全加器的逻辑功能。
全加器可以用两个半加器和两个与门一个或门组成,在实验中,常用一块双异或门、一个与或非门和一个与非门实现。
(1).画出用异或门、与或非门和非门实现全加器的逻辑电路图,写出逻辑表达式。
(2).找出异或门、与或非门和与门器件按自己画出的图接线。
接线时注意与或非门中不用的与门输入端接地。
(3).当输入端A i、B i及C i-1为下列情况时,用万用表测量S i和C i的电位并将其转为逻辑状态填入下表。
表2.4
Y=A’B+AB’
Z=C
X1=A’B+C’+AB X2=A’B’+AB+C X3=A’B+AB’+C’
Si=A’B’C’+A’BC’+AB’C+ABC Ci=AC+AB+BC
四、总结或实验遇到的问题
实验中要注意先连接完线路后,进行检查,然后在打开电源,测量数据。