卫生间地面找坡交底内容
- 格式:docx
- 大小:22.41 KB
- 文档页数:3
交底内容:1、所用材料应符合设计要求及规范规定。
面砖应进行试验。
2、地面面砖已完成。
3、清理基、弹线:将基层清理干净,表面灰浆皮要铲掉、扫净。
水平标高线弹在墙上。
4、厕、浴间地面板的上、下水等各种管道做完后,洞口应堵塞密实,并加有套管,验收合格后再做防水层,管口部位与防水层结合要严密,蓄水合格后才能做找平层。
5、按已弹好的线找坡(向地漏方向)。
做水泥砂浆找平层。
6、找平层完成后养护7天。
7、在找平层上用107胶水泥浆贴TS防水层(防水层应做试验)防水层在墙四周应上反20cm o然后在TS防水层上做20厚1:2.5水砂浆保护层。
8、再做蓄水试验。
合格后贴面层。
9、面层应注意留2∙3cm高差,向地漏方向有坡度。
在地漏口处面砖应割成放射状。
10、面破完成后再做蓄水试验。
质量通病应注意问题通病表现形式:管根、墙根、板底等部位易出现渗漏。
治理主要措施:1、房间楼板混凝土进行一次浇筑,振捣密实。
楼板四周设现浇钢筋混凝土止水台,高度不小于120mm,且与楼板同时浇筑。
2、防水层沿墙四周上返,高出地面不小于300mm。
管道根部、转角处、墙根部位都做防水附加层。
3、对于沿地面敷设的给水、采暖管道,在进入有水房间处,沿有水房间隔墙外侧抬高至防水层上反高度以上后,再穿过隔墙进入卫生间,避免了破坏防水层。
4、地漏安装的标高必须在地面最低处低5mm,地漏四周用密封材料封堵严密。
5、房间内穿过楼板的管道根部设置阻水台,阻水台高度提前预留,保证高出成品地面20mm。
6、房间都必须做二次蓄水试验,即防水隔离层施工完成时一次,工程竣工验收时一次,蓄水时间不少于24小时,蓄水高度不少于20-3Omm,并形成记录。
一、工程名称:[请填写工程名称]二、施工单位:[请填写施工单位名称]三、建设单位:[请填写建设单位名称]四、分项工程名称:卫生间找平工程五、交底日期:[请填写日期,格式:年月日]六、接受交底班组或员工:[请填写班组名称或个人姓名]七、交底内容:1. 施工前的准备工作:- 施工前应仔细阅读施工图纸,了解卫生间找平工程的具体要求和技术标准。
- 施工现场应进行安全检查,确保所有施工设备和材料符合安全规范。
- 施工人员需熟悉施工流程和操作规程,特别是对卫生间找平材料的使用和施工方法。
2. 安全技术措施:- 个人防护:- 所有施工人员必须佩戴安全帽、安全鞋、防尘口罩和手套。
- 高处作业时,必须佩戴安全带,并扣好安全扣。
- 不得穿硬底鞋或有跟鞋进行作业。
- 现场安全:- 施工现场应设置明显的安全警示标志,提醒施工人员注意安全。
- 高处作业时,下方应设置安全网或护栏,防止物体坠落伤人。
- 不得在未稳固的平台上进行作业,防止发生坠落事故。
- 材料安全:- 找平材料应存放于干燥通风处,防止受潮或变质。
- 材料搬运时,应轻拿轻放,避免造成伤害。
3. 施工操作规程:- 基层处理:- 施工前应彻底清理卫生间基层,确保无油污、杂物和松动部分。
- 对于有裂缝或凹凸不平的基层,应进行修补或打磨处理。
- 找平材料使用:- 根据设计要求,选择合适的找平材料。
- 按照材料说明书进行配比和搅拌,确保搅拌均匀。
- 施工流程:- 先对卫生间四周进行找平,再进行中间区域的找平。
- 找平过程中,应随时检查平整度,确保符合设计要求。
4. 应急处理:- 如发生意外伤害,应立即停止作业,并采取必要的急救措施。
- 及时报告事故情况,并按照相关规定进行处理。
八、交底人签名:[请填写交底人姓名]九、接受交底班组或员工签名:[请填写班组名称或个人姓名]十、备注:- 本安全技术交底适用于卫生间找平工程施工全过程。
- 施工人员应严格遵守本交底内容,确保施工安全。
地面找平技术交底一、工程概述地面找平是在建筑施工中非常重要的一个环节,其质量直接影响到后续地面装饰工程的效果和使用寿命。
本次地面找平施工范围包括_____,施工面积约为_____平方米。
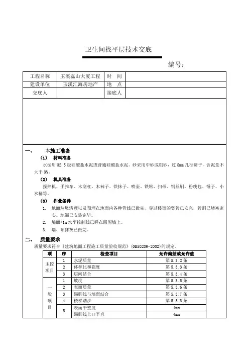
二、施工准备1、材料准备水泥:宜采用硅酸盐水泥、普通硅酸盐水泥,强度等级不低于 325 级。
砂:中砂或粗砂,含泥量不大于 3%。
石子:粒径为 5 15mm 的碎石,含泥量不大于 2%。
水:应采用洁净的自来水。
2、主要机具搅拌机:用于搅拌水泥砂浆或混凝土。
运输工具:手推车、翻斗车等。
工具:铁锹、刮杠、靠尺、抹子、水桶、扫帚等。
3、作业条件地面基层已清理干净,无杂物、灰尘、油污等。
室内墙面已弹出+50cm 水平控制线。
穿过楼板的立管已安装完毕,管洞堵塞密实。
门框已安装完毕,并做好防护。
三、施工流程1、基层处理清理基层表面的浮浆、杂物、灰尘等,确保基层表面平整、干净。
对于基层表面凹凸不平的部位,应采用凿毛或打磨的方法进行处理,使基层表面粗糙,以增强与找平层的粘结力。
2、找标高、弹线根据室内墙上的+50cm 水平控制线,向下量测出面层标高,并弹在墙上。
根据标高线,在地面四周做灰饼,间距 15 2m,灰饼上平面即为地面面层标高。
3、洒水湿润在施工前一天,应对基层表面进行洒水湿润,但不得有积水。
4、搅拌砂浆或混凝土按照设计要求的配合比,将水泥、砂、石子和水搅拌均匀,搅拌时间不少于 2min。
5、铺设找平层将搅拌好的砂浆或混凝土铺设在基层表面,用刮杠刮平,然后用抹子压实抹平。
铺设时应从房间内退着往外进行,以避免在已铺好的找平层上走动。
6、养护地面找平层施工完毕后,应在 12h 内进行浇水养护,养护时间不少于 7d,养护期间应保持地面湿润,避免上人走动或堆放重物。
四、质量标准1、主控项目找平层所用材料的品种、规格、性能应符合设计要求和国家现行有关标准的规定。
找平层的强度等级应符合设计要求。
有防水要求的建筑地面工程的立管、套管、地漏处严禁渗漏,坡向应正确、无积水。
卫生间防水施工技术交底一、准备1、材料及主要机具聚氨酯防水涂料:是一种化学反应型涂料,以双组份形式使用,A 组分和B组分按规定比例组合后,发生化学反应,由液态变为固态,形成较厚的防水涂膜。
1)主要材料:甲组份:异氰酸酯基材料:以3.5±0.2%为宜。
乙组份:羟基含量,以0.7±0.1%为宜。
甲、乙料易燃、有毒、均用铁桶包装,贮存时应密封,进场后放在阴凉、干燥、无强日光直晒的库房(或场地)存放。
施工作业应按照制造商规定的比例进行协调,操作场地要防火、通风,操作人员应戴手套、口罩、眼镜等,以防溶剂中毒。
2)主要辅助材料:磷酸或苯磺酰氯:凝固过快时,作缓凝剂。
二月桂酸二丁基锡:凝固过慢,作促凝剂用。
二甲苯:用于清洁施工工具。
乙酸乙酯:用于手上的清洁凝胶。
107胶:用于修复基层。
玻璃丝布(幅宽90㎝,14目)或无纺布。
石渣:ф2mm左右,用于粘合过渡层。
水泥:425普通硅酸盐水泥,补基层用。
2、操作条件1)穿过卫生间地板的所有立管、套管均已做完并经验收,管周围缝隙用1∶2∶4豆石混凝土填塞密实(楼板底需支模板)。
2)卫生间、卫生间地面垫层已完成,向地漏处找2%坡,厚度小于30㎜时用混合灰,大于30㎜厚用1∶6水泥焦渣垫层。
3)厕浴间地面找平层已做完,表面应抹平压光、坚实平整,不起砂,含水率90%(简易检测方法:在基层表面上铺一块1㎡橡胶板,覆盖橡胶板的部分没有明显的水印,即视为含水率达到要求)。
4)找平层的泛水坡度应在2%以上,不得局部积水,与墙体和转角的接缝应抹成小圆角。
凡是靠墙的管根处均抹出5%坡度,避免此处存水。
5)在基层做防水涂料之前,用建筑密封胶密封以下零件。
空过楼板的立管四周、套管与立管交接处、大便器与立管接口处、地漏上口四周等。
6)卫生间和浴室防水前必须设置足够的照明和通风设备。
7)易燃、有毒防水材料应配备防火设施和工作服、软底鞋。
8)工作温度维护+5℃以上。
9)操作员应接受专业培训、持上岗证,先做样板间,经检查验收合格后,方可全面施工。
交底内容一、施工准备(一)作业条件1、厕浴间楼地面垫层巳完成,穿过厕浴间地面及楼面的所有立管、套管已完成,并已固定牢固,经过验收。
管周围缝隙用1:2:4豆石混凝土填塞密实(楼板底需吊模板)。
2、厕浴间楼地面找平层已完成,标高符合要求,表面应抹平压光、坚实、平整,无空鼓、裂缝、起砂等缺陷,含水率不大于9%。
3、找平层的泛水坡度应在2%(即1:50),不得局部积水,与墙交接处及转角处、管根部位,均要抹成半径为100mm的均匀一致、平整光滑的小圆角,要用专用抹子。
凡是靠墙的管根处均要抹出5%(1:20)坡度,避免此处积水。
4、涂刷防水层的基层表面,应将尘土、杂物清扫干净,表面残留的灰浆硬块及高出部分应刮平,扫净。
对管根周围不易清扫的部位,应用毛刷将灰尘等清除,如有坑洼不平处或阴阳角未抹成圆弧处,可用众霸胶:水泥:砂=1:1.5:2.5砂浆修补。
5、基层做防水涂料之前,在突出地面和墙面的管根、地漏、排水口、阴阳角等易发生渗漏的部位,应做附加层增补。
6、厕浴间墙面按设计要求及施工规定(四周至少上卷300mm)有防水的部位,墙面基层抹灰要压光,要求平整,无空鼓、裂缝、起砂等缺陷。
穿过防水层的管道及固定卡具应提前安装并在距管50mm菏围内凹进表层5mm,管根做成半径为10mm的圆弧。
7、根据墙上的+0.5m水平控制线,弹出墙面防水高度线,标出立管与标准地面的交界线涂料涂刷时要与此线平。
8、厕浴间做防水之前必须设置足够的照明设备(安全低压灯等)和通风设备。
9、防水材料一般为易燃有毒物品,储存、保管和使用时要远离火源,施工现场要备有足够的灭火器等消防器材,施工人员要着工作服,穿软底鞋,并设专业工长监管。
10、环境温度保持在+5℃以上。
11、操作人员应经过专业培训考核合格后,持证上岗,先做样板间,经检查验收合格,方可全面施工。
(二)材质要求单组分聚氨酪防水涂料(由于双组分、多组分聚氨酷防水涂料含有大量有机溶剂,对环境污染严重,己禁止此类材料使用于建筑物内部厕浴间等防水工程)。
卫生间地面防水找平施工技术交底一、概况:本工程建筑面积33309m2,总户数383户。
卫生间找平层采用1:3水泥砂浆找平,厚度:结构降板的为20MM,结构不降板的为15MM。
二、施工准备及作业条件:施工前,水暖立管及地漏必须安装完毕并经验收合格,管洞支模浇灌后,方可进行施工。
材料准备:P.O32.5水泥、中砂、胶、刮杠、靠尺、木抹子、铁抹子等手工工具。
三、施工工艺:工艺流程:基层清理→浇水扫素水泥浆→根据50线打点→冲筋→装档→刮平→搓平压光三遍→边角做小园角,管道出入口做坡→24小时后浇水养护。
施工工艺:首先进行基层清理,将结构面层上的余灰浆清理干净,如有油污应用10%火碱处理,并用水冲洗干净。
施工前,提前浇水湿润,并扫素水泥浆掺10%TS-1太伟建筑胶。
根据墙上50线结构降板的下返590MM,结构不降板的下返555MM,局部有管道的地方5%打点,并连接各点冲筋刮平,坡度2%,在其框内装入1:3水泥砂浆,摊平并用刮杠刮平。
初凝前用木抹子搓平压光三遍,在边角、管根处做成R=20MM的园弧,卫生间门口靠内墙面平抹8公分高6公分的台趼,24小时后洒水养护。
在防水施工完毕后,用1:1:1的胶水泥砂浆在防水层上拉毛,凝固后水工铺设管线,经验收后,穿墙的预埋套管四周用1:2:4的豆石砼(掺5%的防水粉、12%的UEA)堵密,用密封油膏封严,管四周防水再补齐,上做1:2:4豆石保护层搓毛,预留25MM装修做法(由业主完成)。
50线结构降板的下返545MM,结构不降板的下返515MM,2%坡度到地漏四周50MM以外范围,地漏50MM以内的范围内5%坡度,凝固后洒水养护。
细部做法祥见厨卫间防水交底的大样图。
四、质量标准:要求不空鼓、不裂缝、不起砂,坡度正确,整体坡度2%,地漏处5%。
五、成品保护及材料节约措施:1、防水层施工施工完毕闭水试验期间,及时临时性封闭门洞口,严禁由于人为因素破坏防水层,而造成质量隐患,进行返工修补,耗费大量人工;2、抹灰成活后,要临时性封闭门洞口,防止过早上人破坏保护层;3、推小车时,严禁碰撞墙角及门框;4、配合比准确,严格过磅计量;5、抹灰后,将多余的灰,及时清理,随时利用,做到活完料净脚下清。
一、施工准备1.1作业条件1.1.1施工完的结构办理完验收手续。
1.1.2内墙面四周弹好+500mm水平线。
1.1.3门洞口钉好木板。
1.1。
4装好穿过楼板的立管,并将管洞堵严。
1.1。
5夜间作业时,应设置照明以保证操作的需要。
1.2主要机具运输小车,小水桶,半截桶,扫帚,2m靠尺,铁滚子,木抹子,平锹,钢丝刷,凿子,锤子,低压照明灯等设备及工具。
1。
3材料准备1.3.1砂子使用前用过筛、石子使用前过筛。
1。
3.2水泥进场后予以封闭存放,水泥出厂超过三个月时,使用前进行复验,并按复验结果使用.1。
3.3采用C15(细石)商品混凝土.1。
3。
4进场材料有相关材质合格证明文件、检测报告及配合比通知单.二、操作工艺卫生间找坡层:最薄处30厚C15细石混凝土从门口处向地漏找1%坡。
2。
1工艺流程基层清理→洒水湿润→贴灰饼、冲筋→铺设混凝土→找平→养护2。
2施工工艺2。
2.1基层清理把粘结在混凝土基层表面的杂物砂浆块等应清理干净,然后将粘在基层上的浆皮铲掉,如表面有油污,应用5%~10%浓度的火碱溶液清理干净.2.2.2洒水湿润在施工前一天对基层进行洒水湿润.2.2。
3贴灰饼、冲筋(1)贴灰饼:根据已弹出的垫层水平标高线,横竖拉线,用与细石混凝土相同配合比的拌合料抹灰饼,横竖间距1。
5m,灰饼上标高为垫层标高。
(2)冲筋:面积较大的房间为保证垫层的平整度,还要做标筋,以做好的灰饼为标准抹条形标筋,用刮尺刮平,作为浇筑细石混凝土垫层厚度的标准。
(3)冲筋和灰饼均要采用细石混凝土。
2.2.4铺设混凝土细石混凝土找坡层最薄处厚度为30mm,具体以+500mm线为准。
在浇灌细石混凝土垫层前应先在已湿润过的基层表面刷一道1:0.4~0。
45(水泥:水)的素水泥浆,不要刷的面积过大,要做到随刷随铺混凝土,避免时间过长水泥砂浆风干导致空鼓。
2。
2.5振捣:用铁锹铺混凝土厚度略高于找平堆,随即用平板振捣器振捣。
做到不漏振,确保混凝土密实.2.2.6找平抹面(1)混凝土振捣密实后,以墙上+500mm线及找平墩为准检查平整度,高的铲掉,凹的用同配合比的混凝土补平,待垫层振捣面层出现泌水现象,撒一层干拌水泥砂(1:1=水泥:砂)拌合料,要撒匀(砂要过筛),用2m长水平木刮杠刮平,表面用木抹子搓平。