1931-1960-1976色坐标转换
- 格式:xlsx
- 大小:315.33 KB
- 文档页数:13
CHUNGHWA PICTURE TUBES, LTD.CIE 1931/1976色飽和度轉換方式說明Oct 2007Product Planning Management General Division什麼是CIE 1931CHUNGHWA PICTURE TUBES, LTD.•由於色彩是一個三維函數,所以應該由三維空間表示。
國際標準照明委員會(CIE)1931年規定這三種色光的波長是:紅色光((R):700nm–紅色光綠色光((G):546.1nm–綠色光藍色光((B):435.8nm–藍色光•自然界中各種原色都能由這三種原色光按一定比例混合而成。
•由於人類思維能力和表現能力的限制,三維的坐標系在實際應用中都暴露出了很大的局限性。
系統。
CIE組織提出CIE 1931 RGB系統CHUNGHWA PICTURE TUBES, LTD.•在以上基礎上定義出r/g/b公式:–r=R/(R+G+B)–g=G/(R+G+B)–b=B/(R+G+B)•但是這樣的表示方法中r/g值會出現負數,由於實際上不存在負的光強,而且這種計算極不方便,不易理解。
1931 CIE-RGB表色系統色座標系統。
CIE組織修正為CIE 1931 XYZ色座標系統CHUNGHWA PICTURE TUBES, LTD.•在1931年CIE組織建立了三種假想的標準原色X (紅)、Y(綠)、Z(藍),由此衍生出的便是1931 CIE-XYZ系統。
–X = 2.7689R+ 1.7517G+ 1.1302B–Y = 1.0000R+ 4.5907G+ 0.0601B–Z = 0.0000R+ 0.0565G+ 5.5943B•此一公式有下列特點:–所有的X, Y, Z值都是正值–Y值正好代表光亮度–X=Y=Z 時代表等能量白光CHUNGHWA PICTURE TUBES, LTD.•因色度僅與波長和純度有關,因此計算色度時除以(X+Y+Z)進行格式化,故x,y,z 稱為三基色相對係數–x=X/(X+Y+Z);–y=Y/(X+Y+Z);–z=1-(x+y)•因x+y+z=1,就相當於把X+Y+Z=1平面投射到(X,Y)平面,也就是Z=0的平面,這就是CIE xyY 色度圖。
CIE1976--色度空间(一)、CIE1976--色度空间及色差公式从一开始研究色彩学,人们为了使色彩设计和复制更精确、更完美,为色彩的转换和校正制定合适的调整尺度或比例,减少由于空间的不均匀而带来的复制误差,在不断寻找一种最均匀的色彩空间,这种色彩空间,在不同位置,不同方向上相等的几何距离在视觉上有对应相等的色差,把易测的空间距离作为色彩感觉差别量的度量。
若能得到一种均匀颜色空间,那么色彩复制技术就会有更大进步,颜色匹配和色彩复制的准确性就得到加强。
从CIE1931RGB系统到CIE1931XYZ系统,再到CIE1960UCS系统,再到CIE1976LAB系统,一直都在向"均匀化"方向发展。
CIE1931XYZ颜色空间只是采用简单的数学比例方法,描绘所要匹配颜色的三刺激值的比例关系;CIE1960UCS颜色空间将1931xy色度图作了线形变换,从而使颜色空间的均匀性得到了改善,但亮度因数没有均匀化。
为了进一步改进和统一颜色评价的方法,1976年CIE推荐了新的颜色空间及其有关色差公式,即CIE1976LAB(或L a b)系统,现在已成为世界各国正式采纳、作为国际通用的测色标准。
它适用于一切光源色或物体色的表示与计算。
CIE1976L a b空间由CIEXYZ系统通过数学方法转换得到,转换公式为:(5-17)其中X、Y、Z是物体的三刺激值;X0、Y0、Z0为CIE标准照明体的三刺激值;L表示心理明度;a、b为心理色度。
从上式转换中可以看出:由X、Y、Z变换为L、a、b时包含有立方根的函数变换,经过这种非线形变换后,原来的马蹄形光谱轨迹不复保持。
转换后的空间用笛卡儿直角坐标体系来表示,形成了对立色坐标表述的心理颜色空间,如图5-43所示。
在这一坐标系统中,+a表示红色,-a表示绿色,+b表示黄色,-b表示蓝色,颜色的明度由L的百分数来表示。
图5-43色差是指用数值的方法表示两种颜色给人色彩感觉上的差别。
敬赠
中国影音集成科技展
China Audio&Video Integration Technology Expo (CIT)2011 1931 C.I.E XYZ 色域坐标图是CIE(国际照明委员会)所制定的色彩标准中的关键部分,是视频调校工程师、视频爱好者与发烧友、家庭影院设计工程师等专业人员必不可少的视频调校参考工具。
通过1931 C.I.E XYZ 色域坐标图,就能够掌握显示设备色温坐标点的精确位置,了解显示设备的色彩范围,进而对显示设备作准确细致的调整,获得最理想的色彩表现。
以下更附带包括NTSC、EBU、SMPTE-C 以及ITU-R.709国际色域标准的参照表,让大家能够及时参照显示设备的色彩表现是否达到了国际标准,
更好地掌握显示设备性能表现。
附国际色域标准参照表
显示设备调校必备工具。
CIE 1931 色度图 (2维标准观测)目的这个工程的目的就是证明如何显示一个1931 CIE(Commission International de l'Eclairage 国际照明协会)的色度图,同样还包括1960和1976介绍中对其的改革。
额外地,这个图可以使用1931的2维标准观测来显示,也可以用1964年的10维标准观测来显示,我们还试着解释它们之间的不同。
背景标准观测(Standard Observer)。
CIE标准观测是基于协会和建造者的表格的二维区域。
CIE 1964标准观测是10维的。
引导到1931标准观测的实验只使用了视网膜中的一个小凹槽,覆盖了视野的2维。
1964年附加的标准观测是基于视网膜10维区域的色彩比配实验。
观测忽略了中央的2维点。
当视觉感受被期望为4维时,1964的标准观测就被推荐出来了。
CIE标准观测通常都基于许多实验,这些实验是用少数拥有普通视力的人做出的。
没有真正的观测是也CIE标准观测一样的。
请参考[Judd75, pp. 153-157] or [Billmeyer81, pp.42-45]。
关于新闻组的投递,Danny提出“1964观测有50个观测者左右,而1931只有一打。
1964的工作包括一些外国的已经获得博士学位的同事,但是早期的工作只有包括伦敦附近的一些英国人”。
根据[Foley96, p. 580], 1964的表格并不是普遍为计算机使用的,因为它强调很大的一个颜色区域,这个区域里的大多数颜色并不是图象中能够找到的。
下面的图能够被“标准”表格色度程序显示,当程序被校准了以后尺寸也就正确了。
CIE 1931 2-Degree Field of ViewCIE 1964 10-Degree Field of View要得到附加的CIE1931和1964观测信息,请看[Judd75, p. 155] or [Billmeyer81, p. 42]。
三、CIE1976色度空间(一)、CIE1976色度空间及色差公式从一开始研究色彩学,人们为了使色彩设计和复制更精确、更完美,为色彩的转换和校正制定合适的调整尺度或比例,减少由于空间的不均匀而带来的复制误差,在不断寻找一种最均匀的色彩空间,这种色彩空间,在不同位置,不同方向上相等的几何距离在视觉上有对应相等的色差,把易测的空间距离作为色彩感觉差别量的度量。
若能得到一种均匀颜色空间,那么色彩复制技术就会有更大进步,颜色匹配和色彩复制的准确性就得到加强。
从CIE1931RGB系统到CIE1931XYZ系统,再到CIE1960UCS系统,再到CIE1976LAB系统,一直都在向"均匀化"方向发展。
CIE1931XYZ颜色空间只是采用简单的数学比例方法,描绘所要匹配颜色的三刺激值的比例关系;CIE1960UCS颜色空间将1931xy色度图作了线形变换,从而使颜色空间的均匀性得到了改善,但亮度因数没有均匀化。
为了进一步改进和统一颜色评价的方法,1976年CIE推荐了新的颜色空间及其有关色差公式,即CIE1976LAB(或L a b)系统,现在已成为世界各国正式采纳、作为国际通用的测色标准。
它适用于一切光源色或物体色的表示与计算。
CIE1976L a b空间由CIEXYZ系统通过数学方法转换得到,转换公式为:(5-17)其中X、Y、Z是物体的三刺激值;X0、Y0、Z0为CIE标准照明体的三刺激值;L表示心理明度;a、b为心理色度。
从上式转换中可以看出:由X、Y、Z变换为L、a、b时包含有立方根的函数变换,经过这种非线形变换后,原来的马蹄形光谱轨迹不复保持。
转换后的空间用笛卡儿直角坐标体系来表示,形成了对立色坐标表述的心理颜色空间,如图5-43所示。
在这一坐标系统中,+a表示红色,-a表示绿色,+b表示黄色,-b表示蓝色,颜色的明度由L的百分数来表示。
图5-43色差是指用数值的方法表示两种颜色给人色彩感觉上的差别。
色度图波长对应坐标值部门: xxx时间: xxx整理范文,仅供参考,可下载自行编辑二、 1931CIE-XYZ标准色度系统所谓1931CIE-XYZ系统,就是在RGB系统的基础上,用数学方法,选用三个理想的原色来代替实际的三原色,从而将CIE-RGB系统中的光谱三刺激值和色度坐标r、g、b均变为正值。
<一)、CIE-RGB系统与CIE-XYZ系统的转换关系选择三个理想的原色<三刺激值)X、Y、Z,X代表红原色,Y代表绿原色,Z代表蓝原色,这三个原色不是物理上的真实色,而是虚构的假想色。
它们在图5-27中的色度坐标分别为:从图5-27中可以看到由XYZ形成的虚线三角形将整个光谱轨迹包含在内。
因此整个光谱色变成了以XYZ三角形作为色域的域内色。
在XYZ系统中所得到的光谱三刺激值、、、和色度坐标x、y、z将完全变成正值。
经数学变换,两组颜色空间的三刺激值有以下关系:X=0.490R+0.310G+0.200BY=0.177R+0.812G+0.011B …………………………<5-8)Z= 0.010G+0.990B两组颜色空间色度坐标的相互转换关系为:x=<0.490r+0.310g+0.200b)/<0.667r+1.132g+1.200b)y=<0.117r+0.812g+0.010b)/<0.667r+1.132g+1.200b)………………(5-9>z=<0.000r+0.010g+0.990b)/<0.667r+1.132g+1.200b)这就是我们通常用来进行变换的关系式,所以,只要知道某一颜色的色度坐标r、g、b,即可以求出它们在新设想的三原色XYZ颜色空间的的色度坐标x、y、z。
通过式<5-9)的变换,对光谱色或一切自然界的色彩而言,变换后的色度坐标均为正值,而且等能白光的色度坐标仍然是<0.33,0.33),没有改变。
LED封装行业分光分色标准中的色坐标、黑体轨迹、等温线等色度学概念的计算方法摘要在当今全球能源紧缺的环境下,节约能源已成为全人类共同的意识。
同时,国家也在大力倡导节能减排,在刚刚成功举办的2010年上海世博会和2008年的北京奥运会都不约而同的以绿色节能为主题,这就给中国LED照明产业的发展带来了巨大的历史机遇。
发光二极管(LED)作为新一代绿色光源,与传统光源(白炽灯、荧光灯和高强度放电灯等)相比,具有节能、环保、响应时间短,体积小,寿命长、抗震性好等多项优势,因而受到人们的青睐,成为各国半导体照明领域研究的热点。
本文主要是围绕LED的发光原理和LED封装行业的发展状态,重点探讨在LED封装行业分光分色标准制定过程中涉及的色坐标、等色温线、黑体轨迹曲线等色度学概念的计算方法,为LED封装行业的工程师提供非常实用的理论指导。
关键词:LED、等色温线、黑体轨迹。
第一章前言发光二极管(Light Emitting Diode,即LED)于20世纪60年代问世,在20世纪80年代以前,只有红光、橙光、黄光和绿光等几种单色光,主要作为指示灯使用,这一时期属于LED“指示应用阶段”。
20世纪90年代初,LED的亮度有了较大提高,LED的发展和应用进入了“信号和显示阶段”。
1994年,日本科学家中村修二在GaN基片上研制出了第一只蓝光LED,在1997年诞生了InGaN蓝光芯片+YAG荧光粉的白光LED,使LED的发展和应用进入了“全彩显示和普通照明阶段”。
LED作为一种固态冷光源,是一种典型的节能、环保型绿色照明光源,必将成为继白炽灯、荧光灯和高强度放电灯(HID)之后的第四代新光源。
LED芯片通常用III-V族化合物半导体材料(如GaAs、GaP、GaN)通过外延生产工艺制造而成,其发光核心是PN结,具有一般PN结的特性,即正向导通,反向截止、击穿特性等。
LED发光原理是LED在正向电压下,电子由N区注入P区,空穴由P区注入N区,电子和空穴在PN结复合,其中部分复合能转换成辐射发光,另一部分转换成热辐射,后者不产生可见光。
1931CIE-XYZ标准色度系统所谓1931CIE-XYZ系统,就是在RGB系统的基础上,用数学方法,选用三个理想的原色来代替实际的三原色,从而将CIE-RGB系统中的光谱三刺激和色度坐标r、g、b均变为正值。
(一)、CIE-RGB系统与CIE-XYZ系统的转换关系选择三个理想的原色(三刺激值)X、Y、Z,X代表红原色,Y代表绿原色,Z代表蓝原色,这三个原色不是物理上的真实色,而是虚构的假想色。
它们在图5-27中的色度坐标分别为:r g bX 1.275 -0.278 0.003Y -1.739 2.767 -0.028Z -0.743 0.141 1.602从图5-27中可以看到由XYZ形成的虚线三角形将整个光谱轨迹包含在内。
因此整个光谱色变成了以XYZ三角形作为色域的域内色。
在XYZ系统中所得到的光谱三刺激值、、、和色度坐标x、y、z将完全变成正值。
经数学变换,两组颜色空间的三刺激值有以下关系:X=0.490R+0.310G+0.200BY=0.177R+0.812G+0.011B …………………………(5-8)Z= 0.010G+0.990B两组颜色空间色度坐标的相互转换关系为:x=(0.490r+0.310g+0.200b)/(0.667r+1.132g+1.200b)y=(0.117r+0.812g+0.010b)/(0.667r+1.132g+1.200b)………………(5-9)z=(0.000r+0.010g+0.990b)/(0.667r+1.132g+1.200b)这就是我们通常用来进行变换的关系式,所以,只要知道某一颜色的色度坐标r、g、b,即可以求出它们在新设想的三原色XYZ颜色空间的的色度坐标x、y、z。
通过式(5-9)的变换,对光谱色或一切自然界的色彩而言,变换后的色度坐标均为正值,而且等能白光的色度坐标仍然是(0.33,0.33),没有改变。
表5-3是由CIE-RGB系统按表5-2中的数据,由式(5-9)计算的结果。
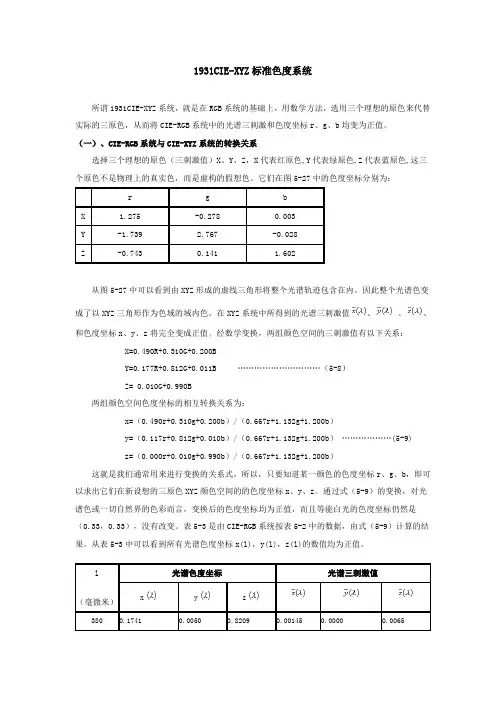
色度图波长对应坐标值部门: xxx时间: xxx整理范文,仅供参考,可下载自行编辑二、 1931CIE-XYZ标准色度系统所谓1931CIE-XYZ系统,就是在RGB系统的基础上,用数学方法,选用三个理想的原色来代替实际的三原色,从而将CIE-RGB系统中的光谱三刺激值和色度坐标r、g、b均变为正值。
<一)、CIE-RGB系统与CIE-XYZ系统的转换关系选择三个理想的原色<三刺激值)X、Y、Z,X代表红原色,Y代表绿原色,Z代表蓝原色,这三个原色不是物理上的真实色,而是虚构的假想色。
它们在图5-27中的色度坐标分别为:从图5-27中可以看到由XYZ形成的虚线三角形将整个光谱轨迹包含在内。
因此整个光谱色变成了以XYZ三角形作为色域的域内色。
在XYZ系统中所得到的光谱三刺激值、、、和色度坐标x、y、z将完全变成正值。
经数学变换,两组颜色空间的三刺激值有以下关系:X=0.490R+0.310G+0.200BY=0.177R+0.812G+0.011B …………………………<5-8)Z= 0.010G+0.990B两组颜色空间色度坐标的相互转换关系为:x=<0.490r+0.310g+0.200b)/<0.667r+1.132g+1.200b)y=<0.117r+0.812g+0.010b)/<0.667r+1.132g+1.200b)………………(5-9>z=<0.000r+0.010g+0.990b)/<0.667r+1.132g+1.200b)这就是我们通常用来进行变换的关系式,所以,只要知道某一颜色的色度坐标r、g、b,即可以求出它们在新设想的三原色XYZ颜色空间的的色度坐标x、y、z。
通过式<5-9)的变换,对光谱色或一切自然界的色彩而言,变换后的色度坐标均为正值,而且等能白光的色度坐标仍然是<0.33,0.33),没有改变。
C I E1976色度空间CIE1976色度空间(一)、CIE1976色度空间及色差公式从一开始研究色彩学,人们为了使色彩设计和复制更精确、更完美,为色彩的转换和校正制定合适的调整尺度或比例,减少由于空间的不均匀而带来的复制误差,在不断寻找一种最均匀的色彩空间,这种色彩空间,在不同位置,不同方向上相等的几何距离在视觉上有对应相等的色差,把易测的空间距离作为色彩感觉差别量的度量。
若能得到一种均匀颜色空间,那么色彩复制技术就会有更大进步,颜色匹配和色彩复制的准确性就得到加强。
从CIE1931RGB系统到CIE1931XYZ系统,再到CIE1960UCS系统,再到CIE1976LAB系统,一直都在向"均匀化"方向发展。
CIE1931XYZ颜色空间只是采用简单的数学比例方法,描绘所要匹配颜色的三刺激值的比例关系;CIE1960UCS颜色空间将1931xy色度图作了线形变换,从而使颜色空间的均匀性得到了改善,但亮度因数没有均匀化。
为了进一步改进和统一颜色评价的方法,1976年CIE推荐了新的颜色空间及其有关色差公式,即CIE1976LAB(或L a b)系统,现在已成为世界各国正式采纳、作为国际通用的测色标准。
它适用于一切光源色或物体色的表示与计算。
CIE1976L a b空间由CIEXYZ系统通过数学方法转换得到,转换公式为:(5-17)其中X、Y、Z是物体的三刺激值;X0、Y0、Z0为CIE标准照明体的三刺激值;L表示心理明度;a、b为心理色度。
从上式转换中可以看出:由X、Y、Z变换为L、a、b时包含有立方根的函数变换,经过这种非线形变换后,原来的马蹄形光谱轨迹不复保持。
转换后的空间用笛卡儿直角坐标体系来表示,形成了对立色坐标表述的心理颜色空间,如图5-43所示。
在这一坐标系统中,+a 表示红色,-a表示绿色,+b表示黄色,-b表示蓝色,颜色的明度由L的百分数来表示。
图5-43色差是指用数值的方法表示两种颜色给人色彩感觉上的差别。
色度图波长对应坐标值部门: xxx时间: xxx整理范文,仅供参考,可下载自行编辑二、 1931CIE-XYZ标准色度系统所谓1931CIE-XYZ系统,就是在RGB系统的基础上,用数学方法,选用三个理想的原色来代替实际的三原色,从而将CIE-RGB系统中的光谱三刺激值和色度坐标r、g、b均变为正值。
<一)、CIE-RGB系统与CIE-XYZ系统的转换关系选择三个理想的原色<三刺激值)X、Y、Z,X代表红原色,Y代表绿原色,Z代表蓝原色,这三个原色不是物理上的真实色,而是虚构的假想色。
它们在图5-27中的色度坐标分别为:从图5-27中可以看到由XYZ形成的虚线三角形将整个光谱轨迹包含在内。
因此整个光谱色变成了以XYZ三角形作为色域的域内色。
在XYZ系统中所得到的光谱三刺激值、、、和色度坐标x、y、z将完全变成正值。
经数学变换,两组颜色空间的三刺激值有以下关系:X=0.490R+0.310G+0.200BY=0.177R+0.812G+0.011B …………………………<5-8)Z= 0.010G+0.990B两组颜色空间色度坐标的相互转换关系为:x=<0.490r+0.310g+0.200b)/<0.667r+1.132g+1.200b)y=<0.117r+0.812g+0.010b)/<0.667r+1.132g+1.200b)………………(5-9>z=<0.000r+0.010g+0.990b)/<0.667r+1.132g+1.200b)这就是我们通常用来进行变换的关系式,所以,只要知道某一颜色的色度坐标r、g、b,即可以求出它们在新设想的三原色XYZ颜色空间的的色度坐标x、y、z。
通过式<5-9)的变换,对光谱色或一切自然界的色彩而言,变换后的色度坐标均为正值,而且等能白光的色度坐标仍然是<0.33,0.33),没有改变。
CHUNGHWA PICTURE TUBES, LTD.CIE 1931/1976色飽和度轉換方式說明Oct 2007Product Planning Management General Division什麼是CIE 1931CHUNGHWA PICTURE TUBES, LTD.•由於色彩是一個三維函數,所以應該由三維空間表示。
國際標準照明委員會(CIE)1931年規定這三種色光的波長是:紅色光((R):700nm–紅色光綠色光((G):546.1nm–綠色光藍色光((B):435.8nm–藍色光•自然界中各種原色都能由這三種原色光按一定比例混合而成。
•由於人類思維能力和表現能力的限制,三維的坐標系在實際應用中都暴露出了很大的局限性。
系統。
CIE組織提出CIE 1931 RGB系統CHUNGHWA PICTURE TUBES, LTD.•在以上基礎上定義出r/g/b公式:–r=R/(R+G+B)–g=G/(R+G+B)–b=B/(R+G+B)•但是這樣的表示方法中r/g值會出現負數,由於實際上不存在負的光強,而且這種計算極不方便,不易理解。
1931 CIE-RGB表色系統色座標系統。
CIE組織修正為CIE 1931 XYZ色座標系統CHUNGHWA PICTURE TUBES, LTD.•在1931年CIE組織建立了三種假想的標準原色X (紅)、Y(綠)、Z(藍),由此衍生出的便是1931 CIE-XYZ系統。
–X = 2.7689R+ 1.7517G+ 1.1302B–Y = 1.0000R+ 4.5907G+ 0.0601B–Z = 0.0000R+ 0.0565G+ 5.5943B•此一公式有下列特點:–所有的X, Y, Z值都是正值–Y值正好代表光亮度–X=Y=Z 時代表等能量白光CHUNGHWA PICTURE TUBES, LTD.•因色度僅與波長和純度有關,因此計算色度時除以(X+Y+Z)進行格式化,故x,y,z 稱為三基色相對係數–x=X/(X+Y+Z);–y=Y/(X+Y+Z);–z=1-(x+y)•因x+y+z=1,就相當於把X+Y+Z=1平面投射到(X,Y)平面,也就是Z=0的平面,這就是CIE xyY 色度圖。
色度图波长对应坐标值部门: xxx时间: xxx整理范文,仅供参考,可下载自行编辑二、 1931CIE-XYZ标准色度系统所谓1931CIE-XYZ系统,就是在RGB系统的基础上,用数学方法,选用三个理想的原色来代替实际的三原色,从而将CIE-RGB系统中的光谱三刺激值和色度坐标r、g、b均变为正值。
<一)、CIE-RGB系统与CIE-XYZ系统的转换关系选择三个理想的原色<三刺激值)X、Y、Z,X代表红原色,Y代表绿原色,Z代表蓝原色,这三个原色不是物理上的真实色,而是虚构的假想色。
它们在图5-27中的色度坐标分别为:从图5-27中可以看到由XYZ形成的虚线三角形将整个光谱轨迹包含在内。
因此整个光谱色变成了以XYZ三角形作为色域的域内色。
在XYZ系统中所得到的光谱三刺激值、、、和色度坐标x、y、z将完全变成正值。
经数学变换,两组颜色空间的三刺激值有以下关系:X=0.490R+0.310G+0.200BY=0.177R+0.812G+0.011B …………………………<5-8)Z= 0.010G+0.990B两组颜色空间色度坐标的相互转换关系为:x=<0.490r+0.310g+0.200b)/<0.667r+1.132g+1.200b)y=<0.117r+0.812g+0.010b)/<0.667r+1.132g+1.200b)………………(5-9>z=<0.000r+0.010g+0.990b)/<0.667r+1.132g+1.200b)这就是我们通常用来进行变换的关系式,所以,只要知道某一颜色的色度坐标r、g、b,即可以求出它们在新设想的三原色XYZ颜色空间的的色度坐标x、y、z。
通过式<5-9)的变换,对光谱色或一切自然界的色彩而言,变换后的色度坐标均为正值,而且等能白光的色度坐标仍然是<0.33,0.33),没有改变。