容积式换热器规格整理
- 格式:xlsx
- 大小:9.60 KB
- 文档页数:6
前言DFHRV系列高效导流浮动盘管半容积式换热器,是我厂根据中国建筑设计研究院教授级高级工程师刘振印的专利自行设计制造的新产品。
该产品的突出优点是换热盘管可抽出罐体进行维修,能满足GB50015-2003《建筑给水排水设计规范》4.4.13条之要求。
该产品另一特点是,采用多行程螺旋浮动盘管辅以逆流换热、导流装置等措施,换热充分。
该产品于97年11月和98年11月进行了二次热工性能的自测,并经国家一级热工测试中心——机电部华北工业锅炉测试中心复测,测试结果为:在被加热水阻力较小的工况下,传热系数K值远超过现有同类新产品,换热面积大,产热量高,且无滞水区,缓解结垢。
是一种理想的生活热水加热贮热设备。
产品说明一、性能特点:浮动盘管换热器是近年来国内发展的一种新型换热设备,与固定盘管相比浮动盘管能上下轻微浮动,产生高频振动,形成良好紊流传热状态,并且它能借助通过高温热媒的薄壁铜管管壁与管外壁结垢层膨胀量的差异,在一定条件下,使水垢自动脱落。
但水垢的自动去除受水质、使用条件、热媒工况、维护管理等多项因素之影响,不可能做到完全自动脱垢。
任何产品均不能因此而忽略盘管维护检修之条件。
目前社会上一些浮动盘管型容积式换热器存在的一个通病是换热管束很难进行维护和抽出来检修,不符合GB50015-2003《建筑给水排水设计规范》4.4.13条之要求。
DFHRV导流浮动盘管型半容积式换热器在吸收浮动盘管作为换热器元件的基础上,就解决同类换热设备存在的问题,作了较深的研究改进。
它具有如下特点:1、方便浮动盘管的维护,盘管可在罐内亦可从罐体侧面抽出来检修或更换。
2、采用多行程螺旋的浮动管组,热媒分布均匀,流程长,消除了短路换热现象。
同时,本产品借用了RV-03.04导流的原理,在大直径的罐体内合理地设置了导流装置,进一步改善了换热工况,本产品样罐的主要热力性能参数经自测及国家一级热工测试单位——机电部华北工业锅炉测试中心的复测,汽水换热时:在蒸汽压力Pt=0.2~0.4MPa(温度为T1=126-152℃),被加热水t2=65℃,凝结水出水温度平均为T2=27℃的工况下,传热系数K=2000Kcal/m2.H.℃。
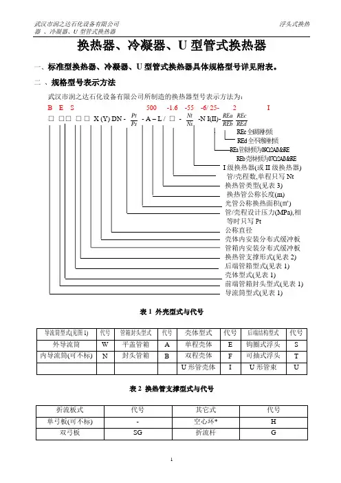
浮头式换热器 、冷凝器、U 型管式换热器换热器、冷凝器、U 型管式换热器一、标准型换热器、冷凝器、U 型管式换热器具体规格型号详见附表。
二 、规格型号表示方法武汉市润之达石化设备有限公司所制造的换热器型号表示方法为: B E S 500 -1.6 -55 -6/ 25- 2 I □ □□ □ □ X (Y) DN - Ps Pt - A – L / □ - Ns Nt -N I(II)-REb REa REdREcREc 全碳钢材质REd 全不锈钢材质REa 管束材质为09Cr2AlMoREREb 壳体材质为07Cr2AlMoRE I 级换热器(或II 级换热器)管/壳程数,单程只写Nt换热管类型(见表3) 换热管公称长度(m) 光管公称换热面积(㎡) 管/壳程设计压力(MPa),相等时只写P t公称直径 壳体内安装分布式缓冲板 管箱内安装分布式缓冲板 换热管支撑形式(见表2) 后端管箱型式(见表1) 壳体型式(见表1) 前端管箱封头型式(见表1) 导流筒型式(见表1)表1 外壳型式与代号表2 换热管支撑型式与代号浮头式换热器、重沸器注:标*的制造较复杂,在特殊场合使用。
表3 换热管类型标注示例:1、浮头式带管箱分布板,封头管箱DN600直径,管/壳程设计压力1.6Mpa,面积90㎡,管长6m,管径φ25光管,2管程、1壳程管材为09Cr2AlMoRE,标注为:BES(X)600-1.6-90-6/25-2REa2、浮头式螺旋折流板DN800直径,设计压力2.5Mpa,光管面积205㎡,管长6m,管径φ19缩放管,4管程管束材质09Cr2AlMoRE,壳体材质09Cr2AlMoRE,标注为:BES(X)LX800-2.5-205-6/19F-4Rea/b注:型号中可不加(X)Y,即不采用此结构,也可不加RE(a)b、c、d,即不采应规定的材质,但应注明详细材质要求。
三、安装尺寸安装尺寸按我公司所提供的详细安装尺寸图,用户选用后我公司当天即可提供。
武汉市润之达石化设备有限公司 浮头式换热器 、冷凝器、U 型管式换热器换热器、冷凝器、U 型管式换热器一、标准型换热器、冷凝器、U 型管式换热器具体规格型号详见附表。
二 、规格型号表示方法武汉市润之达石化设备有限公司所制造的换热器型号表示方法为: B E S 500 -1.6 -55 -6/ 25- 2 I □ □□ □ □ X (Y) DN - Ps Pt - A – L / □ - Ns Nt -N I(II)-REb REa REdREcREc 全碳钢材质REd 全不锈钢材质REa 管束材质为09Cr2AlMoREREb 壳体材质为07Cr2AlMoRE I 级换热器(或II 级换热器)管/壳程数,单程只写Nt 换热管类型(见表3) 换热管公称长度(m)光管公称换热面积(㎡) 管/壳程设计压力(MPa),相等时只写P t公称直径 壳体内安装分布式缓冲板 管箱内安装分布式缓冲板 换热管支撑形式(见表2) 后端管箱型式(见表1) 壳体型式(见表1) 前端管箱封头型式(见表1)导流筒型式(见表1)表1 外壳型式与代号表2 换热管支撑型式与代号武汉市润之达石化设备有限公司浮头式换热器、重沸器注:标*的制造较复杂,在特殊场合使用。
表3 换热管类型标注示例:1、浮头式带管箱分布板,封头管箱DN600直径,管/壳程设计压力1.6Mpa,面积90㎡,管长6m,管径φ25光管,2管程、1壳程管材为09Cr2AlMoRE,标注为:BES(X)600-1.6-90-6/25-2REa2、浮头式螺旋折流板DN800直径,设计压力2.5Mpa,光管面积205㎡,管长6m,管径φ19缩放管,4管程管束材质09Cr2AlMoRE,壳体材质09Cr2AlMoRE,标注为:BES(X)LX800-2.5-205-6/19F-4Rea/b注:型号中可不加(X)Y,即不采用此结构,也可不加RE(a)b、c、d,即不采应规定的材质,但应注明详细材质要求。
HRV型热交换器使用说明陕西新瑞冷暖机电设备制造有限公司使用操作说明一、安装要求:1.应保证换热器四周有500~600mm以上的空间距离。
2.换热器与配管连接应免受弯扭力、拉压力、振动力。
3.安装地基负荷充满介质后的设备总重为计算依据。
4.若工作介质流通系统中含有颗粒状、纤维状、固体晶体物质,应在换热器进口前方增加过滤装置,其网眼截面应<1mm。
5.根据整套机组尺寸进行合理安装,方便设备开启运行及关闭、维修等操作。
二、使用要求:1.应再次检查全螺栓螺母是否紧固。
2.开机最初1~2小时内,应严格控制介质压力、温度、缓慢开启,逐渐增加,压差<0.2Mpa。
切忌突然开车。
3.使用过程中,操作人员对工作压力、温度的急剧变化,要注意监视控制,使工作条件保持在允许的状态下。
4.设备热媒一侧正常使用压力范围0.2Mpa~0.6Mpa,温度最高不高于设备设计的温度。
被加热水一侧压力最低以使用楼层高度压力为低线,最高不高于低线0.2Mpa。
5.将电接点压力表按上列第4条被加热水最低及最高压力设定,不得经常变更。
6.将智能温控装置设定于满足使用要求的合理数值,如50℃。
三、使用注意事项:1.正常使用时,应先缓缓通入被加热一侧流体,并开启循环水泵进行系统循环;被加热一侧系统循环正常后,再缓慢的通入热媒侧流体,切记阀门开启度不可过大,够用就行。
2.正常停工时,应先缓缓的切断热媒侧流体,再缓缓的切断被加热一侧流体。
3.设备应在设计的工艺条件下工作,严禁超温超压运行。
四、操作说明:1.运行前检查各部件是否安装正确,安全阀是否正常。
2.开始运行时,首先打进水阀,关闭排污阀、出水阀。
3.打开旁通阀,开启水泵,待有水从旁通阀流出后,关闭旁通阀,打开出水阀、凝结水阀、进汽阀,设备进入正常运行。
五、维护及保养:该交换器具有一定的除垢功能,使用1~2年,根据当地水质不同,会产生一定量的水垢,可以根据具体情况,间隔一定时间段,在厂方技术人员的指导下,进行一次维修及保养。
武汉市润之达石化设备有限公司 浮头式换热器 、冷凝器、U 型管式换热器1换热器、冷凝器、U 型管式换热器一、标准型换热器、冷凝器、U 型管式换热器具体规格型号详见附表。
二 、规格型号表示方法武汉市润之达石化设备有限公司所制造的换热器型号表示方法为: B E S 500 -1.6 -55 -6/ 25- 2 I □ □□ □ □ X (Y) DN - Ps Pt - A – L / □ -Ns Nt -N I(II)-REb REa REdREcREc 全碳钢材质REd 全不锈钢材质REa 管束材质为09Cr2AlMoREREb 壳体材质为07Cr2AlMoRE I 级换热器(或II 级换热器)管/壳程数,单程只写Nt换热管类型(见表3) 换热管公称长度(m) 光管公称换热面积(㎡) 管/壳程设计压力(MPa),相等时只写P t公称直径 壳体内安装分布式缓冲板 管箱内安装分布式缓冲板 换热管支撑形式(见表2) 后端管箱型式(见表1) 壳体型式(见表1) 前端管箱封头型式(见表1) 导流筒型式(见表1)表1 外壳型式与代号表2 换热管支撑型式与代号武汉市润之达石化设备有限公司浮头式换热器、重沸器注:标*的制造较复杂,在特殊场合使用。
表3 换热管类型标注示例:1、浮头式带管箱分布板,封头管箱DN600直径,管/壳程设计压力1.6Mpa,面积90㎡,管长6m,管径φ25光管,2管程、1壳程管材为09Cr2AlMoRE,标注为:BES(X)600-1.6-90-6/25-2REa2、浮头式螺旋折流板DN800直径,设计压力2.5Mpa,光管面积205㎡,管长6m,管径φ19缩放管,4管程管束材质09Cr2AlMoRE,壳体材质09Cr2AlMoRE,标注为:BES(X)LX800-2.5-205-6/19F-4Rea/b注:型号中可不加(X)Y,即不采用此结构,也可不加RE(a)b、c、d,即不采应规定的材质,但应注明详细材质要求。
容积式换热器内部结构容积式换热器是一种用于热交换的设备,其内部结构包括壳体、管束和传热介质。
它广泛应用于工业生产和能源领域,用于加热、冷却、蒸发、冷凝等过程。
壳体是容积式换热器的外部结构,通常由金属制成,具有较强的耐压和耐腐蚀能力。
壳体内部有流体进出口,用于引入和排出传热介质。
壳体内还设有流体分隔板,用于分隔热交换过程中的不同流体,防止混合。
管束是容积式换热器的核心部件,由多根管子组成。
管子的材质可以是金属、陶瓷等,具有良好的导热性能。
管束通常呈现出复杂的形态,如平行、螺旋等,以增加传热面积。
传热介质通过管子流动,与管子外部的流体进行热交换。
传热介质是容积式换热器中的重要组成部分,可以是气体或液体。
传热介质在管束内流动,将热量从一个流体传递给另一个流体。
在传热过程中,传热介质的流速、温度和压力等参数会发生变化,需要进行准确的控制和调节。
容积式换热器的工作原理是通过传热介质在管束内外的流动,实现热量的传递。
当冷却介质进入换热器时,与管子外部的热源接触,吸收热量并升温。
而加热介质则通过管子流动,将热量传递给管子外部的冷却介质,使其降温。
通过这种方式,实现了热量的交换和能量的转移。
容积式换热器具有许多优点。
首先,它具有较大的传热面积,能够实现高效的传热效果。
其次,容积式换热器的结构紧凑,占用空间较小,方便安装和维护。
此外,容积式换热器还具有较高的可靠性和稳定性,能够适应不同工况的要求。
在使用容积式换热器时,需要注意一些问题。
首先,传热介质的流速和温度差对传热效果有较大影响,需要根据具体情况进行合理的选择和调整。
其次,容积式换热器的清洗和维护工作非常重要,可以采用化学清洗、机械清洗等方法,确保换热效果和设备的正常运行。
容积式换热器是一种重要的热交换设备,具有广泛的应用前景。
通过合理设计和选择,可以实现高效的热量传递和能量利用。
在今后的工程实践中,需要不断改进和完善容积式换热器的结构和性能,以满足不同领域的需求。
容积式换热器1、执行标准a、《钢制压力容器》GB150-2011、《管壳式换热器》GB151-2014。
b、施工图的设计相关要求。
2、技术要求一、一般要求a、在运送、储存和安装换热器的过程中,应采取正确的保护设施保护换热器。
b、为了正确运送及安装换热器,承包单位应供应所有必需的运送支架,吊架等设备。
c、产品适用的参数为:公称直径DN ≤2600mm;公称压力PN≤35MPa;且公称直径(mm)和公称压力(MPa)的乘积不大于1.75×104。
二、质量保证a换热器应由同一厂家整体装配生产,其中包括贮水容器、热交换组件、内循环水系统、温度控制及安全设备、外壳等。
b换热器的生产商必须具有生产及安装同类型及功能相约的设备,并能成功地运行不少于五年的经验和记录。
c每台换热器上应附有原厂的标志牌,标明厂家名称、设备编号、型号及有关之技术数据。
d按图纸或设备表所示,提供卧式或立式换热器。
e 换热器及热水管道可抵受的工作压力需不少于1000kpa。
f换热器之加热功率及容量须符合设备表上所述之要求。
g.每台换热器至少配备以下设备:1.适当口径的冷/热水出入水接驳口。
2.在出水管处提供温度计入压力表。
3.温度控制系统(含温度传感器、DDC控制器、比例控制阀)。
4.感温断路器。
5.内循环水系统(含内循环水泵)。
8.控制箱(含自动控制、故障保护及报警、本地/远程控制)。
三、贮水容器1、换热器之贮水缸须为不锈钢板焊制,水缸之整体采用AISI316材质,并满足设备参数所要求的有效容积。
不锈钢复合板及铸铁衬铜之材质均不接受。
2、换热器之工作压力须不小于1000 kpa,并配有保险泄压阀, 温度计,恒温控制系统,内循环水系统,排污阀,检查孔及适当口径之进水及循环水管道装接。
3、换热器之加热功率及容量须如设备表上之要求。
四、换热器热交换组件1、换热器需要装置一台浮动盘管式(考虑造价可以采用壳板式)热交换器,作为加热组件。
武汉市润之达石化设备有限公司 浮头式换热器 、冷凝器、U 型管式换热器1换热器、冷凝器、U 型管式换热器一、标准型换热器、冷凝器、U 型管式换热器具体规格型号详见附表。
二 、规格型号表示方法武汉市润之达石化设备有限公司所制造的换热器型号表示方法为: B E S 500 -1.6 -55 -6/ 25- 2 I □ □□ □ □ X (Y) DN - Ps Pt - A – L / □ -Ns Nt -N I(II)-REb REa REdREcREc 全碳钢材质REd 全不锈钢材质REa 管束材质为09Cr2AlMoREREb 壳体材质为07Cr2AlMoRE I 级换热器(或II 级换热器)管/壳程数,单程只写Nt换热管类型(见表3) 换热管公称长度(m) 光管公称换热面积(㎡) 管/壳程设计压力(MPa),相等时只写P t公称直径 壳体内安装分布式缓冲板 管箱内安装分布式缓冲板 换热管支撑形式(见表2) 后端管箱型式(见表1) 壳体型式(见表1) 前端管箱封头型式(见表1) 导流筒型式(见表1)表1 外壳型式与代号表2 换热管支撑型式与代号武汉市润之达石化设备有限公司浮头式换热器、重沸器注:标*的制造较复杂,在特殊场合使用。
表3 换热管类型标注示例:1、浮头式带管箱分布板,封头管箱DN600直径,管/壳程设计压力1.6Mpa,面积90㎡,管长6m,管径φ25光管,2管程、1壳程管材为09Cr2AlMoRE,标注为:BES(X)600-1.6-90-6/25-2REa2、浮头式螺旋折流板DN800直径,设计压力2.5Mpa,光管面积205㎡,管长6m,管径φ19缩放管,4管程管束材质09Cr2AlMoRE,壳体材质09Cr2AlMoRE,标注为:BES(X)LX800-2.5-205-6/19F-4Rea/b注:型号中可不加(X)Y,即不采用此结构,也可不加RE(a)b、c、d,即不采应规定的材质,但应注明详细材质要求。
容积式换热器温差1.引言1.1 概述容积式换热器是一种常见的热交换设备,用于在不同介质之间传递热量。
它的工作原理是利用两个相邻流体之间的温差,通过热传导和传热表面的增大来实现换热效果。
容积式换热器的设计和使用广泛应用于工业生产、能源利用和环境保护等领域。
容积式换热器的原理基于热传导定律和换热表面积的增大能力。
当两种介质之间存在温差时,热会由高温流体传向低温流体,以达到热平衡。
而容积式换热器通过增加换热表面积,可以增大换热效率,从而实现更高效的热交换。
容积式换热器的工作原理主要包括两个过程:传导和对流。
在传导过程中,热量从高温一侧传递到低温一侧,通过固体材料的传导导热。
而在对流过程中,流体与换热表面接触,通过流体的流动来增加换热表面积,提高换热效率。
容积式换热器相较于其他类型的换热器具有许多优点。
首先,它的换热效率高,能够实现较大的热交换面积,从而提高换热效果。
其次,容积式换热器结构简单、紧凑,占地面积少,适用于各类场合。
此外,容积式换热器的设计和制造成本相对较低,具有较高的经济性。
容积式换热器在工业生产和能源利用中有着广泛的应用前景。
它可以用于各种流体之间的热交换,包括液体、气体等。
在石油化工、食品加工、电力、制药等领域,容积式换热器的使用已经成为一种常见的技术手段。
随着科技的不断进步和环保意识的提高,容积式换热器将在节能减排、资源利用等方面发挥越来越重要的作用。
综上所述,容积式换热器是一种利用温差进行热量传递的设备,通过增大换热表面积实现高效的热交换。
它具有优良的换热效率、简单紧凑的结构和广泛的应用前景。
随着科技的发展和需求的增加,容积式换热器将在各个领域发挥更重要的作用。
1.2文章结构1.2 文章结构本文将按照以下结构进行阐述容积式换热器温差的相关内容:1.2.1 温差定义和意义在这一部分,我们将简要介绍温差的定义和在容积式换热器中的重要性。
温差是指在换热过程中两个物体或介质之间的温度差异,它在容积式换热器中被广泛应用并具有重要的工程意义。
容积式换热器的传热系数
【原创版】
目录
1.容积式换热器的概述
2.容积式换热器的传热系数的计算
3.容积式换热器的优点和应用范围
4.结论
正文
一、容积式换热器的概述
容积式换热器是一种广泛应用于工业和民用建筑的热水供应系统的换热设备。
它的主要特点是换热量大、热煤温降大、换热效果好、散热损失小、节能、冷水区小、容积利用率高、水头损失低,供水安全稳定,方便清垢,维修方便等。
容积式换热器有各种规格和型号,可以满足不同热水产量的需求。
二、容积式换热器的传热系数的计算
传热系数是衡量换热器传热效果的重要指标,它与换热器的结构、材料、工作条件等因素有关。
容积式换热器的传热系数一般通过实验测量或者计算得到。
在计算传热系数时,需要考虑管道的导热和管内外流体的对流,这三个因素共同构成了传热系数。
通过计算传热系数,可以优化换热器的设计和提高其传热效果。
三、容积式换热器的优点和应用范围
容积式换热器具有许多优点,例如:换热量大、热煤温降大、换热效果好、散热损失小、节能、冷水区小、容积利用率高、水头损失低,供水安全稳定,方便清垢,维修方便等。
因此,它广泛应用于一般工业及民用建筑的热水供应系统,如宾馆、酒店、住宅热水工程等。
四、结论
容积式换热器是一种具有优良性能和广泛应用的换热设备。
它的传热系数是衡量其传热效果的重要指标,可以通过实验测量或者计算得到。
容积式换热器和板式换热器的对比容积式换热器:容积式换热器是利用冷、热流体交替流经蓄热室中的蓄热体(填料)表面,从而进行热量交换的换热器,间壁容积式换热器的冷、热流体被固体间壁隔开,并通过间壁进行热量交换的换热器,因此又称表面式换热器。
优点:1)容积式换热器兼具换热、贮热功能。
有较大的贮热量,可以提前加热,将热水贮存在换热器内,热媒的小时耗热量可随加热时间的加长而减小其峰值。
2)容积式换热器适用于热水用量大,且用水不均匀的建筑物,如酒店的生活用水。
3)被加热水通过罐体阻力损失小。
4)结构简单、管理方便,可承受水压,噪低。
5)换热面积大,换热量高。
6)供水水压、水温稳定、安全、节水、用水舒适。
使用寿命长。
缺点:1)外形体积较大、换热效率相对较低。
2)壳程与壳程清洗不方便,维修困难。
3)渐热速度慢,不适用与间歇工作的用水场合,如职工浴室。
板式换热器(加储水罐):板式换热器是由一系列具有一定波纹形状的金属片叠装而成的一种新型高效换热器。
各种板片之间形成薄矩形通道,通过半片进行热量交换,通过与储水罐的循环实现贮热和消峰。
优点: 1)传热效率高,对数温差大,重量轻、占地面积小,清洗方便,而且容易改变换热面积或流程组合,适用于多重介质换热。
2).结构紧凑,体积小,特别适用于老厂改造,可充分利用原有设备,克服空间局限的场合,板式换热器和储水罐可灵活布置。
3)换热器板片间通道内流体运动激烈,且表面光滑,形成积垢较少,工作周期长,并便于使用化学方法清洗。
4)加热速度快,适用于间歇式工作的用水场合。
缺点: 1)换热器板片较薄,承压能力低;特别是对于波纹板片间形成接触点,互为支撑型的换热器,如果使用年代长,压紧尺寸超出安装要求尺寸后,易使接触点压成凹坑,最后形成穿孔,使板片报废。
2).板片之间的间距较窄,液膜较薄,蒸发速度快。
若为高温蒸汽与液体物料作为冷热介质进行换热,在物料突然断流情况下,容易发生蒸干焦化现象,加速板片间的密封垫圈损坏;焦化物质会造成板片间冷物料通道堵死,影响设备的使用,给生产造成损失。
容积式换热器和半容积式换热器案例以容积式换热器和半容积式换热器为题,列举以下案例:1. 容积式换热器在工业生产中的应用容积式换热器广泛应用于化工、石油、制药等行业。
例如,在石油加工过程中,容积式换热器用于石油的加热和冷却。
通过将石油和热媒介分别流过换热器的两侧,实现石油的加热或冷却,从而满足工业生产的需求。
2. 容积式换热器在核能领域的应用容积式换热器在核能领域也有重要的应用。
例如,在核电站中,容积式换热器用于冷却反应堆。
通过将冷却剂流过换热器的管道,吸收反应堆中产生的热量,实现冷却反应堆的目的。
3. 容积式换热器在汽车行业的应用容积式换热器在汽车行业中起到冷却发动机的作用。
例如,在汽车的散热系统中,容积式换热器被安装在发动机前部,通过冷却剂循环流动,吸收发动机产生的热量,保持发动机的正常工作温度。
4. 半容积式换热器在空调系统中的应用半容积式换热器在空调系统中被广泛使用。
例如,在中央空调系统中,半容积式换热器用于室内和室外空气的换热。
通过将室内和室外空气分别流过换热器的两侧,实现室内空气的制冷或加热,从而调节室内的温度。
5. 半容积式换热器在食品加工中的应用半容积式换热器在食品加工过程中起到加热或冷却的作用。
例如,在乳制品加工中,半容积式换热器用于将原料加热到一定温度,杀灭细菌并提高产品的质量和安全性。
6. 半容积式换热器在纺织行业中的应用半容积式换热器在纺织行业中被用于染色过程中的温度控制。
例如,在染色工艺中,半容积式换热器用于加热或冷却染料溶液,控制染色过程中的温度,以确保染色效果的质量和一致性。
7. 容积式换热器在化学反应中的应用容积式换热器在化学反应中起到控制反应温度的作用。
例如,在合成反应中,容积式换热器用于加热或冷却反应物,控制反应过程中的温度,以提高反应的效率和产量。
8. 容积式换热器在风电领域的应用容积式换热器在风电领域中被用于冷却风力涡轮机的润滑油。
通过循环冷却润滑油,保持风力涡轮机的正常运行温度,提高风力发电的效率和可靠性。