各种型号换热器说明
- 格式:doc
- 大小:23.50 KB
- 文档页数:2
十三种类型换热器结构原理及特点(图文并茂)一、板式换热器的构造原理、特点:板式换热器由高效传热波纹板片及框架组成。
板片由螺栓夹紧在固定压紧板及活动压紧板之间,在换热器内部就构成了许多流道,板与板之间用橡胶密封。
压紧板上有本设备与外部连接的接管。
板片用优质耐腐蚀金属薄板压制而成,四角冲有供介质进出的角孔,上下有挂孔。
人字形波纹能增加对流体的扰动,使流体在低速下能达到湍流状态,获得高的传热效果。
并采用特殊结构,保证两种流体介质不会串漏。
板式换热器结构图二、螺旋板式换热器的构造原理、特点:螺旋板式换热器是一种高效换热器设备,适用汽-汽、汽-液、液-液,对液传热。
它适用于化学、石油、溶剂、医药、食品、轻工、纺织、冶金、轧钢、焦化等行业。
结构形式可分为不可拆式(Ⅰ型)螺旋板式及可拆式(Ⅱ型、Ⅲ型)螺旋板式换热器。
螺旋板式换热器结构图三、列管式换热器的构造原理、特点:列管式换热器(又名列管式冷凝器),按材质分为碳钢列管式换热器,不锈钢列管式换热器和碳钢与不锈钢混合列管式换热器三种,按形式分为固定管板式、浮头式、U型管式换热器,按结构分为单管程、双管程和多管程,传热面积1~500m2,可根据用户需要定制。
列管式换热器结构图四、管壳式换热器的构造原理、特点:管壳式换热器是进行热交换操作的通用工艺设备。
广泛应用于化工、石油、石油化工、电力、轻工、冶金、原子能、造船、航空、供热等工业部门中。
特别是在石油炼制和化学加工装置中,占有极其重要的地位。
换热器的型式。
管壳式换热器结构图五、容积式换热器的构造原理、特点:钢衬铜热交换器比不锈钢热交换器经济,并且技术上有保证。
它利用了钢的强度和铜的耐腐蚀性,即保证热交换器能承受一定工作压力,又使热交换器出水质量好。
钢壳内衬铜的厚度一般为1.0mm。
钢衬铜热交换器必须防止在罐内形成部分真空,因此产品出厂时均设有防真空阀。
此阀除非定期检修是绝对不能取消的。
部分真空的形成原因可能是排出不当,低水位时从热交换器,或者排水系统不良。
目录一、设计任务 (2)二、概述与设计方案简介 (3)2.1 概述 (3)2.2设计方案简介 (3)2.2.1 换热器类型的选择 (3)2.2.2流径的选择 (5)2.2.3流速的选择 (5)2.2.4材质的选择 (6)2.2.5管程结构 (6)2.2.6 换热器流体相对流动形式 (6)三、工艺及设备设计计算 (6)3.1确定设计方案 (7)3.2确定物性数据 (7)3.3计算总传热系数 (7)3.4计算换热面积 (8)3.5工艺尺寸计算 (8)3.6换热器核算 (10)3.6.1传热面积校核 (10)3.6.2.换热器内压降的核算 (11)四、辅助设备的计算及选型 (12)4.1拉杆规格 (12)4.2接管 (12)五、换热器结果总汇表 (13)六、设计评述 (14)七、参考资料 (14)八、主要符号说明 (14)九、致谢 (15)一、设计任务二、概述与设计方案简介2.1 概述在工业生产中用于实现物料间热量传递的设备称为换热设备,即换热器。
换热器是化工、动力、食品及其他许多部门中广泛采用的一种通用设备。
换热器的种类很多,根据其热量传递的方法的不同,可以分为3种形式,即间壁式、直接接触式、蓄热式。
间壁式换热器又称表面式换热器或间接式换热器。
在这类换热器中,冷、热流体被固体壁面隔开,互不接触,热量从热流体穿过壁面传给冷流体。
该类换热器适用于冷、热流体不允许直接接触的场合。
间壁式换热器的应用广泛,形式繁多。
将在后面做重点介绍。
直接接触式换热器又称混合式换热器。
在此类换热器中,冷、热流体相互接触,相互混合传递热量。
该类换热器结构简单,传热效率高,适用于冷、热流体允许直接接触和混合的场合。
常见的设备有凉水塔、洗涤塔、文氏管及喷射冷凝器等。
蓄热式换热器又称回流式换热器或蓄热器。
此类换热器是借助于热容量较大的固体蓄热体,将热量由热流体传给冷流体。
当蓄热体与热流体接触时,从热流体处接受热量,蓄热体温度升高后,再与冷流体接触,将热量传给冷流体,蓄热体温度下降,从而达到换热的目的。
板式换热器使用说明书一、产品简介板式换热器是一种高效的换热设备,采用金属板通过特殊的工艺加工而成。
它主要通过板间热交换的方式,将两种流体进行热量传递,以实现能量的高效利用。
本产品广泛应用于化工、制药、石油、食品等行业的热交换工艺中。
二、产品特点1. 换热效率高:板式换热器采用平整的金属板材制成,具有大的传热面积,能够实现高效的传热效果。
2. 维护方便:板式换热器采用模块化设计,结构简单,清洗和维护方便。
3. 节能环保:板式换热器能够实现多种流体之间的有效换热,能够降低能耗,减少能源的浪费,符合节能环保要求。
4. 适用范围广:板式换热器能够适应不同工艺条件和介质要求,具有很好的适应性。
三、安装与使用1. 安装前准备:在安装前,请仔细检查板式换热器的包装是否完好,是否有损坏。
检查换热介质的流量和压力参数是否符合产品的使用要求。
2. 安装位置选择:根据使用场合的实际情况选择合适的安装位置。
确保换热器的进出口口法兰与管道连接的紧密,并采取相应的密封措施。
3. 连接管道:按照图纸要求连接进出口管道,并确保连接处无泄漏。
4. 进一步处理:根据实际使用需求,可以根据需要添加温度、压力传感器等附件设备。
5. 启动使用:在确认安装无误后,按照操作手册的要求启动板式换热器,并根据实际情况调节流量、温度等参数。
四、操作与维护1. 操作注意事项:- 在使用过程中,严禁将非换热介质泄漏或倒灌至换热器内部,以免影响换热效果。
- 定期检查换热器内部的结垢情况,如有需要及时清洗处理。
- 注意定期检查和维护换热器的密封件,如有老化或损坏应及时更换。
2. 维护保养:- 定期清洗换热器内部,清除污垢和沉积物,以保证换热效率。
- 检查换热器外部的散热管道是否有堵塞,如果有需要及时清理。
- 定期检查换热器的支撑和固定设施,确保其牢固可靠。
五、注意事项1. 请确保使用场合的环境温度和介质温度不超过换热器的额定工作温度。
2. 使用过程中请注意操作规范,避免撞击、损坏换热器设备。
文献代号200002597-4-ZH-CN安装手册简体中文出版方阿法拉伐技术有限公司邮箱74SE–226 55226 55 Lund, 瑞典电话总机:+46 46 36 65 00******************原说明为英文版© Alfa Laval AB 2023-09本文件及其内容受阿法拉伐公司(上市公司)或其任何附属公司(合称“阿法拉伐”)版权和其他知识产权的约束。
未经阿法拉伐事先明确书面许可,不得出于任何目的以任何形式或通过任何方式复制、转载或传输本文档的任何部分。
本文档中提供的信息和服务是向用户提供的权益和服务,对于这些信息和服务的准确性或适用性不作任何声明或保证。
保留所有权利。
EnglishUse the QR code, or visit /gphe-manuals, to download a local language version of the manual.ةيبرعلا،ليزنتلرادصإةغللاةيلحملاليلدلل/gphe-manuals مدختسازمرةباجتسالاةعيرسلاوأمقةرايزبбългарскиИзползвайте QR кода или посетете следния адрес/gphe-manuals, за да свалитеверсия на ръководството за употреба на Вашияезик.ČeskýPoužijte kód QR nebo navštivte / gphe-manualsa stáhněte si místní jazykovou verzi tohoto návodu.DanskBrug QR-koden, eller følg /gphe-manuals for at downloade en lokal sprogversion af manualen.DeutschVerwenden Sie den QR-Code oder besuchen Sie /gphe-manuals, um die lokale Sprachversion des Handbuchs herunterzuladen.ελληνικάΧρησιμοποιήστε τον κωδικό QR ή επισκεφτείτε τησελίδα /gphe-manuals, για νακατεβάσετε μια έκδοση του εγχειριδίου στην τοπικήσας γλώσσα.EspañolUtilice el código QR o visite /gphe-manuals para descargar una versión del manual en el idioma local.EestiKasutusjuhendi kohaliku keeleversiooni allalaadimiseks kasutage QR-koodi või külastage aadressi /gphe-manuals.SuomiKäytä QR-koodia tai avaa osoite / gphe-manuals, niin voit ladata käyttöohjeen paikallisella kielellä.FrançaisUtilisez le QR-code ou rendez-vous sur le site /gphe-manuals, pour télécharger une version du manuel dans la langue locale. HrvatskiUpotrijebite QR kod ili posjetite / gphe-manuals ako želite preuzeti verziju priručnika na lokalnom jeziku.MagyarHasználja a QR-kódot, vagy látogasson el a/gphe-manualswebhelyre akézikönyv helyi nyelvű változatának letöltéséhez. ItalianoUtilizzate il codice QR o visitate il sito/gphe-manuals per scaricare una versione del manuale nella lingua locale.日本語コード、または /gphe-manuals、現地語版のマニュアルをダウンロードすることができます。
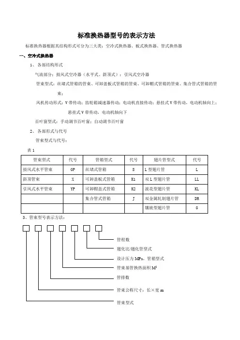
标准换热器型号的表示方法
标准换热器根据其结构形式可分为三大类:空冷式换热器、板式换热器、管式换热器
一、空冷式换热器
1、各部结构形式
气流部分:鼓风式空冷器(水平式、斜顶式);引风式空冷器
管束型式:丝堵式管箱的管束、可卸盖板式管箱的管束、可卸帽式管箱的管束、集合管式管箱的管束;
风机传动形式:V带传动;齿轮箱减速器传动;电动机直接传动;悬挂式V带传动,电动机轴向上;
悬挂式V带传动,电动机轴向下
百叶窗型式:手动调节百叶窗;自动调节百叶窗
2、各部形式与代号
管束型式与代号:
表1
3、管束型号表示方法:
4 、风机型号表示方法:
5、构架型号表示方法:
6、百叶窗型式表示方法:
7、空冷器型号的表示方法:
二、板式换热器:
1、常用的板片波纹形式代号:
表2
2、常用的框架形式代号:表3
3、板式换热器型号的表示方法:
三、管式换热器:
本表示方法适用于卧式和立式换热器。
管壳式换热器的名称构造一览表。
换热器型号
换热器的型号选择取决于应用的特定要求和条件。
以下是几种常见的换热器型号:
1. 壳管式换热器:是一种常见且广泛应用的热交换设备,通过将流体分别流过内外壳侧来完成换热。
2. 板式换热器:由密封的金属板组成,流体通过板之间的通道进行换热。
3. 管束式换热器:由多根管束组成,流体通过管束和壳侧进行换热。
4. 螺旋板式换热器:在螺旋形的板之间形成流体通道,通过旋转板来实现换热。
5. 气冷式换热器:通过使用气体冷却流体来实现换热的设备。
6. 换热器组合系统:通过组合不同类型的换热器,以满足更复杂的换热需求。
选择合适的换热器型号需要考虑流体的性质、温度和压力要求、换热效率、空间需求以及经济性等因素。
建议您在选型前咨询专业的换热器供应商或工程师,以获得最适合您应用的换热器型号。
武汉市润之达石化设备有限公司 浮头式换热器 、冷凝器、U 型管式换热器1换热器、冷凝器、U 型管式换热器一、标准型换热器、冷凝器、U 型管式换热器具体规格型号详见附表。
二 、规格型号表示方法武汉市润之达石化设备有限公司所制造的换热器型号表示方法为: B E S 500 -1.6 -55 -6/ 25- 2 I □ □□ □ □ X (Y) DN - Ps Pt - A – L / □ -Ns Nt -N I(II)-REb REa REdREcREc 全碳钢材质REd 全不锈钢材质REa 管束材质为09Cr2AlMoREREb 壳体材质为07Cr2AlMoRE I 级换热器(或II 级换热器)管/壳程数,单程只写Nt换热管类型(见表3) 换热管公称长度(m) 光管公称换热面积(㎡) 管/壳程设计压力(MPa),相等时只写P t公称直径 壳体内安装分布式缓冲板 管箱内安装分布式缓冲板 换热管支撑形式(见表2) 后端管箱型式(见表1) 壳体型式(见表1) 前端管箱封头型式(见表1) 导流筒型式(见表1)表1 外壳型式与代号表2 换热管支撑型式与代号武汉市润之达石化设备有限公司浮头式换热器、重沸器注:标*的制造较复杂,在特殊场合使用。
表3 换热管类型标注示例:1、浮头式带管箱分布板,封头管箱DN600直径,管/壳程设计压力1.6Mpa,面积90㎡,管长6m,管径φ25光管,2管程、1壳程管材为09Cr2AlMoRE,标注为:BES(X)600-1.6-90-6/25-2REa2、浮头式螺旋折流板DN800直径,设计压力2.5Mpa,光管面积205㎡,管长6m,管径φ19缩放管,4管程管束材质09Cr2AlMoRE,壳体材质09Cr2AlMoRE,标注为:BES(X)LX800-2.5-205-6/19F-4Rea/b注:型号中可不加(X)Y,即不采用此结构,也可不加RE(a)b、c、d,即不采应规定的材质,但应注明详细材质要求。
辽宁石油化工大学顺华能源学院毕业设计(论文)用纸BIU800密封水换热器设计摘要换热器是将热流体的部分热量传递给冷流体的设备,又称热交换器。
换热器的应用广泛,日常生活中取暖用的暖气散热片、汽轮机装置中的凝气器和航天火箭上的油冷却器等,都是换热器。
它还广泛应用于化工、石油、动力和原子能等工业部门。
它的主要功能是保证工艺过程对介质所要求的特定温度,同时也是提高能源利用率的主要设备之一。
本设计是关于U形管换热器的设计。
U 形管式换热器的优点是结构简单,价格便宜承压能力强等特点,并适用于高温、高压、腐蚀性大的场合。
在设计的整个过程中,严格按照GB150—2011《压力容器》和GB151—1999《管壳式换热器》等标准进行设计和计算以及对换热器的强度、刚度和稳定性的校核。
U形管换热器的主要结构包括管箱、筒体、封头、换热管、接管、折流板、防冲板和导流筒、防短路结构、支座及管壳程的其他附件等。
U形管换热器每根管子均弯成U形,流体进、出口分别安装在同一端的两侧,封头内用隔板分成八室,每根管子可自由伸缩,来解决热补偿问题。
关键词:设计,U形管换热器,结构特点辽宁石油化工大学顺华能源学院毕业设计(论文)用纸AbstractThermal fluid heat exchanger is the part of the heat transfer fluid to cool the equipment, also known as heat exchangers.Heat exchanger is widely used in daily life heating radiator heating, steam turbine plant in the Condenser and space rockets on the oil cooler, are heat exchangers. It is also widely used in chemical, petroleum, power and atomic energy and other industrial sectors. Its main function is to ensure that the required process to the media specific temperature, but also improve the energy efficiency of one of the main equipment.The design is about U--tube heat exchanger which is one structure of shell and U--tube heat exchanger. U-tube heat exchanger has the advantage of simple structure, low cost and pressurized ability and it applies to high—temperature, high –pressure, corrosive occasions.In the whole design process, strictly in accordance with the GB150-2011 "Steel Pressure Vessels" and GB151-1999 "shell and-tube heat exchanger system,” it design and calculate with the standard then strength, stiffness and stability of the heat exchanger are checked.U-tube heat exchanger main structure includes control box, cylinder, head, heat transfer tube, pipe, baffle, erosion control board and draft tube, anti-short-circuit structure, bearing and tube shell and other accessories . U-tube heat exchanger of each tube are bent U-shaped, fluid inlet and outlet were installed on the same side on both辽宁石油化工大学顺华能源学院毕业设计(论文)用纸sides, head in with a partition into two-bedroom and each tube is free to stretch, to solve the thermal compensation.Keywords: Design, U-tube heat exchanger, Structure characteristic辽宁石油化工大学顺华能源学院毕业设计(论文)用纸目录1 说明部分 (1)1.1 绪论 (1)1.1.1 换热器的概述 (2)1.1.2 换热器的分类及应用 (2)1.1.3 U形管换热器的介绍 (7)1.1.4 U形管换热器的机械设计步骤 (8)1.2 换热器结构形式的选择 (9)1.2.1 封头 (10)1.2.2 开孔补强设计 (11)1.2.3 法兰 (11)1.3 设备材料的选择 (12)1.4 设备之间的连接 (13)1.5 设备的制造 (14)1.6 设备的安装 (15)1.7 设备的检测 (16)1.8 设备的密封 (17)2 U形管换热器的结构设计 (19)2.1 筒体 (19)2.2 开孔与接管 (19)辽宁石油化工大学顺华能源学院毕业设计(论文)用纸2.3 换热管 (20)2.4 U形管 (20)2.5 折流板 (21)2.6 拉杆 (21)2.7 鞍座 (22)2.8 接管 (22)3 U形管换热器设计计算及强度校核 (23)3.1 筒体、封头的厚度计算及压力试验校核 (23)3.1.1 筒体厚度计算 (23)3.1.2 前端管箱筒体计算 (24)3.1.3 前端管箱封头计算 (25)3.1.4 后端壳体封头计算 (26)3.2 水压试验校核 (27)3.2.1 筒体及后端筒体封头的水压试验校核 (27)3.2.2 前端管箱及前端管箱封头的水压试验校核 (28)3.2.3 封头的最小厚度校核 (30)3.3 法兰和螺栓 (30)3.3.1 垫片的选择和计算 (31)3.3.2 螺栓的选择及强度校核 (31)3.3.3 法兰的选择 (34)辽宁石油化工大学顺华能源学院毕业设计(论文)用纸3.3.4 法兰的校核及应力计算 (34)3.4 开孔补强计算 (38)3.5 管板及换热管的选择计算 (41)3.5.1 换热管的选择计算 (41)3.5.2 管板厚度计算 (41)3.5.3 管子的校核 (43)谢辞 (47)参考文献 (48)辽宁石油化工大学顺华能源学院毕业设计(论文)用纸1 说明部分1.1 绪论化工厂常需在高温或低温下对介质进行处理,即需要对介质进行加热或冷却的单元操作。
板式换热器性能参数及选型手册
覆盖换热器:
换热器性能参数及选型
一、换热器的性能参数
1、膨胀性能
换热器具有良好的膨胀性能,膨胀及收缩系数较大,容易扩大换热器
的换热面积,以有效地提高换热效率。
2、换热系数
换热器具有良好的换热系数,能有效提高热交换的效率,以节省能源。
3、耐腐蚀性
换热器的表面具有良好的耐腐蚀性,可以有效防止腐蚀对换热器造成
的损坏。
4、密封性
换热器具有良好的密封性,能够有效地防止介质漏出,延长换热器的
使用寿命。
5、易维修性
换热器具有良好的易维修性,可以快速维修和清洗,以避免占用大量
的维修时间。
二、换热器的选型
1、传热系数
传热系数是换热器的重要指标,一般选择换热器的时候需要确定传热系数,以有效地提高换热效率。
2、换热器的参数及尺寸
一般选择换热器的时候需要确定换热器的参数和尺寸,以获得最佳运行效果。
3、结构类型
在选择换热器的时候,也需要考虑换热器的结构类型。
一般来说,换热器的结构类型可以分为盘式换热器、链式换热器、槽式换热器等几种。
需根据实际工况情况进行选择。
第七节换热器换热器是化工、石油、动力、食品及其它许多工业部门的通用设备,在生产中占有重要地位。
根据冷、热流体热量交换的原理和方式换热器基本上可分为三大类,即间壁式、混和式和蓄热式。
其中间壁式换热器应用最多,以下仅讨论此类换热器。
4-7-1 间壁式换热器的类型传统的间壁式换热器以夹套式和管式换热器为主,管式换热器结构不紧凑;单位换热容积所提供的传热面积小。
随着工业的发展,出现了一些高效紧凑的换热器,如板式和强化管式换热器。
一、管式换热器(一)蛇管换热器蛇管换热器分为两种,一种是沉浸式,另一种是喷淋式。
1.沉浸式蛇管换热器这种换热器是将金属管弯绕成各种与容器相适应的形状(如图4-35)并沉浸在容器内的液体中。
蛇管换热器的优点是结构简单,能承受高压,可用耐腐蚀材料制造;其缺点是容器内液体湍动程度低,管外对流传热系数小。
为提高总传热系数,容器内可安装搅拌器。
2.喷淋式蛇管换热器这种换热器是将换热管成排地固定在钢架上,如图4-36,热流体在管内流动,冷却水从上方喷淋装置均匀淋下,故也称喷淋式冷却器。
喷淋式换热器的管外是一层湍动程度较高的液膜,管外对流传热系数较沉浸式增大很多。
另外,这种换热器大多放置在空气流通之处,冷却水的蒸发亦可带走一部分热量,可起到降低冷却水温度、增大传热推动力的作用。
因此,和沉浸式相比,喷淋式换热器的传热效果大为改善。
(二)套管式换热器套管式换热器系用管件将两种尺寸不同的标准管连接成为同心圆的套管,然后用180°的回弯管将多段套管串联而成,如图4-37所示。
每一段套管称为一程,程数可根据传热要求而增减。
每程的有效长度为4~6m,若管子太长,管中间会向下弯曲,使环形中的流体分布不均匀。
图4-35 蛇管的形状图4-36 喷淋式换热器1―弯管2―循环泵3―控制阀图4-37 套管式换热器套管换热器结构简单,能承受高压,应用方便(可根据需要增减管段数目)。
特别是由于套管换热器同时具备总传热系数大、传热推动力大及能够承受高压强的优点,在超高压生产过程(例如操作压力为300MPa的高压聚乙烯生产过程)中所用的换热器几乎全部是套管式。
换热器型号1. 引言换热器是工业生产过程中常用的设备之一,用于传递热量,实现冷却或加热的作用。
在选择换热器时,型号的选择是一个关键因素。
本文将介绍换热器型号的主要分类和常见的型号选取方法。
2. 换热器型号的分类根据换热器的工作原理和结构特点,换热器的型号可以划分为以下几类:2.1 管壳式换热器管壳式换热器是一种常见的换热器类型,由壳体、管束和管板组成。
根据传热介质的流动方式,管壳式换热器可细分为平行流、逆流和交叉流三种类型。
2.2 板式换热器板式换热器是一种以金属板作为传热介质的换热装置,其结构紧凑、传热效率高,常用于液体之间的换热。
2.3 风冷式换热器风冷式换热器利用大气气流对传热介质进行冷却,结构简单、适用于没有水源的环境。
2.4 水冷式换热器水冷式换热器通过水的循环来实现热量的传递,常用于冷却要求较高的设备。
3. 常见的换热器型号选取方法在选择换热器型号时,需要综合考虑以下几个因素:3.1 传热效率换热器的传热效率是一个重要的指标,需要根据实际应用需求选择合适的型号。
传热效率越高,换热器的性能就越好。
3.2 流体压降流体压降是流体通过换热器时所产生的压力损失,需要根据系统的压力要求选择合适的型号。
通常情况下,流体压降越小,换热器的性能越好,但也要考虑设备的实际工作压力。
3.3 流量需求根据需要冷却或加热的流体流量来选择合适的型号,确保满足流量要求。
3.4 工作介质工作介质的性质会影响对换热器的选型。
不同的介质对换热器的材质要求不同,例如腐蚀性介质需要使用耐腐蚀材料制作的换热器。
3.5 安装空间根据实际的安装空间来选择合适的型号,确保换热器能够有效地安装在工程中。
4. 结论换热器的型号选择是确保换热器正常运行的关键因素。
根据实际需要,选择适合的换热器型号,可以提高系统的效率、降低能耗。
在选择过程中,需要综合考虑传热效率、流体压降、流量需求、工作介质和安装空间等因素,并根据实际情况进行合理的选取。
换热器型式代号的意义根据换热器前管箱、壳体、后端管箱类型,将换热器分为以下几种1单入单出和单入双出(双入单出)2 BES (单程壳程)单入单出走液相3 BJS (冷凝式壳体)双入单出气相冷凝变为液相。
RCBOS型号为折流杆式换热器,外导流筒结构。
此型号外导流折流杆式换热器属新型管壳式换热器的一种。
克服了传统管壳式换热器因装有折流板而存在的流体多向折流后流动阻力大,流动中易形成“死滞区”,很容易造成管子间的流体诱导振动的问题。
具体结构中图所示,在换热器的壳程内,沿管束的垂直方向,按定距设置4个金属环圈(又称折流圈),圈上焊有多根杆条(又称折流杆),杆的直径等于管子间的间隙量,把管子从多方向夹持。
折流圈都固定在支承杆上,组成整组折流杆结构。
由于采用折流杆以代替传统的折流板,其显著的优点是:在相同传热量的条件下,流体流过管束时,把横向流动基本上变成了轴向流动,消除了原有的传热“死滞区”,其压力降大大地减小,且不易结垢,特别是可十分有效地消除诱发振动。
已广泛地应用于[wiki]石油[/wiki][wiki]化工[/wiki]生产上。
RCBOS型号为折流杆式换热器,外导流筒结构这采用的是中石化集团洛阳石油化工工程公司的浮头式折流杆换热器标准为30T006-1999具体型号表示为:R:折流杆E(C):E为换热器,C为冷凝器B:封头管箱O:壳体为外导流筒结构S:钩圈式浮头DN-PN-F-L/dw-N(I,II)(l.b.d):按GB151规定,其中l.b.d分别为菱形管、波纹管、螺纹管。
这种外导流折流杆式换热器属新型管壳式换热器的一种。
克服了传统管壳式换热器因装有折流板而存在的流体多向折流后流动阻力大,流动中易形成“死滞区”,很容易造成管子间的流体诱导振动的问题。
(注:文档可能无法思考全面,请浏览后下载,供参考。
可复制、编制,期待你的好评与关注)。
前端管箱形式:A:平盖管箱;B:封头管箱;C:用于可拆管束与管板制成一体的管箱;N:与管板制成一体的固定管板管箱;D:特殊高压管箱;壳体形式:E:单程壳体;F:具有纵向隔板的双程壳体;G:分流;H:双分流;I:U形管式换热器;J:无隔板分流(或冷凝器壳体);K:斧式重沸器;O:外导流;后端结构型式:L:与A相似的固定管板结构;M:与B相似的固定管板结构;N:与C相似的固定管板结构;P:填料函式浮头;S:钩圈式浮头;T:可抽式浮头;U:U形管式;W:带套管填料函式浮头;管壳式换热器型号及标记管壳式换热器分为Ⅰ级和Ⅱ级。
Ⅰ级换热器采用较高级冷拔换热管,适用于无相变传热和易产生振动的场合;Ⅱ级换热器采用普通级冷拔换热管,适用于重沸、冷凝传热和无振动的一般场合。
换热器的型号按如下方式表示。
XXX DN——Pt/ Ps——A——LN/d——Nt/NsI(或Ⅱ)I级或Ⅱ级换热器管/壳程数,单壳程时只写NtLN—公称长度/m,d—换热管外径/mm公称换热面积/m2管/壳程设计压力/MPa,压力相等时只写Pt公称直径/m,对釜式重沸器为:管箱内直径/圆筒内直径第一个字母表示前端管箱形式第二个字母表示壳体形式见上表第三个字母表示后端结构形式换热器类型标记示例:平盖管箱,公称直径500mm,管程和壳程设计压力均为1.6MPa,公称换热面积54m2,较高级冷拔换热管,外径25mm、管长6m,4管程单壳程的浮头式换热器,标记为:AES 500—1.6—54—6/25——4I封头直径,公称直径700mm,管程设计压力2.5MPa。
壳程设计压力1.6MPa,公称换热面积200m2,较高级冷拔换热管,外径25mm、管长9m,4管程单壳程的固定管板式换热器,标记为:BEMB 700—2.5/1.6—200—9/25—4 I管堵材料的硬度应不超过管子材料的硬度,堵死的管子总数不得超过该管程总管数的10%。
各种型号换热器说明一各种型号换热器说明及优点1、BLL双螺旋波节管换热器,使被加热介质在管内成螺旋线流动形式,破坏管壁的介膜层,增加传热面的热传递。
它的传热机理与光管及其它形式的传热元件有明显不同。
l换热效果明显提高由于换热器采用了导热最优良的紫铜管制作,换热效果比其它管壳式热交换器相比,换热量提高了3~5倍。
在汽-水换热中,传热系数K值在4500~6500W/m2•℃之间,在水-水换热中,传热系数K值在3200~5000 W/m2•℃之间。
不易结垢由于对紫铜管的特殊加工,在工作过程中,紫铜管的热伸冷缩,使垢片碎裂脱落,预防了结垢现象。
安全性能高因传热管具有热补偿能力,在传热过程中固定性能优良,可减少应力的作用,因此,管板与管的胀接口处不易泄漏。
安装灵活方便该设备具有立式、卧式两种结构型式,能适应各种场合的使用,方便灵活。
这类换热器是按照GB150-1998、GB151-1999〈〈钢制压力容器〉〉和〈〈管壳式压力容器〉〉制造、检验和验收的,安全可靠、性能优良,是当今最优秀的换代产品。
2、SFP、LFP型浮动盘管热交换器半即热式换热器也是适应现代需要开发研制的一种新型换热器。
它是将加热水贮存在壳体内,热媒(蒸汽或高温水)在管束盘管内,它属于一种有限量注水的换热器,具有较少的注水量(可注水1-3分钟用水),却能迅速补充热量。
由于该换热器传热效率高,在换热器热媒进口必须安装温度调节器,以控制热媒和热水温度,尤其是热水供应系统,温度控制更为重要。
自动除垢换热器中螺旋盘管在热媒温度、压力变化和离心力作用下,以及被加热水流动力的冲动下,使盘管自由上下,左右浮动和高频振动,可使水垢不易粘附在管臂上,可自动脱落,实现自动除垢。
但在某些角落仍可能有部分水垢无法脱落,每半年应清垢一次,可利用热水冲击方法,具体如下:1)放净壳体内的水。
2)关闭进出水口。
3)打开进汽阀和冷凝水阀门排净管内存水,然后关闭冷凝水阀门,大约5-6分钟突然关闭进汽阀门,打开冷水阀门和底部排污阀门,使加热管突然冷却同时关掉脱落水垢,连续5-6次,即可全部排净。
板式换热器说明书篇一:板式换热器使用说明书_secret板式换热器使用说明书一、概况板式换热器是液—失情况下,其传热系数比管式换热器高3—5收率可高达90%以上。
板式换热器广泛应用于冶金、石油、化工、食品、制药、船舶、纺织、造纸等行业,是加热、冷却、热回收、快速灭菌等用途的优良设备。
二、结构及外形尺寸BR型系列产品,整机装配有普通式结构(不经常拆洗工况采用)和悬挂式结构(拆洗较频繁的工况采用)两种。
普通式结构由人字形波纹板片、密封垫、压紧板、上下定位螺栓、压紧螺栓等主要零件组成。
悬挂式结构由人字形波纹板片、密封垫、固定压紧板、中间板、活动压紧板、支架、上下定位横梁、压紧螺栓等主要零件组成。
三、技术参数及规格型号表示方法 1、技术参数2、规格型号表示方法:表示:人字形板式换热器,单板片换热面积0.2㎡,经过第一次改型,工作压力1.6Mpa,工作温度150℃,单机公称换热面积20㎡,流程组合形式 2×25 ,式中分子表示热介质,分母表示冷介质,2表示程数有2程,亦为折流次数,25表示每程有25条流道。
四、流程工作原理板式换热器由于板片波纹表面的特殊作用,使流体沿着狭窄弯曲的通道流动其速度的大小方向不断的改变,致使流体在不大的流速下(Rc=200时),激起了强烈端动,因而加快了流体边界层的破坏,强化了传热过程,有效地提高了传热能力。
并使其具有结构紧凑、金优点。
板和B板交替排列,板片间形成网状通道四个角孔形成分配管和汇合管,密封垫把冷热介质密封在换热器里,同时又合理的将冷热介质分开而不致混合。
在通道里面冷热流体间隔流动,可以逆流也可以顺流,在流动过程中冷热流体通过板壁进行热交换。
板式换热器的流程组合形式很多,都是采用不同的换向板片和不同组装来实现的,流程组合形式可分为单流程,多流程和汽液交换流程,混合流程形式。
要根据工艺条件来选择换热器的流程组合。
(图二)五、换热器安装1、板式换热器的两块压紧板上有4个吊耳,供起吊时用,吊绳不得挂在接管、定位横梁或板片上。
各种型号换热器说明
一各种型号换热器说明及优点
1、BLL双螺旋波节管换热器,使被加热介质在管内成螺旋线流动形式,破坏管壁的介膜层,增加传热面的热传递。
它的传热机理与光管及其它形式的传热元件有明显不同。
l换热效果明显提高由于换热器采用了导热最优良的紫铜管制作,换热效果比其它管壳式热交换器相比,换热量提高了3~5倍。
在汽-水换热中,传热系数K值在4500~6500W/m2•℃之间,在水-水换热中,传热系数K值在3200~5000 W/m2•℃之间。
不易结垢
由于对紫铜管的特殊加工,在工作过程中,紫铜管的热伸冷缩,使垢片碎裂脱落,预防了结垢现象。
安全性能高
因传热管具有热补偿能力,在传热过程中固定性能优良,可减少应力的作用,因此,管板与管的胀接口处不易泄漏。
安装灵活方便
该设备具有立式、卧式两种结构型式,能适应各种场合的使用,方便灵活。
这类换热器是按照GB150-1998、GB151-1999〈〈钢制压力容器〉〉和〈〈管壳式压力容器〉〉制造、检验和验收的,安全可靠、性能优良,是当今最优秀的换代产品。
2、SFP、LFP型浮动盘管热交换器半即热式换热器也是适应现代需要开发研制的一种新型换热器。
它是将加热水贮存在壳体内,热媒(蒸汽或高温水)在管束盘管内,它属于一种有限量注水的换热器,具有较少的注水量(可注水1-3分钟用水),却能迅速补充热量。
由于该换热器传热效率高,在换热器热媒进口必须安装温度调节器,以控制热媒和热水温度,尤其是热水供应系统,温度控制更为重要。
自动除垢
换热器中螺旋盘管在热媒温度、压力变化和离心力作用下,以及被加热水流动力的冲动下,使盘管自由上下,左右浮动和高频振动,可使水垢不易粘附在管臂上,可自动脱落,实现自动除垢。
但在某些角落仍可能有部分水垢无法脱落,每半年应清垢一次,可利用热水冲击方法,具体如下:1)放净壳体内的水。
2)关闭进出水口。
3)打开进汽阀和冷凝水阀门排净管内存水,然后关闭冷凝水阀门,大约5-6分钟突然关闭进汽阀门,打开冷水阀门和底部排污阀门,使加热管突然冷却同时关掉脱落水垢,连续5-6次,即可全部排净。
节能效果显著,由于热媒在管内,被加热水在壳体内,因而壳体表面温度低,散热损失少,节约能源,尤其是汽-水换热时,冷凝水温度低,具有较大的节能效益,并减少环境污染。
3、BBR(BR)板式换热器的结构比较简单,它是由板片、密封垫片、固定压紧板等零部件组成,其中板片采用进口不锈钢板,密封垫片采用中美合资生产的派克垫。
其主要技术指标均达到国内先进水平,且在许多方面与国外同类产品相当。
传热系数高
板式换热器不存在旁通,板片波纹能使流体在较小的流速下产生湍流,所以具有较高的传热系数,一般为3000~7000W/㎡•℃,同时湍流又具有自净效应能够防止污垢的形成。
占地面积小
板式换热器结构紧凑,在传热量相当的条件下,所占空间仅为管壳式换热器的1/2~1/3。
阻力损失小
在相同的传热系数条件下,板式换热器通过合理的选择流速,阻力损失可控制在管壳式换热器的1/3范围内。
热损失小
因结构紧凑和体积小,换热器的外表面积很小,因而热损失也小。
在相同传热量的前提下,由于以上优点,使得设备投资、基建投资、动力消耗等费用大大降低,特别是当需要采用昂贵的材料时,由于效率高和板材薄,设备更经济。
二、换热器的设计及计算
1、性能参数计算值:
1)加热蒸汽一般按饱和蒸汽0.4MPa表压进行计算。
2)被加热水是按常规采暖用70~95℃和空调用50~60℃,以及生活用水5~60℃进行计算。
3)传热K值的计算是按管内水流速不低于0.5m/s计算的值,推荐选流速为1-1.5m/s时传热系数K值也相应增大。
2、热力计算公式:
传热公式
Q=K•△T•F
式中Q表示传热总量MW/kcal/h
K表示传热系数W/㎡•℃
△T表示对数温度差℃
1)式中T1表示热媒进口温度℃
式中T2表示热媒出口温度℃
式中t1表示被加热介质进口温度℃
式中t2表示被加热介质出口温度℃
2)传热系数K值的计算是按热工测试报告的总传热量Q/△T•F计算的准确值(热工测试中的管内流速一般不超过0.8m/s)
计算出K值、在汽~水交换中当蒸汽温度为131℃时,被加热水为18~60℃时的值,传热系数K﹥3500kcal/㎡h℃即4100W/㎡℃
在水-水换热中的K﹥2800kcal/㎡h℃即3300 W/㎡℃
3)管程压力降的计算
△P=(△Pt+△Pr)×1.1
式中△P表示管程总压降
△Pt表示管程压降
△Pr表示管箱部分压降
1.1表示强制传热阻力系数
式中N表示管程数
G表示管内重量流速(N/㎡h)
r表示热水重度(N/m3)
g表示重力加速度(g=1.27×108)(m/h2)
di表示内径(m)
L表示管长度(m)
3)管箱压力降△Pr=4G2N/2gr
三、水泵的选型、配置及其它
本套供暖机组中,除了换热器的要求严格外,循环水泵、补水泵的选用也极其重要。
在供暖机组的设计、安装过程中,工程师根据客户的实际情况,不仅使水泵的扬程、流量、电机功率、汽蚀余量等诸多方面因素。