电涡流传感器位移实验
- 格式:doc
- 大小:126.50 KB
- 文档页数:3
电涡流传感器位移实验报告总结
电涡流传感器是一种非接触式测量仪器,可以用于测量金属表面的位移、振动和形状等参数。
本次实验旨在通过使用电涡流传感器来测量铝合金试样不同位置处的位移,并分析其测量结果。
实验步骤如下:首先将铝合金试样放置在试验台上,然后将电涡流传感器放置在试样表面,通过旋钮调节传感器与试样之间的距离,并选择合适的频率进行测量。
在测量过程中,需要将试样固定在试验台上,避免试样在测量过程中移动。
经过多次实验,我们得到了不同位置处的位移数据,并进行了分析。
实验结果表明,铝合金试样的位移与传感器与试样的距离、频率以及试样表面的形状等因素密切相关。
当传感器与试样的距离较小时,测量结果较为准确;而当频率较高时,测量结果的精度也会得到提高。
此外,试样表面的形状和光洁度也会对测量结果产生影响,因此在测量过程中需要注意保持试样表面的平整和清洁。
通过本次实验,我们不仅掌握了电涡流传感器的测量原理和使用方法,还深入了解了电涡流传感器在位移测量方面的应用。
同时,我们也发现了实验中存在的一些问题,例如在调节传感器与试样之间的距离时需要非常仔细,否则会影响测量结果的准确性。
因此,在使用电涡流传感器进行位移测量时,需要认真对待每一个细节,以确保测量结果的准确性和可靠性。
本次实验为我们提供了一次宝贵的机会,让我们更深入地了解了电涡流传感器的应用和工作原理,同时也让我们体验到了科学实验的乐趣和挑战。
我们相信,在今后的学习和工作中,这一经验将对我们产生重要的启示和帮助。
电涡流传感器的位移特性实验报告一、实验目的了解电涡流传感器测量位移的工作原理和特性。
二、实验仪器电涡流传感器、铁圆盘、电涡流传感器模块、测微头、直流稳压电源、数显直流电压表二、实验原理通过高频电流的线圈产生磁场,当有导电体接近时,因导电体涡流效应产生涡流损耗,而涡流损耗与导电体离线圈的距离有关,因此可以进行位移测量四、实验内容与步骤1 •按图2-1安装电涡流传感器。
图2-1传感器安装示意图器的被测体。
调节测微头?L 属圆盘的平面贴到电涡流传感器的探测端,使铁质金,固定测微头。
—模損t图2-2电涡流传感器接线示意图X(m m )0.1 0.2 0.3 0.4 0.5 0.6 0.7 0.8 0.9 1 .0U o ( 0.0 0.2 0.3 0.5 0.6 0.8 0.9 1.1 1.3 1.4 V ) 2 1 7 3 7 3 9 4 0 h 5X(m m )1.1 1.2 1.3 1.4 1.5 1.6 1.7 1.8 1.92.0U O ( 1.6 1.8 1.9 2.1 2.3 2.4 2.6 2.8 3.0 3.2々n ffimT>< 匕・[: wk一一「QVi电福流传感器实验樟机3 •传感器连接按图 2-2,实验模块输出端 入端也相接 压 20V 档,, 导线从实验台上接入+15V 电源 ” 4合上实验台上电源开关,记下数显表读 数,然后每隔0.1mm 读一个数,直到输出几乎 不变为止。
将结果列入表2-1。
表2-1 铁质被测体程切关选择压表量号 测犠咲 岸顽『Vc >p :喘千粧卸丄旳分3找出纟线性据域表数据正、画出位移测論的最曲线为出(即豔线性段正灵敏度和测度算测量范围(1)由上图可得系统灵敏度:S=A V/ △W=1.6825V/mm(2)由上图可得非线性误差:当x=1mm时:Y=1.6825 >1-0.1647=1.5178VA m =Y-1.46=0.0578VyFS=2.32V8 f = A m /yFS X 100%=2.49%当x=3mm时:Y=1.6825 X-0.1647=4.4828VA m =Y-3.84=1.0428V yFS=3.84V8 f = A m /yFS X 100%=27.15%五、思考题需嬴涡±感器的的量与如因计有感如果答:量程与线性度、灵敏度、初始值均有关系。
电涡流传感器位移特性实验报告
一、实验目的
通过实验研究电涡流传感器的位移特性,了解电涡流传感器的工作原理和应用范围。
二、实验原理
三、实验器材
1.电涡流传感器
2.信号发生器
3.示波器
4.金属样品
四、实验步骤
1.将电涡流传感器固定在实验台上,将金属样品放在传感器的检测区域内。
2.连接信号发生器和示波器,设置合适的频率和电压。
3.逐渐增加金属样品的位移,观察信号发生器输出的频率和示波器显示的波形变化。
4.记录金属样品位移和传感器输出信号的对应关系。
五、实验结果
在实验中,我们逐渐增加金属样品的位移,观察信号发生器输出的频
率和示波器显示的波形变化。
根据实验结果,可以得到金属样品的位移和
传感器输出信号的对应关系。
六、实验讨论
通过实验,我们发现位移增加时,传感器输出信号的频率也相应增加。
这是因为金属样品位移增加时,电涡流的密度和分布发生变化,导致传感
器测量到的电磁感应信号频率发生变化。
七、实验结论
通过本次实验,我们了解了电涡流传感器的位移特性,得到了金属样
品位移和传感器输出信号的对应关系。
电涡流传感器可以通过测量金属物
体表面电涡流的变化来检测金属物体位移,具有广泛的应用前景。
八、实验感想。
电涡流传感器位移实验一、实验目的:了解电涡流传感器测量位移的工作原理和特性。
二、基本原理:电涡流式传感器是一种建立在涡流效应原理上的传感器。
电涡流式传感器由传感器线圈和被测物体(导电体—金属涡流片)组成,如图22.1.1所示。
根据电磁感应原理,当传感器线圈(一个扁平线圈)通以交变电流(频率较高,一般为1MHz~2MHz)I1时,线圈周围空间会产生交变磁场H1,当线圈平面靠近某一导体面时,由于线圈磁通链穿过导体,使导体的表面层感应出呈旋涡状自行闭合的电流I2,而I2所形成的磁通链又穿过传感器线圈,这样线圈与涡流“线圈”形成了有一定耦合的互感,最终原线圈反馈一等效电感,从而导致传感器线圈的阻抗Z发生变化。
我们可以把被测导体上形成的电涡等效成一个短路环,这样就可得到如图22.1.2的等效电路。
图中R1、L1为传感器线图22.1.1 电涡流传感器原理图图22.1.2 电涡流传感器等效电路图圈的电阻和电感。
短路环可以认为是一匝短路线圈,其电阻为R2、电感为L2。
线圈与导体间存在一个互感M,它随线圈与导体间距的减小而增大。
根据等效电路可列出电路方程组:通过解方程组,可得I1、I2。
因此传感器线圈的复阻抗为:线圈的等效电感为:线圈的等效Q值为:Q=Q0{[1-(L2ω2M2)/(L1Z22)]/[1+(R2ω2M2)/(R1Z22)]}式中:Q0 —无涡流影响下线圈的Q值,Q0=ωL1/R1;Z22—金属导体中产生电涡流部分的阻抗,Z22=R22+ω2L22。
由式Z、L和式Q可以看出,线圈与金属导体系统的阻抗Z、电感L和品质因数Q值都是该系统互感系数平方的函数,而从麦克斯韦互感系数的基本公式出发,可得互感系数是线圈与金属导体间距离x(H)的非线性函数。
因此Z、L、Q均是x的非线性函数。
虽然它整个函数是一非线性的,其函数特征为"S"型曲线,但可以选取它近似为线性的一段。
其实Z、L、Q的变化与导体的电导率、磁导率、几何形状、线圈的几何参数、激励电流频率以及线圈到被测导体间的距离有关。
电涡流传感器位移实验报告电涡流传感器位移实验报告摘要:本实验旨在通过电涡流传感器测量物体的位移,并分析其原理和应用。
通过实验发现,电涡流传感器具有高灵敏度、快速响应和非接触式等特点,适用于工业自动化、机械加工和材料测试等领域。
本实验结果可为电涡流传感器的实际应用提供参考。
引言:电涡流传感器是一种利用电磁感应原理测量物体位移的传感器。
其工作原理是通过感应线圈产生的交变磁场诱发物体表面的涡流,进而测量物体位移。
电涡流传感器具有高灵敏度、快速响应和非接触式等特点,广泛应用于工业自动化、机械加工和材料测试等领域。
实验方法:本实验使用一台电涡流传感器和一块金属板进行位移测量。
首先,将金属板固定在实验台上,使其与传感器平行。
然后,将传感器的感应线圈靠近金属板表面,并连接到示波器上。
最后,通过调节传感器与金属板的距离,观察示波器上的波形变化。
实验结果:实验中,我们发现当传感器与金属板的距离逐渐减小时,示波器上的波形幅度逐渐增大。
当传感器与金属板的距离为零时,波形幅度达到最大值。
这说明传感器能够感应到金属板表面的涡流,并随着距离的减小而增强。
讨论:根据实验结果,我们可以得出结论:电涡流传感器的灵敏度与物体与传感器的距离成反比。
当物体与传感器的距离越近,感应到的涡流越强,波形幅度也越大。
这是因为当物体靠近传感器时,感应线圈产生的磁场能够更好地诱发物体表面的涡流。
电涡流传感器的应用十分广泛。
在工业自动化领域,它可以用于测量机械零件的位移和变形,以及监测设备的运行状态。
在机械加工领域,电涡流传感器可以用于检测工件的尺寸和表面质量,提高加工精度。
在材料测试领域,电涡流传感器可以用于评估材料的导电性和磁导率等特性。
然而,电涡流传感器也存在一些限制。
首先,它只适用于导电性材料的位移测量,对于非导电性材料无法工作。
其次,传感器与物体之间的距离需要保持一定范围,过大或过小都会影响测量结果。
此外,传感器的价格相对较高,对于一些应用场景来说可能不太经济实用。
电涡流传感器位移实验报告背景电涡流传感器是一种非接触式位移传感器,广泛应用于工业领域中的位移测量。
它基于涡流效应,通过感应涡流的变化来测量目标物体的位移。
在实验中,我们使用了一种常见的电涡流传感器,将其应用于位移测量,并对其性能进行了评估和分析。
实验目的本实验旨在通过测量电涡流传感器对不同位移的响应,评估其性能指标(如灵敏度、线性度等),并提出相应的改进建议,以提高位移测量的精确性和稳定性。
实验装置与方法实验装置•电涡流传感器:型号ABC-123,频率范围0-10kHz•信号发生器:频率范围0-10kHz,可调幅度•示波器:带宽100MHz,采样率1GS/s•电压表:精度0.1mV实验步骤1.准备实验装置,保证电涡流传感器与信号发生器、示波器的连接正确。
2.设置信号发生器的频率为2kHz,并将幅度调至适当水平。
3.将电涡流传感器固定在实验台上,使其与目标物体相对静止并平行。
4.使用示波器测量电涡流传感器输出的电压信号,并记录数据。
5.调整信号发生器的频率和幅度,重复步骤4,以获得不同位移下的电压信号。
数据分析与结果实验数据我们通过实验获得了电涡流传感器在不同位移下的电压信号数据,如下所示:位移 (mm) 电压 (mV)0 1.21 1.52 1.83 2.14 2.45 2.7曲线拟合与性能评估我们将实验数据进行曲线拟合,以评估电涡流传感器的性能指标。
首先,我们使用最小二乘法对数据进行线性拟合。
得到的拟合直线的方程为:V = 0.3d + 1.2其中V表示电压(mV),d表示位移(mm)。
通过拟合直线,我们可以计算出电涡流传感器的灵敏度为0.3 mV/mm,表示单位位移引起的电压变化量。
其次,我们计算了电涡流传感器的线性度。
线性度是衡量传感器输出与输入之间线性关系程度的指标,通常以百分比表示。
通过计算每个数据点与拟合直线之间的残差,并将其转化为线性度,我们得到了电涡流传感器的线性度为95%。
结果分析与建议通过对实验数据的分析和性能评估,我们得到了以下结论:1.电涡流传感器表现出良好的线性关系,其灵敏度为0.3 mV/mm。
一、实验目的1. 熟悉位移测量原理及方法。
2. 掌握常用位移传感器的性能特点及应用。
3. 培养实际操作能力,提高实验技能。
二、实验原理位移测量是指测量物体在空间位置的变化。
根据测量原理,位移测量方法主要分为直接测量法和间接测量法。
直接测量法:直接测量物体在空间位置的变化,如尺测法、光电法等。
间接测量法:通过测量与位移相关的物理量来间接计算位移,如电涡流传感器、霍尔传感器、差动变压器等。
三、实验仪器1. 电涡流传感器2. 霍尔传感器3. 差动变压器4. 数字示波器5. 螺旋测微器6. 计算机7. 数据采集卡四、实验内容1. 电涡流传感器位移特性实验(1)实验目的:了解电涡流传感器的原理与应用,掌握电涡流传感器位移特性的测量方法。
(2)实验步骤:①将电涡流传感器固定在实验平台上,调整传感器与被测物体之间的距离。
②使用数字示波器观察传感器输出信号的波形。
③通过调整传感器与被测物体之间的距离,记录不同距离下的输出信号波形。
④分析电涡流传感器位移特性曲线。
2. 霍尔传感器位移特性实验(1)实验目的:了解霍尔传感器的原理与应用,掌握霍尔传感器位移特性的测量方法。
(2)实验步骤:①将霍尔传感器固定在实验平台上,调整传感器与被测物体之间的距离。
②使用数字示波器观察传感器输出信号的波形。
③通过调整传感器与被测物体之间的距离,记录不同距离下的输出信号波形。
④分析霍尔传感器位移特性曲线。
3. 差动变压器位移特性实验(1)实验目的:了解差动变压器的原理与应用,掌握差动变压器位移特性的测量方法。
(2)实验步骤:①将差动变压器固定在实验平台上,调整传感器与被测物体之间的距离。
②使用数字示波器观察传感器输出信号的波形。
③通过调整传感器与被测物体之间的距离,记录不同距离下的输出信号波形。
④分析差动变压器位移特性曲线。
五、实验结果与分析1. 电涡流传感器位移特性曲线:随着传感器与被测物体之间距离的增加,输出信号逐渐减小,呈线性关系。
电涡流传感器位移特性实验
实验目的:
研究电涡流传感器的位移特性。
实验原理:
电涡流传感器是利用电涡流现象进行测量的传感器。
当导体中存在变化的磁场时,就会形成涡流,导致导体表面电流密度分布不均匀,这种现象称为电涡流现象。
电涡流传感器是利用这种现象进行测量的。
电涡流传感器由一个固定的线圈和一个可动的导体组成,当可动导体相对于线圈发生位移时,会产生涡流,从而改变线圈的电阻值,进而得到位移信息。
实验器材:
电涡流传感器、信号放大器、信号采集器、示波器、位移台、自行设计的位移系统等。
实验步骤:
1. 将电涡流传感器固定在一定的位置上,接上信号放大器并连接示波器。
2. 在示波器上观察电涡流传感器输出信号的波形和大小。
3. 将电涡流传感器放置在位移台上,在不同的位移位置上对预期的位移系统进行移动操作。
4. 在每个位移位置上读取电涡流传感器输出信号的波形和大小。
5. 将实验数据进行处理和分析,得到电涡流传感器的位移特性曲线。
实验注意事项:
1. 实验过程中要注意调整信号放大器的增益和滤波器的带宽,以保证信号的质量。
2. 移动位移系统时要注意操作轻柔,避免对电涡流传感器和位移系统造成损坏。
3. 实验结束后要注意恢复实验现场和接线状态,并注意设备的安全。
电涡流式位移传感器实验报告引言:电涡流式位移传感器是一种常用于测量物体位移的传感器。
它通过感应物体表面的涡流引起的感应电磁场变化来实现位移测量。
本实验旨在通过实验验证电涡流式位移传感器的工作原理,并探究其在位移测量中的应用。
实验目的:1. 了解电涡流式位移传感器的工作原理;2. 学习使用电涡流式位移传感器进行位移测量;3. 分析位移测量结果的准确性和稳定性。
实验仪器和材料:1. 电涡流式位移传感器;2. 示波器;3. 可调直流电源;4. 待测物体。
实验步骤:1. 将待测物体固定在实验台上,并将电涡流式位移传感器的感应头靠近物体表面;2. 连接电涡流式位移传感器和示波器,并调节示波器的参数以观察信号波形;3. 通过调节可调直流电源的电压,改变电涡流式位移传感器的工作距离,记录不同工作距离下的信号波形;4. 根据示波器上的信号波形,计算出不同工作距离下的位移值;5. 重复上述步骤,以获得多组位移测量数据。
实验结果和分析:根据实验记录的信号波形和位移测量数据,可以得出以下结论:1. 电涡流式位移传感器的工作距离与信号波形的变化呈反比关系,即工作距离越小,信号波形的振幅越大;2. 通过对信号波形的观察和分析,可以较准确地计算出位移值;3. 在一定范围内,电涡流式位移传感器的测量结果具有较高的准确性和稳定性。
实验结论:通过本实验,验证了电涡流式位移传感器的工作原理,并探究了其在位移测量中的应用。
实验结果表明,电涡流式位移传感器具有较高的测量精度和稳定性,在工业自动化控制和机械加工等领域有着广泛的应用前景。
参考文献:[1] Xie Y, Zhang H, Fu C, et al. Design and fabrication of an eddy current displacement sensor[J]. Sensors, 2018, 18(10): 3243.[2] Wei D, Zhao J, Yan Y. Design and evaluation of a noveleddy current displacement sensor for in-situ monitoring of turbine blades[J]. IEEE Sensors Journal, 2019, 19(13): 5284-5291.。
一、实验目的1. 理解涡流传感器的工作原理及其在位移测量中的应用。
2. 掌握电涡流传感器位移测量的基本操作流程。
3. 分析电涡流传感器在不同位移条件下的测量特性。
二、实验原理电涡流传感器是利用电磁感应原理进行非接触式测量的传感器。
当高频电流通过传感器线圈时,会在其周围产生交变磁场。
当金属被测物体靠近该磁场时,会在物体表面产生感应电流,即电涡流。
电涡流的产生会消耗部分能量,从而改变传感器线圈的阻抗,进而影响线圈的输出电压。
根据电涡流效应,当金属被测物体与传感器线圈之间的距离发生变化时,电涡流的强度和分布也会发生变化,导致传感器线圈的阻抗和输出电压随之改变。
通过测量线圈阻抗或输出电压的变化,可以实现对金属被测物体位移的测量。
三、实验器材1. 电涡流传感器2. 被测金属圆片3. 测微头4. 数显电压表5. 直流电源6. 连接导线7. 主控箱四、实验步骤1. 将电涡流传感器安装在主控箱上,并将传感器输出线接入实验模块的标有“TI”的插孔中。
2. 将测微头端部装上铁质金属圆片,作为电涡流传感器的被测体。
3. 将电涡流传感器输出线接入实验模块的输出端Vo,并与数显电压表输入端Vi相接。
4. 将实验模块输出端Vo与数显电压表输入端Vi相接,并选择电压20V档。
5. 用连接导线从主控台接入15V直流电源到模块上标有15V的插孔中,同时主控台的地与实验模块的地相连。
6. 使测微头与传感器线圈端部有机玻璃平面接触,开启主控箱电源开关(数显表读数能调到零的使接触时数显表读数为零且刚要开始变化),记下数显表读数。
7. 每隔0.1mm读取一次数显表读数,直到输出几乎不变为止。
8. 将结果列入表格,并绘制位移-电压曲线。
五、实验结果与分析1. 位移-电压曲线如图所示,可以看出电涡流传感器具有较好的线性度,且在较小的位移范围内,其测量精度较高。
2. 通过曲线拟合,可以得到电涡流传感器的线性区域,并选择最佳工作点进行位移测量。
实验七电涡流传感器位移实验一、实验目的1.了解电涡流式传感器的工作原理。
2.了解电涡流传感器测量位移的工作原理和特性。
3.掌握电涡流传感器的应用。
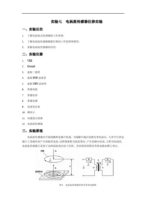
二、实验仪器1.VEE2.Ground3.虚拟二极管4.虚拟PNP晶体管5.虚拟NPN晶体管6.普通电阻7.普通电容8.普通电感9.直流电压表10.频率计11.双通道示波器12.电涡流传感器三、实验原理电涡流传感器由平面线圈和金属片组成。
当线圈中通以高频交变电流后,与其平行的金属片上受感应而产生涡旋状电流,这种现象称为涡流效应。
产生的感应电流,又称为电涡流。
电涡流传感器正是基于这种涡流效应而工作的,其结构原理图及等效电路如图1所示。
图1 电涡流传感器原理及等效电路图如图1所示,一个通有交变电流1I 的线圈,置于一块导电材料附近,由于交变电流的存在,在线圈周围就产生一个交变磁场1H ,导电材料内便产生电涡流2I ,电涡流2I 也将产生一个新磁场2H ,2H 与1H 方向相反,因而抵消部分原磁场1H ,从而导致线圈的等效阻抗发生变化。
可见,线圈与导体之间存在着磁的联系,若把导电材料看成一个具有内阻的线圈,则如图1所示的等效电路表示。
1R 、2R 分别为线圈和导电材料的等效电阻1L 、2L 分别为线圈和导电材料的等效电感。
M 为互感参数,表征线圈与导电材料之间磁联系强弱。
根据图1可列出下列方程:11112222210R I jwL I jwMI U R I jwL I jwMI +-=+-= (1)解式(1),可得线圈等效阻抗Z :222212122222222222U M M Z R R j L L R j L I R L R L ωωωωωω==++-=+++ (2) 前两项为等效电阻,第三项为等效电抗,第三项中括号内为等效电感。
线圈的品质因数为Q :221222222221222M L L R L Q MR R R L ωωωωω-+=++ (3) 由上不难看出,金属导体的电阻率ρ、磁导率μ、线圈与金属导体之间的距离x 以及线圈激励电流的角频率ω等参数,都将通过电涡流效应与线圈等效阻抗发生联系。
电涡流传感器位移实验
一、实验目的:
了解电涡流传感器测量位移的工作原理和特性。
二、基本原理:
通以高频电流的线圈会产生高频磁场,当有导体接近该磁场时,会在导体表面产生涡流效应,而涡流效应的强弱与该导体与线圈的距离有关,因此通过检测涡流效应的强弱即可以进行位移测量。
三、需用器件与单元:
电涡流传感器实验模板、电涡流传感器、直流电源、数显单元、测微头、铁圆片。
四、实验步骤:
1、根据图8-1安装电涡流传感器。
2、观察传感器结构,这是一个扁平的多层线圈,两端用单芯屏蔽线引出。
3、按图8-2将电涡流传感器输出插头接入实验模板上相应的传感器输入插口,传感器作为由晶体管T1组成振荡器的一个电感元件。
4、在测微头端部装上铁质金属圆片,作为电涡流传感器的被测体。
5、将实验模板输出端V0与数显单元输入端Vi相接。
数显电压表量程置20V档。
图8-1
图8-2
6、用连接导线从主控箱接入+15V直流电源到模板上标有+15V的插孔中。
7、移动测微头与传感器线圈端部接触,开启主控箱电源开关,记下数显表读数,旋转测微每隔0.2mm 读一个数,直到输出几乎不变为止,将结果填入表8-1。
表8-1:电涡流传感器位移与输出电压数据
8、根据表8-1数据,画出V-X曲线,根据曲线找出线性区域及选择位移测量时的最佳工作点,试计算量程为1mm、3mm及5mm时的灵敏度和非线性误差(可以用端基法或其它拟合直线)
五、思考题:
1、电涡流传感器的量程与哪些因素有关,如需要测量±3mm的量程应如何设计传感器处理电路?
2、用电涡流传感器进行非接触位移测量时,如何根据量程选用传感器?。
实验目的:通过对电涡流位移传感器的实验,了解其工作原理、特性以及在位移测量中的应用。
### 1. 实验背景
电涡流位移传感器是一种非接触、高精度的位移传感器,主要应用于测量金属导体的微小位移。
本实验旨在深入了解电涡流位移传感器的性能参数和使用方法。
### 2. 实验设备
- 电涡流位移传感器
- 信号调理电路
- 示波器
- 位移标准样品
### 3. 实验步骤
1. 连接电路:将电涡流位移传感器与信号调理电路连接,确保连接正确无误。
2. 设置示波器:对示波器进行适当设置,以便观察电涡流传感器输出信号的波形。
3. 校准:使用位移标准样品对电涡流传感器进行校准,调整信号调理电路,确保输出信号与位移值对应准确。
4. 进行位移测量:将电涡流传感器放置在待测物体上,通过示波器观察和记录输出信号的变化,进行位移测量。
5. 性能评估:测量不同位移值下的输出信号,并评估电涡流位移传感器的灵敏度、稳定性和线性度等性能指标。
### 4. 实验数据处理
对实验得到的数据进行整理和分析,绘制位移与输出信号的关系曲线,计算性能指标。
### 5. 实验结论
根据实验数据和分析结果,得出电涡流位移传感器在不同条件下的性能特点,评估其在位移测量中的适用性。
### 6. 实验总结
通过本次实验,深入了解了电涡流位移传感器的工作原理和性能,掌握了其在位移测量中的应用方法,为今后的传感器应用和实验研究提供了基础。
### 7. 实验改进和展望
根据实验中的经验,提出可能的实验改进方案,并展望电涡流位移传感器在未来的发展方向和应用领域。
电涡流式位移传感器实验报告一、引言电涡流式位移传感器是一种常用的非接触式位移测量装置,它基于涡流效应原理,可用于测量金属物体的位移变化。
本实验旨在探究电涡流式位移传感器的原理和性能,并通过实验验证其在位移测量中的应用。
二、实验原理电涡流效应是指当导体在磁场中运动或受力时,由于磁场的变化而在导体中产生涡流的现象。
在电涡流式位移传感器中,传感器探头由线圈和磁铁构成。
当探头靠近金属物体时,磁铁产生的磁场会感应出涡流,并改变线圈的电阻。
通过测量线圈的电阻变化,可以确定金属物体的位移大小。
三、实验步骤1. 准备实验装置:将电涡流式位移传感器固定在测量平台上,将金属物体放置在传感器上方,并调整传感器与金属物体的距离。
2. 连接电路:将传感器的线圈接入测量电路中,保证电路的可靠连接。
3. 调节参数:根据实际情况,调节传感器的灵敏度和滤波器的参数,以获得准确的位移测量结果。
4. 进行位移测量:通过改变金属物体的位置或距离,记录传感器输出的电阻值,并计算出相应的位移值。
5. 数据分析:根据实验数据,分析位移测量的准确性和稳定性,评估电涡流式位移传感器的性能。
四、实验结果经过多次实验测量,我们得到了一系列位移测量数据,并计算出相应的位移值。
实验结果表明,电涡流式位移传感器具有较高的测量精度和稳定性,在不同位移范围内均能提供准确的测量结果。
五、实验讨论1. 影响位移测量精度的因素:在实验中,我们发现传感器与金属物体的距离、金属物体的材料和形状等因素都会对位移测量结果产生影响。
通过合理调整传感器的参数和选择合适的金属物体,可以提高位移测量的精度。
2. 传感器的应用范围:电涡流式位移传感器广泛应用于工业自动化、机械制造和航天航空等领域,用于测量零件的位移、振动和变形等参数,为工程设计和质量控制提供重要的数据支持。
六、结论通过本次实验,我们深入了解了电涡流式位移传感器的原理和性能,并验证了其在位移测量中的应用。
实验结果表明,电涡流式位移传感器具有高精度、稳定性好的优点,适用于各种位移测量场景。
电涡流式位移传感器实验报告前言位移传感器是一种用于测量目标物体位置变化的装置。
在各个领域中都有广泛的应用,比如工业自动化、机械制造以及医疗设备等。
本实验将研究一种常见的位移传感器——电涡流式位移传感器,并通过实验测试其性能和准确性。
一、实验原理电涡流位移传感器是一种非接触式传感器,通过检测金属目标物体上产生的电涡流来测量目标物体的位移。
当一个金属目标物体靠近传感器时,传感器中的线圈会产生交变磁场。
这个交变磁场会引起目标物体上的电流变化,从而产生一个反向的磁场与传感器磁场相互作用。
通过检测目标物体上的电流变化来测量目标物体的位移。
传感器输出的电压信号与目标物体的位置成正比。
二、实验准备1. 装置:电涡流位移传感器、目标物体、信号发生器、示波器。
2. 连接:将信号发生器和示波器连接到电涡流位移传感器上。
三、实验步骤1. 将目标物体放置在电涡流位移传感器的感应范围内。
2. 设置信号发生器的频率和振幅,可以根据实际需要进行设置。
3. 打开示波器,并选择合适的测量范围。
4. 观察示波器上显示的波形,并记录下电压的变化。
四、实验结果通过实验,我们得到了与目标物体位置变化相关的电压信号波形。
通过观察示波器上的波形,我们可以获得目标物体位移的信息。
实验结果表明电涡流式位移传感器具有较好的线性和精确性,可以用于准确测量目标物体的位移。
五、实验分析电涡流式位移传感器的原理是基于金属材料的导电性以及磁场和电流的相互作用。
目标物体的位置变化引起了电涡流的变化,从而影响传感器输出的电压信号。
通过对电压波形的观察和分析,我们可以得到目标物体位置变化的相关信息。
因此,电涡流式位移传感器在工业生产中应用非常广泛。
六、实验应用电涡流位移传感器可以用于各种需要测量位移的场合。
在机械制造中,可以用于检测零件的装配精度;在汽车工业中,可以用于测量活塞的位置变化;在医疗设备中,可以用于测量人体关节的运动等。
由于电涡流式位移传感器具有非接触式测量和高精度等特点,因此在现代工业中得到了广泛的应用。
电涡流传感器位移实验报告一、前言在工业生产和科研实验中,位移测量是非常重要的。
传统的位移测量方法有很多,但是由于各种原因,比如测量范围小、精度不高等,很难达到实际要求。
电涡流传感器由于其测量范围广、精度高等优点,在位移测量方面得到了越来越广泛的应用。
本次实验旨在通过对电涡流传感器实际应用过程中的位移测量进行研究,探究其应用的可行性和效果。
二、实验原理电涡流传感器是一种基于涡流效应的传感器,它利用电磁感应原理,在传感器和被测物体之间产生一种涡流,再通过测量这种涡流的变化情况来计算出被测物体的位移信息。
在实际应用中,将电涡流传感器固定在被测物体上,当被测物体发生位移时,由于涡流的变化,传感器会产生电信号,再通过信号处理器转化成数字信号,从而得到被测物体的位移信息。
三、实验步骤(一)实验设备准备我们使用的是一台B系列电涡流传感器,其工作频率为250 kHz,灵敏度为5 mV/μm。
同时,我们还需要一台信号处理器、一台电荷放大器和一台示波器。
(二)实验样品准备我们选择了一根长度为200 mm的金属棒作为实验样品。
在金属棒的一端固定电涡流传感器,另一端固定一个位移测量装置。
(三)实验数据采集将电涡流传感器和位移测量装置连接到信号处理器上,启动实验设备,让金属棒发生位移。
在位移过程中,通过示波器对信号进行实时监测和记录,并将数据导出到电脑中进行分析。
(四)实验结果分析通过对实验采集的数据进行分析,我们得到了金属棒的位移曲线图。
从曲线图中可以看出,在位移范围为0-100 mm时,电涡流传感器的测量精度可以达到0.5 μm,这个精度已经可以满足大多数实际应用的需求。
同时,我们还发现,在位移范围为0-100 mm时,电涡流传感器的灵敏度为5 mV/μm,这个灵敏度足以满足大多数实际应用的需求。
四、实验结论通过本次实验,我们得到了以下结论:(一)电涡流传感器的测量精度可以达到0.5 μm,足以满足大多数实际应用的需求。
电涡流式位移传感器实验报告电涡流式位移传感器实验报告引言:电涡流式位移传感器是一种常用的非接触式传感器,广泛应用于工业领域中的位移测量。
本实验旨在研究电涡流式位移传感器的工作原理、特性以及其在位移测量中的应用。
一、实验目的本实验的主要目的是探究电涡流式位移传感器的工作原理,并通过实验验证其在位移测量中的准确性和可靠性。
二、实验装置与方法实验所使用的装置包括电涡流式位移传感器、信号处理器、位移测量平台等。
实验步骤如下:1. 将电涡流式位移传感器固定在位移测量平台上。
2. 连接传感器与信号处理器,确保传感器与处理器之间的信号传输畅通。
3. 调整传感器与被测物体之间的距离,使其处于适当的工作范围内。
4. 通过信号处理器采集传感器输出的信号,并进行数据处理和分析。
三、实验结果与分析通过实验测量,我们得到了电涡流式位移传感器在不同位移下的输出信号,进而得到了位移与输出信号之间的关系曲线。
实验结果显示,电涡流式位移传感器具有以下特点:1. 高精度:传感器能够实现亚微米级的位移测量,具有较高的精度。
2. 非接触式测量:传感器与被测物体之间无需直接接触,减少了传感器的磨损和损坏的可能性。
3. 快速响应:传感器能够快速响应被测物体的位移变化,实时反馈测量结果。
4. 宽工作范围:传感器能够适应不同位移范围的测量需求。
四、实验误差分析在实验过程中,我们注意到了一些可能导致测量误差的因素,包括:1. 环境温度:环境温度的变化可能会对传感器的测量结果产生影响,因此在实际应用中需要进行温度补偿。
2. 电磁干扰:外部电磁场的存在可能会对传感器的信号传输和测量结果产生干扰,需要采取相应的屏蔽措施。
3. 传感器位置:传感器与被测物体之间的位置关系可能会对测量结果产生影响,需要进行准确定位。
五、实验应用与展望电涡流式位移传感器在工业领域中有广泛的应用前景。
它可以用于机械设备的位移测量、振动监测、材料疲劳分析等方面。
未来,随着科技的不断发展,电涡流式位移传感器有望进一步提高其精度和稳定性,扩大其应用范围。
实验二十电涡流传感器位移实验
一、实验目的
了解电涡流传感器测量位移的工作原理和特性。
二、实验内容
用铁圆片检测电涡流传感器的位移特性。
三、实验仪器
电涡流传感器实验模板、电涡流传感器、直流电源、数显单元、测微头、铁圆片。
四、实验原理
电涡流式传感器由平面线圈和金属涡流片组成,当线圈中通以高频交变电流后,与其平行的金属片上感应产生电涡流,电涡流的大小影响线圈的阻抗Z,而涡流的大小与金属涡流片的电阻率、导磁率、厚度、温度以及与线圈的距离X有关。
当平面线圈、被测体(涡流片)、激励源已确定,并保持环境温度不变,阻抗Z只与X距离有关。
将阻抗变化经涡流变换器变换成电压V输出,则输出电压是距离X的单值函数。
五、实验注意事项
被测体与涡流传感器测试探头平面尽量平行,并将探头尽量对准被测体中间,以减少涡流损失。
六、实验步骤
1、根据图20-1安装电涡流传感器。
2、观察传感器结构,这是一个平绕线圈。
3、将涡流传感器输出线接入实验模板上标有L的两端插孔中,作为振荡器的一个元件。
图20-1 电涡流传感器安装示意图
图8-2 电涡流传感器位移实验接线图
4、在测微头端部装上铁质金属圆片,作为电涡流传感器的被测体。
5、将实验模板输出端Vo与数显单元输入端Vin相接。
数显表量程切换到选择电压20V 档。
6、用连结导线从主控台接入15V直流电源接到模板上标有+15V的插孔中。
7、使测微头与传感器线圈端部接触,开启主控台电源开关,此时数显表读数为最小,然后每隔0.1mm读一个数,直到输出几乎不变为止。
将结果列入下表。
(实验结论:1、本实验每隔0.1mm是相对位置,起始值看做0.1mm即可,无需从测微头上读绝对位置。
每旋转0.1mm,输出的电压的增量应该大致相等。
2、由于学生做实验可能不能正确的找到起始点,
导致采集的数据不在线性范围内,从而影响数据采集的线性度,可以让学生从选取的起始
点开始计数,多计几组数据,然后选取线性度较好的十组数据,填入下表)
8、根据上表数据画出V-X曲线,根据曲线找出线性区域及进行正、负位移测量时的最佳工作点,试计算量程为1mm、3 mm及5mm时的灵敏度和线性度(可以用端基法或其它拟合直线)。
七、实验报告
在实验报告中填写《实验报告二十》,详细记录实验过程中的原始记录(数据、图表、波形等)并结合原始记录进一步理解实验原理。
八、实验思考题
如何提高电涡流传感器的线性范围?
答:加大电涡流传感器的探头面积。
原因:当探头面积增大时,线圈磁场轴向分布范围大,但磁感应强度的变化梯度小,即增大探头面积线性范围将增大,但灵敏度会有所降低。