安全检查验收全套表格
- 格式:doc
- 大小:762.00 KB
- 文档页数:39
评分表目录及页数2、本表格一式4份,分别由监督部门、施工单位、监理单位和建设单位存档备查。
2、本表格一式4份,分别由监督部门、施工单位、监理单位和建设单位存档备查。
建筑施工安全检查评分汇总表JGJ59~2011重庆市建设工程施工安全管理总站监制安全管理检查评分表(一)JGJ59~2011重庆市建设工程施工安全管理总站监制安全管理检查评分表(二)JGJ59~2011重庆市建设工程施工安全管理总站监制建筑施工安全检查用表 NO:3—1—1安全管理检查评分表(三)JGJ59~2011重庆市建设工程施工安全管理总站监制文明施工检查评分表(一)JGJ59~2011重庆市建设工程施工安全管理总站监制文明施工检查评分表(二)JGJ59~2011重庆市建设工程施工安全管理总站监制文明施工检查评分表(三)JGJ59~2011重庆市建设工程施工安全管理总站监制扣件式钢管脚手架检查评分表(一)JGJ59~2011重庆市建设工程施工安全管理总站监制扣件式钢管脚手架检查评分表(二)JGJ59~2011重庆市建设工程施工安全管理总站监制扣件式钢管脚手架检查评分表(三)JGJ59~2011重庆市建设工程施工安全管理总站监制门式钢管脚手架检查评分表(一)JGJ59~2011重庆市建设工程施工安全管理总站监制门式钢管脚手架检查评分表(二)JGJ59~2011重庆市建设工程施工安全管理总站监制碗扣式钢管脚手架检查评分表(一)JGJ59~2011重庆市建设工程施工安全管理总站监制碗扣式钢管脚手架检查评分表(二)JGJ59~2011重庆市建设工程施工安全管理总站监制碗扣式钢管脚手架检查评分表(三)JGJ59~2011重庆市建设工程施工安全管理总站监制承插型盘扣式钢管脚手架检查评分表(一)JGJ59~2011重庆市建设工程施工安全管理总站监制承插型盘扣式钢管脚手架检查评分表(二)JGJ59~2011重庆市建设工程施工安全管理总站监制承插型盘扣式钢管脚手架检查评分表(三)JGJ59~2011重庆市建设工程施工安全管理总站监制满堂脚手架检查评分表(一)JGJ59~2011重庆市建设工程施工安全管理总站监制满堂脚手架检查评分表(二)JGJ59~2011重庆市建设工程施工安全管理总站监制悬挑式脚手架检查评分表(一)JGJ59~2011重庆市建设工程施工安全管理总站监制悬挑式脚手架检查评分表(二)JGJ59~2011重庆市建设工程施工安全管理总站监制附着式升降脚手架检查评分表(一)JGJ59~2011重庆市建设工程施工安全管理总站监制附着式升降脚手架检查评分表(二)JGJ59~2011重庆市建设工程施工安全管理总站监制附着式升降脚手架检查评分表(三)JGJ59~2011重庆市建设工程施工安全管理总站监制高处作业吊篮检查评分表(一)JGJ59~2011重庆市建设工程施工安全管理总站监制高处作业吊篮检查评分表(二)JGJ59~2011重庆市建设工程施工安全管理总站监制基坑工程检查评分表(一)JGJ59~2011重庆市建设工程施工安全管理总站监制基坑工程检查评分表(二)JGJ59~2011重庆市建设工程施工安全管理总站监制基坑工程检查评分表(三)JGJ59~2011重庆市建设工程施工安全管理总站监制模板支架检查评分表(一)JGJ59~2011重庆市建设工程施工安全管理总站监制模板支架检查评分表(二)JGJ59~2011重庆市建设工程施工安全管理总站监制模板支架检查评分表(三)JGJ59~2011重庆市建设工程施工安全管理总站监制高处作业检查评分表(一)JGJ59~2011重庆市建设工程施工安全管理总站监制高处作业检查评分表(二)JGJ59~2011重庆市建设工程施工安全管理总站监制施工用电检查评分表(一)JGJ59~2011重庆市建设工程施工安全管理总站监制施工用电检查评分表(二)JCJ59~2011重庆市建设工程施工安全管理总站监制施工用电检查评分表(三)JCJ59~2011物料提升机检查评分表(一)JCJ59~2011重庆市建设工程施工安全管理总站监制物料提升机检查评分表(二)JCJ59~2011重庆市建设工程施工安全管理总站监制物料提升机检查评分表(三)JCJ59~2011重庆市建设工程施工安全管理总站监制施工升降机检查评分表(一)JCJ59~2011重庆市建设工程施工安全管理总站监制施工升降机检查评分表(二)JCJ59~2011重庆市建设工程施工安全管理总站监制施工升降机检查评分表(三)JCJ59~2011重庆市建设工程施工安全管理总站监制塔式起重机检查评分表(一)JCJ59~2011塔式起重机检查评分表(二)JCJ59~2011重庆市建设工程施工安全管理总站监制塔式起重机检查评分表(三)JCJ59~2011。
承包商施工现场安全管理检查表格A.承包商施工现场检查记录B.承包商HSE表现评价记录日C.供应商HSE资格预审记录D.采购物资HSE风险评价表E.合格供应商名录F.供应商HSE表现评价表G.技术交底记录H.大件、非常规运输作业票注:1、批准人必须是交通安全办公室负责人,监护人为分公司安全人员。
2、此证有效期为一次运输过程。
3、此证为二联,一联由作业负责人随身携带,二联由安全人员保存。
I.脚手架搭设作业票注:1、批准人必须是施工单位负责人,监护人为施工单位安全人员。
2、此证有效期为一次脚手架搭设过程。
3、此证为二联,一联由作业负责人随身携带,二联由安全人员保存。
J.消防器材登记表K.消防设施一览表设施、消防喷淋、水幕、汽幕等消防设施情况L.设备修理验收单M.设备运转记录编号:HSE114-B02N.设备维修(保养)记录O.设备检查记录单位:项目:日期:检查人员:审核人:编号:HSE114-B042、此表由车间、队安全人员作为施工安全基础资料保存。
P.设备分布台帐单位名称:编号:Q.设备事故台帐R.HSE标识发放回收记录S.劳动防护用品发放卡片T.职工健康档案U.职工职业病档案编号:HSE117-B02Z.应急预案演练记录AA.HSE检查记录BB.HSE事故台帐CC.不符合报告DD.年度内部审核计划EE.内部审核计划FF.内部审核检查表GG.不符合项分布表HH.内部审核报告II.HSE会议签到表LL.放射性同位素出、入库单1、领用放射性同位素时,领用人需持检测中心经理或主管生产副经理所审批γ射线探伤作业申请表申领。
2、保管人、领用人、押运人和运输人共同对贮源容器进行检测,测量出、入库时源的活度已确认放射性同位素确实在源容器中贮存。
3、放射性同位素探伤机的运输要符合《放射性物质安全运输规定》,并由防止丢失、着火、交通事故的预案。
MM.文明施工检查记录NN.整改通知单日OO.个人防护用品申请表申请单位:编号:。
全套配套表格全套检验批质量验收记录Standardization of sany group #QS8QHH-HHGX8Q8-GNHHJ8-HHMHGN#1.2.单位工程质量竣工验收记录3.单位工程观感质量检查记录4.素土、灰土地基检验批质量验收记录5.砂和砂石地基检验批质量验收记录6.土工合成材料地基检验批质量验收记录7.粉煤灰地基检验批质量验收记录8.强夯地基检验批质量验收记录9.土和灰土挤密桩复合地基检验批质量验收记录10.水泥粉煤灰碎石桩复合地基检验批质量验收记录11.混凝土小型空心砌块砌体检验批质量验收记录12.石砌体检验批质量验收记录13.配筋砌体检验批质量验收记录14.模板安装检验批质量验收记录15.模板拆除检验批质量验收记录16.钢筋原材料检验批质量验收记录17.钢筋加工检验批质量验收记录18.钢筋连接检验批质量验收记录19.钢筋安装检验批质量验收记录20.混凝土设备基础外观及尺寸偏差检验批质量验收记录21.模板安装检验批质量验收记录22.模板拆除检验批质量验收记录23.钢筋原材料检验批质量验收记录24.钢筋加工检验批质量验收记录25.钢筋连接检验批质量验收记录26.钢筋安装检验批质量验收记录27.混凝土设备基础外观及尺寸偏差检验批质量验收记录28.钢结构焊接检验批质量验收记录29.焊钉(栓钉)焊接工程检验批质量验收记录30.紧固件连接检验批质量验收记录31.高强度螺栓连接检验批质量验收记录32.钢零部件加工检验批质量验收记录33.钢构件组装检验批质量验收记录34.钢管构件进场验收检验批质量验收记录35.钢管混凝土构件现场拼装检验批质量验收记录36.钢管混凝土构件现场拼装检验批质量验收记录37.钢管混凝土柱柱脚锚固检验批质量验收记录38.混凝土灌注桩(钢筋笼)检验批质量验收记录39.混凝土灌注桩检验批质量验收记录40.土方开挖工程检验批质量验收记录41.土方回填工程检验批质量验收记录42.场地平整检验批质量验收记录43.喷锚支护检验批质量验收记录44.挡土墙检验批质量验收记录45.边坡开挖检验批质量验收记录46.模板安装检验批质量验收记录47.模板拆除检验批质量验收记录48.钢筋原材料检验批质量验收记录49.钢筋加工检验批质量验收记录50.钢筋连接检验批质量验收记录51.钢筋安装检验批质量验收记录52.混凝土原材料检验批质量验收记录53.钢结构焊接检验批质量验收记录54.焊钉(栓钉)焊接工程检验批质量验收记录55.型钢混凝土结构焊接检验批质量验收记录56.型钢混凝土结构紧固件连接检验批质量验收记录57.一般抹灰检验批质量验收记录58.保温层薄抹灰检验批质量验收记录59.给水管道及配件安装检验批质量验收记录60.给水设备安装检验批质量验收记录61.室内消火栓系统安装检验批质量验收记录62.给水管道及配件安装检验批质量验收记录63.给水管道及配件安装检验批质量验收记录64.排水管道及配件安装检验批质量验收记录65.雨水管道及配件安装检验批质量验收记录66.变压器、箱式变电所安装检验批质量验收记录67.成套配电柜、控制柜(屏、台)和动力、照明配电箱(盘)及控制柜安装检验批质量验收记录68.导管敷设检验批质量验收记录69.电缆敷设检验批质量验收记录70.变压器、箱式变电所安装检验批质量验收记录71.普通灯具安装检验批质量验收记录72.电气照明专用灯具安装检验批质量验收记录73.设备安装检验批质量验收记录74.智能化集成系统接口及系统调试检验批质量验收记录75.安装场地检查检验批质量验收记录76.梯架、托盘、槽盒和导管安装检验批质量验收记录77.机柜、机架、配线架安装检验批质量验收记录78.墙体节能检验批质量验收记录79.门窗节能检验批质量验收记录80.分项工程检测记录81.智能化集成系统子分部工程检测记录82.防雷与接地子分部工程检测记录83.分部(子分部)工程质量验收记录84.工程验收资料审查记录表单位工程质量竣工验收记录表单位工程观感质量检查记录01010101 00101010201 001土工合成材料地基检验批质量验收记录01010301 00101010401 00101010501 001土和灰土挤密桩复合地基检验批质量验收记录01011101 001水泥粉煤灰碎石桩复合地基检验批质量验收记录01011201 001混凝土小型空心砌块砌体检验批质量验收记录01020102 001石基础墙基础墙基础墙墙、柱01020103 00201020104 00301020201 00101020202 00201020203 00301020204 00401020205 00501020206 006混凝土设备基础外观及尺寸偏差检验批质量验收记录01020211 00701020301 00101020302 00201020303 00301020304 00401020305 00501020306 006混凝土设备基础外观及尺寸偏差检验批质量验收记录01020311 007钢结构焊接检验批质量验收记录01020401 001焊钉(栓钉)焊接工程检验批质量验收记录01020402 00201020403 00301020404 004钢零部件加工检验批质量验收记录01020405 005钢构件组装检验批质量验收记录01020406 006钢管构件进场验收检验批质量验收记录01020501 00101020502 002二级 三级≤+ ≤+一、二级三级单层柱多层柱L≤1000,;L>1000,柱两端最外侧安装孔、穿钢筋孔距离L柱底面到到牛腿支承面距离L ±L/1500, 且≤±8牛腿端孔到柱轴线距离Ld不宜小于50;d不宜小于50;01020502 002钢管混凝土柱柱脚锚固检验批质量验收记录01020503 003混凝土灌注桩(钢筋笼)检验批质量验收记录(Ⅰ) 01021101 001混凝土灌注桩检验批质量验收记录(Ⅱ) 01021102 00201050101 00101050201 001场地平整检验批质量验收记录01050301 001喷锚支护检验批质量验收记录01060101 00101060201 00101060301 00202010101 00102010102 00202010201 00102010202 002。
安全生产检查用表一、基本信息1. 企业名称:2. 检查日期:3. 检查人员:4. 检查部门:二、场所环境1. 工作区域整洁、无杂物堆放,地面干净、无积水:2. 通道畅通,无障碍物阻挡:3. 危险品储存区域标识清晰,储存方式符合相关规定:4. 消防设施完好,消防通道无堵塞:三、安全设施1. 电气设备无漏电、无明火现象:2. 操作台、工作台稳固,无松动现象:3. 使用的机械设备符合安全要求,有相应的防护装置:4. 物资储存架、货架稳固,无倾倒、坍塌隐患:5. 紧急疏散通道标识清晰、畅通无阻:四、作业安全1. 工作人员佩戴个人防护装备,如安全帽、防护眼镜等:2. 作业人员操作规范,严禁违章操作:3. 足够的安全警示标志和安全提示牌:4. 作业人员接受过相关的安全培训,具备相关操作证书:5. 高处作业有可靠的防护设施,如安全带、防护网等:五、应急准备1. 灭火器、消防栓等消防设备齐全,并定期检查维护:2. 应急疏散通道畅通,安全出口标识醒目清晰:3. 应急预案编制完备,员工熟悉应急预案流程:4. 有专人负责应急事故的报告和处理:六、安全管理1. 安全生产责任制落实到位,明确责任人和岗位职责:2. 安全教育培训制度完善,定期开展安全教育活动:3. 安全生产记录完整,日常巡检记录、事故记录等齐全:4. 落实安全隐患整改制度,及时消除隐患,防止事故发生:七、其他注意事项1. 工作人员自愿参与安全生产活动,提高安全意识:2. 加强安全宣传,提供相关安全知识和技能培训:3. 定期组织安全演练,提高应急处理能力:4. 高风险作业需进行专项评估,并采取相应的防护措施:5. 定期检查安全设施的使用情况,及时修理和更换损坏设施:以上为安全生产检查用表,根据实际情况进行检查,发现问题及时整改,并做好相关记录。
通过持续的安全生产检查,确保企业的安全生产环境,减少事故发生的可能性,保障员工和设备的安全。
附件1:
安全检查汇总表
安全检查表(内业资料管理)
备注:
1、对分包单位的安全评价按照《中建总公司分包单位安全生产评价办法(试行)》
(中建质字[2004]25号)文件的规定执行;
2、总分包单位专职安全管理人员配备和需要编制的危险性较大工程安全专项施
工方案按照《建筑施工企业安全生产管理机构设置及专职安全生产管理人员配备办法》和《危险性较大工程安全专项施工方案编制及专家论证审查办法》(建质[2004]213号)文件的规定执行;
3、安全生产资金投入台帐按照《中建总公司安全生产费用管理规定(试行)》(中
建安字[2004]532号)文件的规定执行。
安全检查表(现场安全管理)
附件2:
隐患整改通知单。
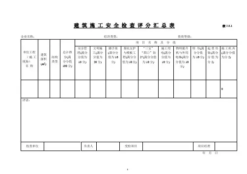
建筑施工安全检查评分汇总表表3.0.1企业名称:经济类型:资质等级:年月日安全管理检查评分表表3.0.2注:1.每项最多扣减分数不大于该项应得分数。
2.保证项目有一项不得分或保证项目小计得分不足40分,检查评分表计零分。
3.该表换算到《施工安全检查评分汇总表》(表3.0.1)后得分=10×该表检查项目实得分数合计÷100。
文明施工检查评分表表3.0.3注:1.每项最多扣减分数不大于该项应得分数。
2.保证项目有一项不得分或保证项目小计得分不足40分,检查评分表计零分。
3.该表换算到《施工安全检查评分汇总表》(表3.0.1)后得分=20×该表检查项目实得分数合计÷100。
落地式外脚手架查评分表表3.0.4-1注:1.每项最多扣减分数不大于该项应得分数。
2.保证项目有一项不得分或保证项目小计得分不足40分,检查评分表计零分。
3.该表换算到《施工安全检查评分汇总表》(表3.0.1)后得分=10×该表检查项目实得分数合计÷100。
基坑支护安全检查评分表表3.0.5注:1.每项最多扣减分数不大于该项应得分数。
2.保证项目有一项不得分或保证项目小计得分不足40分,检查评分表计零分。
3.该表换算到《施工安全检查评分汇总表》(表3.0.1)后得分=10×该表检查项目实得分数合计÷100。
模板工程安全检查评分表表3.0.6注:1.每项最多扣减分数不大于该项应得分数。
2.保证项目有一项不得分或保证项目小计得分不足40分,检查评分表计零分。
3.该表换算到《施工安全检查评分汇总表》(表3.0.1)后得分=10×该表检查项目实得分数合计÷100。
“三宝”、“四口”防护检查评分表表3.0.7注:1.每项最多扣减分数不大于该项应得分数。
2.该表换算到《施工安全检查评分汇总表》(表3.0.1)后得分=10×该表检查项目实得分数合计÷100。
安全检查记录表模板一、检查信息•检查日期:[日期]•检查人员:[姓名]•检查部门:[部门名称]二、检查内容1. 安全设备•[ ] 消防设备是否正常可用•[ ] 紧急疏散通道是否通畅•[ ] 继电器保护是否完好•[ ] 防火门是否有效2. 办公环境•[ ] 桌面是否整洁无杂物•[ ] 电线是否整理有序•[ ] 插座是否正常使用•[ ] 灭火器是否在指定位置3. 电源及用电安全•[ ] 电源是否接地良好•[ ] 用电设备是否存在缺陷•[ ] 用电设备是否安装有保护措施•[ ] 电源线是否老化或损坏4. 人员安全•[ ] 是否存在行为不当或不文明现象•[ ] 是否有未经授权进入的人员•[ ] 是否有未经授权使用设备的人员•[ ] 是否存在未按规定操作设备的人员三、存在问题及处理情况1. 安全设备问题•[ ] 消防设备故障,已联系维修人员进行维修•[ ] 紧急疏散通道存在堵塞,已进行清理2. 办公环境问题•[ ] 桌面存在杂物,已对员工进行提醒和规范要求•[ ] 电线混乱,已进行整理和标示3. 电源及用电安全问题•[ ] 用电设备存在缺陷,已安排维修人员进行修复•[ ] 电源线老化,已更换新的电源线4. 人员安全问题•[ ] 存在行为不当现象,已进行纪律教育和提醒•[ ] 发现未经授权进入的人员,已进行驱离和加强安保措施四、检查人员签名:[签名]使用以上安全检查记录表模板,可以对办公环境的安全状况进行检查和记录。
通过对每项安全内容进行勾选,记录存在的问题及处理情况,并由检查人员签名确认。
在使用该模板时,请根据实际情况进行相应修改,确保每项检查内容与实际情况相符。
同时,在进行检查时,应严格按照相关安全规定和要求进行操作,确保办公环境的安全和员工的健康。
集团安全检查表格
一、基本信息
1.检查日期:
2.检查人员:
3.检查地点:
4.检查项目:
二、检查内容及结果
1.消防安全
•消防设施是否完好:□是□否
•消防通道是否畅通:□是□否
•消防器材是否定期检查:□是□否
2.电气安全
•电气设备是否符合安全标准:□是□否•电缆电线是否老化破损:□是□否
•电气设备是否有过载现象:□是□否
3.建筑安全
•建筑结构是否稳固:□是□否
•墙体、天花板是否有裂缝:□是□否
•门窗是否完好:□是□否
4.人员安全
•安全培训是否定期开展:□是□否
•安全制度是否完善并执行:□是□否
•员工是否正确佩戴安全防护用品:□是□否
5.其他安全事项
•其他发现的安全问题及建议:
三、整改措施及建议
1.需要立即整改的问题及措施:
2.需要长期整改的问题及措施:
3.其他建议和意见:
四、验收情况
1.检查项目验收情况:由验收人员签字确认。
2.检查结论:合格/不合格,不合格原因及后续处理措施。
3.验收人员签字:验收人员签字确认。
附表 1:脚手架检查验收书
工程名称:年月日
2、扣件扭力矩标准:40—50N。
m,不大于65N。
m。
实测点数在总点数的3%—5%之间。
3、合格打“√”,不合格打“×”。
附表2: 挂脚手架验收表工程名称:验收部位:日期:
附表3:悬挑脚手架验收表工程名称:验收部位:日期:
附表4:卸料平台验收表工程名称:日期:
附表5:安全设施检查验收表工程名称:结构类型:年月日
附表6:洞口与临边防护逐层检查验收表施工单位:工程名称:验收部位:
洞口与临边防护逐层检查验收表
续表
施工单位:工程名称:验收部位:
注:每次验收对缺项部分可不填写验收内容及验收意见
每次填写一式两份,该施工段主管工长一份,项目安全部一份附表7:模板工程验收表
附表8:临时用电设施检查验收表
临时用电设施检查验收表
临时用电设施检查验收表
续表2
注:每次验收对缺项部分可不填写验收内容及验收意见
每次填写一式两份,该施工段主管工长一份,项目安全部一份附表9:起重机械安装后检查验收表
附表10:物料提升机(龙门架)检查验收表
附表11:电动吊篮安装检查验收表
附表12:中小型机械设备安全技术性能验收表工程名称;使用单位:验收日期:
附表13:安全防护设施交接验收表
工程名称: 年月日。
建筑施工安全检查评分汇总表表3.0.1企业名称:经济类型:资质等级:单位工程(施工现场)名称建筑面积(m2)结构类型总计得分(满分分值100分)项目名称及分值安全管理(满分分值为10分)文明施工(满分分值为20分)脚手架(满分分值为10分)基坑支护与模板工程(满分分值为10分)“三宝”“四口”防护(满分分值为10分)施工用电(满分分值为10分)物料提升机与外用电梯(满分分值为10分)塔吊(满分分值为10分)起重吊装(满分分值为分5)施工机具(满分分值为分5)评语:检查单位负责人受检项目项目经理年月日1安全管理检查评分表表3.0.2序号检查项目扣分标准应得分数扣减分数实得分数1保证项目安全生产责任制未建立安全责任制,扣10分各级各部门未执行责任制,扣4~6分经济承包中无安全生产指标,扣10分未制定各工种安全技术操作规程,扣10分未按规定配备专(兼)职安全员的扣10分管理人员责任制考核不合格,扣5分102 目标管理未制定安全管理目标(伤亡控制指标和安全达标、文明施工目标),扣10分未进行安全责任目标分解的扣10分无责任目标考核规定的扣8分考核办法未落实或落实不好的扣5分103 施工组织设计施工组织设计中无安全措施,扣10分施工组织设计未经审批,扣10分专业性较强的项目,未单独编制专项安全措施未落实,扣8分安全措施不全面,扣2~4分安全措施无针对性,扣6~8分安全措施未落实,扣8分104 分部(分项)工程安全技术交底无书面安全技术交底的扣10分交底针对性不强,扣4~6分交底不全面,扣4分交底未履行签字手续,扣2~4分105 安全检查无定期安全检查制度,扣5分安全检查无记录,扣5分检查出事故隐患整改做不到定人、定时间、定措施,扣2~6分对重大事故隐患整改通知书所列项目未如期完成,扣5分106 安全教育无安全教育制度,扣10分新入场工人未进行三级安全教育,扣10分无具体安全教育内容,扣6~8分变换工种时未进行安全教育,扣10分每有一人不懂本工种安全技术操作规程,扣2分施工管理人员未按规定进行年度培训的,扣5分专职安全员未按规定进行年度培训考核或考核不合格的,扣5分10小计607一般项目班前安全活动未建立班前安全活动制度,扣10分班前安全活动无记录,扣2分108 特殊作业持证上岗有一人未经培训从事特种作业,扣4分有一人未持操作证上岗,扣2分109工伤事故工伤事故未按规定报告,扣3~5分工伤事故未按事故调查分析规定处理,扣10分未建立工伤事故档案,扣4分1010安全标志无现场安全标志布置总平面图,扣5分现场未按安全标志总平面图设置安全标志的,扣5分10小计40 检查项目合计100注:1.每项最多扣减分数不大于该项应得分数。
建筑安装工程施工质量检查验收记录交工资料表格(总88页)--本页仅作为文档封面,使用时请直接删除即可----内页可以根据需求调整合适字体及大小--施工现场质量管理检查记录单位(子单位)工程质量竣工验收记录注:验收记录由施工单位填写,验收结论由监理(建设)单位填写。
综合验收结论由参加验收各方共同商定,建设单位填写,应对工程质量是否符合规范要求及总体质量水平做出评价。
单位(子单位)工程质量控制资料核查记录室内给水设备安装分项工程质量验收表(GB50300-2001)表编号:0 5 0 1 0 3室内给水设备安装工程检验批质量验收记录室内给水管网子分部工程验收记录注:除地基基础分部外,勘察单位可不参加。
室外给水管网安装分项工程质量验收表(GB50300-2001)表编号:0 5 0 6 0 1室外给水管道安装工程检验批质量验收记录消防水泵接合器及室外消火栓分项工程质量验收表(GB50300-2001)表编号:0 5 0 6 0 2消防水泵接合器及室外消火栓安装工程检验批质量验收记录3安全阀及止回阀安装位置和方向应正确,阀门起闭应灵活。
(条)//施工操作依据完整质量检查记录完整×月×施工单位检查结果评定合格项目专业项目专业质量检查员:×××技术负责人:×××年月日监理(建设)单位验收结论专业监理工程师(建设单位项目专业技术负责人):年月日二、自动喷水灭火系统分部工程施工技术记录用表自动喷水灭火系统子分部工程验收记录注:除地基基础分部外,勘察单位可不参加。
自动喷水灭火系统施工过程质量检查记录注:自动喷水灭火系统施工过程质量检查记录应由施工单位质量检查员按表填写,监理工程师进行检查,并作出检查结论。
自动喷水灭火系统施工过程质量检查记录注:自动喷水灭火系统施工过程质量检查记录应由施工单位质量检查员按表填写,监理工程师进行检查,并作出检查结论。
安全检查验收全套表格(总49页)-CAL-FENGHAI.-(YICAI)-Company One1-CAL-本页仅作为文档封面,使用请直接删除施工现场安全标志牌一览表工伤事故月报表2009 年 2 月表(七)--2单位(项目)名称(盖章):学院南区学生公寓楼项目部1、本月平均人数(人):268 ;其中:临时工(人): / ;2、分包人员/(人):3、本月伤亡事故件数: / ;其中:死亡事故(件): / ;重伤事故(件): / ;轻伤事故(件):4、本月伤亡人数(人):/ ;其中:死亡人数(人): / ;重伤人数(人):/ ;轻伤人数(人):7、本企业职工以外人员伤亡情况:死亡 /(人):;重伤/(人):;轻伤/(人):注:本表一式2份,1份工地留存,1份上报。
单位(项目)负责人:填表人:张森建填报日期: 2009年 2月 26日工伤事故快报表表(七)--1注:本表一式2份,1份工地留存,1份上报。
特种作业人员持证上岗花名册工程名称:表注:应附操作证书复印件。
项目负责人:填表人:填表日期:班组班前安全活动记录表工程名称:表变换工种工人安全教育登记表注:特种作业人员变换工种须经有关部门重新培训考核发证。
三级安全教育登记卡工程名称:表注:本卡一式3份,公司、项目部、班组各1份。
安全教育登记表表(四)---1事故隐患整改反馈报告单注:本报告单一式2份,报告单位、复查单位各1份。
安全检查记录表表(三)---1安全技术交底表(二)安全责任目标考核记录表施工现场三级动火申请审批表施工现场安全防护用品使用登记表注:1、安全防护用品(电气产品)包括:安全帽、安全网、安全带、配电箱、漏电保护器、安全标志牌、消防器材等;2、附产品合格证原件,复印件应注明与原件相同并加盖安全部门校核章。
项目负责人:填表人:填表日期:年月日绝缘电阻测试记录表注:1、此表为一台用电设备使用一张,作为其测试记录;2、按设备产品使用说明书和有关规范的要求定期(每季度至少一次)对其绝缘电阻进行测试;3、测试人为电工,监测人可以是施工员、安全员等施工管理人员。
安全检查验收表格1. 验收项目2. 验收内容2.1 窗户- [ ] 窗户是否完好无损- [ ] 窗户是否可以正常打开和关闭- [ ] 窗户是否安装了防护网2.2 电气设备- [ ] 电气设备是否符合相关安全标准- [ ] 电线是否有暴露或磨损情况- [ ] 电源插座是否正常工作2.3 火灾安全- [ ] 火灾报警器是否正常工作- [ ] 灭火器是否在有效期内- [ ] 灭火器是否摆放在易于取用的位置2.4 安全出口- [ ] 安全出口是否明确标识- [ ] 安全出口是否畅通无阻2.5 紧急疏散- [ ] 紧急疏散示意图是否明确可见- [ ] 紧急疏散通道是否畅通无阻- [ ] 紧急疏散出口是否易于找到2.6 防盗安全- [ ] 门窗是否安装了可靠的防盗设施- [ ] 门窗锁是否正常可用- [ ] 是否有安全警报器系统3. 验收结果- [ ] 全部验收项目合格- [ ] 存在以下不合格项目:- [ ] _______________________- [ ] _______________________- [ ] _______________________4. 备注______________________________________________5. 验收人员验收日期:________________验收人员:________________6. 认可经验收部门确认,该建筑物的安全检查合格。
______________________________________________。
表B.0.1 设备材料进场检验记录表B.0.2 隐蔽工程(随工检查)验收记录表 B.0.3 安装质量及观感质量验收记录表B.0.4 自检记录表B.0.5 分项工程质量验收记录表 B.0.6 试运行记录表 C.0.1 分项工程检测记录表C.0.2 智能化集成系统子分部工程检测记录表C.0.3 用户电话交换系统子分部工程检测记录表C.0.6 有线电视及卫星电视接收系统子分部工程检测记录表 C.0.7 公共广播系统子分部工程检测记录表 C.0.8 会议系统子分部工程检测记录表C.0.9 信息导引及发布系统子分部工程检测记录表C.0.10 时钟系统子分部工程检测记录表C.0.11 信息化应用系统子分部工程检测记录表C.0.12 建筑设备监控系统子分部工程检测记录表C.0.13 安全技术防范系统子分部工程检测记录表C.0.14 应急响应系统子分部工程检测记录表C.0.17 分部工程检测汇总记录表D.0.1______________分部(子分部)工程质量验收记录表D.0.2 工程验收资料审查记录表D.0.3 验收结论汇总记录资料目录1、开工资料及附属资料页2、施工资料及现场质量检验评定表页3盖板涵资料页4、验收资料(单位、分部、分项工程评定)页年月日工程交工验收证书工程名称:工程地址:年月日工程交工验收证书交工验收时间:合同段交工验收证书第号注:表中内容较多时,可用附件工程交工验收报告工程名称:工程地址:年月日工程交工验收报告()开工报告书年月日工程开工报告段项目部文件号关于段工程项目部主要成员名单的报告项目负责人项目经理技术负责人施工员资料员质安员材料员驾驶员年月日工程人员进场报验单承包单位:合同号:监理单位:编号:工程机械进场报验单承包单位:合同号:监理单位:编号:建筑材料进场报验单承包单位:合同号:监理单位:编号:施工放样报验单承包单位:合同号:监理单位:编号:工程分项开工申请批复单承包单位:合同号:监理单位:编号:检验申请批复单承包单位:合同号:监理单位:编号:中间计量表承包单位:合同号:监理单位:·编号:日期:日期:地基验槽(坑)记录承包单位:合同号:监理单位:编号:。
安全环保文明施工自检表格上海名华工程建筑有限公司施工现场安全标志牌一览表工伤事故快报表表三注:本表一式2份,1份工地留存,1份上报。
施工现场安全防护用品使用登记表注:1、安全防护用品(电气产品)包括:安全帽、安全网、安全带、配电箱、漏电保护器、安全标志牌、消防器材等;2、附产品合格证原件,复印件应注明与原件相同并加盖安全部门校核章。
项目负责人:填表人:填表日期:年月日绝缘电阻测试自验记录注:1、此表为一台用电设备使用一张,作为其测试记录;2、按设备产品使用说明书和有关规范的要求定期(每季度至少一次)对其绝缘电阻进行测试;3、测试人为电工,监测人可以是施工员、安全员等施工管理人员。
漏电保护器测试自验记录表六注:1、此表为一台漏电保护器使用一张,作为其运行测试记录;2、漏电保护器测试按照说明书要求进行,一般情况下测试每月至少一次;3、测试人为电工,监测人可以是施工员、安全员等施工管理人员。
接地电阻测试自验记录注:1、测试结果=实测阻值×季节系数;2、接地电阻应定期(至少每季一次)进行测试;3、测试人为电工,监测人可以是施工员、安全员等施工管理人员。
施工现场文明施工检查记录打桩机械自验记录搅拌机安装验收表自验记录电焊机验收表自验记录钢筋机械安装验收表自验记录园盘锯验收表自验记录塔式起重机安装验收表自验记录物料提升机(龙门架井字架)安装自验记录施工现场临时用电自验记录密目式安全网挂设自验记录洞口与临边防护设施验收表自验记录注:1、钢管桩等桩孔上口,杯形、条形基础上口,未填土的坑槽,以及上人孔、天窗、地板门等处,均应按洞口防护要求设置防护装置;2、通道附近的各类洞口与坑槽等处,除设置防护设施与安全标志外,夜间还应设红灯示警。
模板工程自验记录基坑支护验收表自验记录附着式升降脚手架(整体提升架爬架)自验记录表十五第2页吊篮脚手架自验记录门式钢管脚手架自验记录悬挑式脚手架自验记录木脚手架自验记录扣件式钢管脚手架自验记录表二十-1 第1页竹脚手架搭设自验记录脚手架检查记录检查频率:双日检查本次开始检查时间: 年月日检查人(安全员):38安全日记安表(八)年月日星期气候:年月日星期气候:年月日星期气候:年月日星期气候:年月日星期气候:年月日星期气候:年月日星期气候:。
施工现场文明施工检查验收表工程名称:xx 表(九)---11
表(九)--10—5
表(九)--10—5
电焊机验收表
表(九)--10—4
表(九)---10---3
表(九)---10---3
园盘锯验收表
表(九)--10—2
施工现场临时用电验收表
表(九)---6第1页
表(九)---6第2页
洞口与临边防护设施验收表
表(九)---4
注:1、钢管桩等桩孔上口,杯形、条形基础上口,未填土的坑槽,以及上人孔、天窗、地板门等处,均应按洞口防护要求设置防护装置;
洞口与临边防护设施验收表
表(九)---4
注:1、钢管桩等桩孔上口,杯形、条形基础上口,未填土的坑槽,以及上人孔、天窗、地板门等处,均应按洞口防护要求设置防护装置;
2、通道附近的各类洞口与坑槽等处,除设置防护设施与安全标志外,夜间还应设红灯示警。
表(九)---3
表(九)---3
表(九)---3
表(九)---3
表(九)---3
表(九)---3
表(九)---3
表(九)---3
基坑支护验收表
表(九)---1
扣件式钢管脚手架验收表
表(九)--2—2第1页
扣件式钢管脚手架验收表
表(九)--2—2第1页
扣件式钢管脚手架验收表
表(九)--2—2第1页
扣件式钢管脚手架验收表
表(九)--2—2第1页
扣件式钢管脚手架验收表
表(九)--2—2第1页
扣件式钢管脚手架验收表
表(九)--2—2第1页。