三角皮带轮剖面尺寸[1]
- 格式:doc
- 大小:63.50 KB
- 文档页数:3
一、前缀标号形状O、A、B、C、D、E、F 由O至F剖面面积逐渐增大O:顶宽10毫米,高度6毫米A:顶宽13毫米,节宽11毫米,高度8毫米,契角40° B:顶宽17毫米,高度10.5毫米 C:顶宽22毫米,高度13.5毫米D:顶宽54.5毫米,高度19毫米 E:顶宽38毫米,高度25.5毫米F:三角带的型号有:Y Z A BC D E这几种,从Y到E,节宽依次变大。
国标GB/T1154-1997中有详细解释。
Lw见下:产品名;普通三角带、窄V带组成材质:橡胶、拉力骨架线作用:印刷机械、纺织机械、工厂设备、动力设备、汽车传动、农机传动、等设备的机械传动L w有效长度L i 内周长度通常型号有: 普通三角带截型SI ZE截面尺寸(Tra nsect size) 可供规格内周长长度(Pro vidab le in ner-p erime ter)顶宽带高节宽楔角长度换算英制:尺寸公制: (sta dard)T op wi dth Heigh t Pit ch wi dth Angie Len gth inch mmY6 4 5.3 40° Lw=L i+15 10-25 254-635O 10 68.5 40° Lw=L i+2216-80406-2032A 13 8 1140°L w=Li+30 22-160 559-4064B 1711 14 40° Lw=Li+4022-300 559-7620C 22 14 1940°Lw=Li+48 40-380 1016-9650D32 19 27 40° Lw=Li+75 120-440 3048-15240E 3825 32 40° Lw=Li+80150-600 3810-15240F 50 30 40°200-630 5080-16000窄V带项目/截型基准制(S P系列即公制)有效制(Z V系列即英制)SPZSPASPBSPC3V/9N5V/15N8V/25N顶宽(b)(m m)10.0 13.0 17.0 22.0 9.0 15.0 25.0 带高(h)(mm)8.0 10.0 14.0 18.0 8.0 13.0 23.0 节宽(b)(mm)8.0 11.0 14.0 19.0楔角(a)40° 40° 40° 40° 40° 40° 40°长度换算。
标准三角带 A,B,C,D,Z* 防油,抗静电* 工作温度: -18℃至 +70℃* 最大线性速度: 30米/秒以下信息为同步带参数规格:同步带型号规格大全简要说明:凯奥公司为凯奥实业下属直属企业,传承于台湾,在大陆拥有自己生产工厂,主要生产,销售各种材质、型号的三角带、同步带、平面带、输送带、圆带、多沟带、铁氟龙网带、活络带。
另有专门的车间生产同步带轮,生产详细介绍:一、橡胶同步带梯型齿橡胶同步带的规格型号MXL XL L H XH XXH T2.5 T5 T10 T20 AT5 AT10 AT20梯形齿同步带参数的含义如:1) 120XL037表示节线长:12*25.4=304.8mm齿形参数型号:XL宽度: 0.37*25.4=9.4mm2)T10 X 1250 X30节线长:1250mm齿形参数型号:T10宽度:30mm圆弧齿同步带规格的型号HTD 2M 3M 5M 8M 14M 20MSTS/STPD S2M S3M S4.5 S5M S8M S14MRPP/HPPD RPP2M RPP3M RPP5M RPP8M RPP14M圆弧齿同步带参数的含义例如:HTD 1040-8M-30 表示节线长:1040 mm齿形参数型号:HTD 8M宽度: 30mm二、双面齿同步带DA 型双面齿同步带规格的型号D-AXL D-L DA-H DA-T5 DA-T10 DA-T20 DA-3M DA-5M DA-8M DA-14M DA-S8M DA型双面齿同步带参数的含义例如:DA 2000 X T10-40 表示节线长:2000 mm齿形参数型号:T10双面对称齿宽度: 40mmDB 型双面齿同步带规格和型号DB-XL DB-L DB-H DB-T5 DB-T10 DB-T20DB型双面齿同步带参数及含义例如:DB 2000 X T10-40 表示节线长:2000 mm齿形参数型号:T10双面错开齿宽度: 40mm三、汽车同步带规格及型号R(MR) Y(MY) ZBS YU RU ZA S8M ZD ZR ZAS ZB RHD RHX RPP SL ...汽车同步带参数含义例如:99 RU 22表示齿数: 99齿形参数型号: RU宽度: 22mm四、多楔带规格及型号PH PJ PK PL PM多楔带参数含义例如:1)公制:10PJ1089楔数: 10有效长度: 1089 mm2) 10PJ250楔数: 10有效长度: 25*25.4=635mm五、切割V带普通V带规格及型号Y Z A B C D E普通V带参数含义:例如:1) A 35表示型号:A长度:35*25.4=889mm2) 13 X 1000 表示宽度:13长度:1000mm窄V带规格及型号SPZ SPA SPB SPC XPZ XPA XPB XPC 3V(9N) 5V(15N) 8V(25N)窄V带参数含义:例如:1) SPZ 40表示型号: SPZ长度: 40*25.4=1016mm2) SP 1016表示型号: SPZ长度: 40*25.4=1016mm六、聚氨酯同步带规格及型号MXL XL L H 2M S2M 3M S3M 5M 8M 14M T2.5 T5 AT5 T10 AT10聚氨酯同步带参数含义例如:1) 120XL037表示节线长:12*25.4=304.8mm齿形参数型号:XL宽度: 0.37*25.4=9.4mm2)T10 X 1250 X30节线长:1250mm齿形参数型号:T10宽度:30mm3) HTD 1040-8M-30 表示节线长:1040 mm齿形参数型号:HTD 8M宽度: 30mm橡胶同步带所有规格尺寸规格节线长 (mm) 模宽 (mm) 齿数AT10×500 500.00 450 50AT10×560 560.00 450 56AT10×660 660.00 450 66AT10×730 730.00 450 73AT10×840 840.00 450 84AT10×920 920.00 450 92AT10×960 960.00 200 96AT10×1010 1010.00 200 101AT10×1150 1150.00 450 115AT10×1210 1210.00 200 121AT10×1240 1240.00 450 124AT10×1250 1250.00 450 125AT10×1280 1280.00 200 128AT10×1500 1500.00 450 150AT10X1610 1610.00 450 161AT10×1800 1800.00 250 180AT10×1940 1940.00 450 194AT10×2000 2000.00 250 200AT10×2250 2250.00 450 225AT10×2590 2590.00 450 259AT10×2880 2880.00 450 288AT10×3080 3080.00 450 308AT10×3150 3150.00 250 315AT10×3340 3340.00 450 334凯奥公司为凯奥实业下属直属企业,传承于台湾,在大陆拥有自己生产工厂,主要生产,销售各种材质、型号的三角带、同步带、平面带、输送带、圆带、多沟带、铁氟龙网带、活络带。
三角带带轮轮槽尺寸
Modified by JEEP on December 26th, 2020.
选购三角带的方法:
1 .先确雯皮带的上宽和厚度,A型(宽13mm48mm ) B型(宽17mm厚11mm) C
型(宽22mm厚14mm) D型(宽32mm厚19mm) 0型(宽10mm厚6mm) SPZ 型/3V型(宽lOram厚8mm) SPA型(宽12. 7mm厚10mm) SPB型/5V型(宽16. 3mm厚13mm) SPC型(宽22mm厚18mm)
2.然后确定内周长:最简单的方法是用一根细绳围绕皮帯的路径(即皮带盘的沟槽)一圏测量出长度,此长度即是皮带的公制型号(即皮带內周长型号)。
三角带轮、轮槽尺寸
注:
1.尺寸bO的偏差按hl
2.
2.槽角(po的偏差对0, A, B型为正负1度,C. D, E, F型为正负30
分。
3.轮槽工作表面光洁度貯5 (d> 300毫米)或貯6 (dW300毫米)。
4.对于活络三角胶带为使螺钉头不与槽底相碰,H应适当加大。
活络三角带小皮带轮最小直径dmin (毫米)
活络三角带单根胶带所能传递的功率Po
(千瓦)
注:Po值尚无可靠资料,表中数值仅供参考。
活络三角胶带带轮见三角带带轮部分。
三角胶带带轮最小直径dmin (毫米)
三角带轮的计算直径
注:++——优先选用,+——可以选用。
三角带轮材料
1.铸铁,钢,铝合金以及工程塑料,
2.应用灰口铸铁最广,一般为HT15——33,在重要场合或带轮速
度较高时,可用HT20——40。
三角胶带型号及截面尺寸(按GB1171—74)。
V带轮设计1. 主要采用铸铁,牌号HT150或HT20Q转速高时用铸钢2. 带轮结构尺寸当* (2.5 -3)d(轴径)时,可用实心式当*300mm寸,可用腹板式、当D> 300mm寸,可用轮辐式D, = 0.$(D| + 如C —{ ~ ) BL -(I B<1 5J L if式申;P-帽朮的功宇.hw#片-增轮两转連■汀加亦扌产"竹一工)£才为蚊的直锂■ft x = 0-昨h Ijfi s0i 2A |三角带轮、轮槽尺寸注:1. 尺寸bO的偏差按h12.2. 槽角旳的偏差对O, A, B型为正负1度,C, D, E, F型为正负30分3. 轮槽工作表面光洁度▽ 5(d>300毫米)或^ 6 (d< 300毫米)。
4. 对于活络三角胶带为使螺钉头不与槽底相碰,H应适当加大。
活络三角带小皮带轮最小直径dmin (毫米)活络三角带单根胶带所能传递的功率P0 (千瓦)注:P0值尚无可靠资料,表中数值仅供参考三角胶带带轮最小直径dmi n (毫米)三角带轮的计算直径注:++――优先选用,+ ――可以选用二角带轮材料1. 铸铁ZT200,钢,铝合金以及工程塑料,2. 应用灰口铸铁最广,一般为HT1 33,在重要场合或带轮速度较高时,可用HT2 40。
三角胶带型号及截面尺寸(按GB1171―― 74)I标准三角带A,B,C,D,Z*防油,抗静电*工作温度:-18 C至+70 C *最大线性速度:30米/秒型号D120 D122 D126 D134 D136 D138 Li 型号 mm D145 D152 D158 200 D173 404 D174 D180 454 505 D183 581 3099 T20Li mm 3683 3861 4013 4394 4420 4572 4648 顶宽:32mm 高度:20mm角度:40 °型号 D220 D230 D248 D250 D264 D265 D270Li mm 5588 5842 6299 6350 6706 6731 6858*最小轮径:355mm * Li (内长)=La (外长)-119mm* Li (内长)=Lp (节园长)-79mm型号 D298 D300 D303 D314 D342 D355 D358 Li mm 7569 7620 7696 7976 8687 9017 9093 \*—1 o —H V 丄Type Z*顶宽:10mm *最小轮径:50mm * 高度:6mm * Li (内长)=La (外长)-38mm *角度:40 °* Li (内长)=Lp (节园长)-22mm型号 Li mm型号Li mm型号Li mm型 号 Li mm Z11 279Z28 1/2724Z431092Z631600 Z12305 Z29737Z43 1/21105Z64 1626 Z13.5 343Z30762Z441118Z651651 Z14356 Z31787Z451143Z66 1676 Z15 381Z32813Z461168Z681727 Z17 432Z33838Z481219Z69 1753 Z18 457Z33.5851Z491245Z701778 Z19 483Z34864Z501270Z71 1803 Z19 3/4 502Z35889Z51L1295Z721829 Z20 508Z35 1/2902Z52 11321Z73 1854 Z21 533Z36914Z541372Z751905 Z21 1/4 540Z38965Z55 1397Z78 1981 Z22 559Z38 1/2978Z561422Z792007 Z23 584Z39991Z571448Z80 2032 Z24 610Z401016Z581473Z882235 Z25 635Z40 1/21029Z591499Z932362Z26 660Z41 121054Z60152428711Z421067Z621575D141 D2005080D280 7112D3609144。
标准三角带A,B,C,D,Z* 防油,抗静电* 工作温度: -18℃至+70℃* 最大线性速度: 30米/ 秒详细尺寸详细尺寸详细尺寸下面是赠送的团队管理名言学习,不需要的朋友可以编辑删除谢谢1、沟通是管理的浓缩。
2、管理被人们称之为是一门综合艺术--“综合”是因为管理涉及基本原理、自我认知、智慧和领导力;“艺术”是因为管理是实践和应用。
3、管理得好的工厂,总是单调乏味,没有任何激动人心的事件发生。
4、管理工作中最重要的是:人正确的事,而不是正确的做事。
5、管理就是沟通、沟通再沟通。
6、管理就是界定企业的使命,并激励和组织人力资源去实现这个使命。
界定使命是企业家的任务,而激励与组织人力资源是领导力的范畴,二者的结合就是管理。
7、管理是一种实践,其本质不在于“知”而在于“行”;其验证不在于逻辑,而在于成果;其唯一权威就是成就。
8、管理者的最基本能力:有效沟通。
9、合作是一切团队繁荣的根本。
10、将合适的人请上车,不合适的人请下车。
11、领导不是某个人坐在马上指挥他的部队,而是通过别人的成功来获得自己的成功。
12、企业的成功靠团队,而不是靠个人。
13、企业管理过去是沟通,现在是沟通,未来还是沟通。
14、赏善而不罚恶,则乱。
罚恶而不赏善,亦乱。
15、赏识导致成功,抱怨导致失败。
16、世界上没有两个人是完全相同的,但是我们期待每个人工作时,都拥有许多相同的特质。
17、首先是管好自己,对自己言行的管理,对自己形象的管理,然后再去影响别人,用言行带动别人。
18、首先要说的是,CEO要承担责任,而不是“权力”。
你不能用工作所具有的权力来界定工作,而只能用你对这项工作所产生的结果来界定。
CEO要对组织的使命和行动以及价值观和结果负责。
19、团队精神是从生活和教育中不断地培养规范出来的。
研究发现,从小没有培养好团队精神,长大以后即使天天培训,效果并不是很理想。
因为人的思想是从小造就的,小时候如果没有注意到,长大以后再重新培养团队精神其实是很困难的。
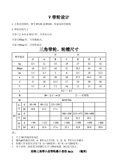
V带轮设计
1.主要采用铸铁,牌号HT150或HT200、转速高时用铸钢
2.带轮结构尺寸
当D≤(2.5 3)d(轴径)时,可用实心式
当D≤300mm时,可用腹板式、
当D≥300mm时,可用轮辐式
三角带轮、轮槽尺寸
注:
1.尺寸b0的偏差按h1
2.
2.槽角φ0的偏差对O,A,B型为正负1度,C,D,E,F型为正负30分。
3.轮槽工作表面光洁度▽5(d>300毫米)或▽6(d≤300毫米)。
4.对于活络三角胶带为使螺钉头不与槽底相碰,H应适当加大。
活络三角带小皮带轮最小直径dmin (毫米)
)
活络三角带单根胶带所能传递的功率P0 (千瓦
三角带轮的计算直径
三角带轮材料
1.铸铁ZT200,钢,铝合金以及工程塑料,
2.应用灰口铸铁最广,一般为HT15——33,在重要场合或带轮速度较高时,可用HT20——40。
)
三角胶带型号及截面尺寸(按GB1171——74
标准三角带A,B,C,D,Z。
V带轮设计
1.主要采用铸铁,牌号HT150或HT200、转速高时用铸钢
2.带轮结构尺寸
当D≤(2.5 3)d(轴径)时,可用实心式
当D≤300mm时,可用腹板式、
当D≥300mm时,可用轮辐式
三角带轮、轮槽尺寸
注:
1.尺寸b0的偏差按h1
2.
2.槽角φ0的偏差对O,A,B型为正负1度,C,D,E,F型为正负30分。
3.轮槽工作表面光洁度▽5(d>300毫米)或▽6(d≤300毫米)。
4.对于活络三角胶带为使螺钉头不与槽底相碰,H应适当加大。
活络三角带小皮带轮最小直径dmin (毫米)
)
活络三角带单根胶带所能传递的功率P0 (千瓦
三角带轮的计算直径
三角带轮材料
1.铸铁ZT200,钢,铝合金以及工程塑料,
2.应用灰口铸铁最广,一般为HT15——33,在重要场合或带轮速度较高时,可用HT20——40。
)
三角胶带型号及截面尺寸(按GB1171——74
标准三角带A,B,C,D,Z。
V带轮设计
1.主要采用铸铁,牌号HT150或HT200、转速高时用铸钢
2.带轮结构尺寸
当D≤(2.5 3)d(轴径)时,可用实心式
当D≤300mm时,可用腹板式、
当D≥300mm时,可用轮辐式
三角带轮、轮槽尺寸
注:
1.尺寸b0的偏差按h1
2.
2.槽角φ0的偏差对O,A,B型为正负1度,C,D,E,F型为正负30分。
3.轮槽工作表面光洁度▽5(d>300毫米)或▽6(d≤300毫米)。
4.对于活络三角胶带为使螺钉头不与槽底相碰,H应适当加大。
活络三角带小皮带轮最小直径dmin (毫米)
活络三角带单根胶带所能传递的功率P0 (千瓦)
注:P0值尚无可靠资料,表中数值仅供参考。
三角胶带带轮最小直径 dmin (毫米)
三角带轮的计算直径
注:++——优先选用, +——可以选用。
三角带轮材料
1.铸铁ZT200,钢,铝合金以及工程塑料,
2.应用灰口铸铁最广,一般为HT15——33,在重要场合或带轮速度较高时,可用HT20——40。
三角胶带型号及截面尺寸(按GB1171——74
)
标准三角带A,B,C,D,Z。
标准三角带A,B,C,D,Z* 防油,抗静电* 工作温度: -18℃至+70℃* 最大线性速度: 30米/ 秒详细尺寸详细尺寸详细尺寸下面是诗情画意的句子欣赏,不需要的朋友可以编辑删除!!谢谢1. 染火枫林,琼壶歌月,长歌倚楼。
岁岁年年,花前月下,一尊芳酒。
水落红莲,唯闻玉磬,但此情依旧。
2. 玉竹曾记凤凰游,人不见,水空流。
3. 他微笑着,在岁月的流失中毁掉自己。
4. 还能不动声色饮茶,踏碎这一场,盛世烟花。
5. 红尘嚣浮华一世转瞬空。
6. 我不是我你转身一走苏州里的不是我。
7. 几段唏嘘几世悲欢可笑我命由我不由天。
8. 经流年梦回曲水边看烟花绽出月圆。
9. 人生在世,恍若白驹过膝,忽然而已。
然,我长活一世,却能记住你说的每一话。
10. 雾散,梦醒,我终于看见真实,那是千帆过尽的沉寂。
11. 纸张有些破旧,有些模糊。
可每一笔勾勒,每一抹痕迹,似乎都记载着跨越千年万载的思念。
12. 生生的两端,我们彼此站成了岸。
13. 缘聚缘散缘如水,背负万丈尘寰,只为一句,等待下一次相逢。
14. 握住苍老,禁锢了时空,一下子到了地老天荒15. 人永远看不破的镜花水月,不过我指间烟云世间千年,如我一瞬。
16. 相逢一醉是前缘,风雨散,飘然何处。
17. 虚幻大千两茫茫,一邂逅,终难忘。
相逢主人留一笑,不相识,又何妨。
18. 天下风云出我辈,一入江湖岁月催;皇图霸业谈笑间,不胜人生一场醉。
19. 得即高歌失即休,多愁多恨亦悠悠,今朝有酒今朝醉,明日愁来明日愁。
20. 直道相思了无益,未妨惆怅是清狂。
21. 看那天地日月,恒静无言;青山长河,世代绵延;就像在我心中,你从未离去,也从未改变。
22. 就这样吧,从此山水不相逢。
23. 人天自两空,何相忘,何笑何惊人。
24. 既不回头,何必不忘。
既然无缘,何须誓言。
今日种种,似水无痕。
明夕何夕,君已陌路。
25. 有缘相遇,无缘相聚,天涯海角,但愿相忆。
有幸相知,无幸相守,苍海明月,天长地久。
V带轮设计
1.主要采用铸铁,牌号HT150或HT200、转速高时用铸钢
2.带轮结构尺寸
当D≤(2.5 3)d(轴径)时,可用实心式
当D≤300mm时,可用腹板式、
当D≥300mm时,可用轮辐式
三角带轮、轮槽尺寸
注:
1.尺寸b0的偏差按h1
2.
2.槽角φ0的偏差对O,A,B型为正负1度,C,D,E,F型为正负30分。
3.轮槽工作表面光洁度▽5(d>300毫米)或▽6(d≤300毫米)。
4.对于活络三角胶带为使螺钉头不与槽底相碰,H应适当加大。
活络三角带小皮带轮最小直径dmin (毫米)
)
活络三角带单根胶带所能传递的功率P0 (千瓦
三角带轮的计算直径
注:++——优先选用, +——可以选用。
三角带轮材料
1.铸铁ZT200,钢,铝合金以及工程塑料,
2.应用灰口铸铁最广,一般为HT15——33,在重要场合或带轮速度较高时,可用HT20——40。
三角胶带型号及截面尺寸(按GB1171——74
)
标准三角带A,B,C,D,Z。
三角带轮槽尺寸
注:
1.尺寸b0的偏差按h1
2.
2.槽角φ0的偏差对O,A,B型为正负1度,C,D,E,F型为正负30分。
3.轮槽工作表面光洁度▽5(d>300毫米)或▽6(d≤300毫米)。
4.对于活络三角胶带为使螺钉头不与槽底相碰,H应适当加大。
活络三角带小皮带轮最小直径d min(毫米)
活络三角带单根胶带所能传递的功率P0
(千瓦)
注:P0值尚无可靠资料,表中数值仅供参考。
活络三角胶带带轮见三角带带轮部分。
三角胶带带轮最小直径 d min (毫米)
三角带轮的计算直径
注:++——优先选用, +——可以选用。
三角带轮材料
1.铸铁,钢,铝合金以及工程塑料,
2.应用灰口铸铁最广,一般为HT15——33,在重要场
合或带轮速度较高时,可用HT20——40。
三角胶带型号及截面尺寸(按GB1171——74)
mm。
皮带轮常用尺寸三角带的型号和角度国家标准规定了三角皮带的型号有O、A、B、C、D、E、F七种型号,相应的皮带轮轮槽角度有三种34°、36°、38°,同时规定了每种型号三角带对应每种轮槽角度的小皮带轮的最小直径,但大皮带轮未作规定。
皮带轮的槽角分34度、36度、38度,具体的选择要根据带轮的槽型和基准直径选择;皮带轮的槽角跟皮带轮的直径有关系,不同型号的皮带轮的槽角在不同直径范围下的推荐皮带轮槽角度数如下:O型皮带轮在带轮直径范围在50mm~71mm时为34度;在71mm~90mm时为36度,>90mm时为38度;A型皮带轮在带轮直径范围在71mm~100mm时为34度,100mm~125mm时为36度;>125mm时为38度;B型皮带轮在带轮直径范围在125mm~160mm时为34度;160mm~200mm 时为36度,>200mm时为38度;C型皮带轮在带轮直径范围在200mm~250mm 时为34度,250mm~315mm时为36度,>315mm时为38度;D型皮带轮在带轮直径范围在355mm~450mm时为36度,>450mm时为38度;E型500mm~630mm时为36度,>630mm时为38度。
三角带的型号有:普通型O A B C D E 3V 5V 8V,普通加强型AX BX CX DX EX 3VX 5VX 8VX,窄V带SPZ SPA SPB SPC,强力窄V 带XPA XPB XPC;三角带的每一个型号规定了三角带的断面尺寸,A 型三角带的断面尺寸是:顶端宽度13mm、厚度为8mm;B型三角带的断面尺寸是:顶端宽度17MM,厚度为10.5MM;C 型三角带的断面尺寸是:顶端宽度22MM,厚度为13.5MM;D型三角带的断面尺寸是:顶端宽度21.5MM,厚度为19MM;E型三角带的断面尺寸是:顶端宽度38MM,厚度为25.5MM。
V带轮设计
1.主要采用铸铁,牌号HT150或HT200、转速高时用铸钢
2.带轮结构尺寸
当D≤(2.5 3)d(轴径)时,可用实心式
当D≤300mm时,可用腹板式、
当D≥300mm时,可用轮辐式
三角带轮、轮槽尺寸
注:
1.尺寸b0的偏差按h1
2.
2.槽角φ0的偏差对O,A,B型为正负1度,C,D,E,F型为正负30分。
3.轮槽工作表面光洁度▽5(d>300毫米)或▽6(d≤300毫米)。
4.对于活络三角胶带为使螺钉头不与槽底相碰,H应适当加大。
活络三角带小皮带轮最小直径dmin (毫米)
)
活络三角带单根胶带所能传递的功率P0 (千瓦
三角带轮的计算直径
注:++——优先选用, +——可以选用。
三角带轮材料
1.铸铁ZT200,钢,铝合金以及工程塑料,
2.应用灰口铸铁最广,一般为HT15——33,在重要场合或带轮速度较高时,可用HT20——40。
三角胶带型号及截面尺寸(按GB1171——74
)
标准三角带A,B,C,D,Z。