三角皮带轮参数表
- 格式:xls
- 大小:60.00 KB
- 文档页数:1
三角皮带轮的铸造工艺设计班级:姓名:学号:摘要通过对所给材料QT450-10的性能分析,确定加工方法,为手工造型,然后根据零件图确定铸件图,铸造工艺图,及铸造方案,通过查铸造手册确定加工余量,收缩率,浇注系统等,考虑是否留冒口,尽量使铸件无夹渣、气孔等缺陷,得到铸件后进行机械加工,根据零件图上所需零件形状及粗糙度选择刀具及加工方法,确定基准,确定背吃刀量,最后得到成品。
关键词:三角皮带轮 QT450-10第一章零件概述1.1 零件基本信息名称:三角皮带轮材料:QT450-10外形尺寸:Φ290mm×90mm 生产批量:大批量铸件三位图:1.2 零件结构特征及作用皮带轮依靠摩擦传动,也就是主动轮靠摩擦力带动皮带,再由皮带带动从动轮,而传动比则是靠主动轮与从动轮的大小比,其原理跟齿轮传动是一样的而不同于齿轮传动。
1.3 零件结构审查查看工作面的表面粗糙度、平行度和对称度是否符合零件要求1.4 零件技术要求1、铸造圆角R52、铸造斜度 1:103、所有倒角2×45°4、本皮带轮为DZ10减速器5、铸件重要的工作表面,在铸造是不允许有气孔、砂眼、渣孔等缺陷。
铸件应进行时效处理;铸件应进行清理,保证表面平整;零件加工完后所有棱边应去除毛刺。
1.5本次设计的纲领本设计的对象是汽车上用的的三角皮带轮,材质为QT450-10,要求大批量生产,依据其生产批量大、零件的强度、精度要求高等特点采用压力铸造。
第二章铸造工艺方案设计2.1 造型、造芯材料及方法根据手工造型和机器造型的特点,选择手工造型。
2.2 浇注位置的确定根据铸造工艺设计中关于浇注位置的确定原则(浇注位置应选在铸件最大截面处,应使合箱位置、浇注位置和位置相一政),所以确定浇注位置为铸件中间对称的最大截面--此截面为最大截面、左右对称、且便于充型和起模。
2.3 分型面的选择本铸件采用两箱造型,根据分型面的选择原则,即分型面应选在铸件最大截面处;分型面应尽量选用平面。
皮带轮和皮带型含义公司标准化编码 [QQX96QT-XQQB89Q8-NQQJ6Q8-MQM9N]标准名称:普通V带轮和窄V带尺寸标准编号:GB/T11544-1997采标情况:neqIS04184:1992 代替标准:GB11544-89---------普通V带和窄V带截面基本尺寸--------截型节宽b p顶宽b 高度h 楔角α(度) 普通V带Y 6 4 40普通V带Z 10 6 40普通V带A 11 13 8 40普通V带B 14 17 11 40普通V带C 19 22 14 40普通V带D 27 32 19 40普通V带E 32 38 25 40窄V带SPZ 10 8 40窄V带SPA 11 13 10 40窄V带SPB 14 17 14 40窄V带SPC 19 22 18 40---------普通V带和窄V带的露出高度--------截型露出最大h r露出最小h r 普通V带Y .8普通V带Z普通V带A普通V带B普通V带C -2普通V带D普通V带E窄V带SPZ窄V带SPA窄V带SPB窄V带SPC -1---------普通V带和窄V带基准长度--------编号 Y型Z型A型B型C型D型E型SPC型SPB型SPA型SPZ型1 2002 2243 2504 2805 3156 3557 400 4008 450 450---------普通V带和窄V带基准长度的极限偏差-----------------普通V带和窄V带基准长度的极限偏差-----------------9N,15N,25N型窄V带的截面基本尺寸与露出高度--------截型顶宽b 高度h 楔角h r非联组带h r联组带9N 9 8 4015N 15 13 40 325N 25 23 40---------9N,15N,25N型窄V带的有效长度极限偏差--------有效长度L e上偏差下偏差1270 8 -82030 10 -102540 13 -133550 15 -157620 20 -2010160 25 -2512700 30 -30---------9N,15N,25N型窄V带配组带的允差--------有效长度L e配组允差1345 4---------9N,15N,25N型窄V带测量用带轮的主要参数-----------------普通V带和窄V带的配组允差--------皮带传动主要有:平皮带、三角带、同步齿型带三种,三种皮带都有国家标准,但是皮带轮因传动比、功率的变化较大,没有完全对应的国家标准或国家标准无法涵盖所有内容,但国家标准确定了选用范围、使用条件、设计方法等内容。
三角皮带轮铸造工艺设计三角皮带轮铸造工艺设计目录摘要 (3)1零件概述 (3)1.1零件基本信息 (3)1.2 零件结构特征及作用 (4)摘要皮带轮是带传动结构重要的零件之一,相比较传统汽车乘用车发动机减震皮带轮,轻型柴油乘用车发动机减震皮带轮既可满足家用轿车发动机上,又可适用大型客车,大型货车,农用车上的发动机上,具有回收循环使用、重量轻、增强发动机的动力、降低油耗等优点。
本文依照铸造工艺设计的一般程序对三角带轮进行了分析,从技术条件和结构着手,参考有关铸造手册和分析相关实例,确定了合理的铸造工艺方案,最终完成了其铸造工艺设计,这为我们今后设计铸造工艺奠定了理论和实践基础。
1 零件概述1.1 零件基本信息零件名称:三角皮带轮零件材料:QT450-10产品生产纲领:大批量生产砂箱高度:250三角带轮零件图:图1 三角带轮零件图1.2 零件结构特征及作用本三角皮带轮采用腹板式结构,结构简单,且是左右上下对称的回转体,易于分型和铸造,大大提高生产效率,重复率高。
1.3 零件结构审查审查、分析铸件结构时应考虑以下几个方面:(1)铸件应有合适的壁厚,为了避免浇不到、冷隔等缺陷铸件不应太薄。
(2)铸件结构不应造成严重的收缩阻碍,注意壁厚过渡和圆角。
(3)铸件内壁应薄于外壁。
(4)壁厚力求均匀,减少肥厚部分,防止形成热节。
(5)利于补缩和实现顺序凝固。
(6)防止铸件翘曲变形。
(7)避免浇注位置上有水平的大平面结构。
三角皮带轮零件轮廓尺寸为290mm*290mm*90mm,由《铸造工艺学》表2-1,知:砂型铸造时球墨铸铁铸件最小允许壁厚为4~8mm。
而三角皮带轮的最小壁厚为11mm,符合要求。
1.4 零件技术要求铸造圆角R5,铸造斜度1:20,所有倒角2×45°,铸件除满足几何尺寸精度和材质要求外,没有其它的特殊要求。
2 铸造工艺方案设计2.1 造型、造芯材料及方法零件轮廓尺寸为290mm*290mm*90mm,尺寸较小,属于中小型零件且需要大批量生产。
标准三角带A,B,C,D,Z* 防油,抗静电* 工作温度: -18℃至+70℃* 最大线性速度: 30米/ 秒* 顶宽: 13mm * 最小轮径: 75mm* 高度: 8mm * Li(内长)= La(外长)-50mm* 角度: 40°* Li(内长)= Lp(节园长)-36mm 型号Li mm 型号Li mm 型号Li mm 型号Li mm A15 381 A42 1067 A72 1829 A96 2438 A18 457 A43 1092 A74 1880 A98 2489 A20 508 A43 1/2 1105 A75 1905 A99 2515 A22 559 A44 1118 A76 1930 A101 2565 A23 584 A45 1143 A77 1956 A102 2591 A23 1/2 597 A45 1/2 1156 A78 1727 A103 2616 A24 610 A46 1168 A79 1753 A104 2642 A25 635 A46 1/2 1181 A80 1778 A105 2667 A26 660 A47 1194 A81 1803 A107 2718 A27 686 A48 1219 A83 1854 A108 2743 A28 711 A49 1245 A85 1905 A110 2794 A29 737 A50 1270 A86 1930 A112 2845 A29 1/2 749 A51 1295 A87 1956 A113 2870 A30 762 A52 1321 A88 1981 A114 2896 A31 787 A53 1346 A89 2007 A115 2921 A32 813 A55 1397 A91 2057 A118 2997 A32 1/2 826 A56 1422 A92 2083 A120 3048 A33 838 A57 1448 A83 2108 A124 3150 A34 864 A58 1473 A83 1/2 2121 A125 3175 A34 1/2 876 A59 1499 A84 2134 A126 3200 A35 889 A60 1524 A84 1/2 2146 A128 3251 A35 1/2 902 A61 1549 A85 2159 A130 3302 A36 914 A62 1575 A86 2184 A132 3353 A37 940 A63 1600 A87 2210 A140 3556 A38 965 A65 1651 A89 2261 A148 3759 A38 1/2 978 A66 1676 A90 2286 A154 3912 A39 991 A67 1702 A91 2311 A162 4115 A40 1016 A68 1727 A92 2337 A167 4242A41 1041 A70 1778 A94 2388 A192 4877 A41 1/2 1054 A71 1803 A95 2413 A197 5004* 顶宽: 17mm * 最小轮径: 125mm* 高度: 11mm * Li(内长)= La(外长)-69mm* 角度: 40°* Li(内长)= Lp(节园长)-43mm型号Li mm 型号Li mm 型号Li mm 型号Li mm B23 584 B52 1321 B89 2261 B132 3353 B24 610 B53 1346 B90 2286 B136 3454 B25 635 B53 1/2 1359 B91 2311 B140 3556 B26 660 B55 1397 B92 2337 B142 3607 B26 1/2 673 B56 1422 B93 2362 B146 3708 B27 686 B57 1448 B94 2388 B150 3810 B28 711 B58 1473 B94 1/2 2400 B151 3835 B29 737 B59 1499 B95 2413 B152 3861 B31 787 B60 1524 B96 2438 B155 3937 B32 813 B62 1575 B96 1/2 2451 B158 4013 B33 838 B63 1600 B98 2489 B160 4064 B341/2 876 B64 1626 B99 2515 B162 4115 B35 889 B65 1651 B101 2565 B164 4166 B37 940 B66 1676 B103 2616 B167 4242 B37 1/2 953 B67 1702 B104 2642 B168 4267 B38 965 B68 1727 B106 2692 B173 4394 B39 991 B69 1/2 1765 B108 2743 B179 4547 B40 1016 B70 1778 B109 2769 B180 4572 B41 1041 B71 1803 B110 2794 B187 4750 B41 1/2 1054 B73 1854 B111 2819 B191 4851 B42 1067 B74 1880 B114 2896 B208 5283 B43 1092 B78 1981 B116 2946 B226 5740 B44 1118 B79 2007 B117 2972 B236 5994 B45 1143 B81 2057 B118 2997 B238 6045 B45 1/2 1156 B82 2083 B119 3023 B40 6096 B46 1168 B83 2108 B120 3048 B248 6299 B48 1219 B85 2159 B125 3175 B280 7112 B49 1245 B86 2184 B126 3200 B298 7569 B50 1270 B88 2235 B128 3251 B345 8763* 顶宽: 22mm * 最小轮径: 120mm* 高度: 14mm * Li(内长)= La(外长)-88mm* 角度: 40°* Li(内长)= Lp(节园长)-56mm型号Li mm 型号Li mm 型号Li mm 型号Li mm C38 965 C75 1905 C110 2794 C160 4064 C43 1092 C78 1981 C111 2819 C166 4216 C47 1194 C80 2032 C112 2845 C168 4267 C48 1219 C81 2057 C114 2896 C173 4394 C49 1245 C83 2108 C115 2921 C180 4572 C50 1270 C84 2134 C116 2946 C185 4699 C51 1295 C85 2159 C117 2972 C187 4750 C53 1346 C86 2184 C120 3048 C190 4826 C54 1372 C87 2210 C122 3099 C198 5029 C57 1448 C88 2235 C126 3200 C200 5080 C59 1499 C89 2261 C130 3302 C204 5182 C60 1524 C90 2286 C132 3353 C208 5283 C62 1575 C91 2311 C136 3454 C210 5334 C63 1600 C92 2337 C138 3505 C220 5588 C64 1626 C93 2362 C140 3556 C225 5715 C65 1651 C95 2413 C142 3607 C238 6045 C66 1676 C96 2438 C144 3658 C240 6096 C67 1702 C99 2515 C146 3708 C264 6706 C68 1727 C101 2565 C148 3759 C280 7112 C69 1753 C102 2591 C149 3785 C295 7493 C70 1778 C104 2642 C150 3810 C320 8128 C71 1803 C105 2667 C152 3861 C328 8331 C72 1829 C106 2692 C153 3886 C418 10617 C74 1880 C108 2743 C158 4013 C658 16713* 顶宽: 32mm * 最小轮径: 355mm* 高度: 19mm * Li(内长)= La(外长)-119mm* 角度: 40°* Li(内长)= Lp(节园长)-79mm型号Li mm 型号Li mm 型号Li mm 型号Li mm D112 2845 D145 3683 D220 5588 D298 7569 D120 3048 D152 3861 D230 5842 D300 7620 D122 3099 D158 4013 D248 6299 D303 7696 D126 3200 D173 4394 D250 6350 D314 7976D134 3404 D174 4420 D264 6706 D342 8687 D136 3454 D180 4572 D265 6731 D355 9017 D138 3505 D183 4648 D270 6858 D358 9093 D141 3581 D200 5080 D280 7112 D360 9144* 顶宽: 10mm * 最小轮径: 50mm* 高度: 6mm * Li(内长)= La(外长)-38mm* 角度: 40°* Li(内长)= Lp(节园长)-22mm型号Li mm 型号Li mm 型号Li mm 型号Li mm Z11 279 Z28 1/2 724 Z43 1092 Z63 1600 Z12 305 Z29 737 Z43 1/2 1105 Z64 1626 Z13.5 343 Z30 762 Z44 1118 Z65 1651 Z14 356 Z31 787 Z45 1143 Z66 1676 Z15 381 Z32 813 Z46 1168 Z68 1727 Z17 432 Z33 838 Z48 1219 Z69 1753 Z18 457 Z33.5 851 Z49 1245 Z70 1778 Z19 483 Z34 864 Z50 1270 Z71 1803 Z19 3/4 502 Z35 889 Z51 1295 Z72 1829 Z20 508 Z35 1/2 902 Z52 1321 Z73 1854 Z21 533 Z36 914 Z54 1372 Z75 1905 Z21 1/4 540 Z38 965 Z55 1397 Z78 1981 Z22 559 Z38 1/2 978 Z56 1422 Z79 2007 Z23 584 Z39 991 Z57 1448 Z80 2032 Z24 610 Z40 1016 Z58 1473 Z88 2235 Z25 635 Z40 1/2 1029 Z59 1499 Z93 2362 Z26 660 Z41 12 1054 Z60 1524Z28 711 Z42 1067 Z62 1575皮带型号顶宽高度角度标测长度外周长Z10640ºLi (内周长)Li+38mmA13840ºLi Li+50mmB171140ºLi Li+69mmC221440ºLi Li+88mmD322040ºLi Li+119mm详细尺寸SPZ10840ºLp (节圆长)Lp+13mm SPA131040ºLp Lp+18mm SPB171340ºLp Lp+20mm SPC221840ºLp Lp+30mm 详细尺寸3V9.7840ºLa (外周长)5V161440ºLa8V252340ºLa详细尺寸以下信息为同步带参数规格:同步带型号规格大全简要说明:凯奥公司为凯奥实业下属直属企业,传承于XX,在大陆拥有自己生产工厂,主要生产,销售各种材质、型号的三角带、同步带、平面带、输送带、圆带、多沟带、铁氟龙网带、活络带。
VF系列蜗轮蜗杆减速机VF系列蜗轮蜗杆减速电机采用最先进的材料与制造技术而设计,具有结构紧凑,质量可靠,多种安装位置可选以及可带扭矩限制器等特点,斜齿轮-蜗轮与双蜗轮减速可以组合提供更多驱动系统。
§额定机械功率(N1=1400min-1):0.04kw...75kw§速比:7....10,000§输出型式: 单键空心轴、实心轴输出、扭矩限制器(可先项)§输入型式: IEC电机安装法兰实心输入轴§交流电机:一体式电机与制动电机-M系列IEC标准电机与制动电机-BN系列单速与双速电机产品结构*VF30-VF72为铝合金箱体,VF86-VF150为铸铁箱体。
型号表示式图表符号说明A c1A c2A n1A n2iKK rM bM1M2,M2′M c2M n2M r2n1,n1′n2,n2′P1P2P c1P c2P n,P n′P n1P n2R c1[N][N][N][N]----[Nm][Nm][Nm][Nm][Nm][min-1][min-1][kW][kW][kW][kW][kW][kW][kW][N]输入轴(+/-)允许负载范围(***)输出轴(+/-)允许负载范围(***)变速箱输入轴额定负载变速箱输出轴额定负载减速比效率系数径向负载系数煞车器额定扭矩变速箱输入扭矩变速箱输出扭矩变速箱输出扭矩范围变速箱额定输出扭矩变速箱输出必需扭矩输入速率输出速率变速箱输入功率变速箱输出功率变速箱输入功率范围变速箱输出功率范围电动机额定功率变速箱额定输入功率变速箱额定输出功率变速箱输入轴径向负载范围(*)X1-2是力应用点和轴肩之间的距离(**)CW=顺时针转动;CCW=逆时针转动(**-*)+=压缩-=牵引VF、VFR系列蜗轮蜗杆减速机安装型式VFR系列安装型式接线盒的位置在T4表格中的说明不适用于VFR44型非固定安装型式 VF/VF 30/63减速机的说明(T9)型号型式不允许安装型式VF/VF 30/63N V6A V6V B3F V6FC V6P V6径向负载变速箱输入轴和输出轴的径向负载,由传动形式决定,计算方式如下:R C1-2 径向负载(牛顿)1=输入轴2=输出轴M1-2扭矩(Nm)d 传动机构的直径(mm)(链轮、齿轮、三角皮带轮)K r=1链轮K r=1.25齿轮K r=1.5-2.5三角皮带轮如表T10所注明各尺寸应用如下:a)轴中心点径向负载R C1-2如T10所示,其数据表示如下:R C1-2≤R n1-2b)负载应用距离X,如图T11所示,允许径向负载R x1-2计算方程式:R x1-2=轴中心点允许径向负载a.b=变速箱常数(表T12)X=轴伸的应用距离(mm)应用状态检查:R C1-2≤R x1-2VF30..P系列蜗轮蜗杆减速机外形及安装尺寸A.N.V F.PVF30M M1M2N N1N2N3N4kgVF30_P56B5910.4312010080771.1VF30_P63B51112.841401159589.5VF30_P63B141112.849075606 5.5VF63..P系列蜗轮蜗杆减速机外形及安装尺寸A.N.V F.FC.P VF63M M 1 M 2 N N 1 N 2 N 3 N 4 kgVF63_P71B5 14 16.3 5 160 130 110 12 9.5 6 VF63_P80B5 19 21.8 6 200 165 130 13.5 11.5 VF63_P90B5 24 27.3 8 200 165 130 13.5 11.5 VF63_P71B14 14 16.3 5 105 85 70 11.5 6.5 VF63_P80B14 19 21.8 6 120 100 80 10 6.5 VF63_P90B142427.38140115 9513.58.5VFR86..P 系列蜗轮蜗杆减速机外形及安装尺寸#薄键VF系列蜗轮蜗杆减速机功率参数表、1.5kWVF/VF系列蜗轮蜗杆减速机功率参数表(30/44、30/49、30/63、44/72) VF/VF30/44 / 70NmVF/VF30/49 /100NmVF/VF30-63 /220NmVF/VF44/72 /320Nm(注:可编辑下载,若有不当之处,请指正,谢谢!)。
旋回破碎机1. 概述早在1880年旋回破碎机就应用于工业部门。
至今仍广泛的应用于大中型选矿厂及其它各工业部门,用于破碎各种不同硬度的矿石和岩石。
旋回破碎机的工作原理。
如图1所示。
它的主要工作部件是可动圆锥(简称动锥)和固定圆锥(简称定锥)。
它们之间形成的空间叫做破碎腔。
1—动锥 2—固定锥 3—偏心套轴4—圆锥齿轮副 5—三角皮带轮图1 旋回破碎机简图主轴和动锥联为一体,它的上端置于横梁铜套孔内,它的下端插在偏心轴套中。
随偏心轴套的转动,动锥同主轴一起围绕破碎机中心线做旋摆运动。
机器工作时,在破碎腔内,位于动锥向定锥靠近部位的矿石,由于受到挤压和弯曲作用而破碎;位于动锥退离定锥的部位,已经破碎了的矿石在自身重力的作用下排出。
偏心轴套的转动是通过圆锥齿轮副和三角皮带轮,由电动机带动。
旋回破碎机有三种类型:固定轴式、斜面排矿式和中心排矿式。
由于前两种有许多缺点,所采用中心排矿式旋回破碎机。
由于液压技术的应用,在普通旋回破碎机的基础上又出现了液压旋回破碎机。
旋回破碎机的规格用给矿口宽度β和排矿口宽度e表示。
例如PXZ1400/170液压旋回破碎机表示给矿口宽度是1400㎜,跑矿口宽度是170㎜,P代表破碎机,X代表旋回,Z代表重型。
2. 液压旋回破碎机的构造图2是PXZ1400/170液压旋回破碎机构造图。
它是由横梁部、中架体部、动锥部、偏心轴套部、机座部、传动部、液压油缸部和干、稀油润滑系统组成。
图2旋回破碎机结构2.1传动部破碎机是由电机驱动的,传动部将电机的动力经三角皮带、连轴器、传动轴、小圆锥齿轮传给大圆锥齿轮和偏心轴,从而使偏心轴旋转,带动动锥旋回运动;传动轴横放在机座内,轴架中装有青铜衬套。
2.2机座部机座是整个破碎机的主体,安装在钢筋混凝土或钢制基础上,机座与中架体之间通过止口定位并用螺钉紧固。
机座中心筒由四根筋板与机座联为一体,筋板与中心筒外面设有锰钢护板。
以免落下的矿石砸坏筋板和中心筒,中心筒内压配有大铜套,偏心轴就在此轴套中旋转。
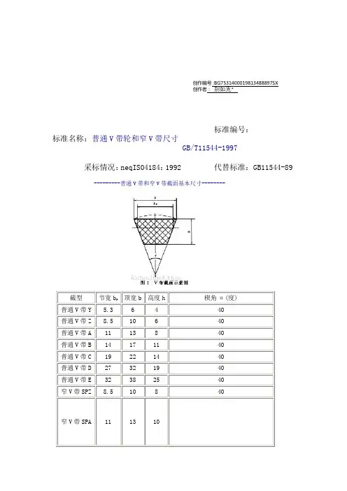
创作编号:BG7531400019813488897SX创作者:别如克*标准编号:标准名称:普通V带轮和窄V带尺寸GB/T11544-1997采标情况:neqIS04184:1992 代替标准:GB11544-89 ---------普通V带和窄V带截面基本尺寸--------截型节宽b p顶宽b 高度h 楔角α(度)普通V带Y 5.3 6 4 40普通V带Z 8.5 10 6 40普通V带A 11 13 8 40普通V带B 14 17 11 40普通V带C 19 22 14 40普通V带D 27 32 19 40普通V带E 32 38 25 40窄V带SPZ 8.5 10 8 40窄V带SPA 11 13 10作编号:BG7531400019813488897SX作者:别如克*40窄V带SPB 14 17 14 40窄V带SPC 19 22 18 40---------普通V带和窄V带的露出高度--------截型露出最大h r露出最小h r 普通V带Y .8 -.8普通V带Z 1.6 -1.6普通V带A 1.6 -1.6普通V带B 1.6 -1.6---------普通V带和窄V带基准长度-----------------普通V带和窄V带基准长度的极限偏差-----------------普通V带和窄V带基准长度的极限偏差-----------------9N,15N,25N型窄V带的截面基本尺寸与露出高度--------截型顶宽b 高度h 楔角h r非联组带h r联组带9N 9 8 40 2.5 5.1 15N 15 13 40 3 6.4 25N 25 23 40 4.1 7.6---------9N,15N,25N型窄V带的有效长度极限偏差--------有效长度L e上偏差下偏差1270 8 -82030 10 -102540 13 -133550 15 -157620 20 -2010160 25 -2512700 30 -30---------9N,15N,25N型窄V带配组带的允差--------有效长度L e配组允差1345 42690 66000 10---------9N,15N,25N型窄V带测量用带轮的主要参数-----------------普通V带和窄V带的配组允差--------皮带传动主要有:平皮带、三角带、同步齿型带三种,三种皮带都有国家标准,但是皮带轮因传动比、功率的变化较大,没有完全对应的国家标准或国家标准无法涵盖所有内容,但国家标准确定了选用范围、使用条件、设计方法等内容。
目录序号类型名称1、A类材料2、B类一般标准3、C类传动件4、D类电器件5、G类管件6、J类紧固件7、L类冷却件8、Q类其它件9、R类润滑件10、S类附件11、Y类液压件12、Z类操作件A类材料序号型号名称根据1 A10-1 钢材牌号的表示方法 GB/T221-20002 A11-1 钢的化学成分 JB/GQ0002-893 A13-1 热轧扁钢尺寸、外形重量及允许偏差 GB/T704-19884 A13-2 热轧圆钢、方钢及六角钢 GB/T702-1986等5 A13-3 冷拉圆钢、方钢及六角钢 GB/T905~907-19946 A13-4 热轧普通工字钢 GB/T706-19887 A13-5 热轧轻型工字钢 YB/T163-19998 A13-6 热轧普通槽钢 GB/T707-19889 A13-7 热轧轻型槽钢 YB164-6310 A13-8 热轧等边角钢 GB/T9787-198811 A13-9 热轧不等边角钢 GB/T9788-198812 A15-1 热轧厚钢板 GB/T709-198813 A15-2 轧制薄钢板 GB/T708-198814 A15-3 花纹钢板 GB/T3277-199115 A15-4 镀锌薄钢板 YB180-6316 A16-1 无缝钢管 GB/T8162-199917 A16-2 低压流体输送用镀锌焊接钢管 GB/T3091-199318 A16-4 P3型镀锌金属软管 GB/T3641-198319 A16-6 低压流体输送用焊接钢管 GB/T3092-199320 A16-7 冷拔或冷轧精密无缝钢管 GB/T3639-198321 A16-8 冷拔无缝异型钢管 GB/T3094-198222 A17-1 碳素弹簧钢丝 GB/T4357-198923 A17-2 重要用途的弹簧钢丝 GB/T4358-199524 A17-3 合金弹簧钢丝 GB5218-199925 A18-2 弹簧钢、工具钢冷轧钢带 YB/T5058-199326 A18-3 热处理弹簧钢带 YB/T5063-199327 A18-5 优质碳素结构钢冷轧钢带 GB/T3522-198328 A21-1 机床灰铸铁件 JBn3997-8529 A21-2 一般工程用铸造碳钢 GB11352-198930 A21-3 合金铸钢 Q/ZB66-7331 A23-1 机床导轨用磷铜钛和高磷耐磨铸铁件 JB/GQ1020-8132 A23-2 机床导轨用钒钛耐磨铸铁件 JB/GQ1021-8133 A23-3 机床导轨用铬钼铜和铬铜耐磨铸铁件 JB/GQ1022-8234 A24-1 球墨铸铁件 GB/T1348-198835 A25-1 可锻铸铁 GB/T9440-198836 A30-1 有色金属及合金产品牌号表示方法 GB340-7637 A31-1 铸造铜合金 GB/T1176-198738 A31-2 铸造铝合金 GB/T1173-199539 A31-3 铸造锌合金 GB/T1175-119740 A31-4 铸造轴承合金 GB/T1174-199241 A32-1 常用铜及铜合金板(带)、管、棒的化学成分和机械性能GB/T5231-198542 A33-1 铜及铜合金棒常用规格 GB/T4423-199243 A33-2 常用铝及铝合金挤压棒材规格 GB/T3191-199844 A35-2~6 常用铜和铜合金板(带)规格 GB/T2040-198945 A36-1 常用铝及铝合金加工产品的化学成分 GB/T3190-199646 A36-2 铝及铝合金加工产品的机械性能 GBn168-82等47 A36-3 铝及铝合金板的规格 GB/T3194-198248 A37-1 拉制铜管 GB/T1527-199749 A37-2 挤制铜管 GB/T1528-199750 A37-3 常用冷拉铝及铝合金管规格 GB/T4436-199551 A37-4 常用热挤压铝及铝合金管规格 GB/T4436-199552 A38-3~5 常用铜及铜合金线材的机械性能和规格 GB/T14953-199453 A38-9 铜网 QB326-6254 A39-1 硬质合金 YB849~850-7555 A70-1 橡胶及其制品 GB/T5574-199456 A70-2 普通液压系统用O型橡胶密封圈胶料 GB7038-8657 A70-3 工程塑料 JB893-6658 A70-4 往复运动用密封圈胶料 GB7039-8659 A71-2 三角胶带 GB/T1171-199660 A71-4 工业用硫化橡胶板 GB/T5574-199461 A71-5 方、圆橡皮条 JB/GQ-28-8062 A72-1 普通全胶管 HG4-404-6663 A72-2 夹布输油胶管 HG4-761-7464 A72-3 输水胶管 HG/T2184-199165 A72-4 空气胶管 GB/T1186-199266 A72-6 棉线编织(缠绕)胶管 HG4-405-7567 A72-7 钢丝编织液压胶管 GB/T3683-199268 A74-6 软聚氯乙烯板材 SG245-8169 A74-7 工业有机玻璃 HG2-343-7670 A74-8 工业用赛璐璐 JB/GQ-Z9-8071 A74-9 硬聚氯乙烯板材 GB/T4454-199672 A75-3 硬聚氯乙烯管材 GB/T4219-199673 A75-4 软聚氯乙烯管材 SG79-7574 A75-6 聚乙烯管材 SG80-7575 A76-2 软聚氯乙烯压延薄膜 GB/T3830-199476 A77-1 硬钢纸板 QB364-6377 A77-2 软钢纸板 QB365-6378 A77-4 衬垫纸板、青壳纸 JB/GQ-Z11-8079 A77-8 工业用毛毡 FJ313-314-8180 A80-1 机床用润滑剂的选用 GB/T7632-1987B类一般标准序号型号名称根据1 B11-1 优先数和优先数系 GB/T321-19802 B11-2 标准尺寸 GB/T2822-19873 B11-3 管路系统基本参数 GB/T1047-1995\1048-19904 B11-4 液压系统基本参数 JB2183-77等(已作废)5 B11-9 产品标牌 GB/T13306-19916 B13-1 锥度与锥角系列 GB/T157-19897 B13-3 锥度和角度公差 GB/T11334-19898 B13-4 自由锥度和角度公差 GB/T1804-20009 B13-6 工具柄自锁圆锥的尺寸和公差 GB/T1443-199610 B13-8 莫氏短圆锥的尺寸和公差 JB1561-75等11 B14-1 零件倒角与倒角 GB/T6403.4-198612 B14-2 球面半径 GB/T6403.1-198613 B14-4 砂轮越程槽 GB/T6403.5-198614 B14-5 润滑槽 GB/T6403.2-198615 B14-6 刻线尺寸 JB/GQ0108-8916 B14-7 滚花 GB/T6403.3-198617 B14-8 沉孔和凸台尺寸 GB/T152.1.2.3.4-198818 B14-9 T形槽 GB/T158-199619 B15-1 板手尺寸和公差 JB/GQ0112-8920 B15-2 工具用、传动用柄部方头尺寸和公差 GB/T4267-198421 B15-3 铆钉孔 GB/T152.1-198822 B15-4 紧固件螺栓和螺钉通孔 GB/T5277-198523 B17-1 板手空间位置 JB/GQ0114-8924 B17-2 通风罩冲孔 JB/GQ0115-8925 B17-7 中心孔 GB/T145-198526 B17-8 弯曲半径 JB/GQ0117-8927 B17-9 铸件吊耳尺寸 JB/GQ0118-8928 B21-1 普通螺纹直径与螺距 GB/T193-198129 B21-2 普通螺纹基本尺寸 GB/T196-198130 B21-3 普通螺纹公差与配合 GB/T197-198131 B21-4 普通螺纹偏差表 GB/T2516-198132 B21-5 普通螺纹收尾、肩距、退刀槽、倒角尺寸 GB/T3-199733 B21-6 普通螺纹底孔尺寸 JB/GQ0123-8934 B21-7 螺纹余量 JB/GQ0124-8935 B21-8 紧固件外螺纹零件的末端 GB/T2-198536 B21-9 粗牙螺栓、螺钉的拧入深度、攻丝深度及钻孔深度 JB/GQ0126-8937 B22-2 圆柱管螺纹基本尺寸 JB/GQ0127-8938 B22-3 圆柱管螺纹公差 JB/GQ0129-8939 B22-4 圆柱管螺纹收尾、退刀槽、倒角尺寸 JB/GQ0128-8940 B22-5 圆柱管螺纹底孔尺寸 JB/GQ0130-8941 B22-6 60°圆锥螺纹42 B22-7 管接头尺寸43 B22-8 用螺纹密封的管螺纹 GB/T7306.1.2-200044 B22-9 非螺纹密封的管螺纹 GB/T7307-198745 B24-2 米制锥螺纹基本尺寸 GB/T1415-199246 B24-3 米制锥螺纹公差 GB/T1415-199247 B24-4 米制锥螺纹收尾、肩距、退刀槽、倒角尺寸 GB/T3-199748 B24-5 米制锥螺纹接头尾端尺寸 JB/GQ0134-8949 B25-1 梯形螺纹直径与螺距 GB/T5796.2-198650 B25-2 梯形螺纹基本尺寸 GB/T5796.3-198651 B25-3 梯形螺纹公差 GB/T5796.4-198652 B25-4 梯形螺纹收尾、退刀槽、倒角尺寸 JB/GQ0138-8953 B25-5 梯形螺纹底孔尺寸 JB/GQ0139-8954 B27-1 锯齿形螺纹直径与螺距 GB/T13576.2-199255 B27-2 锯齿形螺纹基本尺寸 GB/T13576.3-199256 B27-3 锯齿形螺纹公差 GB/T13576.4-199257 B28-1 电机圆柱形轴伸 GB/T756-199058 B28-2 电机圆锥形轴伸 GB/T757-199359 B28-3 圆柱形轴伸 GB/T1569-199060 B28-4 圆锥形轴伸 GB/T1570-199061 B31-1 公差与配合总论:标准公差与基本偏差 GB/T1800.1~.4-199762 B31-2 公差与配合尺寸至500mm孔、轴公差带与配合 GB/T1801-199963 B31-3 公差与配合尺寸大于500mm孔、轴公差带与配合 GB/T1801-199964 B31-6 公差与配合未注公差尺寸的极限偏差 GB/T1804-200065 B31-7 对配制配合的规定 JB/Z114-7966 B34-1 表面粗糙度 GB/T3505-2000等67 B41-1 渐开线圆柱齿轮模数 GB/T1357-198768 B41-2 渐开线圆术齿轮图样上就注明的尺寸数据 GB/T6443-198669 B41-3 机床圆柱齿轮副侧隙和齿轮齿厚偏差 JB/GQ1070-8570 B41-4 机床圆柱齿轮箱体孔中心距偏差和轴线平行度公差 JB/GQ1071-8571 B41-8 齿端倒角 JB/GQ0150-8972 B41-9 插齿空刀槽 JB/GQ0151-8973 B51-1 圆柱蜗杆模数和直径 GB/T10088-198874 B51-2 圆柱蜗杆基准齿廓 GB/T10087-198875 B51-3 圆柱蜗杆传动基本参数 GB/T10085-198876 B55-1 平键(应为GB/T1096) GB/T1095-1979为剖面尺寸77 B55-2 半圆键(应为GB/T1099) GB/T1098-1979为剖面尺寸78 B55-3 楔键(应为GB/T1564或1565) GB/T1563-1979(90)"79 B55-4 薄型平键(应为GB/T1567) GB/T1566-1979(90)"80 B55-6 矩形花键尺寸、公差和检验 GB/T1144-198781 B56-1 平皮带轮剖面尺寸 JB/GQ0158-8982 B56-2 三角皮带轮轮槽断面尺寸 JB/GQ0159-8983 B56-3 圆皮带轮剖面尺寸 JB/GQ0160-8984 B56-5 钢丝绳用润滑剖面尺寸 JB/GQ0161-8985 B56-6 传动用短节距精密滚子链和套筒链链轮齿形和公差 GB/T1243-199786 B57-1 爪形离合器齿形尺寸 JB/GQ163-89C类传动件序号型号名称依据1 C40-1 联轴器轴孔和键槽型式及尺寸 GB/T3852-19972 C40-2 胀紧联结套型式与基本尺寸 JB/T7934-19993 C41-1 轴套联轴器 JB/GQ0443-894 C41-2 联轴套 JB/GQ0444-895 C41-3 花键联轴 JB/GQ0445-896 C41-4 变径联轴套 JB/GQ0446-897 C41-5 膜片弹性联轴器 JB/GQ8 C42-1A 弹性套柱销联轴器 GB/T4323-19849 C42-3 简单型弹性圈柱销联轴器 JB/GQ0448-8910 C42-4A 弹性轴销联轴器 GB/T5014-198511 C42-5 挠性爪型联轴器 JB/GQ0450-8912 C42-6 柱销联轴器 JB/GQ0451-8913 C43-1 凸缘联轴器 GB/T5843-1986D类电器件序号型号名称依据*1 D15-1 电源开关联锁机构 JB/GQ0613-87*2 D21-1 电缆端接式管接头 JB/T8774.7-1998*3 D36-2 接线盒(由电器通用件DT5代替) JB/GQ1563-84*4 D37-1 JDG系列接地端子排 JB/T8774.14-1998*5 D71-1 SP3包塑金属软管 JB/T8774.15-19986 D71-2 BSP3型编织金属软管 JB/GQ0575-857 D71-3 JP3型矩形金属软管 JB/GQ0581-858 D71-4 XP3型吸尘金属软管 JB/GQ0582-85*9 D82-1A 电线接头 JB/T2436.1.2-1992\94 10 D83-1 线板 JB/GQ0491-89 *11 D83-2 通用T型行线槽 JB/T9660-199912 D83-3 支承板 JB/GQ0631-8813 D83-4 档铁板 JB/GQ0629-8814 D83-5 多槽档铁板 JB/GQ0630-88*15 D88-4 电缆孔密封接头保护套 JB/GQ0626-88*16 D88-5 绝缘套 JB/GQ0493-89 *17 D88-6 橡皮塞 JB/GQ0494-89 *18 D88-8 管夹 JB/GQ0634-88 *19 D88-9 可调固定管夹 JB/GQ20 D90-1 金属软管接头技术条件 JB/GQ0573-85*21 D91-1 尼龙扎带 JB/T8774.1-1998 *22 D91-1A 扎带座 JB/T8774.2-1998 *23 D91-1B 尼龙扎带座 JB/GQ0561-8324 D91-2A 一通法兰式管接头 JB/GQ0495-8825 D91-4A 一通直角法兰式管接头 JB/GQ0496-89*26 D91-4B 一通直角管接头 JB/GQ0566-8827 D92-1A 二通管接头 JB/GQ0497-89*28 D92-2A 二通法兰式管接头 JB/T8774.10-199829 D92-3A 二通直角管接头 JB/GQ0499-8830 D92-3B 二通直角管接头 JB/GQ0567-8431 D92-4A 二通直角法兰式管接头 JB/T8774.9-1998*32 D93-1A 三通管接头 JB/GQ0501-8833 D93-2A 三通法兰式管接头 JB/T8774.11-1998*34 D94-1A 四通管接头 JB/GQ0503-89 35 D94-2A 四通法兰式管接头 JB/GQ0504-89*36 D95-1 变径管接头 JB/GQ0505-8937 D96-3A 金属软管端接式管接头(直式) JB/GQ0544-84不用此类38 D96-4A 包塑金属软管端接式管接头 JB/T8774.6-1998*39 D96-5 金属软管端接式管接头(连接处为螺旋式) JB/T8774.6-1998*40 D96-5A 金属软管端接式弹簧管接头 JB/GQ41 D96-6 金属软管串通式管接头 JB/GQ0553-8342 D96-7 90°金属软管管接头 JB/GQ0568-84*43 D96-8 90°包塑金属软管管接头 JB/GQ0569-84*44 D96-8A 90°包塑金属软管弹簧管接头 JB/GQ45 D96-9 45°金属软管管接头 JB/GQ0570-84*46 D96-10 45°包塑金属软管管接头 JB/GQ0571-8447 D96-10A 45°包塑金属软管弹簧管接头 JB/GQ*48 D96-11 铠装金属软管管接头 JB/T8774.5-1998*49 D96-12 90°铠装金属软管管接头 JB/GQ0577-85*50 D96-13 45°铠装金属软管管接头 JB/GQ0578-8551 D97-1A 普通全胶管管接头 JB/GQ0507-8952 D97-2A 普通全胶管管接头 JB/GQ0508-8953 D97-3A 普通全胶管管接头 JB/GQ0509-89*54 D97-4 护套多芯软线管接头 JB/GQ0617-88*55 D97-5 橡胶、塑料护套电缆管接头 JB/GQ0616-88*56 D97-6 金属网屏蔽电缆管接头 JB/GQ0615-88G类管件序号型号名称根据*1 G11-1 螺纹管(GB/T3091镀锌管代替) GB/T3091-19932 G12-2 内螺纹直通管接头 GB3289.22/GB/T3289.22-19823 G12-3/G12-7 外螺纹直通管接头(为非密封性螺纹)为密封性螺 GB/T3289.26-1982“同上”改为非密封4 G12-4 变径直通管接头 GB/T3289.24-19825 G12-5 内外螺纹变径管接头 GB/T3289.28-19826 G13-1 直角管接头 GB/T3289.2-1982 G13-2 改为“同上”(为密封性螺纹)顶冠90300部分改为非密封`7 G14-1 三通管接头 GB/T3289.10-19828 G14-2 变径三通管接头 GB/T3289.14-19829 G15-1 四通管接头 GB/T3289.20-198210 G15-2 变径四通管接头 GB/T3289.21-1982*11 G17-1/G17-2 螺母连接管接头 GB/T3289.37-1982平行GB/T3289.38-1982锥行12 G31-7A 喉箍 JB/T8870-199913 G31-8 钢丝编织胶管管夹 JB/GQ0312-8914 G34-1(GB3289.30-82)六角管螺母 JB/GQ0313-8915 G34-2 封口管螺纹 JB/GQ0314-8916 G34-3 圆形管螺母 JB/GQ0315-8917 G38-1A 滚花油塞 JB/GQ0316-8918 G38-2A 外六角油塞 JB/T1000-197719 G38-3A 锥螺纹油塞 JB/GQ0318-8920 G38-4A 内六角油塞 JB/T1001-197721 G38-5 油塞 JB/GQ0320-8922 G51-1 毡衬圈 JB/GQ0324-8923 G51-2A O形橡胶密封圈 GB/T1235-197624 G51-2B O形密封圈 GB/T3452.1-199225 G51-3 V形夹织物橡胶密封圈 HG4-337-6626 G51-4 骨架油封 GB/T9877.1.2.3-198827 G51-5 J形橡胶密封圈 HG4-332-6628 G51-6 L形橡胶密封圈 HG4-331-6629 G51-7 U形橡胶密封圈 HG4-334-6630 G51-8 Y形橡胶密封圈 HG4-335-66\GB/T1070831 G52-1 垫圈 JB/GQ0332-8932 G51-9 旋转轴回流唇型密封圈 JB/GQ0644-8933 G52-2 组合密封垫圈 JB/T982-197734 G52-5 密封垫圈 JB/T1002-197735 G70-1 钢丝编织扣压式胶管接头技术条件 JB1901-77(已作废)36 G71-2 扣压式胶管接头螺母 JB1891-77(已作废)37 G71-2A 可拆式接头螺母 JB1896-77(已作废)38 G71-3 扣压式胶管接头外套 JB1892-77(已作废)39 G71-3A 可拆式接头外套 JB1897-77(已作废)40 G71-5 锥螺纹直通管接头 JB921-7741 G72-1 橡胶软管连接外螺纹直通管接头 JB/GQ0341-8942 G72-2 橡胶软管连接内螺纹直通管接头 JB/GQ0342-89*43 G74-1 钢丝编织A型扣压式胶管接头 JB1885-77(已作废)44 G74-1A 钢丝编织A型可拆式胶管接头 JB1886-77(已作废)*45 G74-2 钢丝编织B型扣压式胶管接头 QY-250.1用JB1886-77、JB1894-77废46 G74-2A 钢丝编织B型可拆式胶管接头 JB1889-77(废)47 G74-3 钢丝编织C型扣压开胶管接头 JB1887-77、JB1895-77废48 G74-3A 钢丝编织C型可拆式胶管接头 JB1890-77废49 G75-1 扣压式低压胶管管接头 JB/GQ0346-8950 G82-1 聚氯乙烯软管连接直通管接头 JB/GQ0347-8951 G83-1 聚氯乙烯软管连接直角管接头 JB/GQ0348-8952 G84-1 聚氯乙烯软管连接三通管接头 JB/GQ0349-8953 G90-1 扩口式管接头技术条件 GB/T5653-198554 G91-1 扩口式管接头空心螺栓 GB/T5650-198555 G91-2 扩口式管接头密合垫 GB/T5651-198556 G91-2A 扩口式管接头锁紧螺母 GB/T5649-198557 G91-3 扩口式管接头管套 GB/T5646-198558 G91-4 扩口式压力表管接头 GB/T5645.1-198559 G91-5 扩口式管接头锁紧螺母垫圈 GB/T5652-198560 G92-1A 扩口式锥管螺纹直通管接头 GB/T5626.1-198561 G92-2 扩口式直通管接头 GB/T5628.1-198562 G92-3A 扩口式锥螺纹长管接头 GB/T5627.1-198563 G92-4 扩口式隔壁直通管接头 GB/T5643.1-198564 G92-5 扩口式端直通管接头 GB/T5625.1-198565 G93-1A 扩口式锥螺纹直角管接头 GB/T5629.1-198566 G93-2 扩口式隔壁直角管接头 GB/T5644.1-198567 G94-1 扩口式可调向端直角管接头 GB/T5631.1-198568 G94-1A 扩口式锥螺纹三通管接头 GB/T5635.1-198569 G94-2A 扩口式变径锥螺纹三通管接头 GB/T5636.1-198570 G94-4 扩口式三通管接头 GB/T5639.1-198571 G94-4A 扩口式可调向端三通管接头 GB/T5633.1-198572 G94-5 扩口式三通变径管接头 GB/T5640.1-198573 G94-5A 扩口式可调向端直通三角管接头 GB/T5637.1-198574 G95-1A 扩口式焊接管接头 GB/T5642.1-198575 G95-2 扩口式四通管接头 GB/T5641.1-198576 G96-1 可调尼龙固定管夹 JB/GQ0555-8377 G96-2 单面尼龙固定管夹 JB/GQ0556-8378 G96-3 包塑金属软管单管尼龙固定座 JB/GQ0557-8379 G96-4 包塑金属软管双管尼龙固定座 JB/GQ0558-8380 G96-5 包塑金属软管双管尼龙固定夹 JB/GQ0559-83J类紧固件序号型号名称依据1 J11-1 六角螺母 GB/T6170-19862 J11-2 六角扁螺母 GB/T6172-1986等3 J11-3 六角厚螺母 GB/T56-19884 J11-42 型六角螺母 GB/T6175-1986等5 J11-9 六角开槽螺母 GB/T6178-19866 J12-8 六角螺母(粗制) GB/T41-19867 J13-1 球面六角螺母 GB/T804-19888 J13-2 盖形螺母 GB/T923-19889 J13-3 六角盘形螺母 JB/GQ0632-8910 J13-4 六角焊接螺母 JB/GQ11 J14-1 垫块锁紧圆螺母 JB/GQ0172-8912 J14-3 端面带孔细牙圆螺母 JB/GQ0174-8913 J14-4 圆螺母 GB/T812-198814 J14-5 带锁紧槽圆螺母 JB/GQ0175-8915 J14-6 压块锁紧圆螺母 JB/GQ0176-8916 J14-8 滚花高螺母 GB/T806-198817 J14-9 滚花薄螺母 GB/T807-198818 J16-1 蝶形螺母 GB/T62-198819 J19-1 机床工作台T形槽和相应螺栓 GB/T158-199620 J21-1 六角头螺栓 GB/T5782~5786-198621 J21-2 六角头螺栓(C级) GB/T5780~5781-198622 J21-3 六角头头部带孔螺栓 GB/T32.1-198823 J21-4 开槽盘头螺钉 GB/T67-198524 J21-5 方头螺栓(C级) GB/T8-198825 J21-6 开槽沉头螺钉 GB/T68-198526 J21-8 开槽圆柱头螺钉 GB/T65-198527 J21-9 内六角圆柱头螺钉 GB/T70-198528 J22-1 方头圆柱球面端紧定螺钉 GB/T83-198829 J22-2 方头长圆柱端紧定螺钉 GB/T85-198830 J22-3 开槽平端紧定螺钉 GB/T73-198531 J22-4 开槽锥端紧定螺钉 GB/T71-198532 J22-5 长槽长圆柱端紧定螺钉 GB/T75-198533 J22-6 开槽锥端定位螺钉 GB/T72-198834 J22-7 长方尾定位螺钉 JB/GQ0195-8935 J22-8 滚花平头螺钉 GB/T835-198836 J22-9 内六角锥端紧定螺钉 GB/T78-198537 J22-10 内六角圆柱端紧定螺钉 GB/T79-198538 J22-11 开槽凹端紧定螺钉 GB/T74-198539 J22-12 内六角凹端紧定螺钉 GB/T80-198540 J23-1 双头螺栓(bm=1.5d) GB/T899-198841 J23-3 活节螺栓 GB/T798-198842 J23-5 等长双头螺栓 GB/T901-198943 J23-7 包装箱用钩形螺栓 JB/GQ0201-8944 J23-8 地角螺栓(C级) GB/T799-198845 J24-1 十字槽盘头螺钉 GB/T818-198546 J24-2 十字槽沉头螺钉 GB/T819-198547 J24-3 十字槽圆柱头螺钉 GB/T822-198848 J24-4 十字槽半沉头螺钉 GB/T820-198549 J25-1 内六角花形盘头螺钉 GB/2672-198650 J25-2 内六角花形沉头螺钉 GB/T2674-198651 J25-3 内六角花形圆柱头螺钉 GB/T6191-198652 J25-4 内六角花形半沉头螺钉 GB/T2673-198653 J26-1 内六角平端紧定螺钉 GB/T77-198554 J26-3 方头倒角端紧定螺钉 GB/T821-198855 J26-5 滚花高头螺钉 GB/T834-198856 J29-1 T型槽用螺栓 GB/T37-198857 J29-2 开槽球面大圆柱头螺钉 GB/T947-198858 J29-3 吊环螺钉 GB/T825-198859 J29-4 弹簧用吊环螺钉 JB617-5960 J29-5 弹簧用螺钉 JB16-59*61 J31-1A 普通平键 GB/T1096-1979 *62 J31-2A 导向平键 GB/T1097-197963 J31-3A 陷入平键 JB/GQ0217-198964 J31-5 薄型平键 JB/T1567-197965 J32-1A 钩头楔键 JB/T1565-197966 J33-1A 半圆键 GB/T1099-197967 J41-1 圆锥销 GB/T117-198668 J41-2 内螺纹圆锥销 GB/T118-198669 J41-3 螺尾锥销 GB/T881-198670 J41-4 开尾圆锥销 GB/T877-198671 J44-1 圆柱销 GB/T119-198672 J44-2 内螺纹圆柱销 GB/T120-198673 J44-3 螺纹圆柱销 GB/T878-198674 J44-4 弹性圆柱销 GB/T879-198675 J44-5 销轴 GB/T882-198676 J44-9 开口销 GB/T91-198677 J51-1 垫圈 GB/T97.1-198578 J51-2 垫圈(粗制) GB/T95-198579 J51-3 大垫圈 GB/T96-198580 J51-5 开口垫圈 GB/T851-198881 J51-9 垫块 JB/GQ0234-8982 J53-1 球面垫圈 GB/T849-198883 J53-2 锥面垫圈 GB/T850-198884 J54-1 弹簧垫圈 GB/T93-198785 J54-2 鞍形弹性垫圈 GB/T867-198786 J54-3 波形弹性垫圈 GB/T955-198787 J54-4 锥形锁紧垫圈 GB/T956.1-198788 J54-5 锥形锯齿锁紧垫圈 GB/T956.2-198789 J54-6 内齿锁紧垫圈 GB/T861.1-198790 J54-7 外齿锁紧垫圈 GB/T862.1-198791 J54-8 外锯齿锁紧垫圈 GB/T862.2-198792 J55-1 圆螺母用止动垫圈 GB/T858-198893 J55-2 外舌止动垫圈 GB/T856-198894 J55-3 单耳止动垫圈 GB/T854-198895 J55-4 矩形止动垫圈 JB/GQ0241-8996 J55-5 止动垫圈 JB/GQ97 J55-6 内舌止动垫圈 JB/GQ0242-8998 J55-7 双耳止动垫圈 GB/T855-198899 J62-1 开口挡圈 GB/T896-1986 100 J62-2 轴用弹性挡圈 GB/T894.1-1986 101 J62-3 孔用弹性挡圈 GB/T893.1-1986 102 J62-4 孔用钢丝挡圈 GB/T895.1-1986*103 J62-5 锁圈 GB/T921-1986 104 J62-6 轴用钢丝挡圈 GB/T895.2-1986 105 J63-1 转动压紧挡圈 JB43-59 106 J63-2 止推环 JB/GQ0250-89 107 J63-3 轴承止动环 JB/GQ0251-89 108 J64-1 螺钉紧固轴端挡圈 GB/T891-1986*109 J64-2 螺栓紧固轴端挡圈 GB/T892-1986110 J64-3 双六角头螺栓紧固轴端挡圈 JB/GQ0254-88111 J65-1 带锁紧的螺钉锁紧挡圈 GB/T885-1986112 J65-3 锥销锁紧挡圈 GB/T883-1986 113 J65-6 快卸圈 JB/GQ0638-88 114 J81-1 半圆头铆钉 GB/T867-1986*115 J82-1 沉头铆钉 GB/T869-1986 116 J83-1 标牌铆钉 GB/T827-1986 117 J84-1 管状铆钉 GB/T975-1986 118 J85-1 平头铆钉 GB/T109-1986 119 J86-1 扁头铆钉 GB/T872-1986L类冷却件序号型号名称依据1 L31-2 喷嘴 JB/GQ0434-892 L31-2A 喷嘴 JB/GQ0433-893 L31-3A 金属软管接头 JB/GQ0435-894 L31-4 金属冷却管技术条件 JB/GQ0622-885 L31-5 可调塑料冷却管 JB/GQ0627-886 L41-1 冷却用过滤器 JB/GQ0436-897 L51-1 平行旋转接头 JB/GQ0437-898 L51-2 直角旋转接头 JB/GQ0438-899 L51-4 活节旋转连接器 JB/GQ0439-8910 L81-2A 内螺纹球阀 JB/GQ0564-8711 L81-3 内螺纹锥阀 JB/GQ0579-8512 L91-1 QGB型高扬程冷却泵 JB/GQ0583-86Q类其它件序号型号名称根据1 Q41-1 轴套 JB/GQ0452-892 Q41-1A 轴套 JB/GQ0636-883 Q41-2 带台阶轴套 JB/GQ0635-884 Q43-1 内隔套 JB/GQ0453-895 Q43-2 外隔套 JB/GQ0454-896 Q43-4 定位套 JB/GQ0455-897 Q45-1 起重桩 JB/GQ0456-898 Q45-3 起重孔盖 JB/GQ0457-899 Q55-1 平顶法兰盘 JB/GQ0458-8910 Q55-2 凸顶法兰盘 JB/GQ0459-8911 Q55-3 压紧法兰盘 JB/GQ0460-8912 Q55-4 带毡圈槽法兰盘 JB/GQ0461-8913 Q55-5 装密封环法兰盘 JB/GQ0462-8914 Q55-6 调整式法兰盘 JB/GQ0463-8915 Q55-8 顶盘 JB/GQ0464-8916 Q55-9 轴承套 JB/GQ0456-8917 Q56-1 堵塞 JB/GQ0466-8918 Q56-2 塑料堵头 JB/GQ0633-8819 Q67-4 分度盘 JB/GQ0467-8920 Q68-1 刻度为1mm度量尺 JB/GQ0468-8921 Q68-2 每格1mm刻度标尺 JB/GQ0469-8922 Q68-3 读数为0.1、0.5和0.2mm的游标尺 JB/GQ0470-8923 Q71-1A 拖链 JB/GQ0612-8724 Q72-1 焊接铰链 JB/GQ0472-8925 Q72-2 方块铰链 JB/GQ0473-8926 Q72-3 活动铰链 JB/GQ0474-8927 Q72-4 嵌入铰链 JB/GQ0475-8928 Q72-5 铰链轴 JB/GQ0476-8929 Q72-6 铰链用支钉 JB/GQ0477-8930 Q72-7 活动铰链 JB/GQ0478-8931 Q72-8 长铰链 JB/GQ32 Q72-9 铰链 JB/GQ33 Q72-10 焊接铰链 JB/GQ34 Q73-1 锁 JB/GQ0479-8935 Q73-2 门钮 JB/GQ0480-8936 Q73-4 球锁 JB/GQ37 Q73-5 定位块 JB/GQ *38 Q81-1 普通圆柱螺旋压缩弹簧 GB/T2089-199439 Q81-3 普通圆柱螺旋拉伸弹簧 GB/T4142-198440 Q81-4 碟形弹簧 GB/T1972-199241 Q91-1 数字和文字代号标牌 JB/GQ0484-8942 Q91-6 机床、数控机床操作指示形象化符号标牌 GB/T3167-199343 Q93-1 刮屑板 JB/GQ0624-8844 Q93-2 导轨刮屑板 ZBJ51001-86(已作废)45 Q98-1 法兰盘用纸垫 JB/GQ0487-8946 Q99-1 滑块 JB/GQ0488-89S类附件序号型号名称根据1 S75-1 夹头 JB/GQ0510-892 S76-1 锥度中间套 JB/GQ0511-893 S78-1 三层简式机床调整垫铁 JB/GQ0518-894 S78-2 合体球面机床调整垫铁 JB/GQ0519-895 S78-3 三层开口机床调整垫铁 JB/GQ0520-896 S78-4 球面长杆机床调整垫铁 JB/GQ0521-897 S78-5 两层开口机床调整垫铁 JB/GQ0522-898 S78-7 封闭式机床调整垫铁 JB/GQ0522-899 S79-1 退套楔 GR6-60(已作废)10 S91-1A 双头呆板手尺寸 GB4388-8411 S91-2A 单头呆板手尺寸 GB4388-8412 S91-5 单头梅花扳手尺寸 GB4388-8413 S91-6 双头梅花扳手尺寸 GB4388-8414 S91-7 内六角扳手 GB5356-8515 S91-8 内六角花形扳手 GB5357-8516 S92-9 两用扳手尺寸 GB4388-8417 S92-1 六角套筒扳手 JB/GQ0530-8918 S92-2A 六角套筒扳手 JB/GQ0531-8919 S92-3A 方套筒扳手 JB/GQ0532-8920 S92-5 方头螺钉扳手 JB/GQ0533-8921 S92-6 方头用扳手 JB/GQ0534-8922 S92-7 内方角安装用套筒扳手 JB/GQ0535-8923 S93-1 钩形扳手 JB1019-6724 S93-6 叉形单头扳手 JB/GQ0537-8925 S93-9 端面孔活扳手尺寸 JB3447-8326 S94-1A 轴用弹性挡圈安装钳子尺寸 JB3457-8327 S94-2A 孔用弹性挡圈安装钳子尺寸 JB3458-8328 S95-2 单向六方棘轮扳手 JB/GQ0541-8929 S95-3 单向四方棘轮扳手 JB/GQ0542-89Z类操作件序号型号名称根据1 Z01-1 操作件技术条件 JB/T7277-19942 Z01-2 操作件标记方法 JB/T7276-19943 Z11-1 手柄 JB/T7270.1-19944 Z11-3 曲面手柄 JB/T7270.2-19945 Z12-1 直手柄 JB/T7270.3-19946 Z13-1 转动手柄 JB/T7270.5-19947 Z13-2 曲面转动手柄 JB/T7270.6-19948 Z13-3 转动小手柄 JB/T7270.4-19949 Z14-1 球头手柄 JB/T7270.8-199410 Z14-3 锥柱手柄 JB/T7270.7-199411 Z15-1 可折安全手柄(JB/GQ0587-87) JB/T7270.11-199412 Z16-1 手柄球 JB/T7271.1-199413 Z16-2 手柄套 JB/T7271.3-199414 Z16-3 长手柄套 JB/T7271.5-199415 Z16-4 椭圆手柄套 JB/T7271.4-199416 Z16-5 指示手柄套 JB/GQ0591-8717 Z16-6 指标手柄球 JB/T7271.2-199418 Z18-1 可调位紧定手柄 JB/T7270.12-199419 Z19-1 平衡手柄 JB/GQ0588-8720 Z21-1 手柄杆 JB/T7271.6-199421 Z31-1 手柄座 JB/T7272.1-199422 Z31-3 锁紧手柄座 JB/T7272.2-199423 Z33-1 圆盘手柄座 JB/T7272.3-199424 Z34-1 定位手柄座 JB/T7272.4-199425 Z42-1 单柄对重手柄 JB/T7270.9-199426 Z42-2 双柄对重手柄 JB/T7270.10-199427 Z51-1 小手轮 JB/T7273.2-199428 Z52-3 手轮 JB/T7273.3-199429 Z53-1 圆轮缘手轮 JB/T7273.5-199430 Z53-2 波纹圆轮缘手轮 JB/T7273.6-199431 Z54-2 波纹手轮 JB/T7273.4-199432 Z54-3 小波纹手轮 JB/T7273.1-199433 Z54-4 带可折手柄双幅条手轮 JB/T7273.10-199434 Z54-5 带可折手柄手轮 JB/GQ0598-8735 Z54-6 双幅条手轮 JB/T7273.9-199436 Z55-2 双柄手轮 JB/GQ0600-8737 Z56-1 背面波纹手轮 JB/T7273.8-199438 Z56-2 内波纹手轮 JB/T7273.7-199439 Z57-1 带刻度尺手轮 JB/GQ0593-8740 Z61-1 把手 JB/T7274.1-199441 Z63-1 波纹把手 JB/GQ0288-8842 Z64-3 星形把手 JB/T7274.4-199443 Z64-5 十字把手 JB/T7274.3-199444 Z64-6 三角星形把手 JB/GQ0606-8745 Z64-7 五角星形把手 JB/GQ0607-8746 Z64-8 五角带压紧盖星形把手 JB/GQ0608-8747 Z64-9 六角星形把手 JB/GQ0609-8748 Z66-1 三棱把手 JB/GQ0605-8749 Z66-2 三角箭形把手 JB/GQ0604-8750 Z81-1 方形拉手 JB/GQ0602-8751 Z82-1 T形拉手 JB/GQ0601-8752 Z83-1 偏转旋钮 JB/GQ0603-8753 Z91-2 嵌套 JB/T7275-199454 Z91-3 嵌件 JB/GQ0611-87。
W4-73型高温风机参数表:机号转速r / min序号全压Pa流量m3/h电动机10145012345678315543563339926440044808352161564556053315521546152914891419132311871032型号功率KWY225S-437Y225M451490012345678591176675874800824429008397724105765113406122012151202117011161040934811Y315M1-690141490123456789299610584111611712742013872415105516235817366231603160312230532941274724982240180225141450123456789050010300011300012400013500014700015800016800027712771273726772579240821901964155180☆风机的型式1.风机制成单吸入,机号有No.3.6C、4.5C 、5.5C等3种机号。
2.风机制成右旋转和左旋转两种型式。
从电动机一端正视,叶轮按顺时有针旋转,称为右旋转风机,以“右"表示;按逆时针旋转,称为左旋转风机,以“左"表示。
3.风机的出风口位置,以机壳的出风口角度表示。
调节范围在0°~225°之间,左右均可制成0°、45°、90°、135°、180°、225°共6种角度。
4.风机采用三角皮带传动。
用户在压力与流量上有改变的要求时,可根据性能表上的规定,自行调整。
☆风机的结构风机主要由叶轮、进风口、机壳、传动部分与电动机组成。
1.叶轮:由12个后倾的机翼型叶片焊接于弧锥形轮盖与平板形轮盘中间。
叶片、轮盖、轮盘均采用16Mn钢制造。