矿井通风系统图图例
- 格式:docx
- 大小:54.67 KB
- 文档页数:8
矿井通风方式
我们从事生产活动的煤矿,按照矿井进风井与回风井的位置关系,一般把矿井通风方式分为四种基本类型:中央式通风、对角式通风、区域式与混合式通风。
一、通风方式
1、中央式通风 : 中央式通风方式又可分为中央并列式与中央分列式(又称中央边界式)两种。
中央并列式通风方式就是进风井与回风井都布置在矿区井田的中央,两风井相隔很近(一般相距30~50米)。
(如图4—1) 中央分列式通风方式就是进风井布置在矿区井田中央,而回风井则布置在矿区井田上部边界沿走向的中央,回风井相隔一定距离。
(如图4—2)
2、对角式通风: 对角式通风方式又可分为两翼对角式与分区对角式两种。
两翼对角式就是进风井布置在矿区井田的中央,两个风井分别布置在矿区井田两翼上部(图4—3);分区对角式就是各个采区的上部都开回风井,不开主要回风巷,这种方式叫分区对角式(图4—4)。
3、区域式:在井田的每个生产区域各布置进、回风井,分别构成独立的通风系统(图4—5)
4、混合式通风: 混合式通风方式就是中央式与对角式组合成的一种混合式通风方式,例如中央并列式与两翼对角式组合(图4—6);中央分列式与两翼对角式组合(图4—7)等。
二、主要优缺点的比较:
中央式通风方式与对角式通风方式相比较,中央式通风方式的回风井筒少,工业广场比较集中;当进风井口及井底车场附近发生火灾需要反风时,反风容易;但通风路线长,并且随着向边界采区开采通风阻力会不断增加,加上两风井靠得近,进、回风井之间的风压差大,所以漏风较大,易引发煤炭自燃。
矿井通风系统图纸绘制及图例矿井通风图纸绘制为规范矿井通风图纸的绘制质量,便于指导矿井“一通三防”工作,提高矿井通风管理水平,根据公司实际,特对矿井通风图纸绘制及管理规范如下:一、总体要求:1、图纸整体布局合理、美观,图面整洁,线条均匀光滑。
2、标注内容完整、准确,充分反映井下的实际情况。
为保证图的正确、美观和统一,要求按照附表《煤矿通风安全图例》绘制。
3、图名一律标在图框内,位置在图的上框线下方。
图框距左边界25 mm,距其它三个边界各10 mm,图框线宽度2 mm。
4、在每张图的右下角绘制图签,并有相关领导签字。
图签上方绘制该图图例,要求完整、准确。
5、需要标明的内容用直线引出,引线不宜过长,并且方向一致。
6、图纸绘制及内容标注,线条宽度0.3mm(通风系统平面图中经常变动的通风设施、风流风向的标注可用铅笔绘制)。
二、矿井通风图纸的绘制要求及标注内容1、矿井通风系统图(1)在1:2000、1:3000或1:5000采掘工程平面图上绘制。
(2)图上标注内容:风机、各类通风设施(含密闭、风门、风桥等)、风流方向、局扇、测风站、测风点、防爆门。
(3)主扇标注的内容:主扇型号、电机型号、铭牌功率、实际功率、实际叶片角度、转速、排风量、主扇风压等,标注格式自定。
(4)测风(站)点标注的内容:断面积、风速、风量、温度、编号,标注格式自定。
(5)风流方向均用箭头线标注,风流分支处必须标明风流方向。
图纸的上方绘制指北针长30mm,宽4mm的箭头标示。
(6)多煤层同时开采的矿井还应绘制分层通风系统图。
(7)有矿长、总工程师签字,并随着采掘变化及时修改。
2、避灾线路图(1)在采掘工程平面图上绘制。
(2)使用不同符号标志采掘工作面发生火灾、瓦斯/煤尘爆炸、水灾事故后6、矿井通风网络图:(1)可根据复杂程度,在A4或A3图纸上绘制。
(2)凡构成独立通风系统的所有用风点均要在图上显示。
(3)网路的简化:简单的串联或并联分支可用一条等效分支代替,可并为一个节点。
矿井通风图纸绘制为规范矿井通风图纸的绘制质量,便于指导矿井“一通三防”工作,提高矿井通风管理水平,根据公司实际,特对矿井通风图纸绘制及管理规范如下:一、总体要求:1、图纸整体布局合理、美观,图面整洁,线条均匀光滑。
2、标注内容完整、准确,充分反映井下的实际情况。
为保证图的正确、美观和统一,要求按照附表《煤矿通风安全图例》绘制。
3、图名一律标在图框内,位置在图的上框线下方。
图框距左边界25mm,距其它三个边界各10mm,图框线宽度2mm。
4、在每张图的右下角绘制图签,并有相关领导签字。
图签上方绘制该图图例,要求完整、准确。
5、需要标明的内容用直线引出,引线不宜过长,并且方向一致。
6、图纸绘制及内容标注,线条宽度0.3mm(通风系统平面图中经常变动的通风设施、风流风向的标注可用铅笔绘制)。
二、矿井通风图纸的绘制要求及标注内容1、矿井通风系统图(1)在1:2000、1:3000或1:5000采掘工程平面图上绘制。
(2)图上标注内容:风机、各类通风设施(含密闭、风门、风桥等)、风流方向、局扇、测风站、测风点、防爆门。
(3)主扇标注的内容:主扇型号、电机型号、铭牌功率、实际功率、实际叶片角度、转速、排风量、主扇风压等,标注格式自定。
(4)测风(站)点标注的内容:断面积、风速、风量、温度、编号,标注格式自定。
(5)风流方向均用箭头线标注,风流分支处必须标明风流方向。
图纸的上方绘制指北针长30mm,宽4mm的箭头标示。
(6)多煤层同时开采的矿井还应绘制分层通风系统图。
(7)有矿长、总工程师签字,并随着采掘变化及时修改。
2、避灾线路图(1)在采掘工程平面图上绘制。
(2)使用不同符号标志采掘工作面发生火灾、瓦斯/煤尘爆炸、水灾事故后的避灾路线。
(3)有总工程师签字,图纸随着采掘变化进行修改。
3、防灭火系统图(1)在采掘工程平面图上绘制。
(2)图中标明注浆、注氮系统,消防材料库等他防火设施及火区位置、冻结煤量等,束管监测系统可单独成图。
矿井通风图纸绘制为规范矿井通风图纸的绘制质量,便于指导矿井“一通三防”工作,提高矿井通风管理水平,根据公司实际,特对矿井通风图纸绘制及管理规范如下:一、总体要求:1、图纸整体布局合理、美观,图面整洁,线条均匀光滑。
2、标注内容完整、准确,充分反映井下的实际情况。
为保证图的正确、美观和统一,要求按照附表《煤矿通风安全图例》绘制。
3、图名一律标在图框内,位置在图的上框线下方。
图框距左边界25 mm,距其它三个边界各10 mm,图框线宽度2 mm。
4、在每张图的右下角绘制图签,并有相关领导签字。
图签上方绘制该图图例,要求完整、准确。
5、需要标明的内容用直线引出,引线不宜过长,并且方向一致。
6、图纸绘制及内容标注,线条宽度0.3mm(通风系统平面图中经常变动的通风设施、风流风向的标注可用铅笔绘制)。
二、矿井通风图纸的绘制要求及标注内容1、矿井通风系统图(1)在1:2000、1:3000或1:5000采掘工程平面图上绘制。
(2)图上标注内容:风机、各类通风设施(含密闭、风门、风桥等)、风流方向、局扇、测风站、测风点、防爆门。
(3)主扇标注的内容:主扇型号、电机型号、铭牌功率、实际功率、实际叶片角度、转速、排风量、主扇风压等,标注格式自定。
(4)测风(站)点标注的内容:断面积、风速、风量、温度、编号,标注格式自定。
(5)风流方向均用箭头线标注,风流分支处必须标明风流方向。
图纸的上方绘制指北针长30mm,宽4mm的箭头标示。
(6)多煤层同时开采的矿井还应绘制分层通风系统图。
(7)有矿长、总工程师签字,并随着采掘变化及时修改。
2、避灾线路图(1)在采掘工程平面图上绘制。
(2)使用不同符号标志采掘工作面发生火灾、瓦斯/煤尘爆炸、水灾事故后的避灾路线。
(3)有总工程师签字,图纸随着采掘变化进行修改。
3、防灭火系统图(1)在采掘工程平面图上绘制。
(2)图中标明注浆、注氮系统,消防材料库等他防火设施及火区位置、冻结煤量等,束管监测系统可单独成图。
矿井通风系统㈠概念矿井通风系统是矿井主要通风机的工作方法、通风方式和通风网络的总称.㈡矿井主要通风机的工作方法1.抽出式通风(也称负压通风):是将主要通风机安设在出风井井口附近,并用风硐使它和出风井筒连接,同时将出风井口封闭.当主要通风机运转时,造成风硐中空气压力低于大气压力,迫使空气从进风井口进入井下,再由出风井排出,井下空气压力低于大气压力。
如图3-1—1(a) 所示。
图 3-1-1 矿井主要通风机的工作方法图2。
压入式通风:将主要通风机安设在进风井井口附近,并用风硐和进风井筒连接,如图 3-1(b)所示.当主要通风机运转时,将地面空气压入井下,迫使空气从出风井排出。
进风井口一般采用密闭式井口房,使井下空气和地面空气隔开。
井下任意一点的压力都高于大气压力。
3。
抽出和压入混合式通风:它是以上两种方法的综合。
主要应用于通风距离大、通风阻力大的矿井。
在管理上比较复杂,应用很少。
五、矿井漏风及其危害㈠矿井漏风的含义矿井漏风是指在矿井通风中,进入井巷的风流未达到用风地点 , 而通过通风构筑物的缝隙、采空区、煤柱裂隙及地表塌陷裂缝等直接渗透到回风巷或地面的现象.㈡矿井漏风的危害1.漏风使工作地点风量减少,可能造成瓦斯积聚、空气温度升高、气候条件恶化,这不仅影响工人的劳动效率,而且影响工人的身体健康和矿井安全。
2。
漏风使矿井通风系统复杂化,降低了通风系统的稳定性、可靠性,影响井下风流控制和调节效果。
3。
大量漏风会造成矿井通风费用增大,甚至使主要通风机能力不足。
4。
采空区等处的漏风易造成煤炭自然发火,而地表塌陷区风量的漏入,会将采空区有害气体带入井下,直接威胁采掘工作面的安全生产。
六、采区通风㈠采区通风系统的构成采区通风系统是矿井通风系统的组成部分,它是指矿井风流从主要进风巷进入采区,流经采掘工作面、硐室和其他用风地点后,排至矿井主要回风巷的整个线路.1。
轨道上山进风、输送机上山回风的采区通风系统:新风由水平运输大巷及采区下部车场→轨道上山→采区中部车场→区段运输平巷→回采煤工作面→(输送机上山)→采区回风石门排出矿总回风巷(井)。
矿井通风阻力矿井通风阻力的大小是选择通风设备的主要依据,所以,在选择矿井主要通风机之前,必须首先计算通风总阻力。
矿井井巷风流一般都处于紊流状态,设计依据摩擦阻力定律分段计算井巷风阻。
由于各生产时期通风线路与通风距离的不同,其通风阻力也不同,设计分矿井通风容易时期与通风困难时期计算全矿井通风阻力及通风等积孔。
根据通风线路的长短确定矿井通风容易和困难时期。
通风容易时期为南一采区首采工作面时期,通风困难时期为南一采区距进回风井距离最长的一个采煤工作面时期(见开拓图)局部阻力参照经验按井巷摩擦阻力的10%计。
巷道摩擦阻力计算公式为摩擦阻力定律:h f = R f × Q 2 = (αLU/S 3)×Q 2 (公式4.15) 式中:h f —— 井巷摩擦阻力,Pa ;R f —— 井巷摩擦风阻,千缪(kμ); Q —— 井巷单位时间过风量,m³/s ; α —— 井巷摩擦阻力系数,kg/m 3; L —— 井巷长度,m ; U —— 井巷净断面周长,m ; V ——风速,m/s ;S —— 井巷净断面积,m 2;1.各时期最大通风阻力线路的确定通风阻力最大线路一般是通过风量最大,线路最长的一条通路。
2.通风阻力计算(1)矿井自然风压矿井自然风压是借助于自然因素而产生的的促使空气流动的能量,矿井自然风压的大小,主要取决于矿井进回风侧空气的温度差和矿井深度。
由《煤矿设计规范》可知:矿井进、出风井井口的标高差在150m 以下,井深均小于400m 时可不计算自然风压,本设计虽进、出风井井口的标高基本相同,但井深大于500多米,所以需要考虑自然风压。
利用平均密度法计算矿井自然风压。
h n = (21-ρ21-Z -32-ρZ 2-3 -43-ρZ 3-4) × g (公式4.16)式中:h n —— 自然风压,Pa ;21-ρ、32-ρ、43-ρ — 分别为图中1、2、3点间的空气密度,kg/m³21-Z 、32-Z 、43-Z — 分别为图中1、2、3点间的高差(见图4-12) 则冬季自然风压为: h n 冬 = [ 0.5×(1.23 + 1.29)×588-0.5×(1.29 + 1.25) ×68-0.5×(1.22 + 1.25)×520]× 9.8=120.74 Pa则夏季自然风压为:h n夏=[ 0.5×(1.18 +1.24) ×588-0.5×(1.24 + 1.22)×68-0.5×(1.187 +1.22) ×520]× 9.8= -305.6 Pa本矿井冬、夏季各点空气密度如表4-11。
矿井通风图纸绘制为规范矿井通风图纸的绘制质量,便于指导矿井“一通三防”工作,提高矿井通风管理水平,根据公司实际,特对矿井通风图纸绘制及管理规范如下:一、总体要求:1、图纸整体布局合理、美观,图面整洁,线条均匀光滑。
2、标注内容完整、准确,充分反映井下的实际情况。
为保证图的正确、美观和统一,要求按照附表《煤矿通风安全图例》绘制。
3、图名一律标在图框内,位置在图的上框线下方。
图框距左边界25 mm,距其它三个边界各10 mm,图框线宽度2 mm。
4、在每张图的右下角绘制图签,并有相关领导签字。
图签上方绘制该图图例,要求完整、准确。
5、需要标明的内容用直线引出,引线不宜过长,并且方向一致。
6、图纸绘制及内容标注,线条宽度0.3mm(通风系统平面图中经常变动的通风设施、风流风向的标注可用铅笔绘制)。
二、矿井通风图纸的绘制要求及标注内容1、矿井通风系统图(1)在1:2000、1:3000或1:5000采掘工程平面图上绘制。
(2)图上标注内容:风机、各类通风设施(含密闭、风门、风桥等)、风流方向、局扇、测风站、测风点、防爆门。
(3)主扇标注的内容:主扇型号、电机型号、铭牌功率、实际功率、实际叶片角度、转速、排风量、主扇风压等,标注格式自定。
(4)测风(站)点标注的内容:断面积、风速、风量、温度、编号,标注格式自定。
(5)风流方向均用箭头线标注,风流分支处必须标明风流方向。
图纸的上方绘制指北针长30mm,宽4mm的箭头标示。
(6)多煤层同时开采的矿井还应绘制分层通风系统图。
(7)有矿长、总工程师签字,并随着采掘变化及时修改。
2、避灾线路图(1)在采掘工程平面图上绘制。
(2)使用不同符号标志采掘工作面发生火灾、瓦斯/煤尘爆炸、水灾事故后的避灾路线。
(3)有总工程师签字,图纸随着采掘变化进行修改。
3、防灭火系统图(1)在采掘工程平面图上绘制。
(2)图中标明注浆、注氮系统,消防材料库等他防火设施及火区位置、冻结煤量等,束管监测系统可单独成图。
矿井通风图纸绘制为规范矿井通风图纸的绘制质量,便于指导矿井“一通三防”工作,提高矿井通风管理水平,根据公司实际,特对矿井通风图纸绘制及管理规范如下:一、总体要求:1、图纸整体布局合理、美观,图面整洁,线条均匀光滑。
2、标注内容完整、准确,充分反映井下的实际情况。
为保证图的正确、美观和统一,要求按照附表《煤矿通风安全图例》绘制。
3、图名一律标在图框内,位置在图的上框线下方。
图框距左边界25 mm,距其它三个边界各10 mm,图框线宽度2 mm。
4、在每张图的右下角绘制图签,并有相关领导签字。
图签上方绘制该图图例,要求完整、准确。
5、需要标明的内容用直线引出,引线不宜过长,并且方向一致。
6、图纸绘制及内容标注,线条宽度0.3mm(通风系统平面图中经常变动的通风设施、风流风向的标注可用铅笔绘制)。
二、矿井通风图纸的绘制要求及标注内容1、矿井通风系统图(1)在1:2000、1:3000或1:5000采掘工程平面图上绘制。
(2)图上标注内容:风机、各类通风设施(含密闭、风门、风桥等)、风流方向、局扇、测风站、测风点、防爆门。
(3)主扇标注的内容:主扇型号、电机型号、铭牌功率、实际功率、实际叶片角度、转速、排风量、主扇风压等,标注格式自定。
(4)测风(站)点标注的内容:断面积、风速、风量、温度、编号,标注格式自定。
(5)风流方向均用箭头线标注,风流分支处必须标明风流方向。
图纸的上方绘制指北针长30mm,宽4mm的箭头标示。
(6)多煤层同时开采的矿井还应绘制分层通风系统图。
(7)有矿长、总工程师签字,并随着采掘变化及时修改。
2、避灾线路图(1)在采掘工程平面图上绘制。
(2)使用不同符号标志采掘工作面发生火灾、瓦斯/煤尘爆炸、水灾事故后的避灾路线。
(3)有总工程师签字,图纸随着采掘变化进行修改。
3、防灭火系统图(1)在采掘工程平面图上绘制。
(2)图中标明注浆、注氮系统,消防材料库等他防火设施及火区位置、冻结煤量等,束管监测系统可单独成图。
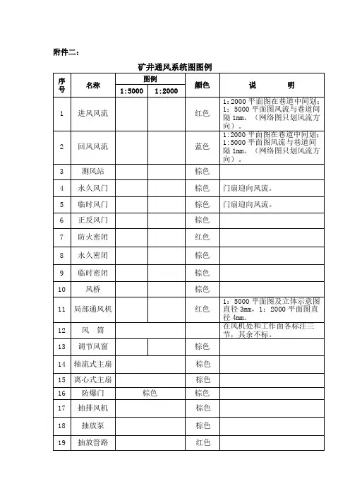
附件二:
矿井通风系统图图例
序号
名称
图例
颜色说明1:50001:2000
1 进风风流红色1:2000平面图在巷道中间划;1:5000平面图风流与巷道间隔
1mm。
(网络图只划风流方向)。
2 回风风流蓝色1:2000平面图在巷道中间划;1:5000平面图风流与巷道间隔
1mm。
(网络图只划风流方向)。
3 测风站棕色
4 永久风门棕色门扇迎向风流。
5 临时风门棕色门扇迎向风流。
6 正反风门棕色
7 防火密闭红色
8 永久密闭棕色
9 临时密闭棕色
10 风桥棕色
11局部通风机红色
1:5000平面图及立体示意图直
径3mm,1:2000平面图直径4mm。
12风筒
在风机处和工作面各标注三节,
其余不标。
13调节风窗棕色
14轴流式主扇棕色
15离心式主扇棕色
16防爆门
棕色
棕色
17抽排风机棕色
18抽放泵棕色
19抽放管路红色
矿井安全监测监控系统图图例
分类
设备名称
颜
色
图例符号图例尺寸(毫米)
传感器
甲烷传感器绿直径=8,线宽0.5mm 一氧化碳传感器红直径=8,线宽0.5mm 风速传感器黑直径=8,线宽0.5mm 负压传感器黄直径=8,线宽0.5mm 温度传感器紫直径=8,线宽0.5mm 设备开停传感器蓝直径=8,线宽0.5mm 馈电传感器红直径=8,线宽0.5mm 风门开关传感器蓝直径=8,线宽0.5mm
井
下设备分站(干线扩展器)红
方框:长12 宽4,
线宽0.5mm
分站(干线扩展器)电源箱红
方框:长12 宽4,
线宽0.5mm 断电仪红直径=8,线宽0.5mm
线缆
光纤蓝
在光纤上标出型号,
线宽0.5mm
主通讯电缆黑
在电缆上标出型号,
线宽0.5mm
传感器电缆红
在电缆上标出型号,
线宽0.3mm
其它防雷器(通讯、电源)红
方框:长12 宽4,
线宽0.5mm 监测中心红
方框:长30 宽15,
线宽0.5mm,0.3mm
矿井防灭火系统图图例
序号名称图例颜色说明
1 灌浆清水池蓝色底10mm,高压6 mm,XX标注水池容量
2 泥浆池黄色底10 mm,高压6 mm,XX标注水池容量
3 清水泵蓝色底10mm,高8mm
4 泥浆泵黄色底10mm,高8mm
5 土场黄色底10mm,底宽10mm
6 水枪蓝色长10mm
7 清水管绿色标注管径,实长
8 泥浆管黄色标注管径,实长
9 截门紫色长10mm,直径3mm
10
钻孔
红色
直径
5mm
11 均压气室蓝色长10mm
12 均压管路棕色标注管径,实长
13 均压风机红色直径8mm,标注型号功率
14 消火栓红色长10mm
15 消防材料库红色长15mm,宽10mm
16 火区红色
线粗2mm,XX标注火区名称.并注明发火时
间
17 注销火区绿色
线粗2mm,XX标注火区名称.并注明发火时
间
18
束管监测中心
站
紫色长15mm,宽10mm
19 束管紫色N标注芯数,实长
长10mm,宽6mm,N标注总芯.N1,N2标注分20 分路箱紫色
路芯数
21 采样器紫色长10mm,宽2mm
22 制氮机橙色高10mm,底宽10mm
23 注氮管橙色标注管径
矿井防尘系统图图例
序号设备名称图例符号颜色图例尺寸(毫米)
1 静压水池蓝色底15mm 高8mm ××标注水池容量
2 干管棕色标注实长管径100mm以上(包括100mm)
3 支管蓝色标注实长管径100mm以下
4 三通阀门黑色 3mm 可简化标注××标注实际个数
5 截门黑色 5mm
6 净化水幕黑色长8mm 宽4mm
7 转载洒水黑色长4mm 宽3mm
8 过虑装置黑色长10mm 宽3mm
9 隔爆装置黄色长8mm 宽4mm
10 除尘风机篮色直径8mm。