(上海市新版)通风与空调设备安装检验批质量验收记录表(Ⅱ)
- 格式:xlsx
- 大小:13.61 KB
- 文档页数:1
风管部件与消声器制作检验批质量验收记录表GB 50243-2002通风机安装检验批质量验收记录表 GB 50243-2002 080107 080207 080306 080407 080507 单位(子单位)工程名称分项工程名称施工单位分包单位施工执行标准名称及编号施工质量验收规范的规定主控项目 1 2 1 2 3 4 通风机安装通风机安全措施叶轮与机壳安装轴流风机叶片安装隔振器安装隔振器支吊架 (1中心线的平面位移一般项目 (2标高 (3 皮带轮轮宽中心平面偏移 (4 传动轴水平度 (5 联轴器纵向横向两轴芯径向位移两轴线倾斜第 7.2.1 条第 7.2.2 条第7.3.1-1 条第 7.3.1-2 条第 7.3.1-3 条第 7.3.1-4 条 10 ±10 1 0.2/1000 0.3/1000 8 -5 1 7 5 1 防排烟系统江西洪都消防工程有限公司南昌车仆汽车用品工业园园区验收部位项目经理分包项目经理园区蒋宁 / 监理(建设单位验收记录 / 《通风与空调工程施工质量验收规范》GB50243-2002 施工单位检查评定录符合设计及规范要求符合设计及规范要求符合设计及规范要求符合设计及规范要求符合设计及规范要求符合设计及规范要求 6 4 1 5 6 1 8 -5 1 5 5 1 4 4 1 6 8 0 8 9 1 9 6 0 5 通风机安装允许偏差 /mm 0.05 0.2/1000 施工单位检查评定结果经查验主控项目、一般项目均符合《通风与空调工程施工质量验收规范》GB50243-2002 的规范要求,评定合格项目专业质量检查员:监理(建设)单位验收结论年月日监理工程师(建设单位项目专业技术负责人)年月日通风机安装检验批质量验收记录表 GB 50243-2002 080107 080207 080306 080407 080507 单位(子单位)工程名称分项工程名称施工单位分包单位施工执行标准名称及编号施工质量验收规范的规定主控项目 1 2 1 2 3 4 通风机安装通风机安全措施叶轮与机壳安装轴流风机叶片安装隔振器安装隔振器支吊架 (1中心线的平面位移一般项目 (2标高 (3 皮带轮轮宽中心平面偏移 (4 传动轴水平度 (5 联轴器纵向横向两轴芯径向位移两轴线倾斜第 7.2.1 条第 7.2.2 条第7.3.1-1 条第 7.3.1-2 条第 7.3.1-3 条第 7.3.1-4 条 10 ±10 1 0.2/1000 0.3/1000 8 -5 1 7 5 1 防排烟系统江西洪都消防工程有限公司吉安市天虹商场工程验收部位项目经理分包项目经理 23 号生活楼地下室蒋宁 / 监理(建设单位验收记录 / 《通风与空调工程施工质量验收规范》GB50243-2002 施工单位检查评定记录符合设计及规范要求符合设计及规范要求符合设计及规范要求符合设计及规范要求符合设计及规范要求符合设计及规范要求 6 4 1 5 6 1 8 -5 1 5 5 1 4 4 1 6 8 0 8 9 1 9 6 0 5 通风机安装允许偏差 /mm 0.05 0.2/1000 施工单位检查评定结果经查验主控项目、一般项目均符合《通风与空调工程施工质量验收规范》GB50243-2002 的规范要求,评定合格项目专业质量检查员:监理(建设)单位验收结论年月日监理工程师(建设单位项目专业技术负责人)年月日。
通风与空调设备安装检验批质量验收记录一、检验概述本次检验是针对通风与空调设备的安装进行的质量验收。
本项工程的主要目标是确保通风与空调设备的安装质量符合相关规范和要求,并且能够正常运行、达到预期效果。
二、检验范围本次检验的范围包括以下几个方面:1.通风与空调设备的安装位置是否合理;2.通风与空调设备的固定方式是否牢固;3.通风与空调设备的接口连接是否严密可靠;4.通风与空调设备的电气连接是否正确;5.通风与空调设备的运行是否正常。
三、检验过程1. 安装位置检验根据设计图纸和相关规范要求,核对通风与空调设备的安装位置是否与设计一致,并且符合相关要求。
检查主要包括以下几个方面:•通风与空调设备的安装高度是否符合要求;•通风与空调设备与其他设备之间的间距是否符合要求;•通风与空调设备的进风口和出风口是否合理设置。
2. 固定方式检验检查通风与空调设备的固定方式是否牢固,并且能够确保设备的稳定运行。
主要包括以下几个方面:•检查设备的支撑架是否牢固可靠;•检查设备的悬吊装置是否符合要求;•检查设备的连接件是否牢固。
3. 接口连接检验检查通风与空调设备的接口连接是否严密可靠,确保设备之间的连接不会出现松动或漏风等情况。
主要包括以下几个方面:•检查设备的接口连接是否使用合适的密封材料;•检查设备的接口连接是否紧固可靠;•检查设备的接口连接是否无漏风现象。
4. 电气连接检验检查通风与空调设备的电气连接是否正确,确保设备能够正常供电,运行稳定。
主要包括以下几个方面:•检查设备的电源线是否正确连接;•检查设备的接地线是否正确连接;•检查设备的电气控制系统是否正常工作。
5. 运行检验启动通风与空调设备,观察设备的运行情况,并进行必要的调试。
主要包括以下几个方面:•检查设备的风量是否满足要求;•检查设备的噪音是否在允许范围内;•检查设备的温度控制是否准确。
四、检验结果经过以上的检验,通风与空调设备的安装质量是否符合要求,具体结果如下:1.安装位置检验:合格;2.固定方式检验:合格;3.接口连接检验:合格;4.电气连接检验:合格;5.运行检验:合格。
通风与空调设备安装(通风系统)检验批质量验收记录(GB50243-2002)表C.2.5-1 编号:WZCXJZ/QR080105/080305□□□防腐与绝热施工(风管系统)检验批质量验收记录防腐与绝热施工(管道系统)检验批质量验收记录风管部件与消声器制作检验批质量验收记录(GB50243-2002)表C.2.2编号:WZCXJZ/QR080103/080406/080506风管系统安装(净化空调系统)检验批质量验收记录(GB50243-2002)表C.2.3-3 编号:WZCXJZ/QR080504风管系统安装(空调系统)检验批质量验收记录(GB50243-2002)表C.2.3-2 编号:WZCXJZ/QR080404□□□风管系统安装(送、排风、排烟系统)检验批质量验收记录(GB50243-2002)表C.2.3-1 编号:WZCXJZ/QR080104/080204/080304□□□风管与配件制作(非金属、复合材料风管)检验批质量验收记录(GB50243-2002)表C.2.1-2 编号:WZCXJZ/QR080102/080202/080302/080402/080502续下表风管与配件制作(金属风管)检验批质量验收记录(GB50243-2002)表C.2.1-1编号:WZCXJZ/QR080101/080201/080301/080401/080501工程系统调试检验批质量验收记录(GB50243-2002)表C.2.9 编号:WZCXJZ/QR080109/080209/080308/080410/080511/080605/080708空调水系统安装(金属管道)检验批质量验收记录(GB50243-2002)表C.2.7-1 编号:WZCXJZ/QR080701空调水系统安装(非金属管道)检验批质量验收记录空调水系统安装(设备)检验批质量验收记录空调制冷系统安装检验批质量验收记录(GB50243-2002) 表C.2.6 编号:WZCXJZ/QR080601通风机安装检验批质量验收记录(GB50243-2002)表C.2.4 编号:WZCXJZ/QR080108/080307/080408/080508通风与空调分部工程各子分部工程与分项工程相关表注:本表有●符号者为该子分部工程所含的分项工程。
DBJ04-226-2003通风与空调设备安装工程检验批质量验收记录表(通风系统)GB50243-2002DBJ04-226-2003说明(Ⅰ) 080304 主控项目:1.现场组装的除尘器壳体应做漏风量检测,在设计工作压力下允许漏风率5%,其中离心式除尘器为3%。
按总数抽查20%,不少于1台;接地全数检查。
按图核对,检查测试记录和观察检查。
2.按总数抽查20%,不少于1台,核对材料,观察检查或电阻测定。
3.按总数抽查20%,不少于1台,核对材料,观察检查或电阻测定。
4.全数检查,观察或检测。
一般项目:1.按总数抽查20%,不少于1台,尺量、观察检查及检查施工记录。
2.按总数抽查20%,不少于1台,平面位移用经纬仪或拉线、尺量检查,标高用水准仪、直尺、拉线和尺量检查;垂直度用吊线和尺量检查。
3.现场组装的静电除尘器,还应符合设备技术文件。
振打锤装置的固定应可靠;振打锤的转动,应灵活。
锤头方向应正确;振打锤头与振打钻之间应保持良好的接触状态,接触长度应大于锤头厚度的0.7倍。
4.按总数抽查20%,不少于1台,尺量、观察检查及检查施工记录。
5.两组同类型消声器不宜直接串联;单个消声器组件的固定应牢固;消声器及弯管应设独立支、吊架。
整体安装的消声器,按总数抽查10%,不少于5台,现场组装的消声器全数检查。
手板和观察检查、核对安装记录。
6.按总数抽查10%,不少于1台,观察检查。
7.全数检查,观察检查。
8.按总数10%的比例抽查,不少于1台,观察检查。
9.按总数抽查10%,不少于1台,观察检查、查阅检查试验记录。
表A.2.1-1 风管与配件产成品检验批质量验收记录
(金属风管)
表A.2.2 风管部件与消声器产品检验批质量验收记录
表A.2.3-1 风管系统安装检验批质量验收记录
(送风系统)
表A.2.3-2 风管系统安装检验批质量验收记录
(排风系统)
表A.2.4-1 风机与空气处理设备安装检验批质量验收记录
表A.2.5-1 空调制冷机组及系统安装检验批质量验收记录
(制冷机组及辅助设备)
表A.2.6-1 空调水系统安装检验批质量验收记录
(水泵及附属设备)
表A.2.6-2 空调冷热(冷却)水系统安装检验批质量验收记录
(金属管道)
表A.2.7-2防腐与绝热施工检验批质量验收记录
(管道系统与设备)
表A.2.8-1工程系统调试检验批质量验收记录(单机试运行及调试)
表A.2.8-2工程系统调试检验批质量验收记录(非设计满负荷条件下系统联合试运转及调试)
表A.3.1通风与空调分项工程质量验收记录
(分项工程)
表A.4.1-1通风与空调子分部工程质量验收记录
(送风系统)
表A.4.1-2通风与空调子分部工程质量验收记录
(排风系统)
表A.4.1-10通风与空调子分部工程质量验收记录
(空调(冷、热)水系统)
表A.4.1-11通风与空调子分部工程质量验收记录
(冷却水系统)
表A.4.1-17通风与空调子分部工程质量验收记录
(吸收式制冷设备系统)
表A.4.1-20通风与空调子分部工程质量验收记录
(设备自控系统)。
风管系统安装检验批质量验收记录(Ⅱ)(空调系统)注:本表内容的填写需依据《现场验收检验批检查原始记录》。
本检验批质量验收的规范依据见本页背面。
填写说明一、填写依据1 《通风与空调工程质量验收规范》GB50243-2002。
2 《建筑工程施工质量验收统一标准》GB50300-2013。
二、检验批划分风管系统安装可按系统、区域、施工段若干个检验批进行验收。
三、GB50243-2002规范摘要主控项目6.2.1 在风管穿过需要封闭的防火、防爆的墙体或楼板时,应设预埋管或防护套管,其钢板厚度不应小于1.6mm 。
风管与防护套管之间,应用不燃且对人体无危害的柔性材料封堵。
检查数量:按数量抽查20%,不得少于1个系统。
检查方法:尺量、观察检查。
6.2.2 风管安装必须符合下列规定:1 风管内严禁其他管线穿越。
2 输送含有易燃、易爆气体或安装在易燃、易爆环境的风管系统应有良好的接地,通过生活区或其他辅助生产房间时必须严密,并不得设置接口。
3 室外立管的固定拉索严禁拉在避雷针或避雷网上。
检查数量:按数量抽查20%,不得少于1个系统。
检查方法:手扳、尺量、观察检查。
6.2.3 输送空气温度高于80℃的风管,应按设计规定采取防护措施。
检查数量:按数量抽查20%,不得少于1个系统。
检查方法:观察检查。
6.2.4 风管部件安装必须符合下列规定:1 各类风管部件及操作机构的安装,应能保证其正常的使用功能,并便于操作。
2 斜插板风阀的安装,阀板必须为向上拉启;水平安装时,阀板还应为顺气流方向插入。
3 止回风阀、自动排气活门的安装方向应正确。
检查数量:按数量抽查20%,不得少于5件。
检查方法:尺量、观察检查,动作试验。
6.2.8 风管系统安装完毕后,应按系统类别进行严密性检验,漏风量应符合设计与本规范第4.2.5条的规定。
风管系统的严密性检验,应符合下列规定:1 低压系统风管的严密性检验应采用抽检,抽检率为5%,且不得少于1个系统。
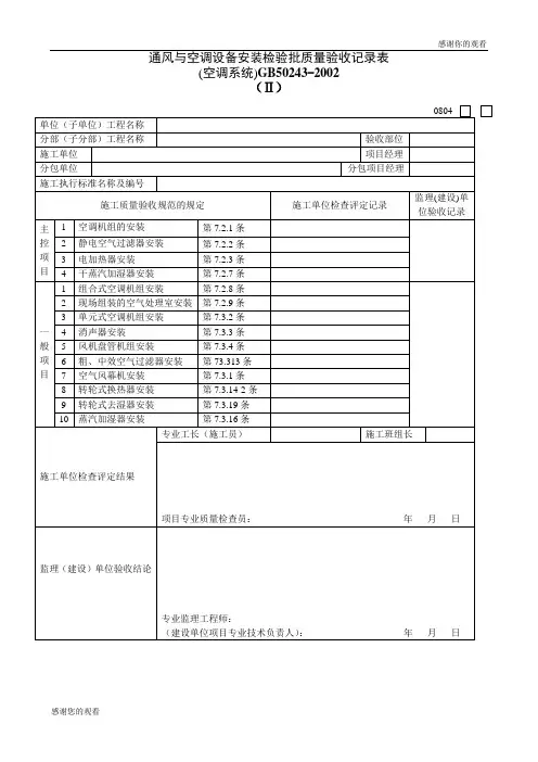
风管与配件制作检验批质量验收记录表(金属风管)GB 50243-2002风管与配件制作检验批质量验收记录表(非金属、复合材料风管)GB 50243-2002监理(建设)单位验收结论监理工程师(建设单位项目专业技术负责人)年月日风管部件与消声器制作检验批质量验收记录表GB 50243-2002(Ⅰ)主控项目080105080405080505工程名称分项工程名称验收部位施工单位专业工长项目经理施工执行标准名称及编号分包单位分包项目经理施工班组长施工质量验收规范的规定施工单位检查评定记录监理(建设)单位验收记录主控项目1调节风阀第5.2.1条2电动风阀第5.2.2条3防火阀、排烟阀(口)第5.2.3条4防爆风阀第5.2.4条5净化空调系统风阀第5.2.5条6高压风阀第5.2.6条7防排烟柔性短管材料要求第5.2.7条8消防弯管、消声器第5.2.8条施工单位检查评定结果项目专业质量检查员:年月日监理(建设)单位验收结论风管部件与消声器制作检验批质量验收记录表GB 50243-2002风管系统安装检验批质量验收记录表(送、排风,防排烟,除尘系统)GB 50243-2002风管系统安装检验批质量验收记录表(空调系统)GB50243-2002风管系统安装检验批质量验收记录表(净化空调系统)GB 50243-20028净化空调风口安装第6.3.12条9真空吸尘系统安装第6.3.7条10风口安装允许偏差位置和标高不应大于10m水平度不应大于3/1000垂直度不应大于2/1000施工单位检查评定结果项目专业质量检查员:年月日监理(建设)单位验收结论监理工程师(建设单位项目专业技术负责人)年月日通风机安装检验批质量验收记录表GB 50243-2002080107080207080306080407080507工程名称分项工程名称验收部位施工单位专业工长项目经理施工执行标准名称及编号分包单位分包项目经理施工班组长施工质量验收规范的规定施工单位检查评定记录监理(建设)单位验收记录主控项目1通风机安装第7.2.1条2通风机安全措施第7.2.2条一般项目1叶轮与机壳安装第7.3.1-1条2轴流风机叶片安装第7.3.1-2条3隔振器安装第7.3.1-3条4隔振器支吊架第7.3.1-4条5通风机安装允许偏差/mm(1)中心线的平面位移10(2)标高±10(3)皮带轮轮宽中心平面偏移1通风与空调设备安装检验批质量验收记录表(通风系统)GB 50243-2002(Ⅰ)5消声器安装第7.3.13条6空气过滤器安装第7.3.14条7蒸汽加湿器安装第7.3.18条8空气风幕机安装第7.3.19条施工单位检查评定结果项目专业质量检查员:年月日监理(建设)单位验收结论监理工程师(建设单位项目专业技术负责人)年月日通风与空调设备安装检验批质量验收记录表(空调系统)GB 50243-2002(Ⅱ)080404工程名称分项工程名称验收部位施工单位专业工长项目经理施工执行标准名称及编号分包单位分包项目经理施工班组长施工质量验收规范的规定施工单位检查评定记录监理(建设)单位验收记录主控项目1空调机组的安装第7.2.1条2静电空气过滤器安装第7.2.2条3电加热器安装第7.2.3条4干蒸汽加湿器安装第7.2.7条一般项目1组合式空调机组安装第7.2.8条2现场组装的空气处理室安装第7.2.9条3单元式空调机组安装第7.3.2条4消声器安装第7.3.3条5风机盘管机组安装第7.3.4条6粗、中效空气过滤器安装第73.313条通风与空调设备安装检验批质量验收记录表(净化空调系统)GB 50243-20027高效过滤器安装第7.3.12条8消声器的安装第7.3.13条9蒸汽加湿器安装第7.3.18条施工单位检查评定结果项目专业质量检查员:年月日监理(建设)单位验收结论监理工程师(建设单位项目专业技术负责人)年月日空调制冷系统安装检验批质量验收记录表GB 50243-2002080601工程名称分项工程名称验收部位施工单位专业工长项目经理施工执行标准名称及编号分包单位分包项目经理施工班组长施工质量验收规范的规定施工单位检查评定记录监理(建设)单位验收记录主控项目1制冷设备与附属设备安装第8.2.1-1,3条2设备混凝土基础验收第8.2.1-2条3表冷器的安装第8.2.2条4燃油、燃气系统设备安装第8.2.3条5制冷设备严密性试验及试运行第8.2.4条6制冷管道及管配件安装第8.2.5条7燃油管道系统接地第8.2.6条8燃气系统安装第8.2.7条9氨管道焊缝无损检测第8.2.8条10乙二醇管道系统规定第8.2.9条11制冷剂管道试验第8.2.10条一般项目1制冷及附属设备安装平面位移/mm10标高/mm±102模块式冷水机组安装第8.3.2条3泵安装第8.3.3条4制冷剂管道安装第8.3.4-1,2,3,4条5管道焊接第8.3.4-5,6条6阀门安装第8.3.5-2-5条7阀门试压第8.3.5-1条8制冷系统吹扫第8.3.6条施工单位检查评定结果项目专业质量检查员:年月日监理(建设)单位验收结论监理工程师(建设单位项目专业技术负责人)年月日空调水系统安装检验批质量验收记录表(金属管道)GB 50243-2002(Ⅰ)080701工程名称分项工程名称验收部位施工单位专业工长项目经理施工执行标准名称及编号分包单位分包项目经理施工班组长施工质量验收规范的规定施工单位检查评定记录监理(建设)单位验收记录主控项目1系统的管材与配件验收第9.2.1条2管道柔性接管安装第9.2.2-3条3管道套管第9.2.2-5条4管道补偿器安装及固定支架第9.2.5条5系统与设备贯通冲洗、排污第9.2.2-4条6阀门安装第9.2.4-1,2条7阀门试压第9.2.4-3条8系统试压第9.2.3条9隐蔽管道验收第9.2.2-1条10焊接、镀锌钢管焊号第9.2.2-2条1管道焊接连接第9.3.2条一般项目2管道螺纹连接第9.3.3条3管道法兰连接第9.3.4条4钢制管道安装允许偏差(mm)(1)坐标架空及地沟室外25室内15埋地60(2)标高架空及地沟室外±20室内±15埋地±25(3)水平管平直度DN≤100mm2L%,最大40DN>100mm3L%,最大40(4)立管垂直度5L%,最大25(5)成排管段间距15(6)成排管段或成排阀门在同一平面上35钢塑复合管道安装第9.3.6条6管道沟槽式连接第9.3.6条7管道支、吊架第9.3.8条8阀门及其他部件安装第9.3.10条9系统放气阀与排水阀第9.3.10-4条施工单位检查评定结果项目专业质量检查员:年月日监理(建设)单位验收结论监理工程师(建设单位项目专业技术负责人)年月日空调水系统安装检验批质量验收记录表(非金属管道)GB 50243-2002(Ⅱ)080701工程名称分项工程名称验收部位施工单位专业工长项目经理施工执行标准名称及编号分包单位分包项目经理施工班组长施工质量验收规范的规定施工单位检查评定记录监理(建设)单位验收记录主控项目1系统管材与配件验收第9.2.1条2管道柔性接管安装第9.2.2-3条3管道套管第9.2.2-5条4管道补偿器安装及固定支架第9.2.5条5系统冲洗、排污第9.2.2-4条6阀门安装第9.2.4-1,2条7阀门试压第9.2.4-3条8系统试压第9.2.3条9隐蔽管道验收第9.2.2-1条一般项目1PVC—U管道安装第9.3.1条2PP—R管道安装第9.3.1条3PEX管道安装第9.3.1条4管道与金属支吊架间隔绝第9.3.9条5管道支、吊架第9.3.8条6阀门安装第9.3.10条7系统放气阀与排水阀第9.3.10-4条施工单位检查评定结果项目专业质量检查员:年月日监理(建设)单位验收结论监理工程师(建设单位项目专业技术负责人)年月日空调水系统安装检验批质量验收记录表(设备)GB 50243-2002(Ⅲ)080701工程名称分项工程名称验收部位施工单位专业工长项目经理施工执行标准名称及编号分包单位分包项目经理施工班组长施工质量验收规范的规定施工单位检查评定记录监理(建设)单位验收记录主控项目1系统设备与附属设备第9.2.1条2冷却塔安装第9.2.6条3水泵安装第9.2.7条4其他附属设备安装第9.2.8条一般1风机盘管机组等与管道连接第9.3.7条工程系统调试验收记录表。
通风与空调设备安装工程检验批质量验收记录表(净化空调系统)GB50243—2002(Ⅲ)080505□□说明----------------------------精品word文档值得下载值得拥有----------------------------------------------(Ⅲ)080505主控项目1、空调机组的型号、规格、方向和技术参数应符合设计要求。
现场组装的应做漏风量检测。
依据设计图核对,依据《组合式空调机组》GB/T14294规定检查漏风量。
2、净化空调设备与洁净室围护结构相连的接缝必须密封;风机过滤器单元不得有变形、锈蚀、漆膜脱落、拼接板破损等现象;在系统试运转时,必须在进风口处加装临时中效过滤器作为保护。
按设计图核对和观察检查。
3、高效过滤器应在洁净室及净化空调系统进行全面清扫和系统连续试车12h以上后,在现场拆开包装并进行安装;安装前需进行外观检查和仪器检漏。
不得有变形、脱落、断裂等破损现象;合格后立即安装,其方向必须正确,四周及接口,应严密不漏;在调试前应进行扫描检漏。
观察检查、按本规范附录B规定扫描检测或查看检测记录。
4、静电空气过滤器金属外壳接地必须良好。
观察检查或电阻测定。
5、电加热器与钢构架间的绝热层必须为不燃材料;接线柱外露的应加设安全防护罩;电加热器的金属外壳接地必须良好;连接电加热器的风管的法兰垫片,应采用耐热不燃材料。
核对材料,观察检查或进行电阻测定。
6、于蒸汽加湿器蒸汽喷管不应朝下。
一般项目:1、组合式空调机组各功能段组装,应符合设计规定顺序和要求,连接应严密,整体应平直,与供回水管连接应正确,冷凝水排放管的水封高度应符合设计要求,机组和内空气过滤器(网)及空气热交换器翅应清洁、完好。
2、带有通风机的气闸室、吹淋室与地面间应有隔振垫;机械式余压阀的阀体、阀板的转轴均应水平,允许偏差为2/1000。
位置应在室内气流下风侧,并不应在工作面高度范围内;传递窗的安装,应牢固、垂直,与墙体的连接处应密封。
最新版通风与空调节能分项工程检验批质量验收记录为了确保通风与空调节能分项工程的质量,经过本单位相关人员的精心筹备和施工工人的努力,我单位完成了通风与空调节能分项工程的施工任务。
现在对该项目进行质量验收,以确保工程质量符合相关标准和要求。
一、工程概况:项目名称:通风与空调节能分项工程项目地点:建设单位:施工单位:监理单位:工程内容:1.通风系统的建设和安装2.空调系统的建设和安装3.风管、水管、电缆等管道的敷设和连接4.空调机组、风机、过滤器等设备的安装和调试二、质量验收情况:1.工程质量检查和验收依据:根据国家建设工程质量验收标准及相关规范要求2.质量验收时间:3.施工单位出具的施工合格证明及相关资料:(1)通风系统施工合格证明(2)空调系统施工合格证明(3)其他相关资料3.空调与通风系统运行状态:(1)空调系统空调机组是否正常运行空调温度、湿度是否符合设计要求空调系统的噪音是否超标空调系统的能耗是否符合节能要求(2)通风系统风机正常运行是否稳定通风系统的送风量是否达到设计要求通风系统的噪音是否超标通风系统的能耗是否符合节能要求4.施工单位配合情况:(1)施工单位是否按照施工图纸和技术要求进行施工(2)施工单位是否站在建设单位和用户的立场上,合理建议和安排施工方案(3)施工单位是否按时、按量完成工程任务5.工程质量验收结论:根据以上内容和相关文件资料的审核,通风与空调节能分项工程的质量符合相关规范和要求,工程验收合格。
6.还存在的问题及后续处理措施:(1)问题描述:(2)处理措施和整改要求:(3)整改责任单位和责任人:(4)整改期限:7.验收人员:建设单位代表:施工单位代表:监理单位代表:8.验收记录:(1)现场验收照片;(2)《工程质量验收报告》;(3)其他相关证明材料。
以上是针对通风与空调节能分项工程的质量验收记录,希望能够帮助到您。
表A.2。
1-1 风管与配件产成品检验批质量验收记录(金属风管)表A.2。
2 风管部件与消声器产品检验批质量验收记录表A.2.3—1 风管系统安装检验批质量验收记录(送风系统)表A。
2。
3—2 风管系统安装检验批质量验收记录(排风系统)表A。
2。
4—1 风机与空气处理设备安装检验批质量验收记录表A。
2。
5—1 空调制冷机组及系统安装检验批质量验收记录(制冷机组及辅助设备)表A.2。
6-1 空调水系统安装检验批质量验收记录(水泵及附属设备)表A。
2。
6—2 空调冷热(冷却)水系统安装检验批质量验收记录(金属管道)表A。
2.7—2防腐与绝热施工检验批质量验收记录(管道系统与设备)表A。
2.8-1工程系统调试检验批质量验收记录(单机试运行及调试)表A。
2.8—2工程系统调试检验批质量验收记录(非设计满负荷条件下系统联合试运转及调试)表A.3.1通风与空调分项工程质量验收记录(分项工程)表A.4。
1—1通风与空调子分部工程质量验收记录(送风系统)表A.4。
1-2通风与空调子分部工程质量验收记录(排风系统)表A.4.1—10通风与空调子分部工程质量验收记录(空调(冷、热)水系统)表A。
4。
1-11通风与空调子分部工程质量验收记录(冷却水系统)表A。
4。
1—17通风与空调子分部工程质量验收记录(吸收式制冷设备系统)表A.4。
1-20通风与空调子分部工程质量验收记录(设备自控系统)表A。
4。
2通风与空调分部工程质量验收记录编号:。
通风与空调设备安装工程检验批质量验收记录一、项目基本情况项目名称:XXX通风及空调设备安装工程施工单位:XXX建筑工程有限公司项目地点:XXX市验收日期:年月日二、验收范围本次通风及空调设备安装工程包括通风系统和空调系统的安装工作的全面验收,包括设备安装、管道敷设、电气连接、调试等方面的检验。
三、完成情况本次通风及空调设备安装工程已按照合同要求完成,施工单位已完成所有工程任务。
具体完成情况如下:1.通风系统安装1.1通风设备安装情况所有通风设备包括风管、排风机、送风机等均安装到位,与机房、走道等建筑物组织结构连接良好。
1.2风管敷设情况风管敷设符合设计要求,风管与建筑物墙面、天花板等之间留有适当的间隙,连接紧密且防水处理到位。
1.3风机安装情况通风设备中的风机安装稳定可靠,紧固件固定牢固,无松动现象。
2.空调系统安装2.1空调设备安装情况空调设备安装到位,设备防护措施到位,符合相关规范和安装要求。
2.2管道敷设情况冷却水、冷冻水、制冷剂等供水和回水管道有序敷设,管道连接紧密,无渗漏现象。
2.3电气连接情况空调设备的电气连接按照规范要求进行,电气线路设置合理,连接牢固。
四、质量评定经检验,通风与空调设备安装工程符合相关规范和设计要求,质量合格。
五、存在问题及处理意见在验收过程中,发现以下问题:1.部分风管连接处未进行密封处理,需要进行修补;2.有些冷却水管道的保温层存在破损现象,需要更换;3.部分空调设备接线不规范,需要整理和调试。
对于以上问题,建议施工单位尽快进行整改和修复,并在整改完成后重新通知验收单位进行复验。
六、总结本次通风与空调设备安装工程的验收工作圆满完成,施工单位已达到设计要求并按时交付。
在验收过程中,及时发现并处理了一些问题,为后续的设备运行维护提供了基础。
七、附件1.图纸设计及批准文件2.完工照片3.设备设施说明书签名:。