通风及空调工程检验批质量验收记录表模板
- 格式:doc
- 大小:716.50 KB
- 文档页数:27
通风与空调设备安装检验批质量验收记录一、工程概况项目名称:XX大厦空调系统安装工程验收单位:XX施工队质检单位:XX监理公司日期:XXXX年XX月XX日二、验收内容本次验收主要针对通风与空调设备的安装质量进行检查,包括以下方面:1.通风系统:通风管道的布置、连接、支架、防火、保温等。
2.空调系统:空调主机、空调末端设备、空气处理机组等。
三、现场情况安装现场整齐有序,施工人员佩戴安全帽和工作服,工具清晰摆放,施工区域划分明确。
四、验收过程1.通风系统-检查通风管道的规格、型号是否符合设计要求。
-检查管道的连接处是否牢固,无渗漏现象。
-检查管道的支架安装是否合理,稳固。
-检查防火处理是否符合规范,防火隔断是否完善。
-检查管道的保温是否齐全、无松动、无损坏。
2.空调系统-检查空调主机的型号、规格是否符合设计要求。
-检查空调末端设备(风口、风阀等)的安装是否垂直平整,连接牢固。
-检查空调末端设备的调节阀、风门等元件是否正常开启、关闭。
-检查空气处理机组的过滤器、冷却器、加湿器等元件是否干净、无积尘、无损坏。
五、验收结果1.通风系统-通风管道的规格、型号符合设计要求,安装连接牢固,无渗漏现象。
-管道的支架安装合理,稳固。
-防火处理符合规范,防火隔断完善。
-管道的保温齐全,无松动、无损坏。
2.空调系统-空调主机型号、规格符合设计要求。
-空调末端设备安装垂直平整,连接牢固。
-空调末端设备的调节阀、风门等元件正常开启、关闭。
-空气处理机组的过滤器、冷却器、加湿器等元件干净、无积尘、无损坏。
六、存在问题与整改措施1.通风系统存在局部管道连接处存在渗漏现象,需要重新进行检查和修复。
整改措施:施工队将局部管道连接处重新进行检查、密封,确保无渗漏。
2.空调末端设备中的一些风口安装不垂直。
整改措施:施工队将该风口进行调整,确保垂直安装。
七、验收结论本次通风与空调设备安装质量验收合格,符合设计要求和相关规范要求。
八、附录1.相关设计图纸和技术规范文件。
风管系统安装(送、排风、排烟系统)检验批质量验收记录
风管系统安装(空调系统)检验批质量验收记录
风管系统安装(净化空调系统)检验批质量验收记录
通风机安装检验批质量验收记录
通风与空调设备安装(通风系统)检验批质量验收记录
通风与空调设备安装(空调系统)检验批质量验收记录
通风与空调设备安装(净化空调系统)检验批质量验收记录
空调制冷系统安装检验批质量验收记录
空调水系统安装(金属管道)检验批质量验收记录
空调水系统安装(非金属管道)检验批质量验收记录
编号:080702∏□□
空调水系统安装(设备)检验批质量验收记录
防腐与绝热施工(风管系统)检验批质量验收记录
防腐与绝热施工(管道系统)检验批质量验收记录
工程系统调试检验批质量验收记录
通风与空调工程子分部工程与分项工程相关表
风管与配件制作(金属风管)检验批质量验收记录
风管与配件制作(非金属、复合材料风管)检验批质量验收记录
监理(建设)单位验
收结论专业监理工程师:
(建设单位项目专业技术负责人)
风管部件与与消声器制作检验批质量验收记录
编号:080103/080406/080506ODD。
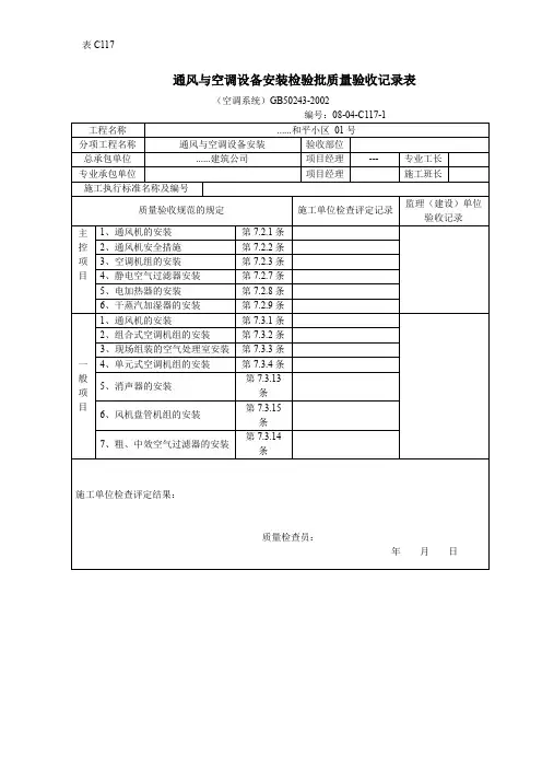
通风与空调设备安装检验批质量验收记录表(空调系统)GB50243-2002通风与空调设备安装检验批质量验收记录。
填表说明:一、该表由施工单位专业技术员填写,自检合格后报监理机构,监理工程师现场检验合格后签字确认。
相关签字人要求本人签字。
二、规范要点:7.2.1条:1 通风机型号、规格应符合设计规定其出口方向应正确;2 叶轮旋转应平稳,停转后不应每次停留在同一位置上;3 固定风机的地脚螺栓应拧紧,并有防松动措施。
检查数量:(全数检查)7.2.2条:通风机传动装置的外露部位以及直通大气的进出口,必须装防护罩(网)或其它安全措施。
检查数量:(全数检查)7.2.3条:1 型号、规格、方向和技术参数应符合设计要求;2 现场组装的组合空气调节机组做漏风量的检测,其漏风量必须符合现行国家标准《组合式空调机组》GB/T14294的规定。
检查数量:(抽检20%不少于1台,净化空调机组1~5级全数检查,6~9级抽检50%)7.2.7条:静电空气过滤器金属外壳接地必须良好。
检查数量:(抽检20%不少于1台)7.2.8条:1 电加热器与钢结构架间的绝热层必须为不燃材料;接线柱外露的应加设安全防护罩;2 电加热器的金属外壳接地必须良好;3 连接电加热器的风管的法兰垫片,应采用耐热不燃材料。
检查数量:(抽检20%不少于1台)7.2.9条:干蒸汽加湿器的安装蒸汽喷管不应朝下。
检查数量:(全数检查)检验方法:依据设计图核对、观察检查,核对材料、观察检查或电阻测定。
三、监督检查:1 同施工单位专业技术员共同检查2 通风机叶轮转子与机壳的组装位置应正确,叶轮进风口插入机壳进风口或密封圈的深度,应符合设备技术文件的规定,或为叶轮外径值的1﹪,检查通风机中心位移允许偏差10mm传动轴水平度纵向允许偏差0.2‰、横向允许偏差0.3‰联轴器两轴芯径向位移不大于0.05mm,两轴线倾斜不大于0.02%检查方法:(用水平仪、百分表检查)3 风机的隔振钢支吊架,其结构和外形尺寸应符合设计或技术文件的规定,焊接应牢固焊缝饱满、均匀。
通风与空调节能工程检验批质量验收记录一、项目基本情况项目名称:通风与空调节能工程项目地址:XXX区XXX路XXX号验收时间:XXXX年X月X日二、质量验收内容根据通风与空调节能工程设计文件,合同要求及有关规范,对工程的质量进行全面检查和验收。
1.设备安装质量检验:a.检查设备的安装基座、膨胀螺栓、安装间隙等是否符合设计要求;b.检查设备的连接管道、接头、套管等是否焊接牢固、安装正确;c.检查设备的电源、信号线连接是否正确,是否存在短路、漏电等情况;d.检查设备的油液、气体等介质的供给管道是否密封良好,无泄漏现象。
2.管道系统质量检验:a.检查管道材料及配件的型号、规格是否符合设计要求;b.检查管道的焊接、螺纹连接是否牢固,是否存在裂纹、漏气现象;c.检查管道的支撑、固定是否牢固可靠,是否存在松动、变形等情况;d.检查管道的绝热层是否均匀、紧密,是否存在脱落、破损等现象。
3.控制系统质量检验:a.检查控制设备的型号、规格是否符合设计要求;b.检查控制设备的接线是否正确,是否存在接触不良、线路松动等现象;c.检查控制系统的程序和参数是否正确设置,是否能实现预期的控制功能;d.检查控制系统的运行记录、报警记录等是否能正常存储、查询。
4.试运行情况检验:a.根据设计要求、工艺流程等标准,对通风与空调节能设备进行试运行;b.检查设备运行时的温度、湿度、气流速度等参数是否符合设计要求;c.检查设备运行时的噪音、振动等是否超过规定的标准值;d.检查设备运行时的能耗,与设计要求进行对比分析。
三、质量验收结论1.设备安装质量检验结论:符合设计要求,合格。
2.管道系统质量检验结论:符合设计要求,合格。
3.控制系统质量检验结论:符合设计要求,合格。
4.试运行情况检验结论:设备运行稳定,各项参数指标符合设计要求,合格。
四、质量问题及整改要求根据质量验收过程中发现的问题,提出以下整改要求:1.设备安装中存在部分连接螺栓松动的情况,要求进行紧固处理。
DBJ04-226-2003通风与空调设备安装工程检验批质量验收记录表(通风系统)GB50243-2002DBJ04-226-2003说明(Ⅰ) 080304 主控项目:1.现场组装的除尘器壳体应做漏风量检测,在设计工作压力下允许漏风率5%,其中离心式除尘器为3%。
按总数抽查20%,不少于1台;接地全数检查。
按图核对,检查测试记录和观察检查。
2.按总数抽查20%,不少于1台,核对材料,观察检查或电阻测定。
3.按总数抽查20%,不少于1台,核对材料,观察检查或电阻测定。
4.全数检查,观察或检测。
一般项目:1.按总数抽查20%,不少于1台,尺量、观察检查及检查施工记录。
2.按总数抽查20%,不少于1台,平面位移用经纬仪或拉线、尺量检查,标高用水准仪、直尺、拉线和尺量检查;垂直度用吊线和尺量检查。
3.现场组装的静电除尘器,还应符合设备技术文件。
振打锤装置的固定应可靠;振打锤的转动,应灵活。
锤头方向应正确;振打锤头与振打钻之间应保持良好的接触状态,接触长度应大于锤头厚度的0.7倍。
4.按总数抽查20%,不少于1台,尺量、观察检查及检查施工记录。
5.两组同类型消声器不宜直接串联;单个消声器组件的固定应牢固;消声器及弯管应设独立支、吊架。
整体安装的消声器,按总数抽查10%,不少于5台,现场组装的消声器全数检查。
手板和观察检查、核对安装记录。
6.按总数抽查10%,不少于1台,观察检查。
7.全数检查,观察检查。
8.按总数10%的比例抽查,不少于1台,观察检查。
9.按总数抽查10%,不少于1台,观察检查、查阅检查试验记录。
风管与配件制作检验批质量验收记录表(金属风管)GB 50243-2002风管与配件制作检验批质量验收记录表(非金属、复合材料风管)GB 50243-2002监理(建设)单位验收结论监理工程师(建设单位项目专业技术负责人)年月日风管部件与消声器制作检验批质量验收记录表GB 50243-2002(Ⅰ)主控项目080105080405080505工程名称分项工程名称验收部位施工单位专业工长项目经理施工执行标准名称及编号分包单位分包项目经理施工班组长施工质量验收规范的规定施工单位检查评定记录监理(建设)单位验收记录主控项目1调节风阀第5.2.1条2电动风阀第5.2.2条3防火阀、排烟阀(口)第5.2.3条4防爆风阀第5.2.4条5净化空调系统风阀第5.2.5条6高压风阀第5.2.6条7防排烟柔性短管材料要求第5.2.7条8消防弯管、消声器第5.2.8条施工单位检查评定结果项目专业质量检查员:年月日监理(建设)单位验收结论风管部件与消声器制作检验批质量验收记录表GB 50243-2002风管系统安装检验批质量验收记录表(送、排风,防排烟,除尘系统)GB 50243-2002风管系统安装检验批质量验收记录表(空调系统)GB50243-2002风管系统安装检验批质量验收记录表(净化空调系统)GB 50243-20028净化空调风口安装第6.3.12条9真空吸尘系统安装第6.3.7条10风口安装允许偏差位置和标高不应大于10m水平度不应大于3/1000垂直度不应大于2/1000施工单位检查评定结果项目专业质量检查员:年月日监理(建设)单位验收结论监理工程师(建设单位项目专业技术负责人)年月日通风机安装检验批质量验收记录表GB 50243-2002080107080207080306080407080507工程名称分项工程名称验收部位施工单位专业工长项目经理施工执行标准名称及编号分包单位分包项目经理施工班组长施工质量验收规范的规定施工单位检查评定记录监理(建设)单位验收记录主控项目1通风机安装第7.2.1条2通风机安全措施第7.2.2条一般项目1叶轮与机壳安装第7.3.1-1条2轴流风机叶片安装第7.3.1-2条3隔振器安装第7.3.1-3条4隔振器支吊架第7.3.1-4条5通风机安装允许偏差/mm(1)中心线的平面位移10(2)标高±10(3)皮带轮轮宽中心平面偏移1通风与空调设备安装检验批质量验收记录表(通风系统)GB 50243-2002(Ⅰ)5消声器安装第7.3.13条6空气过滤器安装第7.3.14条7蒸汽加湿器安装第7.3.18条8空气风幕机安装第7.3.19条施工单位检查评定结果项目专业质量检查员:年月日监理(建设)单位验收结论监理工程师(建设单位项目专业技术负责人)年月日通风与空调设备安装检验批质量验收记录表(空调系统)GB 50243-2002(Ⅱ)080404工程名称分项工程名称验收部位施工单位专业工长项目经理施工执行标准名称及编号分包单位分包项目经理施工班组长施工质量验收规范的规定施工单位检查评定记录监理(建设)单位验收记录主控项目1空调机组的安装第7.2.1条2静电空气过滤器安装第7.2.2条3电加热器安装第7.2.3条4干蒸汽加湿器安装第7.2.7条一般项目1组合式空调机组安装第7.2.8条2现场组装的空气处理室安装第7.2.9条3单元式空调机组安装第7.3.2条4消声器安装第7.3.3条5风机盘管机组安装第7.3.4条6粗、中效空气过滤器安装第73.313条通风与空调设备安装检验批质量验收记录表(净化空调系统)GB 50243-20027高效过滤器安装第7.3.12条8消声器的安装第7.3.13条9蒸汽加湿器安装第7.3.18条施工单位检查评定结果项目专业质量检查员:年月日监理(建设)单位验收结论监理工程师(建设单位项目专业技术负责人)年月日空调制冷系统安装检验批质量验收记录表GB 50243-2002080601工程名称分项工程名称验收部位施工单位专业工长项目经理施工执行标准名称及编号分包单位分包项目经理施工班组长施工质量验收规范的规定施工单位检查评定记录监理(建设)单位验收记录主控项目1制冷设备与附属设备安装第8.2.1-1,3条2设备混凝土基础验收第8.2.1-2条3表冷器的安装第8.2.2条4燃油、燃气系统设备安装第8.2.3条5制冷设备严密性试验及试运行第8.2.4条6制冷管道及管配件安装第8.2.5条7燃油管道系统接地第8.2.6条8燃气系统安装第8.2.7条9氨管道焊缝无损检测第8.2.8条10乙二醇管道系统规定第8.2.9条11制冷剂管道试验第8.2.10条一般项目1制冷及附属设备安装平面位移/mm10标高/mm±102模块式冷水机组安装第8.3.2条3泵安装第8.3.3条4制冷剂管道安装第8.3.4-1,2,3,4条5管道焊接第8.3.4-5,6条6阀门安装第8.3.5-2-5条7阀门试压第8.3.5-1条8制冷系统吹扫第8.3.6条施工单位检查评定结果项目专业质量检查员:年月日监理(建设)单位验收结论监理工程师(建设单位项目专业技术负责人)年月日空调水系统安装检验批质量验收记录表(金属管道)GB 50243-2002(Ⅰ)080701工程名称分项工程名称验收部位施工单位专业工长项目经理施工执行标准名称及编号分包单位分包项目经理施工班组长施工质量验收规范的规定施工单位检查评定记录监理(建设)单位验收记录主控项目1系统的管材与配件验收第9.2.1条2管道柔性接管安装第9.2.2-3条3管道套管第9.2.2-5条4管道补偿器安装及固定支架第9.2.5条5系统与设备贯通冲洗、排污第9.2.2-4条6阀门安装第9.2.4-1,2条7阀门试压第9.2.4-3条8系统试压第9.2.3条9隐蔽管道验收第9.2.2-1条10焊接、镀锌钢管焊号第9.2.2-2条1管道焊接连接第9.3.2条一般项目2管道螺纹连接第9.3.3条3管道法兰连接第9.3.4条4钢制管道安装允许偏差(mm)(1)坐标架空及地沟室外25室内15埋地60(2)标高架空及地沟室外±20室内±15埋地±25(3)水平管平直度DN≤100mm2L%,最大40DN>100mm3L%,最大40(4)立管垂直度5L%,最大25(5)成排管段间距15(6)成排管段或成排阀门在同一平面上35钢塑复合管道安装第9.3.6条6管道沟槽式连接第9.3.6条7管道支、吊架第9.3.8条8阀门及其他部件安装第9.3.10条9系统放气阀与排水阀第9.3.10-4条施工单位检查评定结果项目专业质量检查员:年月日监理(建设)单位验收结论监理工程师(建设单位项目专业技术负责人)年月日空调水系统安装检验批质量验收记录表(非金属管道)GB 50243-2002(Ⅱ)080701工程名称分项工程名称验收部位施工单位专业工长项目经理施工执行标准名称及编号分包单位分包项目经理施工班组长施工质量验收规范的规定施工单位检查评定记录监理(建设)单位验收记录主控项目1系统管材与配件验收第9.2.1条2管道柔性接管安装第9.2.2-3条3管道套管第9.2.2-5条4管道补偿器安装及固定支架第9.2.5条5系统冲洗、排污第9.2.2-4条6阀门安装第9.2.4-1,2条7阀门试压第9.2.4-3条8系统试压第9.2.3条9隐蔽管道验收第9.2.2-1条一般项目1PVC—U管道安装第9.3.1条2PP—R管道安装第9.3.1条3PEX管道安装第9.3.1条4管道与金属支吊架间隔绝第9.3.9条5管道支、吊架第9.3.8条6阀门安装第9.3.10条7系统放气阀与排水阀第9.3.10-4条施工单位检查评定结果项目专业质量检查员:年月日监理(建设)单位验收结论监理工程师(建设单位项目专业技术负责人)年月日空调水系统安装检验批质量验收记录表(设备)GB 50243-2002(Ⅲ)080701工程名称分项工程名称验收部位施工单位专业工长项目经理施工执行标准名称及编号分包单位分包项目经理施工班组长施工质量验收规范的规定施工单位检查评定记录监理(建设)单位验收记录主控项目1系统设备与附属设备第9.2.1条2冷却塔安装第9.2.6条3水泵安装第9.2.7条4其他附属设备安装第9.2.8条一般1风机盘管机组等与管道连接第9.3.7条工程系统调试验收记录表。
本表由施工单位填报,经监理单位审批后,监理单位、施工单位各保存一份。
本表由施工单位填写,城建档案馆、建设单位、施工单位各保存一份。
本表由施工单位填报,城建档案馆、建设单位、施工单位各保存一份。
本表由施工单位填写并保存。
本表由施工单位填报并保存。
附:调试测试表
本表由施工单位填写,城建档案馆、建设单位、施工单位各保存一份。
注:无洁净级别要求的系统,填写送、排、新风等;风道部位指干管或支干管、支管。
本表由施工单位填写并保存。
本表由施工单位填写,城建档案馆、建设单位、施工单位各保存一份。
本表由施工单位填报并保存。
本表用于粘贴合格证和试验报告单等资料。
本表由交接单位和接受单位各保存一份。
本表由施工单位填写,城建档案馆、建设单位、施工单位各保存一份。
本表由交接单位和接受单位各保存一份。
通风与空调分部工程质量验收记录表(送、排风系统)手机震动,来一条微信消息,他说:“我开好房间了,等你!他们都说你技术好,我想试试真假。
真的,我平时对你也不错吧,你可不能让我干等着呀。
”她回:“那好吧,你先等我,我在家里,先洗个澡,换身衣服吧。
”半个小时后,她问:“你在哪里开房?”“欢乐斗地主,电信一区,12号房间,不见不散哦。
”“给老娘滚!”当然,以上是个笑话。
不过,近日成都一家燃气公司也发生了一件类似的事情,董事长在微信里发了一个六十块钱的红包,三名员工一时手痒,按耐不住诱惑,结果伸手一抢纷纷中招:工作时间玩手机,罚款五百!在面对记者采访时,董事长表示:“我为了了解大家的思想动态,所以加入了员工的微信群里。
”贵董事长显然忘记了,微信是一款私人社交APP,主要用于朋友间的情感交流,如果谈工作,我们有OA或IMO等专门的办公协作软件。
如果公司实在不成气候,一时没有使用这样的专业应用程序,也应当提前与员工约定,公司把QQ或者微信当做办公交流的专用软件。
没有事先的约定,董事长从微信里冒出来,就是以“朋友”的身份,而非“老板”的身份。
朋友发红包,抢还是不抢呢?朋友上班抢红包,罚还是不罚呢?显然,天真的员工把董事长当做了朋友,所以抢了红包,而老谋深算的董事长没有把员工当做朋友,所以罚了员工。
试探是一把双刃剑,你在试探别人的时候,往往先暴露了自己。
然而,朋友圈里的试探之风经久不衰。
最常见的试探:“清清吧,不用回。
试试吧,复制我发的消息,找到微信里的设置,通用,群发助手,全选,粘贴复制的信息发送就行,谁的发送失败了,就是把你拉黑了,你再扔掉那些尸体就OK啦!”发出这种试探信息的人,骨子里肯定极端自卑,而且平时很可能不大受待见,要不怎么老怀疑自己被朋友删了呢?像马云,我猜他一定不会纠结于自己是不是被微信好友给删了。
我一般收到这样的消息,会当下把对方拉黑。
既然你连这点做人的底气都没有,咱俩之间的友谊连这点信任的基础都没有,我还有必要把你保留在我的朋友圈里吗?试探朋友关系的升级版,是在朋友圈求助。
表A.2。
1-1 风管与配件产成品检验批质量验收记录(金属风管)表A.2。
2 风管部件与消声器产品检验批质量验收记录表A.2.3—1 风管系统安装检验批质量验收记录(送风系统)表A。
2。
3—2 风管系统安装检验批质量验收记录(排风系统)表A。
2。
4—1 风机与空气处理设备安装检验批质量验收记录表A。
2。
5—1 空调制冷机组及系统安装检验批质量验收记录(制冷机组及辅助设备)表A.2。
6-1 空调水系统安装检验批质量验收记录(水泵及附属设备)表A。
2。
6—2 空调冷热(冷却)水系统安装检验批质量验收记录(金属管道)表A。
2.7—2防腐与绝热施工检验批质量验收记录(管道系统与设备)表A。
2.8-1工程系统调试检验批质量验收记录(单机试运行及调试)表A。
2.8—2工程系统调试检验批质量验收记录(非设计满负荷条件下系统联合试运转及调试)表A.3.1通风与空调分项工程质量验收记录(分项工程)表A.4。
1—1通风与空调子分部工程质量验收记录(送风系统)表A.4。
1-2通风与空调子分部工程质量验收记录(排风系统)表A.4.1—10通风与空调子分部工程质量验收记录(空调(冷、热)水系统)表A。
4。
1-11通风与空调子分部工程质量验收记录(冷却水系统)表A。
4。
1—17通风与空调子分部工程质量验收记录(吸收式制冷设备系统)表A.4。
1-20通风与空调子分部工程质量验收记录(设备自控系统)表A。
4。
2通风与空调分部工程质量验收记录编号:。
通风与空调工程系统调试检验批质量验收记录注:本表内容的填写需依据《现场验收检验批检查原始记录》。
本检验批质量验收的规范依据见本页背面。
填写说明一、填写依据1 《通风与空调工程质量验收规范》GB50243-2002。
2 《建筑工程施工质量验收统一标准》GB50300-2013。
二、检验批划分根据施工现场实际情况,可按照设计系统和设备组别划分成若干个检验批进行验收;设备安装可按型号划分成若干个检验批进行验收。
三、GB50243-2002规范摘要主控项目11.2.2 设备单机试运转及调试应符合下列规定:1 通风机、空调机组中的风机,叶轮旋转方向正确、运转平稳、无异常振动与声响,其电机运行功率应符合设备技术文件的规定。
在额定转速下连续运转2h后,滑动轴承外壳最高温度不得超过70℃;滚动轴承不得超过80℃。
2 水泵叶轮旋转方向正确,无异常振动和声响,紧固连接部位无松动,其电机运行功率值符合设备技术文件的规定。
水泵连续运转2h后,滑动轴承外壳最高温度不得超过70℃;滚动轴承不得超过75℃。
3 冷却塔本体应稳固、无异常振动,其噪声应符合设备技术文件的规定。
风机试运转按本条第1款的规定。
冷却塔风机与冷却水系统循环试运行不少于2h,运行应无异常情况。
4 制冷机组、单元式空调机组的试运转,应符合设备技术文件和现行国家标准《制冷设备、空气分离设备安装工程施工及验收规范》GB50274的有关规定,正常运转不应少于8h。
5 电控防火、防排烟风阀(口)的手动、电动操作应灵活、可靠,信号输出正确。
检查数量:第1款按风机数量抽查10%,且不得少于1台;第2、3、4款全数检查;第5款按系统中风阀的数量抽查20%,且不得少于5件。
检查方法:观察、旁站、用声级计测定、查阅试运转记录及有关文件。
11.2.3 系统无生产负荷的联合试运转及调试应符合下列规定:1 系统总风量调试结果与设计风量的偏差不应大于10%。
2 空调冷热水、冷却水总流量测试结果与设计流量的偏差不应大于10%。
通风与空调设备安装工程检验批质量验收记录一、项目基本情况项目名称:XXX通风及空调设备安装工程施工单位:XXX建筑工程有限公司项目地点:XXX市验收日期:年月日二、验收范围本次通风及空调设备安装工程包括通风系统和空调系统的安装工作的全面验收,包括设备安装、管道敷设、电气连接、调试等方面的检验。
三、完成情况本次通风及空调设备安装工程已按照合同要求完成,施工单位已完成所有工程任务。
具体完成情况如下:1.通风系统安装1.1通风设备安装情况所有通风设备包括风管、排风机、送风机等均安装到位,与机房、走道等建筑物组织结构连接良好。
1.2风管敷设情况风管敷设符合设计要求,风管与建筑物墙面、天花板等之间留有适当的间隙,连接紧密且防水处理到位。
1.3风机安装情况通风设备中的风机安装稳定可靠,紧固件固定牢固,无松动现象。
2.空调系统安装2.1空调设备安装情况空调设备安装到位,设备防护措施到位,符合相关规范和安装要求。
2.2管道敷设情况冷却水、冷冻水、制冷剂等供水和回水管道有序敷设,管道连接紧密,无渗漏现象。
2.3电气连接情况空调设备的电气连接按照规范要求进行,电气线路设置合理,连接牢固。
四、质量评定经检验,通风与空调设备安装工程符合相关规范和设计要求,质量合格。
五、存在问题及处理意见在验收过程中,发现以下问题:1.部分风管连接处未进行密封处理,需要进行修补;2.有些冷却水管道的保温层存在破损现象,需要更换;3.部分空调设备接线不规范,需要整理和调试。
对于以上问题,建议施工单位尽快进行整改和修复,并在整改完成后重新通知验收单位进行复验。
六、总结本次通风与空调设备安装工程的验收工作圆满完成,施工单位已达到设计要求并按时交付。
在验收过程中,及时发现并处理了一些问题,为后续的设备运行维护提供了基础。
七、附件1.图纸设计及批准文件2.完工照片3.设备设施说明书签名:。