试卷编号班级学号姓名
- 格式:doc
- 大小:606.00 KB
- 文档页数:5
2024年6月高等教育自学考试实践考试 互联网数据库(实践)(课程代码 00912)A 卷 阳光学院考点课程名称 互联网数据库(闭卷) 级专业 考试日期学生姓名 学号 班级题号 一 二 三 四 五 总分 累分人题分 2010402010100得分考生注意事项:1.本试卷共 8 页,请查看试卷中是否有缺页。
2.考试结束后,考生不得将试卷、答题纸和草稿纸带出考场。
教师注意事项:请按照阳光学院试卷评阅要求操作。
一.单选题(共20分,每小题2分)1.在数据的三级模式结构中,设计数据库模式结构时应首先确定数据库的( )。
A.物理模式B.逻辑模式C.存储模式D.外模式 2.自然连接是构成新关系的有效方法。
一般情况下,当对关系R 和S 使用自然连接时,要求R 和S 含有一个或多个共有的( )。
A.元组 B.行 C.记录 D.属性 3.在数据库系统中,下列说法不正确的是( )。
A.数据结构化 B.数据易扩充C.数据独立性高D.避免了一切数据的重复 4.下列关于聚簇索引的叙述中,正确的是( )。
A.在一个基本表上最多只能建立一个聚簇索引B.在一个基本表上最多能建立与基本表中记录数相等的聚簇索引C.在一个基本表上只能建立少于基本表中记录数的聚簇索引D.在一个基本表上能建立多个聚簇索引5.为防止用户通过视图对数据进行增、删、改时,无意或故意操作不属 于视图范围内的基本表数据,可以在定义视图时加的子句是( )。
A.WITH UPDATE OPTION B.WITH INSERT OPTION C.WITH CHECK OPTION D.WITH DELETE OPTION6.系统在运行过程中,由于某种原因,造成系统停止运行,致使事务在执行过程中以非控制方式终止,这时内存中的信息丢失,而存储在外存上………………………………………………………………装……订……线……内……不……要……答……题…………………………………………………………得 分 评卷人的数据未受影响,这种情况称为()。
管理信息系统试题A河北经贸⼤学2010-2011学年第⼆学期经济管理学院《信息技术与管理》试卷A学院:_____班级:______ 学号:_________姓名:________(所有答案写在答题纸上,否则⽆效)⼀、名词解释(每个3分,共15分)1、管理信息系统2、企业流程重组3、第⼆范式4、区间码5、对象⼆、填空题 (每空 1分,共15分)1.描述处理逻辑的⼯具有________、________和________。
2.在BSP⽅法中,划分⼦系统的⼯具是________。
3.⽤算术级数法计算校验位,算法如下:原代码5位,计算校验位所⽤的权⾃左⾄右为5、4、3、2、1,对乘积的和以9为模取余作为校验位。
若原代码为13572,则校验位是________。
4.ERP的中⽂意思_________。
5.系统分析阶段最终形成的⽂档是________。
6.程序员编写程序的主要依据是__________。
7.系统分析阶段最终要完成新系统逻辑模型的设计,_______是描述逻辑模型的主要⼯具。
8.在数据库设计过程中,⾸先进⾏⽤户信息需求分析,然后进⾏_________和_______,最后进⾏物理结构设计。
9.详细调查的⽬的是了解组织内部信息的处理和流通情况。
详细调查的⼯作任务包括___________和_________。
10.信息是关于_________的________的知识。
三、单项选择题(每题1分,共15分)1.数据的逻辑组织按⾃低层到⾼层的顺序依次为:()A.记录、数据项、⽂件、数据库B.数据项、记录、⽂件、数据库C.记录、数据项、数据库、⽂件D.数据、⽂件、记录、数据项2.下⾯哪句话最准确地概括了结构化⽅法的核⼼思想( ) A.由分解到抽象 B.⾃顶向下,由细到粗,逐步抽象C.⾃下⽽上,由抽象到具体 D.⾃顶向下,由粗到细,逐步求精3.绘制信息系统流程设想图的依据是()A.管理业务流程图B.数据流程图C.表格分配图D.重复数据分析图4.对当前系统进⾏初步调查⼯作和详细调查⼯作应分别在哪两个阶段进⾏()A.总体规划阶段和系统分析阶段B.系统分析阶段和系统设计阶段C.系统设计阶段和系统实施阶段D.系统实施阶段和系统运⾏阶段5.进⾏系统设计的依据是:()A.系统分析报告 B.系统设计报告C.需求分析报告 D.可⾏性分析报告6.在管理信息中,战略信息的特性是()A.⼤部分数据来⾃外部 B.精度⾼C.使⽤寿命短 D.经常重复7.系统逻辑模型主要包括包括()A.数据流图、数据字典、加⼯说明B.数据流、⽂件、⽂件条⽬C.系统结构图、⼦系统分布图、模块图D.数据流、数据条⽬、数据项8.⽬前世界上较为流⾏的Oracal,Sybase,DB2等属于:()A.⽹络型B.层次型C.关系型D.记录型9.MIS的最终⽤户是()。
试卷编号: 班级 学号 姓名 考核对象: 注意:1.重修必须注明(重修)2.试卷背面为草算区装 订 线大连工业大学201 ~201 学年 第 学期 《 》试卷( ) 共 页第 页说明:“阅卷总分”由阅卷人填写;“复核总分”由复核人填写,复核总分不得有改动。
一、填空题(每空3分,共15分)1. 设()4.0=A P , ()3.0=B P 且A ,B 互不相容,求,()=B A P .2. 设X 与Y 相互独立,且2)(=X E ,3)(=Y E ,1)()(==Y D X D ,则=-])[(2Y X E 。
3. 设n X X X ,,,21 是取自总体),(2σμN 的样本,则统计量∑=-ni iX122)(1μσ服从 分布。
4. 设),3(~),,2(~p B Y p B X ,且95}1{=≥X P ,则=≥}1{Y P 。
5. 设随机变量X 的密度函数为()2,01,0,x x f x <<⎧=⎨⎩其他,用Y 表示对X 的3次独立重复观察中事件⎭⎬⎫⎩⎨⎧≤21X 出现的次数,则()2P Y == 。
二、单选题(每小题3分,共15分)1.设事件A 与B 互不相容,且()0≠A P ,()0≠B P ,则下面结论正确的是( )(A) A 与B 互不相容; (B)()0>A B P ; (C) ()()()B P A P AB P =; (D)()()A P B A P =2.设随机变量X 的概率密度为⎪⎩⎪⎨⎧<<=其他,,03x 121)(x f ,则方差()X D = ( )(A) 2; (B)12; (C) 3; (D) 133.设()x x f sin =是某个连续型随机变量X 的概率密度函数,则X 的取值范围是( )()A ⎥⎦⎤⎢⎣⎡2,0π; ()B []π,0; ()C ⎥⎦⎤⎢⎣⎡-2,2ππ; ()D ⎥⎦⎤⎢⎣⎡23,ππ 4.设()2,~σμN X ,b aX Y -=,其中a 、b 为常数,且0≠a ,则~Y ( )()A ()222,b a b a N +-σμ; ()B ()222,b a b a N -+σμ; ()C ()22,σμa b a N +; ()D ()22,σμa b a N -5.设总体X 服从正态分布2(,)N μσ,其中μ已知,2σ未知,123,,X X X 是取自总体X 的一个样本,则非统计量是( ). (A )1231()3X X X ++ (B )122X X μ++ (C )123max(,,)X X X (D )12321()X X X σ++三、计算题(10分)袋中有15个球,其中有9个新球,6个旧球,第一次比赛时从中任意取一个,比赛完后仍放回袋中,第二次比赛时再从袋中任意取一个,试求: (1) 第一次恰好抽到新球的概率;(2) 第二次恰好抽到新球的概率;(3) 已知第二次恰好抽到新球,求第一次也抽到新球的概率.试卷编号:班级学号姓名考核对象:注意:1.重修必须注明(重修)2.试卷背面为草算区装订线大连工业大学201 ~201 学年第学期《》试卷()共页第页四、计算题(12分)设随机变量X的分布律为X -1 0 3p 0.2 0.3 0.5(1)求X的分布函数;(2)求13122+=+=XZXY及的分布律;(3)13122+=+=XZXY及期望五、计算题(12分)设二维随机变量()YX,的联合密度函数为()221,cx y x yf x y⎧<<=⎨⎩其它,⑴试求常数c;⑵求边缘密度函数.(3)判断X与Y是否相互独立。
试卷编号:( B )卷南昌大学2018~2019学年第二学期期中考试试卷大学英语C班课程编号:T5103I001 课程名称:大学英语考试形式:闭卷适用班级:2018级大学英语C班姓名:学号:班级:学院:专业:英语班级: 考试日期:2019年4月18日考生注意事项:1.本试卷共8页,请查看试卷中是否有缺页或破损。
如有立即举手报告以便更换;2.本次考试分A,B两种试卷,请看清自己的试题册上面的试卷类型,用铅笔在相应的字母上划线;3. 答题卡上的准考证号用本人学号,填写后请用铅笔分别在下面对应的数字上划线;4. 考试结束后回收答题卡,试卷册可由学生带走;Part I Reading Comprehension(每题3分,共45分)Directions: There are 3 reading passages in this part. Each passage is followed by some questions or unfinished statements. For each of them there are four choices marked A), B), C) and D). You should decide on the best choice and mark the corresponding letter on the Answer Sheet with a single line through the centre.Passage OneQuestions 1 to 5 are based on the following passage:Plastics are materials which are softened by heat and set into lasting from when shaped in a mold. Some are natural; some are semi-synthetic, the result of chemical action on a natural substance; some are synthetic, built up from the constituents of oil or coal. All are based on the chemistry of carbon, with its capacity for forming chains. The molecules that compose them (monomers) link together in the setting or curing (固化) process to form chains (polymers), which give plastics their flexible strength. Some plastics retain their ability to be softened and reshaped; like wax, they are thermoplastic. Others set permanently in the shapes they are given by heat and pressure; like eggs, they are thermosetting.From industrial beginnings in the nineteenth century, plastics have struggled through a hundred and twenty years of glory, failure, disrepute (坏名声) and suspicion on the slow road to public acceptance. Now, at last, one can positively say that plastics are appreciated and enjoyed for what they are; that they make modern life richer, more comfortable and convenient and also more funny. Plastics are warm materials, sympathetic to the human touch, and their transformation into things that come into contact with human beings is entirely appropriate.The fact that there plastic antiques comes as a shock to most people. How can a material that seems so essential in the twentieth century, and one that is so much associated with cheap disposable products, have a history at all? It is a young technology, and a great part of the fun of collecting plastics is that beautiful pieces of historical interest can still found very cheaply.1. Which of the following is the best title for the passage?A) The development of Plastics as a Modern MaterialB) How Plastics Are MaterialC) The Importance of Plastics in the Nineteenth CenturyD) Why people Are Suspicious of Plastics2. Which of the following is necessary to create any type of plastics?A) Coal.B) Eggs.C) Oil.D) Carbon.3. According to the author, for approximately how many years have plastics existed?A) 160.B)120.C)140.D) 100.4. What historical information does the second paragraph give about plastics?A)They originated primarily as road-surfacing materials.B) The earliest types were soft and did not last very long.C)Their popularity was at its height at the time of the Industrial Revolution.D) They have come into general use very gradually.5. Why does the author mention antiques in the third paragraph?A) Young collectors prefer real antiques to plastic objects.B) Dealers use inexpensive plastic parts to repair valuable antiques.C) Some plastic objects are now considered antiques.D) Plastics replicas (复制品) of valuable antiques are relatively common.Passage TwoQuestions 6 to 10 are based on the following passage:When memory began for me, my grandfather was past sixty -- a great tall man with thick hair becoming gray. He had black eyes and a straight nose which ended in a slightly flattened tip. Once he explained seriously to me that he got that flattened tip as a small child when he fell down and stepped on his nose. The little marks of laughter at the corners of his eyes were the product of a kindly and humorous nature. The years of work which had bent his shoulders had never dulled his humor nor his love of a joke. Everywhere he went, ''Gramp'' made friends easily. At the end of half an hour you felt you had known him all your life. I soon learned that he hated to give orders, but that when he had to, he tried to make his orders sound like suggestions.One July morning, as he was leaving to go to the cornfield, he said, ''Edwin, you can pick up the potatoes in the field today if you want to do that.'' Then he drove away with his horses.The day passed, and I did not have any desire to pick up potatoes. Evening came and the potatoes were still in the field. Gramp, dusty and tired, led the horses to get their drink.''How many bags of potatoes were there?'' Gramp inquired.''I don't know.''''How many potatoes did you pick up?''''I didn't pick any.''''Not any! Why not?''''You said I could pick them up if I wanted to. You didn't say I had to.''In the next few minutes I learned a lesson I would not forget: when Gramp said I could if I wanted to, he meant that I should want to.My grandmother (''Gram'') worked hard all day, washing clothes, cleaning the house, making butter, and even working in the field when help was scarce. In the evening, though, she was not too tired to read books from the community library. For more than forty years Gram read aloud to Gramp almost every evening. In this way she and Gramp learned about all the great battles of history and became familiar with the works of great authors and the lives of famous men.Gram hated cruelty and injustice. The injustices of history, even those of a thousand years before, angered her as much as the injustices of her own day.She also had a deep love of beauty. When she was almost seventy-five, and had gone to live with one of her daughters, she spent a delightful morning washing dishes because, as she said, the beautiful patterns on the dishes gave her pleasure. The birds, the flowers, the clouds -- all that was beautiful around her -- pleased her. She was like the father of the French painter, Millet, who used to gather grass and show it to his son, saying, ''See how beautiful this is!''In a pioneer society it is the harder qualities of mind and character that are of value. The softer virtues are considered unnecessary. Men and women struggling daily to earn a living are unable, even for a moment, to forget the business of preserving their lives. Only unusual people, like my grandparents, manage to keep the softer qualities in a world of daily struggle.Such were the two people with whom I spent the months from June to September in the wonderful days of summer and youth.6. We know that Grandpa's nose _________.A) was flattened because it had been stepped onB) was not flat when he was a boyC) was both straight and broadD) was straight but its tip was a bit flat7. We learn from the passage that Grandpa _________.A) was friendly and humorousB) liked making suggestionsC) loved to give ordersD) was a serious and strict person8. When Grandpa told the writer to pick up potatoes if he wanted to do that, he meant that _________.A) he could do it if he wanted toB) he did not really have to do soC) he could do it anytime he was readyD) he had to do it9. The writer describes his Grandma as _________.A) a woman who complained about the injustices of lifeB) a very obedient housewifeC) someone who could find beauty in lifeD) a woman who loved Millet's paintings10. According to the passage, in the days of the writer's grandparents _________.A) most people understood how to appreciate the beautiful thingsB) in life it was difficult for people to keep the "soft qualities" of mind and characterC) only ordinary people managed to appreciate the beauty of natureD) it was the "soft virtues" that were thought to be very importantPassage ThreeQuestions 11 to 15 are based on the following passage:Like a lot of black kids, we never would have made it without our Momma. When there was no fatback to go with the beans, no socks to go with the shoes, no hope to go with tomorrow, she’s smile and say: “We ain’t poor, we’re just broke.”Poor is a state of mind you never grow out of, but being broke is just a temporary condition. She always has a big smile, even when her legs and feet swelled from high blood pressure and she collapsed across the table with diabetes. You have to smile twenty-four hours a day, Momma would say. If you walk through life showing the aggravation you’ve gone through, people will feel sorry for you, and they’ll never respect you.So you laugh, so you smile. Once a month the big gray relief truck would poll up in front of our house and Momma would flash that big smile and stretch out her hands: “Who else you know in this neighborhood gets this kind of service?”And we could all feel proud when the neighbors, folks who weren’t on relief, folks who had Daddies in their houses, would come by the back porch fro some of those hundred pounds of potatoes, for some sugar and flour and salty fish. We’d stand out there on the back porch and hand out the food like we were in charge of helping poor people, and then we’d take the food they brought us in return.And Momma came home one hot summer day and found we’d been evicted, thrown out into the streetcar zone with all our orange crate chairs and secondhand lamps. She flashed that big smile and dried our tears and bought some penny Kool-Aid. We stood out there and sold drinks to thirsty people coming off the streetcar, and we thought nobody knew we were kicked out—figured they thought we wanted to be there. And Momma went off to talk the landlord into letting us back in on credit.But I wonder about my Momma sometimes, and all the other black mothers who got up at 6 a.m. to go to the white man’s house with sacks over their shoes because it was so wet and cold. I wonder how they made it. They worked very hard for the man, they made his breakfast and they scrubbed his floors and they diapered his babies. They didn’t have to much time for us.I wonder about my Momma, who walked out of a white woman’s clean house at midnight and came back to her own where the lights had been out for three months, and the pipes were frozen and the wind came in through the cracks. She’d have to make deals with the rats: ;eave some food out for them so they would n’t gnaw on the doors or bite the babies. The roaches, they were just live part of the family.I wonder how she felt telling those white kids she took care of to brush their teeth after they ate, to wash their hands after they peed. She could never tell her own kids because there was n’t soap or water backhome.I wonder how my Momma felt when we came home from school with a list of vitamins and pills and cod liver oil the school nurse said we had to have. Momma would cry all night, and then go out and spend most of the rent money for pills. A week later, the white man would come for his eighteen dollars rent and Momma would plead with him to wait until tomorrow. She had lost her pocketbook. The relief check was coming. The white fold had some money for her. Tomorrow, I’d be hiding in the coal closet because there was only supposed to be two kids in the flat, and I could hear the rent man curse my Momma and call her a liar.I wonder how my Momma stayed so good and beautiful in her soul when she worked seven days a week on swollen legs and feel, how she kept teaching us to smile and laugh when the house was dark and cold and she never knew when one of her hungry kids was going to ask about Daddy.I wonder how she kept from teaching us hate when the social worker cam around. She was a nasty bitch with a pinched face who said, “We have reason to suspect you are working, Miss Gregory, and you can be sure I’m going to check on you. We don’t stand for welfare cheaters.”Momma, a welfare cheater. A criminal who couldn’t stand to see her kids go hungry, or grow up in slums and end up mugging people in dark corners. I guess the system didn’t want her to get off relief, the way it kept sending social workers around to be sure Momma wasn’t trying to make things better.I remember how that social worker would poke around the house, wrinkling her nose at the coal dust on the chilly linoleum floor, shaking her head at the buds crawling over the dirty dishes in the sink. My Momma would have to stand there and make like she was too lazy to keep her own house clean. She could never let on that she spent all day cleaning another woman’s house for two dollars and carfare. She would have to follow that nasty bitch around those drafty three rooms, keeping her fingers crossed that the telephone hidden in the closet wouldn’t ring. Welfare cases weren’t supposed to have telephone.But Momma figured that some day the Gregory kids were going to get off North Taylor Street and into a world where they would have to compete with kids who grew up with telephones in their houses. She didn’t want us to be at a disadvantage. She couldn’t explain that to social worker. And she couldn’t explain that while she was out spoon-feeding somebody else’s kids, she was worrying about her own kids, that she could rest her mind by picking up the telephone and calling us-to find out if we had bread for our baloney or baloney for our bread, to see if any of us and gotten run over by the streetcar while we played in the gutter, to make sure the house hadn’t burnt down from the papers and magazines we stuffed in the stove when the coal ran out.11. From the passage, we can learn that the author’s mother was _____.A) cynical and lazyB) optimistic and hard-workingC) critical and passiveD) pessimistic and intolerant12. Implied but not stated about the author’s family is that ____.A) the family lived in a rented flatB) the father didn’t live with themC) the family was actually very richD) the author’s mother got divorced several times13. Why did the author’s mother smile and say those words when the big relief truck came?A) Because she was greeting the truck driver.B) Because she was trying to relieve her nervousness.C) Because she did not want her children to feel inferior to their neighbors.D) Because she was proud in accepting this kind of service.14. When the family were driven out of the rented flat, the author’s mother ____.A) cursed her bad luck and gave up in despairB) was indignant and criticized her children severely for disobeying herC) was frantic and looked for a flat everywhereD) appeared calm and managed to solve the problem by persuading the landlord to let them back15. Why did the author have to hide in the coal closet when the landlord came to collect rent?A) Because the author wanted to play games with the landlord.B) Because there was no room for the author to stay in.C) Because the author wanted to frighten the landlord away.D) Because the landlord allowed only two children in the flat.Part II Vocabulary and Structure (每题1.5分,共30分)Directions: There are 20 incomplete sentences in this part. For each sentence there are four choices marked A), B), C) and D). Choose ONE answer that completed the sentence. Then mark the corresponding letter on the Answer Sheet with a single line through the center.16. If I work hard, I think I can _________ my goal of getting 6 A’s at the end of the semester.A) manage B) summarize C) accomplish D) apply17. Their investment turned out to be a failure and the manager was accused of _________ his duties.A) inserting B) investigating C) distracting D) neglecting18. He could be ________ about everything else in the world, but not about Manet, his loving child.A) extreme B) essential C) visual D) critical19. If you want to be a good speaker, you must _________ your own style of writing.A) contrast B) continue C) exaggerate D) evolve20. The school will give_________ to English and computer studies.A) principle B) priority C) principal D) proof21. I chose my words carefully in order to avoid _________ anyone.A) evolving B) emerging C) embarrassing D) exaggerating22. They claimed that they knew how to play the system and __________ it.A) hold to B) blend into C) make up for D) get away with23. These college students _______ being praised because of saving the drowned child.A) dessert B) desert C) deserve D) assert24. His thoughts were _________ from the subject by the arrival of his friends.A) attracted B) suffered C) distracted D) related25. The young man knew __________ that he should have married his first love Emily.A) in retrospect B) on occasion C) in due course D) in the least26. Witnesses showed the police the exact __________ of the accident.A) proof B) treatment C) location D) contrast27. Highly trained staff are well __________ to give practical advice to students when they select courses.A) stretched B) interrupted C) disturbed D) qualified28. Vivid memories came flooding back of the __________, romantic sophomore year.A) enormous B) glorious C)delicious D) conscientious29. The international community is ready to work __________ against terrorism.A) in unison B) from all accounts C) on their own D) to the point30. Though online bookstores usually offer ________, don’t expect to save much.A) priorities B) exceptions C) discounts D) rewards31. The police department attempted to ____________ the list of suspects.A) narrow down B) take in C) come over D) hand down32. New employees who __________ in the last six weeks have not been tested.A) came aboard B) laid down C) opened up D) carried on33. After __________ all her ready excuses, she could think of nothing else to say.A) swallowing B) exhausting C) consuming D) inventing34. The college has a few ways to assess the quality of education __________.A) overall B) emotionally C) relevantly D) gloriously35. Members of the club __________ controversial issues such as religion.A) hold to B) catch up with C) steer clear of D) come up toPart III Cloze (第一篇每空1.5分;第二篇每空1分,共25分)Directions:There are two passages in this part. There are 20 blanks in the following passages. For each blank there are four choices marked A), B), C) and D). You should choose the ONE that best fits into the passage. Then mark the corresponding letter on the Answer Sheet with a single line through the centre.Passage 1With a few exceptions my Chinese colleagues ___36__the same attitude as the staff at the Jinling Hotel. Since adults know how to place the key in the key slot, which is the ___37___ purpose of approaching the slot, and since the child is neither old enough nor clever enough to realize ___38___ the action on his own, what possible gain is achieved by having him struggle? He may well get ___39__and angry-----certainly not a desirable outcome. Why not show him what to do? He will be happy, he will learn how to accomplish the task sooner, and then he can ___40__to more complex activities, like opening the door or asking for the key---both of which accomplishments can (and should) in due course be modeled for him as well.We listened to such explanations ___41___and explained that, first of all, we did not much care whether Benjamin succeeded in inserting the key into the slot. He was having a good time and was exploring, two activities that did matter to us. But the critical point was that, in the___42__, we were trying to teach Benjamin that one can solve a problem effectively by oneself. Such __43__ is a principal value of child rearing in middle-class American. So long as the child is shown exactly how to do something ------ whether it __44__ a key in a key slot , drawing a hen or making up for a misdeed---he is less likely to figure out himself how to accomplish such a task. And, more generally, he is less __45__ to view life------ as Americans do ------ as a series of situations in which one has to learn to think for oneself, to solve problems on one’s own and even to discover new problems for which creative solutions are wanted.36. A) to be displayed B) displayed C) displaying D) to displayed37. A) ultimate B) relevant C) due D) remote38. A) desire B) desiring C) desired D) desirable39. A) frustrated B) confused C) stunned D) involved40. A) proceed B) decide C) select D) solve41. A) reluctantly B) certainly C) continually D) sympathetically42. A) following B) project C) course D) process43. A) self-reliance B) self-esteem C) self-support D) self-confidence44. A) is placed B) was placed C) be placed D) be placing45. A) unlikely B) likely C) willingly D) unwillinglyPassage 2Once he campaigned his way to the presidency, Carter occasionally managed ___46___ slip in a few hours at the carpenter's shed at Camp David, because, in his ___47___, "What we need in our lives is a stock of factors that never change. I think that skill with ___48___ own hands -- whether it's tilling the soil, building a house, making a piece of furniture, playing ___49___ violin or painting a painting -- is something that doesn't change with the ups and downs of life. And for me, going back to the earth or going back to the woodshop have always been opportunities to___50___ my basic skills. No matter if I was ___51___ in writing a book, ___52___ a political campaign, teaching at Emory University or dealing with international ___53___, I could always go back -- at least for a few hours at a time -- to the woodshop. That's meant an ___54___ lot to me. It's a kind of ___55___, but it's also a steadying force in my life -- a total rest for my mind.46. A) in B) to C) on D) for47. A) idea B) sense C) opinion D) mind48. A) his B) one’s C) their D) our49. A) an B) the C) / D) a50. A) practice B) accomplish C) prove D) reinforce51. A) involved B) involving C) involves D) involve52. A) conducting B) going C) protesting D) carrying53. A) incidents B) stories C) events D) affairs54. A) awed B) awful C) awesome D) awe55. A) therapy B) treatment C) medicine D) cure。
班级学号姓名盐城师范学院考试试卷1一、填空题(本大题44空, 每空 0.5 分 , 共 22 分 )1 、在双名法中,每一种动物由两个拉丁词或拉丁化的词组成,其中第一个词代表 ______ ,第二个词代表______ 。
2 、原生动物的营养方式主要有以下三种 ______ 、 ______ 、 _____ 。
3 、疟原虫在生活史的不同阶段,分别进行_____ 、______、_____ 三种生殖。
4 、水螅体壁内胚层的主要细胞是_____ 和 ____ ,其体壁围绕的腔称______。
5 、猪带绦虫虫体由头节、颈节和节片组成,节片有____、 ____ 、____ 三种。
6、昆虫后肠的主要功能是 __________________ 。
7 、蛔虫体壁肌肉的特点是仅有_______ 而无_______ 。
8 、田螺的软体部分一般分为_____ 、 ______ 、 _____ 三部分。
9 、动物界最早出现呼吸器官的类群是 __________________。
10 、昆虫外骨骼的基本功能包括 _______ 、 ______ 、 _______ 三方面。
11、虾身体可分为 ________ 和_________二部分,前者外有坚硬的外骨骼保护,称 _______,其前端中央有一长的突起称_______ ,可作为自卫的武器。
12、七鳃鳗成体的呼吸器官的两侧各有内鳃孔 _______ 个。
13 、海鞘成体外被类似于植物_______ 所构成的被囊,在动物界罕见。
14 、鱼尾的类型有_______ 、_________ 、 _______三种。
15、哺乳类的脑神经数目为_____ 。
16 、鸟类循环系统的特点,心脏 __________ ,血液循环为 ___________。
17 、在动物分类上,两栖纲可分为 ______、 ______ 、 _______ 三个目。
18 、爬行类的胸廓由_______、 _______ 、________三部分组成。
**大学科学技术学院2007 /2008 学年第 2 学期考核试卷课号:EK1G03A 课程名称:有机化学A 试卷编号:A 班级: 学号: 姓名: 阅卷教师: 成绩:一. 命名下列各化合物或写出结构式(每题1分,共10分)1.C C H C(CH 3)3(H 3C)2HCH2.COOH3.OCH 34.CHO5.OH6.苯乙酰胺7.邻羟基苯甲醛8.对氨基苯磺酸9.3-乙基-6-溴-2-己烯-1-醇10.甲基叔丁基醚二. 试填入主要原料,试剂或产物(必要时,指出立体结构),完成下列各反应式。
(每空2分,共48分)1.CH CH2ClCHBrKCN/EtOH 2.3.4.+CO2CH35.4 6.CH3OHOH47.+C12高温高压、CH = C H2HBrMgCH3COC1CH2ClCl8.3+H2O-SN1历程+9.C2H5ONaOCH3O+ CH2=CHC CH3O10.BrBrZnEtOH11.OCH3CH2CH2OCH3+HI(过量)12.Fe,HClH2SO43CH3(CH3CO)2OBrNaOH24NaNO H PO(2)三. 选择题。
(每题2分,共14分)1. 下列物质发生S N1反应的相对速度最快的是()A B C(CH3)2CHBr(CH3)3CI(CH3)3CBr2. 对CH 3Br 进行亲核取代时,以下离子亲核性最强的是:( )(A). CH 3COO - (B). CH 3CH 2O - (C). C 6H 5O - (D). OH -3. 下列化合物中酸性最强的是( )(A) CH 3CCH (B) H 2O (C) CH 3CH 2OH (D) p-O 2NC 6H 4OH(E) C 6H 5OH (F) p-CH 3C 6H 4OH4. 指出下列化合物的相对关系( )32CH 3H 32CH 3A ,相同,B ,对映异构,C ,非对映体,D ,没关系5. 下列化合物不发生碘仿反应的是( ) A 、 C 6H 5COCH 3 B 、C 2H 3OH C 、 CH 3CH 2COCH 2CH 3 D 、CH 3COCH 2CH 36. 下列反应的转化过程经历了( )C=CHCH 2CH 2CH 2CH=CH 3C H 3CCH 3CH 3+C=CH 3C H 3CC CH 2CH 2H 2CCH 2H 3C CH 3A 、亲电取代B 、亲核加成C 、正碳离子重排D 、反式消除7. 能与托伦试剂反应产生银镜的是( )A 、CCl 3COOHB 、CH 3COOHC 、 CH 2ClCOOHD 、HCOOH四. 鉴别下列化合物(共5分)NH 2、CH 2NH 2、CH 2OH 、CH 2Br五. 从指定的原料合成下列化合物。
WORD试卷2014学年第秋季学期课号座号课程名称WORD(A卷; 闭卷)适用班级(或年级、专业)考试时间120分钟班级学号姓名题号一二三四五六七八九十成绩满分10 10 10 10 10 10 10 10 10 10 100得分评卷人在考生文件夹下打开文档word.docx,按照要求完成下列操作并保存文档。
一.将文中所有“通讯”替换为“通信”并添加红色波浪下划线;将标题段文字(“深海通信技术”)设置为二号红色(标准色)、黑体、加粗、居中、并添加黄色底纹,底纹图案样式为“20%”、颜色为“自动”。
二.将正文各段文字(“潜艇在深水中潜航时…….. 对深潜潜艇发信。
”)设置为四号楷体。
三.将正文各段落首行缩进2字符、段前间距0.5行,左右缩进2个字符。
四.将正文第二段(“物理学告诉我们……几百米的水中。
”)分为等宽的两栏,栏间加分隔线。
五.在页面顶端插入“奥斯丁”样式页眉,并输入页眉内容“深海通信知识”。
在页面底端插入“普通数字3”样式页码,设置页码编号格式为“I、II、III、…..”、起始页码为“III”。
六.将文章倒数后13行文字转换为13行5列的表格,设置为根据内容调整表格,表格居中,行高0.7厘米。
七.设置表格外框线为蓝色(标准色)1.5磅双窄线、内框线为绿色(标准色)1磅单实线。
八.设置表格单元格上、下边距各为0.1厘米,左、右边距各为0.2厘米。
九.在表格下方居中位置选择任意一种艺术字样式,内容为座位号和姓名,字体设置为隶书,字号60。
十.设置文档页面边框为红色★边框,保存修改后的文档。
WORD考试A卷第1 页共1 页。
《礼仪》期末试卷答案学院:班级:学号:姓名:考试方式:(开卷/闭卷)考试时间:120分钟试卷编号:(A、B卷)一、填空题(25分)1,礼具有以下特性性、性、性、性、性。
2,选择服装时必须符合________、________、_______这三个基本原则。
3,礼貌语的四个特点是性、性、性、性。
4,中餐排座的基本原则是为上,为上,为上,为上,为上。
5、十字礼貌用语指、、、和。
6、办公室中上下级相处的基本礼仪、和。
二、判断题(10分,对的打✓错的打✗)1,()礼貌是礼节的具体表现形式。
2,()递名片时应将名片字体正面朝向对方。
3,()馈赠礼物时,中国人忌送钟、刀剪和玫瑰花。
4,()同样年龄和辈分的男士与女士行握手礼时应男士先伸手。
5,()点头礼通常用于同级或同辈之间。
6,()正式场合应将年轻的女士介绍给年轻的男士。
7,()通常将戒指戴在左手食指表示无偶而求爱。
8,()交际场合,上下楼梯时,尊者、女士在前。
9,()指引左前方的方位时必须使用右手。
10,()西餐宴饮中排座时可以将夫妻的座位分开排。
三、单项选择题(20分)1、人际交往中,相互表示敬重和友好的行为规范是: ( )A、礼节B、礼貌C、仪表D、礼貌修养2、仪表美的本质是: ( )A、服饰美B、风度美C、容貌美D、心灵美3、正式场合中男士穿两粒扣的西装应该扣: ( )A、两个都扣上B、两个都不扣C、只扣上口D、只扣下扣4、两脚下落到地面时的位置是指:( )A、步位B、步度C、步态D、步幅5、在服务接待场所,要按规定路线行走,一般而言:( )A、靠左行走B、靠右行走C、走中间D、无所谓6、左手无名指戴戒是表示:()A、独身B、恋爱C、权势D、已婚7、公共场合入座、起身时,应遵循的礼节是从椅子的:()A、左入、右出B、左入、左出C、右入、右出D、右入、左出8、在为来宾指引方向时,通常使用:()A、横摆式B、直臂式C、斜视D、双臂式9、英国人通常不会送哪种花给朋友:()A、菊花B、荷花C、康乃馨D、百合花10、大部份泰国人信奉的宗教是:()A、佛教B、基督教C、东正教D、天主教四、多项选择题(20分,多选不得分)1、礼貌语言应符合得体准则,具体表现为:()A、对客人虚心B、有声语言贴切C、形体语言贴得当D、待客真诚2、正式场合不宜采用的称呼方式有:()A、庸俗的称呼B、他人的绰号C、简化性称呼D、地域性称呼3、讲究方位的总体原则是:()A、以右为尊B、上左尊东C、以内为尊D、以前为尊4、打电话时谨记的要素有:()A、什么时间B、什么对象C、什么地点D、什么内容5、酒店服务要做到“轻”是:()A、说话轻B、走路轻C、操作轻D、手势轻6、西餐排座礼仪应遵循:()A、左高右低B、右高左低C、男女交叉D、男左女右7、日本人见面会行:()A、合十礼B、鞠躬礼C、报拳礼D、握手礼8、在正式场合男士应注重礼节和风度,主要表现为:()A、尊重女性B、讲究穿着C、语言文明D、举止稳重9、外国元首来访时应在哪些地方悬挂国旗以示尊重:()A、下榻的酒店B、乘坐的交通工具C、抵达地机场D、到达场地10、古代的中国关于礼的重要百科全书有:()A、《周礼》B、《礼仪》C、《仪礼》D、《礼记》五、简答题(10分)1,简述标准站姿的基本要求。
南昌大学 20 05 ~20 06 学年第 1 学期期终考试试卷解答及评分标准(参考)一、B 、C 、B 、B 、C 、B 、E 、C 、A 、二.、1、 ×1024 3分2、E 1 1分 1v 2分121Z 2分 3、 Hz 2分 Hz 2分 4、上 2分 (n -1)e 2分 5、 或 633 3分参考解:d sin --------① l =f ·tg --------②由②式得 tg =l / f = / =sin == d sin =××103 nm = nm6、° 3分7、遵守通常的折射 1分 ;不遵守通常的折射 2分 三、1解:据 iRT M M E mol 21)/(=, RT M M pV mol )/(= 2分得 ipV E 21=变化前 11121V ip E =, 变化后22221V ip E = 2分绝热过程 γγ2211V p V p =即 1221/)/(p p V V =γ 3分题设 1221p p =, 则 21)/(21=γV V即 γ/121)21(/=V V∴ )21/(21/221121V ip V ip E E =γ/1)21(2⨯=22.1211==-γ 3分2解:旋转矢量如图所示. 图3分 由振动方程可得π21=ω,π=∆31φ 1分 667.0/=∆=∆ωφt s 1分3解:(1) x = /4处)212cos(1π-π=t A y ν , )212cos(22π+π=t A y ν 2分∵ y 1,y 2反相 ∴ 合振动振幅 A A A A s =-=2 , 且合振动的初相 和y 2的初相一样为π21. 4分合振动方程 )212cos(π+π=t A y ν 1分x (m) ωω π/3 π/3 t = 0 0.12 0.24 -0.12 -0.24 O A A(2) x = /4处质点的速度 )212sin(2/d d π+ππ-== v t A t y νν)2cos(2π+ππ=t A νν 3分4解:原来, = r 2-r 1= 0 2分覆盖玻璃后, =( r 2 + n 2d – d )-(r 1 + n 1d -d )=5 3分 ∴ (n 2-n 1)d =5125n n d -=λ2分= ×10-6 m 1分5解:据 202c m mc E K -=20220))/(1/(c m c c m --=v 1分得 220/)(c c m E m K += 1分)/(220202c m E c m E E c K K K ++=v 1分将m ,v 代入德布罗意公式得2022/c m E E hc h/m K K +==v λ 2分6.答:(1) 据 pV =(M / M mol )RT ,得 ()()22H mol Ar mol Ar H //M M p p =.∵ ()()2H mol Ar mol M M >, ∴ ArH 2p p >. 2分(2) 相等.因为气体分子的平均平动动能只决定于温度. 1分(3) 据 E = (M / M mol ) ( i / 2)RT ,得 ()()()[]Ar mol H mol H Ar H Ar ///222M M i i E E ==(3 / 5) (2 / 40)∴ 2H Ar E E < 2分7.解:(1) x = 0点 π=210φ; 1分 x = 2点 π-=212φ; 1分x =3点 π=3φ; 1分(2) 如图所示. 2分xyO 1234t =T /4时的波形曲线试卷编号:( 1 )卷南昌大学2005年1月大学物理课程期终考试卷适用班级:出卷学院:理学院考试形式:闭卷班级:学号:姓名:题号一二三四五六七八九十总分累分人签名题分362440100得分四、选择题(每题 3 分,共36 分)得分评阅人1、一平面简谐波表达式为y=-π(t-2x)(SI)则该波的频率υ(HZ)波速u(m/s)及波线上各点振动的振幅A(m)依次为(A)1/2 1/2 -(B)1/2 1 -(C)1/2 1/2 (D)2 2[ ]2、一弹簧振子作简谐振动,当其偏离平衡位置的位移的大小为振幅的1/4时,其动能为振动总能量的(A)7/16 (B)9/16(C)11/16 (D)13/16 (E)15/16 [ ]3、理想气体卡诺循环过程的两条绝热线下的面积大小(图中阴影部分)分别为S1和S2,则二者的大小关系是:(A)S1>S2(B)S1=S2(C)S1<S2(D)无法确定[ ]4、在恒定不变的压强下,气体分子的平均碰撞频率Z与气体的热力学温度T的关系为(A)Z与T无关。
《质量管理统计》试卷 1卷系别班级学号姓名题号一二三四五六总分分数一、单选每题1分共10分1、钢材的强度属于()A 计量数据;B 记数数据C 控制数据D 频率2、如果一批产品的批量很大,其不合格率为p(0<p<1),从中抽查n个产品,发现有X个产品不合格,则X的分布为()A泊松分布;B二项分布;C0—1分布;D正态分布。
3、为实施抽样检验的需要而划分的产品的基本单位是()。
A产品批;B批量;C单位产品;D样本。
4下面那一个条件是判断生产过程处于统计控制状态的()。
A连续7点或更多点呈上升或下降趋势;B各个点均匀分布在中心线的两侧;C连续三点中有两点落在二倍与三倍标准差控制界限内;D连续七点中至少有三点落在二倍与三倍标准差控制界限内。
5、选用三水平正交表,考察三因子的实验条件有()。
A9个;B12个;C16个;D18个。
6、产品的质量特性y是连续量且不为负,取值越大越好,这样的质量特性称之为()。
A望目特性;B望小特性;C望大特性;D信噪比。
7、产品的最好的工作时期是()。
A早期失效期;B偶然失效期;C损耗失效期;D产品试生产期。
8、由不同操作者,采用相同量具,测量同一零件的同一特性所得重复测量的均值的变差称为()。
A再现性;B重复性;C波动性;D随机性。
9、产品设计的第一阶段是()。
A市场需求;B系统设计;C参数设计;D容差设计。
10、在调整型抽样检验系统中,如果连续五批产品中有两批不合格,那么应该采用()。
A正常抽样方案;B加严抽样方案;C放宽抽样方案;D暂停抽样方案二、多选题每题2分共10分。
1、过程能力指数计算的基本假定包括()。
A过程的稳定性;B产品的规格限能准确反映顾客的要求;C公差要大;D要分等级。
E 采用加严抽样方案。
2、决定计数一次抽样方案的因素有()A批量;B样本容量;C合格判定数;D不合格判定数;E检验框图。
3、下面属于计量值控制图的有()。
A均值—标准差控制图;B中位数—极差控制图;C单值—移动极差控制图;D缺陷数控制图;E不合格品率控制图。
上海海事大学试卷制造技术基础(试卷编号:203208) 总计100 分专业班级学号姓名题目一二三四五得分阅卷人总分一 (29分) 选择题(每空1分)1. 冷铁配合冒口形成顺序凝固,能够防止铸件产生()。
A 缩孔、缩松;B 应力;C 变形。
2. 单件、小批生产灰口铸铁件时,不需铸出而留待机械加工时钻出的孔的直径是:()A、小于10mmB、小于30mmC、小于60mmD、小于80mm3. 焊接形状复杂或刚度大的结构及承受冲击载荷或交变载荷的结构时,应选用( )(a)酸性焊条(b)碱性焊条(C)两者均可4. 拔长时的锻造比等于坯料拔长前与拔长后的()。
A、截面积之比,B、长度之比,C、表面积之比,D、体积之比。
5.金属的锻造性是指金属材料锻造的难易程度,以下材料锻造性较差的是( )。
A、含碳量较高的钢;B、纯金属;C、单相固溶体;D、组织均匀的低碳钢。
6. 合金液体的浇注温度越高,合金的流动性(),收缩率()。
A、愈好B 愈差C 愈小D 愈大。
7. 冲下的部分为成品,而周边是废料,称为()。
A、冲孔,B、弯曲,C、落料,D、剪切。
8.模锻件上平行于锤击方向的表面()。
A、均留加工余量,B、均无加工余量,C、有模锻斜度,D、无模锻斜度。
9.金属再结晶温度以上的变形,称为()。
A、冷变形B、热变形C、弯曲变形D、焊接变形。
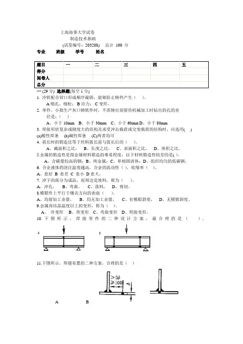
10.下图所示,焊接零件的二种设计方案,最合理的是()。
11.下图所示,焊缝布置的二种方案,合理的是()A B12.采用一般的工艺方法,下列金属材料中,焊接性能最好的是()。
A、20钢;B、45钢;C、T10钢;D、铸铁。
13.平面加工中,铣削与刨削相比较()。
A铣削较刨削生产率高,B铣削较刨削生产率低,C铣削较刨削相当14. 铸件多处冷却速度不同时,后冷处(如厚部或心部)受()。
A 拉应力;B 压应力;C 剪应力。
15.用硬质合金刀具切削时,一般()。
A、要用切削液,B、不用切削液,C、少量切削液,D、大量用切削液。
**大学科学技术学院2007 /2008 学年第2 学期考核试卷课号:EK1G03A 课程名称:有机化学A 试卷编号:A班级:学号:姓名:阅卷教师:成绩:1.2。
3.4。
5.6。
苯乙酰胺7。
邻羟基苯甲醛8。
对氨基苯磺酸9.3-乙基-6-溴-2-己烯—1-醇10.甲基叔丁基醚二. 试填入主要原料,试剂或产物(必要时,指出立体结构),完成下列各反应式。
(每空2分,共48分)1。
2.3。
4.5.6.7.8.+9.10.11。
12.三. 选择题.(每题2分,共14分)1。
下列物质发生S N1反应的相对速度最快的是()A B C2. 对CH3Br进行亲核取代时,以下离子亲核性最强的是:()3。
下列化合物中酸性最强的是()(A) CH3CCH (B)H2O (C)CH3CH2OH (D) p—O2NC6H4OH(E)C6H5OH (F)p—CH3C6H4OH4。
指出下列化合物的相对关系()A,相同,B,对映异构,C,非对映体,D,没关系5。
下列化合物不发生碘仿反应的是( )A、 C6H5COCH3B、C2H3OHC、 CH3CH2COCH2CH3D、CH3COCH2CH36。
下列反应的转化过程经历了()A、亲电取代B、亲核加成C、正碳离子重排D、反式消除7。
能与托伦试剂反应产生银镜的是()A、CCl3COOHB、CH3COOHC、 CH2ClCOOHD、HCOOH四.鉴别下列化合物(共5分)、、、五.从指定的原料合成下列化合物。
(任选3题,每题5分,共15分)1. 由溴代环己烷及不超过四个碳原子的化合物和必要试剂合成:2.由指定原料及不超过四个碳原子的化合物和必要的试剂合成:3.由指定原料及不超过四个碳原子的化合物和必要的试剂合成:4. 由苯、丙酮和不超过4个碳原子的化合物及必要的试剂合成:5. 由指定的原料及必要的有机试剂合成:六.推断结构.(8分)2-(N,N-二乙基氨基)-1-苯丙酮是医治厌食症的药物,可以通过以下路线合成,写出英文字母所代表的中间体或试剂:A卷参考答案及评分标准特别说明:鉴于以下原因,只要给出合理答案即可给分,(1)命名可采用俗名、商品名、中文名、英文名、系统名等,结构可采用分子式、键线式、电子式、纽曼投影式、Fisher投影式等;(2)对合成同一个目标化合物来说,通常可以有多种反应原料、反应条件、反应步骤达到同样的结果,不同的路线对于生产和科研来说重要性很大,但是对于本科基础教学来说不做要求;(3)化合物鉴别方案可以依据其物理化学性质不同而可以采用多种分析测试手段,不同方案之间存有难易之分.一.命名下列各化合物或写出结构式(每题1分,共10分)1.(Z)-或顺—2,2,5-三甲基-3-己烯2.4-环丙基苯甲酸3. (S)-环氧丙烷4. 3,3—二甲基环己基甲醛5. α-萘酚6。
沙洲工学院学年第学期《会计基础》考试试卷课程代号:试卷编号:05一、填空题(每空1分,共15分)1.会计科目按其提供核算指标详细程度有和。
2.资产类账户的借方记录资产的,贷方记录,期末余额一般在。
3.材料的采购成本包括材料的和。
4.账户按分类,是账户分类的基础。
5.备抵附加账户余额与被调整账户余额方向一致时,其调整方式与相同;方向不一致时,其调整方式与相同。
6.照经济业务发生的时间先后顺序,逐日逐笔连续登记的账簿叫做。
7.财产清查按照清查的对象和范围可以分为和。
8.按照会计报表编报会计主体的不同,可以分为和。
二、判断题(每题1分,共10分):1.会计的一般对象是社会再生产过程中的经济活动。
()2.所有的账户都是依据会计科目开设的。
()3.所有经济业务的发生,都会引起会计等式两边发生变化。
()4.一个账户的借方如果用来记录增加额,其贷方一定用来记录减少额。
()5.在供应过程中支付的各项采购费用,不构成材料的采购成本,故将其记入期间费用。
()6.企业预付的房屋租金,应从预提费用中开支。
()7."销售费用"、"管理费用"、"制造费用"、"财务费用"等账户都属于费用账户。
()8.出纳人员只需根据收款、付款业务的原始凭证办理收、付款项。
()9.在科目汇总表核算组织程序下,科目汇总表内的借方发生额合计数不一定与贷方发生额合计数相等。
()10.进行财产清查时,如发现账存数小于实存数,即为盘亏。
()三、单项选择题(每题1分,共24分):1.会计反映主要是从()反映经济活动。
A.全生产经营过程 B.数量方面 C.实物方面 D.价值量方面2.谨慎性原则是指()。
A.对可能发生的损失和费用作出合理预计B.对坏账损失充分预计C.固定资产加速折旧 D.对存货采用后进先出法计价3.企业的会计科目必须反映()的特点。
A.会计对象 B.会计职能 C.会计本质 D.会计定义4.收益类账户的结构与资产类账户的结构()。
2011-2012学年度上期期中考试八年级物理试卷班级学号姓名评分一、选择题(每小题1。
5分,共36分。
下列各小题中只有一个选项适合题意,请你将适合题意的选项字母填入下表中相应的空格内。
)1.“世界物理年”是哪一年…………………………………………………………()A.2004年B.2005年C.1905年D.2006年2.一位粗心的同学在测量一些物体的长度时忘了写单位,请你在他记录的下列数据中,选出单位是m的一项………………………………………………………()A.一扇门的高度是2.35B.一个人的身高是165C.一张电脑软盘的厚度是3.0D.一枚一角硬币的厚度是2.43.某同学用最小刻度为1毫米的刻度尺测量一本书的宽度,下列记录的数据中正确的是…………………………………………………………………………………()A. 86.10毫米B.8.610厘米C. 8.6厘米D. 8.61厘米4.关于误差,下列说法正确的是……………………………………………………()A. 实验中的错误叫误差B. 认真细致的测量可以避免误差C. 测量所产生的误差是因为未遵守操作规则D. 选用精密测量仪器、改进测量方法可以减小误差5.在城市道路上常见如图1所示的标牌,它表示的意思是A.鼓号乐队不能进入 B.乐器商店的标志C.道路弯曲,行车注意安全D.禁止鸣笛,保持安静6.下列关于声现象的说法中,正确的是……………………………………………()A. 水中的声速小于空气中的声速B. 人唱歌时,歌声是由声带的振动产生的C. 回声的传播速度比原来声音的传播速度要小D. 成语“震耳欲聋”是指声音的音调高7.下列四个句子(1)这首歌调太高,我唱不上去;(2)引吭高歌;(3)她是唱高音的;(4)请勿高声喧哗。
其中“高”字指响度的是…………………()A. (1),(2)B. (1),(3)C. (2),(4)D.(3),(4)8.武侠电影里经常描述一大侠双目失明,还能判断出攻击者的方位,这是因为……………………………………………………………………………………………()A. 他的眼睛根本没有失明B. 他的耳朵有特异功能C. 由于双耳效应,他可以准确的判断声音传来的方位D. 是一种巧合9.噪声严重污染环境,影响人们的生活和工作,已成为社会公害。
课程编号:99900145北京理工大学2014-2015 学年第二学期英国文学期末试题B卷班级学号姓名成绩I. Multiple Choice(50 points in all, 1for each)Select from the four choices of each item the one that best answer the question or completes the statement. Write the corresponding letter on the Answer Sheet.1.The Renaissance refers to between 14 th ---mid--17 th century ,which was under the reign ofQueen and absolute monarchy in England reached its summit, and in which the real mainstream was drama.A. VictoriaB. ElizabethC. MaryD. James2."So much the worse for me, that I am strong. Do I want to live? What kind of living will it bewhen you -oh, God! Would you like to live with your soul in the grave?"In the above passage quoted from Emily Bronte’s "Wuthering Heights", the word "soul"apparently refers to________.A. HeathcliffB. CatherineC. Catherine’s ghostD. one’s sp iritual life3.The essence of Renaissance, the most significant intellectual movement, was ______.A. geographical explorationB. religious reformationC. publishing and translationD. humanism4.Shakespeare’s greatest tragedie s are the following works except _________ .A. HamletB. King LearC. Romeo and JulietD. Othello5.Daniel Defoe describes____ as a typical English middle-class man of the eighteenth century, thevery prototype of the empire builder or the pioneer colonist.A. Tom JonesB. GulliverC. Moll FlandersD. Robinson Crusoe6.__________ is not written by John Milton.A. Samson AgonistesB. Paradise lostC. Paradise Regained D .Tamburlaine7.Although _______ was essentially a medieval writer, he bore marks of humanism andanticipated a new era of literature to come.A. William LanglandB. John GowerC. Geoffrey ChaucerD. Edmund Spenser8.The poetic view of ______ can be best understood from his remark about poetry, that is, "allgood poetry is the spontaneous overflow of powerful feelings."A. Samuel Taylor ColeridgeB. John KeatsC. William WordsworthD. Percy Bysshe Shelly9.The statement "It reveals the dehumanizing workhouse system and the dark, criminalunderworld life" may well sum up the main theme of Dickens’s____ .A. David CopperfieldB. Bleak HouseC. Great ExpectationsD. Oliver Twist10.In Pride and Prejudice, Elizabeth Bennet finds out some weak points about herself in theprocess of judging others. Which of the following is NOT a weak point of hers?A. Blindness.B. Partiality.C. Snobbishness.D. Prejudice.11.In the conversation with his wife in Chapter One of Pride and Prejudice, Mr. Bennet uses a(n)______ tone with sarcastic humor.A. solemnB. harshC. arrogantD. teasing12.Prometheus Unbound is Shelley’s greatest achievement. Prometheus, according to the _____mythology, was chained by Zeus on Mo unt Caucasus and suffered the vulture’s feeding on his liver .A. GreekB. RomanC. the BibleD. German legend13.Charles Dickens takes the French Revolution as the background of his novel ______.A. Great ExpectationsB. A Tale of Two CitiesC. Bleak HouseD. Oliver Twist14.The statement “A demanding mother turns away from her husband and gives all her affection toher sons” sums up the main plot of D. H. Lawrence’s____.A. Lady Chatterley’s LoverB. Women in loveC. Sons and LoversD. The Plumed Serpent15.Crusoe is the hero in The life and Strange Surprising Adventures of Robinson Crusoe, of York,Mariner (also known as Robinson Crusoe)by_____ .A. Jonathan SwiftB. Daniel DefoeC. George EliotD. D. H. Lawrence16.Which of the following best describes the nature of Thomas Hardy’s later works?A. Sentimentalism.B. Tragic sense.C. Surrealism.D. Comic sense.17.Which of the following brings LITTLE impact on the development of 20th century literature?A. Friedrich Nietzche’s assertions: "God is dead"B. Arther Schopenharuer’s and Henry Bergson’s philosophical ideas of irrationality.C. Oscar Wilde’s idea of "Art for Art’s Sake".D. Freudian-Jungian psycho-analysis18.In which of the following works can you find the proper names “Lilliput,” “Brobdingnag,”“Houyhnhnm,” and “Yahoo”?A.James J oyce’s Ulsses.B. Charles Dickens’s Bleak House.C. Jonathan Swift’s Gu lliver’s Travels.D. D. H. Lawrence’s Women in love.19.Which of the following best describes the speaker of T. S. Eliot’s " The Love Song of J. AlfredPrufrock"?A. He is an man of a action.B. He is a man of apathy.C. He is a man of passion.D. He is a man of inactivity20.Which of the following qualifies does NOT feature Jane Austen's style?A. Austen's main literary concern is about human beings in their personal relationships.B. Everything in Austen's novel results in an observation, of a quiet, uneventful and contentedlife of the English country.C. Austen is a great realist and her characters are from all walks of life.D. Austen's works show clearly her firm belief in the predominance of reason over passion.21.Which of the following statements is NOT a typical feature of Charles Dickens?A. The settings of his stories have an extraordinary vividness.B. His novels achieve psychological depth.C. His humor and wit seem inexhaustible.D. His character portrayal is the most distinguishing feature.22.Which of the following is NOT a typical feature of Modernism?A. To elevate the individual and inner being over the social being.B. To put the stress on traditional values.C. To portray the distorted and alienated relationships between man and his environment.D. To advocate a conscious break with the past.23.The English Renaissance period was an age of_____.A.poetry and drama B.drama and novelC.novel and poetry D.romance and poetry24.In Shakespeare's Merchant of Venice, Antonio could not pay back the money he borrowed fromShylock, because____.A.his money was all invested in the newly-emerging textile industryB.his enterprise went bankruptC.Bassanio was able to pay his own debtD.his ships had all been lost25.Which of the following statements best illustrates the theme of Shakespeare's Sonnet 18?A. The speaker eulogizes the power of Nature.B. The speaker satirizes human vanity.C.The speaker praises the power of artistic creation.D. The speaker meditates on man's salvation.26.In the first part of the novel Pride and Prejudice, Mr. Darcy has a(n)____ of the Bennet family.A. high opinionB. great admirationC. low opinionD. erroneous view27."He was silent with conceit of his son. Mrs. Morel sniffed, as if it were nothing." (Sons andLovers by D. H. Lawrence) From the above quotation, we can see that Mrs. Morel's attitude to her husband is ___.A.sincerely warm B.genuinely kindC.seemingly angry D.merely contemptuous28.A boy makes a quest of his idealized childish love through painful experience up to the point oflosing his innocence and coming to see the drabness and harshness of the adult world. The above sentence may well sum up the major theme of____.A.Eliot's poem The love song of J. Alfred PrufrockB.Bernard Shaw's play Mrs. Warren's ProfessionC.Joyce's story ArabyD.Lawrence's story The Horse Dealer's Daughter29.Shakespeare’s tragedies include all the following EXCEPT_____.A. Hamlet and King LearB. MacbethC. OthelloD. The Merchant of Venice30.Realism was a reaction against Romanticism and paved the way to ______.A. Modernism B.ScientismC. Post-Modernism D.Feminism31.“What is his name?” “Bingley.” “Is he married or single?” “Oh! Single, my dear, tobe sure! A single man of large fortune; four or five thousand a year. What a fine thing for our girls!”The above dialogue must be taken from______.A. Jane Austen’s Pride and PrejudiceB. Emily Bronte’s Wuthering HeightsC. John Galsworthy’s The Forsyte SagaD. George Eliot’s Middlemarch32.“If Winter comes, can Spring be far behind?” is an epigrammatic line by_____.A. J. KeatsB. W. BlakeC. W. WordsworthD. P. B. Shelley33.The poems such as“The Chimney Sweeper” are found in both Songs of Innocence and Songs ofExperience by______.A. William WordsworthB. William BlakeC. John KeatsD. Lord Gordon Byron34.The story starting with the marriage of Paul’s parents Walter Morel and Mrs. Morel must be____.A. Thomas Hardy’s Te ss of the D’UrbervillesB. D. H. Lawrence’s Sons and LoversC. George Eliot’s MiddlemarchD. Charlotte Bronte’s Jane Eyre35.In subject matter, William Wordsworth' s poems have two major concerns. One is about nature.The other is about ______A. French RevolutionB. literary theoryC. deathD. common life of ordinary people36.Through the character of Elizabeth, Jane Austen emphasizes the importance of _____forwomen,A. marriageB. physical attractivenessC. independence and self-confidenceD. submissive character37.The major theme of Jane Austen's novels is love and marriage. Which of the following is not acouple that appeared in Pride and Prejudice?A. Catherine and HeathcliffB. Lydia and WickhamC. Jane and BinleyD. Charlotte and Collins38.T.S. Eliot' s early poems are marked by ____ in comparison to his later ones.A. a philosophical and emotional calmB. a set of historical, cultural and religious themesC. a dreamy quality, expressing melancholy and serf- indulgent feelingsD. a mood of disillusionment and the sufferings of modem people39.Paradise Lost is actually a story taken from ________.A. the RenaissanceB. the Old TestamentC. Greek MythologyD. the New Testament40.“ To be, or not to be —that is the question ” is a line taken from______________.A. HamletB. OthelloC. King LearD. The Merchant of Venice41. The English Renaissance period was an age of _____.A.poetry and drama B.drama and novelC.novel and poetry D.romance and poetry42. In the first part of the novel Pride and Prejudice, Mr. Darcy has a(n) _____ of the Bennet family.A.high opinion B.great admiration C.low opinion D.erroneous view 43. In Shakespeare’s Merchant of Venice, Antonio could not pay back the money he borrowed fromShylock, because ______.A.his money was all invested in the newly-emerging textile industryB.his enterprise went bankruptC.Bassanio was able to pay his own debtD.his ships had all been lost44. "He was silent with conceit of his son. Mrs. Morel sniffed, as if it were nothing." (Sons and Lovers by D. H. Lawrence) From the above quotation, we can see that Mrs. Morel's attitude to her husband is ().A.sincerely warm B.genuinely kindC.seemingly angry D.merely contemptuous45. The preface to the second edition of the _____ acts as a manifesto for the Romantic school in England.A. Poetical SketchesB.Lyrical BalladsC. The PreludeD. An Essay on Criticism46.“A violet by mossy stone / Half hidden from the eye!---Fair as a star, when only one / is shiningin the sky.” These lines are taken fromA. “The Solitary Reaper”B.“Ode on a Grecian Urn”C.“She Dwelt Among the Untrodden Ways”D.“I Wandered Lonely as a Cloud”47.“Come to me-come to me entirely now,” said he ; and added, in his deepest tone, speaking in my ear as his cheek was laid on mine, “Make my happiness-I will make yours.”The above passage presents a scene in_____ .A. Emily Br onte’s Withering HeightsB. Charlotte Bronte’s Jane EyreC. John Galsworthy’s The Forsyte SagaD.Thomas Hardy’s Tess of the D′ Urbervilles48.“Drive my dead thought over the universe Like withered leaves to quicken a new birth.”(Percy Bysshe Shelley,“Ode to the West Wind”)What rhetorical device does the poet use in the quoted lines?A. Synecdoche.B.Metaphor.C.Simile.D. Onomatopoeia.49. Which of the following best describes the nature o f Thomas Hardy’s later works?A. Sentimentalism.B.Tragic sense.C. Surrealism.D. Comic sense.50.“When the evening is spread out against the sky Like a patient etherized upon a table.”(T. s.Eliot,“The Love song of J. Alfred Prufrock”) What does the image in the quoted lines suggest?A. Violence.B. Horror.C. Inactivity.D. Indifference.II.Reading Comprehension (20 points in all, 10 for each)Read the quoted parts carefully and answer the questions in English. Write your answers in the corresponding space on the Answer Sheet.51. "Then naked &white, all their bags left behindthey rise upon clouds, and sport in the wind.And the angle told Tom, if he'd be a good boy,He'd have God for his father, and never want joy.Questions:(1) Identify the poem and its poet;(2) What does the poem implies?52.“Do you think, because I am poor, obscure, plain, and little, I am soulles s and heartless? —You think wrong!… And if God had gifted me with some beauty, and much wealth, I should have made it as hard for you to leave me, as it is now for me to leave you…—it is my spirit that addresses your spirit; just as if both had passed through the grave, and we stood at God’s feet, equal—as we are!”Questions:(1) Identify the author and the novel from which the quoted part is taken.(2) What does the quoted part imply about the speaker?III. Topic Discussion(30 points in all, 10 for each)Write no less than 150 words on each of the following topics in English in the corresponding space on the Answer Sheet.53. Please analyze the style of Charles Dickens:54. Briefly discuss William Shakespeare's artistic achievements in characterization, plotconstruction and language.55. How do you know about Renaissance? Give a summary about English literature in theperiod.。
第一单元测试卷一、 文言文阅读 (一) 默写(4) 1.靖安宅里当窗柳, 2. 洛阳城里见秋风, (二)阅读文言文,回答问题班级姓名学号。
。
复恐匆匆说不尽, 截竿入城,居人思客客思家。
。
鲁有执长竿入城门者,初竖执之,不可入;横执之,亦不可入,计无所出。
俄有老父至,曰: “吾非圣人,但见事多矣!何不以锯中截而入?"遂依而截之。
3.解释加点词 (1)鲁有执长竿入城门者( ) (2)计无所出( . . 4.翻译划线句 何不以锯中截而入? 5.你从老父“截竿人城”的做法中得到了怎样的启示? 刻舟求剑 楚人有涉江者,其剑自舟中坠于水,遽契(jù qì 急忙用刀刻)其舟,曰:“是吾剑之所从 坠。
”舟止,从其所契者入水求之。
舟已行矣,而剑不行,求剑若此,不亦惑乎? 6.解释加点词 (1)楚人有涉江者( ) (2)求剑若此( ) . . 7. 翻译划线句 舟已行矣,而剑不行,求剑若此,不亦惑乎? 8.下列表述中的正确的一项是( ) A.有个楚国人乘船过江把剑落入了江里,于是在落水处的船帮上刻记号。
B.楚国人等船上岸后,跳入水中求剑,因此而受到赞扬。
C.本文与守株待兔这则寓言都不具讽刺意味。
D.刻舟求剑的故事意在告诉世人做事要认真。
9.这个故事告诉我们一个怎样的道理? 二、现代文阅读 (一) 阅读下文,回答问题 散步 ①我们在田野散步:我,我的母亲,我的妻子和儿子。
②母亲本不愿出来的。
她老了,身体不好,走远一点就觉得很累。
我说,正因为如此, 才应该多走走。
母亲信服地点点头,便去拿外套。
她现在很听我的话,就像我小时候很听她 的话一样。
③ 天气很好。
今年的春天来得太迟,太迟了,有一些老人挺不住。
但是春天总算来了。
我的母亲又熬过了一个严冬。
④ 这南方初春的田野,大块小块的新绿随意地铺着,有的浓,有的淡;树上的嫩芽也 密了;田里的冬水也咕咕地起着水泡。
这一切都使人想着一样东西------生命。
说明:“阅卷总分”由阅卷人填写;“复核总分”由复核人填写,复核总分不得有改动。
一、选择题:(每小题3分,共30分)
1、.如图所示,圆型回路L 内有电流1I 、2I ,回路外有电流3I ,均在真空中,P 为L 上的点, 则( )。
(A )
012()L
d I I μ⋅=-⎰
B l (B )0123()L
d I I I μ⋅=++⎰B l
(C )
012
3
()L
d I I I μ⋅=+-⎰
B l (D )
1
2()
L
d I I μ∙=+⎰B l
2、某宇宙飞船以0.8c 的速度离开地球,若地球上接收到它发出的两个信号之间的时间间隔为10s , 则宇航员测出的相应的时间间隔为( )
(A )6s (B )8s (C )10s (D )16.7s (3分) 3、 磁场的高斯定理说明了稳恒磁场的某些性质。
下列说法正确的是 ( )
(A )磁场力是保守力; (B )磁场是非保守力场; (C) 磁场是无源场; (D)磁感应线不相交。
4、两个均质圆盘A 和B 的密度分别为A ρ和B ρ,若B A ρρ<
,但两圆盘的质量与厚度相同,
如两盘对通过盘心垂直于盘面的转动惯量各为A J 和B J ,则( )
(A )A B J J > (B )A B J J < (C )A B J J = (D )A J 和B J 哪个大,不能确定 5、假设卫星环绕地球中心作椭圆运动,则在运动过程中,卫星对地球中心的( )
(A) 角动量守恒,动能守恒 (B) 角动量守恒,机械能守恒 (C) 角动量不守恒,机械能守恒 (D) 角动量不守恒,动量也不守恒 (E) 角动量守恒,动量也守恒
6、在一个点电荷+Q 的电场中,一个检验电荷+q ,从A 点分别移到B ,C ,D 点,B ,C ,D 点 在+Q 为圆心的圆周上,如图所示,则电场力做功是( )
(A ) 从A 到B 电场力做功最大。
(B ) 从A 到C 电场力做功最大。
(C ) 从A 到D 电场力做功最大。
B (D ) 电场力做功一样大。
7、一交变磁场被限制在一半径为R 的圆柱体中,在柱体内、外分别有两个静止的点电荷A q 和B q ,则 ( ) A A q 和B q 都受力 B A q 和B q 都不受力 C A q 受力,B q 不受力 D A q 不受力,B q 受力 8、实验室测得粒子的总能量是其静止能量的K 倍, 则其相对实验室的运动速度为( )
(A) 1-K c (B) 2
1K K c - (C )1
2-K K
c
(D) 1
+K K
c
9、如图所示,一点电荷q 位于一边长为a 的立方体的 q A
顶点A ,则通过立方体B 表面的电通量各为( ) B (A )
6q ε (B )012εq (C )024εq (D )0εq
4、一半径为R ,带电量为Q 的导体球,球体内距球心为
5、把一静止质量为
0m 的粒子,由静止加速到6、一质量为m 匀质的杆,长为l 7、半径为R 的圆形线圈置于磁场中,磁感应强度随时间的变化关系为则 t = 1 秒时,线圈中的感应电动势为
装
订
线
四、计算题(10分)
如图所示,质量分别为
1
m和
2
m的物体A和B
质量为m的定滑轮。
若物体A
各为多少?(忽略滑轮转动时与轴承间的摩擦力,且绳子相对滑轮没有滑动)
五、计算题(10分)
一长直导线中通有交变电流
sin
I I wt
=,(
I和ω
平行放置N匝矩形线圈,线圈和长直导线在同一平面内。
已知线圈长为l
宽为b(如图所示)。
求任一时刻线圈中的感应电动势的大小。
六、计算题(10分)
载有电流I的导线如图放置,在圆心O处的磁感应强度
B的大小是多少?方向怎样?
大连工业大学2009~2010 学年第一学期
《大学物理1 组班》试卷(A )共3 页第3页
试卷编号:
装 订 线
一、选择题(每小题3分,共30分) 1、D 2、A 3、C 4、A 5、B 6、D 7、A 8、 C 9、C 10、B
二、填空题(每小题3分,共30分) 1、相对的;相对运动状态密切相关
2、j i 82-,j 4-;
3、逆时针 ;
4、0;
5、2025.0c m ;
6、23
1ml ; 7、8πR 2
B 0 ;
8、2
3
2x t t =+;9、T 5
104-⨯;10、20
2Q
C
三、计算题:(10分)、解:根据高斯定理∮E ⋅dS=0
q ε∑ ………3分
2
014r πεq
E =
10R r 〈〈………1分
02=E
21R r R 〈〈………1分
2
034r πεq
E =
2R r 〉………1分
21R r R ≤〈 2020
442R πεq
dr r πεq U R =
=⎰
∞
………4分 四、计算题:(10分)
解:如图所示
a m T 11= (1) ……1分
a m T g m T P 22222=-=- (2) ……1分 αJ T R T R ='-'12 (3) ……2分
αR a = (4) ……1分
22
1
mR J =
(5) ……1分 11T T =', 22T T =' (6)
将上面6个方程联立,得
212m g a 1m m m 2
=
++
……2分
212m g α1
R(m m m )
2
=
++……2分
五、计算题:(10分)
解:距直导线x 处的磁感应强度为02I
B x
μπ=
----------- (3分) x 处线圈的dx 宽度内的磁通量为02I
d B ds ldx x
μπΦ=∙=----------- (2分)
通过一匝线圈的磁通量为0
00sin ln 22d b d I lI t d b d ldx x d
μμωππ++Φ=Φ==⎰⎰--------- (2分)
N 匝线圈中产生的电动势大小为00()ln()cos 2N lI d N d b
t dt d
μωεωπΦ+=
=------- (3分) 六、计算题:(10分)
解 设竖直电流、半圆弧电流、水平电流在圆心O 处产生的磁感强度大小分别为321,,B B B
大连工业大学 2012~2013 学年 第 一 学期《 大学物理1 组班 》试卷( A )标准答
卷面满分: 命题教师: 考核对象: 共 页第 页
a
01=B ……2分
R
I
B 402μ=
……2分
R
I R I B πμπ
πμ4)2cos 0(cos 4003=-=
……2分 R
I
R
I
B B B B πμμ4400321+
=
++=……2分 方向:向里……2分。