土建评表4.3.2
- 格式:doc
- 大小:31.00 KB
- 文档页数:1
表4.2.3施工现场质量保证条件评分表表5.1.3地基及桩基工程性能检测评分表表5.2.3地基及桩基工程质量记录评分表表5.3.3地基及桩基工程尺寸偏差及限值实测评分表表5.4.3地基及桩基工程观感质量评分表表6.1.3结构工程性能检测评分表表6.2.3结构工程质量记录评分表表6.3.3 结构工程尺寸偏差及限值实测评分表表6.4.3结构工程观感质量评分表表7.1.3屋面工程性能检测评分表表7.2.3屋面工程质量记录评分表表7.3.3屋面工程尺寸偏差及限值实测评分表表7.4.3屋面工程观感质量评分表表8.1.3装饰装修工程性能检测评分表表8.2.3装饰装修工程质量记录评分表表8.3.3装饰装修工程尺寸偏差及限值实测评分表表8.4.3装饰装修工程观感质量评分表安装工程实际工作量分配表表9.1.3 建筑给水排水及采暖工程性能检测评分表表9.1.6建筑给排水及采暖工程质量记录评分表表9.1.9建筑给水排水及采暖工程尺寸偏差及限值实测评分表表9.1.12 建筑给水排水及采暖工程观感质量评分表表9.2.3建筑电气安装工程性能检测评分表表9.2.6 建筑电气安装工程质量记录评分表表9.2.9建筑电气安装工程尺寸偏差及限值实测评分表表9.2.12 建筑电气安装工程观感质量评分表表9.3.3通风与空调工程性能检测评分表表9.3.6通风与空调工程质量记录评分表表9.3.9通风与空调工程尺寸偏差及限值实测评分表表9.3.12通风与空调工程观感质量评分表表9.4.3电梯安装工程性能检测评分表表9.4.6电梯安装工程质量记录评分表表9.4.9电梯安装工程尺寸偏差及限值实测评分表表9.4.12电梯安装工程观感质量评分表表9.5.3智能建筑工程性能检测评分表表9.5.6智能建筑工程质量记录评分表表9.5.9智能建筑工程尺寸偏差及限值实测评分表表9.5.12智能建筑工程观感质量评分表表10.1.5工程结构质量综合评价表表10.2.5单位工程质量综合评价表表10.3.1单位工程质量各项目评价得分汇总表。
工程名称施工阶段检查日期年月日施工单位评价单位序号检查项目应得分判定结果实得分备注100%85%70%1地基地基强度、压实系数、注浆体强度50地基承载力502复合地基桩体强度、桩体干密度(50)复合地基承载力(50)3桩基单桩竖向抗压承载力(50)桩身完整性(50)检查结果权重值35分。
应得分合计:实得分合计:地基及桩基工程性能检测评分=实得分应得分×35=评价人员:年月日工程名称施工阶段检查日期年月日施工单位评价单位序号检查项目应得分判定结果实得分备注10085%70%l混凝土实体混凝土强度50结构实体钢筋保护层厚度502钢结构焊缝内部质量(60)高强度螺栓连接副紧固质量60钢结构涂装防腐20防火203砌体砌体垂直度每层50全高≤lOm50>10m(50)4地下防水层渗漏水(100)检查结果权重值30分。
应得分合计:实得分合计:结构工程性能检测评分=实得分应得分×30=评价人员:年月日注:1当一个工程项目中同时有混凝土结构、钢结构、砌体结构,或只有其中两种时,其权重值按各自在项目中占的工程量比例进行分配,但各项应为整数。
当砌体结构仅为填充墙时,只能占10%的权重值。
其施工现场质量保证条件、质量记录、尺寸偏差及限值实测和观感质量的权重值分配与性能检测比例相同。
2当有地下防水层时,其权重值占结构权重值的5%,其他项目同样按5%来计算。
工程名称施工阶段检查日期年月日施工单位评价单位序号检查项目应得分判定结果实得分备注100%85%70%2钢结构材料合格证及进场验收记录钢材、焊材、紧固连接件原材料出厂合格证(出厂检验报告)及进场验收记录及钢材、焊接材料复试报告10加工件出厂合格证(出厂检验报告)及进场验收记录10防火、防腐涂装材料出厂合格证(出厂检验报告)及进场验收记录10施工记录焊接施工记录5构件吊装记录5预拼装检查记录5高强度螺栓连接副施工扭矩检验记录5焊缝外观及焊缝尺寸检查记录5柱脚及网架支座检查记录5隐蔽工程验收记录5检验批、分项、分部(子分部)工程质量验收记录5施工试验螺栓最小荷载试验报告5高强螺栓预拉力复验报告5高强度大六角头螺栓连接副扭矩系数复试报告5高强度螺栓连接摩擦面抗滑移系数检验报告5网架节点承载力试验报告10工程名称施工阶段检查日期年月日施工单位评价单位序号检查项目应得分判定结果实得分备注100%85%70%3砌体结构材料合格证及进场验收记录水泥、砌块、外加剂合格证(出厂检验报告)、进场验收记录及水泥、砌块复试报告30施工记录砌筑砂浆使用施工记录10隐蔽工程验收记录15检验批、分项、分部(子分部)工程质量验收记录15施工试验砂浆配合比试验报告10砂浆试件强度评定及砂浆试件强度试验报告10水平灰缝砂浆饱满度检测记录104地下防水层材料合格证及进场验收记录防水材料合格证、进场验收记录及复试报告(30)施工记录防水层施工及质量验收记录(40)施工试验防水材料配合比试验报告(30)检查结果权重值25分。
建工程施工质量检查评分表.工程名称:□推荐项目□巡查项目工程地址:施工图审查编号:监督登记号:施工许可证号:建筑面积:m2结构层数:地上层地下层建设单位:监理单位:设计单位:施工单位:项目经理:项目技术负责人:工程进度:检查部位:检查组人员签名:东莞市住房和城乡建设局第检查组二○○年月日在建工程施工质量检查说明建筑工程实体质量评价用得分率表示。
根据实际检查项目,先计算每大项的应得分和实得分,再计算本次检查的应得分和实得分,最后计算得分率。
检查内容包括质保体系、工程实体、材料抽检、监理行为四大部分。
其中建筑工程实体检查项目包括①基础、主体技术资料,②混凝土和砌体工程,③钢筋、模板工程,④屋面、装饰技术资料,⑤屋面、装饰工程,⑥节能工程等六大项。
每大项中包含若干子项。
检查时,针对每个子项进行扣分,子项实得分最高为应得分(满分),最低为零分。
根据每个子项实得分统计每大项的实得分。
大项或子项若没有检查,该大项或子项的应得分和实得分皆为零。
每个子项的扣分标准一般情况下应按表中规定执行,特殊情况下经检查组全体人员研究后可进行局部调整。
对于表中未列出的质量缺陷,可视严重程度参照表中其他缺陷的权重予以扣分。
建筑工程实体质量评价是在质量合格的基础上进行的。
在检查中发现结构实体质量不合格时,本标准的评价系统失效,该项工程须按照国家有关规范的要求进行处理,处理后可参照本标准进行评价。
在建工程施工质量检查评分表表一、施工现场质量保证体系检查表(50分)表二、基础、主体技术资料(140分)表三、混凝土和砌体工程(100分)表四、钢筋、模板工程(100分)表五、屋面、装饰技术资料(90分)表六、屋面、装饰工程(130分)表七、节能工程(50分)表八、材料抽检(60分)在建工程施工质量检查评分汇总表。
在建房屋建筑工程质量评价表工程名称:
备注:(1)考评项目累计扣分大于应得分数时,该项目按0分计;
(2)存在多种施工阶段的工程项目,应根据各阶段工程量比例对应得分和实得分分别进行加权平均计算。
考核评定人:年月日
附件2
在建房屋建筑施工安全评价表工程名称:
备注:考评项目累计扣分大于应得分数时,该项目按0分计。
考核评定人:年月日
附件3
在建房屋建筑文明设施评价表
工程名称:
备注:
(1)扣分项目累计扣分大于应得分数时,该项目按0分计;
(2)加分项目累计加分大于5分时,按5分计;
(3)当月该工程项目发生食物中毒事故或火灾的,当文明施工单项考评得分大于70分时,按70分计。
考核评定人:年月日
附件4
在建房屋建筑质量安全综合评价表
考评组组长(签字):
年月日
附件5
在建市政工程质量安全综合评价表
备注:考评项目累计扣分大于应得分数时,该项目按0分计;
考核评定人:年月日
附件6
流动红旗、警示黄牌格式
一、流动红旗模型示意图
备注:材质为弧面铜牌;长度70cm,宽度50cm;底色为红色,大字体颜色为金色,小字体颜色为黑色;大字为黑体,小字为仿宋体。
二、警示黄牌模型示意图
备注:材质为平面铜牌;长度70cm,宽度50cm;底色为黄色,大字体颜色为灰色,小字体颜色为黑色;大字为黑体,小字为仿宋体。
山东省建设工程质量监督总站监制山东省建设工程质量监督总站监制山东省建设工程质量监督总站监制单位(子单位)工程安全和功能检验资料核查及主要功能抽查记录山东省建设工程质量监督总站监制单位 (子单位)工程观感质量检查记录山东省建设工程质量监督总站监制分部(子分部)工程验收记录山东省建设工程质量监督总站监制山东省建设工程质量监督总站监制分项工程质量验收记录注:本表由施工项目专业质量检查员填写。
山东省建设工程质量监督总站监制土方开挖工程检验批质量验收记录表山东省建设工程质量监督总站监制土方回填土工程检验批质量验收记录表山东省建设工程质量监督总站监制水泥砂浆防水层工程检验批质量验收记录表山东省建设工程质量监督总站监制模板安装工程检验批质量验收记录表山东省建设工程质量监督总站监制模板拆除工程检验批质量验收记录表钢筋原材料检验批质量验收记录表山东省建设工程质量监督总站监制钢筋加工工程检验批质量验收记录表(I)山东省建设工程质量监督总站监制钢筋安装工程检验批质量验收记录表(II)山东省建设工程质量监督总站监制混凝土原材料检验批质量验收记录表混凝土施工检验批质量验收记录表现浇结构外观尺寸及偏差检验批质量验收记录表山东省建设工程质量监督总站监制混凝土结构子分部工程结构实体混凝土强度验收记录山东省建设工程质量监督总站监制混凝土结构子分部工程结构实体钢筋保护层厚度验收记录山东省建设工程质量监督总站监制砖砌体工程检验批质量验收记录表山东省建设工程质量监督总站监制配筋砌体工程检验批质量验收记录表山东省建设工程质量监督总站监制水泥混凝土面层检验批质量验收记录表山东省建设工程质量监督总站监制地面水泥砂浆面层检验批质量验收记录表GB50209-2002《建筑地面工程施工质量验收规范》的规定酸盐水泥,其强度等级不应小于32.5,不同品种、不同强度等级的水泥严禁混用;砂应为中粗砂,当采用石屑时,其粒径应为1~5m等级)必须符合设计要求;且体积比应为1:2,强度等级不应小于M15、裂纹。
表4.1.1
地基与基础工程性能检测项目及评分
表4.2.1
地基与基础工程质量记录项目及评分
表4.3.1
地基及基础工程允偏差项目及评分
表4.4.1
地基与基础工程观感质量项目及评分
表5.1.1
混凝土结构工程性能检测项目及评分
表5.1.3
混凝土结构工程质量记录项目及评分
表5.1.5
混凝土结构工程允偏差项目及评分
表5.1.7
混凝土结构工程观感质量项目及评分
表5.2.1
钢结构工程性能检测项目及评分
表5.2.3
钢结构工程质量记录项目及评分
表5.2.5
钢结构工程允偏差项目及评分
表5.2.7
钢结构工程观感质量项目及评分
表5.3.1
砌体结构工程性能检测项目及评分
表5.3.3
砌体结构工程质量记录项目及评分
表5.3.5
砌体结构工程允偏差项目及评分
表5.3.7
砌体结构工程观感质量项目及评分
表6.1.1
屋面工程性能检测项目及评分
表6.2.1
屋面工程质量记录项目及评分
表6.3.1
屋面工程允偏差项目及评分
表6.4.1
屋面工程观感质量项目及评分
表7.1.1
装饰装修工程性能检测项目及评分
表7.2.1
装饰装修工程质量记录项目及评分
表7.3.1
装饰装修工程允偏差项目及评分
表7.4.1
装饰装修工程观感质量项目及评分
表8.1.1
给水排水及供暖工程性能检测项目及评分
表8.1.3
给水排水及供暖工程质量记录项目及评分。
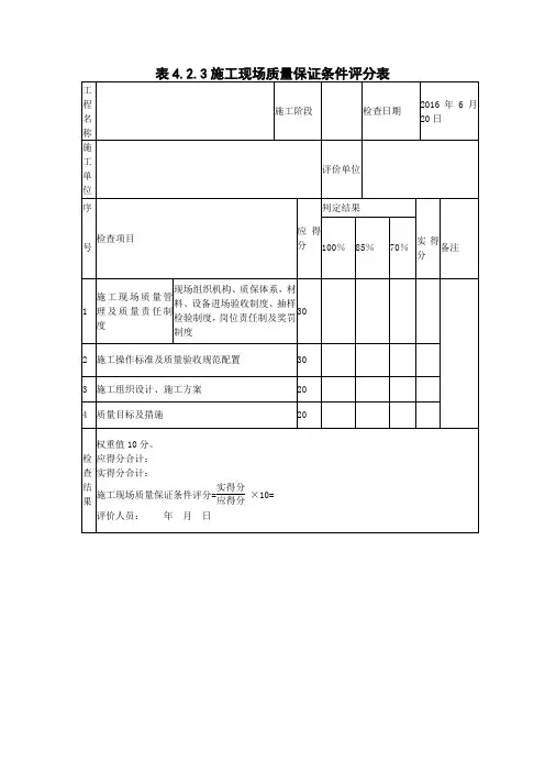
表4.2.3 施工现场质量保证条件评分表
表5.1.3 地基及桩基工程性能检测评分表
表5.2.3 地基及桩基工程质量记录评分表
表5.3.3 地基及桩基工程尺寸偏差及限值实测评分表
表5.4.3 地基及桩基工程观感质量评分表
表6.1.3 结构工程性能检测评分表
表6.2.3 结构工程质量记录评分表
表6.3.3 结构工程尺寸偏差及限值实测评分表
表6.4.3结构工程观感质量评分表
表7.1.3 屋面工程性能检测评分表
表7.2.3 屋面工程质量记录评分表
表7.3.3 屋面工程尺寸偏差及限值实测评分表
表7.4.3 屋面工程观感质量评分表
表8.1.3 装饰装修工程性能检测评分表
表8.2.3 装饰装修工程质量记录评分表
表8.3.3 装饰装修工程尺寸偏差及限值实测评分表
表8.4.3 装饰装修工程观感质量评分表
安装工程实际工作量分配表
表9.1.3 建筑给水排水及采暖工程性能检测评分表
表9.1.6 建筑给排水及采暖工程质量记录评分表
表9.1.9建筑给水排水及采暖工程尺寸偏差及限值实测评分表
表9.1.12 建筑给水排水及采暖工程观感质量评分表
表9.2.3 建筑电气安装工程性能检测评分表
表9.2.6 建筑电气安装工程质量记录评分表
表9.2.9 建筑电气安装工程尺寸偏差及限值实测评分表
表9.2.12 建筑电气安装工程观感质量评分表
表9.3.3 通风与空调工程性能检测评分表
表9.3.6 通风与空调工程质量记录评分表。
表4.1.1地基与基础工程性能检测项目及评分表4.2.1地基与基础工程质量记录项目及评分表4.3.1地基及基础工程允许偏差项目及评分表4.4.1地基与基础工程观感质量项目及评分表5.1.1混凝土结构工程性能检测项目及评分表5.1.3混凝土结构工程质量记录项目及评分表5.1.5混凝土结构工程允许偏差项目及评分表5.1.7混凝土结构工程观感质量项目及评分表5.2.1钢结构工程性能检测项目及评分表5.2.3钢结构工程质量记录项目及评分表5.2.5钢结构工程允许偏差项目及评分表5.2.7钢结构工程观感质量项目及评分表5.3.1砌体结构工程性能检测项目及评分表5.3.3砌体结构工程质量记录项目及评分表5.3.5砌体结构工程允许偏差项目及评分表5.3.7砌体结构工程观感质量项目及评分屋面工程性能检测项目及评分屋面工程质量记录项目及评分表6.3.1屋面工程允许偏差项目及评分表6.4.1屋面工程观感质量项目及评分表7.1.1装饰装修工程性能检测项目及评分表7.2.1装饰装修工程质量记录项目及评分表7.3.1装饰装修工程允许偏差项目及评分表7.4.1装饰装修工程观感质量项目及评分表8.1.1给水排水及供暖工程性能检测项目及评分表8.1.3给水排水及供暖工程质量记录项目及评分表8.1.5给水排水及供暖工程允许偏差项目及评分表8.1.7给水排水及供暖工程观感质量项目及评分表8.2.1电气工程性能检测项目及评分表8.2.3电气工程质量记录评分表表8.2.5电气工程允许偏差项目及评分表8.2.7电气工程观感质量项目及评分通风与空调工程性能检测项目及评分通风与空调工程质量记录项目及评分通风与空调工程允许偏差项目及评分通风与空调工程观感质量项目及评分电梯安装工程性能检测项目及评分电梯工程质量记录项目及评分表8.4.5电梯工程允许偏差项目及评分表8.4.7电梯工程观感质量项目及评分表8.5.1智能建筑工程性能检测项目及评分表8.5.3智能建筑工程质量记录项目及评分表8.5.5智能建筑工程允许偏差项目及评分智能建筑工程观感质量项目及评分燃气工程性能检测项目及评分表8.6.3燃气工程质量记录项目及评分表8.6.5燃气工程允许偏差项目及评分燃气工程观感质量项目及评分建筑节能工程性能检测项目及评分表9.2.1建筑技能工程质量记录项目及评分。