汽车专用万用表检测任务工单
- 格式:doc
- 大小:48.50 KB
- 文档页数:4
车用万用表检测案例1. 任务背景在汽车维修和故障排除过程中,车用万用表是一种常用的工具,用于测量和检测车辆电路的电压、电流和电阻等参数。
本文将结合一个具体的案例,详细介绍如何使用车用万用表进行检测和故障排除。
2. 案例描述假设我们遇到一个车辆故障,车辆无法启动。
根据车主的描述,故障可能是由电路问题引起的。
我们将使用车用万用表来检测电路的各项参数,以确定故障原因。
3. 检测步骤3.1 准备工作首先,我们需要准备以下工具和材料:- 车用万用表- 绝缘手套和眼镜(确保安全)- 车辆维修手册或电路图(用于参考)3.2 检测电瓶电压首先,我们需要检测车辆的电瓶电压,以确定电瓶是否正常工作。
按照以下步骤进行操作:- 关闭车辆所有电器设备(如车灯、音响等)- 戴上绝缘手套和眼镜,确保安全- 使用车用万用表的电压测量功能,选择直流电压测量范围- 将红色测量探头连接到电瓶的正极,黑色测量探头连接到电瓶的负极- 读取车用万用表上显示的电压数值,通常应在12V至14V之间3.3 检测起动机电路如果电瓶电压正常,我们需要检测起动机电路,以确定起动机是否正常工作。
按照以下步骤进行操作:- 将车用万用表的电流测量功能选择到直流电流测量范围- 将红色测量探头连接到起动机的电源线(通常是从电瓶正极引出的线),黑色测量探头连接到车辆的接地点- 启动车辆,观察车用万用表上显示的电流数值,通常应在100A至200A之间- 如果电流数值远低于正常范围,可能意味着起动机存在故障3.4 检测点火系统如果起动机正常工作,但车辆仍无法启动,我们需要检测点火系统。
按照以下步骤进行操作:- 将车用万用表的电阻测量功能选择到电阻测量范围- 根据车辆维修手册或电路图,找到点火线圈的引线- 将红色测量探头连接到点火线圈的引线,黑色测量探头连接到车辆的接地点- 读取车用万用表上显示的电阻数值,通常应在几千至几万欧姆之间- 如果电阻数值远离正常范围,可能意味着点火线圈存在故障4. 故障排除根据以上检测结果,我们可以初步判断故障原因。
任务工单1-1-2 新能源汽车维护检测工具使用任务工单1-1-2 新能源汽车维护检测工具使用学院:姓名:小组成员:专业:学号:组长姓名:一、任务描述:新能源汽车的高压系统检测需要使用专用工具,例如绝缘测试仪、电流钳和红外测温仪等。
为了读取和清除电控单元的故障码以及读取数据流(例如动力电池单体电压和温度等数据),需要使用专用的新能源车型故障诊断仪。
作为研究新能源汽车方向的学生,你需要学会使用这些专用检测工具和仪器。
二、知识要点:1)故障诊断仪是一种便携式设备,用于快速读取车辆中的故障,并通过液晶显示屏显示故障信息。
2)故障诊断仪除了具有故障码的读取和清除功能外,还可以进行数据流读取、传感器测试等功能。
3)高压用电设备和高压线路的老化或受潮湿环境的影响等因素会导致电气设备和底盘之间的绝缘性能下降,负极引线通过绝缘层和底盘构成回路,从而使底盘带电,危及乘客的人身安全。
4)高性能数字绝缘测试仪是一种先进的绝缘测试仪。
在进行绝缘测试时,仪表利用内部升压电路将电池低压电升压为高压电,测试人员在测试绝缘电阻时,不得直接解除电气设备,同时身体其他部位也不得与被测对象接触。
5)数字电流钳可以在不断电的情况下测量电气线路的电流,专用于检测直流电流。
由于工作部位呈钳状,因此被称为数字电流钳。
6)数字电流钳工作部分主要由一只钳口和穿心式电流传感器组成。
7)示波器可以将看不见的电信号转变为可见的波形,检测人员可以通过观察波形的振幅、频率、相位、波形形状等要素判断电路的状态。
8)高性能数字绝缘测试仪的使用方法如下:首先,将测试仪与被测对象连接;然后,打开测试仪的电源,并按照仪器说明书进行操作;最后,观察测试结果并进行分析。
简述数字电流钳的使用方法:数字电流钳是一种用于测量电流的工具,其使用方法如下:1.打开数字电流钳并将其放置在要测量的电路上。
2.调整数字电流钳的测量范围和精度,确保其能够准确地测量电流值。
3.确保数字电流钳的夹头完全闭合,并且夹头与电路的接触良好。
用汽车专用万用表检测汽车数据任务工作页一、 认识汽车专用万用表的结构、功能及面板1.准备工具及设备:汽车专用万用表(以组为单位)每2人1台2.请记录学习用汽车专用万用表的型号:3.请观察图1—1普通汽车专用万用表,按序号填写名称:1—— 2——3—— 4——5—— 6——7—— 8——9——4.请观察汽车专用万用表除了表体以外,还有哪些附件?5.请观察汽车专用万用表,按照万用表上标识填空:图1—1普通汽车专用万用表(1)测电阻的档位有哪几个?请全列出来。
(2)测电流的档位有哪几个?请全列出来。
直流:交流:(3)测电压的档位有哪几个?请全列出来。
直流:交流:(4)测频率、温度、占空比及的档位是哪几个?表笔/探头应插入哪两个孔。
频率: 插哪两个孔:温度: 插哪两个孔:占空比: 插哪两个孔:转速: 插哪两个孔:(5)测闭合角、起动电流及氧传感器的档位是哪几个?表笔应插入哪两个孔。
闭合角: 插哪两个孔:起动电流: 插哪两个孔:氧传感器: 插哪两个孔:(6)测喷油器喷油脉宽要测哪两个值:第一个值: 第二个值:计算公式为:主讲:朱明高级工程师、高级技师、国家经济师 高级国家职业技能鉴定考评员高级技能专业教师6.哪些值的测量要将电路断开,采用串联的方式测量?其它值一般是并联测量。
二、用汽车专用万用表检测汽车数据1.人员及设备要求:劳动组织:每小组由4至6名学生组成,指定3名学生分别负责安全监督、仪器操纵、数据记录,其余同学观摩学习;老师负责安全与技术指导,组织学生轮换操作。
设备准备:每小组万用表1台,发动机实验台架或整车一台。
2.测量准备工作,每做一步请在()中打“√”(1)对于整车:在车轮上垫上止动块(),拉紧手刹(),空档(),打开发动机仓(),铺上维修护裙(),视情况拆除发动机塑料罩()。
对于发动机实验台架:检查配件是否齐全,旋转部件是否有异物卡住或接触,对于不正常情况向老师报告,再排除。
()(2)由老师用探针将点火线圈“-”极信号、氧传感器信号及喷油器控制信号引出,并向学生简单讲解。
任务工单1-1-8新能源汽车驱动系统检查及工具准备任务概述本任务工单旨在指导新能源汽车维修技术人员对驱动系统进行检查,并准备相应的工具。
驱动系统是新能源汽车的核心组成部分,包括电机、控制器、传动装置和电源管理系统等。
通过本次检查,旨在确保驱动系统的正常运行,提高车辆的性能和安全性。
工作内容1. 驱动系统检查:- 电机检查:检查电机的外观、连接线和接头是否正常,测量电机温度,听声音是否异常。
- 控制器检查:检查控制器的外壳、接口和内部电路是否正常,查看控制器的故障码。
- 传动装置检查:检查传动装置的连接部件、齿轮和传动带是否正常,测量传动效率。
- 电源管理系统检查:检查电源管理系统的外壳、连接线和电路板是否正常,测量电池电压和充放电状态。
2. 工具准备:- 通用工具:扳手、螺丝刀、钳子等。
- 测量工具:万用表、温度计、电压表等。
- 诊断工具:OBD诊断仪、故障诊断软件等。
- 专业工具:电机测试仪、控制器编程器、传动装置检测仪等。
工作步骤1. 准备工作:- 佩戴好个人防护装备,如绝缘手套、安全帽等。
- 确保车辆熄火,并将钥匙拔出。
- 使用绝缘垫覆盖车辆电池部位,防止短路。
2. 驱动系统检查:- 使用万用表测量电机温度,应在正常范围内。
- 使用故障诊断软件读取控制器的故障码,并及时处理。
- 检查传动装置的连接部件是否牢固,齿轮和传动带是否有磨损。
- 使用专业工具测量电源管理系统的电池电压和充放电状态。
3. 工具准备:- 根据工作内容,提前准备好所需的工具。
- 检查工具的性能和安全性,确保工具的正常使用。
- 将工具按照工作步骤进行分类,便于使用时查找。
注意事项1. 在进行驱动系统检查时,要注意安全,防止触电和机械伤害。
2. 使用专业工具时,要遵循操作规程,防止误操作造成设备损坏。
3. 若检查过程中发现故障,应及时记录并通知相关人员处理。
完成标准1. 驱动系统检查全面,无遗漏。
2. 工具准备充足,性能良好。
情境四
汽车电路检测工具学习任务工单
任务名称汽车电路检测工
具使用
序号4日期
学生姓名学号班级11春二班
任务要求了解汽车电路检测工具使用,制定工作计划,从而掌握在故障诊断与排除中检测工具使用
一、资讯汽车常见的检测工具有:跨接线、试灯、试电笔、万用表(指针式、数字式)、
示波器、点火正时枪、故障诊断仪等。
1、试灯,如图所示
2、试电笔,如图所示的试电笔显示色与电压值得对应关系如表所示:
3、数字式万用表:数字式万用表如图所示。
4、示波器,如图所示:
5、点火正时枪,如图所示:
6、故障诊断仪,常见的故障诊断仪如图所示。
二、计划和决策
制定人员分工选择仪器设备制定故障诊断计划组号
组长
组员
三、实施
同资讯中含有的汽车电路检测工具使用练习。
四、检查
检查汽车电路检测工具使用练习质量。
任务1 万用表的使用任务单一、第一次资讯万用表是维修汽车电器必备的测量工具,主要用来测量、、等参数。
数字万用表从整体上分为表身和表笔两部分,绝大多数万用表使用作为工作电源。
设有两根表笔,一根为红色,另一根为黑色。
表身从表面分成、和三部分。
1、显示屏当把万用表电源开关ON/OFF置于ON位置时,万用表首先自检内部电量,如果电池电压不足将在显示器上显示符号,此时说明需要。
如果显示器没有电瓶符号显示则说明万用表的工作电压正常,如图1所示。
图1 万用表显示屏2、量程转换开关用万用表量程级转换开关如图2所示,根据被测物体选择合适的及。
图2 万用表量程转换开关3、万用表符号和表笔插孔含义表1 万用表符号含义符号4、注意事项:1)使用前应确认万用表的好好并校准。
2)在测电流、电压时,不能带电换量程。
3)选择量程时,要先选大的,后选小的,尽量使被测值接近于量程。
4)测电阻时,不能带电测量。
因为测量电阻时,万用表由内部电池供电,如果带电测量则相当于接入一个额外的电源,可能损坏表头。
5)用毕,应使转换开关在交流电压最大挡位或空挡上。
二、决策表2 决策三、计划四、实施表4 实施五、第二次资讯1、电路电路的基本构成由:、、、等零部件组成。
2、保险丝保险丝在电路中起保护作用,当电路中的电流超过额定电流时,保险丝就会,保险丝如图3所示。
图3 保险丝在选择使用保险丝时前提是要保证用电器能正常工作,也就是保险丝的额定电流要用电器的额定工作电流。
3、串联电路串联电路是指在电路中所有的用电器使用同一条导线在一起而形成的电路,串联电路电流只有,串联电路如图4所示。
图4 串联电路4、并联电路并联电路是指电路中多个用电器通过两条或两条以上的导线在一起,这种连接方式叫做并联。
并联电路为电流提供了回路,汽车上主要应用的是电路,并联电路如图5所示。
图5 并联电路六、计划七、实施表6 实施八、检查1、自检表7 自检2、互检九、评估应用。
任务名称蓄电池技术性能检查序号 5.1 日期学生姓名学号班级任务要求(1)能正确使用数字万用表、密度计对蓄电池进行检测,并能准确判断蓄电池的技术性能。
(2)学会正确选用并更换蓄电池。
一、资讯1.蓄电池类型识别:免维护铅酸电池□普通铅酸电池□2. 根据蓄电池密度值或蓄电池静态端电压来判断蓄电池的放电程度:蓄电池放电程度蓄电池电解液比重/(g/cm3)蓄电池端电压12V100%75%50%25%放电二、计划和决策制定人员分工选择仪器设备制定蓄电池技术性能检查计划组号组长组员三、实施1.蓄电池外观检查裂纹检查通气孔检查腐蚀检查安装牢固性检查(1)检查蓄电池外壳是否有裂纹。
正常□损伤□(2)检查加液孔盖通气孔是否畅通。
正常□堵塞□(3)检查正、负极柱是否腐蚀。
正常□腐蚀□(4)检查正、负极柱安装是否牢固。
正常□松动□2.蓄电池液面高度检查(根据蓄电池型号选择检查方法)玻璃管检查法液面高度指示线检查法(1)玻璃管检查法。
单格数 1 2 3 4 5 6测量值正常低于标准高于标准(2)液面高度指示线检查法。
正常□低于标准□高于标准□3.电荷情况检查(自行选择一种或两种结合的方法进行检测)(1)利用数字万用表对蓄电池进行检测,检查蓄电池的开路端电压。
测量值:正常□低于标准□(2)通过蓄电池指示器进行检查。
指示器检查法正常□需要充电□更换□(3)利用密度计对蓄电池进行检测。
四、检查通过对蓄电池的检测,判断蓄电池的技术性能。
五、评估教师签字:。
任务(实训)工单4
组别组员
日期成绩任务名称节气门位置传感器检测
能力目标 1、能正确掌握节气门位置传感器检测方法。
2、能正确运用万用表读取相关信息并分析传感器故障所在。
设备、工具准备电控发动机试验台
信息获取发动机型号:
相关标准:节气门位置传感器基准电压为4.0~5.5V;
任务要点与操作节气门位置传感器(线性式)检测
一、电压检测
1、插好节气门位置传感器
(线性式)的导线连接器,当
点火开关置“ON”位置时进行
如下检测:
1)断开传感器,检测插头端子
1和端子3之间的传感器工作电
压(或说基准电压)为 V;
如测得电压为0V则说
明。
2)接上传感器,检测线路端子1和端子2之间的传感器信号电压为 V;若此时测得的电压为0则说
明。
2、起动发动机,检测线路端子1和端子2之间的传感器信号电压,根据条件记录下表中:
节气门开度信号电压VTA/V
全关
半开
全开
结论:。
二、电阻检测
拔下节气门位置传感器(线性式)接线端子,检测传感器电阻。
1、检测传感器端子1和端子2之间的的电阻为Ω,其阻值随节气门开度变化情况为;如检测其阻值为0Ω则知该传感器;如检测其阻值为无穷大则知该传感器。
2、检测传感器端子1和端子2之间的的电阻阻值随节气门开度变化情况填入下表。
节气门开度端子1和2之间阻值/Ω
全关
半开
全开
由此可知传感器端子1和端子2之间的的电阻阻值随节气门开度变化情况为
;如检测其阻值为0Ω则该传感器。
如检测其阻值为无穷大则该传感器。
小结:。
汽车电器设备构造与设备任务工单
项目一、蓄电池的检测与维护
任务工单一
学生依据实习指导手册的要求及操作步骤,在教师的指导下完成本工作任务,并填写任务工单。
汽车电器设备构造与设备任务工单
项目一、蓄电池的检测与维护
任务工单二
学生依据实习指导手册的要求及操作步骤,在教师的指导下完成本工作任务,并填写任务工单。
汽车电器设备构造与设备任务工单
项目二、交流发电机拆装与检测
任务工单一
学生依据实习指导手册的要求及操作步骤,在教师的指导下完成本工作任务,并填写任务工单。
汽车电器设备构造与设备任务工单
项目二、交流发电机拆装与检测
任务工单二
学生依据实习指导手册的要求及操作步骤,在教师的指导下完成本工作任务,并填写任务工单。
汽车电器设备构造与设备任务工单
项目二、交流发电机拆装与检测
任务工单三
学生依据实习指导手册的要求及操作步骤,在教师的指导下完成本工作任务,并填写任务工单。
汽车电器设备构造与设备任务工单
项目三、起动机的拆装与检测
任务工单一
学生依据实习指导手册的要求及操作步骤,在教师的指导下完成本工作任务,并填写任务工单。
汽车电器设备构造与设备任务工单
项目四、微机控制点火系检修
任务工单一
学生依据实习指导手册的要求及操作步骤,在教师的指导下完成本工作任务,并填写任务工单。
项目四、微机控制点火系检修
任务工单二
学生依据实习指导手册的要求及操作步骤,在教师的指导下完成本工作任务,并填写任务工单。
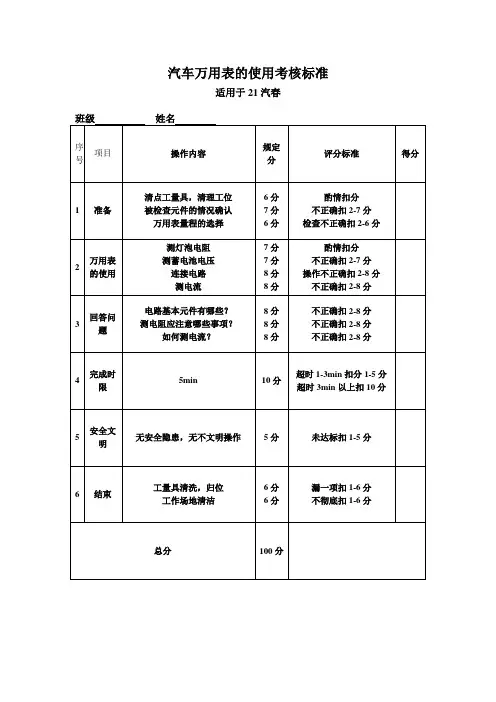
汽车万用表的使用考核标准适用于21汽春班级姓名序号项目操作内容规定分评分标准得分1 准备清点工量具,清理工位被检查元件的情况确认万用表量程的选择6分7分6分酌情扣分不正确扣2-7分检查不正确扣2-6分2 万用表的使用测灯泡电阻测蓄电池电压连接电路测电流7分7分8分8分酌情扣分不正确扣2-7分操作不正确扣2-8分不正确扣2-8分3 回答问题电路基本元件有哪些?测电阻应注意哪些事项?如何测电流?8分8分8分不正确扣2-8分不正确扣2-8分不正确扣2-8分4 完成时限5min 10分超时1-3min扣分1-5分超时3min以上扣10分5 安全文明无安全隐患,无不文明操作5分未达标扣1-5分6 结束工量具清洗,归位工作场地清洁6分6分漏一项扣1-6分不彻底扣1-6分总分100分考核内容:1.熔断器及导线的检查(1)熔断器在直观检查时你观察到熔断器(正常/有断路)(2)你观察到的是一段导线,其颜色是:;外观检查情况(看不出问题|有断路)。
(3)用万用表检查熔断器通断情况,检查结果是:(导通/有断路)。
(4)熔断器和导线检查的结论是:(正常/不正常),处理措施:(不处理/修复/更换)。
2.开关的检查(1)你检查的开关名称是:,它用于控制: .(2)用万用表检查开关导通情况,检查结果是:(导通/有断路)。
3.继电器的检查(1)你检查的继电器的名称是:,它用于控制:;它安装于(具体位置),继电器的插脚数为:个(数量),其编号分别是。
(2)用万用表检查继电器导通情况,检查结果是:(导通/有断路),由此判断为线圈:(正常/不正常)。
基本元件连接试验技能考核标准适用于15汽秋班级姓名序号项目操作内容规定分评分标准得分1 准备清点工量具,清理工位被检查元件的情况确认检查电源开关6分7分6分酌情扣分不正确扣2-7分检查不正确扣2-6分2 多个电路元件试验元件连接检查确认电路试验处理措施7分7分8分8分酌情扣分不正确扣2-7分操作不正确扣2-8分不正确扣2-8分3 回答问题电路基本元件有哪些?电路基本元件检修应注意什么?电路基本元件安装有哪些位置?8分8分8分不正确扣2-8分不正确扣2-8分不正确扣2-8分4 完成时限5min 10分超时1-3min扣分1-5分超时3min以上扣10分5 安全文明无安全隐患,无不文明操作5分未达标扣1-5分6 结束工量具清洗,归位工作场地清洁6分6分漏一项扣1-6分不彻底扣1-6分总分100分考核内容:闪光继电器连线试验。
用汽车专用万用表检测汽车数据任务工作页一、 认识汽车专用万用表的结构、功能及面板1.准备工具及设备:汽车专用万用表(以组为单位)每2人1台2.请记录学习用汽车专用万用表的型号:3.请观察图1—1普通汽车专用万用表,按序号填写名称:1—— 2——3—— 4——5—— 6——7—— 8——9——4.请观察汽车专用万用表除了表体以外,还有哪些附件?5.请观察汽车专用万用表,按照万用表上标识填空:图1—1普通汽车专用万用表(1)测电阻的档位有哪几个?请全列出来。
(2)测电流的档位有哪几个?请全列出来。
直流:交流:(3)测电压的档位有哪几个?请全列出来。
直流:交流:(4)测频率、温度、占空比及的档位是哪几个?表笔/探头应插入哪两个孔。
频率: 插哪两个孔:温度: 插哪两个孔:占空比: 插哪两个孔:转速: 插哪两个孔:(5)测闭合角、起动电流及氧传感器的档位是哪几个?表笔应插入哪两个孔。
闭合角: 插哪两个孔:起动电流: 插哪两个孔:氧传感器: 插哪两个孔:(6)测喷油器喷油脉宽要测哪两个值:第一个值: 第二个值:计算公式为:主讲:朱明高级工程师、高级技师、国家经济师 高级国家职业技能鉴定考评员高级技能专业教师6.哪些值的测量要将电路断开,采用串联的方式测量?其它值一般是并联测量。
二、用汽车专用万用表检测汽车数据1.人员及设备要求:劳动组织:每小组由4至6名学生组成,指定3名学生分别负责安全监督、仪器操纵、数据记录,其余同学观摩学习;老师负责安全与技术指导,组织学生轮换操作。
设备准备:每小组万用表1台,发动机实验台架或整车一台。
2.测量准备工作,每做一步请在()中打“√”(1)对于整车:在车轮上垫上止动块(),拉紧手刹(),空档(),打开发动机仓(),铺上维修护裙(),视情况拆除发动机塑料罩()。
对于发动机实验台架:检查配件是否齐全,旋转部件是否有异物卡住或接触,对于不正常情况向老师报告,再排除。
()(2)由老师用探针将点火线圈“-”极信号、氧传感器信号及喷油器控制信号引出,并向学生简单讲解。
任务工单1:常见电子元件的识别与检测1、色环电阻识读表(注:表中均属于四色环标注,未标出误差环)2、根据实物画出电阻器、电位器的电路图形和符号,并将结果填入表中。
3、根据所发电阻写出其标注方法及阻值、误差大小,并用指针式万用表测试其阻值,判断其质量。
(1)(2)(3)(4)4、用万用表测量电位器,将结果填入表;写出测量步骤。
(1)(2)(3)(4)5、总结色环电阻识读时的注意事项。
6、总结指针式万用表测试电阻时的注意事项。
7、识读电容器CCWI—CDH—8、电容器的标注方法识读,如图所示。
9、电容器简易检测,观察下图现象然后写出结果。
10、根据所发电容器写出其标注方法及容量值值、耐压,并用指针式万用表测试其质量;用数字万用表测试其容量及电解电容器质量好坏(要求写出测试步骤及现象)。
(1)(2)(3)(4)11、用指针式万用表测量可变电容器,判断结果,并写出测试步骤。
12、总结数字式万用表测试电容时的注意事项。
13、对电路板上各种电感器的类别、电感量大小、额定电流进行直观识别并分别记录电感器类别、标称方法(色环、直标、文字符号)、标称电感量、额定电流等。
14、根据实物画出收音机中周、输入变压器、自耦变压器的电路图形符号,并说明如何用万用表检测其质量好坏。
15、根据下列色码读出电感值及其误差等级(1)黑橙黄金(2)金橙橙金(3)黑绿棕金(4)金橙绿金16、如图所示电源变压器,请按要求完成下列工作。
1)画出电路符号、写出结构组件名称。
2)电源变压器命名解释:220VDB-15-212 0 123)写出电源变压器一般的检测步骤:4)如出现以下现象时,试分析原因:变压器发热严重;变压器指示10V以下。
任务四、汽车起动系统的线路检测工单
班级组别组长日期
成员
实训设备
任务目的
案例:如果起动机没电,汽车不能起动,如何诊断与排除此故障?
一、资讯:
1、熟悉起动系统的线路连接及电流走向并正确分析。
2、掌握起动系统线路的检测方法和步骤。
3、起动性能良好的大众系列发动机试验台架若干台或大众汽车若干辆。
4、常用工具若干套,万用表若干个,导线、试灯若干。
二、计划与实施
1、检测起动供电线路时,防止线路短路或搭铁。
2、试验起动系统时,点火开关应及时回位,且试验时间不宜过长。
3、起动系统由电磁啮合式起动机、蓄电池、点火开关、空档起动开关、起动继电器及导线等组成。
接线情况如图所示。
4、系统线路的连接应符合原车技术要求。
5、电池、起动机电缆、搭铁线、机体、起动机及接触盘各节点连接处的电压降不大于0.2v。
三、实训操作步骤
1、起动系线路连接(以带继电器的起动回路为例说明)
1) 控制回路
①起动继电器线圈回路。
蓄电池“+”→点火开关sT→空档起动开关N→起动继电器线圈l 号、3号接脚→搭铁→蓄电池“—”。
②起动继电器触点回路。
蓄电池“+”→起动继电器动触点2号和4号接脚→端子50(由此分两路),一路到保持线圈→搭铁;另一路到吸拉线圈→起动绕组→通过电动机搭铁→蓄电池“—。