JSZ3系列电子式时间继电器使用说明书
- 格式:pdf
- 大小:570.33 KB
- 文档页数:8
ST3P 系列时间继电器ST3P 50Hz 60Hz 380V 24V 作延时元件,按预定的时间接通或分断电路。
继电器等同互换使用。
产品符合:JB/T10047、GB/T 14048.5、IEC60947-5-1标准。
系列时间继电器适用于交流或,额定电压及以下或直流的控制电路中具有体积小,精度高,延时范围宽,可与JSZ3系列□ 海拔海拔高度不超过2000米;□ 温度:周围环境温度不高于+40℃及不低于-5℃24h 的平均温度不超过+35℃;□ 湿度:最高温度为+40℃时,空气的相对湿度不超过50%,在较低的温度下不允许有较高的 相对湿度,对于由于温度变化偶尔产生的凝露应采取特殊的措施;□ 污染等级:3级;□ 安装条件:在无严重震动和爆炸危险的介质中, 且介质中无足以腐蚀金属和破坏绝缘的气 体与尘埃;在没有雨雪侵袭的地方;在无显著摇动、冲击的振动的地方;□ 安装类别: II ;□ 运输和储存条件:-25℃至+55℃。
:;正常工作条件和安装条件产品概述选型指南081表1续表1主要技术数据082ST3P 系列时间继电器例:ST3P-5PA AC220V 99.9s 200用户在订货时应注明时间继电器名称及型号、额定控制电源电压、延时时间范围和数量。
只。
ST3P-A 、ST3P-C 、ST3P-G ST3P-F 、ST3P-FT1、ST3P-Y 、ST3P-K、ST3P-RST3P-5PA ST3P-5PB ST3P-5PC ST3P-5PF、、、ST3P-5PRTP28X插座外形及安装尺寸订货须知ST3P-AY 外接电位器ST3P-RST3PR-5PRST3PC ST3PC-5PC ST3P-3、ST3P-Y ST3PA 、ST3PA-5P ST3PB-5P 、ST3P-2ST3P-FT1、ST3P-GST3PF-5PFST3PFST3P-K接线图083。
常用规格说明:A:通电延时,延时2转换F:断电延时A:0.5s/5s/30s/3min B:1s/10s/60s/6min C:5s/50s/5min/30min D:10s/100s/10min/60minE:60s/10min/60min/6h F:2min/20min/2h/12h G:4min/40min/4h/24h适用范围:☆ 交流频率50Hz,额定控制电源电压AC380V及以下;☆ 直流额定控制电源电压DC220V及以下☆ 自动控制电路中作时间控制元件,按预定的时间接通或断开电路标准与认证:☆ 国际标准:IEC 60947-5-1 ☆ 国家标准:GB 14048.5 ☆ 认证证书:CCC主要技术参数:AC-15 Ue V:380(AC) 240(AC) 120(AC) Ie A:0.95 1.5 3DC-13 Ue V:250(DC)125(DC)Ie A:0.27 0.55 约定发热电流 A:5 重复误差:≤5%机械寿命次:≥10万次电寿命次:≥1万次功耗W:≤3额定控制电源 V:12-380(AC) 电压 V:12-220(DC)外形及安装尺寸(mm):结构特征:☆ 本系列产品主要由电压变换器、整流稳? 压器、振荡/分频/计数器、电子开关、电位器、及执行继电器等组成的“元器件组合”部件和外壳、上插等部件组成☆ 本系列产品延时整定机构操作方便,并有合适的操作力。
电位器旋转时手感平滑,并有适当强度和旋转力矩。
表示整定时间的刻度盘清晰、易读工作条件与安装条件:环境温度:-5℃~+40 ℃,日平均温度≤35℃海拔:≤2000米相对湿度:最高温度为~+40℃时,空气的相对湿度不超过50%,在较低的温度下可以允许有较高的适度,例如20℃时达90%,对由于温度变化偶然产生的凝露应采取特殊的措施。
污染级别:3级安装类别:III类安装位置:安装面与垂直面的倾斜度不超过±5度,应安装在无明显摇动和冲击振动的地方。
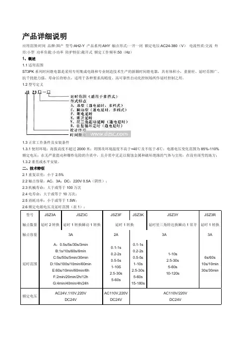
C型号工作方式设定方式延时精度触点数量触点容量电寿命机械寿命环境温度安装方式配用底座工作电压延时范围JSZ3A通电延时A:0.05-0.5s/5s/30s/3min B:0.1-1s/10s/60s/6min C:0.5-5s/50s/5min/30minD:1-10s/100s/10min/60min E:5-60s/10min/60min/6h F:0.25-2min/20min/2h/12h G:0.5-4min/40min/4h/24h电位器AC50Hz,36V,110V127V,220V,380V DC24V ≤10%51×1061×10-5℃~+40℃面板式、装置式、导轨式面板式:FM8858、CZSO8S、装置式(导轨式):CZS08X-EJSZ3C通电延时带瞬动触点JSZ3F断电延时0.1-1s 0.5-5s 1-10s 2.5-30s 5-60s 10-120s 15-180sAC50Hz,36V 110V,127V 220V,380V,DC24V ≤10%延时1转换或延时2转换JSZ3系列时间继电器JSZ3系列时间继电器具有体积小、重量轻、结构紧凑、延时范围广、延时精度高、可靠性好、寿命长等特点,适用于机床自动控制,成套设备自动控制等要求高精度,高可靠性的自动控制系统作延时控制元件。
JS Z 3 □-□延时2转换,延时1转换,瞬时1转换JSZ3Y星三角起动延时AC110V/220V50Hz AC220V/380V DC24V ≤10%延时星三角1转换0.1-1s 0.5-5s 1-10s 2.5-30s 5-60s 10-120s 15-180sJSZ3R 往复循环延时AC110V/220V50Hz AC220V/380V DC24V ≤10%延时1转换0.5-6s/60s 1-10s/10min 2.5-30s/30min 5-60s/60min JSZ3K 信号断开延时0.1-1s 0.5-5s 1-10s 2.5-30s 5-60s 10-120s 15-180sAC110V/220V50Hz AC220V/380V DC24V延时1转换≤10%2 型号及含义1 适用范围3 主要参数及技术性能Ue/Ie:AC-15 220V/0.75A,380V/0.47A;DC-13 220V/0.27A;Ith:5A延时范围代号(适用于多档式)用A、B、C、D、E、F、G表示A:基型(通电延时、多档式)C:瞬动型(通电延时、多档式)F:断电延时型Y:星三角起动延时型(通电延时)K:信号断开延时R:往复循环延时型(通电延时)-2、3:设计序号综合式时间继电器通电延时,单档式型号工作方式设定方式延时精度触点数量触点容量电寿命机械寿命环境温度安装方式配用底座工作电压延时范围AC50Hz 36V,110V,127V,220V,380V DC24V(其它电压可定制)JSZ3-2通电延时JSZ3-30.1-1s,0.5-5s,1-10s,2.5-30s,5-60s,0.3-3min,0.5-5min,1-10min,3-30min,6-60min 延时2转换延时1转换、瞬动1转换面板式、装置式、导轨式面板式:FM8858、CZSO8S;装置式(导轨式):CZS08X-E≤10%续上表电位器51×1061×10-5℃~+40℃4 接线图Ue/Ie:AC-15 220V/0.75A,380V/0.47A;DC-13 220V/0.27A;Ith:5AC5 外形及安装尺寸对于型号为JSZ3A、JSZ3C、JSZ3-2,-3、JSZ3F、JSZ3Y、JSZ3K、JSZ3R的时间继电器,若采用面板式安装,用户需另订购卡箍 FM8858 和底座 CZS08S;若采用装置式安装,用户需另订购底座CZS08X-E。
继电器的使用说明第一节继电器原理知识首先,继电器的定义是一种自动控制装置,当输入量(电、磁、声、光、热)达到一定值时,输出量会发生飞跃性的变化。
继电器是具有隔离功能的自动开关元件。
它广泛应用于遥控、遥测、通信、自动控制、机电一体化和电力电子设备。
它是最重要的控制元素之一。
.继电器通常具有感应机制(输入部件),可以反映某些输入变量(如电流、电压、功率、阻抗、频率、温度、压力、速度、光等)。
);有一个致动器(输出部分),可以控制受控电路的“开”和“关”;在继电器的输入部分和输出部分之间,还有一个连接和隔离输入量、处理功能和驱动输出部分的中间机构(驱动部分)。
作为控制元件,继电器具有以下功能:.1)扩大控制范围。
例如,当多触点继电器的控制信号达到一定值时,多电路可以根据触点组的不同形式同时接通、断开和接通。
.2)放大。
例如,灵敏继电器、中间继电器等。
可以用很小的控制量来控制大功率电路。
.3)集成信号。
例如,当多个控制信号以规定的形式输入到多绕组继电器时,通过比较和合成实现预定的控制效果。
4)自动、远程控制和监控。
例如,自动装置上的继电器与其他电器一起,可以形成程序控制电路来实现自动操作。
第二,继电器的工作原理如图所示。
当控制电路中的开关K闭合时,电磁铁将具有磁性,吸引衔铁使继电器触点接通,连接到触点的电源电路将接通。
当控制开关K关闭时,电磁铁的磁性被消除,继电器触点弹簧打开,电源电路也关闭。
第三,继电器的继电器特性当电枢开始拉入时,继电器的输入信号X从零连续增加到动作值xx,并且继电器的输出信号立即从y=0跳到y=ym,也就是说,常开触点从关到开。
一旦触点闭合,输入量x继续增加,并且输出信号y不会再次改变。
当输入值x从大于xx的值下降到xf时,继电器开始释放,常开触点断开(如图1所示)。
我们把继电器的这种特性称为继电器特性,也叫继电器输入——首先,继电器的定义是一种自动控制装置,当输入量(电、磁、声、光、热)达到一定值时,输出量会发生飞跃性的变化。
时间继电器使用说明书时间继电器产品使用说明书西安铁路信号工厂1 概述a)产品特点:时间继电器是属于信号继电器品种之一,是为满足用户对原时间继电器缓吸时间的不同要求而设计的系列继电器,时间继电器(以下简称继电器)继电器有四种缓吸时间可供选择;也可根据用户的要求来改变继电器的缓吸时间。
b)主要用途和适用范围:适用于铁路信号电路或其它控制电路中。
c)品种、规格:分为半导体时间继电器和单片机时间继电器。
d)型号的组成及代表意义:J S B(D) X C — 850线圈电阻插入式信号半导体(单片机)时间继电器e) 使用环境条件(1)温度:-5℃~+40℃;(2)相对湿度:90%以下(+25℃);(3)气压:不低于70kPa(相当于海拔高度3000m以下);f)工作条件(1)振动:振频不大于15Hz,振幅不大于0.45mm;(2)工作位置:水平(如图1所示);(3)周围无引起爆炸危险的有害气体,并应有防尘措施。
2 结构特征及工作原理继电器结构分为接点部分和磁路部分,其核心是采用单结晶体管或单片机延时电路,经过不同的接线,来获得所需的延时,以满足信号电路的需要。
3 产品技术特性3.1 继电器电气特性如表1所示。
表1 电气特性和时间特性(+20℃)各型继电器线圈的电阻值,应符合表2的规定,5Ω以上者,误差应不应超过±10%,将测得的电阻值换算到+20℃时的数值。
按如下公式换算 R 20=)20(1-+t R tα式中:R 20——温度为+20℃时的电阻值,Ω;R t——环境温度为t时测得的电阻值,Ω;t——测量时的环境温度,℃;α——在0℃时被测线圈导体材料的电阻温度系数(铜为0.004 1/℃)。
3.2继电器机械特性见表3所示表3 继电器机械特性3.3继电器接点及插座簧片通以0.5A电流时的接触电阻应不超过表3的规定。
表4 继电器接触电阻3.4在试验的标准大气条件下,继电器和插座的绝缘电阻均不小于100MΩ。
时间继电器JS7-A系列-1JS7-A空气式时间继电器主要技术参数1.额定工作电压380V,额定发热电流3A,额定控制容量100VA。
2.继电器按其所具有延时的与不延时的触头组成可分为如表1所列4种型。
3.每种型号的继电器还可分为:按延时范围可分0.4s~60s和0.4s~180s两种。
按线圈的额定电压分为:(50Hz)24、36、110、127、220、380(V)六种。
4.继电器使用的环境温度为-25℃~+40℃。
5.当线圈电压为额定值85%~100%的时,继电器能可靠工作。
6.继电器延时时间的连续动作重复误差≤15%。
7.允许操作频率不大于600次/h和通电持续率为40%8. 可调节进气孔通道的大小来得到不同的延时时间。
即用螺丝刀旋转铭牌中心之螺帽,往右旋得到的延时时间较短,反之则延时时间就长。
时间继电器JS7-A系列-3时间继电器JS7系列-4时间继电器JS系列JS系列集成电路时间继电器该装置为电力系统继电器保护,用以缩短主保护和后备保护时间级差提供保证JS11系列数字式时间继电器JS11系列数字式时间继电器是JS11系列电动式时间继更新换代产品。
它采用先进的数控技术,用集成电路和LED显示器件取供电动机和机械传动系统。
JS11系列时间继电器相比。
除兼有电动式长延时的优点外,交具有无机械磨损、工作稳定、可靠、精度高;计数清晰悦目、准确直观和结构新颖等优点,广泛用于自动程序控制系统,及各种生产工艺过程的自动控制系统,作为时间控制器件使用。
三、主要技术参数1.电源电压:允许在80%~110%额定值内可靠工作。
交流50Hz36、48、110、127、220、380V,通常不加注明者为220V,如需其他电压级需特殊电压级,可定制2 4V;2.功耗:小于3W;3.装置方式:面板式;4.延时控制:与交流电源频率同步;直流误差小于0.3%;5.接点返回时间:小于0.2S;6.继电器允许操作频率:1200次/h。
JSC开关磁阻电机及控制器说明书南京苏之芯电子技术有限公司第一章 概述1.1 概述本手册主要介绍JSC系列开关磁阻电机及控制器产品的特性,安装使用方法以及维护等方面的知识。
用户在使用之前,请详细阅读本手册,这会帮助您正确的安装和使用控制器,如果在使用过程中遇到任何问题,请联系我们。
JSC系列开关磁阻电机及控制器是为中小型电动车辆提供的一种高效、平稳、易于安装的新型电机及控制器。
主要应用对象为电动三轮车、电动摩托车、工业调速系统等。
该产品能够输出很高的启动电流和提供严格的电池电流限制。
所以,它既能够工作在相对较小的电池电流工况下,又能够提供很好的加速和爬坡能力。
开关磁阻电机控制器采用大功率MOSFET 高频设计,效率可达9 9 % 。
强大智能的微处理器为该控制器提供了全面精确的控制。
第二章主要特性和规格2.1 性能指标工作频率:20KHz待机电流:小于0.5mA5V 传感器电源电流:40mA额定电压:DC48V / 60V电源电流:300mA标准踏板输入:0-5V (三线电阻)刹车模拟信号及踏板信号输入:0-5V全功率工作温度范围:-30 °C至90°C一分钟相线工作电流:120A连续相线工作电流:50 A最大电池电流: 可调节.适配电机额定功率:1-3KW适配电机最大输出功率:3KW适配电机最高转速:4000rpm霍尔位置传感器电压:5V霍尔位置传感器连线长度:不超过5米霍尔位置传感器电流:不超过50mA转把传感器电压:5V转把传感器连线长度:不超过5米转把传感器电流:不超过50mA2.2基本功能1、上电自检。
控制器上电时,依次检查控制器中各个功率器件的状态,与之相关的接口状态如转把、刹车或者其他外部开关等等,一旦出现故障,控制器自动实施保护,充分保证电机的安全,当故障排除以后,控制器的保护会自动恢复。
2、电池电压实时监控。
控制器在工作过程中,会定期检测电源电压(通常每秒钟至少检测数次),当检测电压连续过低时,电池电压不足,控制器自动进入保护,防止对电瓶造成损害;当检测电源连续过高时,电池电压过高,控制器自动进入保护,直至重新上电是电压处于正常范围内。
产品详细说明应用范围:时间品牌:国产型号:AH2-Y 产品系列:AHY 触点形式:一开一闭额定电压:AC24-380(V)电流性质:交流外形:小型功率负载:小功率防护特征:敞开式额定工作频率:50(Hz)1、概述1.1适用范围ST3PK系列时间继电器是采用专用集成电路和专业制造技术生产的新颖时间继电器,具有体积小,重量轻、延时范围广、抗千扰能力强、寿命长待特点,适用于各种要求高精度、高可靠性自动化控制场所作延时控制之用。
1.2型号定义1.3正常工作条件及安装条件1.3.1使用环境:海拔高度不超过2000米;周围攻环境温度不高于+40℃及不低于-5℃;电源电压变化范围为85%-110%额定电压;在无严重震动和爆炸危险的介质中,且介质中无足以腐蚀金属和破坏绝缘的气体与尘埃;在没有雨雪的地方;1.3.2垂直或水平安装。
二、技术特征2.1重复误差:小于2.5%2.2触点容量:AC:3A;DC:220V 0.5A(阴性);2.3机械寿命:大于或等于100万次2.4电寿命:大于或等于10万次;2.5消耗功率:小于或等于1.5W;2.6额定电源电压及延时范围(表1):型号JSZ3A JSZ3C JSZ3F JSZ3K JSZ3Y JSZ3R触点数量延时2转换延时1转换瞬动1转换延时1转换延时星三角转达换瞬动1常开延时1转换触点容量3A 2A 3A 3A延时范围A:0.5s/5s/30s/3minB:1s/10s/60s/6minC:5s/50s/5min/30minD:10s/100s/10min/60minE:60s/10min/60min/6hF:2min/20min/2h/12hG:4min/40min/4h/24h0.1-1s0.2-2s0.5-5s1-10S2.5-30s5-60s0.1-1s0.2-2s0.5-5s1-10s2.5-30s5-60s15-180s1-10s2.5-30s5-60s10-120s6s/60s10s/10min30s/30min额定电压AC24V,110V,220VDC24VAC110V,220VDC24VAC110V/220VDC24V三、接线图四、使用说明JSZ3系列时间继电器多档式规格具有不同的延时档,可以同时间继电器前部的转换开关很方便地转换。
DH48S-S 数逐循环时向诡电器*可後宝Tl, T2鬲个延时吋向,能替代鬲乂吋向漣电器*從周而复為工仔,也能单次仇於*采用逬▽尢儀咅用区戌如LED 数芻管显云* DIN ( 48x48mm )而板尺寸*爲耦術虐、J 体不、3丸电磁孑犹俸强、功総傾、融块房蚤尢*用孑仓动亿总刮養俊滋糾走付之用 *延时范(©: 0.1S~990H*迄时猪钊精廈<0.3%±0.05 紗 * 电澹:DC12V, 24VAC110V, 220V, 380V *电压范(©:騒宝3仔电压85% ~ 110% *鯉块宕蚤:AC220V 5A DC30V 5A 阻僅*功紅3W *机械痔命N107*电乞寿冷N105 * 环俺儡庭:一 10°C ~ +50°C*科孔尺寸:创作:欧阳体45x45mm 时向薩电器住用说明*免象畫阿T1衣T2吋礎,时向及3仆为式。
*逼电后T1科為逬&延时,健电器处孑不动仔就各(释孜),*T1到达,恚孑於电器渥合,同时左色显孑涓隐,T2延吋科能,老T2延吋到达,於电器喳新释孜,右轻显孑詰隐,单次仇於3 仔方式到此毎束,若巧周而复壮工仆方式,刖T1漣復廷时,f 連以£过終逬&延时拓各的滋。
*衣住於过程中&瘙时向切断电潯尢孑1紗或编入衷隹$君,时向即②到Tl=0就各科能讨时,同吋薩电器处孑释孜拓$,唾新科壮Kio涯蜜事境*巫置&孑T1知T2时向以后徃團。
*右强电场环僥中僵用并連金酚停导钱筱衣时诸僅用修絃导钱。
*讳右住用时陋时将侮炉舉薑上,以免庆吱侵入阳响往用。
*右筱尢电浅时,诸記立浅峻鯉器僅用型 % : HD48S-2Z3 仔电屁:AC220V DC24V T产器後明:免願蛊&孑T1如T2的吋盈,时向及3仆方式・石逼电时谡宝的数侥免敛,0须雄遏①③祭孑0.2紗以E,或断科电澹0.5紗以后西峻逼电懣,才能完戌後宝。