三菱电梯运行记录表.doc
- 格式:doc
- 大小:40.50 KB
- 文档页数:3
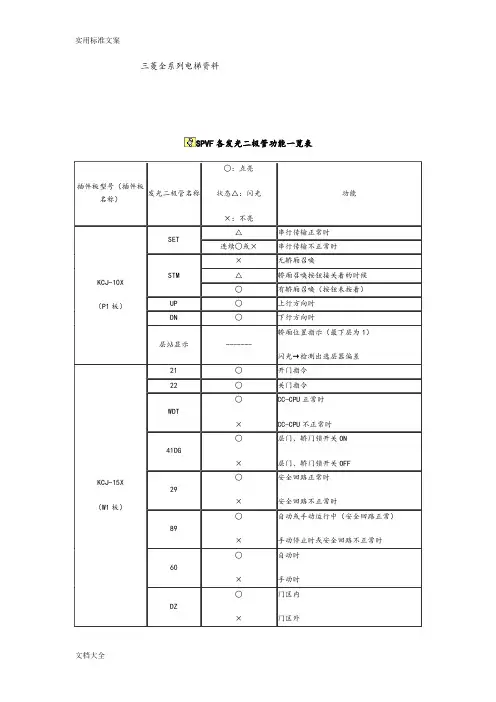
SPVF各发光二极管功能一览表GPS-I P1板上各开关功能表开关名称功能正常状态TOP/BOT TOP(上位):顶层呼叫中间BOT(下位):底层呼叫UPC/DNC UPC(上位):轿厅上升说明:闭合此开关,轿厢开始按设定方向运行。
开关复位中中间位置,轿厢就近停层。
如保持在UPC位置,轿厢将一直运行到最高层或次高层;保持在DNC位置,轿厢将一直运行到最底层或次底层。
开关若不返回中间位置,电梯将不应答轿厢召唤。
中间DNC(下位):轿厢下降DOOR/RST DOOR(上位):切断门机开关指令中间RST(下位):CPU复位DCB/FMS DCB(上位):关门中间FMS(下位):写层高数据R/M MNT WEN R/M(上位):警报器R/M亮安装时置于中间MNT(中间):警报器R/M熄WEN(下位):修正EEPROM数据LD0/LD1 写入及显示载重量中间RSW SHIFT:模式(VP)的位置8LTB:平层时,抱闸接触器动作时间调节8MON:功能控制开关安装时6,服务时8GPS-I MON开关与七段管显示器MON位置功能LED显示器0 故障显示1 轿厢位置显示显示轿厢水平位置,显示范围为-19~+19,0~-0为运行的中点2 安装时称重写入SW LDO/LD1→LD0现在的载重量作为空载数据写入E2PROMSW LDO/LD1→LD1现在的载重量作为平衡载重量数据写入E2PROMSW LDO/LD1→中间位置现在的载重量数据显示3 楼层显示显示轿厢所处楼层数4 手动操作显示轿厢所处楼层数5 保养时称重写入SW LDO/LD1→LD0现在的载重量作为空载数据写入E2PROMSW LDO/LD1→LD1现在的载重量作为平衡载重量数据写入E2PROMSW LDO/LD1→中间位置现在的载重量数据显示6 安装时手动操作模式显示“H”+楼层数7 楼层显示显示轿厢所处楼层数8 标准设定显示轿厢所处楼层数9 楼层显示显示轿厢所处楼层数A 楼层显示显示轿厢所处楼层数B 调整BK力矩BK力矩设定值(十进制)C 检测过负载蜂鸣器SW LDO/LD1→中间位置现在负载率显示SW LDO/LD1→LDO/LD1 显示“OL”D 称重显示SW LDO/LD1→LD0 E2PROM中的空载数据显示SW LDO/LD1→LD1 E2PROM中的平衡重量数据显示SW LDO/LD1→中间位置现在载重量的数据显示E TSD安全系数检测显示楼层数F TSD运行检测显示楼层数三菱电梯 GPS--3 维修资料三菱 GPS — 3 电梯在机房 P1 电子板上有两个开关 MON1 和 MON0 ,只要旋转这两个开关到不同位置,通过显示出来的字母,在对照相应的中文说明,就可以弄清楚电梯的故障部位和发生故障的时间和次数了。
电梯日常(月度)检查表电梯位置:编 号:日 期:检查类型:□日检 □月检 □年检 □抽检编号检查内容检查结果1曳引电机有无异常噪音或气味,是否温度过高(烫手),曳引电机轴承是否需要加注润滑油,螺栓是否松动;□正常□异常2减速箱是否需要加注润滑油,油色、油位是否正常,联轴器是否牢固可靠,螺栓有无松动;□正常□异常3指示仪表、指示灯是否正确,各继电器、接触动作是否正常,有无异常声响;□正常□异常4变压器、电阻器、电抗器温度是否正常,有无过热现象;□正常□异常5制动器动作是否正常,制动线圈是否过热,制动轮上是否有油污;□正常□异常6曳引轮、曳引绳、限速器、机械选层器、测速机等运行是否正常,有无异常声响;□正常□异常通讯设施是否灵敏畅通,指示牌、7标示牌是否完好,盘车手轮、开闸板手等救援工具是否已放置在指定位置;□正常□异常8轿厢照明是否正常,厅外轿内指层、指令及指示灯是否正常;□正常□异常9厅门及轿门踏板是否清洁干净;□正常□异常10轿厢和对重导靴油杯油量是否足够;□正常□异常11电梯运行有无异常振动或声响,舒适感有无明显变化;□正常□异常12开关门有无异常(顺畅),轿厢内应急灯是否可靠;□正常□异常13底坑限速器、涨紧装置、开关和碰铁距离是否异常;□正常□异常14补偿链是否有异响;□正常□异常15底坑有无积水或脏物。
□正常□异常检查人年月电梯运行记录第页电梯位置:编号:巡查时间及运行情况巡查日期08∶0010∶0012∶0014∶0016∶0018∶00巡查人备注□良好□故障□良好□故障□良好□故障□良好□故障□良好□故障□良好□故障□良好□故障□良好□故障□良好□故障□良好□故障□良好□故障□良好□故障□良好□故障□良好□故障□良好□故障□良好□故障□良好□故障□良好□故障□良好□故障□良好□故障□良好□故障□良好□故障□良好□故障□良好□故障□良好□故障□良好□故障□良好□故障□良好□故障□良好□故障□良好□故障□良好□故障□良好□故障□良好□故障□良好□故障□良好□故障□良好□故障□良好□故障□良好□故障□良好□故障□良好□故障□良好□故障□良好□故障□良好□故障□良好□故障□良好□故障□良好□故障□良好□故障□良好□故障□良好□故障□良好□故障□良好□故障□良好□故障□良好□故障□良好□故障□良好□故障□良好□故障□良好□故障□良好□故障□良好□故障□良好□故障□良好□故障□良好□故障□良好□故障□良好□故障□良好□故障□良好□故障□良好□故障□良好□故障□良好□故障□良好□故障□良好□故障□良好□故障□良好□故障□良好□故障□良好□故障□良好□故障□良好□故障□良好□故障□良好□故障□良好□故障□良好□故障□良好□故障□良好□故障□良好□故障□良好□故障□良好□故障□良好□故障□良好□故障□良好□故障□良好□故障□良好□故障□良好□故障□良好□故障□良好□故障□良好□故障□良好□故障电梯年月维修保养记录电梯位置:编号:维修/保养日期维修保养部位维修保养项目清理检查调查记录不良情况部分记录及处理结果机房1曳引轮清洁2限速器及电器接点检查 3制动闸瓦磨损检查4选层器详查5控制柜各机电接点清洁,各接触器、继电器电阻机身1干电池、蓄电池检查2内外门藕合检查、清扫、注油3内外吊门轮、限位轮,外门关闭器,路轨检查清扫4内外门闸锁及门联锁开关内部及接点清洁及井道5 6 7 8 9 10维修保养人验证人电梯年第季度维修保养记录电梯位置:编号:维修/保养日期维修保养部位维修保养项目清理检查调查记录不良情况部分记录及处理结果机房1电动机冷却风扇注油2电源总开关3控制盘、讯号盘清扫,紧引线螺丝机1门机各装置箱内部检查2门电机、电阻箱、接点盒内部检查3门机械牙箱、连杆、链条、身及4井道567维修保养人验证人电梯年维修保养记录电梯位置:编号:维修/保养日期维修保养部位维修保养项目清理检查调查记录不良情况部分记录及处理结果机房1减速箱换油2各种润滑油更换3电动机定子、转子气隙测量4曳引轮槽磨损情况检查5制动器解体大修及线圈电流测定机身及井道1选层器牙箱换油2安全系统及限速器动作试验3安全器及夹轨拆卸、清洗4曳引机、行车速度、平衡装置检测5制动盘各接线螺丝固定6门电机牙箱、润滑油更换7中途箱,轿底接线箱螺丝紧固89101112维修保养人验证人电梯安日常运行记录年月日期值班人电梯运行情况备注日期值班人电梯运行情况备注1□正常□异常□正在维修17□正常□异常□正在维修2□正常□异常□正在维修18□正常□异常□正在维修3□正常□异常□正在维修19□正常□异常□正在维修4□正常□异常□正在维修20□正常□异常□正在维修5□正常□异常□正在维修21□正常□异常□正在维修6□正常□异常□正在维修22□正常□异常□正在维修7□正常□异常□正在维修23□正常□异常□正在维修□正□异□正□正□异□正在8常常在维修24常常维修9□正常□异常□正在维修25□正常□异常□正在维修10□正常□异常□正在维修26□正常□异常□正在维修11□正常□异常□正在维修27□正常□异常□正在维修12□正常□异常□正在维修28□正常□异常□正在维修13□正常□异常□正在维修29□正常□异常□正在维修14□正常□异常□正在维修30□正常□异常□正在维修15□正常□异常□正在维修31□正常□异常□正在维修16□正常□异常□正在维修□正常□异常□正在维修电梯日常检查记录簿电梯编号:陕西咸阳五〇五医药保健总公司电梯维修保养记录簿电梯编号:陕西咸阳五〇五医药保健总公司电梯安全人员交 接 班 记 录 簿陕西咸阳五〇五医药保健总公司电梯运行记录簿电梯编号:陕西咸阳五〇五医药保健总公司。
三菱电梯维修资料三菱电梯GPS--3维修资料三菱GPS--3电梯故障查询表三菱GPS—3电梯在机房P1电子板上有两个开关MON1和MON0,只要旋转这两个开关到不同位置,通过显示出来的字母,在对照相应的中文说明,就可以弄清楚电梯的故障部位和发生故障的时间和次数了。
1.转到0的位置,再将MON0开关旋转到0位置,显示结果如下:显示结果----E0没有故障------E1速度异常过低时检出《SW-TGBL》------E2速度过大是检出《SW-TGBH》------E3逆转是检出《SW-TGBR》------E4AST异常时检出《SW-AST》------E5逆变器过电流时检出《SS-LOCFO》------E6整流器过电流检出《SS-COVH》------E7整流器电压不足时检出《SS-LVLT》------E8LB线圈故障断电时检出《SW-CFLB》------E95线圈故障断电时检出《SW-CFU》------EA迫力接点ON/OFF故障时检出《SW-CFBK》------EB轿箱直接信号传输异常《ST-STSCE》------EC厅外和指令直接信号传输异常《ST-STSHE》------ED系统异常《ST-SYER》------EE驱动在不能启动《SD-DNRS》------EF控制在不能启动《SW-NRS》一,将MON1不变,把MON0旋转到1位置。
显示轿箱与平衡驼的位置,平衡是为0—0之间,显示1等于256MM,那么显示2等于512MM。
二,将MON1不变,把MON0旋转到2位置。
数据输入《安装时间用,和SW1同时使用》三,将MON1不变,把MON0旋转到3位置。
《显示楼层》四,将MON1不变,把MON0旋转到4位置。
《显示楼层》五,将MON1不变,把MON0旋转到5位置。
《称重数据输入,保养时使用》六,将MON1不变,把MON0旋转到6位置。
手动优先模式七,将MON1不变,把MON0旋转到7位置。
电梯设备运行记录表格
此表格为电梯设备的运行记录表格,记录了不同日期和时间段
内各个电梯的运行状态和备注。
电梯编号用于区分不同的电梯设备。
运行状态记录了电梯在该时间段内是正常运行还是异常运行。
备注
栏用于记录异常情况或额外信息。
这个表格可以用于电梯设备的维护和故障排查。
通过记录不同
时间段内电梯的运行状态,可以及时发现异常情况并及时处理。
同时,备注栏可以用于记录设备异常的具体情况,便于维修或进一步
检查。
如有新的运行记录需要添加,可以继续在表格中增加新的行,并填写相应的日期、时间、电梯编号、运行状态和备注。
记录的准确和完整对于电梯运行监测和维护非常重要。
三菱全系列电梯资料SPVF各发光二极管功能一览表GPS-I P1板上各开关功能表TOP/BOT TOP(上位):顶层呼叫中间BOT(下位):底层呼叫UPC/DNC UPC(上位):轿厅上升说明:闭合此开关,轿厢开始按设定方向运行。
开关复位中中间位置,轿厢就近停层。
如保持在UPC位置,轿厢将一直运行到最高层或次高层;保持在DNC位置,轿厢将一直运行到最底层或次底层。
开关若不返回中间位置,电梯将不应答轿厢召唤。
中间DNC(下位):轿厢下降DOOR/RST DOOR(上位):切断门机开关指令中间RST(下位):CPU复位DCB/FMS DCB(上位):关门中间FMS(下位):写层高数据R/M MNT WEN R/M(上位):警报器R/M亮安装时置于中间MNT(中间):警报器R/M熄WEN(下位):修正EEPROM数据LD0/LD1 写入及显示载重量中间RSW SHIFT:模式(VP)的位置8LTB:平层时,抱闸接触器动作时间调节8MON:功能控制开关安装时6,服务时8GPS-I MON开关与七段管显示器1 轿厢位置显示显示轿厢水平位置,显示范围为-19~+19,0~-0为运行的中点2 安装时称重写入SW LDO/LD1→LD0现在的载重量作为空载数据写入E2PROMSW LDO/LD1→LD1现在的载重量作为平衡载重量数据写入E2PROMSW LDO/LD1→中间位置现在的载重量数据显示3 楼层显示显示轿厢所处楼层数4 手动操作显示轿厢所处楼层数5 保养时称重写入SW LDO/LD1→LD0现在的载重量作为空载数据写入E2PROMSW LDO/LD1→LD1现在的载重量作为平衡载重量数据写入E2PROMSW LDO/LD1→中间位置现在的载重量数据显示6 安装时手动操作模式显示“H”+楼层数7 楼层显示显示轿厢所处楼层数8 标准设定显示轿厢所处楼层数9 楼层显示显示轿厢所处楼层数A 楼层显示显示轿厢所处楼层数B 调整BK力矩BK力矩设定值(十进制)C 检测过负载蜂鸣器SW LDO/LD1→中间位置现在负载率显示SW LDO/LD1→LDO/LD1 显示“OL”D 称重显示SW LDO/LD1→LD0 E2PROM中的空载数据显示SW LDO/LD1→LD1 E2PROM中的平衡重量数据显示SW LDO/LD1→中间位置现在载重量的数据显示E TSD安全系数检测显示楼层数F TSD运行检测显示楼层数三菱电梯 GPS--3 维修资料三菱 GPS — 3 电梯在机房 P1 电子板上有两个开关 MON1 和 MON0 ,只要旋转这两个开关到不同位置,通过显示出来的字母,在对照相应的中文说明,就可以弄清楚电梯的故障部位和发生故障的时间和次数了。
SPVF各发光二极管功能一览表GPS-I P1板上各开关功能表TOP/BOT TOP(上位):顶层呼叫中间BOT(下位):底层呼叫UPC/DNC UPC(上位):轿厅上升说明:闭合此开关,轿厢开始按设定方向运行。
开关复位中中间位置,轿厢就近停层。
如保持在UPC位置,轿厢将一直运行到最高层或次高层;保持在DNC位置,轿厢将一直运行到最底层或次底层。
开关若不返回中间位置,电梯将不应答轿厢召唤。
中间DNC(下位):轿厢下降DOOR/RST DOOR(上位):切断门机开关指令中间RST(下位):CPU复位DCB/FMS DCB(上位):关门中间FMS(下位):写层高数据R/M MNT WEN R/M(上位):警报器R/M亮安装时置于中间MNT(中间):警报器R/M熄WEN(下位):修正EEPROM数据LD0/LD1 写入及显示载重量中间RSW SHIFT:模式(VP)的位置8LTB:平层时,抱闸接触器动作时间调节8MON:功能控制开关安装时6,服务时8GPS-I MON开关与七段管显示器MON位置功能LED显示器0 故障显示1 轿厢位置显示显示轿厢水平位置,显示范围为-19~+19,0~-0为运行的中点2 安装时称重写入SW LDO/LD1→LD0现在的载重量作为空载数据写入E2PROMSW LDO/LD1→LD1现在的载重量作为平衡载重量数据写入E2PROMSW LDO/LD1→中间位置现在的载重量数据显示3 楼层显示显示轿厢所处楼层数4 手动操作显示轿厢所处楼层数5 保养时称重写入SW LDO/LD1→LD0现在的载重量作为空载数据写入E2PROMSW LDO/LD1→LD1现在的载重量作为平衡载重量数据写入E2PROMSW LDO/LD1→中间位置现在的载重量数据显示6 安装时手动操作模式显示“H”+楼层数7 楼层显示显示轿厢所处楼层数8 标准设定显示轿厢所处楼层数9 楼层显示显示轿厢所处楼层数A 楼层显示显示轿厢所处楼层数B 调整BK力矩BK力矩设定值(十进制)C 检测过负载蜂鸣器SW LDO/LD1→中间位置现在负载率显示SW LDO/LD1→LDO/LD1显示“OL”D 称重显示SW LDO/LD1→LD0E2PROM中的空载数据显示SW LDO/LD1→LD1E2PROM中的平衡重量数据显示SW LDO/LD1→中间位置现在载重量的数据显示E TSD安全系数检测显示楼层数F TSD运行检测显示楼层数三菱电梯 GPS--3 维修资料三菱 GPS — 3 电梯在机房 P1 电子板上有两个开关 MON1 和 MON0 ,只要旋转这两个开关到不同位置,通过显示出来的字母,在对照相应的中文说明,就可以弄清楚电梯的故障部位和发生故障的时间和次数了。
三菱GPS-3电梯在机房P1电子板上有两个开关MON1和MON0,只要旋转这两个开关到不同位置,通过显示出来的字母,在对照相应的中文说明,就可以弄清楚电梯的故障部位和发生故障的时间和次数了。
转到0的位置,再将M O N0开关旋转到0位置,显示结果如下:显示结果----E0没有故障------E1速度异常过低时检出《S W-T G B L》------E2速度过大是检出《S W-T G B H》------E3逆转是检出《S W-T G B R》------E4A S T异常时检出《S W-A S T》------E5逆变器过电流时检出《S S-L O C F O》------E6整流器过电流检出《S S-C O V H》------E7整流器电压不足时检出《S S-L V L T》------E8L B线圈故障断电时检出《S W-C F L B》------E95线圈故障断电时检出《S W-C F U》------E A迫力接点O N/O F F故障时检出《S W-C F B K》------E B轿箱直接信号传输异常《S T-S T S C E》------E C厅外和指令直接信号传输异常《S T-S T S H E》------E D系统异常《S T-S Y E R》------E E驱动在不能启动《S D-D N R S》------E F控制在不能启动《S W-N R S》0。
将MON1不变,把MON0旋转到1位置。
显示轿箱与平衡驼的位置,平衡是为0-0之间,显示1等于256M M,那么显示2等于512M M。
将M ON1不变,把M ON0旋转到2位置。
数据输入《安装时间用,和SW1同时使用》将M O N1不变,把M O N0旋转到3位置。
《显示楼层》将M O N1不变,把M O N0旋转到4位置。
《显示楼层》将M O N1不变,把M O N0旋转到5位置。
《称重数据输入,保养时使用》将M O N1不变,把M O N0旋转到6位置。
电梯安全每月监测表监测日期:[填入监测日期]
电梯基本信息:
- 电梯名称:[填入电梯名称]
- 电梯编号:[填入电梯编号]
- 电梯型号:[填入电梯型号]
- 电梯安装位置:[填入电梯安装位置]
监测项目及结果:
1. 电梯运行状态:
- 电梯正常工作:[填入正常/异常]
- 异常情况描述:[填入异常情况描述,如有]
2. 电梯乘坐体验:
- 电梯乘坐舒适:[填入舒适/不舒适]
- 不舒适情况描述:[填入不舒适情况描述,如有] 3. 电梯安全装置:
- 门锁系统:[填入正常/异常]
- 紧急通话系统:[填入正常/异常]
- 安全照明系统:[填入正常/异常]
- 其他安全装置:[填入正常/异常]
- 异常情况描述:[填入异常情况描述,如有]
4. 电梯运行性能:
- 运行平稳:[填入平稳/不平稳]
- 不平稳情况描述:[填入不平稳情况描述,如有]
- 运行噪音:[填入噪音正常/异常]
- 异常情况描述:[填入异常情况描述,如有]
5. 电梯维护记录:
- 上月维护记录:[填入上月维护记录情况,如有]
- 本月维护记录:[填入本月维护记录情况,如有]
建议和备注:
- [填入本次监测后的建议和备注,如有]
以上是本月电梯安全监测的结果,请根据情况对电梯进行维护和修复,确保其正常运行和乘客安全。
---。
物业电梯运行日志
日期:_______ 时段:_______
电梯编号:_______
电梯运行状态:_______
故障及维修情况:
[ 此处记录电梯出现的任何故障情况,包括但不限于:卡梯、异响、制动故障、故障代码显示等。
在故障情况下,需填写以下维修信息:
故障发现时间:_______
维修人员:_______
故障原因:_______
维修措施:_______
维修时间:_______
故障处理结果:_______
维修费用:_______
维修材料耗用情况:_______ ]
巡检及保养情况:
[ 此处记录电梯的巡检、保养情况,包括但不限于:轿厢清洁、维护零部件、润滑等。
巡检及保养内容及操作人员:_______
巡检及保养时间:_______ ]
其他事项:
[ 此处记录电梯的其他事项,包括但不限于:调试、装修、改造、维护合同等。
其他事项内容:_______
其他事项时间:_______ ]
备注:
[ 此处可填写对电梯运行情况的其他备注信息,如特殊情况、应注意事项等。
]
填写人:_______
审核人:_______。
SPVF各发光二极管功能一览表1GPS-I P1板上各开关功能表开关名称功能正常状态TOP/BOT TOP(上位):顶层呼叫中间BOT(下位):底层呼叫UPC/DNC UPC(上位):轿厅上升说明:闭合此开关,轿厢开始按设定方向运行。
开关复位中中间位置,轿厢就近停层。
如保持在UPC位置,轿厢将一直运行到最高层或次高层;保持在DNC位置,轿厢将一直运行到最底层或次底层。
开关若不返回中间位置,电梯将不应答轿厢召唤。
中间DNC(下位):轿厢下降DOOR/RST DOOR(上位):切断门机开关指令中间RST(下位):CPU复位2DCB/FMS DCB(上位):关门中间FMS(下位):写层高数据R/M MNT WEN R/M(上位):警报器R/M亮安装时置于中间MNT(中间):警报器R/M熄WEN(下位):修正EEPROM数据LD0/LD1 写入及显示载重量中间RSW SHIFT:模式(VP)的位置8 LTB:平层时,抱闸接触器动作时间调节8MON:功能控制开关安装时6,服务时8GPS-I MON开关与七段管显示器31 轿厢位置显示显示轿厢水平位置,显示范围为-19~+19,0~-0为运行的中点2 安装时称重写入SW LDO/LD1→LD0现在的载重量作为空载数据写入E2PROMSW LDO/LD1→LD1现在的载重量作为平衡载重量数据写入E2PROMSW LDO/LD1→中间位置现在的载重量数据显示3 楼层显示显示轿厢所处楼层数4 手动操作显示轿厢所处楼层数5 保养时称重写入SW LDO/LD1→LD0现在的载重量作为空载数据写入E2PROMSW LDO/LD1→LD1现在的载重量作为平衡载重量数据写入E2PROMSW LDO/LD1→中间位置现在的载重量数据显示6 安装时手动操作模式显示“H”+楼层数7 楼层显示显示轿厢所处楼层数8 标准设定显示轿厢所处楼层数9 楼层显示显示轿厢所处楼层数A 楼层显示显示轿厢所处楼层数B 调整BK力矩BK力矩设定值(十进制)C 检测过负载蜂鸣器SW LDO/LD1→中间位置现在负载率显示SW LDO/LD1→LDO/LD1 显示“OL”D 称重显示SW LDO/LD1→LD0 E2PROM中的空载数据显示SW LDO/LD1→LD1 E2PROM中的平衡重量数据显示SW LDO/LD1→中间位置现在载重量的数据显示E TSD安全系数检测显示楼层数F TSD运行检测显示楼层数/chapter/index05-4.html三菱电梯GPS--3 维修资料4三菱GPS —3 电梯在机房P1 电子板上有两个开关MON1 和MON0 ,只要旋转这两个开关到不同位置,通过显示出来的字母,在对照相应的中文说明,就可以弄清楚电梯的故障部位和发生故障的时间和次数了。
三菱电梯运行记录
单位名称:博盈投资广场日期:年月日
设备编号:值班员:
1#电梯2#电梯
项目正常异常项目正常异常
机房设备曳引机、马达、导向轮
机
房
设
备
曳引机、马达、导向
轮
控制柜控制柜
电磁制动器(抱闸)电磁制动器(抱闸)限速器限速器
盘车手轮、松闸扳手盘车手轮、松闸扳手
层站设备按钮层
站
设
备
按钮
层楼指示层楼指示层门层门
轿厢内按钮
轿
厢
内
按钮
层楼显示层楼显示轿内照明轿内照明停电灯停电灯
井道设备上下限位开关井
道
设
备
上下限位开关安全钳安全钳
钢丝绳钢丝绳
涨紧轮涨紧轮
噪音振动噪音振动
门系运行状况门系运行状况运行累计时间运行累计时间运行累计次数运行累计次数停电记录:
盘车记录:
运行故障记录:。
三菱电梯常用资料集锦将MON1不变,把MON0旋转到3位置。
《显示楼层》将MON1不变,把MON0旋转到4位置。
《显示楼层》将MON1不变,把MON0旋转到5位置。
《称重数据输入,保养时使用》将MON1不变,把MON0旋转到6位置。
手动优先模式将MON1不变,把MON0旋转到7位置。
《显示楼层》将MON1不变把MON0旋转到8位置。
《显示楼层》将MON1不变,把MON0旋转到9位置。
《显示楼层》将MON1不变,把MON0旋转到A位置。
DLD智能门楼层显示将MON1不变,把MON0旋转到B位置。
迫力力矩确认将MON1不变,把MON0旋转到C位置。
称重值百分比检查将MON1不变,把MON0旋转到D位置。
称重值表示将MON1不变,把MON0旋转到E位置。
TSD偏差数据检查将MON1不变,把MON0旋转到F位置。
TSD动作点检查。
一。
将MON1旋转到1位置,将MON0旋转到0位置时的显示结果如下:显示结果:一--E00没有异常-----E01温度异常《SW-THMFT》-----E02紧急停止运行记录一次《SW-EST1》-----E03CC-WDT3次检出《SS-SLCWC4》-----E04SLC-WDT4次检出《SS-SLCWC4》-------E05过电流检出《SW-SOCR》------E06再生电阻负载过大《SW-SOLR》------E0741DG门锁电路异常《SW-E41》------E08终端限位开关异常〈SW-TSCK〉------E09PAD异常检出〈SW-PAD〉------E0A称重数值异常检出〈SW-WGER〉------E0B停止中PAD异常检出〈SW-PAE〉------E0C充电异常〈SW-CHRGD〉------E0D在平层时异常检出〈SW-PRLE〉二.将MON1旋转到1位置,将MON0旋转到1位置时的显示结果如下:显示结果:-----E10没有异常-----E11复位后重试不能〈SW-RSRTC〉-----E12士力驼16次异常检出〈ST-SELD〉-----E13直接传输CPU传送异常〈ST-STER〉-----E14电容器异常检出〈ST-CAPC〉-----E15手动按钮异常〈ST-HDOK〉----E16模式与测速数据偏差异常《SD-OVJP》----E17LB线圈连续4次异常断电检出《ST-DFLR》----E185线圈连续4次异常断电检出《ST-DF5》----E19迫力连接回路连接4次异常检出《ST-BFDK》----E1A整流器电压连续8次电压不足检出《ST-DFLV》----E1BRL异常时检出《ST-CFRL》----E1CTSD动作时异常检出《SW-TSLDE》-----E1DESP动作时异常检出《SW-ESPE》三.将MON1旋转到1位置,将MON0旋转到2位置时的显示结果如下:显示结果:----E20 没有异常----E2189回路异常检出《SW-E89》----E22 紧急停止运行记录2次《SW-EST2》----E23 系统异常《ST-SYER》----E24 回复后在尝试检出《ST-RSRQH》----E25 集极驱动板异常《SS-GDFH》----E26 DC-CT异常《SD-CTER》----E27 油压迫力压力过低时检出《SW-OPFER》----E28 油压迫力油温,油量异常检出《SW-OTLER》----E29温度异常《SW-THMME》----E2A 与最终速度偏差异常《ST-UMCH》----E2B 异常紧急停车后不能在启动《SW-ETST》----E2C 迫力异常动作2次《SW-REBK2》----E2D 整理器充电异常《SW-VCHGT》----E2E MELD制板充电异常《SD-MCHG》四.将MON1旋转到1位置,将MON0旋转到3位置时的显示结果如下:显示结果:----E30 没有异常----E31 MELD负荷过大《SD-SLTT》----E32 异常低速《SW-TGBL》----E33 速度异常过高《SW-TGBH》----E34 AST异常动作《SW-ASTW》低速梯使用----E35 逆转运行《SW-TGBR》----E36 AST异常动作《SW-ASTW》----E37 AST异常动作《SW-ASTWV》----E38 整流器电流过大时检出《SS-COVF》----E39 整流器电压过低时检出《SSLVLT》----E3A CC-WDT4次异常检出《SS-CCWC4----E3B SLC-WDT4次异常检出〈SS-SLCWC5〉----E3C 逆边器电流过大时检出〈SS-LOCFO〉----E3D SLC-CPU紧急停止时动作检出〈SS-DEST〉----E3E 整流器充电异常〈SW-CVER〉五.由将MON1旋转到1位置,将MON0旋转到1位置时的显示结果如下:显示结果:----E40 没有异常----E41 紧急停止运行记录2次〈SW-EST2〉----E42 整流器电流过低时检出〈SS-LVLTT〉-----E43 紧急停止回复〈SW-ESTR〉-----E44 LB线圈故障断电时检出----E45 5线圈故障断电时检出----E46 迫力连接点异常检出----E47 89线圈故障断电时检出----E48 89故障时检出六.将MON1旋转到1位置,将MON0旋转到5位置时的显示结果如下:显示结果:----E50 没有异常----E51 29安全回路时检出〈SN-29〉----E52 29安全回路动作时检出〈SN-29LT〉记忆锁存----E53 欠相或者电压过低时检出〈SS-PWFH〉----E54 整流器电压不足时检出〈SS-LVLT〉----E55 12V电源异常〈SS-12VFL〉----E56 模式与测速比有偏差〈SD-PTC〉----E57 手动模式时电流负荷过大〈SD-HRT〉----E58 驱动发出时紧急停止指令〈SD-32GQ〉----E59 紧急停止指令〈SC-S29〉----E5A 迫力基板异常〈SS-BKE〉----E5B 模式与测速比有偏差----E5C EST异常而引起不能再启动〈SW-ETSES〉七.将MON1旋转到1位置,将MON0旋转到6位置时的显示结果如下:显示结果:----E60 没有异常----E61 整流器电压不足----E62 集极驱动板异常《SS-GDFH》----E63 逆变器保护回路动作《SS-LFO》----E64 29安全回路动作时检出《SS-29LT》锁存记忆》----E65 12V电源异常----E66 逆变器温度异常检出----E67 锁相环检出《SS-PLLFH》----E68 整流器电流过大三菱电梯常用资料集锦三菱SPVF电梯常见故障处理一。
三菱电梯运行记录
单位名称:博盈投资广场日期:年月日设备编号:值班员:
品味人生
1、不管鸟的翅膀多么完美,如果不凭借空气,鸟就永远飞不到高空。
想象力是翅膀,客观实际是空气,只有两方面紧密结合,才能取得显着成绩。
2、想停下来深情地沉湎一番,怎奈行驶的船却没有铁锚;想回过头去重温旧梦,怎奈身后早已没有了归途。
因为时间的钟摆一刻也不曾停顿过,所以生命便赋予我们将在汹涌的大潮之中不停地颠簸。
3、真正痛苦的人,却在笑脸的背后,流着别人无法知道的眼泪,生活中我们笑得比谁都开心,可是当所有的人潮散去的时候,我们比谁都落寂。
4、温暖是飘飘洒洒的春雨;温暖是写在脸上的笑影;温暖是义无反顾的响应;温暖是一丝不苟的配合。
5、幸福,是一种人生的感悟,一种个人的体验。
也许,幸福是你风尘仆仆走进家门时亲切的笑脸;也许,幸福是你卧病床上百无聊赖时温馨的问候;也许,幸福是你屡遭挫折心灰意冷时劝慰的话语;也许,幸福是你历经艰辛获得成功时赞赏的掌声。
关键的是,你要有一副热爱生活的心肠,要有一个积极奋进的目标,要有一种矢志不渝的追求。
这样,你才能感受到幸福。
6、母爱是迷惘时苦口婆心的规劝;母爱是远行时一声殷切的叮咛;母爱是孤苦无助时慈祥的微笑。
7、淡淡素笺,浓浓墨韵,典雅的文字,浸染尘世情怀;悠悠岁月,袅袅茶香,别致的杯盏,盛满诗样芳华;云淡风轻,捧茗品文,灵动的音符,吟唱温馨暖语;春花秋月,红尘阡陌,放飞的思绪,漫过四季如歌。
读一段美文,品一盏香茗,听一曲琴音,拾一抹心情。
8、尘缘飞花,人去楼空,梦里花落为谁痛?顾眸流盼,几许痴缠。
把自己揉入了轮回里,忆起,在曾相逢的梦里;别离,在泪眼迷朦的花落间;心碎,在指尖的苍白中;淡落,在亘古的残梦中。
在夜莺凄凉的叹息里,让片片细腻的柔情,哽咽失语在暗夜的诗句里。
9、用不朽的“人”字支撑起来的美好风景,既有“虽体解吾犹未变兮”的执着吟哦,也有“我辈岂是蓬蒿人”的跌宕胸怀;既有“我以我血荐轩辕”的崇高追求,也有“敢教日月换新天”的豪放气魄。
33 我是一只蜜蜂,在祖国的花园里,飞来飞去,不知疲倦地为祖国酿制甘甜的蜂蜜;我是一只紫燕,在祖国的蓝天上,穿越千家万户,向祖国向人民报告春的信息;我是一滴雨点,在祖国的原野上,从天而降,滋润干渴的禾苗;我是一株青松,在祖国的边疆,傲然屹立,显示出庄严的身姿。
10、母爱是一滴甘露,亲吻干涸的泥土,它用细雨的温情,用钻石的坚毅,期待着闪着碎光的泥土的肥沃;母爱不是人生中的一个凝固点,而是一条流动的河,这条河造就了我们生命中美丽的情感之景。
11、青春是盛开的鲜花,用它艳丽的花瓣铺就人生的道路;青春是美妙的乐章,用它跳跃的音符谱写人生的旋律;青春是翱翔的雄鹰,用它矫健的翅膀搏击广阔的天宇;青春是奔腾的河流,用它倒海的气势冲垮陈旧的桎梏。
12、失败,是把有价值的东西毁灭给人看;成功,是把有价值的东西包装给人看。
成功的秘诀是不怕失败和不忘失败。
成功者都是从失败的炼狱中走出来的。
成功与失败循环往复,构成精彩的人生。
成功与失败的裁决,不是在起点,而是在终点。
13、母爱是一缕阳光,让你的心灵即便在寒冷的冬天也能感受到温暖如春;母爱是一泓清泉,让你的情感即使蒙上岁月的风尘仍然清澈澄净。
14、不要吝惜自己的爱,敞开自己的胸怀,多多给予,你会发现,你也已经沐浴在了爱河里。
15、奉献是爱心,勇于付出,你一定会收到意外之外的馈赠。
16、人生就像一条河,经历丰富,才能远源流长。
伟大的一生,像黄河一样跌宕起伏,像长江一样神奇壮美。
人生就像一座山,经历奇特才能蔚为大观。
伟大的一生,像黄山一样奇峰迭起,像泰山一样大气磅礴。
经历就是人生的硎石,生命的锋芒在磨砺中闪光;经历就是人生的矿石,生命的活力在提炼中释放。
经历就是体验,经历就是积淀。
没有体验就没有生存的质量;没有积淀,就没有生存的智慧。
人生的真谛在经历中探寻,人生的价值在经历中实现。
17、生命不是一张永远旋转的唱片;青春也不是一张永远不老的容颜。
爱情是一个永恒的故事,从冬说到夏,又从绿说到黄;步履是一个载着命运的轻舟,由南驶向北,又由近驶向远。
18、过去与未来,都离自己很遥远,关键是抓住现在,抓住当前。
19、采一点晨曦,装点一天的清新,捧一把阳光,温暖一季的心情。
雨中潇洒走一回,去释放心底的罗曼蒂克。
一段白云下的遐想,找回的是心灵空间的宽广和飞翔。
听一曲欢快流畅音乐,脸上没有了忧郁的浮云,心中燃烧着一团艳阳。
把笑意写在脸上,人生四季的良辰美景,即如小桥流水,也如风清月明!
20、生命本是一场漂泊的漫旅,遇见了谁都是一个美丽的意外。
我珍惜着每一个可以让我称做朋友的人,因为那是可以让漂泊的心驻足的地方。
有时候会被一句话感动,因为真诚;有时候会为一首歌流泪,因为自然。
要快乐,不止此时,而是一生!。