水压气密试压报告
- 格式:docx
- 大小:31.52 KB
- 文档页数:3
建筑外门窗气密、水密、抗风压性能
检测报告
报告编号:J-MCS2017-0003
样品名称:90系列推拉铝合金窗
委托单位:XXXXXXXXXXXXXXXXXXXX
工程名称:XXXXXXXXXXXXXXXXX 检测类别:工程检测送检
XXXXXXXXXXXX
单位地址:
投诉电话:
建筑外门窗气密、水密、抗风压性能检测报告
报告编号:J-MCS2017-0003
批准:审核:主检:建筑外门窗气密、水密、抗风压性能检测报告
报告编号:J-MCS2017-0003
建筑外门窗气密、水密、抗风压性能检测报告报告编号:J-MCS2017-0001
附:送检窗试件立面图及测点分布
附:送检窗试件节点图
附:送检窗试件水密性能检测严重渗漏位置图
建筑外门窗气密、水密、抗风压性能检测报告
GB/T 7106-2008 建筑外门窗气密性能分级表
GB/T 7106-2008 建筑外门窗水密性能分级表
GB/T 7106-2008 建筑外门窗抗风压性能分级表
本次检验属工程检测,检验结论是根据委托单位提供风压设计值按照规定的检验方法进行检验评定的。
因此,有关单位使用本报告时,尚应根据建筑和门窗的实际情况(建筑高度、建筑平立面形状、在建筑中所处的位置、地面粗糙度类别、地形条件、建筑与海面相对位置等),符合现行规范的有关规定。
水压试验报告范文一、实验目的:1.了解水压试验的原理和方法;2.掌握水压试验仪器的使用技巧;3.观察水压试验现象,分析其原因;4.探究水压试验在实际工程中的应用。
二、实验仪器和材料:1.压力表;2.水泵;3.管道系统。
三、实验原理:水压试验是指在水管道系统中,通过加水压力使管道系统达到一定的背压,观察管道是否漏水和压力是否下降的一种试验。
四、实验步骤:1.打开水泵,将水灌入管道系统,直至压力达到设定值;2.观察压力表的读数,记录下来;3.观察管道系统是否有明显的漏水迹象,记录下来;4.保持压力持续一段时间,观察压力是否下降,记录下来。
五、实验结果:在本次实验中,我们将水泵与管道连接好,并打开水泵,将水灌入管道系统。
压力表显示的压力数值在一开始为0,随着水的注入逐渐上升。
当压力达到设定值后,我们观察到管道系统没有明显的漏水迹象,并且保持一段时间后,压力也没有下降。
六、实验分析:根据实验结果,我们可以初步得出以下结论:1.管道系统在该压力下没有漏水现象,说明管道系统密封性良好;2.在保持一段时间后,压力没有下降,说明管道系统的稳定性较高;3.实验中所用的水泵和压力表运行正常,具有较高的测量精确度。
七、实验误差:1.由于实验中使用的压力表并非精密仪器,在测量过程中可能存在一定的误差;2.实验中所用的水泵输出的水流可能存在一定的波动,造成压力的不稳定,从而影响实验结果。
八、实验总结:通过本次水压试验,我们了解并掌握了水压试验的原理和方法,并通过实际操作熟悉了水泵和压力表的使用技巧。
同时,我们也观察到了水压试验中的现象和结果,并对实验结果进行了分析。
水压试验在实际工程中具有重要的应用价值,能够帮助我们判断管道系统的密封性和稳定性,以确保工程的安全和正常运行。
在今后的学习和实际工作中,我们会继续深入研究水压试验的相关知识,并加强对仪器设备的熟悉和操作技能。
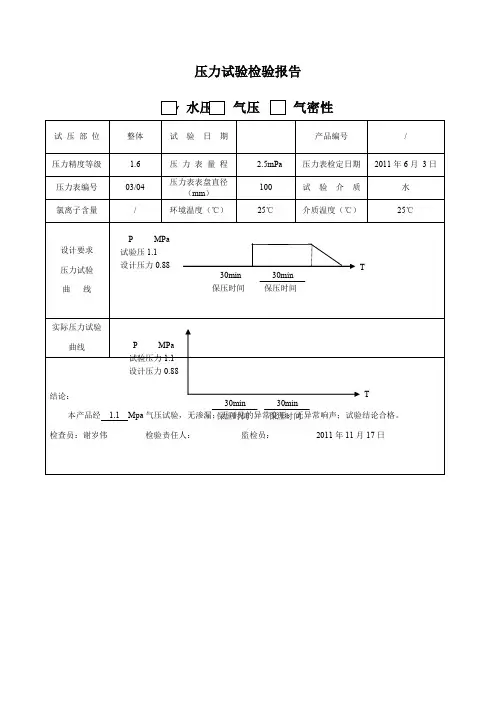
压力试验检验报告
∨
水压 气压 气密性
试 压 部 位 整体 试 验 日 期
产品编号 /
压力精度等级 1.6 压 力 表 量 程 2.5mPa 压力表检定日期 2011年6月 3日
压力表编号 03/04 压力表表盘直径
(mm ) 100 试 验 介 质 水 氯离子含量
/
环境温度(℃)
25℃
介质温度(℃)
25℃
设计要求 压力试验 曲 线
实际压力试验
曲线
结论:
本产品经 1.1 Mpa 气压试验,无渗漏;无可见的异常变形;无异常响声;试验结论合格。
检查员:谢岁伟 检验责任人: 监检员: 2011年11月17日
P MPa
试验压1.1 设计压力0.88
30min 保压时间
30min 保压时间
T
P MPa 试验压力1.1 设计压力0.88
30min 保压时间 30min
保压时间
T。
关于气压,水压试验,气密性试验关于气压,水压试验,气密性试验水压试压为强度试验,泄露性试验为气密性试验,试验的压力和检验方法不同。
水压试验其试验压力一般为p试=1.25p工作压力;而气密性试验压力一般为:p气密=p工作压力。
检验方法:水压试验主要看压力的保持状况及受压部件有无变形等情况;而气密性试验一般用肥皂水等检查焊缝及其它密封部位的密封状况。
气压实验与水压试验根据试验介质的不同,压力试验分为液压试验与气压试验两大类,二者的目的与作用是相同的,只进行其中一种即可。
由于液压与气压试验的安全性相差极大,条件允许应优先选择液压试验,只有当无法进行液压试验时,方允许采用气压试验。
气压试验比液压试验危险的主要原因是气体的可压缩性。
气压试验一旦发生破坏事故,不仅要释放积聚的能量,而且要以最快的速度恢复在升压过程中被压缩的体积,其破坏力极大,相当于爆炸时的冲击波。
因此,GB150要求气压试验应有安全措施,该安全措施需经试验单位技术总负责人批准,并经本单位安全部门检查监督。
综上所述,压力试验应优先选择液压,一般只有在下例情况下才允许采用气压:(1)容器充满液体介质后,会因自重和液体的重量导致容器本身或基础破坏,这主要是指直径大,压力低且充满气态介质的容器。
(2)因结构原因液压试验后难以将残存液体吹干排净,而使用时容器内又不允许残存任何液体。
为了保证气压试验的安全,GB150规定对进行气压试验容器的A、B类焊接接头,应进行100%射线或超声波检测。
水压试验和气压试验的系数是不同的,同样设计压力的容器,作水压试验的实验压力为设计压力的1.25倍;做气压试验的试验压力为设计压力的1.15倍。
不过气压试验的确比水压试验危险的多。
水压试验压力应以能考核承压部件的强度,暴露其缺陷,但又不损害承压部件为佳。
通常规定,承压部件在水压试验压力下的薄膜应力不得超过材料在试验温度下屈服极限的90%。
具体水压试验的压力规定如下:(1)压力容器、单个锅筒和整装出厂的焊制锅炉,试验压力可选择。
气密性试验报告
1、用于XXXXXXX箱体的气密性检验及耐压检验。
用高压压缩空气,增压至0.4MPa 压力,检测在低压0.3-0.4MPa时,平衡箱体有无泄漏。
2、试验步骤:
2.1 所有参加气密性性试验的设备、仪表、管件等集中放置在同一区域内。
2.2 连接管路和加气枪头,接通气源,将气源表压力调制V2bar.
2.3 开始试验,打开手拉阀,增压泵开始工作,压力缓慢上升,达到0.3MPa保压10分钟,用肥皂水检测各焊缝是否有泄漏,确定不泄露后在0∙3Mpa的基础上继续增压至0.4Mpa,保压10分钟,再用肥皂水检测各焊缝是否有泄漏,确定不泄露后卸压,合格。
2.3记录数值,出具试验报告。
3、试验曲线图:
压力
Mpa
0.55
0.5
卸
压
过
程。
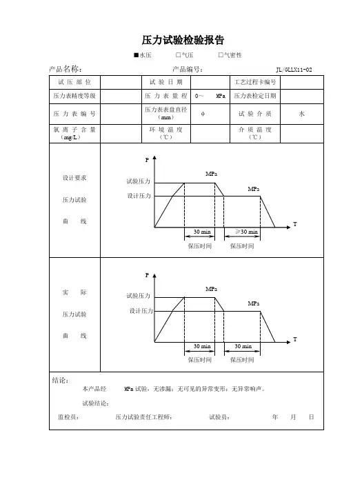
压力试验检验报告
■水压□气压□气密性
产品名称:产品编号:JL/GLLX11-02试压部位试验日期工艺过程卡编号
压力表精度等级压力表量程0~ MPa压力表检定日期
压力表编号压力表表盘直径
(mm)
φ试验介质水
氯离子含量(mg/L)环境温度
(℃)
介质温度
(℃)
设计要求压力试验曲线
P
MPa
试验压力
MPa
设计压力
T
30 min ≥30 min
保压时间保压时间
实际压力试验曲线
P
MPa
试验压力
MPa
设计压力
T
30 min 30 min
保压时间保压时间
结论:
本产品经 MPa试验,无渗漏;无可见的异常变形;无异常响声。
试验结论:
监检员:压力试验责任工程师:试验员:年月日。
气密性试验报告一、试验目的本次气密性试验的目的是评估被测物体在特定条件下的气密性能,以确保其能够满足相应的气密性要求。
该试验报告旨在记录试验过程、结果和分析,为进一步改进产品设计和生产工艺提供参考。
二、试验方法1. 试验设备和工具本次试验所使用的设备和工具包括气密性试验仪、密封胶带、气泵、压力表等。
2. 试验步骤(1)确保被测物体表面干净且无污垢和杂质;(2)使用密封胶带密封被测物体的开口和接缝,以防止气体泄露;(3)将被测物体连接至气密性试验仪的测试接口;(4)启动气泵,将气体注入被测物体;(5)观察气密性试验仪上的压力表数据,并记录每个时间间隔的压力值;(6)继续观察压力变化,直至压力稳定并保持不变;(7)记录最终的压力数值。
三、试验结果根据上述试验步骤,我们对被测物体进行了气密性试验,并记录了相应的数据。
以下是试验结果:试验样品:XXX(被测物体名称)字面描述试验结果:- 第1分钟:初始压力为X(单位);- 第5分钟:压力下降至X(单位);- 第10分钟:压力下降至X(单位);- 第15分钟:压力下降至X(单位);- 最终压力:稳定在X(单位),无进一步下降。
四、试验分析根据试验结果可以得出以下分析和结论:1. 在本次试验中,被测物体在初始状态下显示出了一定的压力下降现象,这可能是由于密封胶带未完全密封或存在其他气密性问题所导致。
2. 随着试验进行,压力逐渐下降,并最终稳定在一个较低的数值。
这表明被测物体存在着一定的气密性问题,无法长时间保持较高的气密性能。
3. 根据试验结果,我们建议对被测物体的密封结构和封口材料进行优化,以提高其气密性能。
同时,可以考虑采取其他措施,如增加密封胶带的层数或使用更高质量的密封材料等,以进一步改善气密性能。
五、结论本次气密性试验结果显示被测物体存在一定的气密性问题,无法满足特定的气密性要求。
根据试验分析,我们建议进行进一步的改进和优化,以提高产品的气密性能。
气缸套水压试验报告1. 背景气缸套是发动机中的一个重要部件,用于固定活塞并形成气密密封空间。
在发动机运行过程中,气缸套需要承受高压和高温的工况,并保持良好的密封性能。
因此,对气缸套进行水压试验以验证其密封性能和耐压性能是非常重要的。
本次水压试验旨在评估不同类型气缸套在不同工况下的密封性能和耐压性能,为发动机设计和制造提供参考依据。
2. 实验设计与分析2.1 实验流程1.准备不同类型的气缸套样品。
2.在实验室设备中设置合适的试验台,并连接相关测量传感器。
3.将待测试的气缸套样品安装到试验台上,并确保样品与试验设备良好连接。
4.开始水压试验,逐步增加水压直至达到预定测试值。
5.在每个测试点记录相应的水压值和泄漏情况。
6.分析实验数据,评估不同类型气缸套在不同工况下的密封性能和耐压性能。
2.2 实验参数在本次实验中,我们主要关注以下参数:•气缸套类型:A、B、C三种类型气缸套。
•水压测试范围:0-10 MPa。
•测试点数:10个。
2.3 数据分析根据实验数据,我们绘制了不同类型气缸套在不同水压下的泄漏情况曲线图(见附录1)。
从曲线图可以观察到以下几点:1.气缸套A在低水压下表现出较好的密封性能,但随着水压的增加,泄漏情况逐渐加剧。
2.气缸套B在整个测试范围内都保持较低的泄漏率,并且随着水压的增加,泄漏率变化较小。
3.气缸套C在低水压下表现出较差的密封性能,但随着水压的增加,泄漏情况逐渐改善。
基于以上分析结果,我们可以得出以下结论:1.气缸套B相对于气缸套A和C,在不同工况下都具有更好的密封性能和耐压性能。
2.气缸套A在较低水压下具有较好的密封性能,但在高水压下可能会出现泄漏问题。
3.气缸套C在高水压下具有较好的密封性能,但在低水压下可能会出现泄漏问题。
3. 结果与建议根据实验数据分析结果,我们给出以下建议:1.对于一般工况要求不高的发动机,可以选择气缸套B作为首选。
它具有良好的密封性能和耐压性能,在不同工况下都能保持较低的泄漏率。