水压试验报告
- 格式:docx
- 大小:21.23 KB
- 文档页数:1
一、测定方法:利用进口的型号为TW-H-887861的外测法水压试验标准瓶,按GB/T 9251-1997《气瓶水压试验方法》对内测法水压设备的B值进行标定。
试验利用标准瓶无残余变形及一定的全变形值,结合水压试验的容积全变形量公式进行计算即可得承压管道在实际压力下的总压入水量,即B值。
所选用标准瓶的标定压力及对应全变形值如下表:二、测定步骤结合公司生产实际及国内气瓶的水压试验压力档次为22.5Mpa, 30Mpa, 33.4Mpa,为了更准确的测定出每台水压设备的B值,分别对老线生产车间的8台内测法水压试验设备进行测定,每台设备的测定压力分别为3360Psi (23.2Mpa) 及5000Psi (34.5Mps);现以第一台水压试验设备的测定结果为例,计算如下:水压试验的容积全变形量公式为:△V = A – B -(V+A-B)×Ph×βt式中:A—受试瓶在实际试验压力下的总压入水量, ml;B—承压管道在实际试验压力下总压入水量, ml;Ph—受试瓶的实际试验压力, Mpa;βt—在试验温度下和实际试验压力下水的平均压缩系数1/Mpa;试验瓶参数相关参数如下:1、试验瓶实际水容积:42L;2、试验水温:25℃;a:水压试验压力为:23.2Mpa; 此时试验瓶总进水量为:552ml;按上表,在23.2Mpa下,试验瓶的全变形值应为:110.2ml; 考虑试验瓶全形值的误差为±1%, 取值最小值为110.2×99%=109.098ml;则:109.098 = 552 – B – (42000 +552 – B) ×0.01032得出Bmax = 3.80ml;b:水压试验压力为:34.5Mpa; 此时试验瓶总进水量为:812ml;按上式:Ph×βt =34.5×(0.04604×105-6.8×34.5)×10-7 = 0.01507;按上表,在34.5Mpa下,试验瓶的全变形值应为:164.6ml; 考虑试验瓶全形值的误差为±1%, 取值最小值为164.6×99%=162.954ml;则:162.954 = 812 – B – (42000 +812 – B) ×0.01507得出Bmax = 3.93ml;三、计算结果按以上测量及计算方法,可得每台设备在不同压力下的B值如下表:四、结论通过以上计算结果,我们得出在23.2Mpa及34.5Mpa两种压力下, B值最大值为 3.93ml, 在实际生产过程中为更严格的控制水压试验工序的工作质量及简化内测法残余变形率的计算步骤, 各设备的B值统一取5ml;浙江金盾压力容器有限公司技术部2005.07.10一、测定方法:利用进口的型号为TW-H-887861的外测法水压试验标准瓶,按GB/T 9251-1997《气瓶水压试验方法》对内测法水压设备的B值进行标定。
For personal use only in study and research;not for commercial use水压试验报告袂葿水压试验报告蚄蕿水压试验报告膂螈水压试验报告工程名称:聊城市茌平县八乡镇区域供气工程(一期工程)管线编号:G2仅供个人用于学习、研究;不得用于商业用途。
For personal use only in study and research; not for commercial use.Nur für den pers?nlichen für Studien, Forschung, zu kommerziellen Zwecken verwendet werden.Pour l 'étude et la recherche uniquement àdes fins personnelles; pas àdes fins commerciales.толькодлялюдей, которыеиспользуютсядляобучения, исследованийинедолжныиспользоватьсявкоммерческихцелях.以下无正文仅供个人用于学习、研究;不得用于商业用途。
For personal use only in study and research; not for commercial use.Nur für den pers?nlichen für Studien, Forschung, zu kommerziellen Zwecken verwendet werden.Pour l 'étude et la recherche uniquement àdes fins personnelles; pas àdes fins commerciales.толькодлялюдей, которыеиспользуютсядляобучения, исследованийинедолжныиспользоватьсявкоммерческихцелях.以下无正文For personal use only in study andresearch; not for commercial use。
供热管网整体水压试验报告
产品名称供热管道产品编号
试压腔体厂外供热管网试验日期2016年10月10日
压力表精度等级(1)0。
4级
压力表量程
(1)0—6MPa
压力表
检定日期
2016年10月10日
(2)0—6MPa
(2)0。
4级2016年10月10日
压力表编号(1)F069197
压力表表盘
直径(mm)
(1)200mm
试验介质除盐水(2)F069197 (2)200mm
氢离子含量(mg/I)0
环境温度
(℃)
10~18℃
介质温度
℃
70℃
实际试
验曲线
二次汽系统水压试验升降曲线图
试验结果
本产品经5。
955MPa液压试验,符合下列条件;
□检查所用焊口、阀门、法兰均无渗漏; □无可见的变形;□试验过程中无异常响声□试验后,无变形、无渗漏。
检验结果□合格□不合格
记录人:年月日试压负责人: 年月日施工单位负责人:年月日监理单位负责人:年月日建设单位负责人:年月日技术监督部门锅炉检验单位:年月日。
阀门水压试验报告1. 引言本文档记录了阀门水压试验的详细过程和结果。
水压试验是一种常见的测试方法,用于验证阀门在正常工作压力下的密封性能和耐压能力。
本次试验的目的是确保阀门能够在设定的工作压力下正常工作,同时保证其密封性。
2. 测试设备和材料本次试验所使用的设备和材料如下:•阀门•压力计•水泵•测试管道和连接件•压力表•记录表格3. 测试过程3.1 前期准备在进行测试之前,首先需要进行一些准备工作:1.检查阀门和连接件的密封性,确保没有任何泄漏。
2.准备压力计和压力表,确保其准确度和可靠性。
3.检查水泵的工作状态和性能,确保其能够提供所需的水压。
3.2 测试方法以下是本次试验的具体步骤:1.将阀门安装到测试管道上,并确保连接牢固。
2.利用水泵将水流引入测试管道中。
3.逐渐增加水泵的输出压力,直到达到设定的工作压力。
4.在设定压力下,观察阀门的工作情况,包括密封性和流量控制。
5.持续维持设定压力一段时间,并观察阀门的变化情况。
6.逐渐减小水泵的输出压力,直至关闭水泵。
7.检查阀门在降压过程中的工作情况,包括密封性和流量控制。
8.记录测试结果,并进行分析。
4. 测试结果和分析根据本次试验的观察和记录,得出以下结论:1.在设定的工作压力下,阀门密封性良好,无泄漏现象。
2.阀门在设定的压力下可正常工作,并控制流量达到预期要求。
3.在降压过程中,阀门继续保持了良好的密封性。
根据上述测试结果,我们可以得出结论,本阀门具有较好的密封性和耐压能力,能够满足预期的工作要求。
5. 结论通过本次阀门水压试验,我们验证了阀门在设计工作压力下的密封性能和耐压能力。
测试结果表明,该阀门能够正常工作,并且具有良好的密封性和流量控制能力。
这为其在实际工程中的应用提供了保证。
6. 建议和改进基于本次测试的结果和观察,我们对于阀门的设计和使用提出以下建议:•定期进行阀门的密封性检查,确保其性能稳定。
•注意阀门的使用环境和工作条件,避免超过其耐压能力。
水压试验报告试压部位 博平铁道1.6公里穿越管线试验日期 2012.04.18~04.21 管道规格 Φ406×8.0 压力表精度等级 0.4 压力表量程 0-16.0MPa 压力表检定日期 2012.02.30 压力表编号 B01、B02 压力表盘直径(㎜) 150 试验介质 洁净水 管线长度m1600环境温度 (℃)15介质温度 (℃)7规定试验压力(MPa)规定保压时间(h)实际试验压力(MPa)实际保压时间(h)检验结论:本系统管道经过 6.0 MPa 强度试验及4.0Mpa 严密性试验;无可见的异常变形;无异常响声;无渗漏;保压成功,试验合格。
建设单位验收人 施工单位验收人泄压4h 6.04.0检查24h检查4.0强度试验严密性试验24h(MPa )P14h泄压(MPa )P16.0(签字)年 月 日(签字)年 月 日水压试验报告试压部位 北杨集至博平门站管线试验日期 2012.07.06~07.10 管道规格 Φ406×7.1 压力表精度等级 0.4 压力表量程 0-16.0MPa 压力表检定日期 2012.02.30 压力表编号 B01、B02 压力表盘直径(㎜) 150 试验介质 洁净水 管线长度m8950环境温度 (℃)29介质温度 (℃)20规定试验压力(MPa)规定保压时间(h)实际试验压力(MPa)实际保压时间(h)检验结论:本系统管道经过 6.0 MPa 强度试验及4.0Mpa 严密性试验;无可见的异常变形;无异常响声;无渗漏;保压成功,试验合格。
泄压4h 6.04.0检查24h检查4.0强度试验严密性试验24h(MPa )P14h泄压(MPa )P16.0建设单位验收人施工单位验收人(签字)年月日(签字)年月日水压试验报告试压部位李楼至红庙变径管段试验日期2012.12.26~12.29管道规格Φ323×7.1压力表精度等级0.4 压力表量程0-16.0MPa 压力表检定日期2012.02.30压力表编号B01、B02 压力表盘直径(㎜)150 试验介质洁净水管线长度m 12600 环境温度(℃)-2~8 介质温度(℃)3规定试验压力(MPa)规定保压时间(h)实际试验压力(MPa)实际保压时间(h)泄压4h6.04.0检查24h检查4.0强度试验严密性试验24h(MPa)P14h 泄压(MPa)P16.0检验结论:本系统管道经过 6.0 MPa 强度试验及4.0Mpa 严密性试验;无可见的异常变形;无异常响声;无渗漏;保压成功,试验合格。
35mpa水压试验报告
对于一个报告,需要有更多的背景信息,以及测试的目的,结果,结论等等。
以下为35mpa水压试验的一个可能的报告:
测试目的:
本次测试旨在检测水管道在35mpa的压力下,是否具有足够的强度和密封性能,以满足使用要求。
测试时间和地点:
测试时间:2021年1月1日至1月3日
测试地点:A市某水处理厂
测试设备和工具:
1.35mpa的压力测试设备
2.测厚仪
3.截止阀
4.水表
测试过程:
测试之前,我们先对水管道进行了全面的检查,包括检查管道的连接部位,以下是我们检查管道的一些细节:
1.检查管道连接部位的密封性,如是否有漏洞,裂缝等。
2.检查管道的内径和外径,测量管道的厚度。
3.检查管道连接处使用的部件是否能够承受35mpa的压力。
4.安装截止阀和水表。
在检查中没有发现任何问题后,开始进行水压试验。
我们使用35mpa的压力测试设备对管道进行了测试,并记录了下来每个时间点的压力值和表计读数。
测试完成后,我们将截止阀关闭,并排空管道。
测试结果:
经过三天的测试,我们得到了以下结果:
1.从测试开始到测试结束,管道保持良好的密封性能。
2.管道的厚度满足要求,未发现管道的腐蚀和破损。
3.测试过程中,管道对35mpa的压力表现出良好的承载能力,未出现渗漏、断裂等情况。
结论:
本次35mpa水压试验表明,该水管道具备良好的强度和密封性能,能够满足使用要求。
在今后的使用中,需要定期检查管道的连接部位和管道的强度和密封性能,以确保管道能够长期安全使用。
防爆产品水压试验报告1.实验目的本次水压试验的目的是评估防爆产品在压力环境下的耐用性和安全性能,确保其能够正常工作并防止爆炸事故的发生。
2. 实验设备和材料- 防爆产品- 水压测试设备- 压力计- 计时器3. 实验步骤1. 将待测试的防爆产品放入水压测试设备中,并紧固好。
2. 打开水压测试设备的水源,逐渐增加水压,同时记录压力计的读数和测试时间。
3. 持续增加水压,直到达到产品的耐压极限或设定的测试压力。
4. 在测试压力下保持一段时间,观察产品是否出现变形、泄漏或其他异常情况。
5. 缓慢减小水压,直至环境压力,记录测试时间。
6. 检查产品是否恢复正常状态,无异常情况。
4. 数据记录与结果分析在水压试验过程中,我们记录了测试时间和压力计的读数。
根据实验数据,我们可以得出以下结论:1. 防爆产品在经受了设定的测试压力后,没有发生泄漏、破裂或变形等异常情况,表明其具有较高的耐压能力。
2. 经过水压试验后,产品在减小水压的过程中也没有出现异常,说明产品具有较好的回弹性和自恢复能力。
5. 结论与建议根据实验结果和分析,我们得出以下结论:1. 防爆产品具有良好的耐压能力,能够抵御设定压力下的水力冲击。
2. 防爆产品具备良好的回弹性和自恢复能力,在水压试验后能够恢复正常状态。
3. 经过水压试验,防爆产品可靠性和安全性得到了验证。
建议:1. 针对实验中未发现的缺陷,我们建议在后续的测试中,增加更高的测试压力来进一步评估产品的抗压能力。
2. 建议在后续的实验中,可以增加其他环境条件,如温度、湿度等,来综合评估产品的性能。
3. 在生产过程中,应严格按照相关标准进行制造和检验,确保产品质量。
6. 实验总结本次防爆产品水压试验对产品的耐压能力和安全性能进行了评估。
通过实验,我们证实了防爆产品能够抵抗设定测试压力的水力冲击,且具备较好的回弹性和自恢复能力。
实验结果为产品的质量和安全性提供了有力的支持。
然而,我们也认识到实验中的限制和改进空间,希望在后续的实验中能够更全面地评估产品的性能,以进一步提高产品的安全性和可靠性。
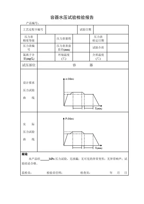
水压试验报告The hydraulic test reports设计要求 压力试验 曲 线Curve for pressuretestof desig n requireme nt实 际压力试验 曲 线Curveforpressure test of actual结论(Conclusion):本产品经 MPa 试验,无渗漏;无可见的异常变形;无异常响声;试验结论合格, This producttest by Mpa, no leakage;no visible abnormal deformation;no abno rmal no ise; Test con clusi on ofqualified监检员(supervise inspector) : 检验责任师(duty engineer ):日期(date):试压部位Pressure test locatio n试验日期Date of test工艺过程卡编号Process card number压力表精度等级Pressure gauge precisi on grade压力表量程Pressure gaugerange压力表检定日期Pressure gauge verificati on date压力表编号Pressure gauge number压力表盘直径Pressure gauge diameter(mm)试验介质Test medium氯离子含量Chloride ion content环境温度「C)Ambie nt temperature介质温度(C)Medium temperature产品编号(Product ID)Q/HY0341217检查员(inspector)试验压力 设计压力。
气瓶水压爆破试验报告摘要:本试验对其中一种气瓶进行了水压爆破试验,旨在了解气瓶在高压环境下的爆破性能。
试验结果表明,该气瓶具有较高的抗压能力和安全性能,能够满足相关标准要求。
1.引言气瓶是储存高压气体的容器,广泛应用于工业、交通、医疗等领域。
为了确保气瓶在高压环境下的安全性能,需要进行爆破试验。
本试验选取其中一种气瓶进行水压爆破试验,旨在评估其抗压能力和安全性能。
2.试验方法2.1试验设备:-试验台架:用于固定气瓶,保证试验可靠进行;-水泵:提供试验所需的压力,确保水压能够有效加载到气瓶内部;-压力传感器:用于检测气瓶内的压力,确保试验数据准确可靠;-试验记录器:记录试验过程中的压力变化。
2.2试验过程:首先,在试验台架上固定待测试的气瓶。
然后,连接水泵,通过管道将水压加载到气瓶内部。
当压力达到设定值后,记录压力数据,并持续观察气瓶的变形情况。
当气瓶突然爆破后,记录爆破压力,并对爆破瞬间的外部环境进行观察和记录。
3.试验结果与分析经过试验,记录并分析了气瓶在不同水压下的压力变化情况。
试验结果显示,该气瓶的爆破压力为XMPa。
在水压低于此压力之前,气瓶未发生变形和破裂现象,展现出良好的抗压性能和安全性能。
然而,当水压超过XMPa后,气瓶突然发生爆破,引起一定的破裂和碎片飞溅。
试验观察到,气瓶的爆破瞬间伴随着巨大的噪声和冲击波,并有碎片飞溅的风险。
周围环境应在试验过程中进行合理的隔离和防护措施,以确保人员的安全。
此外,通过对爆破后的气瓶及其碎片的观察,可以进一步研究气瓶的结构和材料性能,并提出相应的改进措施。
4.结论本次水压爆破试验对其中一种气瓶进行了评估,并得出以下结论:-该气瓶具有较高的抗压能力和安全性能;-在正常工作范围内,该气瓶能够承受高压环境下的使用;-在气瓶发生爆破时,会产生噪声和冲击波,周围环境应采取相应的防护措施。
综上所述,该气瓶在水压爆破试验中表现出良好的抗压能力和安全性能。
相关部门可以依据本次试验结果,进行进一步的评估和认证,确保其在实际使用中的安全性。