压力试验报告
- 格式:docx
- 大小:12.87 KB
- 文档页数:1
试压报告模板1. 总体概述本文档旨在提供一份试压报告的模板,以便于在试压过程中进行记录和汇报。
试压是指在工程或设备安装调试完成后,对其进行压力测试,以验证其安全性和可靠性。
试压前需要进行严格的准备工作,并在试压过程中进行仔细的监测和记录。
2. 试压工艺2.1 试压前准备在试压前,需要进行以下准备工作:1.根据试压方案,确认试压介质、试压压力等参数;2.对试压管道和设备进行检查和清洗,确保其内部干净;3.安装试压阀、放空阀等必要附件,做好泄压和紧急停机的准备;4.制定试压安全措施,确定试压负责人和操作人员,并进行必要的培训和演练。
2.2 试压过程试压过程中需要注意以下事项:1.在试压前,要进行低压气密测试,确保管道和设备的密封性;2.按照试压方案,逐步增加压力,观察压力表、温度计等监测装置的指示值;3.在达到预定试压压力后,维持一定时间,观察泄漏情况、温度升高情况等;4.如果出现异常情况,应立即采取停机、泄压等应急措施,并进行记录和分析。
2.3 试压后处理试压完成后,需要进行以下工作:1.按照试压方案,缓慢降压,逐步放空;2.对试压管道和设备进行清洗、拆卸等处理,检查其是否存在裂纹、变形、疲劳等问题;3.作出试压报告,包括试压参数、试验记录、异常情况处理等内容。
3. 试压报告模板3.1 试压概况序号试压介质试压设备试验压力试验时间试验温度试验人员123.2 试压记录3.2.1 低压气密测试低压气密测试结果:试验时间压力(MPa)泄漏情况3.2.2 试压过程记录试压过程记录:序号压力(MPa)时间(min)温度(℃)备注123…3.2.3 异常情况处理记录异常情况处理记录:序号时间事故描述处理方案处理结果123…3.3 试压报告分析与结论分析试压记录,结合试验参数和异常情况处理结果,得出试压试验的安全性和可靠性结论。
4. 结语本文档提供了一份试压报告模板,旨在帮助在试压过程中进行记录和汇报。
在实际试压过程中,需要根据具体情况进行调整和修改,以确保试验安全可靠。
有耐压试验报告模板1. 引言本实验报告旨在对产品进行有耐压试验,并汇总测试结果,评估产品的性能和可靠性。
本测试旨在模拟产品在正常使用过程中所承受的压力和负载,以验证其设计是否合理,并确保产品符合相关标准和要求。
2. 测试目标通过本次有耐压试验,我们将评估以下方面的性能和可靠性:- 耐压能力:产品是否能够在承受最大压力时保持正常工作。
- 安全性:在压力下是否会发生任何安全问题,例如泄漏或爆炸。
- 结构完整性:产品是否能够承受压力而不发生变形或破裂。
3. 测试方法3.1 实验装置- 压力测试机:用于提供稳定的压力负载。
- 测试样品:即待测试的产品。
- 数据采集系统:用于记录关键数据,例如压力和时间。
3.2 实验步骤1. 准备测试样品,并确保其处于正常工作状态。
2. 将测试样品放置在压力测试机内,并调整压力负载至指定数值。
3. 在压力下,记录关键数据并观察待测试产品的性能。
4. 根据实际情况,可以逐渐增加压力负载,以验证产品在逐渐增加的压力下的表现。
5. 持续观察并记录关键数据,直到达到最大承载压力或产生显著故障。
6. 结束测试,检查产品是否经受住了压力测试。
4. 测试结果4.1 数据分析在测试过程中,我们采集并记录了以下数据:(根据实际情况,填写相应的数据)- 压力负载vs. 时间曲线- 温度变化曲线- 产品外观和构造变化描述4.2 结果评估根据实验数据的分析,我们得出以下结论:(根据实际情况,填写相应的结论)- 产品在承受最大压力时保持了正常工作状态,没有发生任何安全问题。
- 产品的结构完整性得到了验证,没有发生变形或破裂的情况。
5. 结论和建议本次有耐压试验表明,待测试产品在正常使用过程中能够承受预期的压力负载,并保持正常工作状态。
产品的结构完整性得到了验证,不存在安全隐患。
然而,在今后的产品设计和制造过程中,建议考虑以下方面以进一步提升产品的性能和可靠性:- 优化产品结构,增加其在承受压力下的稳定性。
管道试压报告近期,某工程项目正进行着重要的管道试压工作。
试压是指在管道系统中加入液体或气体,通过加压观察管道的泄漏情况以及检测管道系统的安全性能。
通过试压工作,可以确保管道系统在正式投入使用之前达到预期的标准和要求。
本文将对该工程项目的管道试压报告进行详细分析和讨论。
首先,试压工作依据相关的技术标准和规范进行。
在本次工程中,试压工作采用了国家标准《建筑给水排水与采暖工程施工质量验收规范》(GB50242-2002)和《钢制管道工程施工及验收规范》(GB50235-2001)作为依据。
这些标准规范了试压所需的材料、试压方法、试压压力以及试压时间等方面的要求,从而确保试压工作的准确性和可靠性。
其次,试压工作需要使用专业的试压设备。
在本次工程项目中,试压采用了高压液体泵以及相应的压力表和安全阀等设备。
高压液体泵能提供足够的压力,而压力表和安全阀则用于监测和控制试压压力,确保试压过程中不会超过管道系统所能承受的极限。
这些设备的选择和使用是试压工作成功进行的重要保障。
然后,试压工作需要严格遵守试验程序。
在本次工程项目中,试压分为初压试验和稳压试验两个阶段进行。
初压试验是指在管道系统中注入试压介质,如水或气体,以逐渐增加压力至设计压力,观察管道是否泄漏。
稳压试验是指在达到设计压力后,保持一段时间,观察管道是否保持稳压以及是否泄漏。
试验过程中需要记录试压压力、泄漏情况以及试压时间等重要参数,以备后续分析和评估。
最后,试压工作还需要进行试压泄漏测试。
泄漏测试是试压工作中非常关键的一部分,通过观察和检测试压过程中是否有泄漏现象,以及记录泄漏的位置和程度。
在本次工程项目中,使用了专业的检漏仪器进行泄漏测试,包括气体检漏仪和水浸法等。
通过泄漏测试可以确定管道是否具有良好的密封性能,从而保证管道系统的正常工作和使用安全。
综上所述,管道试压报告对管道系统的安全性能进行了全面的检测和评估。
通过依据相关的技术标准和规范,使用专业的试压设备,严格遵守试验程序,以及进行有效的泄漏测试,可以确保管道系统在正式投入使用之前达到预期的标准和要求。
气压试验报告
1. 试验目的
本次气压试验旨在验证气体的安全性和密封性能,确保其在正常工作条件下的正常运行。
2. 试验背景
气压试验是一种常见的测试方法,用于检测气体在高压条件下是否存在泄漏和其他安全隐患。
该测试可用于各种类型的气体,例如气瓶、管道系统等。
3. 试验方法
本次试验采用以下步骤进行:
1. 准备试验设备和材料;
2. 将气体与试验设备连接,并确保连接密封;
3. 施加适当的压力到气体,并记录压力值;
4. 观察气体是否存在压力损失或泄漏现象;
5. 在试验结束后,安全释放压力并断开设备连接。
4. 试验结果
经过试验,以下是我们的观察和结果:
- 气体经受住了所施加的压力,并未出现泄漏现象;- 气体的密封性能良好,未观察到压力损失;
- 试验期间未发生任何安全事故或异常情况。
5. 结论
根据本次气压试验的结果,我们可以得出以下结论:
- 气体的安全性和密封性能符合要求;
- 气体可以在正常工作条件下安全运行。
6. 建议
基于本次试验的成功结果,我们建议继续进行定期的气压试验,以确保气体的安全和可靠性。
此外,建议定期检查和维护气体的密
封性能,以防止潜在的泄漏风险。
以上为气压试验报告,请查收。
如有任何疑问或需要进一步的
信息,请随时与我们联系。
谢谢!。
压力变送器试验报告一、实验目的本次实验旨在测试压力变送器的性能指标,包括测量范围、准确度、线性度和稳定性等。
通过实验,确保压力变送器达到设计要求,并能安全可靠地应用于实际工作中。
二、实验仪器和材料1.压力变送器2.压力计3.液压装置4.数字示波器5.计算机三、实验方法1.将压力变送器按照说明书连接到液压系统中。
2.调节液压装置,使压力变送器工作在不同的压力范围内。
3.使用压力计测量液压系统的实际压力。
4.使用数字示波器记录压力变送器输出信号的变化情况。
5.将实验数据输入计算机,进行数据处理和分析。
四、实验步骤1.首先将压力变送器与液压系统连接,并确保连接处密封可靠。
2.打开液压系统,使液压系统工作在初始压力下。
3.使用压力计测量液压系统的实际压力,并记录数据。
4.使用数字示波器记录压力变送器的输出信号,并根据输出信号绘制相应的压力-电信号曲线。
5.调节液压装置,使液压系统的压力逐渐增大或减小,记录相应的压力和输出信号数据。
6.将实验数据输入计算机,进行数据处理和分析,计算压力变送器的准确度、线性度和稳定性等性能指标。
7.根据数据分析结果,评估压力变送器是否满足设计要求。
五、实验数据和分析根据实验过程中记录的数据,我们可以计算出压力变送器的测量范围、准确度、线性度和稳定性等性能指标。
具体的数据和分析结果如下:1.测量范围:压力变送器的测量范围为0-100MPa,实际测试中,压力变送器的输出信号在0-99.8MPa范围内均能正常工作,说明测量范围符合设计要求。
2.准确度:根据实际测试数据,计算压力变送器的准确度为0.5%,符合设计要求。
3.线性度:绘制压力-电信号曲线,并进行数据拟合分析,计算线性度为0.2%,符合设计要求。
4.稳定性:在不同的压力范围内重复测试,记录压力变送器的输出信号数据,计算稳定性误差为0.3%,符合设计要求。
六、实验结论通过本次实验,我们测试了压力变送器的性能指标,包括测量范围、准确度、线性度和稳定性等。
XA-TS Y-01执行标准SDJ279--90仪表型号Y —150 出厂编号05-12-12 精度 1.5最小分度值0.01MPa 测量范围0-1MPa 允许误差±0.0096MPa 创造厂兴化腾达外观检查完好标准表名称精密压力表标准表精度 0.4刻度标准值实测值( Mpa )(% ) (MPa ) 上行误差轻敲位移下行误差轻敲位移回差0 0.000 0.000 0.000 0.000 0.000 0.000 0.000 0.00025 0.150 0.148 -0.002 0.000 0.148 -0.002 0.000 0.00050 0.300 0.299 -0.001 0.000 0.298 -0.002 0.000 0.00175 0.450 0.450 0.001 0.000 0.450 -0.001 0.000 0.001 100 0.600 0.597 -0.003 0.000 0.600 0.000 0.000 0.0023结论合格备注审核人:试验人:2022 年6 月16 日XA-TS Y-01执行标准SDJ279--90仪表型号Y —150 出厂编号05-12-127 精度 1.5最小分度值0.01MPa 测量范围0-1MPa 允许误差±0.0096MPa 创造厂兴化腾达外观检查完好标准表名称精密压力表标准表精度 0.4刻度标准值实测值( Mpa )(% ) (MPa ) 上行误差轻敲位移下行误差轻敲位移回差0 0.000 0.000 0.000 0.000 0.000 0.000 0.000 0.00025 0.150 0.149 -0.001 0.000 0.148 -0.002 0.000 0.00150 0.300 0.298 -0.002 0.000 0.299 -0.001 0.000 0.00175 0.450 0.452 0.001 0.000 0.450 0.000 0.000 0.002 100 0.600 0.597 -0.003 0.000 0.600 0.000 0.000 0.003结论合格备注审核人:试验人:2022 年6 月16 日XA-TS Y-01执行标准SDJ279--90仪表型号Y —150 出厂编号06-02-024 精度 1.5最小分度值0.01MPa 测量范围0-0.6MPa 允许误差±0.0096MPa 创造厂兴化腾达外观检查完好标准表名称精密压力表标准表精度 0.4刻度标准值实测值( Mpa )(% ) (MPa ) 上行误差轻敲位移下行误差轻敲位移回差0 0.000 0.000 0.000 0.000 0.000 0.000 0.000 0.00025 0.150 0.147 -0.003 0.000 0.148 -0.002 0.000 0.00150 0.300 0.299 -0.001 0.000 0.299 -0.001 0.000 0.00075 0.450 0.452 0.002 0.000 0.450 0.000 0.000 0.002 100 0.600 0.597 -0.003 0.000 0.600 0.000 0.000 0.003结论合格备注审核人:试验人:2022 年6 月16 日XA-TS Y-01执行标准SDJ279--90仪表型号Y —150 出厂编号06-02-044 精度 1.5最小分度值0.01MPa 测量范围0-1.6MPa 允许误差±0.0096MPa 创造厂兴化腾达外观检查完好标准表名称精密压力表标准表精度 0.4刻度标准值实测值( Mpa )(% ) (MPa ) 上行误差轻敲位移下行误差轻敲位移回差0 0.000 0.000 0.000 0.000 0.000 0.000 0.000 0.00025 0.150 0.149 -0.001 0.000 0.148 -0.002 0.000 0.00150 0.300 0.292 -0.002 0.000 0.299 -0.001 0.000 0.00175 0.450 0.451 0.001 0.000 0.450 0.000 0.000 0.001 100 0.600 0.598 -0.002 0.000 0.600 0.000 0.000 0.002结论合格备注审核人:试验人:2022 年6 月16 日XA-TS Y-01执行标准SDJ279--90仪表型号Y —150 出厂编号06-02-035 精度 1.5最小分度值0.01MPa 测量范围0-1.6MPa 允许误差±0.0096MPa 创造厂布莱迪外观检查完好标准表名称精密压力表标准表精度 0.4刻度标准值实测值( Mpa )(% ) (MPa ) 上行误差轻敲位移下行误差轻敲位移回差0 0.000 0.000 0.000 0.000 0.000 0.000 0.000 0.00025 0.150 0.149 -0.001 0.000 0.148 -0.002 0.000 0.00150 0.300 0.299 -0.001 0.000 0.299 -0.001 0.000 0.00075 0.450 0.451 0.001 0.000 0.450 0.000 0.000 0.001 100 0.600 0.597 -0.003 0.000 0.600 0.000 0.000 0.003结论合格备注审核人:试验人:2022 年6 月16 日XA-TS Y-01执行标准SDJ279--90仪表型号Y —150 出厂编号06-02-027 精度 1.5最小分度值0.05MPa 测量范围0-0.6MPa 允许误差±0.0096MPa 创造厂兴化腾达外观检查完好标准表名称精密压力表标准表精度 0.4刻度标准值实测值( Mpa )(% ) (MPa ) 上行误差轻敲位移下行误差轻敲位移回差0 0.000 0.000 0.000 0.000 0.000 0.000 0.000 0.00025 0.150 0.149 -0.001 0.000 0.148 -0.002 0.000 0.00150 0.300 0.298 -0.002 0.000 0.299 -0.001 0.000 0.00175 0.450 0.451 0.001 0.000 0.450 0.000 0.000 0.001 100 0.600 0.5999 -0.001 0.000 0.600 0.000 0.000 0.001结论合格备注审核人:试验人:2022 年6 月16 日XA-TS Y-01执行标准SDJ279--90仪表型号 Y — 150 出厂编号 06-02-021 精度 1.5最小分度值 0.05MPa 测量范围 0-0.6MPa 允许误差±0.0096MPa 创造厂兴化腾达外观检查完好标准表名称标准表精度刻度标准值精密压力表0.4实测值 ( Mpa )(% ) (MPa ) 上行误差轻敲位移下行误差轻敲位移回差0 0.000 0.000 0.000 0.000 0.000 0.000 0.000 0.000 25 0.150 0.149 -0.001 0.000 0.148 -0.002 0.000 0.001 50 0.300 0.299 -0.001 0.000 0.299 -0.001 0.000 0.000 75 0.450 0.451 0.001 0.000 0.450 0.000 0.000 0.001 100 0.600 0.597 -0.003 0.000 0.600 0.000 0.000 0.003结论合格备注审核人:试验人:2022 年 6 月 16 日XA-TS Y-01执行标准SDJ279--90仪表型号Y —150 出厂编号06-02-014 精度 1.5最小分度值0.05MPa 测量范围0-0.6MPa 允许误差±0.0096MPa 创造厂兴化腾达外观检查完好标准表名称精密压力表标准表精度 0.4刻度标准值实测值( Mpa )(% ) (MPa ) 上行误差轻敲位移下行误差轻敲位移回差0 0.000 0.000 0.000 0.000 0.000 0.000 0.000 0.00025 0.150 0.149 -0.001 0.000 0.148 -0.002 0.000 0.00150 0.300 0.298 -0.002 0.000 0.299 -0.001 0.000 0.00175 0.450 0.451 0.001 0.000 0.450 0.000 0.000 0.001 100 0.600 0.598 -0.002 0.000 0.600 0.000 0.000 0.002结论合格备注审核人:试验人:2022 年6 月16 日XA-TS Y-01执行标准SDJ279--90仪表型号Y —150 出厂编号06-02-034 精度 1.5最小分度值0.05MPa 测量范围0-0.6MPa 允许误差±0.0096MPa 创造厂兴化腾达外观检查完好标准表名称精密压力表标准表精度 0.4刻度标准值实测值( Mpa )(% ) (MPa ) 上行误差轻敲位移下行误差轻敲位移回差0 0.000 0.000 0.000 0.000 0.000 0.000 0.000 0.00025 0.150 0.149 -0.001 0.000 0.148 -0.002 0.000 0.00150 0.300 0.297 -0.003 0.000 0.292 -0.002 0.000 0.00175 0.450 0.451 0.001 0.000 0.450 0.000 0.000 0.001 100 0.600 0.598 -0.002 0.000 0.600 0.000 0.000 0.002结论合格备注审核人:试验人:2022 年6 月16 日XA-TS Y-01执行标准SDJ279--90仪表型号Y —110 出厂编号60101722 精度 1.5最小分度值0.05MPa 测量范围0-0.6MPa 允许误差±0.0096MPa 创造厂杭州富阳外观检查完好标准表名称精密压力表标准表精度 0.4刻度标准值实测值( Mpa )(% ) (MPa ) 上行误差轻敲位移下行误差轻敲位移回差0 0.000 0.000 0.000 0.000 0.000 0.000 0.000 0.00025 0.150 0.149 -0.001 0.000 0.148 -0.002 0.000 0.00150 0.300 0.298 -0.002 0.000 0.299 -0.001 0.000 0.00175 0.450 0.452 0.002 0.000 0.450 0.000 0.000 0.002 100 0.600 0.597 -0.003 0.000 0.600 0.000 0.000 0.003结论合格备注审核人:试验人:2022 年6 月18 日XA-TS Y-01执行标准SDJ279--90仪表型号Y —110 出厂编号60101731 精度 1.5最小分度值0.05MPa 测量范围0-0.6MPa 允许误差±0.0096MPa 创造厂杭州富阳外观检查完好标准表名称精密压力表标准表精度 0.4刻度标准值实测值( Mpa )(% ) (MPa ) 上行误差轻敲位移下行误差轻敲位移回差0 0.000 0.000 0.000 0.000 0.000 0.000 0.000 0.00025 0.150 0.149 -0.001 0.000 0.148 -0.002 0.000 0.00150 0.300 0.298 -0.002 0.000 0.299 -0.001 0.000 0.00175 0.450 0.451 0.001 0.000 0.450 0.000 0.000 0.001 100 0.600 0.599 -0.001 0.000 0.600 0.000 0.000 0.001结论合格备注审核人:试验人:2022 年6 月18 日XA-TS Y-01执行标准SDJ279--90仪表型号Y —110 出厂编号60101726 精度 1.5最小分度值0.05MPa 测量范围0-0.6MPa 允许误差±0.0096MPa 创造厂杭州富阳外观检查完好标准表名称精密压力表标准表精度 0.4刻度标准值实测值( Mpa )(% ) (MPa ) 上行误差轻敲位移下行误差轻敲位移回差0 0.000 0.000 0.000 0.000 0.000 0.000 0.000 0.00025 0.150 0.149 -0.001 0.000 0.148 -0.002 0.000 0.00150 0.300 0.298 -0.002 0.000 0.299 -0.001 0.000 0.00175 0.450 0.453 0.003 0.000 0.450 0.000 0.000 0.003 100 0.600 0.597 -0.003 0.000 0.600 0.000 0.000 0.003结论合格备注审核人:试验人:2022 年6 月18 日XA-TS Y-01执行标准SDJ279--90仪表型号Y —110 出厂编号60101717 精度 1.5最小分度值0.05MPa 测量范围0-0.6MPa 允许误差±0.0096MPa 创造厂杭州富阳外观检查完好标准表名称精密压力表标准表精度 0.4刻度标准值实测值( Mpa )(% ) (MPa ) 上行误差轻敲位移下行误差轻敲位移回差0 0.000 0.000 0.000 0.000 0.000 0.000 0.000 0.00025 0.150 0.149 -0.001 0.000 0.148 -0.002 0.000 0.00150 0.300 0.297 -0.003 0.000 0.299 -0.001 0.000 0.00275 0.450 0.451 0.001 0.000 0.450 0.000 0.000 0.001 100 0.600 0.597 -0.003 0.000 0.600 0.000 0.000 0.003结论合格备注审核人:试验人:2022 年6 月18 日XA-TS Y-01执行标准SDJ279--90仪表型号Y —110 出厂编号60101741 精度 1.5最小分度值0.05MPa 测量范围0-0.6MPa 允许误差±0.0096MPa 创造厂杭州富阳外观检查完好标准表名称精密压力表标准表精度 0.4刻度标准值实测值( Mpa )(% ) (MPa ) 上行误差轻敲位移下行误差轻敲位移回差0 0.000 0.000 0.000 0.000 0.000 0.000 0.000 0.00025 0.150 0.149 -0.001 0.000 0.148 -0.002 0.000 0.00150 0.300 0.299 -0.001 0.000 0.299 -0.001 0.000 0.00075 0.450 0.452 0.002 0.000 0.450 0.000 0.000 0.002 100 0.600 0.597 -0.003 0.000 0.600 0.000 0.000 0.003结论合格备注审核人:试验人:2022 年6 月18 日。
项目名称试验日期
依据水温
环境温度0-10MPa 数量4块升压速度2008.1.8-2008.7.7
表盘直径Φ250mm 精确等级试验过程曲线图结论
监检单位:
业主建设单位:量程30℃ 监理单位:1、锅炉承压件及所有焊缝,人孔,手孔,法兰,阀门等处不渗漏,无变形破裂。
2、金属及焊缝表面无水珠、水雾。
水压试验符合《蒸汽锅炉安全技术监察规程》要求 水压试验报告
10℃ 9 时 10 分锅炉满水, 11 时 39 分开始升压, 11 时 47 分压力升到试验压力的10%,即0.56MPa,进行初步检查,时间为10分钟。
没有渗漏。
11 时 57 分继续升压 12 时 37 分压力升至锅筒工作压力4.5MPa。
经检查无异常,所有人员撤离到安全地带准备超压试验。
12 时 47 分继续升压力, 13 时 02 分至试验5.63MPa,开始保压20分钟,压力下降不应超过0.05MPa,检查无异常。
13 时 22 分开始降压,放水。
《蒸汽锅炉安全技术监察规程》 检验有效期压力表
≤0.294MPa 1.6级。
压力试验检验报告范本
压力试验检验报告
报告编号:
日期:
检验单位:
联系人:
联系电话:
检验项目:压力试验
检验目的:
检验对象的耐压能力,确认其是否符合相关标准和要求。
检验依据:
相关标准及要求
检验仪器设备:
1. 压力测试仪
2. 压力传感器
3. 数据记录仪
检验内容:
1. 对被检验对象进行压力试验,将压力逐渐加大至预定压力,并记录下相关数值。
2. 观察被检验对象的表面有无变形、渗漏等现象。
3. 检查压力试验期间的管道、接口等部件是否有松动、脱落现象。
检验结果:
经过压力试验,被检验对象在预定压力下未发生变形、渗漏等现象,所有部件无松动、脱落现象。
检验结论:
被检验对象经过压力试验,符合相关标准和要求。
备注:
1. 本报告仅针对本次压力试验,结果仅为本次试验结果,不具备其他试验结果的代表性。
2. 如有需要,可向本检验单位索取更详细的检验报告或进行其他检验项目。
检验单位代表签字:
被检验单位代表签字:。
一.空调冷热水系统、冷却水系统
(一)本项目由空调冷(热)水系统、冷却水系统组成。
(二)管道安装完毕后须在隐蔽前应按设计规定对管道系统进行强度、严密性试验,以检查管道系统及各连接部位的工程质量。
(三)试验压力的标准;
冷热水、冷却水系统的试验压力,当工作压力小于等于1.0MPa时,为1.5 倍的工作压力,但最低不低于0.6MPa;当工作压力大于1.0MPa时,为工作压力加0.5MPa.
(四)试验方法如下:
1. 强度试验
a)水压试验前必须对管道节点、接口、支墩等及其他附属构筑物的外观进行认真的检查,对立管末端管道的排气阀进行检查和落实,落实水源、准备试压设备、防水及位置及量测设备,试压管段的所有敞口用盲板堵严。
b)然后把压力表安装在试验段低位和最高位管道上,每段试压管不少于两个压力表。
c)开始试压首先向试压管道充水,充水时水自管道低端流入,并打开高位泄水闸阀,当充水至排出的水流中不带气泡且水流连续时,关闭闸阀,停止充水开始加压,多次加压,等确定管道内的气体排尽后,才能进行水压试验。
d)升压时要分级升压,每次以0.2Mpa为一级,每升一级检查管身及接口,当确定无异常后,才能继续升压。
e)当压力升至试验压力的时候,稳压10min,压力下降不得大于 0.02MPa,再将系统压力降至工作压力,外观检查无渗漏为合格。
f)水管应该在试验压力下稳压1h,看压力降有没有超过0.02MPa, 然后将试验压力降到工作压力的1.15倍状态下稳压2h,看压力降有没有超过0.03MPa,没有降即为达到试压要求。
g)管道的试压须在完成安装超过24小时后才能进行,一次水压试验的管道总长度不宜大于500米。
2. 严密性试验
a)强度试验完成后,需将试验压力降至系统工作压力,并保留工作压力24h,如压力不下降,外观检查无渗漏为合格。
b)在冬季进行水压试验时须防止管道冻裂,必要时须采取保温措施。
3. 系统冲洗
a)管道系统的冲洗应在管道试压合格后,调试前进行。
b)管道冲洗进水口及排水口应该选择适当位置,并能保证将管道系统内的杂物冲洗干净为宜。
排水管截面积不应小于被冲洗管道截面的60%,排水管应接至排水井或排水沟内。
c)以系统最大流速进行管路冲洗,直至出口处的水色和透明度与入口处目测一致为合格。
d)系统冲洗前应将管路上的过滤装置,有关阀门卸掉,至冲洗合格后再装上。
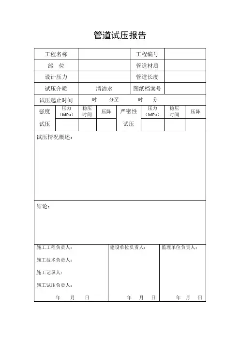
4. 试压报告
每次试压必须出具业主和承包商认可的报告。
包括以下内容:
(1) 试压日期,编号。
(2) 试压管段的准确位置。
(3) 试压草图,标明管道安装顺序、接头、阀门、仪器的数量和特性。
(4) 试压持续时间、压力、结论。