压力容器耐压试验报告水压试验)
- 格式:docx
- 大小:10.10 KB
- 文档页数:2
压力容器、压力管道水压试验作业安全操作规程(6篇范文)【第1篇】压力容器、压力管道水压试验作业安全操作规程⒈试验人员须做到持证上岗,并按规定穿戴好劳保用品。
被试验的容器、管道应经过有关部门审批,且制定完备的试验方案。
⒉试验前,必须按有关规定做好以下准备、检查工作,符合安全要求后方可进行试验:⑴试验用水必须洁净,水温要高于5 ℃,否则要采取防冻措施;氧气专用容器、管道的试验用水应无油脂;⑵采用的压力表必须经校验,且精度不低于1.5 级,量程应为试验压力的两倍适宜;在试验容器、管段系统中压力表不得少于两块;未经检验合格和铅封的压力表不准使用;⑶应检查水泵是否完好,水泵与试验场地连接管是否畅通;容器专用的试验场地应设 2米高的护板,保证有足够的强度;管道试验有必要时要先制作支撑加固;⑷不参与试验的设备或管线、仪表应用盲板隔离或拆除后暂以短管相连,并有明显标记和记录,以便试验后能拆除复位;⑸检查各电器开关、线路是否完好;行灯电压不准超过36伏,并应用防水线,所有电器接触应良好;⑹试验前,应检查安全阀、校对压力表,保持完好;容器、管道各连接部位的紧固螺栓,必须装配齐全,紧固妥当;⑺高压容器试验,必须有防护措施,以防发生意外。
水压场地应用醒目字写上"高压试验"、"禁止入内"的警示标志。
⒊水压试验时,工作场地禁止无关人员进入,试验人员不得进行其它工作。
水压试验的压力应为容器、管道设计压力的1.25倍。
⒋在同一试验场地,不准两容器同时试验。
向容器、管道充水时,必须将空气排净后,再进行升压。
⒌灌水、升压、检查程序:⑴往容器、管道系统内灌水时,应打开各高处的阀门,水由下部向上部充灌,以利排气。
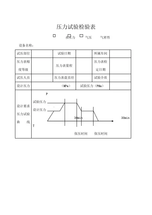
待水灌满后,关闭进水阀门,间隔一段时间后再向系统内补灌一次水,确认空气排净后,将进水和排水阀门全部关闭,然后用试压泵加压;⑵试验升压应缓慢,加压到容器、管道设计压力时,确认无泄漏后再继续升至试验压力;根据容积、管径大小保压10~30分钟,然后降到设计压力进行检查;⑶水压试验后,容器、管道无泄漏、无可见的异常变形,试验过程中无异常的响声、压力表指针不下降即认为试验合格。
水压试验工艺流程水压试验是一种用于检验水压容器和管道的强度和密封性能的方法。
其主要目的是确保压力容器和管道在正常使用过程中不会发生泄漏或爆炸等危险情况。
下面是水压试验的工艺流程:1.准备工作:在进行水压试验之前,需要对试验设备进行准备工作。
首先清洗试验设备的内部,并检查设备的密封性能是否良好。
同时,检查设备的安全装置是否完好。
2.确定试验参数:根据设计要求和试验标准,确定试验的压力和持续时间等参数。
通常情况下,试验压力为容器或管道的设计工作压力的1.5倍左右。
3.填充试验介质:将试验介质(通常为清水或其他非腐蚀性液体)注入容器或管道中,直到试验介质充满整个系统。
在填充试验介质的过程中,需要将系统内原有的气体排出,以确保系统内无气泡存在。
4.封闭容器或管道:在试验介质注入完毕后,将容器或管道的进出口部分进行密封,以防止试验介质的泄漏。
密封方法可以采用螺栓紧固、焊接或其他密封方式。
5.施加试验压力:通过泵或其他压力装置向系统中注入压力介质,逐渐增加试验压力,直到达到预定的试验压力。
在施加试验压力的过程中,需要监测系统的压力变化情况,确保压力逐渐增加,而不是突然增加。
6.保持试验压力:当试验压力达到预定值后,需要保持一定时间,以检测系统在压力下的稳定性和密封性能。
通常情况下,试验时间为30分钟至2小时。
7.观察泄漏情况:在试验过程中,需要对容器或管道的表面进行观察,检查是否有泄漏现象。
如果出现泄漏,需要及时停止试验,并对泄漏部位进行处理。
8.释放压力介质:试验结束后,需要将压力介质从系统中排除,同时彻底清洗系统内部,以防止试验介质的残留对设备产生腐蚀。
9.记录试验结果:在试验过程中,需要记录试验参数、压力变化情况、泄漏情况等试验结果。
同时,进行试验报告的编写和归档,以备将来参考和查证。
以上为水压试验的工艺流程。
在进行水压试验时,需要严格按照相关标准和规范进行操作,确保试验的安全性和可靠性。
另外,还需要在试验过程中做好安全防护工作,以防止意外事故的发生。
锅炉水压试验1水压试验原则:1)锅炉检修或局部受热面临修后,必须进行常规水压试验,试验压力:锅炉本体为汽包计算压力,再热器系统试验压力为再热器进口额定工作压力。
2)锅炉有下列情况之一时,要进行超水压试验,试验压力为:(锅炉本体为汽包计算压力的1.25倍,再热器系统为1.5倍再热器进口额定工作压力。
锅炉超水压试验必须经上级锅炉监察部门及总工程师同意后进行,应有超水压试验技术措施并设专人负责,进行超水压试验时必须退出双色水位计运行。
)(1)运行中的锅炉在两次A级检修进行一次;根据设备具体技术状况,经上级主管锅炉压力容器安全监督部门同意,可适当延长或缩短超压试验间隔时间;(2)锅炉停运一年以上,需要投运时;(3)受压元件经过重大修理或改进后,如水冷壁更换管数在50%以上,过热器、再热器、省煤器等部件成组更换及汽包进行了重大修理时;(4)锅炉严重超压达1.25倍工作压力及以上时;(5)锅炉严重缺水后受热面大面积变形时;(6)根据运行情况对设备安全有怀疑时;3)常规水压试验和超水压试验压力规定如下表:序号名称计算压力(MPa) 常规试验压力(MPa)超压试验压力(MPa)1 本体(过热器、水冷壁、省煤器)19.82 19.82 24.872 再热器 4.75 4.75 7.132水压试验应具条件1)锅炉受热面检修工作结束,检修人员已撤离,有碍锅炉膨胀的脚手架支撑等均已拆除,受热面及系统阀门的检修工作票已办理终结手续。
2)水压试验范围内各管系、阀门(包括现场试验措施规定的临时管阀)均已安装完毕待用,试验期间需检查的各有关部位的检查准备工作已完成。
3)水压试验前,过热器出口电动释放阀置于“OFF”位置,其手动隔离门关闭;汽包、过、再热器安全门退出运行4)试验压力以汽包、过、再热器出口联箱处的压力表读数为准,就地安装两只1.5级以上的校验合格的压力表,以相互对照升压,量程为试验压力的1.5倍。
5)与试验有关的热工表计校对准确投用(汽包压力、温度、省煤器出口温度、各受热面金属温度、给水、减温水流量等)。
气压实验与水压试验根据试验介质的不同,压力试验分为液压试验与气压试验两大类,二者的目的与作用是相同的,只进行其中一种即可。
由于液压与气压试验的安全性相差极大,条件允许应优先选择液压试验,只有当无法进行液压试验时,方允许采用气压试验。
气压试验比液压试验危险的主要原因是气体的可压缩性。
气压试验一旦发生破坏事故,不仅要释放积聚的能量,而且要以最快的速度恢复在升压过程中被压缩的体积,其破坏力极大,相当于爆炸时的冲击波。
因此,GB150要求气压试验应有安全措施,该安全措施需经试验单位技术总负责人批准,并经本单位安全部门检查监督。
综上所述,压力试验应优先选择液压,一般只有在下例情况下才允许采用气压:(1)容器充满液体介质后,会因自重和液体的重量导致容器本身或基础破坏,这主要是指直径大,压力低且充满气态介质的容器。
(2)因结构原因液压试验后难以将残存液体吹干排净,而使用时容器内又不允许残存任何液体。
为了保证气压试验的安全,GB150规定对进行气压试验容器的A、B类焊接接头,应进行100%射线或超声波检测。
水压试验和气压试验的系数是不同的,同样设计压力的容器,作水压试验的实验压力为设计压力的1.25倍;做气压试验的试验压力为设计压力的1.15倍。
不过气压试验的确比水压试验危险的多。
GB150规定,容器制成后应进行压力试验,压力试验特指耐压试验.压力试验一般采用液压试验。
试验液体按照GB150第10章要求。
对于不适合做液压试验的容器。
例如容器内不允许有微量残留液体,或由于结构原因不能充满液体的容器,可采用气压试验,进行气压试验必须满足GB150中10.9.5的要求。
容规第50页:1.由于结构或支承原因,不能向压力容器内充灌液体,以及运行条件不允许残留液体的压力容器,可按设计图样规定采用气压试验。
2.试验所用气体应为干燥洁净的空气、氮气或其它惰性气体。
GB150第129页,气压试验应有安全措施,该安全措施需经试验单位技术总负责人批准。
压力容器耐压性试验的要求**1. 介绍**压力是指用来承受内部介质(包括气体、液体和固体)作用下的内压或外压的设备。
为了确保压力的安全运行,必须进行耐压试验。
本文档旨在阐述压力耐压试验的要求,以帮助相关人员正确进行试验操作。
**2. 耐压试验的目的**耐压试验的主要目的是验证压力在正常工作压力下的稳定性和强度。
通过对压力进行耐压试验,可以判断其是否能够承受正常工作条件下的压力,以及是否存在任何潜在的泄漏、变形或破裂的风险。
**3. 耐压试验的方法**常见的压力耐压试验方法包括水压试验和气压试验。
试验方法的选择应基于具体的类型、设计标准和使用条件。
- 水压试验:水压试验是将水作为介质加入内,并逐渐增加压力,观察是否泄漏或变形。
水压试验适用于一般压力及其附件的试验。
试验过程中应对进行适当的支撑和固定,以防止的意外移动或倾斜。
水压试验:水压试验是将水作为介质加入容器内,并逐渐增加压力,观察容器是否泄漏或变形。
水压试验适用于一般压力容器及其附件的试验。
试验过程中应对容器进行适当的支撑和固定,以防止容器的意外移动或倾斜。
- 气压试验:气压试验是将气体(通常是压缩空气或氮气)作为介质加入内,并逐渐增加压力,观察是否泄漏或变形。
气压试验适用于具有特殊要求的压力,如具有易燃、易爆介质或高温介质的。
气压试验:气压试验是将气体(通常是压缩空气或氮气)作为介质加入容器内,并逐渐增加压力,观察容器是否泄漏或变形。
气压试验适用于具有特殊要求的压力容器,如具有易燃、易爆介质或高温介质的容器。
**4. 耐压试验的要求**进行耐压试验时,需要遵守以下要求以确保测试的准确性和安全性:- 试验压力:耐压试验的试验压力应根据的设计参数和相关标准进行确定。
试验压力一般应为设计压力的1.25倍,但在某些特殊情况下,可以根据实际情况确定试验压力的具体数值。
试验压力:耐压试验的试验压力应根据容器的设计参数和相关标准进行确定。
试验压力一般应为设计压力的1.25倍,但在某些特殊情况下,可以根据实际情况确定试验压力的具体数值。
压力容器耐压试验要求与注意事项文件编码(TTU-UITID-GGBKT-POIU-WUUI-0089)压力容器耐压试验要求与注意事项1.一般要求(1)试验前,容器须经单项检查和总装检查合格,并将内部的残留物清除干净,特别是与水接触后能引起容器壁腐蚀的物质必须彻底除净。
外部有保温层或其它复盖层的容器,为了不影响对容器壁渗漏情况的检查,最好将这些遮盖层拆除。
有衬里的容器,经检查后确认衬里良好无损、无腐蚀或开裂现象,可不拆除衬里。
2)试验时封闭容器接管用的盲板压力等级应大于或等于试验容器的设计压力(或最高工作压力),所配用的螺栓、螺母的数量、材质、规格应按相应的标准选用。
试验前应将各部位的紧固螺栓装配齐全,紧固妥当。
(3)对生产工艺系统中的在用容器进行试验时,必须用盲板隔断与其相连的设备和管道。
且应挂有明显的标志,试验前应认真检查试验系统是否有泄漏。
(4)在用容器试验时,如果不能确认不致因残留的介质的易燃特性而导致燃烧、爆炸,则严禁采用空气作为试验介质。
(5)试验系统至少应有两块量程相同,并经校验合格的压力表,一块置于容器本体上,另一块置于试验系统的缓冲器上,以便观察压力变化的部位。
(6)对压力表的选用要求是:①选用的压力表,必须与压力容器内的介质相适应。
②低压容器使用的压力表精度不低于2.5级:中压及高压容器使用的压力表精度不应低于1.5级。
③压力表盘刻度极限值为最高工作压力的1.5~3.0倍,最好选用2倍。
表盘直径不应小于100mm。
(7)试验过程中,如果发现异常响声、压力下降、受压元件明显变形、油漆剥落、安全附件失效、紧固件损坏或试验系统发生故障,压力表指示值不一致等不正常现象时,应立即停止试验,并分析原因。
(8)容器内部有压力时,不得对受压元件进行任何修理和紧固螺栓工作。
在试验压力下严禁碰撞和敲击试验容器。
在确认容器内无压力后方可拆卸试验系统和临时附件。
(9)安全阀与试验容器之间有截止阀的,此阀在试验过程中必须闭止。
、适用范围本守则规定了本公司钢制压力容器总体及受压元件实验地技术要求和操作规范.、总则、压力容器受压元件地压力试验,应在无损检测及有关检验项目合格后进行.对需要热处理地受压元件和部件则应在热处理后进行.个人收集整理勿做商业用途、压力实验,试验压力按下表注:①、钢制压力容器耐压试验压力取和二者中地确良较大值.②、对不是按内压计算公式决定壁厚地压力容器(考虑稳定性设计地)适当提高耐压试验压力.③、对设计温度(壁温)大于等于℃地钢制压力容器,耐压试验地压力'按下式计算:'[δ][δ]η.[δ][δ]式中:—压力容器地设计压力,'—设计温度下地耐压试验压力,η—耐压试验压力系数[δ]、[δ]分别为试验温与设计温度下材料地许用压力,.、压力试验前,压力容器地各连接部位地坚固螺栓必装配齐全,紧固妥当,用两个量程相同并经校正地压力表,装在试验装置上便于观察地部位.个人收集整理勿做商业用途压力表应符合以下、选用地压力表必须与所用地介质相适应.、低压容器使用地压力表精度不应低于级,中压容器使用地压力表精度应不低于级.、压力表地表盘刻度极限值应为最高工作压力地倍,最好选用倍,表盘直径应不小于.个人收集整理勿做商业用途、液压试验时,压力容器壳体平均一次总体薄膜压力不得超过实验温度下材料屈服点地.、液压试验用水为介质时,其所用水必须是干净地.奥氏体不锈钢压力容器用水进行水压试验后,应立即将水渍去除干净,无法达到这一要求时,则应控制水中地氯离子含量不超过.个人收集整理勿做商业用途、碳素钢,和制压力容器液压试验时,液体温度不得小于℃,其它低合金钢制压力容器液体温度不得低于℃.个人收集整理勿做商业用途、水压试验时,试件地人、手孔等密封装置,必须采用该产品地配带部件,不得使用替代装置.、水压试验地设备及其技术要求:、水压试验应有专用地场地(水压试验台).、水压试验场地周围应固有隔墙护板进行防扩.、水压试验常用地设备、工具及辅助材料.、水压试验用电动试压泵和手动试压泵应符合水压试验工艺要求.、水压试验用压力表按条地有关规定.、为便于观察,使读数清晰,规定:位于米以下高度地压力表刻度盘直径应不小于;位于米以上高度地压力表刻度盘直径宜选用;位于米高度地压力表刻度盘直径应大于.个人收集整理勿做商业用途、水压试验用加压管路一般选用软性地黄钢管或高压橡胶管,长度为米左右为宜.、水压试验用通用接头、扳手、手锤、温度计、水温测量仪等应满足水压试验工艺要求,温度计、水温测量仪应经周检合格且在有效期内.个人收集整理勿做商业用途、工具应按压力分类别整齐摆放在合理地器位具或工具箱内.、为便于对位于较高高度地工件操作和检查,建议采用操作升降台.、为防止跳跃升降压力,应尽可能采用自动控压和自动记录装置,其记录纲纳入质量档案.、水压试验要求及工序内容、为便于观察和检查,水压试验应在光线照明充足地情况下进行.、将试件平稳地放置在试压场地,不得随意翻动或移动,较小地管件试压时需要紧固在试压装置上,不得自由放置.个人收集整理勿做商业用途、水压试验前准备好设备及工具,对高度大于米地试件,试压时需放置好牢固地梯子上下.、试件充水前,应把试件内部铁屑、杂物清理干净并用水冲洗内部.、应在试件顶部留出排气孔和进水孔各个,其余各孔分别用封板、法兰盖、胀塞,并装妥人、手孔等检查装置.个人收集整理勿做商业用途、将试压泵与试件连接妥当,各装置压力表一只.、通过进水孔将水注入试件中,充水时必须将试件内部空气排尽,水充满后关闭排气孔.、水压试验时,升压应缓慢,在升至规定试验压力地后,暂停升压,保压分钟并对所有焊缝和连接部位进行初次检查;如无泄漏可继续升压到规定试验压力地,如无异常现象,其后按每级为规定试验压力地逐级升压到试验压力,根据容积大小保压分钟,然后降至设计压力,保压进行检查,其保压不小于分钟,检查时压力保持不变.不得采用连续加压以维持试验压力不变地做法.不得在压力下紧固螺栓.个人收集整理勿做商业用途压力容器名称压力等级液压试验压力η低压钢制压力容器、对渗、漏部位做出标记,并做好记录.、检查工作完毕后,应缓慢降压,不允许快速卸压.、为防止腐蚀或冻等,水压试验完毕后应拆除所有管口上地封板,将水全部放尽,并用压缩空气将内部吹干.个人收集整理勿做商业用途、水压试验质量要求、水压试验如符合下列条件,则认为合格.、在受压元件处理外壁上和焊缝上没有水珠和水雾;、附件密封处在降到工作压力后不漏水;、水压试验后,没有发现残余变形.、水压试验合格后,检验员在试件上标上“水压合格”标记.、水压试验不合格处允许返修.、对于水压试验时发现地焊缝缺陷,卸压后将锅内积水放至缺陷以下,然后铲除缺陷.用火烘干待焊部位,再进行焊缝地返修工作.严禁在有压力和接触水地情况下返修.个人收集整理勿做商业用途、焊缝地返修应遵照焊缝返修地规定.、同一部位地返修不得超过三次,第三次返修前需查明原因,制定可行方案,经有关技术负责人批准后方可实施.个人收集整理勿做商业用途、经返修地试件应重新进行水压试验.、安全操作要求、试压人员应熟悉水压试验地条件和图样要求.、试压人员应熟悉安全操作规程,确保人身、设备地安全.、经常检查试压泵、压力表及保险装置,发现故障及时排除,不准带“病”操作.、试压过程中,操作人中不得少于人,且有一人留在电源闸刀旁.、操作人员不得擅自离岗,试验过程中,随时观察有无异常变化,如发现异常响动,压力下隐,加压装置故障等不正常现象时,应立即停止试验并查明原因.个人收集整理勿做商业用途、水压试验时,禁止无关人员在场.、水压试验升压过程中,操作人员离开试件应大于.在整个过程中,试件各管口地位置不能对着操作人员,防止试压时焊口开裂或内胀塞松动而弹出,造成人员伤亡.个人收集整理勿做商业用途、试验压力下,任何人不得靠近试件,待降到工作压力后,方可进行各项检查.、其它要求水压试验后,试验人员应认真填写水压试验原始记录,交检验部门存档.。
耐压试验安全操作规程耐压试验和致密性试验安全操作规程压⼒容器试验⽅法包括:⽔压、⽓压、组合压⼒等耐压试验⽅法和⽓密、泄漏检验、氦、氨检漏等致密性试验⽅法。
耐压试验对承压设备来说是⼀次超压,试验时有危险性,特别⽤⽓体作试验介质时危险性更⼤,故应做好⼀系列准备⼯作,严格按安全要求进⾏,确保试验中的安全。
⽔压试验操作规程⼀、试验前准备(⽔压试验应在内外部检验合格后进⾏。
)1、办理⽔压试验⼯作票。
2、将容器上的安全泄放装置拆下,接⼝处及容器与其它设备、管道相连接处堵上盲板、可靠隔离。
压⼒容器各连接部位的紧固螺栓必须装配齐全,紧固妥当。
3、准备加压设备,检查试验泵是否完好。
4、安装压⼒表(压⼒表应在有效期内)两只,压⼒表精度,低压容器不低于2.5级,中压容器不低于1.5级,⾼压、超⾼压容器则不低于1级。
压⼒表盘直径不能过⼩,应保证试验中能看清压⼒指⽰值。
压⼒表表盘刻度极限值应当为最⾼试验压⼒的2倍左右,但不应低于1.5倍和⾼于4倍,压⼒表应安装在试验容器顶部便于观察的位置。
5、确认、记录待试壳体的设计压⼒(在⽤压⼒容器最⾼⼯作压⼒或压⼒容器铭牌上规定的最⼤允许⼯作压⼒)和试验压⼒及编号。
6、试验场地应有可靠的安全防护措施,并应经单位技术负责⼈和安全部门检查认可。
试验过程中不得进⾏与压⼒⽆关的⼯作,⽆关⼈员不得在试验现场停留。
7、试验⽤⽔必须是洁净的,奥⽒体不锈钢压⼒容器⽤⽔应严格控制⽔中氯离⼦含量不超过25mg/L。
8、通常,对碳素钢、16MnR钢制容器,液温不得低于5℃;除16MnR外的低合⾦钢容器则不低于15℃。
除了介质温度外,周围环境⽓温也应⾼于5℃,若低于5℃则采取防冻措施。
引进装置耐压试验时介质种类及其温度应按技术条件或国外制造⼚商的规定。
⼆、试验1、办好⽔压试验⼯作票后,安装受试壳体到试验装置上。
2、启动⽔压泵,排放装置中的空⽓。
应避免在⾼压时排放空⽓。
压⼒容器中应充满液体,滞留在容器内的⽓体必须排净。
特殊条件下压力容器耐压试验压力的确定探讨作为压力容器制造质量与安全运行的关键,耐压试验压力的确定受到了广大工作人员的充分重视。
压力容器作为特种设备的一种,如果其日常运营安全性与稳定性存在问题,会对人民的生命财产安全造成巨大的威胁,因此,我们不仅需要关注压力容器的设计、制造质量,还需要做特殊条件下的压力容器耐压试验,确保压力容器的安全可靠运行。
本文主要针对特殊条件下立式容器、固定式管板换热器以及真空绝热压力容器的特点,试探性的提出耐压试验压力的建议,以供广大同行参考与借鉴。
特殊条件下压力容器耐压试验压力的确定,是为了检验压力容器整体的强度是否符合标准,运行安全性、可靠性是否达标。
在进行压力容器耐压试验时,一般以高于设计压力20%或最大工作压力为试验标准考察压力容器的整体强度与安全性。
压力容器耐压试验的方法、压力确定、试验顺序等都需要结合压力容器的实际情况,才能够确保压力容器安全可靠的运行,为人民的生命财产安全提供保障。
立式容器耐压试验压力的确定在进行立式容器耐压试验压力的确定时,首先需要综合考量到压力容器设计最高承受压力,然后试验时,一般以超出最大设计压力或使用过程中最高工作压力的标准施压,针对部分设计压力较小或者容器较高的容器,需要综合考量到容器中液柱产生的静压力,并将之纳入容器最大工作压力范围内。
固定式管板换热器耐压试验压力的确定一般来说,固定式管板换热器壳程设计压力略小于管程设计压力,不过壳程设计压力与管程设计压力差距比较小,如果仍按照常规的试验压力施加,那么采用液压试验的方法就会存在一定的漏洞,即密封性检查与换热管、管板连接处的强度无法得到保证。
所以在提供试验压力的时候,多会提高壳程水压并保证壳程水压超过管程试验压力,这样就可以削减不必要的工艺步骤,诸如增加壳程壁厚度等等。
提高壳程水压试验压力,不需要增加一些其他工艺步骤,是一种极为简便并且有着显著试验效果的方法。
如果固定式管板换热器壳程设计压力与管程设计压力差距非常大,如果采用提高壳程水压的方法提供试验压力,那么必须加厚壳程壁并且还要改变壳程的法兰型式,虽然有着较好的试验效果,但这样加大了试验的成本,经济性不高。
压力容器水压试验控制压力容器作为核电设备生产制造过程中最关键的装置之一,可以通过水压试验的方式评估其密封性,焊接接缝的可靠性,以及整个容器的结构强度是否符合设计要求。
文章分析了核电站压力容器在水压试验中的控制要点,并就水压试验中的应变测试问题进行探讨,望能够在后续实践中引起工作人员的关注与重视。
标签:压力容器;水压试验;控制核电站压力容器需要长期工作于高温、高压、以及高辐射环境下,具有厚壁、高压的特点。
核电站压力容器主要由容器密封环、过渡段、下封斗、堆芯段筒体、顶盖组件、以及接管段筒体这几个部分构成。
堆芯部件需要由核电站压力容器提供支撑作用力,处于一回路压力边界,在安全等级、抗震等级、质量等级、以及设计等级方面均需要遵循I级标准。
因此,如何保障压力容器的稳定、可靠运行,对于整个核电站的安全生产而言是非常重要的。
水压试验能够准确评估所制造核电站设备的密封性,焊接接缝的可靠性,以及整个容器的结构强度是否符合设计要求。
文章即就此类压力容器在水压试验中的控制要点进行分析探讨。
1 水压试验控制要点1.1 清洁控制在核电站压力容器进行水压试验前,需要安排专人遵循程序文件要求,对压力容器内部、外部表面清洁度进行检查,确保在进行水压试验的过程当中,表面不残留油漆、划线、或液体渗透痕迹,对标记胶带以及油脂痕迹进行清除。
1.2 水质控制结合国际标准《压水堆核岛机械设备设计和建造规则》来看,在核电站压力容器进行水压试验时,对相关指标的要求非常严格,因此也对试验中的用水水质提出了较高要求。
在《压水堆核岛机械设备设计和建造规则》当中已经明确规定了水压试验用水应当符合B级水要求(即:电导率=20.0us/cm;氯含量=0.15*10-6;氟含量=0.15*10-6;酸碱值=6.0~8.0)。
除对水质有严格要求以外,在水压试验中还需要对用水温度进行整体控制。
本环节中需要遵循的控制要点有以下几个方面:第一,核电站压力容器外壁温度应≥产品部件构成部分最高韧性脆度+30.0℃;第二,外壁温度应≤60.0℃;第三,大螺栓与容器温度差异应≤20.0℃。
耐压测试报告
测试对象:XXXXXX产品
测试时间:XXXX年XX月XX日
测试地点:XXXXXXX
测试目的:对该产品进行耐压测试,验证其耐受电压的能力,以保证其在正常使用过程中的安全性和稳定性。
测试设备:
1. 高压电源
2. 数字电压表
3. 测试夹具
测试流程:
1. 将产品连接到测试夹具上,并接通高压电源。
2. 逐步升高电压,每升高5V停留5秒,直至达到设定的耐受电压范围。
3. 保持电压恒定,持续10分钟。
4. 恢复产品正常工作状态,观察其性能是否正常。
测试结果:
根据测试结果,该产品的耐受电压范围为XXXV至XXXV,经过测试,产品能够稳定工作且性能正常,符合国家标准和相关规定要求。
结论:
该产品在耐受电压方面表现良好,经测试符合国家标准和相关规定要求,可放心使用。
测试人员:
测试人员签字:_____________
测试部门负责人签字:_____________。
XXXXXXXXX公司压力容器水压试验方案编号:项目名称:XXXXXXXXXXXXXXXXXX耐压试验委托单位:XXXXXXXXX公司试验方式:水压试验(水压试验)试验时机:在制编制人:审核人:批准人:XXXXXXXX公司年月日目录1 目的 (1)2 适用范围: (1)2.1 编制依据 (1)2.2 工程概况 (1)3 水压试验准备 (1)3.1 试验人员 (1)3.2 场地及设备准备 (2)3.3 试验用器具 (2)3.4 水压试验工艺 (2)4 水压试验程序及步骤 (3)4.1 容器检查 (3)4.2 容器密封 (3)4.3 水压试验系统连接 (3)4.4 注水和加压 (4)4.5 保压 (4)4.6 检查和记录 (4)4.7 降压排水 (5)4.8 合格标准 (5)4.9 水压试验报告和存档 (5)4.10 返修 (5)5 注意事项 (5)压力容器水压试验方案1 目的为了规范检验检测人员的水压试验作业行为,严格执行国家法规、标准和设备的技术要求,确保检验检测过程的安全性和高效性,保障检测结果的准确性和有效性,提高工作效率和责任感,确保工程质量,编制本方案。
2 适用范围:适用于固定式压力容器的耐压试验(水压试验)。
2.1 编制依据本方案的编制依据包括但不限于下列法规、标准及文件,所引用的法规、标准和文件以最新版或现行版为准。
1)TSG 21-2016 固定式压力容器安全技术监察规程2)GB/T 150-2011 压力容器;3)GB/T 151-2014 热交换器;2.2 工程概况(1)工程名称:;(2)工程地点:;(3)检测单位:。
受检设备信息见表1表1固定式压力容器水压试验信息表3 水压试验准备3.1 试验人员(1)压力容器水压试验人员应具有一定的金属材料、设备制造安装、焊接及热处理等方面的基本知识,应熟悉被检工件的特性、材质、几何尺寸等,对试验过程中出现的问题能作出分析、判断和处理。
(2)试验人员应经过专业的技术培训,熟悉特种设备法规标准和技术要求,取得相应试验人员资格证。
压力容器水压试验的重要性发表时间:2017-11-21T11:17:41.920Z 来源:《基层建设》2017年第23期作者:张佑英[导读] 摘要:水压试验是指以水为介质,以规定的试验压力对锅炉、压力容器、压力管道的受压部件所进行的耐压试验。
武汉凯迪电力环保有限公司湖北武汉 430223 摘要:水压试验是指以水为介质,以规定的试验压力对锅炉、压力容器、压力管道的受压部件所进行的耐压试验。
压力容器水压试验的重要性主要表现在以下两个方面:①检验受压部件的耐压强度,可以有效地避免运行中因受压部件损坏且又不宜被发现的缺陷而引起的事故。
②检验受压部件及其焊缝、胀口、密封面(人孔、检查孔、手孔)、法兰(或螺栓)等连接处是否严密,有无渗漏。
关键词:压力容器;水压试验压力 1 前言压力容器制造好后,需最后对压力容器进行压力试验,压力试验的目的在于全面检验压力容器承压部件的强度(耐压试验)和严密性(气密性试验),是对容器选材、设计计算、结构以及制造质量的综合性检查。
在试验过程中,通过观察承压部件有无明显变形或破裂,来验证压力容器是否具有设计压力下安全运行所必需的承压能力;同时,通过观察焊缝、法兰等连接处有无渗漏,检验压力容器的严密性。
由于耐压试验的试验压力比最高工作压力高,所以应该考虑到压力容器在耐压试验进行过程中存在一定的危险,如耐压试验介质的喷出、产品的破裂甚至产生金属碎片等。
耐压试验可以用气压试验,也可以用水压试验。
之所以优先选择水压试验,最主要的原因还是气压试验比较危险。
2 压力容器及水压试验概述压力容器是指承受流体介质压力的密闭设备,是一种可能引起爆炸或中毒等危害性较大事故的特种设备,一旦发生爆炸或泄漏,往往并发火灾、中毒、污染环境、人身伤亡等灾难性事故。
压力容器水压试验(即超压水压试验)是压力容器检验的重要手段之一,通过向压力容器充水和加压,在加压过程中及加压后检测容器筒体、封头、配件等受压元件的材料及焊缝有无渗漏破裂,在试验压力下是否产生肉眼可见的塑性变形。