MSP430G2553定时器,MSP430G2553有几个定时器
- 格式:docx
- 大小:9.66 KB
- 文档页数:3
ADC10CTL0; ADC10 Control Register 0SREF_x :基准电压ADC10SHT_x :采样时间(4,8,16,64)ADC10SR :设置采样频率REFOUT :参考输出REFBUST :0:连续参考信号1:采样和转换时候有参考MSC :多次采样REF2_5V :1_5或者2_5REFON :参考电压设置ADC10ON :开ADADC10IE :开中断ADC10IFG :中断标志ENC :转换使能ADC10SC :开始转换ADC10CTL1; ADC10 Control Register 1INCH_x :通道选择SHS_x :ADC10DF :0:二进制数据1:补码数据ISSH :1:翻转信号ADC10DIV_x :分频1-8ADC10SSEL_x :时钟选择ADC10OSC:ACLK:MCLK:SMCLKCONSEQ_x :转换模式ADC10BUSY :忙检测ADC10AE0, Analog (Input) Enable Control Register 0模拟启用0ADC10AE0_x :X模拟输入引脚使能ADC10MEM, Conversion-Memory Register, Binary Format内存ADC10DTC0, Data Transfer Control Register 0(8) ADC 数据传.控制寄存器1ADC10TB :0:一个传输模块1:两个传输模块(bit3)ADC10CT :0:有数据采集是停止1:数据传输继续,除非ADC10CT清除或者ADC10SA在写ADC10B1 :0:模块2失败1:模块1失败ADC10FETCH :为1ADC10DTC1, Data Transfer Control Register 1(8) ADC 数据传.控制寄存器1定义采样次数:00H-FFH 次,最高16次;ADC10SA, Start Address Register for Data TransferTACTL, Timer_A Control Register (bit15---bit10 unused)TASSEL_x : bit9--bit8 时钟源选择:TACLK ,ACLK,SMCLK,INCLKID_x :bit7--bit6 设置分频1/2/4/8MC_x :bit5--bit4 设置工作模式stop,up,continuous,up/downTACLR :bit2 置位计数器TAR清零TAIE :bit1 定时器A1中断使能TAIFG :bit0 定时器中断标志TAR, Timer_A Register计数器TARTACCRx, Timer_A Capture/Compare Register x比较/捕获模式寄存器。
MSP430G2553捕获程序案例与经验分享MSP430G2553单片机定时器A有3个捕获比较寄存器CCR0,CCR1,CCR2.。
MSP430G2553捕获程序应用很广泛,电子工程师可以多加了解。
所谓捕获,就是我们来检测外围的信号跳变时刻(此时信号理解为数字信号,即脉冲),此信号乃为我们捕获的对象,可以测量信号的脉冲宽度,即频率等。
捕获首先需要考虑的初始化工作1.设置BCS模块,确定系统时钟MCLK子系统时钟SMCLK把MCLK设置为8MHZ,SMCLK设置为1MHZ。
2.捕获输入引脚的选择选择IO引脚时应查阅器件的手册,能够快速的查阅PDF资料找到正确的答案是一个程序员的基本素质。
3.程序设计思路根据测频的原理,需要2次捕获才能测量一次输入信号的频率。
因此要定义2个变量保存2次捕获结果。
变量是无符号的整数型变量(与捕获寄存器的字长匹配)。
输入信号与CPU的工作是异步的,所以设计程序的时候是不知道什么时候才有捕获输入。
程序处理何时发生了捕获的方法有2种一是查询的方法,定时器硬件在发生捕获事件后会置捕获中断表示CCIF为1,程序在主循环里不断的查询这个标志即可判断是否有捕获事件发生。
二是定时器中断法,当发生捕获事件时必产生定时器中断,在中断中读取捕获寄存器即可。
查询的方法不是好的程序设计方法,因为查询时要占用CPU,使得CPU不能再做其他任务。
中断的方法对初学者有一定的困难。
即中断程序如何与主程序通信(交换信息)。
理解中断及设计中断服务程序要困难一些。
捕获模式捕获外部输入的信号的上升沿或下降沿或上升沿下降沿都捕捉,当捕捉发生时,把TAR 的值装载到TACCRx中,同时也可以进入中断,执行相应的操作。
这样利用捕捉上升沿或。
1 初步了解MSP430G25531.1 熟悉IAR开发软件参加这个培训之前,我们这组对430单片机是一无所知,这也注定了我们在培训其间要比别的组更加辛苦。
我们首先收集了个方面430单片机的资料,然后才知道了这个IAR开发软件,之后我们一步步的按照教程,熟悉整个工程的建立,编译,调试,下载流程。
1.2了解MSP430G2553的资源图1-1MSP430G2553是超低功耗混合信号微控制器,有两个16 位Timer_A,分别具有三个捕获/比较寄存路器,一个通用型模拟比较器以及采用通用串行通信接口的内置通信能力,支持自动波特率检测的增强型通用异步收发器(UART)、同步SPI、I2C,还具有一个10 位模数(A/D) 转换器等等。
2 学习MSP430G2553各个模块2.1 MSP430x2xx系列单片机的系统时钟MSP430单片机工作的系统时钟被分为了MCLK、SMCLK和ACLK三个,可以根据需要关闭或选择其中的一个或全部。
三种时钟的功能区别如下:1)MCLK:主时钟(Main system Clock),专为CPU运行提供的时钟。
2)SMCLK:子系统时钟(Sub-main Clock),专为一些需要高速时钟的片内外设提供服务,比如定时器和ADC采样等。
3)ACLK:辅助时钟(Auxillary Clock),辅助时钟的频率很低,所以即使一直开启功耗也不大。
MSP430x2xx系列单片机的CPU共有5种工作模式分别为AM(Active Mode)、LPM0(Low Power Mode 0)、LPM1、LPM2、LPM3。
图2-1系统时钟模块主要通过DCOCTL,BCSCTL1,BCSCTL2,BCSCTL3三大寄存器控制。
可以选择系统的时钟的来源,分频因素,工作模式等等。
2.2 GPIO在MSP430G2553单片机中,共有16个IO口,属于IO口较少的系列。
每个IO口有四个控制寄存器,P1和P2还有额外的3个中断寄存器。
Msp430定时器的介绍及其基本应用Msp430定时器的介绍及其基本应用Msp430单片机一共有5种类型的定时器。
看门狗定时器(WDT)、基本定时器(Basic Timer1)、8位定时器/计数器(8-bit Timer/Counter)、定时器A(Timer_A)和定时器B(Timer_B)。
但是这些模块不是所有msp430型号都具有的功能。
1、看门狗定时器(WDT)学过电子的人可能都知道,看门狗的主要功能就是当程序发生故障时能使受控系统重新启动。
msp430中它是一个16位的定时器,有看门狗和定时器两种模式。
2、基本定时器(Basic Timer1)基本定时器是msp430x3xx和msp430F4xx系列器件中的模块,通常向其他外围提供低频控制信号。
它可以只两个8位定时器,也可以是一个16位定时器。
3、8位定时器/计数器(8-bit Timer/Counter)如其名字所示,它是8位的定时器,主要应用在支持串行通信或数据交换,脉冲计数或累加以及定时器使用。
4、16位定时器A和B定时器A在所有msp430系列单片机中都有,而定时器B在msp430f13x/14x和msp430f43x/44x等器件中出现,基本的结构和定时器A是相同的,由于本人最先熟悉并应用的是定时器A所以在这里就主要谈一下自己对定时器A的了解和应用。
定时器A是16位定时器,有4种工作模式,时钟源可选,一般都会有3个可配置输入端的比较/捕获寄存器,并且有8种输出模式。
通过8种输出模式很容易实现PWM波。
定时器A的硬件电路大致可分为2类功能模块:一:计数器TAR计数器TAR是主体,它是一个开启和关闭的定时器,如果开启它就是一直在循环计数,只会有一个溢出中断,也就是当计数由0xffff到0时会产生一个中断TAIFG。
二:比较/捕获寄存器CCRX如何实现定时功能呢?这就要靠三个比较/捕获寄存器了(以后用CCRx表示)。
当计数器TAR的计数值等于CCRx时(这就是捕获/比较中的比较的意思:比较TAR是否等于CCRx),CCRx单元会产生一个中断。
MSP430G2553学习笔记(数据手册)MSP430G2553性能参数(DIP-20) 工作电压范围:1.8~3.6V。
5种低功耗模式。
16位的RISC结构,62.5ns指令周期。
超低功耗:运行模式-230µA;待机模式-0.5µA;关闭模式-0.1µA;可以在不到1µs的时间里超快速地从待机模式唤醒。
基本时钟模块配置:具有四种校准频率并高达16MHz的内部频率;内部超低功耗LF振荡器;32.768KHz晶体;外部数字时钟源。
两个16 位Timer_A,分别具有三个捕获/比较寄存器。
用于模拟信号比较功能或者斜率模数(A/D)转换的片载比较器。
带内部基准、采样与保持以及自动扫描功能的10位200-ksps 模数(A/D)转换器。
16KB闪存,512B的RAM。
16个I/O口。
注意:MSP430G2553无P3口!MSP430G2553的时钟基本时钟系统的寄存器DCOCTL-DCO控制寄存器DCOxDCO频率选择控制1MODxDCO频率校正选择,通常令MODx=0注意:在MSP430G2553上电复位后,默认RSEL=7,DCO=3,通过数据手册查得DCO频率大概在0.8~1.5MHz之间。
BCSCTL1-基本时钟控制寄存器1XT2OFF不用管,因为MSP430G2553内部没有XT2提供的HF时钟XTS不用管,默认复位后的0值即可DIV Ax设置ACLK的分频数00 /101 /210 /411 /8RSELxDCO频率选择控制2BCSCTL2-基本时钟控制寄存器2SELMxMCLK的选择控制位00 DCOCLK01 DCOCLK10 LFXT1CLK或者VLOCLK11 LFXT1CLK或者VLOCLK DIVMx设置MCLK的分频数00 /101 /210 /411 /8SELSSMCLK的选择控制位0 DCOCLK1 LFXT1CLK或者VLOCLK DIVSx设置SMCLK的分频数00 /101 /210 /411 /8DCORDCO直流发生电阻选择,此位一般设00 内部电阻1 外部电阻BCSCTL3-基本时钟控制寄存器3XT2Sx不用管LFXT1Sx00 LFXT1选为32.768KHz晶振01 保留10 VLOCLK11 外部数字时钟源XCAPxLFXT1晶振谐振电容选择00 1pF01 6pF10 10pF11 12.5pFmsp430g2553.h中基本时钟系统的内容/************************************************************* Basic Clock Module************************************************************/#define __MSP430_HAS_BC2__ /* Definition to show that Module is available */SFR_8BIT(DCOCTL); /* DCO Clock Frequency Control */SFR_8BIT(BCSCTL1); /* Basic Clock System Control 1 */SFR_8BIT(BCSCTL2); /* Basic Clock System Control 2 */SFR_8BIT(BCSCTL3); /* Basic Clock System Control 3 */#define MOD0 (0x01) /* Modulation Bit 0 */#define MOD1 (0x02) /* Modulation Bit 1 */#define MOD2 (0x04) /* Modulation Bit 2 */#define MOD3 (0x08) /* Modulation Bit 3 */#define MOD4 (0x10) /* Modulation Bit 4 */#define DCO0 (0x20) /* DCO Select Bit 0 */#define DCO1 (0x40) /* DCO Select Bit 1 */#define DCO2 (0x80) /* DCO Select Bit 2 */#define RSEL0 (0x01) /* Range Select Bit 0 */#define RSEL1 (0x02) /* Range Select Bit 1 */#define RSEL2 (0x04) /* Range Select Bit 2 */#define RSEL3 (0x08) /* Range Select Bit 3 */#define DIVA0 (0x10) /* ACLK Divider 0 */#define DIVA1 (0x20) /* ACLK Divider 1 */#define XTS (0x40) /* LFXTCLK 0:Low Freq. / 1: High Freq. */ #define XT2OFF (0x80) /* Enable XT2CLK */#define DIVA_0 (0x00) /* ACLK Divider 0: /1 */#define DIVA_1 (0x10) /* ACLK Divider 1: /2 */#define DIVA_2 (0x20) /* ACLK Divider 2: /4 */#define DIVA_3 (0x30) /* ACLK Divider 3: /8 */#define DIVS0 (0x02) /* SMCLK Divider 0 */#define DIVS1 (0x04) /* SMCLK Divider 1 */#define SELS (0x08) /* SMCLK Source Select 0:DCOCLK /1:XT2CLK/LFXTCLK */#define DIVM0 (0x10) /* MCLK Divider 0 */#define DIVM1 (0x20) /* MCLK Divider 1 */#define SELM0 (0x40) /* MCLK Source Select 0 */#define SELM1 (0x80) /* MCLK Source Select 1 */#define DIVS_0 (0x00) /* SMCLK Divider 0: /1 */#define DIVS_1 (0x02) /* SMCLK Divider 1: /2 */#define DIVS_2 (0x04) /* SMCLK Divider 2: /4 */#define DIVS_3 (0x06) /* SMCLK Divider 3: /8 */#define DIVM_0 (0x00) /* MCLK Divider 0: /1 */#define DIVM_1 (0x10) /* MCLK Divider 1: /2 */#define DIVM_2 (0x20) /* MCLK Divider 2: /4 */#define DIVM_3 (0x30) /* MCLK Divider 3: /8 */#define SELM_0 (0x00) /* MCLK Source Select 0: DCOCLK */#define SELM_1 (0x40) /* MCLK Source Select 1: DCOCLK */#define SELM_2 (0x80) /* MCLK Source Select 2: XT2CLK/LFXTCLK */#define SELM_3 (0xC0) /* MCLK Source Select 3: LFXTCLK */#define LFXT1OF (0x01) /* Low/high Frequency Oscillator Fault Flag */#define XT2OF (0x02) /* High frequency oscillator 2 fault flag */#define XCAP0 (0x04) /* XIN/XOUT Cap 0 */#define XCAP1 (0x08) /* XIN/XOUT Cap 1 */#define LFXT1S0 (0x10) /* Mode 0 for LFXT1 (XTS = 0) */#define LFXT1S1 (0x20) /* Mode 1 for LFXT1 (XTS = 0) */#define XT2S0 (0x40) /* Mode 0 for XT2 */#define XT2S1 (0x80) /* Mode 1 for XT2 */#define XCAP_0 (0x00) /* XIN/XOUT Cap : 0 pF */#define XCAP_1 (0x04) /* XIN/XOUT Cap : 6 pF */#define XCAP_2 (0x08) /* XIN/XOUT Cap : 10 pF */#define XCAP_3 (0x0C) /* XIN/XOUT Cap : 12.5 pF */#define LFXT1S_0 (0x00) /* Mode 0 for LFXT1 : Normal operation */ #define LFXT1S_1 (0x10) /* Mode 1 for LFXT1 : Reserved */#define LFXT1S_2 (0x20) /* Mode 2 for LFXT1 : VLO */#define LFXT1S_3 (0x30) /* Mode 3 for LFXT1 : Digital input signal */#define XT2S_0 (0x00) /* Mode 0 for XT2 : 0.4 - 1 MHz */#define XT2S_1 (0x40) /* Mode 1 for XT2 : 1 - 4 MHz */#define XT2S_2 (0x80) /* Mode 2 for XT2 : 2 - 16 MHz */#define XT2S_3 (0xC0) /* Mode 3 for XT2 : Digital input signal */基本时钟系统例程(DCO)MSP430G2553在上电之后默认CPU执行程序的时钟MCLK来自于DCO时钟。
上次Cloud和大家一起学习完了MSP430的时钟配置,这一篇,我们来学习MSP430单片机的TimerA (定时/计数器A)。
MSP430单片机的TimerA具有非常强大的功能,相关的寄存器配置也相当复杂,Cloud花了好久才逐步理清学习思路,尤其是学习数据手册的相关描述。
在这里Cloud提醒大家,虽然现在网上有中文汉化版的数据手册,但Cloud阅读英文原版后对比发现还是英文原版对器件特性描述得更加清楚,而中文汉化版的省略掉了一些内容。
好吧,扯远了。
下面进入正题:一、MSP430的Timer结构首先让我们通过官方描述来初步了解一下MSP430单片机的Timer资源:定时器A是一个16位的定时/计数器。
定时器A支持多重捕获/比较,PWM输出和内部定时。
定时器还有扩展中断功能,中断可以由定时器溢出产生或由捕获/比较寄存器产生。
定时器A的特性包括:??·四种运行模式的异步16位定时/计数器??·可选择配置的时钟源??·可配置的PWM输出??·异步输入和输出锁存??·对所有TA中断快速响应的中断向量寄存器MSP430G2553单片机共有两个TimerA,分别是Timer0A和Timer1A。
OK,零零总总说了这么多,大家一定带有很多的疑惑,比如什么叫“捕获/比较”等,这里Cloud 先不作解释,会用才是王道。
我们呢先找来定时器A的结构图给大家初步了解一下定时器A的结构:我们先从上面部分开始解释。
中间红色的是一个16位的TimerA,TAR,这其实就是MSP430单片机内部的一个定时计数器了,类似于51中的TH0和TL0的合体。
既然可以拿来计时,那么肯定可以有时钟信号输入,让我们最左边黄色的框,是一个选择器,由上面的TASSEL来选择TACLK、ACLK、SMCLK、INCLK的其中一种时钟。
上次我们已经学习过ACLK和SMCLK,也知道如何配置这两个时钟了(这也是为什么先学习时钟的原因),另外两个是外部时钟源,其中TACLK可以由P1.0输入。
MSP430g2553串口通信MSP430的不同型号,其串行通讯工作模式是一样的。
以MSP430G2553为例进行说明。
MSP430G2553是20个引脚的16位单片机。
具有内置的16位定时器、16k 的FLASH 和512B 的RAM ,以及一个通用型模拟比较器以及采用通用串行通信接口的内置通信能力。
此外还具有一个10位的模数(A/D)转换器。
其引脚排布如图1.1所示。
其功能表如表1.1所示。
串行通讯模块主要由三个部分组成:波特率生成部分、发送控制器以及接收控制器。
如图1.2所示。
一、UART 模式在异步模式下,接收器自身实现帧的同步,外部的通讯设备并不使用这一时钟。
波特率的产生是在本地完成的。
异步帧格式由1个起始位、7或8个数据位、校验位(奇/偶/无)、1个地址位、和1或2个停止位。
一般最小帧为9个位,最大为13位。
图1.2 串行通讯模块内部结构图图1.1 MSP430G2553引脚图(一)UART的初始化单片机工作的时钟源来自内部三个时钟或者外部输入时钟,由SSEL1、SSEL0,以决定最终进入模块的时钟信号BRCLK的频率。
所以配置串行通讯的第一步就是选择时钟。
通过选择时钟源和波特率寄存器的数据来确定位周期。
所以波特率的配置是串行通讯中最重要的一部分。
波特率设置用三个寄存器实现:UxBR0(选择控制器0):波特率发生器分频系数低8位。
UxBR1(选择控制器1):波特率发生器分频系数高8位。
UxMCTL 数据传输的格式,以及数据传输的模式是通过配置控制寄存器UCTL来进行设置。
接收控制部分和发送控制部分。
首先需要串行口进行配置、使能以及开启中断。
串口接收数据一般采用中断方式,发送数据采用主动发送。
当接收到一个完整的数据,产生一个信号:URXIFG0=1(类似于51单片机的接收中断标志位),表示接收完整的数据。
当数据正在发送中,UTXIFG0=1,此时不能再发送数据,必须等当前数据发送完毕(UTXIFG0=0)才能进行发送。
MSP430寄存器中文注释---P1/2口(带中断功能)/************************************************************ * DIGITAL I/O Port1/2 寄存器定义有中断功能************************************************************/ #define P1IN_ 0x0020 /* P1 输入寄存器 */const sfrb P1IN = P1IN_;#define P1OUT_ 0x0021/* P1 输出寄存器 */ sfrb P1OUT = P1OUT_;#define P1DIR_ 0x0022 /* P1 方向选择寄存器 */sfrb P1DIR = P1DIR_;#define P1IFG_ 0x0023 /* P1 中断标志寄存器*/sfrb P1IFG = P1IFG_;#define P1IES_ 0x0024 /* P1 中断边沿选择寄存器*/ sfrb P1IES = P1IES_;#define P1IE_ 0x0025 /* P1 中断使能寄存器 */sfrb P1IE = P1IE_;#define P1SEL_ 0x0026 /* P1 功能选择寄存器*/sfrb P1SEL = P1SEL_;#define P2IN_ 0x0028 /* P2 输入寄存器 */const sfrb P2IN = P2IN_;#define P2OUT_ 0x0029 /* P2 输出寄存器*/sfrb P2OUT = P2OUT_;#define P2DIR_ 0x002A /* P2 方向选择寄存器*/ sfrb P2DIR = P2DIR_;#define P2IFG_ 0x002B /* P2 中断标志寄存器 */sfrb P2IFG = P2IFG_;#define P2IES_ 0x002C /* P2 中断边沿选择寄存器 */ sfrb P2IES = P2IES_;#define P2IE_ 0x002D /* P2 中断使能寄存器 */sfrb P2IE = P2IE_;#define P2SEL_ 0x002E /* P2 功能选择寄存器 */sfrb P2SEL = P2SEL_;MSP430寄存器中文注释---P3/4口(无中断功能)/************************************************************* DIGITAL I/O Port3/4寄存器定义无中断功能************************************************************/#define P3IN_ 0x0018 /* P3 输入寄存器 */const sfrb P3IN = P3IN_;#define P3OUT_ 0x0019 /* P3 输出寄存器 */sfrb P3OUT = P3OUT_;#define P3DIR_ 0x001A /* P3 方向选择寄存器 */sfrb P3DIR = P3DIR_;#define P3SEL_ 0x001B /* P3 功能选择寄存器*/sfrb P3SEL = P3SEL_;#define P4IN_ 0x001C /* P4 输入寄存器 */const sfrb P4IN = P4IN_;#define P4OUT_ 0x001D /* P4 输出寄存器 */sfrb P4OUT = P4OUT_;#define P4DIR_ 0x001E /* P4 方向选择寄存器 */sfrb P4DIR = P4DIR_;#define P4SEL_ 0x001F /* P4 功能选择寄存器 */sfrb P4SEL = P4SEL_;/************************************************************* DIGITAL I/O Port5/6 I/O口寄存器定义PORT5和6 无中断功能************************************************************/#define P5IN_ 0x0030 /* P5 输入寄存器 */const sfrb P5IN = P5IN_;#define P5OUT_ 0x0031 /* P5 输出寄存器*/sfrb P5OUT = P5OUT_;#define P5DIR_ 0x0032 /* P5 方向选择寄存器*/ sfrb P5DIR = P5DIR_;#define P5SEL_ 0x0033 /* P5 功能选择寄存器*/ sfrb P5SEL = P5SEL_;#define P6IN_ 0x0034 /* P6 输入寄存器 */const sfrb P6IN = P6IN_;#define P6OUT_ 0x0035 /* P6 输出寄存器*/sfrb P6OUT = P6OUT_;#define P6DIR_ 0x0036 /* P6 方向选择寄存器*/ sfrb P6DIR = P6DIR_;#define P6SEL_ 0x0037 /* P6 功能选择寄存器*/ sfrb P6SEL = P6SEL_;MSP430寄存器中文注释--- 硬件乘法器/************************************************************硬件乘法器的寄存器定义************************************************************/ #define MPY_ 0x0130 /* 无符号乘法 */sfrw MPY = MPY_;#define MPYS_ 0x0132 /* 有符号乘法*/sfrw MPYS = MPYS_;#define MAC_ 0x0134 /* 无符号乘加 */sfrw MAC = MAC_;#define MACS_ 0x0136 /* 有符号乘加 */sfrw MACS = MACS_;#define OP2_ 0x0138 /* 第二乘数 */sfrw OP2 = OP2_;#define RESLO_ 0x013A /* 低6位结果寄存器 */sfrw RESLO = RESLO_;#define RESHI_ 0x013C /* 高6位结果寄存器 */sfrw RESHI = RESHI_;#define SUMEXT_ 0x013E /*结果扩展寄存器*/const sfrw SUMEXT = SUMEXT_;MSP430寄存器中文注释---看门狗和定时器/************************************************************* 看门狗定时器的寄存器定义************************************************************/#define WDTCTL_ 0x0120sfrw WDTCTL = WDTCTL_;#define WDTIS0 0x0001 /*选择WDTCNT的四个输出端之一*/#define WDTIS1 0x0002 /*选择WDTCNT的四个输出端之一*/#define WDTSSEL 0x0004 /*选择WDTCNT的时钟源*/#define WDTCNTCL 0x0008 /*清除WDTCNT端: 为1时从0开始计数*/#define WDTTMSEL 0x0010 /*选择模式0: 看门狗模式; 1: 定时器模式*/#define WDTNMI 0x0020 /*选择NMI/RST 引脚功能 0:为 RST; 1:为NMI*/#define WDTNMIES 0x0040 /*WDTNMI=1时.选择触发延 0:为上升延 1:为下降延*/ #define WDTHOLD 0x0080 /*停止看门狗定时器工作 0:启动;1:停止*/#define WDTPW 0x5A00 /* 写密码:高八位*//* SMCLK= 1MHz定时器模式 */#define WDT_MDLY_32 WDTPW+WDTTMSEL+WDTCNTCL /*TSMCLK*2POWER15=32ms 复位状态 */#define WDT_MDLY_8 WDTPW+WDTTMSEL+WDTCNTCL+WDTIS0 /*TSMCLK*2POWER13=8.192ms " */#define WDT_MDLY_0_5 WDTPW+WDTTMSEL+WDTCNTCL+WDTIS1 /*TSMCLK*2POWER9=0.512ms " */#define WDT_MDLY_0_064 WDTPW+WDTTMSEL+WDTCNTCL+WDTIS1+WDTIS0 /*TSMCLK*2POWER6=0.512ms " *//* ACLK=32.768KHz 定时器模式*/#define WDT_ADLY_1000 WDTPW+WDTTMSEL+WDTCNTCL+WDTSSEL /* TACLK*2POWER15=1000ms " */#define WDT_ADLY_250 WDTPW+WDTTMSEL+WDTCNTCL+WDTSSEL+WDTIS0 /* TACLK*2POWER13=250ms " */#define WDT_ADLY_16 WDTPW+WDTTMSEL+WDTCNTCL+WDTSSEL+WDTIS1 /* TACLK*2POWER9=16ms " */#define WDT_ADLY_1_9 WDTPW+WDTTMSEL+WDTCNTCL+WDTSSEL+WDTIS1+WDTIS0 /* TACLK*2POWER6=1.9ms " *//* SMCLK=1MHz看门狗模式 */#define WDT_MRST_32 WDTPW+WDTCNTCL /* TSMCLK*2POWER15=32ms 复位状态*/#define WDT_MRST_8 WDTPW+WDTCNTCL+WDTIS0 /* TSMCLK*2POWER13=8.192ms " */#define WDT_MRST_0_5 WDTPW+WDTCNTCL+WDTIS1 /* TSMCLK*2POWER9=0.512ms " */#define WDT_MRST_0_064 WDTPW+WDTCNTCL+WDTIS1+WDTIS0 /* TSMCLK*2POWER6=0.512ms " *//* ACLK=32KHz看门狗模式 */#define WDT_ARST_1000 WDTPW+WDTCNTCL+WDTSSEL /* TACLK*2POWER15=1000ms " */#define WDT_ARST_250 WDTPW+WDTCNTCL+WDTSSEL+WDTIS0 /* TACLK*2POWER13=250ms " */#define WDT_ARST_16 WDTPW+WDTCNTCL+WDTSSEL+WDTIS1 /* TACLK*2POWER9=16ms " */#define WDT_ARST_1_9 WDTPW+WDTCNTCL+WDTSSEL+WDTIS1+WDTIS0 /* TACLK*2POWER6=1.9ms " */MSP430寄存器中文注释---A/D采样寄存器定义/************************************************************* ADC12 A/D采样寄存器定义************************************************************//*ADC12转换控制类寄存器*/#define ADC12CTL0_ 0x0;' /* ADC12 Control 0 */sfrw ADC12CTL0 = ADC12CTL0_;#define ADC12CTL1_ 0x01A2 /* ADC12 Control 1 */sfrw ADC12CTL1 = ADC12CTL1_;/*ADC12中断控制类寄存器*/#define ADC12IFG_ 0x01A4 /* ADC12 Interrupt Flag */sfrw ADC12IFG = ADC12IFG_;#define ADC12IE_ 0x01A6 /* ADC12 Interrupt Enable */sfrw ADC12IE = ADC12IE_;#define ADC12IV_ 0x01A8 /* ADC12 Interrupt Vector Word */sfrw ADC12IV = ADC12IV_;/*ADC12存贮器类寄存器*/#define ADC12MEM_ 0x0140 /* ADC12 Conversion Memory */#ifndef __IAR_SYSTEMS_ICC#define ADC12MEM ADC12MEM_ /* ADC12 Conversion Memory (for assembler) */ #else#define ADC12MEM ((int*) ADC12MEM_) /* ADC12 Conversion Memory (for C) */ #endif#define ADC12MEM0_ ADC12MEM_ /* ADC12 Conversion Memory 0 */sfrw ADC12MEM0 = ADC12MEM0_;#define ADC12MEM1_ 0x0142 /* ADC12 Conversion Memory 1 */sfrw ADC12MEM1 = ADC12MEM1_;#define ADC12MEM2_ 0x0144 /* ADC12 Conversion Memory 2 */sfrw ADC12MEM2 = ADC12MEM2_;#define ADC12MEM3_ 0x0146 /* ADC12 Conversion Memory 3 */sfrw ADC12MEM3 = ADC12MEM3_;#define ADC12MEM4_ 0x0148 /* ADC12 Conversion Memory 4 */sfrw ADC12MEM4 = ADC12MEM4_;#define ADC12MEM5_ 0x014A /* ADC12 Conversion Memory 5 */sfrw ADC12MEM5 = ADC12MEM5_;#define ADC12MEM6_ 0x014C /* ADC12 Conversion Memory 6 */sfrw ADC12MEM6 = ADC12MEM6_;#define ADC12MEM7_ 0x014E /* ADC12 Conversion Memory 7 */sfrw ADC12MEM7 = ADC12MEM7_;#define ADC12MEM8_ 0x0150 /* ADC12 Conversion Memory 8 */sfrw ADC12MEM8 = ADC12MEM8_;#define ADC12MEM9_ 0x0152 /* ADC12 Conversion Memory 9 */sfrw ADC12MEM9 = ADC12MEM9_;#define ADC12MEM10_ 0x0154 /* ADC12 Conversion Memory 10 */sfrw ADC12MEM10 = ADC12MEM10_;#define ADC12MEM11_ 0x0156 /* ADC12 Conversion Memory 11 */sfrw ADC12MEM11 = ADC12MEM11_;#define ADC12MEM12_ 0x0158 /* ADC12 Conversion Memory 12 */sfrw ADC12MEM12 = ADC12MEM12_;#define ADC12MEM13_ 0x015A /* ADC12 Conversion Memory 13 */sfrw ADC12MEM13 = ADC12MEM13_;#define ADC12MEM14_ 0x015C /* ADC12 Conversion Memory 14 */sfrw ADC12MEM14 = ADC12MEM14_;#define ADC12MEM15_ 0x015E /* ADC12 Conversion Memory 15 */sfrw ADC12MEM15 = ADC12MEM15_;/*ADC12存贮控制类寄存器*/#define ADC12MCTL_ 0x0080 /* ADC12 Memory Control */#ifndef __IAR_SYSTEMS_ICC#define ADC12MCTL ADC12MCTL_ /* ADC12 Memory Control (for assembler) */#else#define ADC12MCTL ((char*) ADC12MCTL_) /* ADC12 Memory Control (for C) */ #endif#define ADC12MCTL0_ ADC12MCTL_ /* ADC12 Memory Control 0 */sfrb ADC12MCTL0 = ADC12MCTL0_;#define ADC12MCTL1_ 0x0081 /* ADC12 Memory Control 1 */sfrb ADC12MCTL1 = ADC12MCTL1_;#define ADC12MCTL2_ 0x0082 /* ADC12 Memory Control 2 */sfrb ADC12MCTL2 = ADC12MCTL2_;#define ADC12MCTL3_ 0x0083 /* ADC12 Memory Control 3 */sfrb ADC12MCTL3 = ADC12MCTL3_;#define ADC12MCTL4_ 0x0084 /* ADC12 Memory Control 4 */sfrb ADC12MCTL4 = ADC12MCTL4_;#define ADC12MCTL5_ 0x0085 /* ADC12 Memory Control 5 */sfrb ADC12MCTL5 = ADC12MCTL5_;#define ADC12MCTL6_ 0x0086 /* ADC12 Memory Control 6 */sfrb ADC12MCTL6 = ADC12MCTL6_;#define ADC12MCTL7_ 0x0087 /* ADC12 Memory Control 7 */sfrb ADC12MCTL7 = ADC12MCTL7_;#define ADC12MCTL8_ 0x0088 /* ADC12 Memory Control 8 */sfrb ADC12MCTL8 = ADC12MCTL8_;#define ADC12MCTL9_ 0x0089 /* ADC12 Memory Control 9 */sfrb ADC12MCTL9 = ADC12MCTL9_;#define ADC12MCTL10_ 0x008A /* ADC12 Memory Control 10 */sfrb ADC12MCTL10 = ADC12MCTL10_;#define ADC12MCTL11_ 0x008B /* ADC12 Memory Control 11 */sfrb ADC12MCTL11 = ADC12MCTL11_;#define ADC12MCTL12_ 0x008C /* ADC12 Memory Control 12 */sfrb ADC12MCTL12 = ADC12MCTL12_;#define ADC12MCTL13_ 0x008D /* ADC12 Memory Control 13 */sfrb ADC12MCTL13 = ADC12MCTL13_;#define ADC12MCTL14_ 0x008E /* ADC12 Memory Control 14 */sfrb ADC12MCTL14 = ADC12MCTL14_;#define ADC12MCTL15_ 0x008F /* ADC12 Memory Control 15 */sfrb ADC12MCTL15 = ADC12MCTL15_;/* ADC12CTL0 内8位控制寄存器位*/#define ADC12SC 0x001 /*采样/转换控制位*/#define ENC 0x002 /* 转换允许位*/#define ADC12TOVIE 0x004 /*转换时间溢出中断允许位*/#define ADC12OVIE 0x008 /*溢出中断允许位*/#define ADC12ON 0x010 /*ADC12内核控制位*/#define REFON 0x020 /*参考电压控制位*/#define REF2_5V 0x040 /*内部参考电压的电压值选择位 '0'为1.5V; '1'为2.5V*/ #define MSH 0x080 /*多次采样/转换位*/#define MSC 0x080 /*多次采样/转换位*//*SHT0 采样保持定时器0 控制ADC12的结果存贮器MEM0~MEM7的采样周期*/#define SHT0_0 0*0x100 /*采样周期=TADC12CLK*4 */#define SHT0_1 1*0x100 /*采样周期=TADC12CLK*8 */#define SHT0_2 2*0x100 /*采样周期=TADC12CLK*16 */#define SHT0_3 3*0x100 /*采样周期=TADC12CLK*32 */#define SHT0_4 4*0x100 /*采样周期=TADC12CLK*64 */#define SHT0_5 5*0x100 /*采样周期=TADC12CLK*96 */#define SHT0_6 6*0x100 /*采样周期=TADC12CLK*128 */#define SHT0_7 7*0x100 /*采样周期=TADC12CLK*192 */#define SHT0_8 8*0x100 /*采样周期=TADC12CLK*256 */#define SHT0_9 9*0x100 /*采样周期=TADC12CLK*384 */#define SHT0_10 10*0x100 /*采样周期=TADC12CLK*512 */#define SHT0_11 11*0x100 /*采样周期=TADC12CLK*768 */#define SHT0_12 12*0x100 /*采样周期=TADC12CLK*1024 */#define SHT0_13 13*0x100 /*采样周期=TADC12CLK*1024 */ #define SHT0_14 14*0x100 /*采样周期=TADC12CLK*1024*/ #define SHT0_15 15*0x100 /*采样周期=TADC12CLK*1024 */ /*SHT1 采样保持定时器1 控制ADC12的结果存贮器MEM8~MEM15的采样周期*/#define SHT1_0 0*0x100 /*采样周期=TADC12CLK*4 */#define SHT1_1 1*0x100 /*采样周期=TADC12CLK*8 */#define SHT1_2 2*0x100 /*采样周期=TADC12CLK*16 */#define SHT1_3 3*0x100 /*采样周期=TADC12CLK*32 */#define SHT1_4 4*0x100 /*采样周期=TADC12CLK*64 */#define SHT1_5 5*0x100 /*采样周期=TADC12CLK*96 */#define SHT1_6 6*0x100 /*采样周期=TADC12CLK*128 */ #define SHT1_7 7*0x100 /*采样周期=TADC12CLK*192 */ #define SHT1_8 8*0x100 /*采样周期=TADC12CLK*256 */ #define SHT1_9 9*0x100 /*采样周期=TADC12CLK*384 */ #define SHT1_10 10*0x100 /*采样周期=TADC12CLK*512 */ #define SHT1_11 11*0x100 /*采样周期=TADC12CLK*768 */ #define SHT1_12 12*0x100 /*采样周期=TADC12CLK*1024 */ #define SHT1_13 13*0x100 /*采样周期=TADC12CLK*1024 */ #define SHT1_14 14*0x100 /*采样周期=TADC12CLK*1024 */ #define SHT1_15 15*0x100 /*采样周期=TADC12CLK*1024 *//* ADC12CTL1 内8位控制寄存器位*/#define ADC12BUSY 0x0001 /*ADC12忙标志位*/#define CONSEQ_0 0*2 /*单通道单次转换*/#define CONSEQ_1 1*2 /*序列通道单次转换*/#define CONSEQ_2 2*2 /*单通道多次转换*/#define CONSEQ_3 3*2 /*序列通道多次转换*/#define ADC12SSEL_0 0*8 /*ADC12内部时钟源*/#define ADC12SSEL_1 1*8 /*ACLK*/#define ADC12SSEL_2 2*8 /*MCLK*/#define ADC12SSEL_3 3*8 /*SCLK*/#define ADC12DIV_0 0*0x20 /*1分频*/#define ADC12DIV_1 1*0x20 /*2分频*/#define ADC12DIV_2 2*0x20 /*3分频*/#define ADC12DIV_3 3*0x20 /*4分频*/#define ADC12DIV_4 4*0x20 /*5分频*/#define ADC12DIV_5 5*0x20 /*6分频*/#define ADC12DIV_6 6*0x20 /*7分频*/#define ADC12DIV_7 7*0x20 /*8分频*/#define ISSH 0x0100 /*采样输入信号反向与否控制位*/#define SHP 0x0200 /*采样信号(SAMPCON)选择控制位*/#define SHS_0 0*0x400 /*采样信号输入源选择控制位 ADC12SC*/#define SHS_1 1*0x400 /*采样信号输入源选择控制位 TIMER_A.OUT1*/ #define SHS_2 2*0x400 /*采样信号输入源选择控制位 TIMER_B.OUT0*/ #define SHS_3 3*0x400 /*采样信号输入源选择控制位 TIMER_B.OUT1*/ /*转换存贮器地址定义位*/#define CSTARTADD_0 0*0x1000 /*选择MEM0首地址*/#define CSTARTADD_1 1*0x1000 /*选择MEM1首地址*/#define CSTARTADD_2 2*0x1000 /*选择MEM2首地址*/#define CSTARTADD_3 3*0x1000 /*选择MEM3首地址*/#define CSTARTADD_4 4*0x1000 /*选择MEM4首地址*/#define CSTARTADD_5 5*0x1000 /*选择MEM5首地址*/#define CSTARTADD_6 6*0x1000 /*选择MEM6首地址*/#define CSTARTADD_7 7*0x1000 /*选择MEM7首地址*/#define CSTARTADD_8 8*0x1000 /*选择MEM8首地址*/#define CSTARTADD_9 9*0x1000 /*选择MEM9首地址*/#define CSTARTADD_10 10*0x1000 /*选择MEM10首地址*/#define CSTARTADD_11 11*0x1000 /*选择MEM11首地址*/#define CSTARTADD_12 12*0x1000 /*选择MEM12首地址*/#define CSTARTADD_13 13*0x1000 /*选择MEM13首地址*/#define CSTARTADD_14 14*0x1000 /*选择MEM14首地址*/#define CSTARTADD_15 15*0x1000 /*选择MEM15首地址*//* ADC12MCTLx */#define INCH_0 0 /*选择模拟量通道0 A0 */#define INCH_1 1 /*选择模拟量通道0 A1*/#define INCH_2 2 /*选择模拟量通道0 A2*/#define INCH_3 3 /*选择模拟量通道0 A3*/#define INCH_4 4 /*选择模拟量通道0 A4*/#define INCH_5 5 /*选择模拟量通道0 A5*/#define INCH_6 6 /*选择模拟量通道0 A6*/#define INCH_7 7 /*选择模拟量通道0 A7*/#define INCH_8 8 /*VEREF+*/#define INCH_9 9 /*VEREF-*/#define INCH_10 10 /*片内温度传感器的输出*/#define INCH_11 11 /*(AVCC-AVSS)/2*/#define INCH_12 12 /*(AVCC-AVSS)/2*/#define INCH_13 13 /*(AVCC-AVSS)/2*/#define INCH_14 14 /*(AVCC-AVSS)/2*/#define INCH_15 15 /*(AVCC-AVSS)/2*//*参考电压源选择位*/#define SREF_0 0*0x10 /*VR+ = AVCC; VR- = AVSS*/#define SREF_1 1*0x10 /*VR+ = VREF+; VR- = AVSS*/ #define SREF_2 2*0x10 /*VR+ = VEREF+; VR- = AVSS*/ #define SREF_3 3*0x10 /*VR+ = VEREF+; VR- = AVSS*/ #define SREF_4 4*0x10 /*VR+ = AVCC; VR- = VREF-*/ #define SREF_5 5*0x10 /*VR+ = VREF+; VR- = VREF-*/ #define SREF_6 6*0x10 /*VR+ = VEREF+; VR- = VREF-*/ #define SREF_7 7*0x10 /*VR+ = VEREF+; VR- = VREF-*/#define EOS 0x80 /*序列结束选择位*/MSP430寄存器中文注释----串口寄存器/************************************************************* USART 串口寄存器"UCTL","UTCTL","URCTL"定义的各个位可串口1 串口2公用************************************************************//* UCTL 串口控制寄存器*/#define PENA 0x80 /*校验允许位*/#define PEV 0x40 /*偶校验为0时为奇校验*/#define SPB 0x20 /*停止位为2 为0时停止位为1*/#define CHAR 0x10 /*数据位为8位为0时数据位为7位*/#define LISTEN 0x08 /*自环模式(发数据同时在把发的数据接收回来)*/#define SYNC 0x04 /*同步模式为0异步模式*/#define MM 0x02 /*为1时地址位多机协议(异步) 主机模式(同步);为0时线路空闲多机协议(异步) 从机模式(同步)*/#define SWRST 0x01 /*控制位*//* UTCTL 串口发送控制寄存器*/#define CKPH 0x80 /*时钟相位控制位(只同步方式用)为1时时钟UCLK延时半个周期*/#define CKPL 0x40 /*时钟极性控制位为1时异步与UCLK相反;同步下降延有效*/#define SSEL1 0x20 /*时钟源选择位:与SSEL0组合为0,1,2,3四种方式*/#define SSEL0 0x10 /*"0"选择外部时钟,"1"选择辅助时钟,"2","3"选择系统子时钟 */#define URXSE 0x08 /*接收触发延控制位(只在异步方式下用)*/#define TXWAKE 0x04 /*多处理器通信传送控制位(只在异步方式下用)*/#define STC 0x02 /*外部引脚STE选择位为0时为4线模式为1时为3线模式*/ #define TXEPT 0x01 /*发送器空标志*//* URCTL 串口接收控制寄存器同步模式下只用两位:FE和OE*/#define FE 0x80 /*帧错标志*/#define PE 0x40 /*校验错标志位*/#define OE 0x20 /*溢出标志位*/#define BRK 0x10 /*打断检测位*/#define URXEIE 0x08 /*接收出错中断允许位*/#define URXWIE 0x04 /*接收唤醒中断允许位*/#define RXWAKE 0x02 /*接收唤醒检测位*/#define RXERR 0x01 /*接收错误标志位*//************************************************************* USART 0 串口0寄存器定义************************************************************/#define U0CTL_ 0x0070 /* UART 0 Control */sfrb U0CTL = U0CTL_;#define U0TCTL_ 0x0071 /* UART 0 Transmit Control */ sfrb U0TCTL = U0TCTL_;#define U0RCTL_ 0x0072 /* UART 0 Receive Control */ sfrb U0RCTL = U0RCTL_;#define U0MCTL_ 0x0073 /* UART 0 Modulation Control */ sfrb U0MCTL = U0MCTL_;#define U0BR0_ 0x0074 /* UART 0 Baud Rate 0 */sfrb U0BR0 = U0BR0_;#define U0BR1_ 0x0075 /* UART 0 Baud Rate 1 */sfrb U0BR1 = U0BR1_;#define U0RXBUF_ 0x0076 /* UART 0 Receive Buffer */ const sfrb U0RXBUF = U0RXBUF_;#define U0TXBUF_ 0x0077 /* UART 0 Transmit Buffer */ sfrb U0TXBUF = U0TXBUF_;/* Alternate register names */#define UCTL0_ 0x0070 /* UART 0 Control */sfrb UCTL0 = UCTL0_;#define UTCTL0_ 0x0071 /* UART 0 Transmit Control */ sfrb UTCTL0 = UTCTL0_;#define URCTL0_ 0x0072 /* UART 0 Receive Control */ sfrb URCTL0 = URCTL0_;#define UMCTL0_ 0x0073 /* UART 0 Modulation Control */ sfrb UMCTL0 = UMCTL0_;#define UBR00_ 0x0074 /* UART 0 Baud Rate 0 */sfrb UBR00 = UBR00_;#define UBR10_ 0x0075 /* UART 0 Baud Rate 1 */sfrb UBR10 = UBR10_;#define RXBUF0_ 0x0076 /* UART 0 Receive Buffer */ const sfrb RXBUF0 = RXBUF0_;#define TXBUF0_ 0x0077 /* UART 0 Transmit Buffer */ sfrb TXBUF0 = TXBUF0_;#define UCTL_0_ 0x0070 /* UART 0 Control */sfrb UCTL_0 = UCTL_0_;#define UTCTL_0_ 0x0071 /* UART 0 Transmit Control */ sfrb UTCTL_0 = UTCTL_0_;#define URCTL_0_ 0x0072 /* UART 0 Receive Control */ sfrb URCTL_0 = URCTL_0_;#define UMCTL_0_ 0x0073 /* UART 0 Modulation Control */ sfrb UMCTL_0 = UMCTL_0_;#define UBR0_0_ 0x0074 /* UART 0 Baud Rate 0 */sfrb UBR0_0 = UBR0_0_;#define UBR1_0_ 0x0075 /* UART 0 Baud Rate 1 */sfrb UBR1_0 = UBR1_0_;#define RXBUF_0_ 0x0076 /* UART 0 Receive Buffer */ const sfrb RXBUF_0 = RXBUF_0_;#define TXBUF_0_ 0x0077 /* UART 0 Transmit Buffer *//************************************************************* USART 1 串口1寄存器定义************************************************************/#define U1CTL_ 0x0078 /* UART 1 Control */sfrb U1CTL = U1CTL_;#define U1TCTL_ 0x0079 /* UART 1 Transmit Control */ sfrb U1TCTL = U1TCTL_;#define U1RCTL_ 0x007A /* UART 1 Receive Control */ sfrb U1RCTL = U1RCTL_;#define U1MCTL_ 0x007B /* UART 1 Modulation Control */ sfrb U1MCTL = U1MCTL_;#define U1BR0_ 0x007C /* UART 1 Baud Rate 0 */sfrb U1BR0 = U1BR0_;#define U1BR1_ 0x007D /* UART 1 Baud Rate 1 */sfrb U1BR1 = U1BR1_;#define U1RXBUF_ 0x007E /* UART 1 Receive Buffer */ const sfrb U1RXBUF = U1RXBUF_;#define U1TXBUF_ 0x007F /* UART 1 Transmit Buffer */ sfrb U1TXBUF = U1TXBUF_;#define UCTL1_ 0x0078 /* UART 1 Control */sfrb UCTL1 = UCTL1_;#define UTCTL1_ 0x0079 /* UART 1 Transmit Control */ sfrb UTCTL1 = UTCTL1_;#define URCTL1_ 0x007A /* UART 1 Receive Control */ sfrb URCTL1 = URCTL1_;#define UMCTL1_ 0x007B /* UART 1 Modulation Control */ sfrb UMCTL1 = UMCTL1_;#define UBR01_ 0x007C /* UART 1 Baud Rate 0 */#define UBR11_ 0x007D /* UART 1 Baud Rate 1 */sfrb UBR11 = UBR11_;#define RXBUF1_ 0x007E /* UART 1 Receive Buffer */ const sfrb RXBUF1 = RXBUF1_;#define TXBUF1_ 0x007F /* UART 1 Transmit Buffer */ sfrb TXBUF1 = TXBUF1_;#define UCTL_1_ 0x0078 /* UART 1 Control */sfrb UCTL_1 = UCTL_1_;#define UTCTL_1_ 0x0079 /* UART 1 Transmit Control */ sfrb UTCTL_1 = UTCTL_1_;#define URCTL_1_ 0x007A /* UART 1 Receive Control */ sfrb URCTL_1 = URCTL_1_;#define UMCTL_1_ 0x007B /* UART 1 Modulation Control */ sfrb UMCTL_1 = UMCTL_1_;#define UBR0_1_ 0x007C /* UART 1 Baud Rate 0 */sfrb UBR0_1 = UBR0_1_;#define UBR1_1_ 0x007D /* UART 1 Baud Rate 1 */sfrb UBR1_1 = UBR1_1_;#define RXBUF_1_ 0x007E /* UART 1 Receive Buffer */ const sfrb RXBUF_1 = RXBUF_1_;#define TXBUF_1_ 0x007F /* UART 1 Transmit Buffer */ sfrb TXBUF_1 = TXBUF_1_;MSP430寄存器中文注释---P1/2口(带中断功能)/************************************************************* DIGITAL I/O Port1/2 寄存器定义有中断功能************************************************************/#define P1IN_ 0x0020 /* P1 输入寄存器 */const sfrb P1IN = P1IN_;#define P1OUT_ 0x0021 /* P1 输出寄存器 */sfrb P1OUT = P1OUT_;#define P1DIR_ 0x0022 /* P1 方向选择寄存器 */sfrb P1DIR = P1DIR_;#define P1IFG_ 0x0023 /* P1 中断标志寄存器*/sfrb P1IFG = P1IFG_;#define P1IES_ 0x0024 /* P1 中断边沿选择寄存器*/ sfrb P1IES = P1IES_;#define P1IE_ 0x0025 /* P1 中断使能寄存器 */sfrb P1IE = P1IE_;#define P1SEL_ 0x0026 /* P1 功能选择寄存器*/sfrb P1SEL = P1SEL_;#define P2IN_ 0x0028 /* P2 输入寄存器 */const sfrb P2IN = P2IN_;#define P2OUT_ 0x0029 /* P2 输出寄存器 */sfrb P2OUT = P2OUT_;#define P2DIR_ 0x002A /* P2 方向选择寄存器 */ sfrb P2DIR = P2DIR_;#define P2IFG_ 0x002B /* P2 中断标志寄存器 */sfrb P2IFG = P2IFG_;#define P2IES_ 0x002C /* P2 中断边沿选择寄存器 */ sfrb P2IES = P2IES_;#define P2IE_ 0x002D /* P2 中断使能寄存器 */sfrb P2IE = P2IE_;#define P2SEL_ 0x002E /* P2 功能选择寄存器 */sfrb P2SEL = P2SEL_;MSP430寄存器中文注释---P3/4口(无中断功能)/************************************************************ * DIGITAL I/O Port3/4寄存器定义无中断功能************************************************************/#define P3IN_ 0x0018 /* P3 输入寄存器 */const sfrb P3IN = P3IN_;#define P3OUT_ 0x0019 /* P3 输出寄存器 */sfrb P3OUT = P3OUT_;#define P3DIR_ 0x001A /* P3 方向选择寄存器 */sfrb P3DIR = P3DIR_;#define P3SEL_ 0x001B /* P3 功能选择寄存器*/sfrb P3SEL = P3SEL_;#define P4IN_ 0x001C /* P4 输入寄存器 */const sfrb P4IN = P4IN_;#define P4OUT_ 0x001D /* P4 输出寄存器 */sfrb P4OUT = P4OUT_;#define P4DIR_ 0x001E /* P4 方向选择寄存器 */sfrb P4DIR = P4DIR_;#define P4SEL_ 0x001F /* P4 功能选择寄存器 */sfrb P4SEL = P4SEL_;/************************************************************ * DIGITAL I/O Port5/6 I/O口寄存器定义PORT5和6 无中断功能************************************************************/#define P5IN_ 0x0030 /* P5 输入寄存器 */const sfrb P5IN = P5IN_;#define P5OUT_ 0x0031 /* P5 输出寄存器*/sfrb P5OUT = P5OUT_;#define P5DIR_ 0x0032 /* P5 方向选择寄存器*/sfrb P5DIR = P5DIR_;#define P5SEL_ 0x0033 /* P5 功能选择寄存器*/sfrb P5SEL = P5SEL_;#define P6IN_ 0x0034 /* P6 输入寄存器 */const sfrb P6IN = P6IN_;#define P6OUT_ 0x0035 /* P6 输出寄存器*/sfrb P6OUT = P6OUT_;#define P6DIR_ 0x0036 /* P6 方向选择寄存器*/sfrb P6DIR = P6DIR_;#define P6SEL_ 0x0037 /* P6 功能选择寄存器*/sfrb P6SEL = P6SEL_;MSP430寄存器中文注释--- 硬件乘法器/************************************************************ 硬件乘法器的寄存器定义************************************************************/#define MPY_ 0x0130 /* 无符号乘法 */sfrw MPY = MPY_;#define MPYS_ 0x0132 /* 有符号乘法*/sfrw MPYS = MPYS_;#define MAC_ 0x0134 /* 无符号乘加 */sfrw MAC = MAC_;#define MACS_ 0x0136 /* 有符号乘加 */sfrw MACS = MACS_;#define OP2_ 0x0138 /* 第二乘数 */sfrw OP2 = OP2_;#define RESLO_ 0x013A /* 低6位结果寄存器 */sfrw RESLO = RESLO_;#define RESHI_ 0x013C /* 高6位结果寄存器 */sfrw RESHI = RESHI_;#define SUMEXT_ 0x013E /*结果扩展寄存器 */const sfrw SUMEXT = SUMEXT_;MSP430寄存器中文注释---看门狗和定时器/************************************************************* 看门狗定时器的寄存器定义************************************************************/#define WDTCTL_ 0x0120sfrw WDTCTL = WDTCTL_;#define WDTIS0 0x0001 /*选择WDTCNT的四个输出端之一*/#define WDTIS1 0x0002 /*选择WDTCNT的四个输出端之一*/#define WDTSSEL 0x0004 /*选择WDTCNT的时钟源*/#define WDTCNTCL 0x0008 /*清除WDTCNT端: 为1时从0开始计数*/#define WDTTMSEL 0x0010 /*选择模式 0: 看门狗模式; 1: 定时器模式*/#define WDTNMI 0x0020 /*选择NMI/RST 引脚功能 0:为 RST; 1:为NMI*/#define WDTNMIES 0x0040 /*WDTNMI=1时.选择触发延 0:为上升延 1:为下降延*/ #define WDTHOLD 0x0080 /*停止看门狗定时器工作 0:启动;1:停止*/#define WDTPW 0x5A00 /* 写密码:高八位*//* SMCLK= 1MHz定时器模式 */#define WDT_MDLY_32 WDTPW+WDTTMSEL+WDTCNTCL /* TSMCLK*2POWER15=32ms 复位状态 */#define WDT_MDLY_8 WDTPW+WDTTMSEL+WDTCNTCL+WDTIS0 /* TSMCLK*2POWER13=8.192ms " */#define WDT_MDLY_0_5 WDTPW+WDTTMSEL+WDTCNTCL+WDTIS1 /* TSMCLK*2POWER9=0.512ms " */#define WDT_MDLY_0_064 WDTPW+WDTTMSEL+WDTCNTCL+WDTIS1+WDTIS0 /* TSMCLK*2POWER6=0.512ms " *//* ACLK=32.768KHz 定时器模式*/#define WDT_ADLY_1000 WDTPW+WDTTMSEL+WDTCNTCL+WDTSSEL /* TACLK*2POWER15=1000ms " */#define WDT_ADLY_250 WDTPW+WDTTMSEL+WDTCNTCL+WDTSSEL+WDTIS0 /* TACLK*2POWER13=250ms " */#define WDT_ADLY_16 WDTPW+WDTTMSEL+WDTCNTCL+WDTSSEL+WDTIS1 /*TACLK*2POWER9=16ms " */#define WDT_ADLY_1_9 WDTPW+WDTTMSEL+WDTCNTCL+WDTSSEL+WDTIS1+WDTIS0 /* TACLK*2POWER6=1.9ms " *//* SMCLK=1MHz看门狗模式 */#define WDT_MRST_32 WDTPW+WDTCNTCL /* TSMCLK*2POWER15=32ms 复位状态 */#define WDT_MRST_8 WDTPW+WDTCNTCL+WDTIS0 /* TSMCLK*2POWER13=8.192ms " */#define WDT_MRST_0_5 WDTPW+WDTCNTCL+WDTIS1 /* TSMCLK*2POWER9=0.512ms " */#define WDT_MRST_0_064 WDTPW+WDTCNTCL+WDTIS1+WDTIS0 /* TSMCLK*2POWER6=0.512ms " *//* ACLK=32KHz看门狗模式 */#define WDT_ARST_1000 WDTPW+WDTCNTCL+WDTSSEL /* TACLK*2POWER15=1000ms " */#define WDT_ARST_250 WDTPW+WDTCNTCL+WDTSSEL+WDTIS0 /* TACLK*2POWER13=250ms " */#define WDT_ARST_16 WDTPW+WDTCNTCL+WDTSSEL+WDTIS1 /* TACLK*2POWER9=16ms " */#define WDT_ARST_1_9 WDTPW+WDTCNTCL+WDTSSEL+WDTIS1+WDTIS0 /* TACLK*2POWER6=1.9ms " */MSP430寄存器中文注释---A/D采样寄存器定义/************************************************************* ADC12 A/D采样寄存器定义************************************************************//*ADC12转换控制类寄存器*/#define ADC12CTL0_ 0x0;' /* ADC12 Control 0 */sfrw ADC12CTL0 = ADC12CTL0_;#define ADC12CTL1_ 0x01A2 /* ADC12 Control 1 */sfrw ADC12CTL1 = ADC12CTL1_;/*ADC12中断控制类寄存器*/#define ADC12IFG_ 0x01A4 /* ADC12 Interrupt Flag */sfrw ADC12IFG = ADC12IFG_;#define ADC12IE_ 0x01A6 /* ADC12 Interrupt Enable */sfrw ADC12IE = ADC12IE_;#define ADC12IV_ 0x01A8 /* ADC12 Interrupt Vector Word */sfrw ADC12IV = ADC12IV_;/*ADC12存贮器类寄存器*/#define ADC12MEM_ 0x0140 /* ADC12 Conversion Memory */#ifndef __IAR_SYSTEMS_ICC#define ADC12MEM ADC12MEM_ /* ADC12 Conversion Memory (for assembler) */ #else#define ADC12MEM ((int*) ADC12MEM_) /* ADC12 Conversion Memory (for C) */ #endif#define ADC12MEM0_ ADC12MEM_ /* ADC12 Conversion Memory 0 */sfrw ADC12MEM0 = ADC12MEM0_;#define ADC12MEM1_ 0x0142 /* ADC12 Conversion Memory 1 */sfrw ADC12MEM1 = ADC12MEM1_;#define ADC12MEM2_ 0x0144 /* ADC12 Conversion Memory 2 */sfrw ADC12MEM2 = ADC12MEM2_;#define ADC12MEM3_ 0x0146 /* ADC12 Conversion Memory 3 */sfrw ADC12MEM3 = ADC12MEM3_;#define ADC12MEM4_ 0x0148 /* ADC12 Conversion Memory 4 */sfrw ADC12MEM4 = ADC12MEM4_;#define ADC12MEM5_ 0x014A /* ADC12 Conversion Memory 5 */sfrw ADC12MEM5 = ADC12MEM5_;#define ADC12MEM6_ 0x014C /* ADC12 Conversion Memory 6 */sfrw ADC12MEM6 = ADC12MEM6_;#define ADC12MEM7_ 0x014E /* ADC12 Conversion Memory 7 */sfrw ADC12MEM7 = ADC12MEM7_;#define ADC12MEM8_ 0x0150 /* ADC12 Conversion Memory 8 */sfrw ADC12MEM8 = ADC12MEM8_;#define ADC12MEM9_ 0x0152 /* ADC12 Conversion Memory 9 */sfrw ADC12MEM9 = ADC12MEM9_;#define ADC12MEM10_ 0x0154 /* ADC12 Conversion Memory 10 */sfrw ADC12MEM10 = ADC12MEM10_;#define ADC12MEM11_ 0x0156 /* ADC12 Conversion Memory 11 */sfrw ADC12MEM11 = ADC12MEM11_;#define ADC12MEM12_ 0x0158 /* ADC12 Conversion Memory 12 */sfrw ADC12MEM12 = ADC12MEM12_;#define ADC12MEM13_ 0x015A /* ADC12 Conversion Memory 13 */sfrw ADC12MEM13 = ADC12MEM13_;#define ADC12MEM14_ 0x015C /* ADC12 Conversion Memory 14 */sfrw ADC12MEM14 = ADC12MEM14_;#define ADC12MEM15_ 0x015E /* ADC12 Conversion Memory 15 */sfrw ADC12MEM15 = ADC12MEM15_;/*ADC12存贮控制类寄存器*/#define ADC12MCTL_ 0x0080 /* ADC12 Memory Control */#ifndef __IAR_SYSTEMS_ICC#define ADC12MCTL ADC12MCTL_ /* ADC12 Memory Control (for assembler) */#else#define ADC12MCTL ((char*) ADC12MCTL_) /* ADC12 Memory Control (for C) */ #endif#define ADC12MCTL0_ ADC12MCTL_ /* ADC12 Memory Control 0 */sfrb ADC12MCTL0 = ADC12MCTL0_;#define ADC12MCTL1_ 0x0081 /* ADC12 Memory Control 1 */sfrb ADC12MCTL1 = ADC12MCTL1_;#define ADC12MCTL2_ 0x0082 /* ADC12 Memory Control 2 */sfrb ADC12MCTL2 = ADC12MCTL2_;#define ADC12MCTL3_ 0x0083 /* ADC12 Memory Control 3 */sfrb ADC12MCTL3 = ADC12MCTL3_;#define ADC12MCTL4_ 0x0084 /* ADC12 Memory Control 4 */sfrb ADC12MCTL4 = ADC12MCTL4_;#define ADC12MCTL5_ 0x0085 /* ADC12 Memory Control 5 */sfrb ADC12MCTL5 = ADC12MCTL5_;#define ADC12MCTL6_ 0x0086 /* ADC12 Memory Control 6 */sfrb ADC12MCTL6 = ADC12MCTL6_;#define ADC12MCTL7_ 0x0087 /* ADC12 Memory Control 7 */sfrb ADC12MCTL7 = ADC12MCTL7_;#define ADC12MCTL8_ 0x0088 /* ADC12 Memory Control 8 */sfrb ADC12MCTL8 = ADC12MCTL8_;#define ADC12MCTL9_ 0x0089 /* ADC12 Memory Control 9 */sfrb ADC12MCTL9 = ADC12MCTL9_;#define ADC12MCTL10_ 0x008A /* ADC12 Memory Control 10 */sfrb ADC12MCTL10 = ADC12MCTL10_;#define ADC12MCTL11_ 0x008B /* ADC12 Memory Control 11 */sfrb ADC12MCTL11 = ADC12MCTL11_;#define ADC12MCTL12_ 0x008C /* ADC12 Memory Control 12 */sfrb ADC12MCTL12 = ADC12MCTL12_;#define ADC12MCTL13_ 0x008D /* ADC12 Memory Control 13 */sfrb ADC12MCTL13 = ADC12MCTL13_;#define ADC12MCTL14_ 0x008E /* ADC12 Memory Control 14 */sfrb ADC12MCTL14 = ADC12MCTL14_;#define ADC12MCTL15_ 0x008F /* ADC12 Memory Control 15 */sfrb ADC12MCTL15 = ADC12MCTL15_;/* ADC12CTL0 内8位控制寄存器位*/#define ADC12SC 0x001 /*采样/转换控制位*/#define ENC 0x002 /* 转换允许位*/#define ADC12TOVIE 0x004 /*转换时间溢出中断允许位*/#define ADC12OVIE 0x008 /*溢出中断允许位*/#define ADC12ON 0x010 /*ADC12内核控制位*/#define REFON 0x020 /*参考电压控制位*/#define REF2_5V 0x040 /*内部参考电压的电压值选择位 '0'为1.5V; '1'为2.5V*/ #define MSH 0x080 /*多次采样/转换位*/#define MSC 0x080 /*多次采样/转换位*//*SHT0 采样保持定时器0 控制ADC12的结果存贮器MEM0~MEM7的采样周期*/。
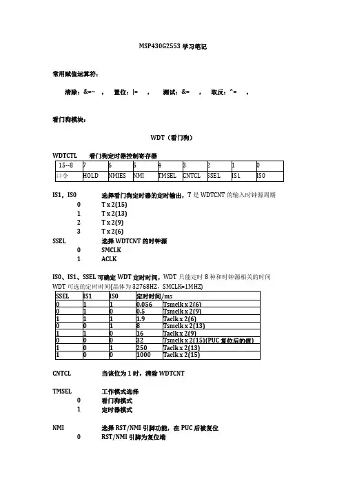
MSP430G2553学习笔记常用赋值运算符:清除:&=~ ,置位:|= ,测试:&= ,取反:^= ,看门狗模块:WDT(看门狗)WDTCTL 看门狗定时器控制寄存器15--8 7 6 5 4 3 2 1 0口令HOLD NMIES NMI TMSEL CNTCL SSEL IS1 IS0IS1,IS0 选择看门狗定时器的定时输出,T是WDTCNT的输入时钟源周期0 T x 2(15)1 T x 2(13)2 T x 2(9)3 T x 2(6)SSEL 选择WDTCNT的时钟源0 SMCLK1 ACLKIS0、IS1、SSEL可确定WDT定时时间,WDT只能定时8种和时钟源相关的时间WDT可选的定时时间(晶体为32768HZ,SMCLK=1MHZ)SSEL IS1 IS0 定时时间/ms0 1 1 0.056 Tsmclk x 2(6)0 1 0 0.5 Tsmclk x 2(9)1 1 1 1.9 Taclk x 2(6)0 0 1 8 Tsmclk x 2(13)1 1 0 16 Taclk x 2(9)0 0 0 32 Tsmclk x 2(15)(PUC复位后的值)1 0 1 250 Taclk x 2(13)1 0 0 1000 Taclk x 2(15)CNTCL当该位为1时,清除WDTCNTTMSEL 工作模式选择0 看门狗模式1 定时器模式NMI 选择RST/NMI引脚功能,在PUC后被复位0 RST/NMI引脚为复位端1 RST/NMI引脚为边沿触发的非屏蔽中断输入NMIES 选择中断的边沿触发方式0 上升沿触发NMI中断1 下降沿触发NMI中断HOLD 停止看门狗定时器工作,降低功耗0 WDT功能激活1 时钟禁止输入,计数停止WDT(看门狗)配置语句WDTCTL=WDTPW+WDTHOLD;//将WDTPW+WDTHOLD赋值给WDTCTL,关闭看门狗定时器控制寄存器(Stop watchdogtimer)IE1 |= WDTIE;//使能WDT中断WDTCTL = WDT_ADL Y_1000;//WDT 1 s / 4间隔计时器WDTCTL = WDTPW + WDTHOLD + WDTNMI + WDTNMIES;//WDTCTL 由高8位口令和低8位控制命令组成,要写入操作WDT的控制命令,出于安全原因必须先正确写入高字节看门狗口令。
电设工作小结之——MSP430G2553学习笔记——1一,MSP430G2553单片机的各个功能模块(一),IO口模块,1,我们所用的MSP430G2553有两组IO口,P1和P2。
2,IO口的寄存器有:方向选择寄存器PxDIR,输出寄存器PxOUT,输入寄存器PxIN,IO口内部上拉或下拉电阻使能寄存器PxREN,IO口功能选择寄存器PxSEL和PxSEL2,IO口中断使能寄存器PxIE,中断沿选择寄存器PxIES,IO口中断标志寄存器PxIFG。
3,所有的IO都带有中断,其中所有的P1口公用一个中断向量,所有的P2口公用一个中断向量。
所以在使用中断时,当进入中断后,还要判断到底是哪一个IO口产生的中断,判断方法可以是判断各个IO口的电平。
4,中断标志PxIFG需要软件清除,也可以用软件置位,从而用软件触发一个中断。
注意:在设置PxIESx时根据PxINx有可能会引起相应的PxIFGx置位(具体的情况见用户指南),所以在初始化完IO口中断以后,正式使用IO中断前要先将对应的PxIFGx清零。
程序如下:void IO_interrupt_init() //IO中断初始化函数{P1REN |= BIT4+BIT5+BIT6+BIT7; // pull up 内部上拉电阻使能//使用中断时,使能内部的上拉电阻这样当该脚悬空是,电平不会跳变,防止悬空时电平跳变不停的触发中断P1OUT = BIT4+BIT5+BIT6+BIT7; // 当引脚上的上拉或下拉电阻使能时,PxOUT选择是上拉还是下来//0:下拉,1:上拉P1IE |= BIT4+BIT5+BIT6+BIT7; // interrupt enabled P13中断使能P1IES |= BIT4+BIT5+BIT6+BIT7; // Hi/lo edge 下降沿中断//P1IES &= ~BIT3; //上升沿触发中断P1IFG &= ~(BIT4+BIT5+BIT6+BIT7); //中断标志位清零}5,PxOUT:如果引脚选择了内部的上拉或下拉电阻使能,则PxOUT设定电阻是上拉还是下拉,0:下拉,1:上拉6,当IO口不用时,最好不要设为输入,且为浮动状态(这是IO口的默认状态),因为当输入为浮动时,输入电压有可能会在VIL和VIH之间,这样会产生击穿电流。
MSP430G2553应用之红外遥控器按键编码的破解(ls_core)之前笔者利用51单片机、FPGA 和S3C2440对红外遥控器的编码破解过。
由于最近手里使用的单片机为MSP430G2553,同时也为了扩展LaunchPad 开发板按键所需,笔者还是将之前弄使用过的红外遥控器拿了起来。
使用遥控器作为开发板的按键使有个好处就是,占用一个IO 口即可扩展出很多按键。
但是,这样做的不足就是,占用了一个定时器和相应中断的资源。
所以,建议大家应该依据具体的项目工程而确定具体的解决方案。
好了进入正题。
一 红外时序在这里笔者探讨的问题是破解红外遥控器的编码,而不是对其编码。
所以,我们直接谈谈红外接收头1838T 接收到红外遥控器发送出的按键编码时序。
笔者在普源(RIGOL)示波器上观察到的时序波形如图1红外遥控器按键编码时序所示:图1 红外遥控器按键编码时序面对这样一列串行的序列,笔者将其测量、记录、整理并为其制作了一张时序图以便讲解,绘制的时序图如下图2 红外编码时序图 所示:ls _c o r e Q Q 1021480125 837278968图2 红外编码时序图接下来,让我们一起详细地探讨一下这一列时序波形。
首先当我们手中的遥控器的按键被按下时,其红外发射头会发射出红外线(该红外线载有数据信息,即对应的按键编码),然后红外接收头1838T 会接收该红外线对其解码还原载波信息。
所还原的信息即为按键编码的串行时序信息,如上图2所示。
那笔者所讲的破解编码是指的什么呢?很显然,笔者所讲的破解就是要把图2所示的串行数据转化成方便微机或者是人记忆识别的并行数据。
好,接着让我们一起分析一下这个时序。
⑴ 空闲状态:当红外接收头1838T 没有数据时(无按键按下,或是数据转化完成),红外接收头的输出引脚会一直保持高电平,即上图2所指的空闲状态。
⑵ 引导码:当红外接收头1838T 接收到了数据,其输出引脚首先会由空闲的高电平状态跳转为低电平状态,该低电平状态会保持9ms ,那么着9ms 的高电平状态即称之为引导码。
MSP430基础时钟模块包含以下3个时钟输入源。
一、4个时钟振荡源1、LFXT1CLK: 外部晶振或时钟1 低频时钟源低频模式:32768Hz 高频模式:(400KHz-16MHz)2、XT2CLK: 外部晶振或时钟2 高频时钟源(400KHz-16MHz)3、DCOCLK: 内部数字RC振荡器,复位值1.1MHz4、VLOCLK: 内部低功耗振荡器12KHz注:MSP430x20xx: LFXT1 不支持HF 模式, XT2 不支持, ROSC 不支持.(1)LFXT1CLK低频时钟源:由LFXT1振荡器产生(如图2所示)。
通过软件将状态寄存器中OSCOff 复位后,LFXT1开始工作,即系统采用低频工作。
如果LFXT1CLK没有用作SMCLK或MCLK信号,则可以用软件将OSCOff置位,禁止LFXT1工作。
(2)XT2CLK高频时钟源:由XT2振荡器产生。
它产生时钟信号XT2CLK,其工作特性与LFXT1振荡器工作在高频模式时类似。
可简单地通过软件设置XT2振荡器是否工作,当XT2CLK没有用作SMCLK或MCLK信号时,关闭XT2,选择其他时钟源。
3)DCOCLK数字控制RC振荡器。
由集成在时钟模块中的DCO振荡器产生。
DCO振荡器是一个RC 振荡器,频率可以通过软件调节,其控制逻辑如图3所示。
当振荡器LFXT1、XT2被禁止或失效时,DCO振荡器被自动选作MCLK的时钟源。
因此由振荡器失效引起的系统中断请求可以得到响应,甚至在CPU关闭的情况下也能得到处理。
由基础时钟模块可以提供系统所需的3种时钟信号,即:ACLK、MCLK、SMCLK。
其中辅助时钟ACLK是LFXT1CLK信号经1、2、4、8分频后得到的。
ACLK可由软件选作各个外围模块的时钟信号,一般用于低速外设;系统主时钟MCLK可由软件选择来自LFXT1CLK、XT2CLK、DCOCLK三者之一,然后经1、2、4、8分频得到。
基于MSP430单片机的信号发生器设计信号发生器是一种用于产生各种波形信号的仪器,常用于电子实验、通信测试等领域。
本文将基于MSP430单片机设计一个简单的信号发生器,并介绍其原理、硬件电路和软件设计过程。
一、设计原理MSP430是德州仪器(TI)推出的一款低功耗微控制器,具有丰富的外设和易用的开发环境,适合用于嵌入式系统设计。
通过MSP430的数字模拟转换器(DAC)和PWM输出功能,我们可以实现一个基本的信号发生器。
本设计基于MSP430G2553单片机,通过PWM输出产生不同频率的方波,并通过DAC输出控制方波的幅度,从而生成正弦、三角和方波等不同波形的信号。
二、硬件电路设计硬件电路主要包括MSP430G2553单片机、DAC芯片、PWM输出电路和运放放大电路。
1.MSP430G2553单片机MSP430G2553单片机具有16位的定时器,可产生必要的时序信号,以及8位的数字模拟转换器(DAC),可用于控制信号幅度。
2.DAC芯片DAC芯片用于将MSP430的数字信号转换为模拟信号,并控制信号的幅度。
常用的DAC芯片有MAX523和TLV5620等。
3.PWM输出电路PWM输出电路用于产生不同频率和占空比的方波信号。
我们可以利用MSP430的定时器功能或使用外部PWM芯片,如L293D或ULN2803A。
4.运放放大电路运放放大电路用于放大DAC输出的信号,以得到更高的输出幅度。
我们可以选择常见的运放芯片,如LM324或OPA2134三、软件设计过程软件设计主要包括定时器配置、PWM输出配置和DAC控制等模块。
1.定时器配置首先,我们需要配置MSP430的定时器,以产生所需的频率。
通过设定定时器的计数周期和分频系数,可以设置定时器的频率。
2.PWM输出配置接下来,我们需要配置PWM输出。
通过设定PWM期间和占空比,可以产生不同频率和占空比的方波信号。
3.DAC控制最后,我们需要利用MSP430的DAC输出控制信号的幅度。
MSP430G2553 定时器,MSP430G2553 有几个定时器
MSP430G2553 有几个定时器
MSP430G2553 具有两个16 位的定时器:TImer0_A TImer1_A。
分别具有三个捕捉/比较寄存器,具有输入捕捉,输出比较功能。
可以产生定时中断,也可以产生PWM。
分别有对应的寄存器控制。
定时器有三种工作模
式:1.连续计数模式2.增计数模式3. 增减计数模式。
配置定时器时候,首先要选择相应的时钟源。
在TACTL 寄存器的TASSELx 标志位控制,我们寻则SMCLK 作为源(2MHz),然后进行一个2 分频,最终震荡频率1MHz。
定时器a 图解
3.连续计数模式(产生一个中断标志)
计数器将直接计数到计数器所能计数的最大值0FFFFH 之后重新返回零,再次计数。
返回零的同时产生一个TAIFG 中断标志。
如图
4 增减计数模式(产生两个中断标志)
当计数器计数到跟TACCR0 一样的之后,然后从TACCR0 开始又减少,直到为零,然后又开始增。
当计数跟TACCR0 一样的时候产生一个中断标志CCIFG,当减到为零的时候又产生一个中断标志TAIFG。
如图:
两个定时器接线信号说明:。