串口通信UART(msp430g2553)
- 格式:doc
- 大小:24.00 KB
- 文档页数:2
前言我的这篇文章根本不是什么出版社发行的书籍,更不是某个工程师写的宏篇巨著,这篇文章充其量就是一篇应用笔记。
其实这样的小文章没有写前言的必要,但我想在正文前写点什么,以便告诉大家我这篇文章是干什么用的,所以就套用了书籍的格式,开头写上了前言。
希望大家能够理解,勿喷~~这篇文章主要介绍了MSP430G2553单片机和320*240TFT液晶屏的连接使用方法,并详细解释了代码中所有语句的含义。
解释代码过程中,又渗透了查阅单片机手册(附件:《G2手册》)、查阅单片机头文件的方法。
用三天的时间,大家踏踏实实仔细看这篇文章,就能达到以下程度:1.会使用液晶屏,了解液晶屏的工作原理,显示颜色、字符、图案(双色)2.会使用自模提取软件3.会查阅手册,进一步理解寄存器的配置(@_@||)4.初步掌握SPI通信机理附几项说明:1.源代码都用WDTCTL=WDTPW+WDTHOLD;深色背景标出,方便查看2.截图都已注明来源,用【】标注,你可以从附件里的PDF文档里找到3.本实验所用器件有:G2单片机(已焊上晶振)、数据线、8根杜邦线、2.2寸液晶屏(或引脚完全兼容的2.8寸液晶屏,这个液晶屏每个像素点比2.2寸的大,但是分辨率还是240*320,引脚上比2.2寸的多了四个脚——触屏功能。
但是在做这个实验的时候,只需连上后文提到的那几个引脚)4.液晶屏的膜禁止撕掉,液晶屏要轻拿轻放,不要长时间通电(原因下页会说的)借用液晶屏要去管理员那里登记,如有损坏原价赔偿(非暴力手段是不会坏的)第一步:把线连好,连线方式如下表所示液晶屏中文解释单片机备注SDO (MISO)主机输入从机输出空所用液晶屏不会给单片机发数据的,所以这根线不用连(能省则省)LED液晶屏背光VCC正常是VCC通过一个滑动变阻器连到LED 上,这里为了方便直接连上。
这样做虽然可以使背光很亮,但是接线的地方等一会儿会很烫,所以建议隔一段时间断电冷却一下下SCK时钟信号线P1.4SPI通信需要有同一根时钟线P1.4口第二功能就是输出SMCLK时钟信号SDI (MOSI)主机输出从机输入P1.2M(monster主人,主机)O(Output输出)S(Slave奴隶,从机)I(Input输入)P1.2口第二功能是MOSID/C数据/控制选择位P1.3这一位可以随便设定,只要可以输出高低电平就行。
#include "msp430g2553.h"#include "UART.h"#include "N5110.h"#define TXRX_FIFO 1#define AddressUse 1#ifndef uchar#define uchar unsigned char#endif#ifndef uint#define uint unsigned int#endifuchar get_bug = 0;/****************************************************************延时***************************************************************/ void UART_delay(uint x){uint a, b;for(a=x; a>0; a--)for(b=110; b>0; b--);}/***************************************************************** *名称:UART_Set()*功能:UART串口设置*入口参数:baud: 波特率1200 2400 4800 9600(默认) 19200 38400 57600 * mctl: 波特率修整* data: 数据位,8:8位,7:7位,默认8位* jiouwei: 奇偶位,'n':无(默认),'o':奇校验,'e':偶校验* stop: 停止位,2:2位停止位,其他均为默认的1位* R_T: 收发模式,1:收;2:发;3:收发*出口参数:无*使用范例:UART_Set(9600,2,8,'n',1,3)*****************************************************************/ void UART_Set(uint baud,uchar mctl,uchar data,char jiouwei,uchar stop,uchar R_T) {UCA0CTL1 |=UCSWRST; //软件复位if(baud<=9600){UCA0CTL1 |= UCSSEL_1; //ACLK}{UCA0CTL1 |= UCSSEL_2; //SMCLK}switch(baud){case 1200: UCA0BR0 = 0X1B;//1200波特率//波特率计算UCA0BR1 = 0X6B; //波特率=BRCLK/N=(UBR+(M7+M6+M5+M4+M3+M2+M1+M0)/8)break; //例如:BRCLK=8MHz,要产生BITCLK=115200Hz,分频器的分频系数为8000 / 115.2 =69.44444444case 2400: UCA0BR0 = 0X0D;//2400波特率//所以设置分频器的计数值为69。
MSP430G2553学习笔记(数据手册)MSP430G2553性能参数(DIP-20) 工作电压范围:1.8~3.6V。
5种低功耗模式。
16位的RISC结构,62.5ns指令周期。
超低功耗:运行模式-230µA;待机模式-0.5µA;关闭模式-0.1µA;可以在不到1µs的时间里超快速地从待机模式唤醒。
基本时钟模块配置:具有四种校准频率并高达16MHz的内部频率;内部超低功耗LF振荡器;32.768KHz晶体;外部数字时钟源。
两个16 位Timer_A,分别具有三个捕获/比较寄存器。
用于模拟信号比较功能或者斜率模数(A/D)转换的片载比较器。
带内部基准、采样与保持以及自动扫描功能的10位200-ksps 模数(A/D)转换器。
16KB闪存,512B的RAM。
16个I/O口。
注意:MSP430G2553无P3口!MSP430G2553的时钟基本时钟系统的寄存器DCOCTL-DCO控制寄存器DCOxDCO频率选择控制1MODxDCO频率校正选择,通常令MODx=0注意:在MSP430G2553上电复位后,默认RSEL=7,DCO=3,通过数据手册查得DCO频率大概在0.8~1.5MHz之间。
BCSCTL1-基本时钟控制寄存器1XT2OFF不用管,因为MSP430G2553内部没有XT2提供的HF时钟XTS不用管,默认复位后的0值即可DIV Ax设置ACLK的分频数00 /101 /210 /411 /8RSELxDCO频率选择控制2BCSCTL2-基本时钟控制寄存器2SELMxMCLK的选择控制位00 DCOCLK01 DCOCLK10 LFXT1CLK或者VLOCLK11 LFXT1CLK或者VLOCLK DIVMx设置MCLK的分频数00 /101 /210 /411 /8SELSSMCLK的选择控制位0 DCOCLK1 LFXT1CLK或者VLOCLK DIVSx设置SMCLK的分频数00 /101 /210 /411 /8DCORDCO直流发生电阻选择,此位一般设00 内部电阻1 外部电阻BCSCTL3-基本时钟控制寄存器3XT2Sx不用管LFXT1Sx00 LFXT1选为32.768KHz晶振01 保留10 VLOCLK11 外部数字时钟源XCAPxLFXT1晶振谐振电容选择00 1pF01 6pF10 10pF11 12.5pFmsp430g2553.h中基本时钟系统的内容/************************************************************* Basic Clock Module************************************************************/#define __MSP430_HAS_BC2__ /* Definition to show that Module is available */SFR_8BIT(DCOCTL); /* DCO Clock Frequency Control */SFR_8BIT(BCSCTL1); /* Basic Clock System Control 1 */SFR_8BIT(BCSCTL2); /* Basic Clock System Control 2 */SFR_8BIT(BCSCTL3); /* Basic Clock System Control 3 */#define MOD0 (0x01) /* Modulation Bit 0 */#define MOD1 (0x02) /* Modulation Bit 1 */#define MOD2 (0x04) /* Modulation Bit 2 */#define MOD3 (0x08) /* Modulation Bit 3 */#define MOD4 (0x10) /* Modulation Bit 4 */#define DCO0 (0x20) /* DCO Select Bit 0 */#define DCO1 (0x40) /* DCO Select Bit 1 */#define DCO2 (0x80) /* DCO Select Bit 2 */#define RSEL0 (0x01) /* Range Select Bit 0 */#define RSEL1 (0x02) /* Range Select Bit 1 */#define RSEL2 (0x04) /* Range Select Bit 2 */#define RSEL3 (0x08) /* Range Select Bit 3 */#define DIVA0 (0x10) /* ACLK Divider 0 */#define DIVA1 (0x20) /* ACLK Divider 1 */#define XTS (0x40) /* LFXTCLK 0:Low Freq. / 1: High Freq. */ #define XT2OFF (0x80) /* Enable XT2CLK */#define DIVA_0 (0x00) /* ACLK Divider 0: /1 */#define DIVA_1 (0x10) /* ACLK Divider 1: /2 */#define DIVA_2 (0x20) /* ACLK Divider 2: /4 */#define DIVA_3 (0x30) /* ACLK Divider 3: /8 */#define DIVS0 (0x02) /* SMCLK Divider 0 */#define DIVS1 (0x04) /* SMCLK Divider 1 */#define SELS (0x08) /* SMCLK Source Select 0:DCOCLK /1:XT2CLK/LFXTCLK */#define DIVM0 (0x10) /* MCLK Divider 0 */#define DIVM1 (0x20) /* MCLK Divider 1 */#define SELM0 (0x40) /* MCLK Source Select 0 */#define SELM1 (0x80) /* MCLK Source Select 1 */#define DIVS_0 (0x00) /* SMCLK Divider 0: /1 */#define DIVS_1 (0x02) /* SMCLK Divider 1: /2 */#define DIVS_2 (0x04) /* SMCLK Divider 2: /4 */#define DIVS_3 (0x06) /* SMCLK Divider 3: /8 */#define DIVM_0 (0x00) /* MCLK Divider 0: /1 */#define DIVM_1 (0x10) /* MCLK Divider 1: /2 */#define DIVM_2 (0x20) /* MCLK Divider 2: /4 */#define DIVM_3 (0x30) /* MCLK Divider 3: /8 */#define SELM_0 (0x00) /* MCLK Source Select 0: DCOCLK */#define SELM_1 (0x40) /* MCLK Source Select 1: DCOCLK */#define SELM_2 (0x80) /* MCLK Source Select 2: XT2CLK/LFXTCLK */#define SELM_3 (0xC0) /* MCLK Source Select 3: LFXTCLK */#define LFXT1OF (0x01) /* Low/high Frequency Oscillator Fault Flag */#define XT2OF (0x02) /* High frequency oscillator 2 fault flag */#define XCAP0 (0x04) /* XIN/XOUT Cap 0 */#define XCAP1 (0x08) /* XIN/XOUT Cap 1 */#define LFXT1S0 (0x10) /* Mode 0 for LFXT1 (XTS = 0) */#define LFXT1S1 (0x20) /* Mode 1 for LFXT1 (XTS = 0) */#define XT2S0 (0x40) /* Mode 0 for XT2 */#define XT2S1 (0x80) /* Mode 1 for XT2 */#define XCAP_0 (0x00) /* XIN/XOUT Cap : 0 pF */#define XCAP_1 (0x04) /* XIN/XOUT Cap : 6 pF */#define XCAP_2 (0x08) /* XIN/XOUT Cap : 10 pF */#define XCAP_3 (0x0C) /* XIN/XOUT Cap : 12.5 pF */#define LFXT1S_0 (0x00) /* Mode 0 for LFXT1 : Normal operation */ #define LFXT1S_1 (0x10) /* Mode 1 for LFXT1 : Reserved */#define LFXT1S_2 (0x20) /* Mode 2 for LFXT1 : VLO */#define LFXT1S_3 (0x30) /* Mode 3 for LFXT1 : Digital input signal */#define XT2S_0 (0x00) /* Mode 0 for XT2 : 0.4 - 1 MHz */#define XT2S_1 (0x40) /* Mode 1 for XT2 : 1 - 4 MHz */#define XT2S_2 (0x80) /* Mode 2 for XT2 : 2 - 16 MHz */#define XT2S_3 (0xC0) /* Mode 3 for XT2 : Digital input signal */基本时钟系统例程(DCO)MSP430G2553在上电之后默认CPU执行程序的时钟MCLK来自于DCO时钟。
串口通信UART模块基本介绍串口通信(UART)是一种通过串行接口进行数据传输的通信协议和硬件实现方式。
它是计算机和外设之间最常用的通信方式之一,也是嵌入式系统和单片机等小型设备中常用的通信方式。
UART通过串行方式传输数据,即通过单一的数据线一次只能传输一个bit位。
在串口通信中,通常需要两条线,一条用于发送数据(TX),一条用于接收数据(RX)。
UART通常通过一对相互连接的芯片实现,称为UART芯片或UART模块。
它包含一个发送器和一个接收器。
发送器将要发送的数据从并行格式转换为串行格式,并通过发送线路发送出去。
接收器则接收到的串行数据转换为并行格式以供系统使用。
UART芯片通常由硬件设计工程师在集成电路中设计和实现。
UART通信具有以下特点和优势:1.简单易用:UART通信是一种非常简单和易用的通信协议。
它的实现简单,适用于各种不同的应用场景。
2.可靠性高:UART通信使用的是硬件实现,不受软件的控制和干扰。
它具有较高的可靠性和稳定性。
3. 速度灵活可调:UART通信可以根据不同的应用需求进行速度调整。
通常,UART通信支持的波特率范围很大,可以从几十bps到多Mbps。
4.支持半双工和全双工通信:UART通信可以支持半双工和全双工两种通信方式。
在半双工模式下,发送和接收不能同时进行;而在全双工模式下,可以同时进行发送和接收。
5.通信距离远:UART通信使用串行线路进行数据传输,因此可以通过扩展串行线路的长度来实现较远距离的通信。
6.多种应用:UART通信广泛应用于各种设备和领域,如计算机、嵌入式系统、单片机、电子设备、通信设备等。
值得注意的是,UART通信只是一个物理层的通信协议,它只负责数据的传输,而不负责数据的解码和处理。
因此,在使用UART通信时,通常需要配合其他协议或编码方式,如RS-232、RS-485、Modbus等,来完成完整的通信过程。
总结来说,UART通信是一种简单、可靠、灵活的串行通信协议和硬件实现方式。
【Energia开发环境】MSP430LAUNCHPAD学习笔记5--串口(Serial UART)串口通信能够实现开发板与PC的相互传输数据,常用于开发板的调试,输出调试信息,直观的观察开发板运行的状况。
对于MSP430G2553的串口,需要注意的是由于LAUNCHPAD的版本不同,有1.4和1.5两个版本,如上图。
1.5版本的LAUNCHPAD可以在调试时直接使用硬件UART与电脑通信。
这次实验所使用的芯片型号为G2553,在包装和里也有G2452的芯片,所以要看清楚你所使用的是哪个芯片。
如果你手上正好有一块G25531.5版本的LAUNCHPAD,那就方便多了。
LAUNCHPAD板子上的仿真器串口最大通信速率为9600baud,我们在写程序的时候最好不要超过这个数值。
我们先来做个简单的串口实验:编写完程序后,连上板子,查看软件是否已正常连接开发板,然后下载程序。
常用函数:Serial.begin(speed):这个函数是对波特率的设定,常有的波特率有300,600,1200,2400, 4800,9600,14400,19200,28800,38400,57600,11520这些。
这里使用是9600baud。
print(val):在串口发送数据的时候,会将其转换为人类可阅读的ASCII字符。
∙Serial.print(78)输出"78"∙Serial.print(1.23456)输出"1.23"∙Serial.print('N')输出"N"∙Serial.print("Hello world.")输出"Hello world."也可以在print(val,format)中加入第二个参数,如:∙Serial.print(78,BIN)输出"1001110"∙Serial.print(78,OCT)输出"116"∙Serial.print(78,DEC)输出"78"∙Serial.print(78,HEX)输出"4E"∙Serial.println(1.23456,0)输出"1"∙Serial.println(1.23456,2)输出"1.23"∙Serial.println(1.23456,4)输出"1.2346"Serial.println(val,format)是print(val,)的加强版,只是在print生成的字符串后面加一个”\n”作为换行符。
MSP430单片机串口通信详解#include"msp430G2553.h"#include "in430.h"void UartPutchar(unsigned char c);unsigned char UartGetchar();unsigned char temp=0;unsigned char number[2]={0};void main( void ){WDTCTL = WDTPW + WDTHOLD; // Stop WDTBCSCTL1 = CALBC1_1MHZ; // Set DCODCOCTL = CALDCO_1MHZ;P1DIR|=BIT6;P1OUT&=~BIT6;P1SEL = BIT1 + BIT2; // P1.1为 RXD, P1.2为TXD P1SEL2 = BIT1 + BIT2; // P1.1为 RXD, P1.2为TXDUCA0CTL1 |= UCSSEL_2; // 选择时钟BRCLKUCA0BR0 = 106; // 1MHz 9600UCA0BR1 = 0; // 1MHz 9600UCA0MCTL = UCBRS2 + UCBRS0; // 波特率=BRCLK/(UBR+(M7+...0)/8)UCA0CTL1 &= ~UCSWRST;// 初始化顺序:SWRST=1设置串口,然后设置SWRST=0,最后设置相应中断IE2 |= UCA0RXIE; // 使能接收中断while(1){//UartPutchar(9);// display_int(temp,0);__delay_cycles(10000);}}/**********************************UART接收中断*************************/#pragma vector=USCIAB0RX_VECTOR__interrupt void USCI0RX_ISR(void){//while (!(IFG2&UCA0TXIFG)); // 等待发送完成 //UCA0TXBUF = UCA0RXBUF; // TX ->; RXed charactertemp=UCA0RXBUF;}/******************************UART发送字节函数*************************/void UartPutchar(unsigned char c){while(!(IFG2 & UCA0TXIFG)); //待发送为空UCA0TXBUF=c;IFG2 &=~UCA0RXIFG;}/*********************************UART接收字节数据******************/unsigned char UartGetchar(){unsigned char c;while(!(IFG2 & UCA0RXIFG)); //等待接收完成c=UCA0RXBUF;IFG2 &=~UCA0TXIFG;return c;}/******智能控制工作室*******/MSP430g2553串口通信MSP430的不同型号,其串行通讯工作模式是一样的。
MSP430g2553串口通信MSP430的不同型号,其串行通讯工作模式是一样的。
以MSP430G2553为例进行说明。
MSP430G2553是20个引脚的16位单片机。
具有内置的16位定时器、16k 的FLASH 和512B 的RAM ,以及一个通用型模拟比较器以及采用通用串行通信接口的内置通信能力。
此外还具有一个10位的模数(A/D)转换器。
其引脚排布如图1.1所示。
其功能表如表1.1所示。
串行通讯模块主要由三个部分组成:波特率生成部分、发送控制器以及接收控制器。
如图1.2所示。
一、UART 模式在异步模式下,接收器自身实现帧的同步,外部的通讯设备并不使用这一时钟。
波特率的产生是在本地完成的。
异步帧格式由1个起始位、7或8个数据位、校验位(奇/偶/无)、1个地址位、和1或2个停止位。
一般最小帧为9个位,最大为13位。
图1.2 串行通讯模块内部结构图图1.1 MSP430G2553引脚图(一)UART的初始化单片机工作的时钟源来自内部三个时钟或者外部输入时钟,由SSEL1、SSEL0,以决定最终进入模块的时钟信号BRCLK的频率。
所以配置串行通讯的第一步就是选择时钟。
通过选择时钟源和波特率寄存器的数据来确定位周期。
所以波特率的配置是串行通讯中最重要的一部分。
波特率设置用三个寄存器实现:UxBR0(选择控制器0):波特率发生器分频系数低8位。
UxBR1(选择控制器1):波特率发生器分频系数高8位。
UxMCTL 数据传输的格式,以及数据传输的模式是通过配置控制寄存器UCTL来进行设置。
接收控制部分和发送控制部分。
首先需要串行口进行配置、使能以及开启中断。
串口接收数据一般采用中断方式,发送数据采用主动发送。
当接收到一个完整的数据,产生一个信号:URXIFG0=1(类似于51单片机的接收中断标志位),表示接收完整的数据。
当数据正在发送中,UTXIFG0=1,此时不能再发送数据,必须等当前数据发送完毕(UTXIFG0=0)才能进行发送。
MSP430寄存器中文注释---P1/2口(带中断功能)/************************************************************ * DIGITAL I/O Port1/2 寄存器定义有中断功能************************************************************/ #define P1IN_ 0x0020 /* P1 输入寄存器 */const sfrb P1IN = P1IN_;#define P1OUT_ 0x0021/* P1 输出寄存器 */ sfrb P1OUT = P1OUT_;#define P1DIR_ 0x0022 /* P1 方向选择寄存器 */sfrb P1DIR = P1DIR_;#define P1IFG_ 0x0023 /* P1 中断标志寄存器*/sfrb P1IFG = P1IFG_;#define P1IES_ 0x0024 /* P1 中断边沿选择寄存器*/ sfrb P1IES = P1IES_;#define P1IE_ 0x0025 /* P1 中断使能寄存器 */sfrb P1IE = P1IE_;#define P1SEL_ 0x0026 /* P1 功能选择寄存器*/sfrb P1SEL = P1SEL_;#define P2IN_ 0x0028 /* P2 输入寄存器 */const sfrb P2IN = P2IN_;#define P2OUT_ 0x0029 /* P2 输出寄存器*/sfrb P2OUT = P2OUT_;#define P2DIR_ 0x002A /* P2 方向选择寄存器*/ sfrb P2DIR = P2DIR_;#define P2IFG_ 0x002B /* P2 中断标志寄存器 */sfrb P2IFG = P2IFG_;#define P2IES_ 0x002C /* P2 中断边沿选择寄存器 */ sfrb P2IES = P2IES_;#define P2IE_ 0x002D /* P2 中断使能寄存器 */sfrb P2IE = P2IE_;#define P2SEL_ 0x002E /* P2 功能选择寄存器 */sfrb P2SEL = P2SEL_;MSP430寄存器中文注释---P3/4口(无中断功能)/************************************************************* DIGITAL I/O Port3/4寄存器定义无中断功能************************************************************/#define P3IN_ 0x0018 /* P3 输入寄存器 */const sfrb P3IN = P3IN_;#define P3OUT_ 0x0019 /* P3 输出寄存器 */sfrb P3OUT = P3OUT_;#define P3DIR_ 0x001A /* P3 方向选择寄存器 */sfrb P3DIR = P3DIR_;#define P3SEL_ 0x001B /* P3 功能选择寄存器*/sfrb P3SEL = P3SEL_;#define P4IN_ 0x001C /* P4 输入寄存器 */const sfrb P4IN = P4IN_;#define P4OUT_ 0x001D /* P4 输出寄存器 */sfrb P4OUT = P4OUT_;#define P4DIR_ 0x001E /* P4 方向选择寄存器 */sfrb P4DIR = P4DIR_;#define P4SEL_ 0x001F /* P4 功能选择寄存器 */sfrb P4SEL = P4SEL_;/************************************************************* DIGITAL I/O Port5/6 I/O口寄存器定义PORT5和6 无中断功能************************************************************/#define P5IN_ 0x0030 /* P5 输入寄存器 */const sfrb P5IN = P5IN_;#define P5OUT_ 0x0031 /* P5 输出寄存器*/sfrb P5OUT = P5OUT_;#define P5DIR_ 0x0032 /* P5 方向选择寄存器*/ sfrb P5DIR = P5DIR_;#define P5SEL_ 0x0033 /* P5 功能选择寄存器*/ sfrb P5SEL = P5SEL_;#define P6IN_ 0x0034 /* P6 输入寄存器 */const sfrb P6IN = P6IN_;#define P6OUT_ 0x0035 /* P6 输出寄存器*/sfrb P6OUT = P6OUT_;#define P6DIR_ 0x0036 /* P6 方向选择寄存器*/ sfrb P6DIR = P6DIR_;#define P6SEL_ 0x0037 /* P6 功能选择寄存器*/ sfrb P6SEL = P6SEL_;MSP430寄存器中文注释--- 硬件乘法器/************************************************************硬件乘法器的寄存器定义************************************************************/ #define MPY_ 0x0130 /* 无符号乘法 */sfrw MPY = MPY_;#define MPYS_ 0x0132 /* 有符号乘法*/sfrw MPYS = MPYS_;#define MAC_ 0x0134 /* 无符号乘加 */sfrw MAC = MAC_;#define MACS_ 0x0136 /* 有符号乘加 */sfrw MACS = MACS_;#define OP2_ 0x0138 /* 第二乘数 */sfrw OP2 = OP2_;#define RESLO_ 0x013A /* 低6位结果寄存器 */sfrw RESLO = RESLO_;#define RESHI_ 0x013C /* 高6位结果寄存器 */sfrw RESHI = RESHI_;#define SUMEXT_ 0x013E /*结果扩展寄存器*/const sfrw SUMEXT = SUMEXT_;MSP430寄存器中文注释---看门狗和定时器/************************************************************* 看门狗定时器的寄存器定义************************************************************/#define WDTCTL_ 0x0120sfrw WDTCTL = WDTCTL_;#define WDTIS0 0x0001 /*选择WDTCNT的四个输出端之一*/#define WDTIS1 0x0002 /*选择WDTCNT的四个输出端之一*/#define WDTSSEL 0x0004 /*选择WDTCNT的时钟源*/#define WDTCNTCL 0x0008 /*清除WDTCNT端: 为1时从0开始计数*/#define WDTTMSEL 0x0010 /*选择模式0: 看门狗模式; 1: 定时器模式*/#define WDTNMI 0x0020 /*选择NMI/RST 引脚功能 0:为 RST; 1:为NMI*/#define WDTNMIES 0x0040 /*WDTNMI=1时.选择触发延 0:为上升延 1:为下降延*/ #define WDTHOLD 0x0080 /*停止看门狗定时器工作 0:启动;1:停止*/#define WDTPW 0x5A00 /* 写密码:高八位*//* SMCLK= 1MHz定时器模式 */#define WDT_MDLY_32 WDTPW+WDTTMSEL+WDTCNTCL /*TSMCLK*2POWER15=32ms 复位状态 */#define WDT_MDLY_8 WDTPW+WDTTMSEL+WDTCNTCL+WDTIS0 /*TSMCLK*2POWER13=8.192ms " */#define WDT_MDLY_0_5 WDTPW+WDTTMSEL+WDTCNTCL+WDTIS1 /*TSMCLK*2POWER9=0.512ms " */#define WDT_MDLY_0_064 WDTPW+WDTTMSEL+WDTCNTCL+WDTIS1+WDTIS0 /*TSMCLK*2POWER6=0.512ms " *//* ACLK=32.768KHz 定时器模式*/#define WDT_ADLY_1000 WDTPW+WDTTMSEL+WDTCNTCL+WDTSSEL /* TACLK*2POWER15=1000ms " */#define WDT_ADLY_250 WDTPW+WDTTMSEL+WDTCNTCL+WDTSSEL+WDTIS0 /* TACLK*2POWER13=250ms " */#define WDT_ADLY_16 WDTPW+WDTTMSEL+WDTCNTCL+WDTSSEL+WDTIS1 /* TACLK*2POWER9=16ms " */#define WDT_ADLY_1_9 WDTPW+WDTTMSEL+WDTCNTCL+WDTSSEL+WDTIS1+WDTIS0 /* TACLK*2POWER6=1.9ms " *//* SMCLK=1MHz看门狗模式 */#define WDT_MRST_32 WDTPW+WDTCNTCL /* TSMCLK*2POWER15=32ms 复位状态*/#define WDT_MRST_8 WDTPW+WDTCNTCL+WDTIS0 /* TSMCLK*2POWER13=8.192ms " */#define WDT_MRST_0_5 WDTPW+WDTCNTCL+WDTIS1 /* TSMCLK*2POWER9=0.512ms " */#define WDT_MRST_0_064 WDTPW+WDTCNTCL+WDTIS1+WDTIS0 /* TSMCLK*2POWER6=0.512ms " *//* ACLK=32KHz看门狗模式 */#define WDT_ARST_1000 WDTPW+WDTCNTCL+WDTSSEL /* TACLK*2POWER15=1000ms " */#define WDT_ARST_250 WDTPW+WDTCNTCL+WDTSSEL+WDTIS0 /* TACLK*2POWER13=250ms " */#define WDT_ARST_16 WDTPW+WDTCNTCL+WDTSSEL+WDTIS1 /* TACLK*2POWER9=16ms " */#define WDT_ARST_1_9 WDTPW+WDTCNTCL+WDTSSEL+WDTIS1+WDTIS0 /* TACLK*2POWER6=1.9ms " */MSP430寄存器中文注释---A/D采样寄存器定义/************************************************************* ADC12 A/D采样寄存器定义************************************************************//*ADC12转换控制类寄存器*/#define ADC12CTL0_ 0x0;' /* ADC12 Control 0 */sfrw ADC12CTL0 = ADC12CTL0_;#define ADC12CTL1_ 0x01A2 /* ADC12 Control 1 */sfrw ADC12CTL1 = ADC12CTL1_;/*ADC12中断控制类寄存器*/#define ADC12IFG_ 0x01A4 /* ADC12 Interrupt Flag */sfrw ADC12IFG = ADC12IFG_;#define ADC12IE_ 0x01A6 /* ADC12 Interrupt Enable */sfrw ADC12IE = ADC12IE_;#define ADC12IV_ 0x01A8 /* ADC12 Interrupt Vector Word */sfrw ADC12IV = ADC12IV_;/*ADC12存贮器类寄存器*/#define ADC12MEM_ 0x0140 /* ADC12 Conversion Memory */#ifndef __IAR_SYSTEMS_ICC#define ADC12MEM ADC12MEM_ /* ADC12 Conversion Memory (for assembler) */ #else#define ADC12MEM ((int*) ADC12MEM_) /* ADC12 Conversion Memory (for C) */ #endif#define ADC12MEM0_ ADC12MEM_ /* ADC12 Conversion Memory 0 */sfrw ADC12MEM0 = ADC12MEM0_;#define ADC12MEM1_ 0x0142 /* ADC12 Conversion Memory 1 */sfrw ADC12MEM1 = ADC12MEM1_;#define ADC12MEM2_ 0x0144 /* ADC12 Conversion Memory 2 */sfrw ADC12MEM2 = ADC12MEM2_;#define ADC12MEM3_ 0x0146 /* ADC12 Conversion Memory 3 */sfrw ADC12MEM3 = ADC12MEM3_;#define ADC12MEM4_ 0x0148 /* ADC12 Conversion Memory 4 */sfrw ADC12MEM4 = ADC12MEM4_;#define ADC12MEM5_ 0x014A /* ADC12 Conversion Memory 5 */sfrw ADC12MEM5 = ADC12MEM5_;#define ADC12MEM6_ 0x014C /* ADC12 Conversion Memory 6 */sfrw ADC12MEM6 = ADC12MEM6_;#define ADC12MEM7_ 0x014E /* ADC12 Conversion Memory 7 */sfrw ADC12MEM7 = ADC12MEM7_;#define ADC12MEM8_ 0x0150 /* ADC12 Conversion Memory 8 */sfrw ADC12MEM8 = ADC12MEM8_;#define ADC12MEM9_ 0x0152 /* ADC12 Conversion Memory 9 */sfrw ADC12MEM9 = ADC12MEM9_;#define ADC12MEM10_ 0x0154 /* ADC12 Conversion Memory 10 */sfrw ADC12MEM10 = ADC12MEM10_;#define ADC12MEM11_ 0x0156 /* ADC12 Conversion Memory 11 */sfrw ADC12MEM11 = ADC12MEM11_;#define ADC12MEM12_ 0x0158 /* ADC12 Conversion Memory 12 */sfrw ADC12MEM12 = ADC12MEM12_;#define ADC12MEM13_ 0x015A /* ADC12 Conversion Memory 13 */sfrw ADC12MEM13 = ADC12MEM13_;#define ADC12MEM14_ 0x015C /* ADC12 Conversion Memory 14 */sfrw ADC12MEM14 = ADC12MEM14_;#define ADC12MEM15_ 0x015E /* ADC12 Conversion Memory 15 */sfrw ADC12MEM15 = ADC12MEM15_;/*ADC12存贮控制类寄存器*/#define ADC12MCTL_ 0x0080 /* ADC12 Memory Control */#ifndef __IAR_SYSTEMS_ICC#define ADC12MCTL ADC12MCTL_ /* ADC12 Memory Control (for assembler) */#else#define ADC12MCTL ((char*) ADC12MCTL_) /* ADC12 Memory Control (for C) */ #endif#define ADC12MCTL0_ ADC12MCTL_ /* ADC12 Memory Control 0 */sfrb ADC12MCTL0 = ADC12MCTL0_;#define ADC12MCTL1_ 0x0081 /* ADC12 Memory Control 1 */sfrb ADC12MCTL1 = ADC12MCTL1_;#define ADC12MCTL2_ 0x0082 /* ADC12 Memory Control 2 */sfrb ADC12MCTL2 = ADC12MCTL2_;#define ADC12MCTL3_ 0x0083 /* ADC12 Memory Control 3 */sfrb ADC12MCTL3 = ADC12MCTL3_;#define ADC12MCTL4_ 0x0084 /* ADC12 Memory Control 4 */sfrb ADC12MCTL4 = ADC12MCTL4_;#define ADC12MCTL5_ 0x0085 /* ADC12 Memory Control 5 */sfrb ADC12MCTL5 = ADC12MCTL5_;#define ADC12MCTL6_ 0x0086 /* ADC12 Memory Control 6 */sfrb ADC12MCTL6 = ADC12MCTL6_;#define ADC12MCTL7_ 0x0087 /* ADC12 Memory Control 7 */sfrb ADC12MCTL7 = ADC12MCTL7_;#define ADC12MCTL8_ 0x0088 /* ADC12 Memory Control 8 */sfrb ADC12MCTL8 = ADC12MCTL8_;#define ADC12MCTL9_ 0x0089 /* ADC12 Memory Control 9 */sfrb ADC12MCTL9 = ADC12MCTL9_;#define ADC12MCTL10_ 0x008A /* ADC12 Memory Control 10 */sfrb ADC12MCTL10 = ADC12MCTL10_;#define ADC12MCTL11_ 0x008B /* ADC12 Memory Control 11 */sfrb ADC12MCTL11 = ADC12MCTL11_;#define ADC12MCTL12_ 0x008C /* ADC12 Memory Control 12 */sfrb ADC12MCTL12 = ADC12MCTL12_;#define ADC12MCTL13_ 0x008D /* ADC12 Memory Control 13 */sfrb ADC12MCTL13 = ADC12MCTL13_;#define ADC12MCTL14_ 0x008E /* ADC12 Memory Control 14 */sfrb ADC12MCTL14 = ADC12MCTL14_;#define ADC12MCTL15_ 0x008F /* ADC12 Memory Control 15 */sfrb ADC12MCTL15 = ADC12MCTL15_;/* ADC12CTL0 内8位控制寄存器位*/#define ADC12SC 0x001 /*采样/转换控制位*/#define ENC 0x002 /* 转换允许位*/#define ADC12TOVIE 0x004 /*转换时间溢出中断允许位*/#define ADC12OVIE 0x008 /*溢出中断允许位*/#define ADC12ON 0x010 /*ADC12内核控制位*/#define REFON 0x020 /*参考电压控制位*/#define REF2_5V 0x040 /*内部参考电压的电压值选择位 '0'为1.5V; '1'为2.5V*/ #define MSH 0x080 /*多次采样/转换位*/#define MSC 0x080 /*多次采样/转换位*//*SHT0 采样保持定时器0 控制ADC12的结果存贮器MEM0~MEM7的采样周期*/#define SHT0_0 0*0x100 /*采样周期=TADC12CLK*4 */#define SHT0_1 1*0x100 /*采样周期=TADC12CLK*8 */#define SHT0_2 2*0x100 /*采样周期=TADC12CLK*16 */#define SHT0_3 3*0x100 /*采样周期=TADC12CLK*32 */#define SHT0_4 4*0x100 /*采样周期=TADC12CLK*64 */#define SHT0_5 5*0x100 /*采样周期=TADC12CLK*96 */#define SHT0_6 6*0x100 /*采样周期=TADC12CLK*128 */#define SHT0_7 7*0x100 /*采样周期=TADC12CLK*192 */#define SHT0_8 8*0x100 /*采样周期=TADC12CLK*256 */#define SHT0_9 9*0x100 /*采样周期=TADC12CLK*384 */#define SHT0_10 10*0x100 /*采样周期=TADC12CLK*512 */#define SHT0_11 11*0x100 /*采样周期=TADC12CLK*768 */#define SHT0_12 12*0x100 /*采样周期=TADC12CLK*1024 */#define SHT0_13 13*0x100 /*采样周期=TADC12CLK*1024 */ #define SHT0_14 14*0x100 /*采样周期=TADC12CLK*1024*/ #define SHT0_15 15*0x100 /*采样周期=TADC12CLK*1024 */ /*SHT1 采样保持定时器1 控制ADC12的结果存贮器MEM8~MEM15的采样周期*/#define SHT1_0 0*0x100 /*采样周期=TADC12CLK*4 */#define SHT1_1 1*0x100 /*采样周期=TADC12CLK*8 */#define SHT1_2 2*0x100 /*采样周期=TADC12CLK*16 */#define SHT1_3 3*0x100 /*采样周期=TADC12CLK*32 */#define SHT1_4 4*0x100 /*采样周期=TADC12CLK*64 */#define SHT1_5 5*0x100 /*采样周期=TADC12CLK*96 */#define SHT1_6 6*0x100 /*采样周期=TADC12CLK*128 */ #define SHT1_7 7*0x100 /*采样周期=TADC12CLK*192 */ #define SHT1_8 8*0x100 /*采样周期=TADC12CLK*256 */ #define SHT1_9 9*0x100 /*采样周期=TADC12CLK*384 */ #define SHT1_10 10*0x100 /*采样周期=TADC12CLK*512 */ #define SHT1_11 11*0x100 /*采样周期=TADC12CLK*768 */ #define SHT1_12 12*0x100 /*采样周期=TADC12CLK*1024 */ #define SHT1_13 13*0x100 /*采样周期=TADC12CLK*1024 */ #define SHT1_14 14*0x100 /*采样周期=TADC12CLK*1024 */ #define SHT1_15 15*0x100 /*采样周期=TADC12CLK*1024 *//* ADC12CTL1 内8位控制寄存器位*/#define ADC12BUSY 0x0001 /*ADC12忙标志位*/#define CONSEQ_0 0*2 /*单通道单次转换*/#define CONSEQ_1 1*2 /*序列通道单次转换*/#define CONSEQ_2 2*2 /*单通道多次转换*/#define CONSEQ_3 3*2 /*序列通道多次转换*/#define ADC12SSEL_0 0*8 /*ADC12内部时钟源*/#define ADC12SSEL_1 1*8 /*ACLK*/#define ADC12SSEL_2 2*8 /*MCLK*/#define ADC12SSEL_3 3*8 /*SCLK*/#define ADC12DIV_0 0*0x20 /*1分频*/#define ADC12DIV_1 1*0x20 /*2分频*/#define ADC12DIV_2 2*0x20 /*3分频*/#define ADC12DIV_3 3*0x20 /*4分频*/#define ADC12DIV_4 4*0x20 /*5分频*/#define ADC12DIV_5 5*0x20 /*6分频*/#define ADC12DIV_6 6*0x20 /*7分频*/#define ADC12DIV_7 7*0x20 /*8分频*/#define ISSH 0x0100 /*采样输入信号反向与否控制位*/#define SHP 0x0200 /*采样信号(SAMPCON)选择控制位*/#define SHS_0 0*0x400 /*采样信号输入源选择控制位 ADC12SC*/#define SHS_1 1*0x400 /*采样信号输入源选择控制位 TIMER_A.OUT1*/ #define SHS_2 2*0x400 /*采样信号输入源选择控制位 TIMER_B.OUT0*/ #define SHS_3 3*0x400 /*采样信号输入源选择控制位 TIMER_B.OUT1*/ /*转换存贮器地址定义位*/#define CSTARTADD_0 0*0x1000 /*选择MEM0首地址*/#define CSTARTADD_1 1*0x1000 /*选择MEM1首地址*/#define CSTARTADD_2 2*0x1000 /*选择MEM2首地址*/#define CSTARTADD_3 3*0x1000 /*选择MEM3首地址*/#define CSTARTADD_4 4*0x1000 /*选择MEM4首地址*/#define CSTARTADD_5 5*0x1000 /*选择MEM5首地址*/#define CSTARTADD_6 6*0x1000 /*选择MEM6首地址*/#define CSTARTADD_7 7*0x1000 /*选择MEM7首地址*/#define CSTARTADD_8 8*0x1000 /*选择MEM8首地址*/#define CSTARTADD_9 9*0x1000 /*选择MEM9首地址*/#define CSTARTADD_10 10*0x1000 /*选择MEM10首地址*/#define CSTARTADD_11 11*0x1000 /*选择MEM11首地址*/#define CSTARTADD_12 12*0x1000 /*选择MEM12首地址*/#define CSTARTADD_13 13*0x1000 /*选择MEM13首地址*/#define CSTARTADD_14 14*0x1000 /*选择MEM14首地址*/#define CSTARTADD_15 15*0x1000 /*选择MEM15首地址*//* ADC12MCTLx */#define INCH_0 0 /*选择模拟量通道0 A0 */#define INCH_1 1 /*选择模拟量通道0 A1*/#define INCH_2 2 /*选择模拟量通道0 A2*/#define INCH_3 3 /*选择模拟量通道0 A3*/#define INCH_4 4 /*选择模拟量通道0 A4*/#define INCH_5 5 /*选择模拟量通道0 A5*/#define INCH_6 6 /*选择模拟量通道0 A6*/#define INCH_7 7 /*选择模拟量通道0 A7*/#define INCH_8 8 /*VEREF+*/#define INCH_9 9 /*VEREF-*/#define INCH_10 10 /*片内温度传感器的输出*/#define INCH_11 11 /*(AVCC-AVSS)/2*/#define INCH_12 12 /*(AVCC-AVSS)/2*/#define INCH_13 13 /*(AVCC-AVSS)/2*/#define INCH_14 14 /*(AVCC-AVSS)/2*/#define INCH_15 15 /*(AVCC-AVSS)/2*//*参考电压源选择位*/#define SREF_0 0*0x10 /*VR+ = AVCC; VR- = AVSS*/#define SREF_1 1*0x10 /*VR+ = VREF+; VR- = AVSS*/ #define SREF_2 2*0x10 /*VR+ = VEREF+; VR- = AVSS*/ #define SREF_3 3*0x10 /*VR+ = VEREF+; VR- = AVSS*/ #define SREF_4 4*0x10 /*VR+ = AVCC; VR- = VREF-*/ #define SREF_5 5*0x10 /*VR+ = VREF+; VR- = VREF-*/ #define SREF_6 6*0x10 /*VR+ = VEREF+; VR- = VREF-*/ #define SREF_7 7*0x10 /*VR+ = VEREF+; VR- = VREF-*/#define EOS 0x80 /*序列结束选择位*/MSP430寄存器中文注释----串口寄存器/************************************************************* USART 串口寄存器"UCTL","UTCTL","URCTL"定义的各个位可串口1 串口2公用************************************************************//* UCTL 串口控制寄存器*/#define PENA 0x80 /*校验允许位*/#define PEV 0x40 /*偶校验为0时为奇校验*/#define SPB 0x20 /*停止位为2 为0时停止位为1*/#define CHAR 0x10 /*数据位为8位为0时数据位为7位*/#define LISTEN 0x08 /*自环模式(发数据同时在把发的数据接收回来)*/#define SYNC 0x04 /*同步模式为0异步模式*/#define MM 0x02 /*为1时地址位多机协议(异步) 主机模式(同步);为0时线路空闲多机协议(异步) 从机模式(同步)*/#define SWRST 0x01 /*控制位*//* UTCTL 串口发送控制寄存器*/#define CKPH 0x80 /*时钟相位控制位(只同步方式用)为1时时钟UCLK延时半个周期*/#define CKPL 0x40 /*时钟极性控制位为1时异步与UCLK相反;同步下降延有效*/#define SSEL1 0x20 /*时钟源选择位:与SSEL0组合为0,1,2,3四种方式*/#define SSEL0 0x10 /*"0"选择外部时钟,"1"选择辅助时钟,"2","3"选择系统子时钟 */#define URXSE 0x08 /*接收触发延控制位(只在异步方式下用)*/#define TXWAKE 0x04 /*多处理器通信传送控制位(只在异步方式下用)*/#define STC 0x02 /*外部引脚STE选择位为0时为4线模式为1时为3线模式*/ #define TXEPT 0x01 /*发送器空标志*//* URCTL 串口接收控制寄存器同步模式下只用两位:FE和OE*/#define FE 0x80 /*帧错标志*/#define PE 0x40 /*校验错标志位*/#define OE 0x20 /*溢出标志位*/#define BRK 0x10 /*打断检测位*/#define URXEIE 0x08 /*接收出错中断允许位*/#define URXWIE 0x04 /*接收唤醒中断允许位*/#define RXWAKE 0x02 /*接收唤醒检测位*/#define RXERR 0x01 /*接收错误标志位*//************************************************************* USART 0 串口0寄存器定义************************************************************/#define U0CTL_ 0x0070 /* UART 0 Control */sfrb U0CTL = U0CTL_;#define U0TCTL_ 0x0071 /* UART 0 Transmit Control */ sfrb U0TCTL = U0TCTL_;#define U0RCTL_ 0x0072 /* UART 0 Receive Control */ sfrb U0RCTL = U0RCTL_;#define U0MCTL_ 0x0073 /* UART 0 Modulation Control */ sfrb U0MCTL = U0MCTL_;#define U0BR0_ 0x0074 /* UART 0 Baud Rate 0 */sfrb U0BR0 = U0BR0_;#define U0BR1_ 0x0075 /* UART 0 Baud Rate 1 */sfrb U0BR1 = U0BR1_;#define U0RXBUF_ 0x0076 /* UART 0 Receive Buffer */ const sfrb U0RXBUF = U0RXBUF_;#define U0TXBUF_ 0x0077 /* UART 0 Transmit Buffer */ sfrb U0TXBUF = U0TXBUF_;/* Alternate register names */#define UCTL0_ 0x0070 /* UART 0 Control */sfrb UCTL0 = UCTL0_;#define UTCTL0_ 0x0071 /* UART 0 Transmit Control */ sfrb UTCTL0 = UTCTL0_;#define URCTL0_ 0x0072 /* UART 0 Receive Control */ sfrb URCTL0 = URCTL0_;#define UMCTL0_ 0x0073 /* UART 0 Modulation Control */ sfrb UMCTL0 = UMCTL0_;#define UBR00_ 0x0074 /* UART 0 Baud Rate 0 */sfrb UBR00 = UBR00_;#define UBR10_ 0x0075 /* UART 0 Baud Rate 1 */sfrb UBR10 = UBR10_;#define RXBUF0_ 0x0076 /* UART 0 Receive Buffer */ const sfrb RXBUF0 = RXBUF0_;#define TXBUF0_ 0x0077 /* UART 0 Transmit Buffer */ sfrb TXBUF0 = TXBUF0_;#define UCTL_0_ 0x0070 /* UART 0 Control */sfrb UCTL_0 = UCTL_0_;#define UTCTL_0_ 0x0071 /* UART 0 Transmit Control */ sfrb UTCTL_0 = UTCTL_0_;#define URCTL_0_ 0x0072 /* UART 0 Receive Control */ sfrb URCTL_0 = URCTL_0_;#define UMCTL_0_ 0x0073 /* UART 0 Modulation Control */ sfrb UMCTL_0 = UMCTL_0_;#define UBR0_0_ 0x0074 /* UART 0 Baud Rate 0 */sfrb UBR0_0 = UBR0_0_;#define UBR1_0_ 0x0075 /* UART 0 Baud Rate 1 */sfrb UBR1_0 = UBR1_0_;#define RXBUF_0_ 0x0076 /* UART 0 Receive Buffer */ const sfrb RXBUF_0 = RXBUF_0_;#define TXBUF_0_ 0x0077 /* UART 0 Transmit Buffer *//************************************************************* USART 1 串口1寄存器定义************************************************************/#define U1CTL_ 0x0078 /* UART 1 Control */sfrb U1CTL = U1CTL_;#define U1TCTL_ 0x0079 /* UART 1 Transmit Control */ sfrb U1TCTL = U1TCTL_;#define U1RCTL_ 0x007A /* UART 1 Receive Control */ sfrb U1RCTL = U1RCTL_;#define U1MCTL_ 0x007B /* UART 1 Modulation Control */ sfrb U1MCTL = U1MCTL_;#define U1BR0_ 0x007C /* UART 1 Baud Rate 0 */sfrb U1BR0 = U1BR0_;#define U1BR1_ 0x007D /* UART 1 Baud Rate 1 */sfrb U1BR1 = U1BR1_;#define U1RXBUF_ 0x007E /* UART 1 Receive Buffer */ const sfrb U1RXBUF = U1RXBUF_;#define U1TXBUF_ 0x007F /* UART 1 Transmit Buffer */ sfrb U1TXBUF = U1TXBUF_;#define UCTL1_ 0x0078 /* UART 1 Control */sfrb UCTL1 = UCTL1_;#define UTCTL1_ 0x0079 /* UART 1 Transmit Control */ sfrb UTCTL1 = UTCTL1_;#define URCTL1_ 0x007A /* UART 1 Receive Control */ sfrb URCTL1 = URCTL1_;#define UMCTL1_ 0x007B /* UART 1 Modulation Control */ sfrb UMCTL1 = UMCTL1_;#define UBR01_ 0x007C /* UART 1 Baud Rate 0 */#define UBR11_ 0x007D /* UART 1 Baud Rate 1 */sfrb UBR11 = UBR11_;#define RXBUF1_ 0x007E /* UART 1 Receive Buffer */ const sfrb RXBUF1 = RXBUF1_;#define TXBUF1_ 0x007F /* UART 1 Transmit Buffer */ sfrb TXBUF1 = TXBUF1_;#define UCTL_1_ 0x0078 /* UART 1 Control */sfrb UCTL_1 = UCTL_1_;#define UTCTL_1_ 0x0079 /* UART 1 Transmit Control */ sfrb UTCTL_1 = UTCTL_1_;#define URCTL_1_ 0x007A /* UART 1 Receive Control */ sfrb URCTL_1 = URCTL_1_;#define UMCTL_1_ 0x007B /* UART 1 Modulation Control */ sfrb UMCTL_1 = UMCTL_1_;#define UBR0_1_ 0x007C /* UART 1 Baud Rate 0 */sfrb UBR0_1 = UBR0_1_;#define UBR1_1_ 0x007D /* UART 1 Baud Rate 1 */sfrb UBR1_1 = UBR1_1_;#define RXBUF_1_ 0x007E /* UART 1 Receive Buffer */ const sfrb RXBUF_1 = RXBUF_1_;#define TXBUF_1_ 0x007F /* UART 1 Transmit Buffer */ sfrb TXBUF_1 = TXBUF_1_;MSP430寄存器中文注释---P1/2口(带中断功能)/************************************************************* DIGITAL I/O Port1/2 寄存器定义有中断功能************************************************************/#define P1IN_ 0x0020 /* P1 输入寄存器 */const sfrb P1IN = P1IN_;#define P1OUT_ 0x0021 /* P1 输出寄存器 */sfrb P1OUT = P1OUT_;#define P1DIR_ 0x0022 /* P1 方向选择寄存器 */sfrb P1DIR = P1DIR_;#define P1IFG_ 0x0023 /* P1 中断标志寄存器*/sfrb P1IFG = P1IFG_;#define P1IES_ 0x0024 /* P1 中断边沿选择寄存器*/ sfrb P1IES = P1IES_;#define P1IE_ 0x0025 /* P1 中断使能寄存器 */sfrb P1IE = P1IE_;#define P1SEL_ 0x0026 /* P1 功能选择寄存器*/sfrb P1SEL = P1SEL_;#define P2IN_ 0x0028 /* P2 输入寄存器 */const sfrb P2IN = P2IN_;#define P2OUT_ 0x0029 /* P2 输出寄存器 */sfrb P2OUT = P2OUT_;#define P2DIR_ 0x002A /* P2 方向选择寄存器 */ sfrb P2DIR = P2DIR_;#define P2IFG_ 0x002B /* P2 中断标志寄存器 */sfrb P2IFG = P2IFG_;#define P2IES_ 0x002C /* P2 中断边沿选择寄存器 */ sfrb P2IES = P2IES_;#define P2IE_ 0x002D /* P2 中断使能寄存器 */sfrb P2IE = P2IE_;#define P2SEL_ 0x002E /* P2 功能选择寄存器 */sfrb P2SEL = P2SEL_;MSP430寄存器中文注释---P3/4口(无中断功能)/************************************************************ * DIGITAL I/O Port3/4寄存器定义无中断功能************************************************************/#define P3IN_ 0x0018 /* P3 输入寄存器 */const sfrb P3IN = P3IN_;#define P3OUT_ 0x0019 /* P3 输出寄存器 */sfrb P3OUT = P3OUT_;#define P3DIR_ 0x001A /* P3 方向选择寄存器 */sfrb P3DIR = P3DIR_;#define P3SEL_ 0x001B /* P3 功能选择寄存器*/sfrb P3SEL = P3SEL_;#define P4IN_ 0x001C /* P4 输入寄存器 */const sfrb P4IN = P4IN_;#define P4OUT_ 0x001D /* P4 输出寄存器 */sfrb P4OUT = P4OUT_;#define P4DIR_ 0x001E /* P4 方向选择寄存器 */sfrb P4DIR = P4DIR_;#define P4SEL_ 0x001F /* P4 功能选择寄存器 */sfrb P4SEL = P4SEL_;/************************************************************ * DIGITAL I/O Port5/6 I/O口寄存器定义PORT5和6 无中断功能************************************************************/#define P5IN_ 0x0030 /* P5 输入寄存器 */const sfrb P5IN = P5IN_;#define P5OUT_ 0x0031 /* P5 输出寄存器*/sfrb P5OUT = P5OUT_;#define P5DIR_ 0x0032 /* P5 方向选择寄存器*/sfrb P5DIR = P5DIR_;#define P5SEL_ 0x0033 /* P5 功能选择寄存器*/sfrb P5SEL = P5SEL_;#define P6IN_ 0x0034 /* P6 输入寄存器 */const sfrb P6IN = P6IN_;#define P6OUT_ 0x0035 /* P6 输出寄存器*/sfrb P6OUT = P6OUT_;#define P6DIR_ 0x0036 /* P6 方向选择寄存器*/sfrb P6DIR = P6DIR_;#define P6SEL_ 0x0037 /* P6 功能选择寄存器*/sfrb P6SEL = P6SEL_;MSP430寄存器中文注释--- 硬件乘法器/************************************************************ 硬件乘法器的寄存器定义************************************************************/#define MPY_ 0x0130 /* 无符号乘法 */sfrw MPY = MPY_;#define MPYS_ 0x0132 /* 有符号乘法*/sfrw MPYS = MPYS_;#define MAC_ 0x0134 /* 无符号乘加 */sfrw MAC = MAC_;#define MACS_ 0x0136 /* 有符号乘加 */sfrw MACS = MACS_;#define OP2_ 0x0138 /* 第二乘数 */sfrw OP2 = OP2_;#define RESLO_ 0x013A /* 低6位结果寄存器 */sfrw RESLO = RESLO_;#define RESHI_ 0x013C /* 高6位结果寄存器 */sfrw RESHI = RESHI_;#define SUMEXT_ 0x013E /*结果扩展寄存器 */const sfrw SUMEXT = SUMEXT_;MSP430寄存器中文注释---看门狗和定时器/************************************************************* 看门狗定时器的寄存器定义************************************************************/#define WDTCTL_ 0x0120sfrw WDTCTL = WDTCTL_;#define WDTIS0 0x0001 /*选择WDTCNT的四个输出端之一*/#define WDTIS1 0x0002 /*选择WDTCNT的四个输出端之一*/#define WDTSSEL 0x0004 /*选择WDTCNT的时钟源*/#define WDTCNTCL 0x0008 /*清除WDTCNT端: 为1时从0开始计数*/#define WDTTMSEL 0x0010 /*选择模式 0: 看门狗模式; 1: 定时器模式*/#define WDTNMI 0x0020 /*选择NMI/RST 引脚功能 0:为 RST; 1:为NMI*/#define WDTNMIES 0x0040 /*WDTNMI=1时.选择触发延 0:为上升延 1:为下降延*/ #define WDTHOLD 0x0080 /*停止看门狗定时器工作 0:启动;1:停止*/#define WDTPW 0x5A00 /* 写密码:高八位*//* SMCLK= 1MHz定时器模式 */#define WDT_MDLY_32 WDTPW+WDTTMSEL+WDTCNTCL /* TSMCLK*2POWER15=32ms 复位状态 */#define WDT_MDLY_8 WDTPW+WDTTMSEL+WDTCNTCL+WDTIS0 /* TSMCLK*2POWER13=8.192ms " */#define WDT_MDLY_0_5 WDTPW+WDTTMSEL+WDTCNTCL+WDTIS1 /* TSMCLK*2POWER9=0.512ms " */#define WDT_MDLY_0_064 WDTPW+WDTTMSEL+WDTCNTCL+WDTIS1+WDTIS0 /* TSMCLK*2POWER6=0.512ms " *//* ACLK=32.768KHz 定时器模式*/#define WDT_ADLY_1000 WDTPW+WDTTMSEL+WDTCNTCL+WDTSSEL /* TACLK*2POWER15=1000ms " */#define WDT_ADLY_250 WDTPW+WDTTMSEL+WDTCNTCL+WDTSSEL+WDTIS0 /* TACLK*2POWER13=250ms " */#define WDT_ADLY_16 WDTPW+WDTTMSEL+WDTCNTCL+WDTSSEL+WDTIS1 /*TACLK*2POWER9=16ms " */#define WDT_ADLY_1_9 WDTPW+WDTTMSEL+WDTCNTCL+WDTSSEL+WDTIS1+WDTIS0 /* TACLK*2POWER6=1.9ms " *//* SMCLK=1MHz看门狗模式 */#define WDT_MRST_32 WDTPW+WDTCNTCL /* TSMCLK*2POWER15=32ms 复位状态 */#define WDT_MRST_8 WDTPW+WDTCNTCL+WDTIS0 /* TSMCLK*2POWER13=8.192ms " */#define WDT_MRST_0_5 WDTPW+WDTCNTCL+WDTIS1 /* TSMCLK*2POWER9=0.512ms " */#define WDT_MRST_0_064 WDTPW+WDTCNTCL+WDTIS1+WDTIS0 /* TSMCLK*2POWER6=0.512ms " *//* ACLK=32KHz看门狗模式 */#define WDT_ARST_1000 WDTPW+WDTCNTCL+WDTSSEL /* TACLK*2POWER15=1000ms " */#define WDT_ARST_250 WDTPW+WDTCNTCL+WDTSSEL+WDTIS0 /* TACLK*2POWER13=250ms " */#define WDT_ARST_16 WDTPW+WDTCNTCL+WDTSSEL+WDTIS1 /* TACLK*2POWER9=16ms " */#define WDT_ARST_1_9 WDTPW+WDTCNTCL+WDTSSEL+WDTIS1+WDTIS0 /* TACLK*2POWER6=1.9ms " */MSP430寄存器中文注释---A/D采样寄存器定义/************************************************************* ADC12 A/D采样寄存器定义************************************************************//*ADC12转换控制类寄存器*/#define ADC12CTL0_ 0x0;' /* ADC12 Control 0 */sfrw ADC12CTL0 = ADC12CTL0_;#define ADC12CTL1_ 0x01A2 /* ADC12 Control 1 */sfrw ADC12CTL1 = ADC12CTL1_;/*ADC12中断控制类寄存器*/#define ADC12IFG_ 0x01A4 /* ADC12 Interrupt Flag */sfrw ADC12IFG = ADC12IFG_;#define ADC12IE_ 0x01A6 /* ADC12 Interrupt Enable */sfrw ADC12IE = ADC12IE_;#define ADC12IV_ 0x01A8 /* ADC12 Interrupt Vector Word */sfrw ADC12IV = ADC12IV_;/*ADC12存贮器类寄存器*/#define ADC12MEM_ 0x0140 /* ADC12 Conversion Memory */#ifndef __IAR_SYSTEMS_ICC#define ADC12MEM ADC12MEM_ /* ADC12 Conversion Memory (for assembler) */ #else#define ADC12MEM ((int*) ADC12MEM_) /* ADC12 Conversion Memory (for C) */ #endif#define ADC12MEM0_ ADC12MEM_ /* ADC12 Conversion Memory 0 */sfrw ADC12MEM0 = ADC12MEM0_;#define ADC12MEM1_ 0x0142 /* ADC12 Conversion Memory 1 */sfrw ADC12MEM1 = ADC12MEM1_;#define ADC12MEM2_ 0x0144 /* ADC12 Conversion Memory 2 */sfrw ADC12MEM2 = ADC12MEM2_;#define ADC12MEM3_ 0x0146 /* ADC12 Conversion Memory 3 */sfrw ADC12MEM3 = ADC12MEM3_;#define ADC12MEM4_ 0x0148 /* ADC12 Conversion Memory 4 */sfrw ADC12MEM4 = ADC12MEM4_;#define ADC12MEM5_ 0x014A /* ADC12 Conversion Memory 5 */sfrw ADC12MEM5 = ADC12MEM5_;#define ADC12MEM6_ 0x014C /* ADC12 Conversion Memory 6 */sfrw ADC12MEM6 = ADC12MEM6_;#define ADC12MEM7_ 0x014E /* ADC12 Conversion Memory 7 */sfrw ADC12MEM7 = ADC12MEM7_;#define ADC12MEM8_ 0x0150 /* ADC12 Conversion Memory 8 */sfrw ADC12MEM8 = ADC12MEM8_;#define ADC12MEM9_ 0x0152 /* ADC12 Conversion Memory 9 */sfrw ADC12MEM9 = ADC12MEM9_;#define ADC12MEM10_ 0x0154 /* ADC12 Conversion Memory 10 */sfrw ADC12MEM10 = ADC12MEM10_;#define ADC12MEM11_ 0x0156 /* ADC12 Conversion Memory 11 */sfrw ADC12MEM11 = ADC12MEM11_;#define ADC12MEM12_ 0x0158 /* ADC12 Conversion Memory 12 */sfrw ADC12MEM12 = ADC12MEM12_;#define ADC12MEM13_ 0x015A /* ADC12 Conversion Memory 13 */sfrw ADC12MEM13 = ADC12MEM13_;#define ADC12MEM14_ 0x015C /* ADC12 Conversion Memory 14 */sfrw ADC12MEM14 = ADC12MEM14_;#define ADC12MEM15_ 0x015E /* ADC12 Conversion Memory 15 */sfrw ADC12MEM15 = ADC12MEM15_;/*ADC12存贮控制类寄存器*/#define ADC12MCTL_ 0x0080 /* ADC12 Memory Control */#ifndef __IAR_SYSTEMS_ICC#define ADC12MCTL ADC12MCTL_ /* ADC12 Memory Control (for assembler) */#else#define ADC12MCTL ((char*) ADC12MCTL_) /* ADC12 Memory Control (for C) */ #endif#define ADC12MCTL0_ ADC12MCTL_ /* ADC12 Memory Control 0 */sfrb ADC12MCTL0 = ADC12MCTL0_;#define ADC12MCTL1_ 0x0081 /* ADC12 Memory Control 1 */sfrb ADC12MCTL1 = ADC12MCTL1_;#define ADC12MCTL2_ 0x0082 /* ADC12 Memory Control 2 */sfrb ADC12MCTL2 = ADC12MCTL2_;#define ADC12MCTL3_ 0x0083 /* ADC12 Memory Control 3 */sfrb ADC12MCTL3 = ADC12MCTL3_;#define ADC12MCTL4_ 0x0084 /* ADC12 Memory Control 4 */sfrb ADC12MCTL4 = ADC12MCTL4_;#define ADC12MCTL5_ 0x0085 /* ADC12 Memory Control 5 */sfrb ADC12MCTL5 = ADC12MCTL5_;#define ADC12MCTL6_ 0x0086 /* ADC12 Memory Control 6 */sfrb ADC12MCTL6 = ADC12MCTL6_;#define ADC12MCTL7_ 0x0087 /* ADC12 Memory Control 7 */sfrb ADC12MCTL7 = ADC12MCTL7_;#define ADC12MCTL8_ 0x0088 /* ADC12 Memory Control 8 */sfrb ADC12MCTL8 = ADC12MCTL8_;#define ADC12MCTL9_ 0x0089 /* ADC12 Memory Control 9 */sfrb ADC12MCTL9 = ADC12MCTL9_;#define ADC12MCTL10_ 0x008A /* ADC12 Memory Control 10 */sfrb ADC12MCTL10 = ADC12MCTL10_;#define ADC12MCTL11_ 0x008B /* ADC12 Memory Control 11 */sfrb ADC12MCTL11 = ADC12MCTL11_;#define ADC12MCTL12_ 0x008C /* ADC12 Memory Control 12 */sfrb ADC12MCTL12 = ADC12MCTL12_;#define ADC12MCTL13_ 0x008D /* ADC12 Memory Control 13 */sfrb ADC12MCTL13 = ADC12MCTL13_;#define ADC12MCTL14_ 0x008E /* ADC12 Memory Control 14 */sfrb ADC12MCTL14 = ADC12MCTL14_;#define ADC12MCTL15_ 0x008F /* ADC12 Memory Control 15 */sfrb ADC12MCTL15 = ADC12MCTL15_;/* ADC12CTL0 内8位控制寄存器位*/#define ADC12SC 0x001 /*采样/转换控制位*/#define ENC 0x002 /* 转换允许位*/#define ADC12TOVIE 0x004 /*转换时间溢出中断允许位*/#define ADC12OVIE 0x008 /*溢出中断允许位*/#define ADC12ON 0x010 /*ADC12内核控制位*/#define REFON 0x020 /*参考电压控制位*/#define REF2_5V 0x040 /*内部参考电压的电压值选择位 '0'为1.5V; '1'为2.5V*/ #define MSH 0x080 /*多次采样/转换位*/#define MSC 0x080 /*多次采样/转换位*//*SHT0 采样保持定时器0 控制ADC12的结果存贮器MEM0~MEM7的采样周期*/。
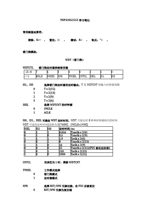
MSP430G2553学习笔记常用赋值运算符:清除:&=~ ,置位:|= ,测试:&= ,取反:^= ,看门狗模块:WDT(看门狗)WDTCTL 看门狗定时器控制寄存器15--8 7 6 5 4 3 2 1 0口令HOLD NMIES NMI TMSEL CNTCL SSEL IS1 IS0IS1,IS0 选择看门狗定时器的定时输出,T是WDTCNT的输入时钟源周期0 T x 2(15)1 T x 2(13)2 T x 2(9)3 T x 2(6)SSEL 选择WDTCNT的时钟源0 SMCLK1 ACLKIS0、IS1、SSEL可确定WDT定时时间,WDT只能定时8种和时钟源相关的时间WDT可选的定时时间(晶体为32768HZ,SMCLK=1MHZ)SSEL IS1 IS0 定时时间/ms0 1 1 0.056 Tsmclk x 2(6)0 1 0 0.5 Tsmclk x 2(9)1 1 1 1.9 Taclk x 2(6)0 0 1 8 Tsmclk x 2(13)1 1 0 16 Taclk x 2(9)0 0 0 32 Tsmclk x 2(15)(PUC复位后的值)1 0 1 250 Taclk x 2(13)1 0 0 1000 Taclk x 2(15)CNTCL当该位为1时,清除WDTCNTTMSEL 工作模式选择0 看门狗模式1 定时器模式NMI 选择RST/NMI引脚功能,在PUC后被复位0 RST/NMI引脚为复位端1 RST/NMI引脚为边沿触发的非屏蔽中断输入NMIES 选择中断的边沿触发方式0 上升沿触发NMI中断1 下降沿触发NMI中断HOLD 停止看门狗定时器工作,降低功耗0 WDT功能激活1 时钟禁止输入,计数停止WDT(看门狗)配置语句WDTCTL=WDTPW+WDTHOLD;//将WDTPW+WDTHOLD赋值给WDTCTL,关闭看门狗定时器控制寄存器(Stop watchdogtimer)IE1 |= WDTIE;//使能WDT中断WDTCTL = WDT_ADL Y_1000;//WDT 1 s / 4间隔计时器WDTCTL = WDTPW + WDTHOLD + WDTNMI + WDTNMIES;//WDTCTL 由高8位口令和低8位控制命令组成,要写入操作WDT的控制命令,出于安全原因必须先正确写入高字节看门狗口令。
MSP430G2553 定时器,MSP430G2553 有几个定时器
MSP430G2553 有几个定时器
MSP430G2553 具有两个16 位的定时器:TImer0_A TImer1_A。
分别具有三个捕捉/比较寄存器,具有输入捕捉,输出比较功能。
可以产生定时中断,也可以产生PWM。
分别有对应的寄存器控制。
定时器有三种工作模
式:1.连续计数模式2.增计数模式3. 增减计数模式。
配置定时器时候,首先要选择相应的时钟源。
在TACTL 寄存器的TASSELx 标志位控制,我们寻则SMCLK 作为源(2MHz),然后进行一个2 分频,最终震荡频率1MHz。
定时器a 图解
3.连续计数模式(产生一个中断标志)
计数器将直接计数到计数器所能计数的最大值0FFFFH 之后重新返回零,再次计数。
返回零的同时产生一个TAIFG 中断标志。
如图
4 增减计数模式(产生两个中断标志)
当计数器计数到跟TACCR0 一样的之后,然后从TACCR0 开始又减少,直到为零,然后又开始增。
当计数跟TACCR0 一样的时候产生一个中断标志CCIFG,当减到为零的时候又产生一个中断标志TAIFG。
如图:
两个定时器接线信号说明:。
UART串口通信的基本原理和通信过程UART(Universal Asynchronous Receiver/Transmitter)是一种常见的串口通信协议,用于在计算机和外部设备之间进行数据传输。
本文将详细解释UART串口通信的基本原理和通信过程,并提供一个全面、详细、完整且深入的解释。
1. UART串口通信的基本原理UART串口通信是一种基于异步传输的通信协议,它使用两根信号线(TX和RX)来实现数据的传输。
UART通信的基本原理如下:•数据位:UART通信中的每个字符由一定数量的数据位组成,通常为8位。
每个数据位可以表示一个字节(8位二进制数)。
•停止位:每个字符之后会有一个停止位,用于指示一个字符的结束。
通常情况下,UART通信中的停止位为1个。
•起始位:每个字符之前会有一个起始位,用于指示一个字符的开始。
通常情况下,UART通信中的起始位为1个。
•波特率:UART通信中的波特率(Baud Rate)表示每秒钟传输的比特数。
常见的波特率有9600、115200等。
UART通信使用的是异步传输,即发送端和接收端没有共同的时钟信号。
因此,在通信过程中,发送端和接收端需要事先约定好相同的波特率,以确保数据的正确传输。
2. UART串口通信的通信过程UART串口通信的通信过程包括数据的发送和接收两个步骤。
下面将详细介绍UART串口通信的通信过程。
数据发送过程1.发送端准备数据:发送端需要准备要发送的数据,并将数据存储在发送缓冲区中。
2.发送端发送起始位:发送端在发送数据之前,会先发送一个起始位,用于指示一个字符的开始。
起始位的电平通常为低电平。
3.发送端发送数据位:发送端按照数据位的顺序,将数据位的电平依次发送出去。
每个数据位的电平表示一个二进制位(0或1)。
4.发送端发送停止位:发送端在发送完所有的数据位之后,会发送一个停止位,用于指示一个字符的结束。
停止位的电平通常为高电平。
数据接收过程1.接收端等待起始位:接收端在接收数据之前,会等待接收到一个起始位的电平变化,用于指示一个字符的开始。