煤矿电工技术比武评分标准(1)
- 格式:xls
- 大小:108.50 KB
- 文档页数:27
可编辑修改精选全文完整版
维修电工技术比武方案
一、评分标准
本次大赛试题内容由理论知识和实际操作两部分组成。
理论知识占40%,实际操作占60%。
二、理论考试内容
(一)命题标准
内容包括常见电气元件的分类、电气元件的工作原理及维修电工日常工作中常见的安全隐患。
(二)试题类型
试题类型分填空题、选择题两种,试卷满分100分。
(三)考试时间
考试时间为30分钟。
三、实际操作内容
画出电铃信号原理图并独立接线(60%)(个人操作项目J)
四、计分考核方式
理论知识竞赛和技能操作竞赛满分各100分。
按理论知识和技能操作所占总成绩的比例折算后以100分计算。
个人竞赛总成绩=L×40%+J×60%(其中:L为理论知识考试成绩,J为技能操作项目成绩)。
五、奖罚方式
1、一等奖1名,奖金100元。
2、二等奖1名,奖金60元。
3、三等奖1名,奖金30元。
六、操作项目说明
1、考核主要内容
①主要对日常用电路图的绘制及常见电路的连接等方面进行考核;
②准备工作的规范性、熟练性;
③化验结束工作的规范性。
2、说明与要求
①由现场提供防爆电铃、防爆按钮、电线、电缆及电源插座;
②竞赛项目由选手独自完成;
③竞赛时间为20分钟。
3、项目目的
①考核选手日常接线操作的规范性、熟练性;
②考核选手对日常电路图的绘制情况;
七、操作项目评分标准。
一、井下机械安装工实际操作1、比赛地点:机厂。
2、竞赛方式:两人操作,分一组进行。
3、考试项目:MD155-30×3多级离心泵、底座等设备的安装工作,水泵底座、水泵的起吊运输,水泵联轴器的安装,水泵与吸排水管路的连接,水泵与电机的主轴心线找平找正,机电设备的安全间隙等工作。
4、实际操作评分标准二、井下电气安装工实际操作1、比赛地点:机厂。
2、竞赛方式:两人操作,分两组进行。
3、考试项目:安装75KW以下矿用隔爆型电机(带底座)、找平找正,安装KBZ16-200型矿用隔爆型真空馈电开关、QBZ-120/1140(660)矿用隔爆型真空电磁起动器。
开关压接电缆,安装接地线、接地极包括绝缘测试记录、开关接线腔上盖螺栓拆卸、电缆做头接线、接线腔上盖螺栓紧固。
4、评分标准三、采掘电钳工操作项目内容及评分标准1、比赛地点:机厂。
2、竞赛方式:单人操作,分两组进行。
3、考试项目:QBZ-120/1140(660)A矿用隔爆型真空电磁启动器采用3×35mm2橡套电缆接线,并故障处理。
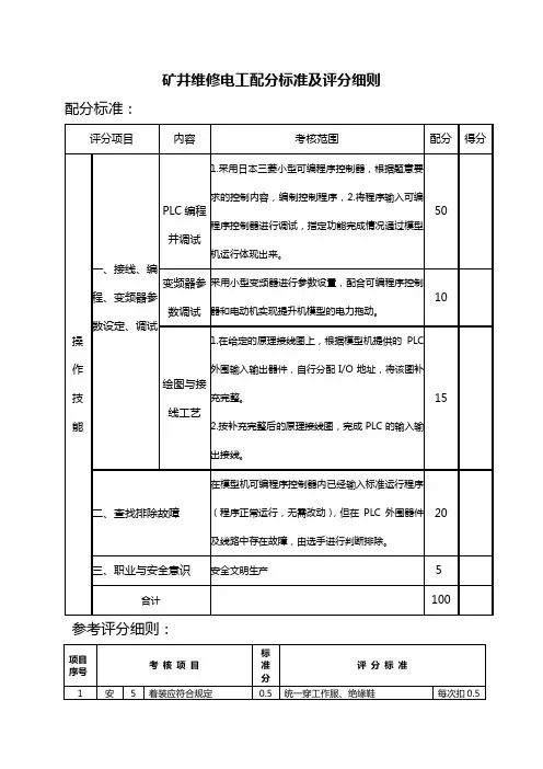
4、采掘电钳工实际操作评分标准四、矿井维修电工操作模板及评分标准1、比赛地点:机厂。
2、竞赛方式:单人操作,绘图同时进行,操作分二组进行。
3、考核项目:可编程控制器控制三相异步电动机Y/△减压起动控制线路的配线,根据原理图绘制出PLC梯形图程序及按照完好标准配线并试机。
4、评分标准五、电焊工实际操作1、比赛地点:机厂。
2、竞赛方式:单人操作,分一组进行。
3、竞赛试题:采用单面焊双面成型,V型坡口板对接仰焊。
4、评分标准六、矿井维修钳工1、竞赛地点:机厂。
2、竞赛方式:单人操作。
5人一组,分2组进行。
3、考试项目:制作圆柱六角体。
4、评分标准七、电机车修配工实际操作1、竞赛地点:机厂。
2、竞赛方式:单人操作。
5人一组,分两组进行。
3、考试项目:查找电机车故障并修理。
4、评分标准八、矿灯管理工实际操作及评分标准1、竞赛地点:矿灯房。
电工技能比武评分参考标准1. 引言本文档旨在制定一套电工技能比武的评分参考标准,以提供一个公正、客观的评价体系,帮助评委对电工技能进行评分。
2. 评分标准根据电工技能的要求和表现,我们将分为以下几个方面进行评分:2.1. 专业知识与理论此项评分考察电工的专业知识水平与理论掌握程度。
评委应针对参赛选手所需技能,考察其对电工原理、安全规范、电路结构等方面的理解。
2.2. 工具使用与操作技能此项评分考察电工在使用电工工具和设备时的熟练程度和正确操作能力。
评委应观察参赛选手的工具使用技巧、操作步骤是否规范,并评估其操作的效率和准确性。
2.3. 故障排除与修理能力此项评分考察电工在面对各种故障情况时的应变能力和解决问题的能力。
评委应观察参赛选手的故障分析与解决方法,评估其排除故障和修理设备的能力。
2.4. 安全意识与操作规范此项评分考察电工在工作中的安全意识和遵守操作规范的能力。
评委应观察参赛选手对安全措施的重视程度和执行情况,并评估其对事故风险的预防能力。
2.5. 团队合作与沟通能力此项评分考察电工在团队合作中的积极参与和良好沟通的能力。
评委应观察参赛选手在团队协作中的贡献度和与他人交流的效果,并评估其是否能有效解决合作中的问题。
3. 评分等级及标准针对每项评分标准,评委可根据参赛选手的表现,使用以下等级进行评分:- 优秀:技能表现出色,操作高效、准确,解决问题能力强,安全意识高,团队合作能力和沟通能力良好。
- 良好:技能表现良好,操作较为熟练、准确,能够有效解决问题,安全意识较强,团队合作和沟通能力较好。
- 中等:技能表现一般,操作较为熟练但存在一定问题,能够解决常见问题,安全意识尚可,团队合作和沟通能力一般。
- 一般:技能表现较差,操作不够熟练,解决问题能力欠缺,安全意识不强,团队合作和沟通能力较差。
4. 总结通过制定电工技能比武评分参考标准,评委可以根据公正客观的评价体系对电工技能进行评分。
这将有助于提高电工技能的水平,鼓励参赛选手不断提升自身技能,促进电工行业的发展。
电工技术比武方案第1篇电工技术比武方案一、背景与目的随着我国经济的快速发展,电工技术在各行各业中发挥着重要作用。
为提升电工专业技能水平,激发电工从业人员的学习热情,提高电工队伍整体素质,特举办此次电工技术比武活动。
本次活动旨在搭建一个技术交流平台,选拔优秀电工人才,推动电工行业健康发展。
二、组织机构1. 主办单位:XX省电工行业协会2. 承办单位:XX市电工行业协会3. 协办单位:XX职业技术学院三、参赛对象1. 具有电工操作证的从业人员;2. 年龄在18-50周岁之间;3. 身体健康,无妨碍电工操作的疾病;4. 遵守国家法律法规,无不良记录。
四、比赛内容本次比赛分为理论考核和实操考核两部分。
1. 理论考核:- 电工基础知识;- 电气设备运行与维护;- 安全生产法律法规;- 电气事故处理。
2. 实操考核:- 导线连接与绝缘恢复;- 电气设备安装与调试;- 电路故障排查;- 电气设备维修。
五、比赛形式1. 理论考核:采用闭卷考试形式,满分100分,考试时间90分钟;2. 实操考核:现场操作,满分100分,考核时间180分钟。
六、比赛流程1. 报名:参赛选手按照规定时间提交报名材料;2. 资格审查:主办方对参赛选手进行资格审查;3. 理论考核:通过资格审查的选手参加理论考核;4. 实操考核:理论考核合格的选手参加实操考核;5. 成绩公布:比赛结束后,公布选手成绩及排名;6. 颁奖仪式:为获奖选手颁发证书及奖品。
七、评分标准1. 理论考核:按照考试分数排名,占总成绩的40%;2. 实操考核:按照操作规范、完成时间、维修质量等方面评分,占总成绩的60%;3. 总成绩=理论考核成绩×40%+实操考核成绩×60%。
八、奖励措施1. 个人奖:- 一等奖:3名,颁发荣誉证书及奖金;- 二等奖:5名,颁发荣誉证书及奖金;- 三等奖:10名,颁发荣誉证书及奖金;- 优秀奖:若干,颁发荣誉证书。
2. 优秀组织奖:对积极参与本次活动的单位颁发优秀组织奖。
电工技术比赛评分规则及实操要求
试题一:互感式电能表安装,考核时间40分钟,总分40分
试题二:三相异步电动机接触器控制线路故障排除,考核时间20分钟,总分30分
一、考核内容、要求
考核内容:在其电路板上,设隐蔽故障3处,其中主回路1处,控制回路2处。
考生向考
评员询问故障现象时,考评员可以将故障现象告诉考生,考生必须单独排除故障。
考核要求:
(1) 根据电路功能,分析故障现象。
从设故障开始,考评员不得进行提示。
(2) 根据故障现象,在电气控制线路图上分析故障可能产生的原因,确定故障发生的范围。
(3) 排除故障过程中如果扩大故障,在规定时间内可以继续排除故障。
(4) 正确使用工具和仪表。
(5) 通电试车。
二、安全文明要求
1.可带电操作,进行排故,保证人身安全。
2.正确使用仪器、仪表适应选用合适的量程,防止损坏仪器、仪表。
三、三相异步电动机接触器联锁正反转控制线路故障排除评分表:。
电工技术比武方案引言电工技术比武是一种以技术能力为基础的竞争活动,旨在提升电工技术人员的专业水平,促进相互之间的学习和交流。
本文将介绍电工技术比武的方案,并详细说明比赛规则、参赛要求以及评分标准。
比赛规则电工技术比武拟采取团队对抗的方式进行,每队由3至5名队员组成。
比赛分为以下几个环节:1.报名和选拔:参赛队伍需提前报名,并提交相关资料进行审核。
根据参赛队伍的数量和资质,组织方将进行选拔,最终确定参赛队伍。
2.理论知识测试:比赛前,所有参赛队伍需完成一次理论知识测试,测试内容涵盖电工技术的基础知识,确定参赛队伍的起点分。
3.技能竞赛:比赛中将进行多个技能项目的竞赛,包括但不限于电路搭建、故障排除、电工工具使用等。
每个项目将设有时间限制和任务要求,参赛队伍需在规定时间内完成任务。
4.团队合作:比赛中将设有团队合作项目,要求参赛队伍协作完成特定任务,考察队伍的协作能力和沟通配合能力。
5.决赛:根据各个项目的得分情况,选拔出前几名参加决赛。
决赛项目将更加复杂和具有挑战性,以考察队伍的综合能力。
参赛要求参加电工技术比武的队伍需满足以下要求:1.参赛队伍由3至5名队员组成,需在同一单位工作或同一学校就读。
2.队员需具备一定的电工技术基础,并有相关工作或学习经历。
3.队伍需具备独立解决问题的能力和团队协作精神。
4.队伍需有相关的电工仪器和设备,以完成比赛项目。
评分标准电工技术比武的评分标准主要包括以下几个方面:1.理论知识测试成绩:根据参赛队伍在理论知识测试中的成绩给予相应分数,用于确定参赛队伍的起点分。
2.技能竞赛成绩:对每个技能项目的完成情况进行评分,包括准确度、效率和规范性等方面。
3.团队合作成绩:根据团队在合作项目中的配合程度和任务完成情况进行评分。
4.决赛成绩:决赛项目的完成情况将综合考虑各个方面的要素,对参赛队伍进行综合评分。
结论通过电工技术比武,可以有效提升电工技术人员的专业水平,促进技术交流和学习。
XX煤矿电工技术比武竞赛方案为了加强项目部员工技术能力、专研业务的积极性,不断提升队伍素质,推进争先创优的局面,全面展示岗位练兵活动的成果,响应公司号召、提高项目部员工实际操作能力和学习能力,特举办本次电工操作技能比赛。
具体方案如下:一、活动领导小组:总裁判长:段XX主裁判:徐XX 徐XX现场裁判:李X 丁XX现场监督:唐XX 衣XX 张XX二、参加比赛的工种和人员:工种:电工人员:各队相关工种人员均可报名参赛三、比赛时间:2023年6 月27日下午13点(理论考试)14点(实操比武)四、比赛地点:机运队检修车间五、比赛方式:电工检修实操六、比赛规则:1、参赛选手进入操作现场所带自备工具必须符合规定,不得自带其它备件,一经发现立即没收。
2、严禁带电作业,严禁带电搬迁电气设备。
3、由于参赛选手操作不当设备损坏,取消比赛资格。
4、比赛期间各种工作必须独立完成,不得寻求别人帮助。
5、整个比赛过程中,应遵守电工安全操作规程,参赛人员要做好防护用品的佩戴(自备)。
6、选手参赛完毕带上自备工具离开现场,要保持现场清洁。
7、人员上场实操顺序现场抓号决定,同一号码的为一组,从最小号依次进场排序。
8、本次比赛的解释权属新窑项目部机电科。
七、竞赛材料:开关:防爆馈电开关1台,同一型号的防爆电磁起动器3台,替代防爆馈电开关的电磁起动器3台,防爆三联按钮3个。
电缆:电缆型号为3×2.5+1×2.5 6根。
现场统一提供电缆、开关、三联按钮。
(机运队负责提供)八、比赛内容:实际操作1、第一步、停电、闭锁、挂牌、验电、放电;2、第二步、处理电磁起动器故障点三处,随后接远控二联按钮处理完毕后进行起动。
九、具体要求:1、比武操作时间为30分钟以内。
2、选手可自备下列工具:钢丝钳、螺丝刀、电笔、万用表、扳手、便携式甲烷检测仪。
3、选手在比武过程中,若需要休息、饮水、上洗手间等所占用时间,一律计算在操作时间内。
十、评分细则:1、故障排除处理:操作前是否对现场环境周围进行瓦斯检查(2分),是否停电、验电、放电、挂牌加锁等(3分),排查故障思路是否清晰、是否安全操作规范,排查故障的时间是否利用最少(1分),排除故障后是否正常安全运行等(4分)。
附件二:电工岗位技能比武规则和评分标准一、比赛内容
根据提供的图纸、设备及元器件在规定的时间内正确识图接线,完成安装按钮、接触器控制Y-△降压启动控制电路的各项比赛内容。
二、操作要求及评分要点
1.穿戴劳动保护用品及绝缘鞋
2.正确识读电路图,正确检查设备及元器件,完成接线,按照规定的各项要求完成
安装;
3.正确使用工具、用具及仪表;比赛中注意人身及设备安全
4.安全文明生产
5.允许参赛者自备电工工具。
三、考核时限
比赛规定时间:60分钟(包括阅读试题时间和通电调试时间);如果选手超时15分钟,比赛选手需停止操作。
从发放试题开始计时,选手项目完成后举手示意为比赛截止时间,结束比赛后选手不得再进行任何操作。
比赛按分钟计时,不足一分钟时,按一分钟计算。
四、设备及材料准备
五、评分标准
电工岗位技能比武评分记录表参赛选手号码:
选手用时:裁判员签字:。