中级维修电工实操试题及评分标准
- 格式:doc
- 大小:487.00 KB
- 文档页数:13
中级电工实操试题(总4页) -CAL-FENGHAI.-(YICAI)-Company One1-CAL-本页仅作为文档封面,使用请直接删除中级电工职业技能鉴定电气排故考核要求一、考核内容:车床电气控制线路故障检查及排除。
根据故障难易程度设置故障点2~4个。
二、考核时间1、正式操作时间: 60分钟。
根据给定的设备和仪器仪表,在规定时间内完成故障排除工作,达到考试规定的要求。
2、规定时间内完成,不加分,超时每分钟扣1分,超过10min应停止操作并扣10分。
三、考核要求:1、观察故障现象,填写入答题卷。
2、根据故障现象,简要分析可能引起故障的原因,填写入答题卷。
3、确定检修步骤,填写入答题卷。
或编写电气故障检修流程图。
4、能够依据检修工艺用万用表等工具进行检查,寻找故障点,将实际故障点填入答题卷。
5、制定处理故障的措施和方法,排除故障。
6、安全生产、文明操作。
中级电工职业技能鉴定电气排故评分细则1、维修电工中级工考核需3名以上考评员;2、按照完成的工作是否达到了全部和部分要求,由考评员按考核评分表中规定的评分点各自独立评分,取平均分为该生最终评定得分;3、满分为100分,60分为及格。
具体评分细则见附表。
中级电工职业技能鉴定电气控制电路故障检修考核评分表姓名:准考证号:考核柜号时间:40分钟考评员:考评组长:中级电工职业技能鉴定电气控制电路故障检修试卷姓名准考证号考核柜号答题要求:故障现象叙述用简明的专业术语,从电动机转否、接触器吸否两方面说明。
行:如7—SB2断,8—断型普通车床电气原理图车床故障:(1)故障现象:(2)列出可能的故障:(3)故障检修步骤:(4)在原理图中标出确切的故障位置:断路用×,短路用连线连起来。
X62W型万能铣床电气原理图KM铣床故障:(1)故障现象:(2)列出可能的故障:(3)故障检修步骤:(4)在原理图中标出确切的故障位置:断路用×,短路用连线连起来。
中级电工实操试题一、安装单相三极及三相四极插座二、安装白炽灯照明电路三、用数字式万用表测量交、直流电压四、用兆欧表测量三相异步电动机绝缘电阻五:T型连接单股导线一:安装单相三极及三相四极插座1、准备要求(1)设备准备(2)材料准备(3)工用具准备2、操作考核规定及说明(1)操作程序说明:1)安装电路;2)清理现场;3)安全文明操作。
(2)考核规定说明:1)如操作违章或未按操作程序执行操作,将停止考核;2)考核采用百分制,考核项目得分按鉴定比重进行折算.(3)考核方式说明:该项目为实际操作(结果型),考核过程按评分标准及操作过程进行评分。
(4)测量技能说明:本项目主要测量考生对安装单相三极及三相四极插座的熟练程度。
3、考核时限(1)准备时间:1min(不计入考核时间)。
(2)正式操作时间:10min。
(3)提前完成操作不加分,到时停止操作考核.4、评分记录表附图单相三极及三相四极插座试题名称:安装单相三极及三相四极插座考核时间:10min序号考核内容评分要素配分评分标准检测结果扣分得分备注1 安装电路安装单相三极插座51相线位置接错扣6分零线位置接错扣6分地线位置接错扣6分ﻫ相线颜色选错扣6分零线颜色选错扣6分ﻫ地线颜色选错扣6分ﻫ接点松动、露铜过长、压绝缘层每处扣1分(最多扣5分)损坏元件扣10分安装三相四级插座49相线位置接错扣6分零线位置接错扣6分ﻫ相线颜色选错一处扣5分ﻫ零线颜色选错扣6分接点松动、露铜过长、压绝缘层每处扣1分(最多扣6分)损坏元件扣10分2 清理现场清理现场未清理现场从总分中扣5分3 安全文明操作按国家或企业颁发有关安全规定执行操作每违反一项规定从总分中扣5分,严重违规取消考核4 考核时限在规定时间内完成到时停止操作考核二:安装白炽灯照明电路(两只开关两地控制一盏灯)1、准备要求(2)材料准备2、操作考核规定及说明(1)操作程序说明:1)安装电路;2)通电试验;3)安全文明操作.(2)考核规定说明:1)如操作违章或未按操作程序执行操作,将停止考核;2)考核采用百分制,考核项目得分按鉴定比重进行折算。
电工中级等级实操考试题库一、安全用电与电工操作规程1. 电工在进行操作前应进行哪些安全检查?2. 描述电工在高压环境下的安全操作规程。
3. 电工在进行电气设备维修时应注意哪些安全事项?4. 简述电工在遇到紧急情况时的应急处理流程。
二、电气元件识别与测试1. 列举常见的低压电气元件,并简述其功能。
2. 如何使用万用表测试电阻、电压和电流?3. 描述使用钳形电流表测量电流的步骤。
4. 简述如何判断一个电容器是否损坏。
三、电路图识读与分析1. 解释电路图中常见的符号及其代表的元件。
2. 描述如何根据电路图进行电路故障分析。
3. 简述如何根据电路图进行电路连接。
4. 举例说明如何使用电路图进行电路设计。
四、电气线路安装与调试1. 描述电气线路的安装流程。
2. 简述电气线路安装中的接线规范。
3. 描述如何进行电气线路的调试。
4. 简述电气线路安装完成后的检查与测试。
五、电动机与变压器的维护与检修1. 简述三相异步电动机的工作原理。
2. 描述电动机的日常维护要点。
3. 简述电动机常见故障及其检修方法。
4. 描述变压器的工作原理及维护要点。
六、PLC编程与自动化控制1. 解释PLC的基本概念及其在工业自动化中的应用。
2. 简述PLC编程的基本步骤。
3. 描述如何使用PLC进行自动化控制电路的设计。
4. 举例说明PLC在实际工程中的应用案例。
七、电气故障诊断与处理1. 简述电气故障的常见类型及其原因。
2. 描述电气故障诊断的基本方法。
3. 简述电气故障处理的一般流程。
4. 举例说明如何使用专业工具进行电气故障诊断。
八、电工实操技能1. 描述如何进行电缆的剥线和接线操作。
2. 简述如何进行电气设备的拆装。
3. 描述如何进行电气设备的绝缘电阻测试。
4. 简述如何进行电气设备的接地测试。
九、电工工具与仪器使用1. 列举电工常用的工具和仪器,并简述其用途。
2. 描述如何正确使用螺丝刀、钳子等基本电工工具。
3. 简述如何使用电烙铁进行焊接操作。
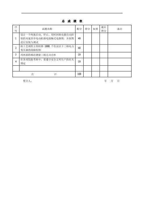
总成绩表统分人:年月日试题1、设计一个两地启动、停止,用时间继电器自动控制的双速异步电动机继电接触式电路图,并按图进行安装与调试选择考核项目时应考虑的其他因素:(1)本项目满分40分。
(2)本项目考核时间限定在180~240分钟。
(3)在做通电试验时,现场应有2名考评员,其中1人任现场监护。
(4)本内容作为中级维修电工的重点考核内容之一,考核时应优先选择。
(5)本项目具有第二类否定项。
(6)综合设计内容范围的界定:①电动机种类不限,台数一般不超过4台。
②电动机各种保护齐全,这主要指短路保护、过载保护、失压保护、欠压保护、接地保护、欠流保护等。
③电动机一般控制(行程控制、速度控制、时间控制、电流控制)中选两项以下(含两项)。
④电拖基本环节(点动控制、正转自锁控制、正反转控制、降压启动控制、多地控制、制动控制等)至少在3个以上。
⑤线路绘制必须采用GB4728—84.85《电气图用图形符号》和GB7159—87《电气设备通用技术文字符号》、GB6988—86《电气制图》等有关规定。
⑥综合设计时,允许考生带《电工手册》、《物资购销手册》作为选择元器件时参考。
评分人:年月日核分人:年月日试题2、按工艺规程主持检修1000千伏安以下三相电力变压器的故障检修否定项:故障检修得分少于20分,本次技能考核视为不合格。
选择考核项目时应考虑的其他因素:(1)本项目满分40分。
(2)本项目考核时间限定在240分钟。
(3)本项目故障点仅设置1个。
(4)在做通电试验时,现场应有2名考评员,其中1人任现场监护。
(5)从事变压器维修工作的维修电工考核时应优先选择本项目。
(6)本项目为第一类否定项。
评分人:年月日核分人:年月日试题3、用两表跨相法测量三相无功功率否定项:要求不能损坏仪器、仪表。
损坏仪器、仪表,扣10分。
选择考核项目时应考虑的其他因素:(1)本项目满分10分。
(2)本项目考核时间限定在30分钟。
(3)在做通电试验时,现场应有2名考评员,其中1人任现场监护。
中级电工实操试题及答案根据您的要求,我将为您提供一份关于中级电工实操试题及答案的文章。
请注意,由于题目为实操试题及答案,文章将直接给出试题并提供答案解析,不会采用合同或作文的格式。
以下是文章内容:中级电工实操试题及答案本文将为大家提供一些中级电工实操试题及答案,希望能够帮助大家更好地准备相关考试。
一、选择题1. 下列哪项属于直流电的特点?A) 电流大小随时间变化B) 电流大小保持不变C) 电流方向随时间变化D) 电流方向保持不变答案: D2. 在进行电气设备维护时,下列哪个操作是正确的?A) 不需要事先切断电源B) 维修过程中可以随意接触裸露导线C) 可以使用带有切割功能的绝缘工具D) 应先切断电源,并使用绝缘工具进行操作答案: D3. 如果要对一段带电设备进行检修,以下哪个步骤是正确的顺序?A) 检查设备接地是否良好B) 制定相关操作方案C) 切断电源并进行示醒D) 进行设备检修答案: C -> A -> B -> D4. 在下列情况下,应使用绝缘手套进行操作的是:A) 进行电气设备外观检查B) 进行电气设备接线操作C) 进行电气设备开启操作D) 进行电气设备运行状态检测答案: B5. 下列哪项是电工在工作中应当注意的安全措施?A) 不使用个人防护装备B) 长时间趴在地上作业C) 忽视周围环境的电气危险因素D) 使用绝缘工具进行操作答案: D二、填空题1. 直流电与交流电相比,具有__________的特点。
答案: 电流方向保持不变2. 电气设备维护和检修之前,应先__________电源。
答案: 切断3. 在进行电工作业时,应佩戴__________个人防护装备。
答案: 相应4. 电工应保持__________和周围工作人员保持良好的沟通。
答案: 密切5. 进行高处作业时,应使用__________设备确保工作安全。
答案: 安全防护三、解析题1. 电气设备维修过程中,应注意哪些重要的安全措施?答案:在电气设备维修过程中,应首先切断电源,并进行示醒,确保设备不再带电。
中级维修电工技能操作考核评分记录表考件编号姓名考号**试题一:继电---接触式控制线路的安装与调试序 主要 号 内容考核要求评分标准扣得 配分分分元件1、元件的质量检查 2、正确利用工具和仪表, 熟练地安装电气元器件1、因元件质量问题影响通电成功,每次扣 2分 2、元件布置不整齐、不匀称、不合理,每1安装3、元件在配电板上布置要 合理,安装要准确、紧固只扣 1 分 3、元件安装不牢固、安装元件时漏装螺钉,10 分4、按钮盒不固定在板上每只扣 0.5 分 4、损坏元件每只扣 2 分1、未按电气原理图接线扣 5 分1、按图安装接线2、主电路和控制电线色不分扣 2 分线路 2、线路敷设整齐、横平竖 3、线路敷设交叉、跨接每处扣 1 分2直、不交叉、不跨接 敷设4、线路敷设不整齐,不美观扣 5 分20 分3、导线压接紧固、规范、 4、接点松动、漏铜过长、压绝缘层、反圈不伤线芯等,每个接点扣 0.5 分5、损伤导线绝缘或线芯,每根扣 0.5 分1、 正确整定热继电器整定 1、 热继电器和时间继电器未整定或整定值和时间整定值 通电 3 试车 2、 正确选配熔体3、 通电一次成功错误扣 2 分 2、 错配熔体扣 1 分 3、一次通电不成功扣 15 分;两次通电不成30 分4、 安全文明操作功扣 20 分1、劳保用品穿戴整齐 安全 2、电工工具佩戴齐全 4 文明 3、遵守操作规程1、 各项考试中,违反安全文明生产考核要求的任 何一项扣 2 分,扣完为止2、 考生在不同的技能试题中,违反安全文明生产 考核要求同一项内容的,要累计扣分生产 4、尊重考评员,讲文明礼貌当考评员发现考生有重大事故隐患时,要立即5、考场结束要清理现场予以制止,并每次扣考生安全文明生产总分 5 分备合计 60 分注考评员签字:年月日注:每项扣分不得超过该项配分。
1、本项目的满分 60 分. 2、本项目的考核时间为 180 分钟。
评分人:年月日核分人:年月日1中级维修电工试题二技能考核评分记录表考件编号姓名考号第二题:X62W 万能铣床故障检修序号 主要内容考核要求评分标准配分 扣分 得分调查 对每个故障现象进行1排除故障钱不进行调查研究,扣 2 分2研究 调查研究1。
维修电工中级操作技能考核试卷I公司内部编号:(GOOD-TMMT-MMUT-UUPTY-UUYY-DTTI-维修电工中级操作技能考核试卷考件编号:_______姓名:________准考证号:________单位:___________试题1、安装和调试三相异步电动机正反转运行手动控制线路及通电运行(给定电机)(1)总分60分(2)考核时间:60分钟试题2、三相异步电动机的拆装、检测(1)总分40分(2)考核时间:60分钟维修电工中级操作技能考核准备通知单(考生)姓名:_________准考证号:______________单位:___________试题1、安装和调试三相异步电动机正反转运行手动控制线路及通电运行(给定电机)(由考场准备)根据考核题图在规定的时间内完成控制电路的接线、调试,达到考核题规定的要求。
试题2、三相异步电动机的拆装、检测(由考场准备)根据考核要求在规定的时间内完成电动机的拆装、调试,达到考核题规定的要求。
维修电工中级操作技能考核准备通知单(考场)试题1、安装和调试三相异步电动机正反转运行手动控制线路及通电运行(给定电机)(1)电工工具1套、电机1个、导线若干、检测仪器1套(2)正反转运行手动控制线路图:试题2、三相异步电动机的拆装、检测(1)电机1个、电工工具1套、导线若干、检测仪器1套及其他必要的器材若干维修电工中级操作技能考核试卷考件编号:_______姓名:________准考证号:________单位:___________总成绩表统分人:年月日维修电工中级操作技能考核评分记录表考件编号:_______姓名:________准考证号:________单位:___________试题1、安装和调试三相异步电动机正反转运行手动控制线路及通电运行(给定电机)完成题操作时间为60分钟,每超出1分钟从本题中扣1%,操作超过10分钟,本题为零分。
评分人:年月日核分人:年月日维修电工中级操作技能考核评分记录表考件编号:_______姓名:________准考证号:________单位:___________试题2、三相异步电动机的拆装、检测完成题操作时间为60分钟,每超出1分钟从本题中扣1%,操作超过10分钟,本题为零分。
考件编号: 姓名: 准考证号:单位:
总成绩表
统分人:年月日
考件编号: 姓名: 准考证号:单位:
试题1、识读接触器联锁正反转控制电路原理图
配分、评分标准:
选择考核项目时应考虑的其他因素:
(1)本项目满分40分。
(2)本项目考核时间限定在30分钟。
(3)在做通电试验时,现场应有2名考评员,其中1人任现场监护。
(4)本内容作为中级维修电工的重点考核内容之一,考核时应优先选择。
评分人:年月日核分人:年月日
考件编号: 姓名: 准考证号:单位:
试题2、安装和调试三相异步电动机按钮联锁正反转控制电路
配分、评分标准:
选择考核项目时应考虑的其他因素:
(1)本项目满分50分。
(2)本项目考核时间限定在100~120分钟。
(3)在做通电试验时,现场应有2名考评员,其中1人任现场监护。
(4)本内容作为中级维修电工的重点考核内容之一,考核时应优先选择。
评分人:年月日核分人:年月日
考件编号: 姓名: 准考证号:单位:安全文明生产
否定项:要求遵守考场纪律,不能出现重大事故。
出现严重违犯考场纪律或发生重大事故,本次技能考核视为不合格。
选择考核项目时应考虑的其他因素:
(1)本项目满分10分。
(2)本内容为中级维修电工的必考内容之一,考核时应现场评分。
(3)本项目为第一类否定项。
评分人:年月日核分人:年月日。
职业技能鉴定国家题库 维修电工中级操作技能考核试卷考件编号:注 意 事 项一、本试卷依据2001年颁布的《维修电工》国家职业标准命制。
二、请根据试题考核要求,完成考试内容。
三、请服从考评人员指挥,保证考核安全顺利进行。
试题1、按图安装和调试如下互补对称式OTL 电路较复杂分立元件模拟电子线路的安装与调试考核要求:(1) 装接前要先检查元器件的好坏,核对元件数量和规格,如在调试中发现元器件损坏,则按损坏元器件扣分。
(2) 在规定时间内,按图纸的要求进行正确熟练地安装,正确连接仪器与仪表,能正确进行调试。
(3) 正确使用工具和仪表,装接质量要可靠,装接技术要符合工艺要求。
(4) 考核注意事项:① 满分40分,考试时间120分钟。
② 安全文明操作。
试题2、检修M1432万能外圆磨床电气线路故障在M1432万能外圆磨床上,设隐蔽故障3处,其中主回路1处,控制回路2处。
考生向考评员询问故障现象时,考评员可以将故障现象告诉考生,考生必须单独排除故障。
考核要求:(1) 从设故障开始,考评员不得进行提示。
(2) 根据故障现象,在电气控制线路图上分析故障可能产生的原因,确定故障发生的范围。
(3) 排除故障过程中如果扩大故障,在规定时间内可以继续排除故障。
(4) 正确使用工具和仪表。
考 生 答 题 不 准 超 过 此 线(5) 考核注意事项:①满分40分,考试时间45分钟。
②在考核过程中,要注意安全。
否定项:故障检修得分未达20分,本次鉴定操作考核视为不通过。
试题3、用三端钮接地电阻测量仪测量避雷装置的接地电阻考核要求:(1) 用接地电阻测量仪测量避雷装置的接地电阻,测量结果准确无误。
(2) 考核注意事项:满分10分,考核时间20分钟。
否定项:不能损坏仪器、仪表,损坏仪器、仪表扣10分。
试题4、在各项技能考核中,要遵守安全文明生产的有关规定考核要求:(1) 劳动保护用品穿戴整齐。
(2) 电工工具佩带齐全。
中级维修电工技能操作考核评分记录表考件编号姓名考号
注:每项扣分不得超过该项配分。
1、本项目的满分60分。
2、本项目的考核时间为180分钟。
评分人:年月日核分人:年月日
中级维修电工试题二技能考核评分记录表考件编号姓名考号
第二题:X62W万能铣床故障检修
2、本项目的考核时间为15分钟
3、在本项目考核中,现场应有2名考评员,其中1人任现场监护
评分人:年月日核分人:年月日
200 级维修电工试卷 A
考件编号姓名考号
**一、试题:
安装Y-△降压启动控制线路电路的安装与调试
二、考核要求:
1、本项目的满分为60分。
2、本项目的考核时间为180分钟。
3、采用板前明布线的方法进行安装。
200 级维修电工备料通知单 A
2、本项目的考核时间为180分钟。
3、采用板前明布线的方法进行安装。
试卷C
一
中级维修电工技能竞赛操作试卷 D 考件编号姓名考号
一、试题:
安装时间继电器双速电动机控制电路
二、考核要求:
1、本项目的满分为60分。
2、本项目的考核时间为180分钟。
3、采用板前明布线的方法进行安装。
维修电工中级操作技能考核试卷(总5页)-CAL-FENGHAI.-(YICAI)-Company One1-CAL-本页仅作为文档封面,使用请直接删除维修电工中级操作技能考核试卷考件编号:_______姓名:________准考证号:________单位:___________试题1、安装和调试三相异步电动机正反转运行手动控制线路及通电运行(给定电机5.5KW)(1)总分60分(2)考核时间:60分钟试题2、三相异步电动机的拆装、检测(1)总分40分(2)考核时间:60分钟维修电工中级操作技能考核准备通知单(考生)姓名:_________准考证号:______________单位:___________试题1、安装和调试三相异步电动机正反转运行手动控制线路及通电运行(给定电机5.5KW)(由考场准备)根据考核题图在规定的时间内完成控制电路的接线、调试,达到考核题规定的要求。
试题2、三相异步电动机的拆装、检测(由考场准备)根据考核要求在规定的时间内完成电动机的拆装、调试,达到考核题规定的要求。
维修电工中级操作技能考核准备通知单(考场)试题1、安装和调试三相异步电动机正反转运行手动控制线路及通电运行(给定电机5.5KW)(1)电工工具1套、电机1个、导线若干、检测仪器1套23 (2)正反转运行手动控制线路图: 试题2、三相异步电动机的拆装、检测(1) 电机1个、电工工具1套、导线若干、检测仪器1套及其他必要的器材若干维修电工中级操作技能考核试卷考件编号:_______姓名:________准考证号:________单位:___________总 成 绩 表统分人: 年 月 日维修电工中级操作技能考核评分记录表考件编号:_______姓名:________准考证号:________单位:___________ 试题1、安装和调试三相异步电动机正反转运行手动控制线路及通电运行(给定电机5.5KW )完成题操作时间为60分钟,每超出1分钟从本题中扣1%,操作超过10分钟,本题为零分。
考件编号: 姓名: 准考证号:单位:总成绩表统分人:年月日考件编号: 姓名: 准考证号:单位:笔试部分参考答案和评分标准:(1)写出下列图形文字符号的名称(本题分值5分,每错一处扣1分)QS(电源开关);FU1(熔断器);KM1(交流接触器);KT(时间继电器);SB1(按钮)考件编号: 姓名: 准考证号:单位:(2)简述螺丝刀使用注意事项(本题分值2分,漏答或错答每处扣1分)答1)正确使用螺丝刀型号;2)螺丝刀压紧螺丝的槽口后旋拧。
(3)简述钳形电流表的使用方法(本题分值2分,错答或漏答一条扣0.5分)答:1)使用前调零;2)预估被测电流的大小,选择量程;3)被测导线置于钳口内中心位置;4)被测电路电流大小时可将被测载流导线在钳口部位的铁心柱上绕几圈。
(4)回答何为安全电压?(本题分值3分,回答错误扣3分)答:加在人体上在一定时间内不致造成伤害的电压。
考件编号: 姓名: 准考证号:单位:(1)绘制三相电动机的变频器控制线路图(本题分值5分,每错一处扣1分)考评员依据具体考核要求,参考运行结果。
对变频器调速线路图进行评分。
(2)简述电烙铁使用注意事项(本题分值2分,漏答或错答一处扣0.5分)考件编号: 姓名: 准考证号:单位:答:1)正确选用电烙铁的规格型号;2)使用松香等作为助焊剂;3)保持烙铁头清洁;4)暂时不用时应把烙铁放到烙铁架上。
(3)简述指针式万用表电阻档的使用方法。
(本题分值2分,错答或漏答一条扣0.5分)答:1)预估被测电阻大小,选择档位;2)调零;3)测出电阻的数值;4)如果档位不合适,更换档位后重新调零和测试。
(4)回答室外高压设备的围栏悬挂什么内容标识牌?答:悬挂“止步,高压危险!”的标识牌。
考件编号: 姓名: 准考证号:单位:(1)写出下列图形文字符号的名称(本题分值5分,每错一处扣1分)T(变压器);C3(电解电容器);C1(电容器);C2(电容器);7812(三端稳压器)(2)简述电烙铁使用注意事项(本题分值2分,没错一处扣1分)答:1)检查电源线是否完整;2)使用松香等作为助焊剂;3)保持烙铁头清洁;4)暂时不用时应把烙铁放到烙铁架上。
中级维修电工实操试题及评分标准一、试题1. 综合布线(1) 带电作业时,应注意什么问题?(2) 请根据现场实际情况进行综合布线,包括走线、桥架、插座等设备的选型和数量计算。
2. 电气控制回路(1) 某一控制柜有多个按键和指示灯,请根据要求连线。
(2) 当 PLC 输出 DO 点的状态变化时,执行器驱动方案应该如何设计?3. 三相交流电机(1) 写出三相异步电动机常见故障及处理方法。
(2) 请根据实际情况进行电机的接线,包括启动电路、制动电路、三相交流电动机的正反转等。
4. 避雷与接地(1) 雷电天气时,应该采取哪些措施保证人身安全?(2) 制定某建筑物的接地方案。
二、评分标准1. 综合布线试题评分标准(1) 注意事项得分 10 分,具体细节要求得分 30 分。
(2) 设备选型及数量计算得分 60 分,有误差的扣分,差距大的直接0 分。
2. 电气控制回路试题评分标准(1) 连线得分 40 分,未连好的直接 0 分。
(2) 执行器驱动方案设计得分 60 分,有严重问题直接 0 分。
3. 三相交流电机试题评分标准(1) 常见故障及处理方法得分 30 分,具体措施得分 30 分。
(2) 电机接线得分 40 分,有误差的扣分,差距大的直接 0 分。
4. 避雷与接地试题评分标准(1) 雷电天气措施得分 20 分,具体要求得分 30 分。
(2) 接地方案设计得分 50 分,有严重问题直接 0 分。
总分 400 分,分数越高的考生表现越出色。
三、总结此次实操试题根据中级维修电工的职业要求,考查了综合布线、电气控制回路、三相交流电机、避雷与接地四个方面的知识,试题总量合适、难度适中。
评分标准设置合理,考虑了细节和综合能力的要求,能够准确地反映出应试者的水平。
希望考生们认真复习,充分准备,顺利通过考试。