电动葫芦安装检查记录
- 格式:doc
- 大小:254.50 KB
- 文档页数:7
序
号
检查保养部位123456789101112131415161718192021222324252627282930311
制动器2
卷筒(电动葫芦)3
滑轮4
联轴器5
车轮6
吊钩7
减速器8
电缆卷筒9轨道9钢丝绳
轨道是否变形,接头是否开焊,压板螺
栓松紧状况,焊缝不得有裂纹等缺陷
钢丝绳是否断股,破损。
钢丝绳各尾端
固定应牢固可靠不得有异常,外观不得
有扭结灼伤及明显的松散腐蚀等缺陷,
绳上应有润滑油脂 年 月 日 说明:日、周检查保养由司机负责,月检查保养由司机、电工、设备管理员、安全员负责。
责任司机:
绳槽磨损状况,润滑轮缘是否崩裂固定连接螺栓松紧状况,润滑状况固定连接螺栓松紧状况,润滑状况,磨损程度磨损程度,安全卡簧状况渗漏油状况,油面高度检查电机风扇工作是否正常,电源电缆磨损状况电 动 葫 芦 日 常 检 查 保 养 记 录 表
内 容调整螺母松紧状况,制动瓦磨损状况,液压油是否足量;断头固定螺杆松紧状况,钢丝绳磨损及润滑情况。
起重电动葫芦安全技术检查内容起重电动葫芦机械安全技术检验方法有两种,一种是感官检查;另一种是利用测试仪器、仪表对手拉葫芦设备测控。
1感官检查起重电动葫芦机械安全技术检查很大部分凭检验人员通过看、听、嗅、问、摸来进行。
《起重电动葫芦机械检验规程》(xx)296号所规定的起重电动葫芦机械检验项目中占总项目70%以上是感官检验。
通过感官的看、听、嗅、问、摸对起重电动葫芦机械进行全面的直观诊断,来获得所需信息和数据。
看:通过视觉根据起重电动葫芦机械结构特点,观察其重要传动部位、承力结构要点、故障现象源兆。
听:通过听觉分析出起重电动葫芦机械手拉葫芦设备各部位运行声音是否正常,判断异常声音出自部位,了解病因,找出病源。
嗅:通过嗅觉分辨起重电动葫芦机械运动部位现场气味,辨别零部件的过热、磨损、过烧的位置。
问:向司机及有关人员询问起重电动葫芦运行过程中,易出故障点,发生故障经过、类别。
判定起重电动葫芦安全技术状况。
摸:通过用手触摸起重电动葫芦运行部件,根据温度变化、振动情况,判断故障位置和故障性质。
2测试仪器的检查根据国内外起重电动葫芦机械发展趋势,现代化的应用状态监测和故障诊断技术已在起重电动葫芦机械设计和使用中广泛推广。
在起重电动葫芦机械运作状态下,利用监测诊断仪器和专家监控系统,对起重电动葫芦机械进行检(监)测,随时掌握起重电动葫芦技术状况,预知整机或系统的故障征兆及原因,把事故消除于萌芽状态。
3起重电动葫芦通用部件的安全检查(1)吊钩。
检查吊钩的标记和防脱装置是否符合要求,吊钩有无裂纹、剥裂等缺陷;吊钩断面磨损、开口度的增加量、扭转变形,是否超标;吊钩颈部及表面有无疲劳变形、裂纹及相关销轴、套磨损情况。
(2)钢丝绳。
检查钢丝绳规格、型号与滑轮卷筒匹配是否符合设计要求。
钢丝绳固定端的压板、绳卡、契块等钢丝绳固定装置是否符合要求。
钢丝绳的磨损、断丝、扭结、压扁、弯折、断股、腐蚀等是否超标。
(3)制动装置。
制动器的设置,制动器的型式是否符合设计要求,制动器的拉杆、弹簧有无疲劳变形、裂纹等缺陷;销轴、心轴、制动轮、制动摩擦片是否磨损超标,液压制动是否漏油;制动间隙调整、制动能力能否符合要求。
设备安装调试检查记录记录人:XXX 日期:XXXX年XX月XX日一、安装前准备在设备安装调试之前,需要进行一系列的准备工作,确保安全和顺利完成安装调试任务。
主要包括以下几个方面:1. 确认设备安装位置和周围环境是否符合安装要求;2. 检查设备运输过程中是否有损坏情况,并核对设备配件是否齐全;3. 确保安装过程中所需的工具和材料已准备完备;4. 拟定安装工作计划,明确责任人和工作流程。
二、安装过程根据设备安装相关要求和实际情况,我们按照以下步骤进行了安装调试:1. 按照设备图纸和说明书,仔细阅读并理解设备的安装步骤和要求;2. 根据设备的类型和特点,采用相应的安装方法和工艺;3. 在安装过程中,严格按照安装要求和流程进行操作,确保每个环节的质量;4. 在安装结束前,对设备进行外观检查,确保设备安装牢固且符合相关标准;5. 根据设备的特点和要求,进行相应的连接和调试,确保设备正常运行。
三、调试过程设备安装完成后,我们进行了以下的调试工作:1. 对设备进行功能测试,验证设备的各项功能是否正常;2. 根据设备的工作原理,设置相应的参数和指标,确保设备符合工作要求;3. 对设备进行各项测试,例如电气性能测试、传感器测试、性能曲线测试等;4. 根据调试结果,对设备进行相应的调整和修正,直至设备达到预期的工作状态。
四、检查记录在安装调试过程中,我们进行了以下的检查记录:1. 外观检查:检查设备外观是否完好,无划痕、变形等情况;2. 运行状态监测:观察设备在运行过程中的工作状态,检查是否存在异常情况;3. 参数测试记录:记录并比对设备在正常工作条件下的参数数值,确保设备的准确性和稳定性;4. 安全防护措施检查:检查设备的安全防护装置是否齐全、有效;5. 操作手册和标识检查:核对设备的操作手册、标识等是否清晰、准确。
五、安装调试总结根据以上的安装调试过程和检查记录,我们对设备的安装调试工作进行了总结:1. 设备的安装步骤和工艺符合要求,安装位置合理,外观完好;2. 设备的功能测试和参数测试结果正常,达到预期的工作状态;3. 设备的安全防护装置齐全有效,操作手册、标识清晰准确;4. 安装调试过程中未出现相关问题和隐患。
电动葫芦检查维护保养记录日常检查记录1. 使用前检查(无故障的?,有故障的注明原因) 检查人检查时间有无故障检查项目要求作业地点在操作者步行范围内无障碍物。
运行轨道由地面观察轨道上不应有异常。
起升、下降、左右运行动作应灵敏准确;同时按动一组按钮,按钮装置(手电门) 电动葫芦不得动作。
限位器空载吊钩上升至极限位置时,限位应准确可靠。
吊钩在圆周360 度与垂直180 度范围内应转动灵活,滑轮吊钩装置转动时无卡阻和碰擦,吊钩滑轮防松装置无异常。
按GB5972-86《起重机械用钢丝绳检验和报废实用规范》中钢丝绳有关条款进行日常观察制动器起升、下降及运行的制动应灵敏可靠导绳及其它安全装动作正常,安全可靠置2.月检检查人检查时间有无检查检查项目要求故障周期运运行范围内障碍物运行范围内与建筑物及其它设备的最小间距每月检行应不小于100mm查轨轨道端部止档及连接螺轨道端部止档不准有变形,破损等缺陷,其道栓或焊缝连接螺栓不得有松动。
采用焊接连接焊缝不得有裂 (纹工固定轨道的连接螺栓螺栓不得有松动每六个字轨道接头焊缝焊缝不得有裂纹等缺陷月检查钢) 轨道磨损轨道与车轮踏面及轮缘接触处不得有局部异一次常变形及磨损按外观外壳及绝缘物不得有损伤每月检钮悬挂电缆电缆上、下两端固定应牢固可靠不得有破损、查装断线等缺陷;钢丝绳安装牢固,不能让电缆直接受置力(按钮联锁装置上、下、左、右各组联锁应可靠,同时按动手一组按钮电动葫芦不得动作电触点触点不得有严重磨耗及损伤每六个门) 月检查一次接线及接地接线应牢固可靠,连接螺钉不得有松动每三个月检查一次动作状态动作灵敏可靠,应调节到吊钩在上极限位置每月检时吊钩装置的最高点与卷筒外壳间的距离不小查起 50mm升限触点触点动作准确、灵敏,不得有严重磨耗及损每三个位伤月检查器一次接线螺钉不得有松动现象每六个月检查一次动作状态触点的接触和打开动作应灵敏,不得粘连每月检查接触点不得有严重磨耗及损伤每三个触月检查器一次接线螺钉不得有松动现象每六个月检查一次起升机构的制动环或制锥形制动环磨损量不得大于原厚度的50,,每三个动片且不大于轴向调整量的最大值。
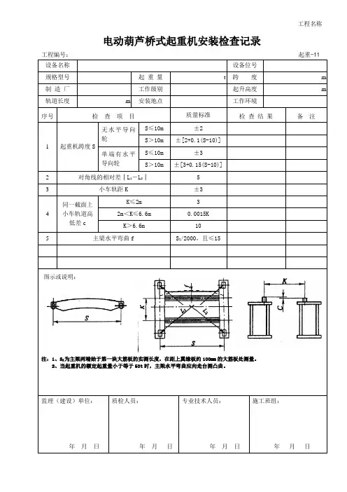
工程名称电动葫芦桥式起重机安装检查记录
工程编号:起重
-11 设备名称设备位号
规格型号起重量t 跨度m 制造厂工作级别起升高度m 轨道长度m 安装地点工作环境
序号检查项目质量标准检查结果备注
1 起重机跨度S
无水平导向
轮
S≤10m±2
S>10m±[2+0.1(S-10)]
单端有水平
导向轮
S≤10m±3
S>10m±[3+0.15(S-10)]
2 对角线的相对差│L1-L2│5
3 小车轨距K±3
4
同一截面上
小车轨道高
低差c
K≤2m3
2m<K≤6.6m0.0015K
K>6.6m10
5 主梁水平弯曲f S Z/2000,且≤15
图示或说明:
注:1、S Z为主梁两端始于第一块大筋板的实测长度,在距上翼缘板约100mm的大筋板处测量。
2、当起重机的额定起重量小于等于50t时,主梁水平弯曲应向走台测凸曲。
监理(建设)单位:
年月日
质检人员:
年月日
专业技术人员:
年月日
施工班组:
年月日。
起重机械安装改造重大维修施工自检记录1. 引言针对起重机械在使用过程中安全事故频繁发生的问题,本公司对其进行了安装改造和重大维修施工,现对自检记录进行汇总和,以期提高起重机械的安全性和稳定性,并严格按照国家有关法律法规和标准进行检测验收,确保在使用过程中不发生任何安全事故。
2. 安装改造记录2.1 起重机械整体设计方案本次起重机械改造是在原有设备的基础上进行的,针对原有设备的不足之处进行了细致的改进。
本次改造主要包括提高起重高度、增加起重吨位以及加强操作平台的承载力等方面。
2.2 设备制造和装配本次改造所使用的设备和零部件均符合国家有关法律法规和标准的要求,经过严格的质量控制和检验后,才进行装配和安装。
在装配和安装的过程中,严格按照设计方案进行操作,确保每个环节的质量和安全。
2.3 安装验收在装配和安装完成后,我们进行了全面的检验和验收。
在验收的过程中,严格按照国家有关法律法规和标准的要求进行检测,确保设备的安全性和稳定性。
3. 重大维修施工记录在维修施工过程中,我们认真执行安全作业规程,严格按照维修方案进行操作,确保每个环节的质量和安全。
3.1 设备维修和更换根据维修方案,我们对各个关键部件进行了全面的检查和维修,并按照要求更换了部分零部件,确保设备的稳定性和安全性。
3.2 维修验收在维修完成后,我们进行了全面的检验和验收。
在验收的过程中,严格按照国家有关法律法规和标准的要求进行检测,确保设备的安全性和稳定性。
4. 自检记录完成起重机械安装改造和重大维修施工后,我们进行了全面的自检工作,确保设备的安全性和稳定性。
4.1 安装改造自检在安装改造完成后,我们进行了全面的自检工作,主要内容包括设备的外观、电气系统、传动系统、液压系统、机械部件等方面的检测。
4.2 重大维修施工自检在重大维修施工完成后,我们进行了全面的自检工作,主要内容包括设备的外观、电气系统、传动系统、液压系统、机械部件等方面的检测。
电动葫芦安装检验批质量检验记录一、引言为了确保电动葫芦的安全、可靠及高效运行,根据相关标准和要求,在电动葫芦安装完成后,进行了质量检验。
本文档旨在记录电动葫芦安装检验批的过程和结果,以便于日后的参考和复查。
二、检验过程1. 检验人员准备:在进行质量检验前,我们先要准备好检验所需的相关文件和工具,包括但不限于规范文件、测量工具、测试设备等。
2. 外观检验:首先,对电动葫芦的外观进行检验。
检查葫芦外壳是否完整、无损伤,表面是否光滑、无划痕。
检验葫芦上的标识是否清晰、正确。
3. 功能检验:接着,进行电动葫芦的功能检验。
检查葫芦的起升、放下、路段行走等功能是否正常,是否符合规范要求。
检验葫芦的行走速度、起升速度等参数是否符合规范。
4. 安全性检验:重要的一项是对电动葫芦的安全性进行检验。
检查葫芦的限位装置是否正常,是否能够准确停止在规定的位置。
检验葫芦的紧急停止装置是否灵活,能够在紧急情况下迅速停止葫芦的运转。
5. 配套设备检验:此外,还应对电动葫芦的配套设备进行检验。
例如,对电源线、控制线、接地线等进行检查,确保其无损坏、无老化现象,保证电动葫芦正常供电和安全运行。
三、检验结果经过以上的检验过程,我们得出了以下的检验结果:1. 外观检验:电动葫芦外观完整无损,表面光滑无划痕,标识清晰正确。
2. 功能检验:电动葫芦的起升、放下、路段行走等功能正常,速度符合规范要求。
3. 安全性检验:电动葫芦的限位装置正常可靠,紧急停止装置灵活可靠。
4. 配套设备检验:电源线、控制线、接地线等配套设备无损坏、无老化现象,能够正常供电和安全运行。
综上所述,经过质量检验,本次电动葫芦安装检验批顺利通过,达到了预期的安全、可靠和高效运行要求。
四、结论本文档详细记录了电动葫芦安装检验批的过程和结果。
通过各项检验指标的合格,我们可以确认这批电动葫芦的质量达到了要求,并且可以安全、可靠地使用。
在使用过程中,仍需遵守操作规程,定期进行检查和维护,以确保电动葫芦的长期正常运行。
一一一一编号:一一一一一起重机械施工自行检验报告(电动葫芦)设备类别:设备品种:使用单位施工单位:施工开始日期:施工结束日期:检验日期:填写说明1、本报告是依据TSGQ7016-2008《起重机械安装改造重大维修监督检验规则》和起重机械施工单位质量管理体系文件要求,对起重机械施工的自行检验报告。
2、报告应当由计算机打印输出,或者用钢笔、签字笔填写,字迹要工整,涂改无效。
3、报告中带■可选项,可根据具体情况划口选取;也可根据实际情况,依据有关安全技术规范填写。
4、检验信息、设备参数封页、工程概况栏目应严格依据依照实际情况完整、详细选取、填写。
5、“施工开始日期”应填写办理完告知手续在监检机构报检后的设备安装开始日期(不含基础、道轨安装);“施工结束日期”应填写设备安装完成日期;“检验日期”应填写检验工作完成日期。
6、检验项目“检验结果”栏的填写:a、要求测试数据的项目,应在栏内填写实际测量后经过处理的数据;b、未要求测试数据的项目,用符合表示符合检验内容要求;用不符合表示不符合检验内容要求;c、设备不存在的检验项目或未经检验的项目,用无此项表示。
7、检验项目“检验结论”栏的填写:a、相应“检验结果”栏为符合时,填写合格;b、相应“检验结果”栏为不符合时,填写不合格;c、相应“检验结果”栏为“无此项”时,填写无此项。
8、“备注”栏的填写检验人员认为应记载的事项。
9、本报告必须有施工单位检验、审核、批准人员的签字和施工、使用单位的签章,否则无效。
10、本报告的填写还应同时符合施工单位质量管理体系相关作业指导书有关填写规定。
11.本报告一式三份,由检验机构、使用单位、施工单位分别保存。
电动葫芦施工自行检验报告附页。