资料员目标责任书绩效考核表
- 格式:doc
- 大小:42.00 KB
- 文档页数:3
安全资料员安全目标责任考核表
工程名称:考核日期:年月日
序号考核内容评分标准
应得
分数
扣减
分数
得分
一安全管理1、施工现场安全管理工作未达标扣10分,
2、目标考核不合格扣5分。
3、安全资料与施工进度不同步扣5分。
4、安全技术资料不真实、准确、完整扣10
分。
5、安全资料签名手续一笔替代的扣10分。
30
二资料收集1、未及时收集施工组织设计,安全施工方
案扣5-10分。
2、书面安全,技术交底,不全面扣4-6分。
3、安全检查制度及记录不符合要求扣5-10
分。
4、安全教育制度不符合要求扣10分,未按
教育制度执行扣5-10分。
5、班前活动制度不符合要求扣10分,记录
不符合要求扣2-4分。
6、上岗证未收集齐全扣2-6分。
7、三宝质量证明文件、机械设备产品合格
证收集不齐全的扣2~5分。
8、无工伤事故处理制度扣10分,档案不符
合要求扣2-4分。
9、无安全标志平面布置图扣5分,与现场
不符扣5分。
70
考核等级合计100 注:本表由项目经理每月考核一次
被考核人:考核人:。
工程部资料员绩效评价要素表工程部二○一六年三月绩效评价比例评价指标权重 01 落实相关工程建筑法律法规,施工规范和公 20 司各项规章制度 02 对公司的中标工程组建项目部。
提名项目部 15 经理和主要管理人员人选,签订内部承包合同。
工作业绩(100/70%) 03对公司内部相关文件通知做到及时上传下 15 达,并做好归档管理工作。
04指导项目部编制施工组织设计和工程技术资料,检查监督项目部施工、质量、安全落实情15 况。
05做好部门会议纪录、整理工作,起草本部门 15 工作报告,总结等文件。
06落实工程劳务分包,并结合项目部评价情况 10 对分包方复评。
07对有关技术资料、文件的收发和分类归档保 10 管,及时准确填制各种报表和表格。
绩效评价比例评价指标权重 01业务知识 25 02理解能力 25 工作能力(100/20%) 03执行能力 25 04创新能力 25绩效评价比例评价指标权重 01协作性 15 02纪律性 15 03积极性 15 工作态度 04责任感 20 (100/10%) 05自我开发意识10 06成本意识 10 07是否认同本公司发展理念 15一、工作业绩(100/70%)■要素名称:落实相关工程建筑法律法规,施工规范和公司各项规章制度(20)■考核要点:是否能落实相关工程建筑法律法规,施工规范和公司各项规章制度,并不断的健全公司各项规章制度。
等级说明评分能主动去发现各项目部在施工中执行相关工程建筑法律法规时存在的问题,并主动的进 A 16-20 行完善,提高了公司在各项规章制度的管理水平。
能在上级领导催促下去发现各项目部在施工中执行相关工程建筑法律法规时存在的问 B 6-15 题,并进行完善,有利于提高公司在各项规章制度的管理水平。
C 不关心各项目部在施工中执行相关工程建筑法律法规时存在的问题。
0-5 ■要素名称:公司中标工程的项目部组建。
提出项目部经理和主要管理人员人选,签订内部承包合同。
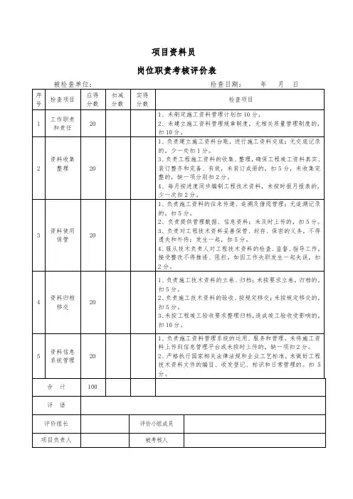
资料员考核表(优质文档,可直接使用,可编辑,欢迎下载)安全科资料员绩效考核表(月度)用工合同甲方:(以下称甲方)乙方: (以下称乙方)双方就工程,按《中华人民共和国劳动合同法》等有关规定,聘用乙方为甲方员工,双方根据平等自愿,协商一致的原则,签定本合同,确立劳动关系,明确双方的权利、义务,并共同遵守。
一、合同期限本合同期限为12个月,自合同签订、乙方进场工作之日起算。
二、乙方的权利与义务1、负责进行(以下简称本项目)工程内业工作(包括质检资料编写、现场变更资料编写、竣工图绘制《甲方需提供所有工程原设计图电子文档一份》、质检竣工资料竣工整理及竣工结算工作)。
2、乙方应收集相关质检资料数据并配合甲方与质检资料相关(并仅限跟内业相关)的工作。
3、乙方必须在甲方现场实体工程完成并竣工验收合格之日起30天内,完成质检资料的竣工整理及竣工图绘制工作。
4、乙方根据工作需要,及时对办公用品(耗材)进行补充,保证质检资料随工程实体进度编写、不滞后,费用自理,甲方提供设备故障维修在外(如:打印机、电脑)。
5、乙方保证所编写的质检资料符合现行的相关规范要求,就不合格资料有义务无条件返工编写。
6、接受甲方的管理,并按合同要求认真履行职责,遵纪守法,圆满完成工作任务.7、乙方享受甲方支付的工作费用,此费用均为税后收入。
8、其他: 。
三、甲方的权利与义务1、负责乙方与现场各参与方的协调工作。
2、负责按时支付乙方人员的工作费用。
3、负责为乙方提供质检资料及现场签证资料的相关数据,保证期准确性。
四、付款金额与支付方式1、本合同总费用为本项目竣工结算价格的千分之五,并扣除甲方委派现场协助人员工资2.5万元,暂计人民币:本项目合同总价(包含蓬安连接线)48861271元*0.005-25000=219306元,大写:贰拾壹万玖千叁佰零六元.2、付款方式:⑴甲方按照乙方进场时剩余工期以本合同价格80%均摊至每月,本合同价格80%费用为219306*0.8=175445元,乙方进场时剩余工期12个月,每月按时支付乙方费用为14620元。
资料员安全目标管理责任考核表前言随着现代工业体系的完善和安全生产意识的不断提高,企业对于安全生产责任落实的要求也越来越严格。
而在建筑工程中,资料员作为一名重要管理人员,需要承担一定的安全责任。
鉴于此,制定一份针对资料员的安全目标管理责任考核表具有重要的实际意义。
一、岗位安全职责1. 提供资料作为资料员,你的职责之一是提供工程项目所需的各种技术、管理、法律等方面的资料,包括但不限于工程图纸、规范标准、验收规范等。
在此过程中,你需要注意以下安全要求:•确保所提供的资料完整、准确、合法;•确认工程项目所需资料的真实性和正确性;•遵守企业信息安全、保密制度。
2. 资料收集和整理作为资料员,你还需要负责工程项目所需资料的收集和整理工作。
在此过程中,你需要注意以下安全要求:•确保资料的来源可靠,避免采用非法渠道收集资料;•确保资料的真实性、准确性、完整性;•防止资料外泄,保护资料的机密性。
3. 质量监控作为资料员,你需要对各种资料的质量进行监控,确保它们满足建设工程质量的要求。
在此过程中,你需要注意以下安全要求:•确保资料的规范标准符合国家或地方有关规定;•在质量监控过程中,发现存在质量问题时,及时提出处理意见。
二、安全管理职责1. 安全教育作为资料员,你需要向企业的各级管理人员和员工开展安全教育,帮助他们加强安全意识,提高安全素质。
在此过程中,你需要注意以下安全要求:•确保开展的安全教育与企业的安全生产工作相符,且教育内容全面、详尽;•思考如何让安全教育更好地传达给企业员工,确保教育效果的最大化。
2. 安全监测作为资料员,你需要积极参与企业的安全监测工作,及时掌握企业的危险和风险状况,以便能够采取有效措施防范和控制事故的发生。
在此过程中,你需要注意以下安全要求:•熟悉建设工程资料的内容,了解细节;•建立日常安全监测台账,及时发现和报告问题。
3. 安全评估作为资料员,你需要积极参与企业的安全评估工作,研究并提出改进企业安全管理问题的方法和措施。
考核评分表(月度)姓名项目名称岗位资料员任务绩效序号考核项目权重指标要求评分等级得分1 检查评估40%万科区域评估占100%优得50分合格【上】得40分合格【中】得35分合格【下】得30分差0公司月度检查实体成绩、关键指标各占50%;两项共占100%;(万科项目月度无区域评估或非万科项目采用)0.4×实际得分2 安全文明5% 安全事故费用限制按安全事故费用0.5-2万元/次扣0.5分,2-5万元/次扣1分,5-10万/次扣2分,10-15万/次扣3分,15-20万/次扣4分,20万以上扣5分;当月累计超过2次事故的,加倍扣分3 工期10%资料及时有效不影响现场施工;资料的编制整理满足现场施工要求;资料不及时影响现场施工,一天内扣2分,1-2天扣3分,超过2天扣5分;现场因资料编制整理不满足要求,被业主、监理及政府部门不予验收,每发生一次扣10分4 资料管理45%资料的真实性;资料的及时性;资料的完整性;资料的规范性;资料的可追溯性资料与现场不符扣5分/处;资料不及时影响现场施工扣5分/处;资料严重缺失,每差一项扣3分;资料整理不规范扣3分/项;资料前后矛盾不具有可追溯性扣5分/处;各种台账建立不标准扣3分加权合计行为技能考核序号行为技能指标权重指标说明考核评分1规范标准的熟悉程度30%对资料档案标准的熟悉程度;对质量检查验收标准的熟悉程度;对工艺流程的熟悉程度;对程序报验的熟悉程度对检验试验送样的配合度对资料台账建立的完整性对业主及公司要求的熟悉程度对资料档案标准不熟悉扣5分;对质量检查验收标准不熟悉扣5分;对工艺流程不熟悉扣2分/项;对程序报验不熟悉扣8分;对检验试验送样配合不好扣3分;资料台账建立不完整扣6分;对业主及公司要求不熟悉扣5分。
2 成本控制10%纸张的使用;设备管理;办公用品管理;纸张使用不合理,能重复使用而未二次利用的扣1分,大量浪费的扣3分/次;所有打印机、电脑等设备未按要求清洁维护扣2分;办公用品领用未建立台账扣3分,办公用品购买无计划得扣2分;3 日常事务25% 办公区“5S”管理;项目食堂及生活费监管;会议记录的整理及分发;日常深入施工现场的频率影像资料的取证各部门之间的配合日常事务配合服务办公区“5S”管理不到位扣1分/处;项目食堂及生活费监管及台账不明扣2分;会议记录的整理及分发不及时或不满足要求扣2分/次;日常深入施工现场的频率不满足公司要求,扣0.5分/天;影像资料的取证不及时、完整扣3分;各部门之间的配合不力扣2分;日常事务配合服务不到位扣0.5分/次4 沟通协调25% 与相关职能部门的沟通;与业主/监理的沟通;与同事的沟通;与相关职能部门的沟通不畅,影响资料验收扣5分;与相关职能部门的沟通无果,但未向上级汇报协同解决扣8分;未与相关职能部门的沟通扣10分;与业主/监理的沟通不畅,影响验收扣2分/次;与同事的沟通不畅,影响现场工作正常开展扣0.5分/次;5 施工日记10% 施工日记的连续性;施工日记的规范性、完整性;施工日记的可追溯性;施工日记不连续扣1分/天;施工日记内容不规范完整扣2分/处;施工日记不具有可追溯性扣3分/处;加权合计总分总分=业绩考核得分×60%+行为考核得分×40%=备注项目经理考核,须生产副总、总工程师、公司安全负责人、成本控制部共同考核打分,最终得分为所有得分的平均分值。
(项目工程部资料内业
各岗位绩效考核单的制作流程:
1、将部门各岗位岗位职责类指标与计划类指标按不同岗位、不同月
2、列明合并后的重点工作及目标计划、指标名称、评价标准(在相
3、如计划类指标与岗位职责类指标一致,请给予合并(如人力资源
4、所占权重由考核人按照考核项重要程度确认,但所有考核项权重
5、考核指标完成情况、考核评分等项目自实施考核时填写即可;
6、部门经理由直接主管领导进行考核,部门员工由部门经理进行考
料内业岗位)1月份绩效考核单
不同月份进行合并;
(在相关指标分解前已经列明,复制即可);
力资源助理岗位职责类指标第一项与计划类指标第一项相同,合并即可);项权重相加必须为100%;
可;
进行考核。
地恩地房地产事业部镁大厦项目资料员同志20110年月份目标责任书
本责任书由部门负责人和责任人通过共同协商,经责任人提出,认为通过努力能够完成的指标,公司按责任书的内容进行考核,并向集团公司绩效考核小组提供完成情况的报告,绩效考核小组根据责任书的奖惩条例进行核算和兑现,目标责任人对照分解、落实;
一、本责任书一式二份,工程管理中心负责人一份,绩效考核小组一份。
本责任书双方签字后生效,严格执行,不得随意更改,具备法律效力;
1
2
部门负责人:责任人:日期:日期:
3。