矿粉原始记录有比表面积
- 格式:xls
- 大小:21.50 KB
- 文档页数:23
检测项目样品状态环境温、湿度检测地点检测依据检测日期第页,共页检测用主要设备一览表序号设备名称规格型号编号1 电子分析天平2 比表面积仪3 烘箱4 李氏瓶5 恒温水槽其它滤纸等密度检测数据次数试样质量(g)读数1(cm3)读数2(cm3)单次密度(g/cm3)密度(g/cm3)水浴恒温(℃)1 60.00 0.8 21.9 2.842.84 20 2 60.07 1.0 22.2 2.83细度(比表面积法)检测数据1、标样及所标定设备的相关参数密度ρs(g/cm3)比表面积(cm2 /g)空隙率εs压力计液面降落时间Ts(s)环境温度(℃)空气粘度ηs(μPa.s)3.14 3270 0.5 72.14 20.4 /2、试样比表面积测定次数试验温度(℃)试样体积(cm3)初选空隙率εs确定空隙率εi试样质量(g)压力计液面降落时间Ti(s)单次比表面积(cm2 /g)比表面积(cm2 /g)1 20.6 1.846 0.5 0.5 2.621 81.28 36843710 2 20.4 1.846 0.5 0.5 2.621 82.30 3731计算公式W=ρv(1-ε)注:如果试验时温度与标定时温度之差不大于3℃时,可不考虑空气粘度的影响。
审核: 试验: 记录日期:检测项目样品状态环境温、湿度检测地点检测依据检测日期第页,共页检测用主要设备一览表序号设备名称规格型号编号1 电子分析天平2 比表面积仪3 烘箱4 李氏瓶5 恒温水槽其它滤纸等密度检测数据次数试样质量(g)读数1(cm3)读数2(cm3)单次密度(g/cm3)密度(g/cm3)水浴恒温(℃)12细度(比表面积法)检测数据1、标准样品及所标定设备的相关参数密度ρs(g/cm3)比表面积(cm2 /g)空隙率εs压力计液面降落时间Ts(s)环境温度(℃)空气粘度ηs(μPa.s)2、试样比表面积测定次数试验温度(℃)试样体积(cm3)初选空隙率εs确定空隙率εi试样质量(g)压力计液面降落时间Ti(s)单次比表面积(cm2 /g)比表面积(cm2 /g)1 2计算公式W=ρv(1-ε)注:如果试验时温度与标定时温度之差不大于3℃时,可不考虑空气粘度的影响。
矿粉比表面积检测方法矿粉比表面积是指单位质量矿粉所具有的表面积。
矿粉比表面积的大小直接影响着矿粉在混凝土中的胶凝体积和胶凝物理性能,因此准确测定矿粉比表面积对于混凝土工程质量控制具有重要意义。
本文将介绍几种常用的矿粉比表面积检测方法。
一、比氮吸附法比氮吸附法是一种常用的测定矿粉比表面积的方法。
该方法利用矿粉表面对氮气的吸附能力来计算比表面积。
具体操作步骤如下:1. 将矿粉样品研磨至一定细度,通常要求粒径小于45μm。
2. 将矿粉样品放入比氮仪中,通过真空排除空气。
3. 在一定温度下,将氮气注入比氮仪中,矿粉样品表面的氮气会被吸附。
4. 测定吸附氮气的体积,并计算出矿粉的比表面积。
比氮吸附法操作简便,结果准确可靠,被广泛应用于矿粉比表面积的检测。
二、比蒸发法比蒸发法也是一种常用的测定矿粉比表面积的方法。
该方法通过测定矿粉溶液的蒸发速率来推算出比表面积。
具体操作步骤如下:1. 将一定质量的矿粉样品加入一定体积的溶液中,通常使用乙醇或苯作为溶液。
2. 将溶液充分搅拌均匀,使矿粉充分分散。
3. 将搅拌好的溶液倒入测量器中,开始计时。
4. 观察溶液的蒸发速率,根据蒸发速率计算出矿粉的比表面积。
比蒸发法操作简单快捷,但在实际应用中需要注意溶液的选择和搅拌均匀程度,以保证测量结果的准确性。
三、比沉降法比沉降法是一种常用的测定矿粉比表面积的方法。
该方法通过测定矿粉在液体中的沉降速率来计算出比表面积。
具体操作步骤如下:1. 将一定质量的矿粉样品加入一定体积的液体中,通常使用乙醇或水作为液体。
2. 充分搅拌均匀,使矿粉充分分散。
3. 将搅拌好的液体倒入测量器中,开始计时。
4. 观察矿粉的沉降速率,根据沉降速率计算出矿粉的比表面积。
比沉降法操作简便,但需要注意搅拌均匀程度和测量时间的控制,以保证测量结果的准确性。
总结起来,比氮吸附法、比蒸发法和比沉降法是常用的矿粉比表面积检测方法。
这些方法操作简便,结果准确可靠,被广泛应用于混凝土工程质量控制中。
水泥矿粉比表面积检验细则一、依据标准:《水泥比表面积测定方法》(GB/T 8074—2008)。
二、仪器设备:1、Blaine透气仪,由透气圆筒、压力计、抽气装置等三部分组成。
2、透气圆筒内径为12.70±0.05mm,由不锈钢制成。
圆筒内表面的光洁度为▽6,圆筒的上口边应与圆筒主轴垂直,圆筒下部锥度应与压力计上玻璃磨口锥度一致,二者应严密连接。
在圆筒内壁,距离圆筒上口边55±10㎜处有一突出的宽度为0.5~1㎜的边缘,以放置金属穿孔板。
3、穿孔板由不锈钢或其他不受腐蚀的金属制成,厚度为1.0~0.1mm。
在其面上,等距离地打有35个直径1mm的小孔,穿孔板应与圆筒内壁密合。
穿孔板二平面应平行。
4、捣器用不绣钢制成,插入圆筒时,其间隙不大于0.1mm。
捣器的底面应与主轴垂直,侧面有一个扁平槽,宽度为3.0±0.3mm。
捣器的顶部有一个支持环,当捣器放入圆筒时,支持环与圆筒上口边接触,这时捣器底面与穿孔原板之间的距离为15.0±0.5mm。
5、压力计 U形压力计的尺寸,由外径为9mm的,具有标准厚度的玻璃管制成。
压力计一个臂的顶端有一个锥形磨口与透气圆筒紧密连接,在连接透气圆筒的压力计臂上刻有环形线。
从压力计底部往上280~300mm处有一个出口管,管上装有一个阀门,连接抽气装置。
6、抽气装置用小型电磁泵,也可用抽气球。
7、滤纸采用符合国标的中速定量滤纸。
8、分析天平分度值为1mg。
9、计时秒表精确读到0.5s。
10、烘干箱三、试样准备:1、将110±5℃下烘干并在干燥器中冷却到室温的标准试样,倒入100ml的密闭瓶内,用力摇动2min,将结成团的试样振碎,使试样松散。
静置2min后,打开瓶盖,轻轻搅拌,使在松散过程中落到表面的细粉,分布到整个试样中。
2、水泥试样,应先通过0.9mm方孔筛,再在110±5℃下烘干,并在干燥器中冷却至室温。
矿渣粉检测原始记录威SH-005.1校核: 主检:检测日期:威海市建设工程质量造价监督管理站监制样品名称 矿渣粉 委托编号 规格型号 S95 检测日期检测依据GB/T18046-2008环境条件温度:20℃,湿度:68%设备名称烘箱设备编号004设备状态正常胶砂搅拌机007 检测内容抗压强度比(%)砂浆配比胶砂种类矿渣粉(g )水泥( g )标准砂(g )用水量(g )对比胶砂 \ 450 1350 225 试验胶砂 2252251350225 7天抗折强度28天抗折强度单块值(Mpa )平均值(Mpa )单块值(Mpa ) 平均值(Mpa )对比样 试验样7天抗压强度28天抗压强度 平均值(Mpa ) 平均值(Mpa )对比样 试验样流动比(%)胶砂种类矿渣粉(g)水泥(g) 标准砂(g) 用水量(g)流动度(mm)流动度比X(%)对比胶砂 —— 450 1350 225 L0=/ / 试验胶砂2252251350225L=//X=(L/L0)*100含水量(%)烘干前样品质量w1(g )烘干后样品质量w0(g)含水量W (%) 备 注///W=[(ω1-ω0)/ω1]x100烧失量(%)灼烧前质量G(g)灼烧后质量G1(g) 损失(G-G1)(g)烧失量X15(%)备 注//// 灼烧温度:950℃-1000℃X15=(G-G1)/G*100 比表面积(m ²/kg )体积V (m3) 密度p (g/cm3)空隙率ε样品质量W(g)比表面积m2/Kg备注 /////W=ρν(1-ε)记录说明 符合GB/T18046-2008要求。
水泥矿粉比表面积检验细则一、依据标准:《水泥比表面积测定方法》(GB/T 8074—2008)。
二、仪器设备:1、Blaine透气仪,由透气圆筒、压力计、抽气装置等三部分组成。
2、透气圆筒内径为12.70±0.05mm,由不锈钢制成。
圆筒内表面的光洁度为▽6,圆筒的上口边应与圆筒主轴垂直,圆筒下部锥度应与压力计上玻璃磨口锥度一致,二者应严密连接。
在圆筒内壁,距离圆筒上口边55±10㎜处有一突出的宽度为0.5~1㎜的边缘,以放置金属穿孔板。
3、穿孔板由不锈钢或其他不受腐蚀的金属制成,厚度为1.0~0.1mm。
在其面上,等距离地打有35个直径1mm的小孔,穿孔板应与圆筒内壁密合。
穿孔板二平面应平行。
4、捣器用不绣钢制成,插入圆筒时,其间隙不大于0.1mm。
捣器的底面应与主轴垂直,侧面有一个扁平槽,宽度为3.0±0.3mm。
捣器的顶部有一个支持环,当捣器放入圆筒时,支持环与圆筒上口边接触,这时捣器底面与穿孔原板之间的距离为15.0±0.5mm。
5、压力计 U形压力计的尺寸,由外径为9mm的,具有标准厚度的玻璃管制成。
压力计一个臂的顶端有一个锥形磨口与透气圆筒紧密连接,在连接透气圆筒的压力计臂上刻有环形线。
从压力计底部往上280~300mm处有一个出口管,管上装有一个阀门,连接抽气装置。
6、抽气装置用小型电磁泵,也可用抽气球。
7、滤纸采用符合国标的中速定量滤纸。
8、分析天平分度值为1mg。
9、计时秒表精确读到0.5s。
10、烘干箱三、试样准备:1、将110±5℃下烘干并在干燥器中冷却到室温的标准试样,倒入100ml的密闭瓶内,用力摇动2min,将结成团的试样振碎,使试样松散。
静置2min后,打开瓶盖,轻轻搅拌,使在松散过程中落到表面的细粉,分布到整个试样中。
2、水泥试样,应先通过0.9mm方孔筛,再在110±5℃下烘干,并在干燥器中冷却至室温。
矿粉检测原始记录矿粉检测原始记录样品名称委托编号规格型号检测日期检测依据环境条件设备名称设备编号设备状态检测内容胶砂种类矿粉(g)水泥( g )标准砂用水量(g)砂浆配比(g)对比胶砂\ 450 1350 225试验胶砂225 225 1350 2257 天抗折强度28 天抗折强度单块值(Mpa)平均值(Mpa)单块值(Mpa)平均值(Mpa)抗压强度对比样比(%)试验样7 天抗压强度28 天抗压强度单块值(KN)平均值(Mpa)单块值(KN)平均值(Mpa)对比样试验样7 天抗压强度比(%):28 天抗压强度比(%):胶砂种类矿粉(g) 水泥(g) 标准砂(g) 用水量(g) 流动度(mm) 流动度比X(%)流动比对比胶砂——450 1350 225 L0=(%)试验胶砂225 225 1350 225 L=X=(L/L 0)*100烘干前样品质量w1(g)烘干后样品质量w0(g) 含水量W(%) 备注含水量(%)W=[(ω1- ω0)/ ω1x100烧失量灼烧前质量G(g) 灼烧后质量G1(g) 损失(G-G1)(g)烧失量X(%) 备注(%)X=(G-G1)/G*100密度ρ3 (g/cm)33)密度ρ平均值恒温后李氏瓶内煤油的体积(m)试样重量(g)装入试样恒温后的体积(m12比表面积(m2/kg )3 3体积V(m)空隙率ε密度ρ(g/cm )样品质量W(g) 比表面积m2/Kg2/Kg备注W=ρν(1- ε)记录说明主检:校核:检测日期:。
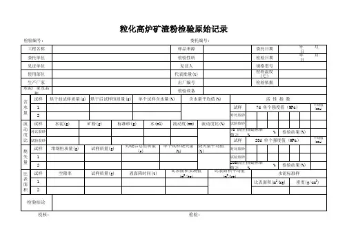
矿粉原始记录有比表面积1 / 1粒化高炉矿渣粉查验原始记录查验编号:拜托编号:工程名称样品根源拜托日期年日拜托单位查验性质查验日期年日目睹单位 目睹人 规格型号使用部位代表批量 (t)查验温度( ℃)生产厂家 出厂编号 查验依照水泥厂家及品查验设施种含 试样烘干前试样质量 (g) 烘干后试样恒质量 (g)单个试样含水量 (%)含水量均匀值 (%)活性指数水 1 试样7d 单个强度值( MPa )量 2对照胶砂流 试样水泥 (g)矿粉 (g)标准砂 (g)水(ml)流动度 (mm)流动度比 (%)试验胶砂动对照胶砂7d 活性指数标准 查验结果 (%)度值≥ %%比 试验胶砂试样28d 单个强度值( MPa )月月均匀值 (MPa)均匀值 (MPa)试样坩埚恒质量 (g)试样质量 (g)灼烧后总恒质量单个试样烧失量烧失量均匀值烧 (g)(%)对照胶砂(%)失 1 试验胶砂量228d 活性指数标准 查验结果 (%)值≥ %比表面积实测值%比 试样 缝隙率试样质量 (g)液面降时间 (t)比表面积均匀值水泥标准样(m 2 /kg)(m 2/kg)表1比表面积 (m 2/kg)密度 (g/cm 3)面积2查验结论校核:查验:。