矿渣粉比表面积试验记录表(勃氏法)
- 格式:xls
- 大小:52.00 KB
- 文档页数:1
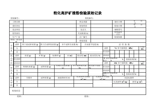
第 页,共 页粉煤灰比表面积试验检测记录表(勃氏法)试验室名称:记录编号:工程部位/用途委托/任务编号试验依据样品编号样品描述试验条件品种强度等级试验日期主要仪器设备及编号密度测定试验次数装入密度瓶的粉煤灰质量(g)密度瓶第一次读数(cm3)密度瓶第二次读数(cm3)被水泥所排出的液体体积(cm3)粉煤灰密度测值 (g/cm3)粉煤灰密度测定值(g/cm3)12试料层体积标定标定日期试验次数试验温度(℃)水银密度(kg/m3)圆筒与玻璃板合质量(g)筒与玻璃板及水银合质量(g)充满筒内的水银质量(g)圆筒与标准粉及玻璃板合质量(g)标准粉+圆筒+玻璃板+水银合质量(g)装标准粉后充满圆筒的水银质量(g)试料层体积(cm3)单值平均值12K值标定标定日期试验次数试验温度(℃)标准粉质量(g)标准粉密度(g/cm3)标准粉比表面积(m2/kg)标准粉液面降落时间(s)仪器K值单值平均值单值平均值12比表面积测定试验次数试验温度(℃)试样质量(g)被测试样试验时压力计中液面降落测得的时间(s)被测试样的空隙率被测试样试验温度下的空气粘度(µPa·s)试样比表面积测值(cm2/kg)试样比表面积测定值(cm2/kg)12备 注:试验:复核:日期:年月日。
水泥比表面积测定方法(勃氏法)定义:单位质量的水泥粉末所具有的总表面积,以平方厘米每克(cm2/g)或平方米每千克(m2/kg)表示透气法的基本原理透气法测定比表面积,是根据一定量的空气通过具有一定空隙率和规定厚度的试料层时,所受到的阻力不同而引起流速的变化来测定试料比表面积。
粉料越细、比表面积越大、空气透过时的阻力越大,则一定量空气透过同样厚度的试料层所需的时间就越长,反之时间越短。
在一定空隙的水泥层中,空隙的大小和数量是颗粒尺寸的函数,同时也决定了通过试料层的气流速度。
流体在颗粒与颗粒之间的流动可以看做在无数“假象”的毛细管中流动,颗粒越小,颗粒与颗粒间的空隙也越小,在一定空隙中的粉末层体积中的毛细管孔道数就越多。
毛细管孔道直径越细,气体在管道内通过的阻力越大,即气体在物料层中流动就越慢。
因此可假定气体在孔道内的流动为粘性流动。
勃氏透气仪测定比表面积1、仪器构造:勃氏透气仪的外形及结构示意图见下图。
勃氏透气仪有透气圆筒、捣器、U型压力计的抽气泵三部分组成。
透气圆筒内径12.7mm穿孔板上均匀分布35个孔径1mm的小孔,捣器深入圆筒的距离应保证试料层厚度为15mm、透气圆筒与U型压力计是通过磨口直接连接。
2.仪器常数的标定2.1 试料层体积的测定:用水银排代法测定试料层体积。
根据在圆筒内装试料之前和装试料之后的水银排开的质量,再除以试验温度下的水银的密度,即为试料层体积V(cm3),计算式:V=(P1-P2)/ρ水银式中:V —透气圆筒的试料层体积。
(cm3)P1—未装试料是充满圆筒的水银重量,(g)P2—装试料后,充满圆筒的水银重量,(g)ρ水银—在试验温度下水银密度(g/cm3)2.2 漏气检查先用橡皮塞将圆筒上口塞紧,然后用抽气泵抽气,使U形压力计上液面上升一定高度,关闭连接抽气泵的活塞,2~3min内液面不下降,说明该仪器无漏气现象。
2.3 标准时间的测定采用比表面积和密度已知的标准物质来测定透气仪的标准时间,标准物质在使用前应与仪器温度一致,并确保其无结团、块状。
水泥比表面积测定方法(勃氏法)1目的、适用范围本方法规定采用勃氏法进行水泥比表面积测定。
本方法适用于硅酸盐水泥、普通硅酸盐水泥、矿渣硅酸盐水泥、火山灰硅酸盐水泥、粉煤灰硅酸盐水泥、道路硅酸盐水泥以及指定采用本方法的其它粉状物料。
本方法不适用于测定多孔材料及超细粉状物料。
2 仪器设备2.1Blaine 透气仪:由透气圆筒、压力计、抽气装置等三部分组成。
2.2透气圆筒:内径为12.70±0.05mm,由不锈钢制成。
2.3穿孔板:由不锈钢或其他不受腐蚀的金属制成,厚度为 1.0~0.1mm。
捣器:用不锈钢制成,插入圆筒时,其间隙不大于 0.1mm。
2.4压力计:U形压力计,由外径为 9mm 的,具有标准厚度的玻璃管制成。
2.5抽气装置:用小型电磁泵,也可用抽气球。
2.6滤纸:采用符合国标的中速定量滤纸。
2.7分析天平:分度值为 1mg。
2.8计时秒表:精确读到 0.5s。
2.9烘干箱。
3材料3.1压力计液体压力计液体采用带有颜色的蒸馏水。
3.2基准材料基本材料采用中国水泥质量监督检验中心制备的标准试样。
4 仪器校准4.1漏气检查。
将透气圆筒上口用橡皮塞塞紧,接到压力计上。
用抽气装置从压力计一臂中抽出部分气体,然后关闭阀门,观察是否漏气。
如发现漏气,用活塞油脂加以密封。
4.2试料层体积的测定4.2.1用水银排代法将二片滤纸沿圆筒壁放入透气圆筒内,用一直径比透气圆筒略小一细长棒往下按,直到滤纸平整放在金属的空孔板上。
然后装满水银,用一小块薄玻璃板轻压水银表面,使水银面与圆筒口平齐,并须保证在玻璃板和水银表面之间没有气泡或空洞存在。
从圆筒中倒出水银,称量,精确至 0.05g。
重复几次测定,到数值基本不变为止。
然后从圆筒中取出一片滤纸,试用约 3.3g 的水泥,按照5.3 条要求压实水泥层。
再在圆筒上部空间注入水银,同上述方法除去气泡、压平、倒出水银称量,重复几次,直到水银称量值相差小于 50mg 为止。
水泥比表面积测定方法(勃氏法)1目的、适用范围本方法规定采用勃氏法进行水泥比表面积测定。
本方法适用于硅酸盐水泥、普通硅酸盐水泥、矿渣硅酸盐水泥、火山灰硅酸盐水泥、粉煤灰硅酸盐水泥、道路硅酸盐水泥以及指定采用本方法的其它粉状物料。
本方法不适用于测定多孔材料及超细粉状物料。
2仪器设备2.1Blaine透气仪:由透气圆筒、压力计、抽气装置等三部分组成。
2.2透气圆筒:内径为12.70±0.05mm,由不锈钢制成。
2.3穿孔板:由不锈钢或其他不受腐蚀的金属制成,厚度为 1.0~0.1mm。
捣器:用不锈钢制成,插入圆筒时,其间隙不大于0.1mm。
2.4压力计:U形压力计,由外径为9mm的,具有标准厚度的玻璃管制成。
2.5抽气装置:用小型电磁泵,也可用抽气球。
2.6滤纸:采用符合国标的中速定量滤纸。
2.7分析天平:分度值为1mg。
2.8计时秒表:精确读到0.5s。
2.9烘干箱。
3材料3.1压力计液体压力计液体采用带有颜色的蒸馏水。
3.2基准材料基本材料采用中国水泥质量监督检验中心制备的标准试样。
4仪器校准4.1漏气检查。
将透气圆筒上口用橡皮塞塞紧,接到压力计上。
用抽气装置从压力计一臂中抽出部分气体,然后关闭阀门,观察是否漏气。
如发现漏气,用活塞油脂加以密封。
4.2试料层体积的测定4.2.1用水银排代法将二片滤纸沿圆筒壁放入透气圆筒内,用一直径比透气圆筒略小一细长棒往下按,直到滤纸平整放在金属的空孔板上。
然后装满水银,用一小块薄玻璃板轻压水银表面,使水银面与圆筒口平齐,并须保证在玻璃板和水银表面之间没有气泡或空洞存在。
从圆筒中倒出水银,称量,精确至0.05g。
重复几次测定,到数值基本不变为止。
然后从圆筒中取出一片滤纸,试用约3.3g的水泥,按照5.3条要求压实水泥层。
再在圆筒上部空间注入水银,同上述方法除去气泡、压平、倒出水银称量,重复几次,直到水银称量值相差小于50mg为止。
4.2.2圆筒内试料层体积V按式(1)计算。
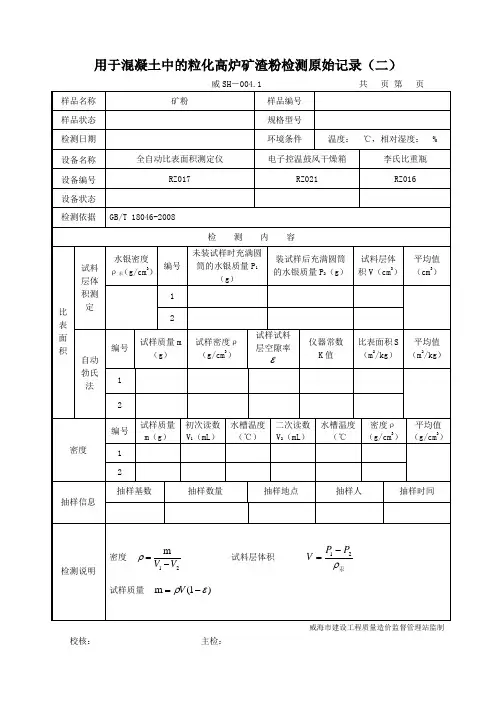
威SH-004.1共页第页样品名称矿粉样品编号样品状态规格型号检测日期环境条件温度:℃,相对湿度: % 设备名称全自动比表面积测定仪电子控温鼓风干燥箱李氏比重瓶设备编号RZ017 RZ021 RZ016设备状态检测依据GB/T 18046-2008检测内容比表面积试料层体积测定水银密度ρ汞(g/cm3)编号未装试样时充满圆筒的水银质量P1(g)装试样后充满圆筒的水银质量P2(g)试料层体积V(cm3)平均值(cm3)12自动勃氏法编号试样质量m(g)试样密度ρ(g/cm3)试样试料层空隙率ε仪器常数K值比表面积S(m2/kg)平均值(m2/kg)12密度编号试样质量m(g)初次读数V1(mL)水槽温度(℃)二次读数V2(mL)水槽温度(℃密度ρ(g/cm3)平均值(g/cm3)12抽样信息抽样基数抽样数量抽样地点抽样人抽样时间检测说明密度21mVV-=ρ试料层体积汞ρ21PPV-=试样质量)1(mερ-=V威海市建设工程质量造价监督管理站监制校核:主检:威SH -004.2 共 页 第 页样品名称 矿粉 样品编号 样品状态 规格型号检测日期环境条件 温度: ℃,相对湿度: %设备名称 微机控制恒加载压力试验机高温电阻炉 电动抗折试验机设备编号 RZ002 RZ014 RZ008 设备状态检测依据GB/T 18046-2008检 测 内 容流动度比、活性指数胶砂种类 水泥(g ) 矿粉(g )标准砂(g ) 加水量(mL ) 流动度(mm ) 流动度比 成型时间对比胶砂 450 — 1350 225 试验胶砂225 225 1350 225 对比胶砂 kN 7d 平均值MPa 试验胶砂 kN 7d 平均值MPa 对比胶砂 kN 28d 平均值MPa 试验胶砂kN 28d 平均值MPa7d 活性指数(%)28d 活性指数(%)烧失量编号试料质量(g )灼烧后试料质量(g )烧失量(%)平均值 1 2含水量编号烘干前质量(g ) 烘干后质量(g )含水量(%)平均值 1 2抽样信息抽样基数抽样数量抽样地点抽样人 抽样时间检测说明 需水量比X=1001251L 含水量W =(1w -2w )/1w ×100 威海市建设工程质量造价监督管理站监制校核: 主检:。
水泥比表面积测定方法勃氏法1 目的、适用范围和引用标准本方法规定采用勃氏法进行水泥比表面积测定。
本方法适用于硅酸盐水泥、普通硅酸盐水泥、矿渣硅酸盐水泥、粉煤灰硅酸盐水泥、火山灰硅酸盐水泥、复合硅酸盐水泥、道路硅酸盐水泥以及指定采用本方法的其它粉状物料。
2 仪器设备⑴透气仪:由透气圆筒、压力计、抽气装置等三部分组成。
⑵透气圆筒:内径为12.700+0.05mm,由不锈钢制成。
圆筒内表面的粗糙度R a=1.60μm,圆筒的上口边应应与圆筒主轴垂直,圆筒下部锥度应与压力计上玻璃磨口锥度一致,两者应严密连接。
在圆筒内壁,距离圆筒上口边55mm±10mm处有一突出的宽度为0.5mm~1mm的边缘,以放置金属穿孔板。
⑶穿孔板:由不锈钢或其它不受腐蚀的金属制成,厚度为1.00–0.1mm。
在其面上,等距离地打有35个直径1mm的小孔,穿孔板应与圆筒内壁密合。
穿孔板两平面应平行。
⑷捣器:用不锈钢制成,插入圆筒时,其间隙不大于0.1mm。
捣器的底面应与主轴垂直,侧面有一个扁平槽,宽度3.0mm±0.3mm。
捣器的顶部有一个支持环,当捣器放入圆筒时,支持环与圆筒上口边接触,这时捣器底面与穿孔圆板之间的距离为15.0mm±0.5mm。
⑸压力计:U形压力计由外径为9mm 的具有标准厚度的玻璃管制成。
压力计一个臂的顶端有一锥形磨口与透气圆筒紧密连接,在连接透气圆筒的压力计臂上刻有环形线。
从压力计底部往上280mm~300mm处有一个出口管,管上装有一个阀门,连接抽气装置。
⑹抽气装置:用小型电磁泵,也可用抽气球。
⑺滤纸:采用中速定量滤纸。
⑻天平:感量为1mg。
⑼秒表:分度值为0.5s。
⑽其他:烘干箱、干燥箱和毛刷等。
3 材料⑴压力计液体压力计液体采用带有颜色的蒸馏水。
⑵基本材料基本材料采用中国水泥质量监督检验中心制备的标准试样。
4 仪器校准4.1 漏气检查将透气圆简上口用橡皮塞塞紧,接到压力计上。
水泥比表面积测定方法简介 (勃氏法)1定义、原理及计算方法1.1 水泥比表面积指单位质量的水泥粉末所具有的总表面积 (M 2 /Kg)1.2 用一定量的空气通过一定空隙率和固定厚度的水泥层时 , 所受阻力不同而引起流速的变化来测定其比表面积。
被测试样的比表面积 S 按下式计算:式中 S--被测试样的比表面积( M 2 /Kg) S s--标准粉的比表面积( M 2 /Kg)T--被测样试验时液面降落时间(秒) T s--标准粉试验时,液面降落时间(秒)η--被测样试验温度下空气粘度η s--标准粉试验温度下空气粘度(Pa·s)ρ--被测样的密度( g/cm 3 ) ρ s--标准粉的密度( g/cm 3 )ε--被测样试料层中的空隙率ε s--标准粉试料层中的空隙率按国标中的规定,本仪器中ε及ε s 的取值为 0.500设 :由此 :当试验温度≤± 3 ℃时 ,则 :其中: K --本仪器的仪器常数,出厂时标定,或自行标定。
S --被测试样的比表面积, M 2 /Kg说明 : 自动比面仪自动测量计算 K,S 值 , 而自动计时比面仪需要人工计算 K,S 值2.仪器的标定:2.1 漏气检查:用橡皮塞塞紧料筒 , 联接到压力计上 , 抽出部分气体 , 关闭阀门 ( 自动比面仪自动用电磁阀关闭 ), 观察是否漏气 , 否则用黄油密封。
2.2 料筒体积标定 ( 水银排代法 )2.2.1 将二片滤纸沿筒壁放入料筒中 ,•用细长棒压平到穿孔板上。
装满水银 , 用玻璃板轻压水银表面 , 使水银面与料筒口平齐 . 并保证没有气泡空洞存在。
2.2.2 装满水银 ,用玻璃板轻压水银表面,使水银面与料筒口平齐.并保证没有气泡空洞存在。
2.2.3 倒出水银 ,称量,重复几次,精确至0.05g2.2.4 从料筒中取出一片滤纸 ,试用约3.3g的水泥装入料筒中,再放入一片滤纸,按规定压实料层2.2.5 将料筒上部空间注入水银 ,按上述同样方法除去气泡,压平,•倒出水银称量,重复几次,精确至50mg。
水泥比表面积测定方法勃氏法The following text is amended on 12 November 2020.水泥比表面积测定方法(勃氏法)1目的、适用范围本方法规定采用勃氏法进行水泥比表面积测定。
本方法适用于硅酸盐水泥、普通硅酸盐水泥、矿渣硅酸盐水泥、火山灰硅酸盐水泥、粉煤灰硅酸盐水泥、道路硅酸盐水泥以及指定采用本方法的其它粉状物料。
本方法不适用于测定多孔材料及超细粉状物料。
2 仪器设备2.1Blaine 透气仪:由透气圆筒、压力计、抽气装置等三部分组成。
2.2透气圆筒:内径为12.70±0.05mm,由不锈钢制成。
2.3穿孔板:由不锈钢或其他不受腐蚀的金属制成,厚度为 1.0~0.1mm。
捣器:用不锈钢制成,插入圆筒时,其间隙不大于 0.1mm。
2.4压力计:U形压力计,由外径为 9mm 的,具有标准厚度的玻璃管制成。
2.5抽气装置:用小型电磁泵,也可用抽气球。
2.6滤纸:采用符合国标的中速定量滤纸。
2.7分析天平:分度值为 1mg。
2.8计时秒表:精确读到 0.5s。
2.9烘干箱。
3 材料3.1压力计液体压力计液体采用带有颜色的蒸馏水。
3.2基准材料基本材料采用中国水泥质量监督检验中心制备的标准试样。
4 仪器校准4.1漏气检查。
将透气圆筒上口用橡皮塞塞紧,接到压力计上。
用抽气装置从压力计一臂中抽出部分气体,然后关闭阀门,观察是否漏气。
如发现漏气,用活塞油脂加以密封。
4.2试料层体积的测定4.2.1用水银排代法将二片滤纸沿圆筒壁放入透气圆筒内,用一直径比透气圆筒略小一细长棒往下按,直到滤纸平整放在金属的空孔板上。
然后装满水银,用一小块薄玻璃板轻压水银表面,使水银面与圆筒口平齐,并须保证在玻璃板和水银表面之间没有气泡或空洞存在。
从圆筒中倒出水银,称量,精确至 0.05g。
重复几次测定,到数值基本不变为止。
然后从圆筒中取出一片滤纸,试用约 3.3g 的水泥,按照5.3 条要求压实水泥层。