华为接入网FA16的DTE数字中继板介绍
- 格式:doc
- 大小:148.00 KB
- 文档页数:2
E1-F和T1-F接口E1-F和T1-F接口是指部分(Fractional)化E1、T1接口,它们分别是CE1/PRI和CT1/PRI 接口的简化版本。
在E1/T1接入应用中,如果不需要划分出多个通道组(channel group)或不需要ISDN PRI功能,使用CE1/PRI或CT1/PRI接口就显得浪费。
此时可以利用E1-F 或T1-F接口来满足这些简单的E1/T1接入需求。
相对CE1/PRI和CT1/PRI接口而言,使用E1-F和T1-F接口是一种低价位的E1/T1接入方案。
与CE1/PRI和CT1/PRI接口相比,E1-F和T1-F接口的特点有:●工作在成帧方式时,E1-F和T1-F接口只能将时隙捆绑为一个通道组,而CE1/PRI和CT1/PRI接口可以将时隙任意分组,捆绑出多个通道组。
●E1-F、T1-F接口不支持PRI工作方式。
E1-F接口E1-F接口拥有两种工作方式:成帧方式和非成帧方式。
当E1-F接口工作于非成帧方式时,它相当于一个不分时隙、数据带宽为2048kbps的接口,其逻辑特性与同步串口相同,支持PPP、HDLC、帧中继、LAPB和X.25等数据链路层协议,支持IP和IPX等网络协议。
当E1-F接口工作于成帧方式时,它在物理上分为32个时隙,对应编号为0~31。
其中0时隙用于传输同步信息,其余时隙可以被任意捆绑成一个通道组(channel-group),E1-F 接口的速率为n×64kbps,其逻辑特性与同步串口相同,支持PPP、帧中继、LAPB和X.25等数据链路层协议,支持IP和IPX等网络协议。
模块介绍Quidway R2600/3600系列模块化路由器支持三种型号的E1-F模块:1E1-F、2E1-F、4E1-F。
模块外观1E1-F外观2E1-F外观2E1和2E1-F4E1-F外观接口属性1E1-F/2E1-F/4E1-F模块接口属性如下表所示:1E1-F/2E1-F/4E1-F 模块接口属性属性描述1E1-F模块2E1-F模块4E1-F模块连接器类型DB-15DB-15DB-25连接器数量121接口标准G.703,G.704接口速率 2.048Mbps电缆类型E1 75非平衡同轴电缆E1 120平衡双绞线电缆1204E1转接电缆(4E1-F模块)754E1转接电缆(4E1-F模块)同轴连接器、网口连接器、75120转换器(带BNC头)工作方式FE1(仅1E1-F/2E1-F/4E1-F模块支持)支持网络协议IPNovell IPX支持服务备份终端接入服务支持协议PPPMPHDLCLAPBX.25Frame Relay连接电缆1E1-F/2E1-F模块接口电缆1E1-F/2E1-F模块接口电缆均为符合标准的G.703电缆,简称E1电缆,该电缆分为75非平衡同轴电缆和120平衡双绞线电缆两种。
FA16 8E1数字中继板DTE板简介
FA16单板DTE板是数字中继接口板,插于GV5-III主控框内,每块电路板可以提供8路标准E1 接口。
CB01DTE 板可提供8路标准E1接口,并可从E1信号中提取时钟供系统时钟作锁相源。
可实时检测帧失步、对端告警、滑帧等告警。
通过串口与主控框中的A V5主控板通信,接收主控板命令并进行处理,并将电路板状态上报给主控板,电路板的HW和时钟信号由主控板通过机框背板提供。
FA16接入设备CB01DTE 面板上有十个指示灯,具体说明如下所示:
RUN红色运行状态指示灯:0.5S亮/0.5S灭周期性闪烁表示正常运行,0.25S亮/0.25S灭周期性闪烁表示未配置数据或通讯故障
PCM1~8绿色E1信号告警指示灯,分别指示第1~ 8路E1信号:亮:出现信号丢失、失步或对端失步时E1信号告警灯常亮;0.5S 亮/0.5S 灭周期闪烁:出现滑帧或CRC校验错误;灯灭表示单板E1 信号正常。
DE绿色工作方式指示灯:灯亮表示华为FA16 DTE板工作在CAS模式(1号信令);灯灭表示工作在CCS模式(7 号信令)。
FA16单板CB01DTE板E1接口符合ITU-T G.703、G.704、G.706、G.823 标准,电路板静态功耗为8.0W。
华佳慧技术人员提示,选择单板时需根据现场设备所需实际要求配置。
课程SA000101 HONET FA16系统概述ISSUE4.0目录课程说明 (1)课程介绍 (1)课程目标 (1)第1章接入网概述 (2)1.1 什么是接入网 (2)1.1.1 传统用户接入网 (3)1.1.2 传统接入网存在的问题 (3)1.1.3 现代接入网的概念 (4)1.1.4 接入网的接口 (5)1.2 接入网的现状及发展 (5)1.3 接入方式的分类 (5)1.3.1 光纤接入 (6)1.3.2 铜缆接入 (6)1.3.3 无线接入 (6)小结 (7)第2章HONET FA16系统概述 (8)2.1 HONET FA16总体结构 (8)2.1.1 光纤线路终端OLT (8)2.1.2 OLT中各模块配置原则 (12)2.1.3 光纤网络单元ONU (13)2.1.4 ONU的组成及各模块功能 (13)2.1.5 ONU各模块的选配原则 (15)2.1.6 ONU分类 (15)2.1.7 19英寸标准机柜 (16)2.1.8 ONU-512A (18)2.1.9接入网网管系统AN-NMS (20)2.2 HONET FA16系统所提供的接口 (20)2.2.1用户网络接口 (20)2.2.2 业务节点接口 (21)2.2.3 维护管理接口 (21)2.3 HONET FA16系统所提供的业务 (21)2.4 HONET FA16系统功能特点 (22)小结 (23)课程说明课程介绍本课程将介绍HONET FA16系统的总体概念,阐述其主要特点和业务需求,使大家对陌生的接入网能有初步认识,主要内容:●接入网概述●HONET FA16接入网总体结构●HONET FA16系统有哪些接口,能提供何种业务●HONET FA16有什么样的功能及特点课程目标通过本课程的学习,能够:●了解接入网的概念●了解HONET FA16综合业务接入网总体结构●了解HONET FA16系统的接口及业务接入●了解HONET FA16系统的功能及特点第1章接入网概述在通信事业飞速发展的今天,广大客户对各种电信新业务,特别是多媒体业务和数据业务等宽带业务的需求日益增加,因而采用集话音、数据和图象传输于一体的综合业务接入网技术已成为当今现代通信网络发展的新热点。
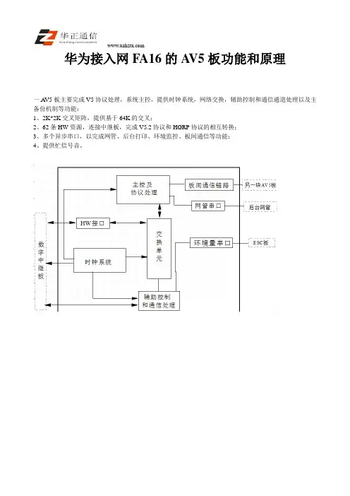
华为接入网FA16的A V5板功能和原理一.A V5板主要完成V5协议处理,系统主控,提供时钟系统,网络交换,辅助控制和通信通道处理以及主备份机制等功能:1、2K*2K交叉矩阵,提供基于64K的交叉;2、62条HW资源,连接中继板,完成V5.2协议和HGRP协议的相互转换;3、多个异步串口,以完成网管、后台打印、环境监控、板间通信等功能;4、提供忙信号音。
二.A V5板指示灯R U N1234O N 指示灯复位开关拨码开关网管串口监控串口V5SV5LMSLCOMCLKE11E12NOD AV5RUN运行灯:正常开工后:慢闪;未正常开工:快闪。
V5SV5接口状态指示灯。
亮:接口正常,闪:部分接口异常。
V5L V5链路状态指示灯。
亮:链路正常;闪烁:部分异常。
MSL 主备通信状态指示灯。
亮:主备板间通信链路正常灭:主备板间通信链路不正常。
COM 前后台串口通信状态指示灯。
亮:单板与后台通信正常;灭:单板与后台通信不正常。
CLK 时钟主用状态指示灯。
亮:本板时钟主用;灭:本板时钟备用。
E11 ETHERNET 输入指示灯。
E12 ETHERNET 输出指示灯。
NOD NOD 指示灯。
三.A V5板的加载 Flash Memory DRAM23程序数据C PUAV5程序数据BAM11.DRAM :动态存储器A V5板开工后,系统的主机程序和数据在其中运行。
A V5板掉电时,DRAM 将被清空。
2.Flash Memory :闪存系统的主机程序和数据的备份地点,在系统复位时可根据拨码开关的设置来选择对程序和数据进行备份。
A V5板掉电时,闪存内的内容不会丢失。
四.A V5拨码开关A V5板面板上的拨码开关同后台终端系统相互配合,以决定A V5板的加载方式。
中继接口我公司数字程控交换机配有丰富的接口类型:环路中继、磁石中继、E&M中继、数字E&M 中继、载波中继、VOIP中继、V5接口、数字中继(包括随路信令中国1号信令、R2信令和共路信令7号信令、PRI信令)和光接口数字中继等。
一、磁石中继:铃流:75V±15V时长:大于500ms输入输出阻抗:600Ω话路频率带宽:300Hz-3400Hz二、E&M中继:接口类型 2E/2M多频(MFC/DTMF)1E/1M双音频(DTMF)话路类型:4线/2线输入输出阻抗:600Ω话路频率带宽:300Hz-3400Hz三、载波中继:接口类型 4线载波(MFC/DTMF)4线载波(MFC/DTMF)线路信令频率和电平:输出:2600Hz±5Hz -8±1dbm输入:2600Hz±5Hz -21±1dbm输入输出阻抗:600Ω话路频率带宽:300Hz-3400Hz四、VOIP中继VOIP 网关软件的基本通讯原理是利用现有的宽带互联网络资源来进行IP语音包交换,借此代替传统的PSTN传统电路交换,实现用户间免费或极低费用的电话通讯,从而极大节省昂贵的长话通信费用。
本公司的IPPBX是由VOIP网关和用户交换机组成的新型语音传输设备。
用户可在原有用户交换机的数字中继的插槽位置配上VOIP板,板子的参数可根据用户的需要和使用情况进行灵活设置(可通过串口、TELNET或WEB方式进行),支持多种接入方式。
•支持多种宽带接入方式,包括ADSL、Cable Modem、Route等各种网络状况下互联•支持H.323(将支持MGCP,H248,SIP)IP协议,可选用G711、G729等主要语音压缩编码方式•无须增加投资,利用用户现有的网络,支持高质量IP电话和实时(T.38协议)传真•支持使用TELNET、WEB远程管理和利用TFTP,FTP升级网关软件•适合于大中小型企事业单位的网络、各种专网、Internet等使用•支持从IP网转接传统PSTN网,用户无须改变现有拨号习惯•提供IPPBX服务,架设IP网络与传统PSTN网络的桥梁•IPPBX网关具有智能路由、计费准确、汇接方便等优点•利用电信运营商和企业提供的国内、国际互联网络实现高质量的电话/传真服务•利用IP网络实现本地或异地的灵活组网及高质量电话/传真服务•向商务楼、住宅小区、SOHO(小型办公/家庭办公)族的业主提供集中管理式的IP电话服务和增值服务•向跨国企业、旅居国外的亲友间提供最经济的通讯手段•利用本地廉价的网络资源来经营电信业务,如IP超市,企业专线等五、数字中继:技术要求(符合《邮电部电话交换设备总技术规范书》GF002-9002.4)1、7号信令7号信令是目前最先进、应用最广泛的一种国际标准化共路信令系统。
FA16接入设备的主要单板介绍FA16接入设备在设备上分为光纤线路终端OLT 和光纤网络单元ONU;从业务功能实现上,可分为主控单元和用户单元。
业务由相应的主控板和业务板实现,系统对外物理接口一般由各机框的背板提供。
1.RSP用户框控制板:用户框处理板。
RSP0、RSPB分别提供4×E1、1×E1和0×E1,其中RSPB 用于V系列ONU或FA16主控框的扩展框。
两块RSP 支持负荷分担和互助工作方式。
2. VDM音频数字叠加板:用于铁路专网共线电话(音频调度电话),每块单板支持多组共16个音频通道的叠加。
3.A V5主控板:V5协议处理及主控板,OLT GV5主控框中央处理板。
两块A V5板支持热备份、主备工作方式。
4.PV8/PV4主控板:V5协议处理及主控板,V系列ONU和FA16的中央处理板。
PV8、PV4 分别提供8×E1 和4×E1 接口。
两块PV8/PV4 板支持热备份、主备工作方式(除E1 接口)。
5.SCS子速率集中交叉板:支持符合X.50协议的最多28个64kbit/s时隙共560个包封之间的任意交叉连接。
可交叉子速率类型包括:2.4kbit/s,4.8kbit/s,9.6kbit/s,19.2kbit/s。
6.TSS用户线测试板:用于模拟用户接口(Z接口)和数字用户接口(U 接口)的测试。
7.PWC二次电源板:用于OLT GV5主控框供电,提供单路+5V/20A 电源。
两块PWC支持负荷分担和互助工作方式。
8.PWX二次电源板:用于用户框和PV8主控框供电。
CC03PWX提供+5V/10A、-5V/5A、75V AC/0.4A 电源;H301PWX提供+5V/30A、-5V/10A、75V AC/0.4A 电源。
两块PWX支持负荷分担和互助工作方式。
9.H302ESC环境电源监控板:支持对环境温度、湿度、门禁、风扇、配线架、一次电源、蓄电池等进行监控,通过串口可支持对CATV、机房环境监控设备AMS-2 等进行监控。
FA16 PV8主控框介绍一.概述H302PV8系统包括一系列新开发的单板和母板:H302PV8、H302RSP、H301HWC、H301HWT、H301HGB、H301HIB,通过槽位调整和配线来共享TSS、PWX等公用资源,通过增加PV8带扩展框HW数量和灵活的交换功能满足框间资源共享。
02PV8系统主要是产品规格变化,因此在接入网中的位置和组网方式仍和01PV8系统相同。
在使用H302PV8板时,主控框一般是PV8-10主控框,见下图。
0 1 2 3 4 5 6 7 8 9 10 11 12 13 14 15 16 17P W X TSSASLASLASLASLASLHWCPV8PV8ASLASLASLASLASLASLPWX图1-1PV8-10主控框槽位图二.单板介绍1.8E1协议处理及主控板PV8板(H302PV8)PV8板标准配置为双配置,两块PV8单板以主备方式工作。
PV8板完成协议处理、控制、交换、时钟锁相和分配等功能。
●主处理机:主用PV8板通过控制总线对框中用户板、测试板和备用PV8板进行监控。
●具有2K×2K交叉矩阵,提供64K交叉能力。
●V5协议的处理和内部HGRP协议的处理。
●负责从E1接口的时钟锁相,并分配到用户单元中。
●32条HDLC,这些HDLC可任意用作V5接口、HGRP接口、BAM接口、ISDN 30B+D接口的通信通道。
●每块PV8板提供40条HW,其中32条用来与RSP单元相连,扩展用户框,另外8条HW,用来与PV8本框的用户相连。
•每块PV8板提供8个E1接口,两块PV8板共16个E1接口,以负荷分担的方式工作,这样,PV8主控框可接入16条E1链路。
PV8板E1接口具有和GV5-III单元中DTE板的E1接口相同的用途,用途可任意定义,具体用途参见DTE板。
在一个PV8框中2块PV8板各提供40条HW,主用PV8提供的40条HW为主用,备用PV8提供的40条HW为备用。
FA16组网配置介绍一.概述在HONET FA16系统中,由于引入了AN 级联和模块间互连的概念,因而组网更加灵活、方便。
既支持单SIPP 功能模块组网方式和多SIPP 功能模块叠加组网方式,也支持采用V5级联以及建立模块间互连接口的多SIPP 功能模块级联组网方式。
在本节里,不涉及光传输的组网,而只阐述SIPP 功能模块与LE 之间、SIPP 功能模块与SIPP 功能模块之间的连接方式。
二.单SIPP 功能模块组网方式单模块组网是最简单的组网方式,它采用一个SIPP 功能模块来组成整个网络,这个SIPP 功能模块可以是上节中描述的任意一种类型的模块。
一个最典型的单模块组网图如图1-1:LEGV5-III 单元BAMRSP 单元RSP 单元RSP 单元V5接口串口、FCPHGRP 协议E1接口图1-1 典型单模块组网图图中虚线内为一个SIPP 功能模块,它与本地交换机LE 之间采用标准V5协议相连;在这个功能模块内,又分为GV5-III 主控单元及多个RSP 单元,GV5-III 单元一般放在局端,即OLT 处,而RSP 单元多放在远端,即ONU 处;GV5-III 单元与RSP 单元之间采用内部协议----HGRP 协议。
在GV5-III 主控单元处,由BAM 通过串口或FCP 方式与之相连。
其中的ONU (即RSP 单元的位置)处配置SIPP 功能模块的主控单元,如PV8或GV5单元时,则构成V 系列ONU ,可直接提供V5接口与LE 对接。
三.多SIPP 功能模块叠加方式当一个SIPP 功能模块的容量不能满足需求时,可采用多个SIPP 功能模块叠加的方式。
组网如图5-2:L ESIPP功能模块SIPP功能模块SIPP功能模块V5协议V5协议V5协议BAM串口、FCP图1-2 多SIPP 功能模块叠加组网上图中有三个SIPP 功能模块参与了叠加。
每个SIPP 功能模块与LE 之间采用标准V5协议对接;与BAM 之间则用串口或FCP 方式相连。
华为接⼊⽹产品单板⼿册华为接⼊⽹产品产品⼿册1 概述在实际的维护中,如果现场⼯区⼯程师对各种单板的指⽰灯含义⽐较清楚,对定位故障是⼤有帮助的。
了解指⽰灯正常运⾏状态,可以直观判断单板的运⾏情况;了解单板在复位或加载过程中指⽰灯的变化情况,则能有效帮助我们定位故障点。
因此本⽂详细介绍了接⼊⽹主要单板的指⽰灯含义,希望能对⼴⼤客户的维护有所帮助。
2 单板指⽰灯详细说明2.1 AV5板指⽰灯详细说明03030561 HV01A V50-V5.2协议处理及主控板⽤于GV5-I主控框(2M板为DTM),⽀持2E1接⼝,与H30系列A V5不通⽤!03031229 H302A V50-协议处理及主控03036341 H303A V50-协议处理及主控⽤于GV5-III主控框(2M板为DTE)1、HV01A V5单板正常运⾏时的灯态:RUN:运⾏灯,指⽰运⾏状态、主备板状态、360程序加载等;1000ms亮,1000ms灭:主⽤正常1900ms亮,100ms灭:正在由备⽤升主⽤进⾏平滑处理100ms亮,1900ms灭:备⽤正常250ms亮,250ms灭:正在加载或主备⾝份还未确定<250ms亮,<250ms灭:加载程序的最后阶段,正在解压缩V5S:V5接⼝状态指⽰灯;亮:V5接⼝正常灭:V5接⼝异常V5L :V5链路状态指⽰灯;常亮:所有V5链路层正常常灭:所有V5链路层异常1s亮,1s灭:有⼀条链路不正常,如果这时候V5S亮,则说明有链路坏掉其他情况:若⼲条链路异常,闪的频率越⾼,坏的越多,但⼀般来说,只有上述三种状态。
MSL:主备板通信链路状态指⽰灯;亮:链路正常灭:链路异常COM:与后台通信状态指⽰等;亮:链路正常灭:链路异常CLK :当前时钟主⽤指⽰灯;亮:当前该板提供时钟,既该板时钟主⽤灭:当前该板不提供时钟,既该板时钟备⽤E11 :E11物理状态指⽰灯;亮:E11正常灭:E11异常E12 :E12物理状态指⽰灯;亮:E12正常灭:E12异常NOD :188NOD指⽰灯。
Regedit/HKEY_LOCAL_MACHINE/SOFTWARE/Microsoft/Winlogon/autoadminlogon 1该为0 步骤一、配置拓扑结构表网元号:网元的编号0-127网元类型:ONU-F02A网元地址:主站站点都设置为0,分站:5为地址开关值×8,串口号:中心站各网元与网管连接的串口号(RS232)。
步骤二、ONU配置表网元号与拓扑结构表网元号要一致。
支路1-8方向:通道1-8的2M上下路方向。
一般选自动通道1-8上下2M支路的编号,0表示不上下2M信号。
ESC有这板时才标注安装步骤三、网元连线表此表表示连线的情况。
网元号与拓扑结构中的网元号要相同。
步骤四、机框描述表模块号该机框所在模块号一般做的与网元号相同,机框序号:0-3,主机框0,第一个连接的机框1。
机架框号机框在机柜里的物理编号0-5,最下面为0框类型:主框选择PV8-10主框控,级连的框选择RSP-14用户框步骤五、槽位描述表模块号:模块号该机框所在模块号。
机框序号:0-3,主机框0,第一个连接的机框1。
槽位号:机框实际的序号。
单板类型:对应槽位选择板子类型单板编号:ATI、HSL、SCS单独编号ASL、CDI、VFB、SRX、DDN、DSL统一编号PWX、PV8、PV4、RSP、HWC、SCS单独编号A.如果是主框主节点号:3-7业务槽主节点为011-15业务槽主节点为1 (包括15槽的SCS板)PV8 9槽主节点为010槽主节点为1PWX、HWC 主节点都为255从节点号:3-7业务槽的从节点号为0-411-15业务槽的从节点号为5-9PV8 9槽的从节点为1610槽的从节点为17PWX、HWC 从节点都为255PCM组号:3-7业务槽的PCM组号为分别为0、0、1、2、311-15业务槽的PCM组号为分别为4、4、5、6、7PWX、HWC、PV8 PCM组号都为255B. 如果是级联框主节点号:2-8业务槽主节点为611-15业务槽主节点为7PV8 9槽主节点为610槽主节点为7PWX、HWC 主节点都为255从节点号:2-8业务槽的从节点号为0-611-15业务槽的从节点号为7-11RSP 9槽的主节点为1610槽的主节点为17PWX、HWC 从节点都为255PCM组号:2-8业务槽的PCM组号为分别为8、8、8、8、9、9、9 11-15业务槽的PCM组号为分别为10、10、10、11、12 RSP 9槽PCM组号为1210槽PCM组号为13步骤六、PCM组描述表步骤七、主节点描述表PV8内置6个主节点,编号为0、1、2、3、4、5。