道路工程预算实例解析
- 格式:doc
- 大小:161.50 KB
- 文档页数:5
公路工程预算定额应用案例题集一、路基工程1、某一路段挖方 1000m3(其中松土 200 m3,普通土 600 m3,硬土 200 m3),填方数量为1200 m3,本断面挖方可利用方量为 900 m3(松土 100 m3,普通土 600 m3,硬土 200 m3),远运利用方量为普通土 200m3(天然方),试求借方和弃方的数量?解:本桩利用 900m3,换算为压实方的数量=100/1.23+600/1.16+200/1.09=782m3 远运利用方 200m3 换算为压实方=200/1.16=172m3故需借方(压实方)=1200-782-172=246m3弃方(天然方)=1000-900m3 (注:本例计算的填方数量,如需运输的话,应根据运输机械采用相应的系数进行换算)2、某高速公路 D 标段路基工程,全长 15Km,按设计断面计算的填方为 2512500m3,无利用方,宽填宽度为 0.3m,平均填土高度为 5m,路基平均占地宽 41m,路基占地及取土坑均为耕地,土质为 III 类土,填前以 12t 压路机压实耕地。
采用 1.0m3 以内单斗挖掘机挖装土方。
试问:填前压实增加土方量为多少?路基宽填增加土方量为多少?总计计价土方量(压实方)为多少?挖装借方作业的挖掘机总台班为多少?解:(1)借方土质分类:取土坑土质为 III 类土,按章说明可知属于定额土质分类的硬土。
(2)因填前压实耕地增加的土方量耕土取 c=3.0kn/cm3,12t 光轮压路机的有效作用力 p=66kn/cm2 因填前压实增加的沉降量h=0.01*p/c=0.01*66/3.0=0.22m 平均路基底面积=41*15000=615000m2 填前压实所增加的土方量=615000*0.22=135300m3(借方)(3)因宽填路基而增加的土方量宽填方量=15000*5*0.3*2(侧)=45000m3(天然方) 换算为宽填所需的借方(压实方)=45000/1.09=41284m3(4)总计计价方量(压实方)=2512500+135300+41284=2689084m3(5)挖掘机台班需要量查《预算定额》(以下简称“定额”)表[1-1-9/6],每 1000m3 天然密实土需要 1.0m3 以内挖掘机2.46 台班,因借方为压实方,而定额单位为天然密实方,故定额值应乘以 1.09 的换算系数。
作业Ⅰ:请列式计算昆明理工大学呈贡校区路面辅道工程(路面面层为24cm厚的混凝土,面积为180000m2)建安费及其建安单价。
(计算材料供应价格取基价,外购材料运距按学位的后两位数字的公里计算(示例取45km)、砂运距按24km计算,石料运距按18km 计算,吨公里运价按0。
85元/t·km,装卸费用按6元/次,取费标准按部颁标准。
)提示:按实物量造价分析方法四个基本问题结合2007年《公路工程基本建设概、预算编制办法》(以下简称“编办”)规定的费用构成逐项列式计算.一、“干什么”(分项)1、建设项目名称:“昆明理工大学呈贡校区路面工程”;2、工程项目名称:“辅道工程”;3、确定计算分项:“24cm厚的混凝土路面,数量为180000平方米”,查编办项目表得其分项层次为:1)1,第一部分建筑安装工程费;2)1-3,路面工程;3)1-3—6,水泥混凝土面层;4)1—3—6—1,24cm厚的混凝土路面,数量为180000平方米.二、“怎么干”(定额组价,即实物分析。
)1、辅道工程的水泥混凝土路面采用人工铺筑,选部颁定额“2-2-17—1”和“2—2-17—2”两个定额如下:2-2—17 水泥混凝土路面单位:1000m2路面工程内容:1)摸板制作、安装、拆除、修理、涂脱模剂;2)拉杆、传力杆及补强钢筋制作、安装;3)混凝土配料料、拌和、运输、浇筑、捣固、真空吸水、抹平、压(刻)纹、养生;4)切缝,灌注填缝料。
2、分项定额数量=实际数量÷定额单位=180000÷1000=180;3、定额实物消耗=基本定额实物消耗+调整量×辅助定额实物消耗;4、各实物消耗=分项定额数量×定额实物消耗;1)人工消耗=180×(290.3+4×12。
2)=61038(工日);三、“多少价”(确定各实物当时当地的预算单价,计算人工费、材料费和施工机械使用费。
)1、人工费=人工消耗×人工预算单价;1)人工预算单价=〔基本工资(元/月)+地区生活补贴(元/月)+工资性津贴(元/月)〕×( l + l4 % )×12月÷240 (工日)=〔754(元/月)+0(元/月)+109.23(元/月)〕×( l + l4 % )×12月÷240 (工日)=49.2(元/工日);人工费=61038×49.2=3003070(元);2、材料费=∑各材料消耗×各材料预算单价;1)锯材预算单价=(材料原价+运杂费)×(1 +场外运输损耗率)×(1 +采购及保管费率)-包装品回收价值;其中:运杂费=(运距×运价+杂费)×毛重系数;锯材预算单价=(1350+(45×0.85+6)×1)×( 1 +0%)×( 1 +2。
案例24用测时法进行人工挖基坑土方定额的测定,现场测定情况如下表。
假定基坑体积为75 m3,清理整修坑底、坑壁面积为36 m2,运土体积为回填后多余的土体,体积为32 m3,不考虑运土便道。
据经验,估计非工作耗时(指准备工作时间、合理中断和休息及结束整理时间)占定额时间的15%。
问题:请用上述资料计算人工挖基坑土方的劳动定额,定额单位取10 m3。
工作内容为:人工挖、装基坑土方并运出坑外,20m内弃土,清理坑底、坑壁。
参考答案:加权平均法是工人人数乘以耗时再相加得到总的耗时,然后再除以总共完成的工程量得到基本时间耗时;而算术平均法是用工人人数乘以耗时,然后除以相应完成的工程量算出每立方米耗时,最后再进行平均。
(1)按加权平均的方法计算。
①计算挖土出坑的定额时间。
挖土出坑基本时间耗时:()()37446+11258+6262+836827+24.1+13.525.2=116.659min/m ⨯⨯⨯⨯÷+挖土出坑定额时间耗时:3116.659(115%)137.246min/m ÷-= (非工作耗时占定额时间的15%)②计算清理整修坑底坑壁的定额时间。
清理整修坑底、坑壁基本时间耗时:2(725526628420)(35253015)=5.267min/m ⨯+⨯+⨯+⨯÷+++ 清理整修坑底、坑壁定额时间耗时:25.267(115%) 6.196min/m ÷-= ③计算的手推车运土的定额时间。
手推车运土基本时间耗时:3++++++=⨯⨯⨯⨯÷(7110812061214128)(19.825.918.713.4)38.149min/m手推车运土定额时间耗时:()338.1491-15%=44.881min/m ÷ ④计算挖基坑土方的劳动定额。
基坑体积为75 m 3,清理整修坑底、坑壁面积为36 m 2,运土体积为为32 m 3 挖基坑定额时间:137.24675+6.19636+44.8813211952.698min ⨯⨯⨯=挖基坑的劳动定额:311952.6986087510 3.320/10m ÷÷÷⨯=工日 (要计量的为基坑的体积,工程量为75 m 3,清理、运土等为挖基坑的附属工作,劳动定额定额单位为10 m 3)(2)按算术平均的方法计算。
预算定额运用案例一、某二级公路第×合同段长15km,路基宽度12m,其中挖方路段长4.5km,填方路段长10.5km,施工图设计图纸提供的路基土石方已知:远运利用土、石方的平均运距为400m,借方、弃方的平均运距为3km。
问题:请根据上述资料列出该土石方工程造价所涉及的相关定额的名称、单位、定额代号、数量等内容,并填入表格中,需要时应列式计算或文字说明。
1、借方数量计算(压实方)利用方数量计算(压实方):(35000+115000)/1.16+(15000+50000)/0.92=199963(m3)借方数量计算(天然密实方):(550000-199963)×1.16=406043(m3)2、弃方数量计算弃土方数量(天然密实方):150000-35000-115000=0(m3)弃石方数量(天然密实方):75000-15000-50000=10000(m3)3、整修路拱数量计算:12×15000=180000(m2)2二、某预应力混凝土连续梁桥,桥跨组合为50+3×80+50,桥梁全长345.50m,桥梁宽度为25.00m。
基础为钻孔灌注桩,采用回旋钻机施工,桥墩为每排三根共6根2.50m的桩,桥台为8根2.00m的桩。
承台尺寸为8.00×20.00×3.00m。
除桥台为干处施工外,其余均为水中施工(水深5m以内)。
混凝土均要求采用集中拌和、泵送施工,水上混凝土施工考虑搭便桥的方法,便桥费用不计。
本工程计划工期为请列出该桥梁基础工程造价所涉及的相关定额的名称、单位、定额代号、数量等内容,并填入表格中,需要时应列式计算。
答:1、钻孔灌注桩护筒数量的确定根据钻孔土质情况,拟定桩经2.00m的护筒长度平均为3.5m。
其重量为:8×3.50m×0.4991×2=27.95(t)(说明P339、340)16根(当在干处埋护筒时,设计上一般要求入土深为1.8m,四周夯填0.2m粘土,总长为1.8m+ 0.2m=2m。
公路工程造价案例分析( 乙级)一、某隧道初期支护喷射混凝土施工, 喷射混凝土设计数量为10m3, 回弹和操作损耗率之和为20.8﹪。
现场进行定额测定情况为: 1名施工企业现场管理人员, 1名现场监理, 1名电工, 2名混凝土喷射机操作手, 10名混凝土班组工人, 施工条件正常, 基本工作时间688min, 因砂料供应不足而停工30min, 因停电耽搁时间18min, 辅助时间占基本工作时间15﹪, 准备与结束时间176min, 工人上班迟到25min, 不可避免中断时间126min, 休息时间占定额时间6﹪, 工人下班早退5min。
问题: ( 20分)请计算该喷射混凝土施工定额( 计量单位1m3, 计算结果取两位小数) 。
二、某标段高速公路路基宽26m, 路线长度8.0km。
填方段平均填土高度4m, 边坡坡度1:1.5, 工程数量见下表。
为保证路基边缘压实度须加宽填筑, 宽填宽度为50cm; 基底压实回填增加土方量为7600m3; 路基沉陷厚度为15cm。
土的压实干密度为1.4t/m3, 自然土的含水量低于最佳含水量的3%。
本项目只考虑借普通土, 借土方平均运距5.2km。
路基土石方工程数量表问题: ( 30分)1.考虑路基沉陷和宽填等增加土方, 请列式计算路基填土方数量。
2.请列式计算土方的借方数量、弃方数量。
3.请列式计算石方的弃方数量。
4.请列式计算土方压实需加水数量。
5.采用2m3挖掘机和10t自卸汽车配合施工, 计算借土方预算基价。
三、某桥桥梁长度360m, 上部结构为现浇预应力砼箱梁, 桥面宽24m, 墩柱高8m, 采用商品砼泵送施工。
主要工程量见下表:问题: ( 25分)根据上述基础资料, 请列出相应预算所涉及的相关定额的单位、定额代号、数量及定额调整等内容, 并填入表格中, 需要时应列式计算或文字说明。
四、某桥梁工程业主与承包人签订了工程承包合同。
承包人编制的施工方案和进度计划表已获监理工程师批准。
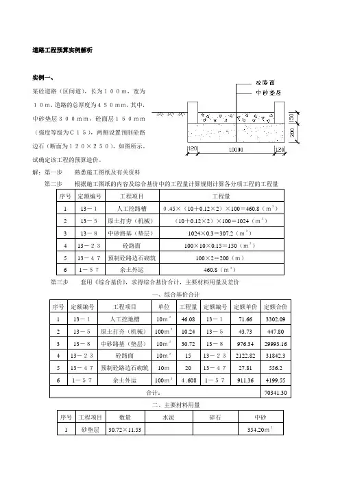
道路工程预算实例解析实例一、某砼道路(区间道),长为100m,宽为10m,道路的总厚度为450mm,其中,中砂垫层300mm,砼面层150mm(强度等级为C15),两侧设置预制砼路边石(断面为120×250),如图所示。
试确定该工程的预算造价。
解:第一步熟悉施工图纸及有关资料第二步根据施工图纸的内容及综合基价中的工程量计算规则计算各分项工程的工程量序号定额编号工程项目工程量1 13-1人工挖路槽0.45×(10+0.12×2)×100=460.8(m3)2 13-5原土打夯(机械)(10+0.12×2)×100=1024(m3)3 13-8中砂路基(垫层)1024×0.3=307.2(m3)4 13-23砼路面100×10×0.15=150(m3)5 13-47预制砼路边石砌筑100×2=200(m)6 1-57余土外运460.8(m3)第三步套用《综合基价》,求得综合基价合计,主要材料用量及差价一、综合基价合计序号定额编号工程项目单位工程量定额编号定额单价定额合价1 13-1人工挖地槽10m346.08 13-171.66 3302.092 13-5原土打夯(机械)100m310.24 13-543.73 447.803 13-8中砂路基(垫层)10m330.72 13-8976.34 29993.164 13-23砼路面10m315 13-232122.82 31842.35 13-47预制砼路边石砌筑10m20 13-4727.81 556.26 1-57余土外运100m34.608 1-57911.36 4199.55合计:70341.30二、主要材料用量序号工程项目数量水泥碎石中砂1 砂垫层30.72×11.53 354.20m3三、主要材料差价第四步根据计算程序,确定工程预算造价一、划分工程类别根据定额第6页可知,该工程为四类工程。
第二部分公路工程重难点项目单价分析计算案例一、路基土石方调配某公路,路基总长度为10Km,路基宽26米,其中挖方路基4公里,填方路基6 公里,路基土、石方工程的设计资料如下表:解:1、先举例讲几个概念:设计断面方、计价方数量(1)设计断面方数量:设计断面方数量=挖方数量+填方数量挖土方数量:160000(m3)挖石方数量:40000(m3)填方数量:350000(m3)断面方数量:160000+40000+350000=550000(m3)(2)计价方数量:计价方数量=挖方数量+借方数量=断面方数量-利用方数量(160000+40000)+[350000—(120000+20000)÷1.09-(5000+30000)÷0.92]=383517(m3)或550000-(120000+20000)÷1.09-(5000+30000)÷0.92=383517(m3)2、清理计算工程量挖土方:160000(m3)挖石方:40000(m3)利用土方:(120000+20000)÷1.09=128440(m3)(密实方)利用石方:(5000+30000)÷0.92=38043(m3)(密实方)借土填方:350000-128440-38043=183517(m3)(密实方)弃土方:160000-20000-120000=20000(m3)弃石方:40000-5000-30000=5000(m3)整修路拱:26*10000=260000m2整修边坡:10km零填及挖方段路基:26*4000=104000m23、工程量清单的熟悉,列出清单细目,查找定额二、桥梁水中桩基础某预应力混凝土连续梁桥,桥跨组合为50+3×80+50,桥梁全长345.50m,桥梁宽度为25.00m。
基础为钻孔灌注桩,采用回旋钻机施工,桥墩为每排三根共6根2.50m的桩,桥台为8根2.00m的桩。
工程施工项目工、料、机成本分析实例成本分析主要指工、料、机分析,一般根据施工项目的工作内容、工序,结合运距,材料单价,现场实测勘探,并参考当地市场信息,结合预算手段的一种估算分析方法。
现就市政路桥公司所属公路工程项目部常见施工项目进行举例说明。
借此抛砖引玉,与大家共勉。
一、公路工程:1、挖方:内容分析:可分挖方(甩)方、挖装运;单价分析:后一种如:运距4公里,土质类别:三类挖装运3元(含1公里),每增加一公里增加1元,依次类推。
结论:挖装运单价6元/立方(松方)。
工、料、机分析:人工(现场管理)+机械(挖装运)=0.3+6=6.3元(松方)计价挖方是压实方,挖方工、料、机也是按压实方计算,因而需要换算。
假定松散系数1.28,压实方除以松散系数=折算系数(1/1.28=0.78),然后用人工费、机械费分别除以折算系数得出工、料、机费用为8.07元/立方(0.38+7.69=8.07元),或者松方单价乘以1.28系数,可以得到同样结果。
注意:人工费只有施工现场管理人员费用,不含机上人工费(凡是机上人工都在机械台班中)。
2、填方、利用方、借方、风积沙:以上列来说明,填方只是在挖方的基础上,增加了推平(推土机或铲车)、平整(平地机)、洒水(洒水车)、碾压(振动碾)内容,即:填方=挖装运+推平、平整、洒水、碾压。
依据经验或测试,根据不同的填料(粘土、天然砂砾土、砂砾),推平、平整、洒水及碾压每立方(压实方)在3.5—4.5元,那么填方单价=8.07+3.5=11.57元。
利用方=3.5元(应扣除挖装运部分)。
借方=挖装运+推平、平整、洒水、碾压,只是在填料上(砂砾料)或运距上有区别(运距不一定等同挖方运距)。
风积沙计算方法一样,只是在加水量需要测算(也就是增加洒水台班)。
3、垫层、基层也可先计算预算单价(表头:规格名称,单位,原价,运杂费—供应地点;运输方式、比重及运距;毛重系数或单位毛重;运杂费构成说明或计算式;单位运费,原价运费,场外运输损耗—费率、金额,采购及保管费—费率、金额,预算单价)如:垫层厚30cm,为天然砂砾,运距6公里,原价=挖装+揭覆盖土层+矿产税、复耕费、草场费、维护费、填埋费(如果有),假如:挖装费每立3元,揭覆盖土层费每立方1元,矿产税每立方1元,那么,原价=每立方5元,计算式:(路面系数*运距*60%挖装费*1)*1*1.65=(0.65*6*1.8*1)*1*1.65=11.58元(单位运费),加上原价(单位运费+原价=原价运费)+材保费(原价运费)*采保费率2.5%),就是预算单价,即:16.99元。
工程量清单编制示例一、概述同三国道福鼎—宁德高速公路A23标段溪口Ⅰ号大桥在漳湾镇溪口村以北约200m 处跨越金溪河。
金溪河属山区季节性河流,常年流水,其流量、水位受降雨影响。
桥位处于河漫滩地及一级阶地,滩槽分界不明显,滩地及河底均为卵石。
两岸均有石砌堤坝。
全桥位于直线上。
上部构造6×25m 预应力混凝土先简支后连续T 型梁;下部构造为双柱式桥墩,扩大基础。
桥台采用U 型桥台,扩大基础。
工程量详见《全桥主要工程材料数量表》。
二、主要材料1.混凝土上部构造预制T 型梁桥为50号;现浇桥面板,连续湿接缝,横隔梁为40号现浇混凝土;桥面铺装为沥青混凝土;桥头搭板采用30号混凝土;防撞护拦采用25号混凝土。
下部构造墩帽、墩身采用30号混凝土;桥墩扩大基础、U 型桥台台帽、背墙(包括牛腿)、侧墙顶部采用25号混凝土;台身、侧墙及基础采用20号片石混凝土,其片石标号不低于25号。
掺入量不多于25%。
2.钢材2.1 预应力钢绞线:钢绞线应符合ASTM41692.270级的规定。
钢绞线标准强度1860Mpa ,单根直径φj15.24mm ,面积为140mm 2。
弹性模量E y =1.9×105 Mpa 。
2.2 普通钢筋必须符合GB1499-91的规定。
凡钢筋直径≥12mm 者,均采用Ⅱ级(20M n S i )热轧罗纹钢;伸缩缝预埋钢筋采用光圆钢筋;凡钢筋直径<12mm 者,采用Ⅰ级(A3钢)。
三、全桥主要工程数量(见下页) 四、施工组织要点1. 预制T 型梁预制场在桥头路基上设置,制梁场中心距桥头500m 。
根据施工安排,制梁工期2个月,每个月按30天计算,每片梁在预制构件底座上周转时间平均为10天,则台座设置个数1023060=10。
2. 安装T 型梁采用轨道平车运输,预制场龙门架吊装,双导梁架设。
五、工料机单价及综合取费基础数据1.定额工日与机械工日单价17.10元/工日。
2. 中(粗)砂和碎石为市场采购材料,其中中(粗)砂出厂价15.0元/m 3,汽车运输12km 、运费0.5元/t .km ,装卸一次,费用5元/t ;2cm 和4cm 碎石出厂价20.0元/m 3,运距10km 、运费0.5元/t .km ,装卸一次,费用5元/t ;6cm 和8cm 碎石及其他碎石由供应商送货到门,到工地价并分摊工地仓储及保管费用后为35.5元/m 3。
造价工程师案例分析(公路交通)交通运输工程设计、施工方案技术经济分析1. 【案例分析题】某高速公路沥青路面施工项目,路线长24km,行车道宽度22m,(江南博哥)沥青混凝土厚度18cm。
在距路线两端1/3处各有一处适宜设置拌和场的场址,上路距离为300m。
预计每设置一处拌和站费用为80万元。
施工组织提出设1处和2处的拌和站方案。
问题:考虑采用20t以内自卸汽车运输,试以定额计价分析运输费用,选择拌和站建设方案。
参考解析:(1)综合平均运距即以运量占比为权重的加权平均运距设置1处拌和站:在线路1/3处,距线路终点分别为8km和16km,平均运距为4km和8km,其混合料综合平均运距为:(4×8+8 × 16)/24+0.3=6.96(km) 平均运距按7km计算。
设置2处拌和站:在线路1/3处,两个拌和场供料范围分别为8km和4km,平均运距为4km和2km,其混合料综合平均运距为:(4 ×8+2×4)/12+0.3=3.63(km)0.13不足增运定额单位(0.5km)的半数,平均运距按3.5km计算。
(2)混合料运输费用混合料工程量:0.18×22×24000=95040(m3)按现行《公路工程预算定额》2-2-13沥青混合料运输20t以内自卸汽车运输,计算运输费用:设置1处拌和站运输费用:(5759+12×459)×95040/1000=1070816(元)设置2处拌和站运输费用:(5759+5×459)×95040/1000=765452(元)(3)经济性比较设置1处拌和站综合费用:1070816+800000=1870816(元)设置2处拌和站综合费用:765452+800000×2=2365452(元)结论:设置1处拌和站综合费用小于设置2处拌和站综合费用,因此,从经济角度出发推荐设置1处拌和站建设方案。
道路工程预算实例解析
实例一、
某砼道路(区间道),长为100m,宽为
10m,道路的总厚度为450mm,其中,
中砂垫层300mm,砼面层150mm
(强度等级为C15),两侧设置预制砼路
边石(断面为120×250),如图所示。
试确定该工程的预算造价。
解:第一步熟悉施工图纸及有关资料
第二步根据施工图纸的内容及综合基价中的工程量计算规则计算各分项工程的工程量序号定额编号工程项目工程量
1 13-1人工挖路槽0.45×(10+0.12×2)×100=460.8(m3)
2 13-5原土打夯(机械)(10+0.12×2)×100=1024(m3)
3 13-8中砂路基(垫层)1024×0.3=307.2(m3)
4 13-23砼路面100×10×0.15=150(m3)
5 13-47预制砼路边石砌筑100×2=200(m)
6 1-57余土外运460.8(m3)
第三步套用《综合基价》,求得综合基价合计,主要材料用量及差价
一、综合基价合计
序号定额编号工程项目单位工程量定额编号定额单价定额合价
1 13-1人工挖地槽10m346.08 13-171.66 3302.09
2 13-5原土打夯(机械)100m310.24 13-543.7
3 447.80
3 13-8中砂路基(垫层)10m330.72 13-8976.3
4 29993.16
4 13-23砼路面10m31
5 13-232122.82 31842.3
5 13-47预制砼路边石砌筑10m20 13-4727.81 556.2
6 1-57余土外运100m34.608 1-57911.36 4199.55
合计:70341.30
二、主要材料用量
序号工程项目数量水泥碎石中砂
1 砂垫层30.72×11.53 354.20m3
三、主要材料差价
第四步根据计算程序,确定工程预算造价
一、划分工程类别
根据定额第6页可知,该工程为四类工程。
二、确定工程预算造价
第五步填写编制说明,封面及有关表格,并装订成册。
实例二某单位有一门卫室,平面图如图所示,原来基本
情况为:C-1窗为钢窗(1500×1500,底标高1.0m),C-2
窗为钢窗(1000×1500,底标高1.0m),M-1为单扇有亮木
门(900×2500),室内地坪为水泥砂浆,内墙及顶棚均为混
合砂浆底层,106涂料面层,室内净高为3.6m ,现准备对内
进行装饰,具体要求:钢窗全部换成铝合金推拉窗,内墙面粘
贴壁纸,顶棚作铝合金吊顶,矿棉版面层(500×500,底标
高3.2m),地面贴地面砖(500×500),对木门M-1进行重
新油漆(调和漆)。
试确定室内装饰的工程预算造价。
第一步熟悉施工图纸及有关资料(综合基价)
第二步根据施工图纸的内容及综合基价中的工程量计算规则计算各分项工程的工程量序号工程项目工程量
1 拆除水泥砂浆面层(4.8-0.24)×(3.6-0.24)=15.32(m2)
2 铺地板砖500×500 15.32(m2)
3 拆除钢窗 1.5×1.5+1×1.5=3.75(m2)
4 铝合金推拉窗制安 3.75(m2)
5 铝合金龙骨架(天棚)15.32(m2)
6 矿棉板面层15.32(m2)
7 木门油漆0.9×2.5×1=2.25(m2)
(4.8-0.24+3.6-0.24)×2×3.2=25.34(m2)
8 墙面贴壁纸
25.34-3.75-2.75=19.34(m2)
9 铲除106涂料19.34(m2)
第三步套用《综合基价》,求得综合基价合计,主要材料用量及差价
一、综合基价合计
序号工程项目单位工程量定额编号定额单价定额合价
1 拆除水泥砂浆面层100m20.153 11-908 453.70 69.42
二、主要材料用量
三、主要材料差价
第四步根据计算程序,确定工程预算造价一、划分工程类别
根据定额第6页可知,该工程为三类工程。
二、确定工程预算造价
第五步填写编制说明,封面及有关表格,并装订成册。