电气照明全负荷试运行记录
- 格式:doc
- 大小:32.50 KB
- 文档页数:2
电气照明系统全负荷试运行报验申请表工程名称:江南水都七期(飞地)地块一2#地下室编号:致:福建省中福工程建设监理公司(监理单位)我单位已完成了电气照明系统全负荷试运行工作,现报上该工程报验申请表,请予以审查和验收。
附件:1、电气照明系统全负荷试运行记录。
承包单位(章)项目经理日期审查意见:项目监理机构总/专业监理工程师日期电气照明系统全负荷试运行记录单位(子单位)工程名称江南水都七期(飞地)地块一2#地下室施工单位福建省永泰建筑工程公司建筑类别框剪总照明配电箱位号地下室-1RAL1箱设计负荷(A)67.18A试运行日期年月日总开关额定电流(A)80A连续运行时间(h)8总电源进线型号及线芯截面(mm2)YJV-1KV-4×70+1×35试运行情况照明系统灯具均投入运行,径8h通电试运行,空气开关、电度表及照明灯具、开关等运行情况正常,符合设计要求和规范规定。
具体试运行数据记录如下:日 08:00 运行电流:4.2A 运行电压:375V日 10:00 运行电流:4.21A 运行电压:380V日 12:00 运行电流:4.2A 运行电压:375V日 14:00 运行电流:4.2A 运行电压:380V日 16:00 运行电流:4.22A 运行电压:380V日 18:00 运行电流:4.2A 运行电压:375V日 20:00 运行电流:4.21A 运行电压:375V日 22:00 运行电流:4.2A 运行电压:380V日 00:00 运行电流:4.21A 运行电压:380V日 02:00 运行电流:4.2A 运行电压:380V日 04:00 运行电流:4.22A 运行电压:380V日 06:00 运行电流:4.2A 运行电压:380V/结论电气照明系统经连续8h全负荷试运行,运行情况正常,合格。
专业监理工程师(建设单位项目专业技术负责人)施工单位专业技术负责人质检员施工员记录员电气照明系统全负荷试运行记录单位(子单位)工程名称江南水都七期(飞地)地块一2#地下室施工单位福建省永泰建筑工程公司建筑类别框剪总照明配电箱位号地下室-1AL1箱设计负荷(A)134.17A试运行日期年月日总开关额定电流(A)160A连续运行时间(h)24总电源进线型号及线芯截面(mm2)YJV-1KV-4×70+1×35试运行情况照明系统灯具均投入运行,径24h通电试运行,空气开关、电度表及照明灯具、开关等运行情况正常,符合设计要求和规范规定。
山东省建设工程质量监督总站监制
山东省建设工程质量监督总站监制
山东省建设工程质量监督总站监制
山东省建设工程质量监督总站监制
山东省建设工程质量监督总站监制
山东省建设工程质量监督总站监制
山东省建设工程质量监督总站监制
山东省建设工程质量监督总站监制
山东省建设工程质量监督总站监制
山东省建设工程质量监督总站监制
山东省建设工程质量监督总站监制
山东省建设工程质量监督总站监制
山东省建设工程质量监督总站监制
山东省建设工程质量监督总站监制
山东省建设工程质量监督总站监制
山东省建设工程质量监督总站监制
山东省建设工程质量监督总站监制
山东省建设工程质量监督总站监制
山东省建设工程质量监督总站监制
山东省建设工程质量监督总站监制
山东省建设工程质量监督总站监制
山东省建设工程质量监督总站监制
山东省建设工程质量监督总站监制
山东省建设工程质量监督总站监制。
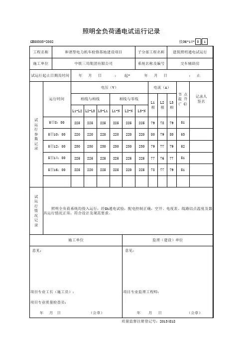
试验记录——照明全负荷通电试运行记录照明全负荷通电试运行记录编号:0615□□□单位工程名称浙江自然博物馆三楼展区展示深化(施工图)设计与布展工程分部工程名称建筑电气工程分项工程名称建筑照明通电试运行试验日期施工执行标准名称及编号建筑电气工程施工质量验收规范(GB50303-2002)项目经理朱和平施工图号电施-01,07试运行日期盘柜编号测试电流值(A)时间3BM13BM23BM3ABCABCABC9:00,17:00试运行结论:经过几个小时的试验,各配电控制正确,空开、线路、温度等均符合设计要求。
验收结论符合要求施工单位项目专业质量检查员(签名):项目专业技术负责人(签名):年月日专业监理工程师(签名):(建设单位项目专业技术负责人)年月日照明全负荷通电试运行记录编号:0615□□□单位工程名称浙江自然博物馆三楼展区展示深化(施工图)设计与布展工程分部工程名称建筑电气工程分项工程名称建筑照明通电试运行试验日期施工执行标准名称及编号建筑电气工程施工质量验收规范(GB50303-2002)项目经理朱和平施工图号电施-01,07试运行日期盘柜编号测试电流值(A)时间3BM43BM53BM6ABCABCABC9:00,17:00试运行结论:经过几个小时的试验,各配电控制正确,空开、线路、温度等均符合设计要求。
验收结论符合要求施工单位项目专业质量检查员(签名):项目专业技术负责人(签名):年月日专业监理工程师(签名):(建设单位项目专业技术负责人)年月日照明全负荷通电试运行记录编号:0615□□□单位工程名称浙江自然博物馆三楼展区展示深化(施工图)设计与布展工程分部工程名称建筑电气工程分项工程名称建筑照明通电试运行试验日期施工执行标准名称及编号建筑电气工程施工质量验收规范(GB50303-2002)项目经理朱和平施工图号电施-01,07试运行日期盘柜编号测试电流值(A)时间3BM73BE13BE2ABCABCABC9:00,17:00试运行结论:经过几个小时的试验,各配电控制正确,空开、线路、温度等均符合设计要求。
照明全负荷通电试运
创智广场2#人防地下室合肥义兴建筑工程公司
①-⑿轴照明动力系统
开启所有照明器具,全负荷试运行,成套配电箱(柜)运行电压,电流应正常,各种仪表指示正常,每2小时记录运行状态1次,连续试运行时间(24小时)内无故障
所有照明器具开启,全负荷试运行,在照明总配电柜(箱)进行电流值(A)测试,每间隔2小时记录运行数据,A相,B相,C相三相电压稳定,电流基本保持平衡,波动数值不大,连续试运行时间内无故障,电压,电流正常,各种仪表指示正常。
大容量母线或导线连接处做温度抽测记录,温升值稳定,不大于设计值。
经检查,符合施工规范要求,试验合格。
电照明系统全负荷试车录音电照明系统全负荷试车录音电照明系统全负荷试车记录检查(电)表共152页第一页单位(隶属单位)工程名称施工单位建筑种类民用住所建筑总照明配合设计负荷AL2(10#建筑物3204号)四十四。
电箱编号(A)试运转总开关额定电流(A)2016.02.25, 50.日期连续运转总电源线模型和线路。
名牙齿时间(h)芯断面(mm)8. BV - 0.75kv - 3 * 16试验韵。
照明系统灯所有投入运转,经过8h通电试验运转,空气开关、照明灯具、开关等运转状况正常。
切合设计要乞降规范。
详细营运数据记录以下。
25日08:30电流39.3A,电压220V行。
25日10:30电流40.1A,电压215V25日12:30电流39.4A,电压225V友情25日14:30电流39.7A,电压225V25日16:30电流40.1A,电压215V状况。
/办理状况结论切合要求专业技术人员专业监理工程师质检员施工(建设公司项目单位施工单位专业技术负责人)记录员电照明系统全负荷试车记录检查(电)表共152页第2页单位(隶属单位)工程名称施工单位建筑种类民用住所建筑总照明配合设计负荷(10#建筑物3202号)AL 1 30.麻。
电箱编号(A)试运转总开关额定电流(A)2016.02.25 40日期连续运转总电源进线型号及线2时间(h)芯截面(mm)8 BV-0.75kV-3*10试。
n/a.运气照明系统灯具均投入运转,经8h通电试运转,空气开关及照明灯具,开关等运转状况正常,切合设计要乞降规范规定.详细运转数以下:25日08:30电流29.8A,行。
25日10:30 25日电流30.1A,电压225V12:30电流30.4A,电压225V友情25日14:30 25日电流29.6A,电压220V16:30电流29.1A,电压215V状况。
存在问题/办理状况结论切合要求专业技术人员专业监理工程师施工质量检查员(建设公司项目单位。
电气照明系统全负荷试运行记录检验(电)表5.3.1-2 共152页第1页单位(子单位)工程名称施工单位建筑类别民用住宅建筑总照明配电箱位号AL2(10#楼3204户)设计负荷(A)40.4试运行日期2016.02.25 总开关额定电流(A)50连续运行时间(h)8总电源进线型号及线芯截面(mm2)BV-0.75kV-3*16试运行情况照明系统灯具均投入运行,经8h通电试运行,空气开关及照明灯具、开关等运行情况正常,符合设计要求和规范规定。
具体属运行数据记录如下: 25日08:30 电流 39.3A,电压 220V25日10:30 电流 40.1A,电压 215V25日12:30 电流 39.4A,电压 225V25日14:30 电流 39.7A,电压 225V25日16:30 电流 40.1A,电压 215V存在问题处理情况/结论符合要求专业监理工程师(建设单位项目专业技术负责人)施工单位专业技术负责人质检员施工员记录员检验(电)表5.3.1-2 共152页第2页单位(子单位)工程名称施工单位建筑类别民用住宅建筑总照明配电箱位号AL1(10#楼3202户)设计负荷(A)30.3试运行日期2016.02.25 总开关额定电流(A)40连续运行时间(h)8总电源进线型号及线芯截面(mm2)BV-0.75kV-3*10试运行情况照明系统灯具均投入运行,经8h通电试运行,空气开关及照明灯具、开关等运行情况正常,符合设计要求和规范规定。
具体属运行数据记录如下:25日08:30 电流 29.8A,电压 215V25日10:30 电流 30.1A,电压 225V25日12:30 电流 30.4A,电压 225V25日14:30 电流 29.6A,电压 220V25日16:30 电流 29.1A,电压 215V存在问题处理情况/结论符合要求专业监理工程师(建设单位项目专业技术负责人)施工单位专业技术负责人质检员施工员记录员检验(电)表5.3.1-2 共152页第3页单位(子单位)工程名称施工单位建筑类别民用住宅建筑总照明配电箱位号AL1(10#楼3203户)设计负荷(A)30.3试运行日期2016.02.25 总开关额定电流(A)40连续运行时间(h)8总电源进线型号及线芯截面(mm2)BV-0.75kV-3*10试运行情况照明系统灯具均投入运行,经8h通电试运行,空气开关及照明灯具、开关等运行情况正常,符合设计要求和规范规定。
电气照明全负荷试运行记录数据电气照明全负荷试运行是指在电气照明系统装设完成后,进行全负荷试运行,以检验照明电路的连接、负荷分配、电气设备的运行可靠性和安全性等方面的问题。
全负荷试运行的数据记录是非常重要的,它可以作为后续维护、检修和改进工作的参考依据。
本文将围绕电气照明全负荷试运行记录数据展开,详细介绍数据记录的内容、记录方法和意义。
电气照明全负荷试运行记录数据包括但不限于以下内容:设备运行情况、设备状态、电压、电流、功率因数、温度、亮度、颜色指数、系统能耗等。
这些数据可以通过各种传感器和监测仪器进行实时采集和保存。
下面将逐一介绍这些数据的记录方法和意义。
设备运行情况是指电气照明设备的工作状态和运行时间等信息。
记录方法可以通过设备的开启和关闭时间来确定,可以使用时间开关、电流表或触发器等设备辅助工具。
这些数据对于评估设备的有效运行时间和负荷分配非常重要,有助于发现设备运行时间过长或负荷过重的问题,为以后的设备维护和更换提供指导。
设备状态是指设备的运行状态、故障状态、防护措施和维护保养等信息。
记录方法可以通过设备的监控报警系统或巡检记录来确定,可以使用红外线热成像仪、智能感应设备和巡检记录表等工具。
这些数据对于判断设备的运行可靠性和安全性非常重要,有助于发现设备故障或损坏的问题,及时采取修复措施,提高设备的安全性和可靠性。
电压是指电气照明系统中的电压大小。
记录方法可以通过电压表或电压监测仪器来确定。
电压的大小直接影响到灯具的亮度和寿命,过高或过低的电压都会影响到照明效果和设备寿命。
因此,电压的监测和记录可以帮助判断电气系统的电压稳定性,及时采取措施保持电压在合理范围内。
电流是指电气照明系统中的电流大小。
记录方法可以通过电流表或电流监测仪器来确定。
电流的大小直接影响到电气设备的负荷和功率因数。
过大的电流会导致设备负荷过大,容易引发设备故障或火灾等安全事故。
因此,电流的监测和记录可以帮助判断设备的负荷分配是否合理,及时调整设备的运行状态。
津资A—D1填写说明
一、一般说明:
1.填表时应按供、配电系统实际运行情况分别记录。
2.系统划分:
①每一幢口单独引接外电源的多层住宅和小型公建,以外电源每一处人户为一个系统,其它多层住宅同下。
②高层住宅和中、大型公建,以总配电室(箱)送出的各路干线各为一系统。
3.照明电气线路及装置,应做连续24小时(住宅8小时)全负荷通电试运行并记录。
4.通电试运行的全过程,应随时巡视检查,运行中应每2小时分别记录时段内的运行状态。
5.试运行中,对表内通电试验要求的照明电器具检验项目,全数检验应合格,将合格的检验具体结果记录在表内。
二、栏目说明:
1.“运行状态记录”栏:在连续运行的各段,均正常无故障方可通过验收,每段为2小时且在表内记录。
2.“测试时间”、“运行电压”、“运行电流”栏:应在试运行初、中、末期,测试系统各相的相电压和各相的线路
电流,并记录在表内。
3.范表中“●”表示所测得的数据。
照明全负荷通电试运行记录编号:工程名称杭州双龙村经济合作社商业综合用房(2)泛光照明工程分部工程名称建筑物照明通电试运行分项工程名称上海曦韵照明工程有限公司试验日期施工执行标准名称及编号GB 50303--2002 项目经理李刚施工图号泛光照明配电系统 1 试运行日期盘柜编号测试电流值(A) 时间AL1 AL2 AL3A B C A B C A B C7:30——9:30 13.6 13.8 13.8 14.3 14.2 14.6 13.8 13.9 13.6 9:30——11:30 13.6 13.8 13.9 14.3 14.2 14.6 13.8 13.9 13.7 11:30——13:30 13.6 13.7 13.6 14.5 14.4 14.6 13.9 13.9 13.5 13:30——15:30 13.6 13.9 13.9 14.4 14.3 14.6 13.7 13.9 13.6 15:30——17:30 13.6 13.5 13.8 14.6 14.2 14.6 13.8 13.8 13.7 17:30——19:30 13.6 13.5 13.9 14.5 14.2 14.6 13.9 13.9 13.7 19:30——21:30 13.6 13.6 13. 14.5 14.2 14.6 13.8 13.8 13.8 21:30——23:30 13.6 13.8 13.9 14.5 14.3 14.6 13.8 13.7 13.9 23:30——1:30 13.6 13.9 13.8 14.5 14.2 14.6 13.8 13.9 13.8 1:30——3:30 13.6 13.7 13.9 14.5 14.2 14.6 13.8 14.0 13.7 3:30——5:30 13.6 13.8 13.7 14.4 14.2 14.6 13.8 13.8 13.7 5:30——7:30 13.6 13.7 13.6 14.5 14.2 14.6 13.8 13.9 13.6试运行结论:各照明系统灯具等电器投入运行,经24小时试验,运行情况正常,符合设计及规范要求。