电气照明全负荷试验记录
- 格式:doc
- 大小:18.00 KB
- 文档页数:1
电气照明全负荷试运行记录数据电气照明全负荷试运行是为了验证照明系统在正常使用负荷下的可靠性和稳定性,通过记录数据分析,可以发现潜在问题并及时解决。
下面是一份生动、全面、有指导意义的电气照明全负荷试运行记录数据的文章。
一、试运行背景为了确保建筑物正常照明系统的安全和可靠运行,本次进行电气照明全负荷试运行。
试运行期间将记录并分析照明系统运行数据,以便发现问题并及时解决,确保照明系统的可靠性和稳定性。
二、试运行时间和范围试运行时间为2021年6月1日至2021年6月7日,试运行范围包括建筑物内所有照明灯具和电源线路。
三、试运行设备与参数1. 照明灯具:共计150个,灯具型号、功率和数量详见附表1。
2. 电源线路:采用220V交流电供电,总线路长度约1000米。
四、试运行过程记录1. 首次开启照明系统:2021年6月1日 8:00 AM2. 记录每天开启和关闭照明系统的时间,并观察系统运行状态。
3. 观察灯光亮度和颜色是否正常,记录异常情况,如闪烁、昏暗等。
4. 观察灯具运行是否稳定,记录是否出现异常的闪烁和频繁熄灭现象。
5. 观察电源线路是否发热或出现异常噪音,记录异常情况。
6. 每天结束后对照明系统进行检查,确保所有设备正常关闭。
五、试运行数据分析1. 灯具工作时间统计:根据记录数据,统计每天开启的灯具数量和持续工作时间,分析灯具使用频率。
2. 异常情况记录分析:根据记录的异常情况,分析出现次数最多的问题,并及时采取相应措施解决。
3. 电源线路运行状态分析:根据观察记录,分析电源线路是否存在过载、欠载等问题,以及线路损耗情况。
六、问题解决和改进措施根据试运行期间的记录数据分析,针对出现的问题制定相应的解决和改进措施。
例如,对于频繁闪烁的灯具,可以检查电源线路连接是否牢固,更换损坏的灯泡等。
对于发热或异常噪音的电源线路,可以检查线路负载情况,优化线路安装等。
七、结论与建议通过本次电气照明全负荷试运行,我们发现了照明系统中存在的一些问题,并及时采取了解决和改进措施。
电气照明全负荷试运行记录数据电气照明全负荷试运行是指在电气照明系统装设完成后,进行全负荷试运行,以检验照明电路的连接、负荷分配、电气设备的运行可靠性和安全性等方面的问题。
全负荷试运行的数据记录是非常重要的,它可以作为后续维护、检修和改进工作的参考依据。
本文将围绕电气照明全负荷试运行记录数据展开,详细介绍数据记录的内容、记录方法和意义。
电气照明全负荷试运行记录数据包括但不限于以下内容:设备运行情况、设备状态、电压、电流、功率因数、温度、亮度、颜色指数、系统能耗等。
这些数据可以通过各种传感器和监测仪器进行实时采集和保存。
下面将逐一介绍这些数据的记录方法和意义。
设备运行情况是指电气照明设备的工作状态和运行时间等信息。
记录方法可以通过设备的开启和关闭时间来确定,可以使用时间开关、电流表或触发器等设备辅助工具。
这些数据对于评估设备的有效运行时间和负荷分配非常重要,有助于发现设备运行时间过长或负荷过重的问题,为以后的设备维护和更换提供指导。
设备状态是指设备的运行状态、故障状态、防护措施和维护保养等信息。
记录方法可以通过设备的监控报警系统或巡检记录来确定,可以使用红外线热成像仪、智能感应设备和巡检记录表等工具。
这些数据对于判断设备的运行可靠性和安全性非常重要,有助于发现设备故障或损坏的问题,及时采取修复措施,提高设备的安全性和可靠性。
电压是指电气照明系统中的电压大小。
记录方法可以通过电压表或电压监测仪器来确定。
电压的大小直接影响到灯具的亮度和寿命,过高或过低的电压都会影响到照明效果和设备寿命。
因此,电压的监测和记录可以帮助判断电气系统的电压稳定性,及时采取措施保持电压在合理范围内。
电流是指电气照明系统中的电流大小。
记录方法可以通过电流表或电流监测仪器来确定。
电流的大小直接影响到电气设备的负荷和功率因数。
过大的电流会导致设备负荷过大,容易引发设备故障或火灾等安全事故。
因此,电流的监测和记录可以帮助判断设备的负荷分配是否合理,及时调整设备的运行状态。
津资A—D1填写说明
一、一般说明:
1.填表时应按供、配电系统实际运行情况分别记录。
2.系统划分:
①每一幢口单独引接外电源的多层住宅和小型公建,以外电源每一处人户为一个系统,其它多层住宅同下。
②高层住宅和中、大型公建,以总配电室(箱)送出的各路干线各为一系统。
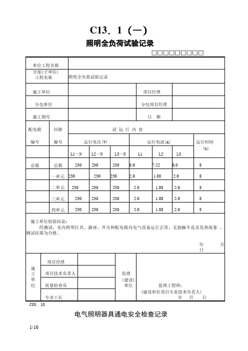
3.照明电气线路及装置,应做连续24小时(住宅8小时)全负荷通电试运行并记录。
4.通电试运行的全过程,应随时巡视检查,运行中应每2小时分别记录时段内的运行状态。
5.试运行中,对表内通电试验要求的照明电器具检验项目,全数检验应合格,将合格的检验具体结果记录在表内。
二、栏目说明:
1.“运行状态记录”栏:在连续运行的各段,均正常无故障方可通过验收,每段为2小时且在表内记录。
2.“测试时间”、“运行电压”、“运行电流”栏:应在试运行初、中、末期,测试系统各相的相电压和各相的线路
电流,并记录在表内。
3.范表中“●”表示所测得的数据。
电气照明系统全负荷试运行记录检验(电)表5.3.1-2 共152页第1页单位(子单位)工程名称施工单位建筑类别民用住宅建筑总照明配电箱位号AL2(10#楼3204户)设计负荷(A)40.4试运行日期2016.02.25 总开关额定电流(A)50连续运行时间(h)8总电源进线型号及线芯截面(mm2)BV-0.75kV-3*16试运行情况照明系统灯具均投入运行,经8h通电试运行,空气开关及照明灯具、开关等运行情况正常,符合设计要求和规范规定。
具体属运行数据记录如下: 25日08:30 电流 39.3A,电压 220V25日10:30 电流 40.1A,电压 215V25日12:30 电流 39.4A,电压 225V25日14:30 电流 39.7A,电压 225V25日16:30 电流 40.1A,电压 215V存在问题处理情况/结论符合要求专业监理工程师(建设单位项目专业技术负责人)施工单位专业技术负责人质检员施工员记录员检验(电)表5.3.1-2 共152页第2页单位(子单位)工程名称施工单位建筑类别民用住宅建筑总照明配电箱位号AL1(10#楼3202户)设计负荷(A)30.3试运行日期2016.02.25 总开关额定电流(A)40连续运行时间(h)8总电源进线型号及线芯截面(mm2)BV-0.75kV-3*10试运行情况照明系统灯具均投入运行,经8h通电试运行,空气开关及照明灯具、开关等运行情况正常,符合设计要求和规范规定。
具体属运行数据记录如下:25日08:30 电流 29.8A,电压 215V25日10:30 电流 30.1A,电压 225V25日12:30 电流 30.4A,电压 225V25日14:30 电流 29.6A,电压 220V25日16:30 电流 29.1A,电压 215V存在问题处理情况/结论符合要求专业监理工程师(建设单位项目专业技术负责人)施工单位专业技术负责人质检员施工员记录员检验(电)表5.3.1-2 共152页第3页单位(子单位)工程名称施工单位建筑类别民用住宅建筑总照明配电箱位号AL1(10#楼3203户)设计负荷(A)30.3试运行日期2016.02.25 总开关额定电流(A)40连续运行时间(h)8总电源进线型号及线芯截面(mm2)BV-0.75kV-3*10试运行情况照明系统灯具均投入运行,经8h通电试运行,空气开关及照明灯具、开关等运行情况正常,符合设计要求和规范规定。