光接收机的动态范围及眼图观测
- 格式:docx
- 大小:78.36 KB
- 文档页数:3
课程名称:光纤通信实验名称:实验5 眼图观测实验姓名:班级:学号:实验时间:指导教师:得分:一、实验目的1、了解和掌握眼图的形成过程和意义。
2、掌握光纤通信系统中的眼图观测方法。
二、实验内容1、观测数字光纤传输系统中的眼图张开和闭合效果。
2、记录眼图波形参数,分析系统传输性能。
三、实验器材1.主控&信号源模块2.25号光收发模块3.示波器四、实验原理1、实验原理框图眼图测试实验系统框图2、实验框图说明本实验是以数字信号光纤传输为例,进行光纤通信测量中的眼图观测实验;为方便模拟真实环境中的系统传输衰减等干扰现象,我们加入了可调节的带限信道,用于观测眼图的张开和闭合等现象。
如眼图测试实验系统框图所示,系统主要由信号源、光发射机、光接收机以及带限信道组成;信号源提供的数字信号经过光发射机和接收机传输后,再送入用于模拟真实衰减环境的带限信道;通过示波器测试设备,以数字信号的同步位时钟为触发源,观测TP1测试点的波形,即眼图。
3、眼图基本概念及实验观察方法所谓眼图,它是一系列数字信号在示波器上累积而显示的图形。
眼图包含了丰富的信息,反映的是系统链路上传输的所有数字信号的整体特征。
利用眼图可以观察出码间串扰和噪声的影响,分析眼图是衡量数字通信系统传输特性的简单且有效的方法。
●被测系统的眼图观测方法通常观测眼图的方法是,如下图所示,以数字序列的同步时钟为触发源,用示波器YT模式测量系统输出端,调节示波器水平扫描周期与接收码元的周期同步,则屏幕中显示的即为眼图。
眼图测试方法框图●眼图的形成示意图一个完整的眼图应该包含从“000”到“111”的所有状态组,且每个状态组发送的此时要尽量一致,否则有些信息将无法呈现在示波器屏幕上。
八种状态如下所示:八种状态示意图眼图合成示意图如下所示:眼图合成示意图一般在无串扰等影响情况下从示波器上观测到的眼图与理论分析得到的眼图大致接近。
●眼图参数及系统性能眼图的垂直张开度表示系统的抗噪声能力,水平张开度反映过门限失真量的大小。
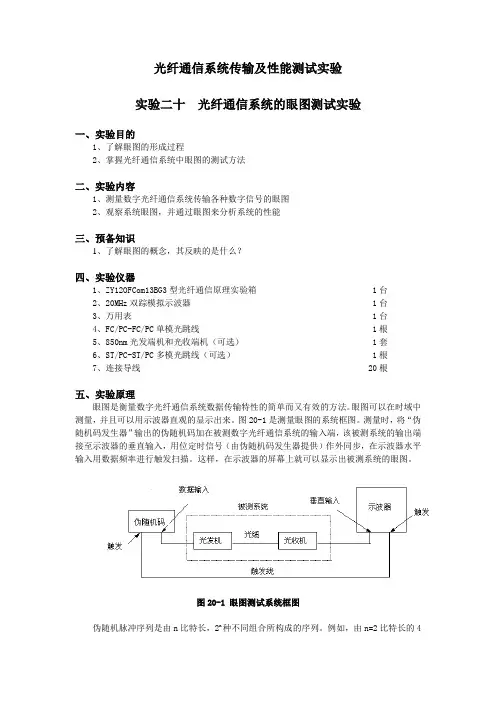
光纤通信系统传输及性能测试实验实验二十光纤通信系统的眼图测试实验一、实验目的1、了解眼图的形成过程2、掌握光纤通信系统中眼图的测试方法二、实验内容1、测量数字光纤通信系统传输各种数字信号的眼图2、观察系统眼图,并通过眼图来分析系统的性能三、预备知识1、了解眼图的概念,其反映的是什么?四、实验仪器1、ZY12OFCom13BG3型光纤通信原理实验箱 1台2、20MHz双踪模拟示波器 1台3、万用表 1台4、FC/PC-FC/PC单模光跳线 1根5、850nm光发端机和光收端机(可选) 1套6、ST/PC-ST/PC多模光跳线(可选) 1根7、连接导线 20根五、实验原理眼图是衡量数字光纤通信系统数据传输特性的简单而又有效的方法。
眼图可以在时域中测量,并且可以用示波器直观的显示出来。
图20-1是测量眼图的系统框图。
测量时,将“伪随机码发生器”输出的伪随机码加在被测数字光纤通信系统的输入端,该被测系统的输出端接至示波器的垂直输入,用位定时信号(由伪随机码发生器提供)作外同步,在示波器水平输入用数据频率进行触发扫描。
这样,在示波器的屏幕上就可以显示出被测系统的眼图。
图20-1 眼图测试系统框图伪随机脉冲序列是由n比特长,2n种不同组合所构成的序列。
例如,由n=2比特长的4种不同有组合、n=3比特长的8种不同的组合、n=4比特长16种不同的组合组成,直到伪随机码发生器所规定的极限值为止,在产生这个极限值以后,数据序列就开始重复,但它用作为测试的数据信号,则具有随机性。
如图20-2所示的眼图,是由3比特长8种组合码叠加而成,示波器上显示的眼图就是这种叠加的结果。
分析眼图图形,可以知道被测系统的性能,下面用图20-3所示的形状规则的眼图进行分析:1、当眼开度VV V ∆-为最大时刻,则是对接收到的信号进行判决的最佳时刻,无码间干扰、信号无畸变时的眼开度为100%。
2、由于码间干扰,信号畸变使眼开度减小,眼皮厚度V V ∆增加,无畸变眼图的眼皮厚度应该等于零。
眼图观测实验报告一、实验目的1、了解和掌握眼图的形成过程和意义。
2、掌握光纤通信系统中的眼图观测方法。
二、实验器材主控&信号源模块25号光收发模块示波器三、实验原理1、实验原理框图2、实验框图说明本实验是以数字信号光纤传输为例,进行光纤通信测量中的眼图观测实验;为方便模拟真实环境中的系统传输衰减等干扰现象,我们加入了可调节的带限信道,用于观测眼图的张开和闭合等现象。
如眼图测试实验系统框图所示,系统主要由信号源、光发射机、光接收机以及带限信道组成;信号源提供的数字信号经过光发射机和接收机传输后,再送入用于模拟真实衰减环境的带限信道;通过示波器测试设备,以数字信号的同步位时钟为触发源,观测TP1测试点的波形,即眼图。
3、眼图基本概念及实验观察方法所谓眼图,它是一系列数字信号在示波器上累积而显示的图形。
眼图包含了丰富的信息,反映的是系统链路上传输的所有数字信号的整体特征。
利用眼图可以观察出码间串扰和噪声的影响,分析眼图是衡量数字通信系统传输特性的简单且有效的方法。
被测系统的眼图观测方法:通常观测眼图的方法是,如下图所示,以数字序列的同步时钟为触发源,用示波器YT模式测量系统输出端,调节示波器水平扫描周期与接收码元的周期同步,则屏幕中显示的即为眼图。
眼图的形成示意图一个完整的眼图应该包含从“000”到“111”的所有状态组,且每个状态组发送的此时要尽量一致,否则有些信息将无法呈现在示波器屏幕上。
八种状态如下所示:眼图参数及系统性能眼图的垂直张开度表示系统的抗噪声能力,水平张开度反映过门限失真量的大小。
眼图的张开度受噪声和码间干扰的影响,当光收端机输出端信噪比很大时眼图的张开度主要受码间干扰的影响,因此观察眼图的张开度就可以估算出光收端机码间干扰的大小。
其中,垂直张开度水平张开度从眼图中我们可以得到以下信息:(1)最佳抽样时刻是“眼睛”张开最大的时刻。
(2)眼图斜边的斜率表示了定时误差灵敏度。
斜率越大,对位定时误差越敏感。
实验一 光发射机指标测试一、实验内容:1.测试数字光发端机的平均光功率2.测试数字光发端机的消光比3.绘制数字光发端机的P-I 特性曲线二、实验目的:1.了解数字光发端机平均输出光功率的指标要求2.掌握数字光发端机平均输出光功率的测试方法3.了解数字光发端机的消光比的指标要求4.掌握数字光发端机的消光比的测试方法三、实验仪器:LTE-GX-02E 型光纤通信实验系统、示波器、光功率计、万用表、FC-FC 光跳线。
四、实验原理:光发射机的指标包括:半导体光源的P-I 特性曲线、消光比(EXT )和平均光功率。
1.半导激光器的P-I 特性曲线测试半导体激光器的输出光功率与驱动电流的关系如下图所示,该特性有一个转折点,相应的驱动电流称为门限电流(或称阈值电流),用Ith 表示。
当输入电流小于Ith 时,其输出光为非相干的荧光,类似于LED 发出光,当电流大于Ith 时 ,则输出光为激光,且输入电流和输出光功率成线性关系,该实验就是对该线性关系进行测量,以验证P-I 的线性关系.图 1 半导体激光器P-I 曲线示意图2.消光比(EXT )的测试光比定义为: ,式中00P是光发射机输入全“0”时输出的平均光功率即无输入信号时的输出光功率。
是光发射机输入全“1”时输出的平均光功率。
当输入信号为“0”时,光源的输出光功率为00P ,它将由直流偏置电流b I 来确定。
无信号时光源输出的光功率对接收机来说是一种噪声,将降低光接收机的灵敏度。
因此,从接收机角度考虑,希望消光比越小越好。
但是,应该指出,当b I 减小时,光源的输出功率将降低,光源的谱线宽度增加,同时,还会对光源的其他特性产生不良影响,因此,必须全面考虑b I 的影响,一般取b I =(0.7~0.9)Ith (Ith 为激光器的阈值电流)。
001110lgP EXT P 11P bI3.平均光功率光发送机的平均输出光功率被定义为当发送机送伪随机序列时,发送端输出的光功率值。
实验地点:信息楼10314在实验过程中注意以下几点:1、在实验过程中切勿将光纤端面对着人,切勿带电进行光纤的连接。
2、光电器件是静电敏感器件,请不要用于触摸。
3、做完实验后请将光纤用相应的防尘帽罩住。
4、在使用信号连接导线时应捏住插头的头部进行插拔,切勿直接拽线。
5、不能带电进行信号连接导线的插拔!6、光纤器件属易损件,应轻拿轻放,插光纤的时候要先对准,用力要轻,切忌倾斜、用力过大或弯折。
7、实验完成后整理好设备、接线。
实验光接收机的动态范围及眼图观测一、实验目的1.了解光收端机动态范围的指标要求。
2.掌握光收端机眼图的观测方法。
二、实验内容1.了解光收端机眼图的观测方法。
2.用示波器观察眼图。
三、实验仪器1.光纤通信实验系统1台。
2.示波器1台。
3.万用表1部。
4.光纤跳线1根。
四、实验原理(一)动态范围在实际的光纤通信线路中,光接收机的输入光信号功率是固定不变的,当系统的中继距离较短时,光接收机的输入光功率就会增加。
一个新建的线路,由于新器件和系统设计时考虑的富余度也会使光接收机的输入光功率增加。
为了保证系统的正常工作,对输入信号光功率的增加必须限制在一定的范围内,因为信号功率增加到某一数值时将对接收机性能产生不良影响。
在模拟通信系统中,输入信号过大将使放大器超载,输出信号失真,降低信噪比。
在数字通信系统中,当输入信号功率增加到某一数值时,将使系统出现误码。
应该指出,在 数字通信系统中,放大器输出信号的失真在测试时应与模拟系统区别开来。
为了保证数字通信系统的误码特性,光接收机的输入光信号只能在某一定范围内变化, 光接收机这种能适应输入信号在一定范围内变化的能力称为光接收机的动态范围,它可以表 示为:D = 10lg —max(dB )min 式中,Pmax 是光接收机在不误码条件下能接收的最大信号平均光功率;Pmin 是光接收 机的灵敏度,即最小可接收光功率。
一般来说,要求光接收机的动态范围大一点较好,但如 果要求过大则会给设备的生产带来一些困难。
光接收机实验班级:电科09-1姓名:谢荣冰学号:200920906061光接收机实验一、码型实验1.实验图2.实验现象改变系统比特率,观察频谱。
10000000bit100000bit3.结论由实验现象可知,当系统的比特率减小时,系统频率变化变慢,频谱变窄。
二、PIN噪声1.实验图2.实验现象改变光源功率,观察眼图3.结论由实验的4幅图片分析可知:只要有光信号输入就有量子噪声,改变光源功率时,噪声依旧存在三、APD噪声1.实验图2.实验现象改变光源功率,观察眼图绘制APD 增益Q G -曲线(6<G<20)APD增益 曲线010203040500510152025增益GQ 值系列13. 结论由图分析知,ADP 的暗电流和附加噪声比较大,雪崩倍增效应对噪声电流同样起放大作用。
四、 误码率 1. 实验图2. 实验现象绘制Attenuation Q -图,绘制Attenuation BER -图,Attenuation-Q图01234567893536373839404142AttenuationQ 值系列13. 结论从Attenuation-Q 图,我们可以得出Attenuation 值增大Q 值减小。
Attenuation BER -图中Attenuation值增大BER 值增大但幅度很小,当Attenuation 值增大到25时BER 值大幅度增大,当BER 值达到1时,即使再增大Attenuation 值,BER 也保持1不变。
五、 灵敏度1.图实验2.实验现象改变Attenuation,使9P=,6BER-10Q,记录=r3.结论随衰减的变化,BER值改变很大,经过多次测试后,终于在衰减等于45和41左右,使BERP=-41.41和-37.55和Q稳定在要求值附近,得出的数据r六、消光比1.实验图2. 实验现象改变调制器的消光比,观察眼图,绘制消光比ER Q 曲线消光比ER-Q曲线9.699.6959.79.7059.719.71501020304050ERQ系列13. 结论Q 值随消光比ER 的变大而变大,在ER<35时,Q 值的变化比较大,在35之后变化趋势逐渐变缓,而后消光比继续变大而Q 值几乎不变。
光接收机的指标——灵敏度和动态范围光接收机的灵敏度和光接收机的动态范围是光接收机的两个重要指标.1.光接收机灵敏度光接收机灵敏度这个指标,是描述接收机被调整到最佳状态时,在满足给定的误码率指标条件下,接收机接收微弱信号的能力.上述这种能力的描述,可以用以下三种物理量来体现.(1)最低接收平均光功率.(2)每个光脉冲中最低接收光子能量..(3)每个光脉冲中最低接收平均光子数.本书将采用工程常用的物理量:最低平均光功率.这就是说,光接收机的灵敏度,是在满足给定的误码率指标条件下,最低接收平均光功率Pmin.工程上光接收机灵敏度中的光功率常用相对值来描述,即用dBm来表示式中,Pmin——在满足给定的误码率指标条件下以瓦表示的最低接收光功率;——指lmW光功率.从物理概念上来看,上述这种灵敏度定义也是容易理解的:如果一部光接收机在满足给定的误码率指标下所要求的最低平均光功率低,说明这部接收机在微弱的输入光条件下就能正常工作,显然,这部接收机的性能是好的,是灵敏的.同样,从物理概念上也容易理解,限制接收机的灵敏度的主要因素是噪声,由于接收机存在噪声(这将在后面讨论),因而,为了保证正常接收,就需要有足够大的输入功率.2.接收机的动态范围光接收机的动态范围D,是在保证系统的误码率指标要求下,接收机的最低输入光功率(用dBm来描述)和最大允许输入光功率(用dBm来描述)之差(dB),即式中,就是上面所讲的接收机灵敏度.之所以要求光接收机有一个动态范围,是因为当环境温度变化时,光纤的损耗将产生变化;随着时间的增长,光源输出光功率亦将变化;也可能因一个按标准化设计的光接收机工作在不同的系统中'从而引起接收光功率不同,因此要求接收机有一个动态范围.低于这个动态范围的下限(即灵敏度),如前所述将产生过大的误码;高于这个动态范围的上限在判决时亦将造成过大的误码.显然,一台质量好的接收机应有较宽的动态范围.3.6.3 光接收机的噪声1.研究光接收机噪声的目的在一个完整的光纤通信系统中,光接收机是它的重要组成部分.可以想像,在满足误码率(或信噪比)指标要求下,如果需要输入接收机的光功率低,则表明这个光接收机的灵敏度高,性能好.那么为什么光接收机的输入功率不能无限制地降低呢?显然,是受到了系统中噪声的限制.为了研究光接收机的性能,就需研究光纤通信系统的噪声,首先是从接收机这端引入的噪声.2.光接收机噪声的主要来源(1)光电检测器引入的噪声光电检测器在工作时,一方面将接收到的光信息量转变为电的信息量;另一方面,在上述这种转变过程中,又将一系列与信息无关的随机变化的量带人信息量中,这种随机变化量主要有以下三种。
光纤通信_实验3实验报告接收机灵敏度和动态范围测量实验课程名称:光纤通信实验名称:实验3 接收机灵敏度和动态范围测量实验姓名:班级:学号:实验时间:指导教师:得分:一、实验目的1、了解和掌握光收端机灵敏度的指标要求和测试方法。
2、掌握误码仪的使用方法。
二、实验器材主控&信号源模块25 号光收发模块23 号光功率计&误码仪模块三、实验原理光接收机的性能指标主要包括灵敏度和动态范围。
(1)灵敏度灵敏度是光端机的重要特性指标之一,它表示了光接收机接收微弱信号的能力,是系统设计的重要依据。
光接收机灵敏度的定义是:在给定误码率或信噪比条件下,光接收机所能接收的最小平均光功率。
在测灵敏度时应注意 3 点:1、在测量光接收机灵敏度时,首先要确定系统所要求的误码率指标。
对不同长度和不同应用的光纤数字通信系统,其误码率指标是不一样的。
例如,在短距离光纤数字通信系统中,要求误码率一般为,而在420km 数字段中,则要求每个中继器的误码率为。
对同一个光接收机来说,当要求的误码率指标不同时,其接收机的灵敏度也就不同。
要求误码率越小,则灵敏度就越低,即要求接收的光功率就越大。
因此,必须明确,对某一接收机来说,灵敏度不是一个固定不变的值,它与误码率的要求有关。
测量时,首先要确定系统设计要求的误码率,然后再测该误码率条件下的光接收机灵敏度的数值。
2、要注意光接收机灵敏度定义中的光功率是指最小平均光功率,而不是指任何一个在达到系统要求的误码率时所对应的光功率。
因此,要特别注意“最小”的概念。
所谓“最小”,就是指当接收的光功率只要小于此值,误码率立即增加而达不到要求。
应该指出,对某一接收机来说,光功率只要在它的动态范围内变化,都能保证系统要求的误码率。
但灵敏度只有一个,即接收机所能接收的最小光功率。
3、灵敏度指的是平均光功率,而不是光脉冲的峰值功率。
这样,光接收机的灵敏度就与传输信号的码型有关。
码型不同,占空比不同,平均光功率也不同,即灵敏度不同。
大动态范围突发模式可兼容的光接收机摘要:这篇论文描述了光数据通信突发模式接收机的性能和特征,在前置放大器中使用了一差分传输阻抗放大器和自动阈值控制电路。
前置放大器的差分输出是dc耦合到判决电路来实现突发模式的兼容性。
接收机组装在一个双面压缩内嵌封装中同时有一个光连接器。
在200MB/s时伪随机码和突发模式信号的典型的敏感度分别为-31.5和-29.5dbm/AV,动态范围为27.5和25.5db。
工作比特率范围从dc到500Mb/s,差分输出为发射极耦合逻辑(ECL)。
1.简介内置电脑通信的典型特征是在无数据存在的死区传输短的突发数据(长串0和1)。
非常适合突发模式工作的高速dc耦合接收机很难实现,因为要在只有几毫伏特的输入数据脉冲中心建立一逻辑阈值。
传统的的ac耦合光纤接收机如图1(a)倾向于连续数据的接收,除非数据的编码实现了人为数据的变换,巩固了dc基线,否则是不能用在这样的应用中的。
这是因为控制时间与极间耦合电容有关。
一个显然的解决方法是移去耦合电容来创建一个耦合接收机如图1(b),但这是不能解决问题的,因为任意输入dc偏置电压是有弱数据信号放大的,从而使放大器饱和。
一个较好的解决方法是按照输入信号波动的两个极端的的中心水平来放大数据。
但是实际上先于突发到达的输入信号的波动是不可知的,其变化的参数为100或更大,这就使得问题变得复杂。
因此,参考必须建立在飞行中,例如在数据突发开始的时刻。
图1.(a)传统ac耦合接收机。
(b)单端dc耦合接收机,移去耦合实现dc耦合传统的接收机,光检测器发送一与光电探测器接收的输入光功率成比例的输出电流。
通过前置放大器的传输阻抗电流转换成电压,并且发送到一个判决电路的输入。
这个判决电路有可能是一个高增益的放大器或一个时钟再生的锁存器。
它的目的是存储一幅度不确定的模拟信号。
判决电路参考一中间电压Vref,在理想的情况下,前置放大器应该在Vref上下对称的波动,这决定于存在或不存在的光输出。
光接收机特性指标——动态范围光接收机是一种用于光信号接收与解调的设备,常用于光纤通信系统中。
动态范围是光接收机的一个重要特性指标,指的是接收机在能够正常工作的条件下,能够接收和处理的最大和最小光功率之间的差值。
动态范围的大小直接关系到接收机对信号的敏感度和抗干扰能力。
光接收机的动态范围由以下几个因素决定:1.接收机的线性范围:线性范围是指接收机能够保持线性增益的输入功率范围。
在线性范围内,接收机的输出与输入之间存在线性关系,可以实现高质量的信号解调和恢复。
线性范围越大,接收机对输入光信号的变化越敏感,动态范围也就越大。
2.接收机的噪声水平:噪声是指光接收机自身产生的非期望信号,会影响对输入信号的正确解调和恢复。
噪声水平越低,接收机对弱光信号的检测能力越强,动态范围也就越大。
3.外界光干扰:外界光干扰是指接收机在接收到目标光信号之外,还接收到其他光源产生的干扰光信号。
外界光干扰会降低接收机对目标信号的检测灵敏度,从而限制了动态范围的大小。
为了提高接收机的动态范围,需要采取一定的光学隔离措施,避免干扰光进入接收机。
4.光学衰减器的使用:光学衰减器可以调节光信号的输入功率,通过减小输入光功率的大小,可以扩大接收机的动态范围。
光学衰减器通常采用可变衰减器,可以根据实际需求调节衰减量。
为了满足不同的应用需求,光接收机的动态范围通常是可调的。
在光纤通信系统中,一般需要根据不同传输距离和信号强度来选择合适的动态范围。
对于长距离传输或者信号强度较弱的情况,需要选择具有较大动态范围的光接收机,以保证信号的正常解调和恢复;而对于短距离传输或者信号较强的情况,可以选择较小动态范围的接收机,以提高系统的传输效率。
总之,光接收机的动态范围是衡量接收机性能的重要指标之一,决定了接收机对光信号的敏感度和抗干扰能力。
在实际应用中,需要根据具体的需求来选择合适的动态范围。
随着技术的不断发展,接收机的动态范围也在不断提高,以满足更高速、更稳定的光纤通信系统的需求。
光接收机的动态范围及眼图观测
一、实验目的
1.了解光收端机动态范围的指标要求。
2.掌握光收端机眼图的观测方法。
二、实验内容
1.了解光收端机眼图的观测方法。
2.用示波器观察眼图。
三、实验仪器
1.光纤通信实验系统1台。
2.示波器1台。
3.万用表1部。
4.光纤跳线1根。
四、实验原理
(一) 动态范围
在实际的光纤通信线路中,光接收机的输入光信号功率是固定不变的,当系统的中继距离较短时,光接收机的输入光功率就会增加。
一个新建的线路,由于新器件和系统设计时考虑的富余度也会使光接收机的输入光功率增加。
为了保证系统的正常工作,对输入信号光功率的增加必须限制在一定的范围内,因为信号功率增加到某一数值时将对接收机性能产生不良影响。
在模拟通信系统中,输入信号过大将使放大器超载,输出信号失真,降低信噪比。
在数字通信系统中,当输入信号功率增加到某一数值时,将使系统出现误码。
应该指出,在数字通信系统中,放大器输出信号的失真在测试时应与模拟系统区别开来。
为了保证数字通信系统的误码特性,光接收机的输入光信号只能在某一定范围内变化,光接收机这种能适应输入信号在一定范围内变化的能力称为光接收机的动态范围,它可以表示为:
max min
10lg ()P D dB P (式 18-1) 式中,Pmax 是光接收机在不误码条件下能接收的最大信号平均光功率;Pmin 是光接收机的灵敏度,即最小可接收光功率。
一般来说,要求光接收机的动态范围大一点较好,但如果要求过大则会给设备的生产带来一些困难。
如何才能保证光接收机的动态范围呢?从光接收机内部来说,就是通过它的自动增益控制(AGC )来实现的。
光接收机的AGC 与电接收机的AGC 有相同之处,也有不同之处。
相同之处都是要控制放大器的放大倍数。
不同之处是在APD 光接收机中,还可以通过对APD 倍增因子的控制来扩大接收机的动态范围。
(二) 眼图原理
眼图方法虽然简单,却是评估数字传输系统数据处理能力的一种极为有效的测量方法。
这种方法已经大量用于评估无线系统的性能,也可用于光纤数据链路。
眼图是在同步状态下,各个周期的随机信码波形重迭在一起所构成的动态波形图,其形状类似一个眼睛故名眼图,它是用于观察是否存在码间干扰的最简单直观的方法。
实际上眼图就是随机信号在反复扫描的过程中迭加在一起的综合反应。
眼图的垂直张开度表示系统的抗噪声能力,水平张开度反映过门限失真量的大小。
眼图的张开度受噪声和码间干扰的影响,当光收端机输出端信噪比很大时眼图的张开度主要受码间干扰的影响,因此观察眼图的张开度就可以估算出光收端机码间干扰的大小。
如图18-1所示,其中,垂直张开度2
10V V E = (式18-2)
水平张开度2
11t t E = (式18-3)
图18-1 模型化眼图
眼图观测的波形如图18-2所示: P104: TP101:
图18-2 眼图观测波形图
五、实验注意事项
1.在实验过程中切勿将光纤端面对着人,切勿带电进行光纤的连接。
六、实验步骤:
1.关闭系统电源。
2.按如下方式用信号连接导线连接。
4.将1310nm 光发模块的J1第1位拨为ON (数字光调制的通状态),第2位拨到OFF (自动光功率控制补偿电流的断状态)。
将1310nm 光发模块的RP300(数字光调制的光发射功率大小的调节旋钮,顺时针旋转为光功率增大),顺时针旋转到最大。
K1设置为“数字”。
5.将1310nm 光收模块的RP1(接收灵敏度的调节旋钮,逆时针旋转时输出信号减小),顺时针旋到最大。
6.打开系统电源,用示波器观测1310nm 光发模块的P261和1310nm 光收模块的P243。
调节1310nm 光收模块的RP4(电平判决电路的判决电平调节旋钮),使示波器上的信号相同。
7.用示波器观测眼图观测模块的“观测点”和光模FPGA 模块的“P282”并且用“P282”作触发(注意:示波器不能设置为交替触发。
调节示波器的触发电平和触发释抑得到眼图,调节眼图观测模块的RP5可观测到眼图张开、闭合的现象。
8.记录眼图的波形,并按图18-1所示测量出1V 、2V 、1t 、2t 。
七、实验报告
1.画出眼图,并根据1V 、2V 、1t 和2t 计算出眼图的垂直张开度和水平张开度。