干粉灭火器维护检查表
- 格式:doc
- 大小:47.00 KB
- 文档页数:4
消防器材(灭火器)检查记录表
设备编号:摆放位置:产品名称:灭火器数量
※备注:检查项目正常打“√”,异常打“×”。
※使用方法:1、先上下颠倒几次,使干粉松动。
2、然后拔去保险销。
3、对准火焰根部,压下压把,灭火剂便会喷出灭火。
※负责部门:责任人:
消防器材(灭火器)检查记录表
设备编号:摆放位置:产品名称:灭火器数量:
※备注:检查项目正常打“√”,异常打“×”。
※使用方法:1、先上下颠倒几次,使干粉松动。
2、然后拔去保险销。
3、对准火焰根部,压下压把,灭火剂便会喷出灭火。
※负责部门:责任人:
干粉灭火器维护检查表2021
火探管式感温灭火系统维护检查表2021
二氧化碳灭火器维护检查表2021
消防栓检查记录表
管理部门:责任人:消防栓编号:年度:
灭火器定期检查表
管理部门:责任人:灭火器编号:年度:。
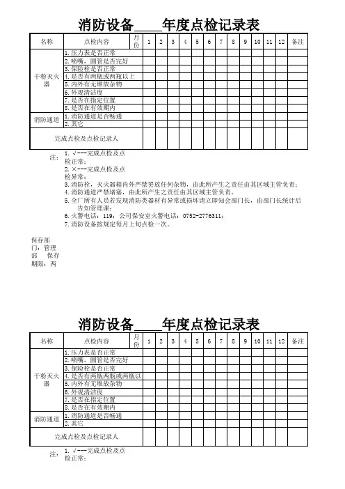
注:检正常;
2.×---完成点检及点
检异常;
保存部
门:管理
部 保存
期限:两注:检正常;
告知管理课;
7.消防设备按规定每月上旬点检一次。
3.消防栓,灭火器箱内外严禁罢放任何杂物,由此所产生之责任由其区域主管负责;
4.消防通道严禁堵塞,由此所产生之责任由其区域主管负责。
5.全厂所有人员若发现消防类器材有异常或损坏请立即知会部门长,由部门长统计后
2.×---完成点检及点检异常;
保存部门:管理部 保存期限:两7.消防设备按规定每月上旬点检一次。
3.消防栓,灭火器箱内外严禁罢放任何杂物,由此所产生之责任由其区域主管负责;
4.消防通道严禁堵塞,由此所产生之责任由其区域主管负责。
5.全厂所有人员若发现消防类器材有异常或损坏请立即知会部门长,由部门长统计后 告知管理课;。
干粉灭火器检查记录卡
注意事项
1.干粉灭火器每月检查一次,并将检查处理结果(正常“√”;异常“×” ;异常已排除“”)详填于本表背面。
2.干粉灭火器应避免置于潮湿、高温或阳光直射处。
3.干粉灭火器药剂有效期限三年,届期应重新装填。
。
4.“附CO 钢瓶式”每三个月应取下钢瓶称重,重量若减少10%以上时应重新补充 。
5.该灭火器材应以护罩加以保护,以免因曝露于大气中而致使各配件发生不良变化 。
6.本表应悬挂于机体上适当位置并保持清洁。
填充建卡日期: 年 月 日
2 (背面
)
(正面
)。
备注:
1.一经开启使用或故障,必须充装、检修
2.禁止任意移动使用灭火器.
3.干粉灭火器罐内压力必须保持1.2Mpa(即表头指示绿色区域)。
4.指针指示黄色区域是压力过高,红色区域是压力过低,均不合格,必须立即送往厂商维修。
5.灭火器有效期为5年,一经到期必须必须交给资质合格的厂商维修再充装。
6.检查人在检查时发现有异常情况必须立即报告并妥善处理。
7.责任人要经常观看消防器材的情况,如有使用或异常情况立即报告综合管理部。
9.√:良好, ×:异常
备注:
1.一经开启使用或故障,必须充装、检修
2.禁止任意移动使用灭火器.
3.干粉灭火器罐内压力必须保持1.2Mpa(即表头指示绿色区域)。
4.指针指示黄色区域是压力过高,红色区域是压力过低,均不合格,必须立即送往厂商维修。
5.灭火器有效期为5年,一经到期必须必须交给资质合格的厂商维修再充装。
6.检查人在检查时发现有异常情况必须立即报告并妥善处理。
7.责任人要经常观看消防器材的情况,如有使用或异常情况立即报告综合管理部。
9.√:良好, ×:异常。