干粉灭火器定点检查表
- 格式:xls
- 大小:34.00 KB
- 文档页数:2
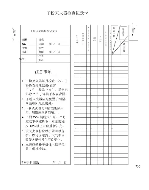
干粉灭火器检查记录卡
(
(
正干粉灭火器检查记录卡
面
) 规格:填充
GL 日期年月日
责任有效
部门期限年月日
挂置
编号:
地点
注意事项
1.干粉灭火器每月检查一次,并
将检查处理结果(正常
“√”;异常“×”;异常已
排除“” ) 详填于本表背面。
2.干粉灭火器应避免置于潮湿、
高温或阳光直射处。
3.干粉灭火器药剂有效期限三
年,届期应重新装填。
4.“附 CO2钢瓶式”每三个月
应取下钢瓶称重,重量若减
少 10%以上时应重新补充。
5.该灭火器材应以护罩加以保
护,以免因曝露于大气中而
致使各配件发生不良变化。
6.本表应悬挂于机体上适当位
置并保持清洁。
填充建卡日期:年月日
(5 检
) (
[ 1 查
附(2 )
瓶量压) 喷
项
检(每力橡
嘴目
(3) 握
查三个表
(4) 机
头
式
接头
管把
人月称体是否
是否
(签重量]锈蚀是弹
锁紧
章 ) 一表否簧
次)压破是
是损否
否灵
正活
常
检
查
结
果
检
查
日
期
背
面
)
735。
消防器材(灭火器)检查记录表仓库名称:摆放位置:设备编号:灭火器数量:
★注意:
1、干粉灭火器压力正常为指示为绿色;CO2灭火器重量正常为不低于标准重量的2/3。
2、本消防设施每月检查2次(每月15日、30日为检查日),正常打“√”,异常打“×”,异常情况及时整改维修。
不得用于商业用途
3、除紧急情况下,未经允许,严禁使用。
4、使用方法:①上下颠倒几次,使干粉松动;②拔去保险销;③对准火焰根部,压下压把。
不得用于商业用途
仅供个人参考
仅供个人用于学习、研究;不得用于商业用途。
For personal use only in study and research; not for commercial use.
Nur für den persönlichen für Studien, Forschung, zu kommerziellen Zwecken verwendet werden.
Pour l 'étude et la recherche uniquement à des fins personnelles; pas à des fins commerciales.
толькодля людей, которые используются для обучения, исследований и не должны использоваться в коммерческих целях.
以下无正文
不得用于商业用途。
医院
年每月消防器材检查卡
器材名称:A\B\C干粉灭火器所属科室:启用日期:
检查日期检查结果5S情况检查人员
灭火器安全自主检查标准(贴在卡片背面)
1、检查是否过期;
2、检查标志是否清晰;
3、检查铅封是否完整;
4、检查压力指针是否在绿区;
5、检查灭火器可见部位防腐层是否完好,无锈蚀;
6、检查灭火器可见零部件是否完整、有无松动、变形、锈蚀和损坏;
7、检查喷嘴与喷射软管是否完整、无堵塞;
8、每月20日之前完成检查
檢查結果:
正常:請打√过期/损坏/脏乱:請打X 已改善:。
灭火器“三定”检查表
2013年
灭火器“三定”检查表
2013年
灭火器“三定”检查表
2013年
灭火器“三定”检查表
2013年
灭火器“三定”检查表
2013年
消防栓检查表
2013年地点:一层1号消防栓责任人:汪娟虹
2013年地点:一层2号消防栓责任人:吴婧
消防栓检查表
2013年地点:二层1号消防栓责任人:林恒春
2013年地点:二层2号消防栓责任人:齐秋群
消防栓检查表
2013年地点:三层1号消防栓责任人:陈颖
2013年地点:三层2号消防栓责任人:颜冰琰
消防栓检查表
2013年地点:四层1号消防栓责任人:丁小铭
2013年地点:四层2号消防栓责任人:黄江南。
干粉灭火器检查表器材编号:摆放地点:体育室项目日期压力结构外观检查人2019-1-2019-2-2019-3-2019-4-2019-5-2019-6-2019-7-2019-8-2019-9-2019-10-2019-11-2019-12-备注:检查正常时划“√”;异常划“×”并送修。
干粉灭火器检查表器材编号:摆放地点:少先队部项目日期压力结构外观检查人2019-1-2019-2-2019-3-2019-4-2019-5-2019-6-2019-7-2019-8-2019-9-2019-10-2019-11-2019-12-备注:检查正常时划“√”;异常划“×”并送修。
干粉灭火器检查表器材编号:摆放地点:美术室项目日期压力结构外观检查人2019-1-2019-2-2019-3-2019-4-2019-5-2019-6-2019-7-2019-8-2019-9-2019-10-2019-11-2019-12-备注:检查正常时划“√”;异常划“×”并送修。
干粉灭火器检查表器材编号:摆放地点:书法室项目日期压力结构外观检查人2019-1-2019-2-2019-3-2019-4-2019-5-2019-6-2019-7-2019-8-2019-9-2019-10-2019-11-2019-12-备注:检查正常时划“√”;异常划“×”并送修。
干粉灭火器检查表器材编号:摆放地点:厨房项目日期压力结构外观检查人2019-1-2019-2-2019-3-2019-4-2019-5-2019-6-2019-7-2019-8-2019-9-2019-10-2019-11-2019-12-备注:检查正常时划“√”;异常划“×”并送修。
干粉灭火器检查表器材编号:摆放地点:教学楼三楼西项目日期压力结构外观检查人2019-1-2019-2-2019-3-2019-4-2019-5-2019-6-2019-7-2019-8-2019-9-2019-10-2019-11-2019-12-备注:检查正常时划“√”;异常划“×”并送修。